消防设施图形符号及工程图例
- 格式:docx
- 大小:31.90 KB
- 文档页数:4
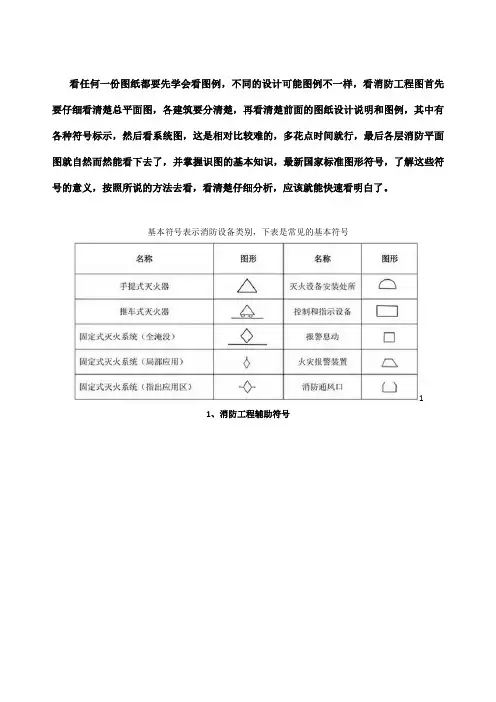
看任何一份图纸都要先学会看图例,不同的设计可能图例不一样,看消防工程图首先要仔细看清楚总平面图,各建筑要分清楚,再看清楚前面的图纸设计说明和图例,其中有各种符号标示,然后看系统图,这是相对比较难的,多花点时间就行,最后各层消防平面图就自然而然能看下去了,并掌握识图的基本知识,最新国家标准图形符号,了解这些符号的意义,按照所说的方法去看,看清楚仔细分析,应该就能快速看明白了。
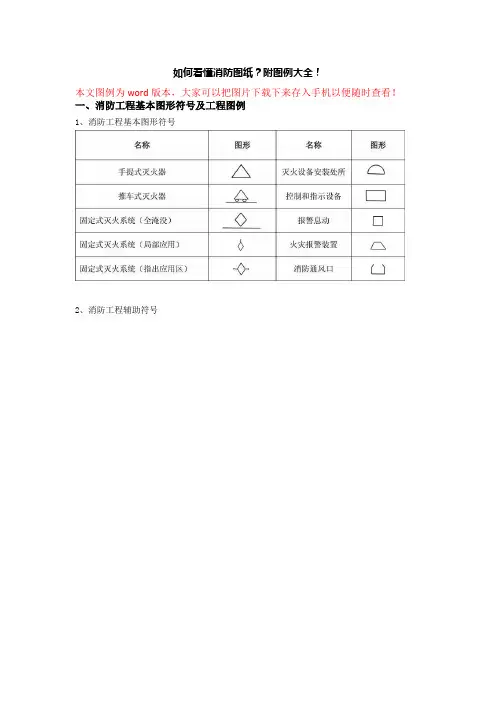
基本符号表示消防设备类别,下表是常见的基本符号
1
1、消防工程辅助符号
2 2、消防工程灭火器符号
3 3、消防工程固定灭火器系统符号
4 4、消防工程灭火设备安装处符号
5
5、消防工程自动报警设备符号
6
6、消防管道及配件符号
7
8 9
7、火灾报警系统图例
10
11 8、消防工程设计图示例
12
13 9、消防工程图例参考
14
15 16
17。
看任何一份图纸都要先学会看图例,不同的设计可能图例不一样,看消防工程图首先要仔细看清楚总平面图,各建筑要分清楚,再看清楚前面的图纸设计说明和图例,其中有各种符号标示,然后看系统图,这是相对比较难的,多花点时间就行,最后各层消防平面图就自然而然能看下去了,并掌握识图的基本知识,最新国家标准图形符号,了解这些符号的意义,按照所说的方法去看,看清楚仔细分析,应该就能快速看明白了。
基本符号表示消防设备类别,下表是常见的基本符号
1
1、消防工程辅助符号
2
2、消防工程灭火器符号
3
3、消防工程固定灭火器系统符号
4
4、消防工程灭火设备安装处符号
5
5、消防工程自动报警设备符号
6
6、消防管道及配件符号
7
8
9
7、火灾报警系统图例
10
11
8、消防工程设计图示例
12
13
9、消防工程图例参考
14
15
16
17。
看任何一份图纸都要先学会看图例,不同的设计可能图例不一样,看消防工程图首先要仔细看清楚总平面图,各建筑要分清楚,再看清楚前面的图纸设计说明和图例,其中有各种符号标示,然后看系统图,这是相对比较难的,多花点时间就行,最后各层消防平面图就自然而然能看下去了,并掌握识图的基本知识,最新国家标准图形符号,了解这些符号的意义,按照所说的方法去看,看清楚仔细分析,应该就能快速看明白了。
基本符号表示消防设备类别,下表是常见的基本符号
1
1、消防工程辅助符号
2
2、消防工程灭火器符号
3 3、消防工程固定灭火器系统符号
4 4、消防工程灭火设备安装处符号
5 5、消防工程自动报警设备符号
6
6、消防管道及配件符号
7 8
9 7、火灾报警系统图例
10
11 8、消防工程设计图示例
12
13 9、消防工程图例参考
14
15
16
17。
消防工程基本图形符号之巴公井开创作创作时间:二零二一年六月三十日图形名称图形名称手提式灭火器灭火设备装置地方推车式灭火器控制和指示设备固定式灭火系统(全淹没)报警息动固定式灭火系统(局部应用)火灾报警装置固定式灭火系统(指出应用区)消防通风口1、消防工程辅助符号名称图形名称图形水阀门手动启动泡沫或泡沫液出口电铃无水入口发声器BC类干粉热扬声器ABC类干粉烟德律风卤代烷火焰光信号二氧化碳易爆气体消防工程基本图形符号2、消防工程灭火器符号名称图形名称图形清水灭火器卤代烷灭火器推车式ABC类干粉灭火器泡沫灭火器二氧化碳灭火器推车式卤代烷灭火器BC类干粉灭火器推车式泡沫灭火器水桶ABC类干粉灭火器推车式BC类干粉灭火器沙桶3、消防管路及配件符号名称图形名称图形干式立管消防水管线干式立管消防水罐(池)干式立管泡沫混合液管线报警阀干式立管消火栓开式喷头干式立管消防泵闭式喷头干式立管泡沫比例混合器水泵结合器湿式立管泡沫发生器泡沫混合器立管泡沫液管消防工程基本图形符号4、消防工程固定灭火器系统符号名称图形名称图形水灭火系统(全淹没)ABC类干粉灭火系统手动控制灭火系统泡沫灭火系统(全淹没)卤代烷灭火系统BC类干粉灭火系统二氧化碳灭火系统5、消防工程灭火设备装置处符号名称图形名称图形二氧化碳瓶站ABC干粉罐泡沫罐站BC干粉灭火罐站消防泵站6、消防工程自动报警设备符号名称图形名称图形消防控制中心火灾报警装置温感探测器感光探测器手动报警装置烟感探测器气体探测器报警德律风火灾警铃火灾报警扬声器火灾报警发声器火灾光信号装置创作时间:二零二一年六月三十日。
如何看懂消防图纸?附图例大全!
本文图例为word版本,大家可以把图片下载下来存入手机以便随时查看!
一、消防工程基本图形符号及工程图例
1、消防工程基本图形符号
2、消防工程辅助符号
3、消防工程灭火器符号
4、消防管路及配件符号
5、消防工程固定灭火器系统符号
6、消防工程灭火设备安装处符号
7、消防工程自动报警设备符号
8、在消防图纸中XL、WL、TL、JL、FL、PL、GL、NL表达的意思
二、消防技术文件用消防设备图形符号
1、基本符号
基本符号表示消防设备的类别,下表是常见的基本符号。
2、辅助符号
辅助符号一般放在基本符号内,表示消防设备的种类或性质,下表给出了常见的辅助符号。
3、单独使用的符号
4、组合图形符号
根据不同的需要组合基本符号和辅助符号,表示不同品种设备的图形符号示例。
基本符号和辅助符号的组合可以有很多形式,这里给出的符号仅仅是举例说明,不包括所有可能得组合。
5、设计图示例。
消防工程根本图形符号名称图形名称图形手提式灭火器灭火设备安装处所推车式灭火器控制和指示设备固定式灭火系统〔全淹没〕报警息动固定式灭火系统〔局部应用〕火灾报警装置固定式灭火系统〔指出应用区〕消防通风口1、消防工程辅助符号名称图形名称图形水阀门手动启动泡沫或泡沫液出口电铃无水入口发声器BC类干粉热扬声器ABC类干粉烟卤代烷火焰光信号二氧化碳易爆气体消防工程根本图形符号2、消防工程灭火器符号名称图形名称图形清水灭火器卤代烷灭火器推车式ABC类干粉灭火器泡沫灭火器二氧化碳灭火器推车式卤代烷灭火器BC类干粉灭火器推车式泡沫灭火器水桶ABC类干粉灭火器推车式BC类干粉灭火器沙桶3、消防管路及配件符号名称图形名称图形干式立管消防水管线干式立管消防水罐〔池〕干式立管泡沫混合液管线报警阀干式立管消火栓开式喷头干式立管消防泵闭式喷头干式立管泡沫比例混合器水泵结合器湿式立管泡沫产生器泡沫混合器立管泡沫液管消防工程根本图形符号4、消防工程固定灭火器系统符号名称图形名称图形水灭火系统〔全淹没〕ABC类干粉灭火系统手动控制灭火系统泡沫灭火系统〔全淹没〕卤代烷灭火系统BC类干粉灭火系统二氧化碳灭火系统5、消防工程灭火设备安装处符号名称图形名称图形二氧化碳瓶站ABC干粉罐泡沫罐站BC干粉灭火罐站消防泵站6、消防工程自动报警设备符号名称图形名称图形消防控制中心火灾报警装置温感探测器感光探测器手动报警装置烟感探测器气体探测器报警火灾警铃火灾报警扬声器火灾报警发声器火灾光信号装置。
消防工程基本图形符号之樊仲川亿创作创作时间:贰零贰壹年柒月贰叁拾日图形名称图形名称手提式灭火器灭火设备装置处所推车式灭火器控制和指示设备固定式灭火系统(全淹没)报警息动固定式灭火系统(局部应用)火灾报警装置固定式灭火系统(指出应用区)消防通风口1、消防工程辅助符号名称图形名称图形水阀门手动启动泡沫或泡沫液出口电铃无水入口发声器BC类干粉热扬声器ABC类干粉烟电话卤代烷火焰光信号二氧化碳易爆气体消防工程基本图形符号2、消防工程灭火器符号名称图形名称图形清水灭火器卤代烷灭火器推车式ABC类干粉灭火器泡沫灭火器二氧化碳灭火器推车式卤代烷灭火器BC类干粉灭火器推车式泡沫灭火器水桶ABC类干粉灭火器推车式BC类干粉灭火器沙桶3、消防管路及配件符号名称图形名称图形干式立管消防水管线干式立管消防水罐(池)干式立管泡沫混合液管线报警阀干式立管消火栓开式喷头干式立管消防泵闭式喷头干式立管泡沫比例混合器水泵结合器湿式立管泡沫发生器泡沫混合器立管泡沫液管消防工程基本图形符号4、消防工程固定灭火器系统符号名称图形名称图形水灭火系统(全淹没)ABC类干粉灭火系统手动控制灭火系统泡沫灭火系统(全淹没)卤代烷灭火系统BC类干粉灭火系统二氧化碳灭火系统5、消防工程灭火设备装置处符号名称图形名称图形二氧化碳瓶站ABC干粉罐泡沫罐站BC干粉灭火罐站消防泵站6、消防工程自动报警设备符号名称图形名称图形消防控制中心火灾报警装置温感探测器感光探测器手动报警装置烟感探测器气体探测器报警电话火灾警铃火灾报警扬声器火灾报警发声器火灾光信号装置创作时间:贰零贰壹年柒月贰叁拾日。
基本符号表示消防设备类别,下表是常见的基本符号1、消防工程辅助符号5、消防工程自动报警设备符号6、消防管道及配件符号動卜架空煤气道養里 层支架••車夕廉空煤气道竇搖摆支冷 a¾tswκin⅞F P 帧・ ® Q H^SI P 压力料 ?. 放n⅛F 丄P U 型压力轧 U 「 自动放说 I 自动记录圧力衰」0 Q ~ 2≡R32tbS74匀 Q水银温度计" JL I Q JSttW —B-二燻发診 0 •> 1⅛Γu 硒建恣 θG 防火色⅛8买地沟U 里彫脈穴J "T" J Ie 射弟P . 地沟蝕孔卢 一卄匸 风交碍⅛ . ma WP ≡Ξ⅛E≡ 立式鈔分离器(用 于压WO DgW80∙*-O^ $ <A>県・・ HnOl 了4 卧式M 分≡i≡l 〈用于压皱Er) Q 详18∙~"tc ^Be»>双,Ξ*头* β*s (用 TEarf 气2 U ta -rtf — 口 •)♦—4^占aι≡< N 廨气检査点”0⅛« ≡3囲S R A ⅛⅛>÷站決 If i s ^9w ⅛l ⅛雜決« S g S S S e ^ S 3i ≡3——⅛κ VA L H M S 鼻口強⅛is KF 字裁韶冷嚴 皿&£»沪⅛a H(⅛!⅛∙ 3J ⅛> ≡⅞⅛s 滋护報StBS (⅛J*j 谢S S 邀护⅛%≡'S ^ T «> 皿护渦s s 3B S 1W ®a ≡+爭*«嬉曲 ⅛冯茹序S _! 一 X S ¼ff >≡≈ 3*>^∙Et * 焙 彌畧講s≡≡游PLB WYB f (2N CJ 》 特聲洱樹・»» » 跌a ⅛s 诲置畫 「同≡s *≡β S It M 営阳油»∞≡^H S ⅛≡1Ξ務烟火灾探测卸消防通风口的手动疫制。
消防工程基本图形符号欧阳歌谷(2021.02.01)图形名称图形名称手提式灭火器灭火设备安装处所推车式灭火器控制和指示设备固定式灭火系统(全淹没)报警息动固定式灭火系统(局部应用)火灾报警装置固定式灭火系统(指出应用区)消防通风口1、消防工程辅助符号名称图形名称图形水阀门手动启动泡沫或泡沫液出口电铃无水入口发声器BC类干粉热扬声器ABC类干粉烟电话卤代烷火焰光信号二氧化碳易爆气体消防工程基本图形符号2、消防工程灭火器符号名称图形名称图形清水灭火器卤代烷灭火器推车式ABC类干粉灭火器泡沫灭火器二氧化碳灭火器推车式卤代烷灭火器BC类干粉灭火器推车式泡沫灭火器水桶ABC类干粉灭火器推车式BC类干粉灭火器沙桶3、消防管路及配件符号名称图形名称图形干式立管消防水管线干式立管消防水罐(池)干式立管泡沫混合液管线报警阀干式立管消火栓开式喷头干式立管消防泵闭式喷头干式立管泡沫比例混合器水泵结合器湿式立管泡沫产生器泡沫混合器立管泡沫液管消防工程基本图形符号4、消防工程固定灭火器系统符号名称图形名称图形水灭火系统(全淹没)ABC类干粉灭火系统手动控制灭火系统泡沫灭火系统(全淹没)卤代烷灭火系统BC类干粉灭火系统二氧化碳灭火系统5、消防工程灭火设备安装处符号名称图形名称图形二氧化碳瓶站ABC干粉罐泡沫罐站BC干粉灭火罐站消防泵站6、消防工程自动报警设备符号名称图形名称图形消防控制中心火灾报警装置温感探测器感光探测器手动报警装置烟感探测器气体探测器报警电话火灾警铃火灾报警扬声器火灾报警发声器火灾光信号装置。
消防工程基本图形符号名称图形名称图形手提式灭火器灭火设备安装处所推车式灭火器控制和指示设备固定式灭火系统(全淹没)报警息动固定式灭火系统(局部应用)火灾报警装置固定式灭火系统(指出应用区)消防通风口1、消防工程辅助符号名称图形名称图形水阀门手动启动泡沫或泡沫液出口电铃无水入口发声器BC类干粉热扬声器ABC类干粉烟电话卤代烷火焰光信号二氧化碳易爆气体消防工程基本图形符号2、消防工程灭火器符号名称图形名称图形清水灭火器卤代烷灭火器推车式ABC类干粉灭火器泡沫灭火器二氧化碳灭火器推车式卤代烷灭火器BC类干粉灭火器推车式泡沫灭火器水桶ABC类干粉灭火器推车式BC类干粉灭火器沙桶3、消防管路及配件符号名称图形名称图形干式立管消防水管线干式立管消防水罐(池)干式立管泡沫混合液管线报警阀干式立管消火栓开式喷头干式立管消防泵闭式喷头干式立管泡沫比例混合器水泵结合器湿式立管泡沫产生器泡沫混合器立管泡沫液管消防工程基本图形符号4、消防工程固定灭火器系统符号名称图形名称图形水灭火系统(全淹没)ABC类干粉灭火系统手动控制灭火系统泡沫灭火系统(全淹没)卤代烷灭火系统BC类干粉灭火系统二氧化碳灭火系统5、消防工程灭火设备安装处符号名称图形名称图形二氧化碳瓶站ABC干粉罐泡沫罐站BC干粉灭火罐站消防泵站6、消防工程自动报警设备符号名称图形名称图形消防控制中心火灾报警装置温感探测器感光探测器手动报警装置烟感探测器气体探测器报警电话火灾警铃火灾报警扬声器火灾报警发声器火灾光信号装置。
消防工程基本图形符号名称图形名称图形手提式灭火器灭火设备安装处所推车式灭火器控制和指示设备固定式灭火系统(全淹没)报警息动固定式灭火系统(局部应用)火灾报警装置固定式灭火系统(指出应用区)消防通风口1、消防工程辅助符号名称图形名称图形水阀门手动启动泡沫或泡沫液出口电铃无水入口发声器BC类干粉热扬声器ABC类干粉烟电话卤代烷火焰光信号二氧化碳易爆气体2、消防工程灭火器符号名称图形名称图形清水灭火器卤代烷灭火器推车式ABC类干粉灭火器泡沫灭火器二氧化碳灭火器推车式卤代烷灭火器BC类干粉灭火器推车式泡沫灭火器水桶ABC类干粉灭火器推车式BC类干粉灭火器沙桶3、消防管路及配件符号名称图形名称图形干式立管消防水管线干式立管消防水罐(池)干式立管泡沫混合液管线报警阀干式立管消火栓开式喷头干式立管消防泵闭式喷头干式立管泡沫比例混合器水泵结合器湿式立管泡沫产生器泡沫混合器立管泡沫液管4、消防工程固定灭火器系统符号名称图形名称图形水灭火系统(全淹没)ABC类干粉灭火系统手动控制灭火系统泡沫灭火系统(全淹没)卤代烷灭火系统BC类干粉灭火系统二氧化碳灭火系统5、消防工程灭火设备安装处符号名称图形名称图形二氧化碳瓶站ABC干粉罐泡沫罐站BC干粉灭火罐站消防泵站6、消防工程自动报警设备符号名称图形名称图形消防控制中心火灾报警装置温感探测器感光探测器手动报警装置烟感探测器气体探测器报警电话火灾警铃火灾报警扬声器火灾报警发声器火灾光信号装置。
消防工程基本图形符号名称图形名称图形手提式灭火器灭火设备安装处所推车式灭火器控制和指示设备固定式灭火系统(全淹没)报警息动固定式灭火系统(局部应用)火灾报警装置固定式灭火系统(指出应用区)消防通风口1、消防工程辅助符号名称图形名称图形水阀门手动启动泡沫或泡沫液出口电铃无水入口发声器BC类干粉热扬声器ABC类干粉烟电话卤代烷火焰光信号二氧化碳易爆气体2、消防工程灭火器符号名称图形名称图形清水灭火器卤代烷灭火器推车式ABC类干粉灭火器泡沫灭火器二氧化碳灭火器推车式卤代烷灭火器BC类干粉灭火器推车式泡沫灭火器水桶ABC类干粉灭火器推车式BC类干粉灭火器沙桶3、消防管路及配件符号名称图形名称图形干式立管消防水管线干式立管消防水罐(池)干式立管泡沫混合液管线报警阀干式立管消火栓开式喷头干式立管消防泵闭式喷头干式立管泡沫比例混合器水泵结合器湿式立管泡沫产生器泡沫混合器立管泡沫液管4、消防工程固定灭火器系统符号名称图形名称图形水灭火系统(全淹没)ABC类干粉灭火系统手动控制灭火系统泡沫灭火系统(全淹没)卤代烷灭火系统BC类干粉灭火系统二氧化碳灭火系统5、消防工程灭火设备安装处符号名称图形名称图形二氧化碳瓶站ABC干粉罐泡沫罐站BC干粉灭火罐站消防泵站6、消防工程自动报警设备符号名称图形名称图形消防控制中心火灾报警装置温感探测器感光探测器手动报警装置烟感探测器气体探测器报警电话火灾警铃火灾报警扬声器火灾报警发声器火灾光信号装置。
消防工程基本图形符号1.03.10 创作:欧阳治名称图形名称图形手提式灭火器灭火设备安装处所推车式灭火器控制和指示设备固定式灭火系统(全淹没)报警息动固定式灭火系统(局部应用)火灾报警装置固定式灭火系统(指出应用区)消防通风口1、消防工程辅助符号名称图形名称图形水阀门手动启动泡沫或泡沫液出口电铃无水入口发声器BC类干粉热扬声器ABC类干粉烟电话卤代烷火焰光信号二氧化碳易爆气体消防工程基本图形符号2、消防工程灭火器符号名称图形名称图形清水灭火器卤代烷灭火器推车式ABC类干粉灭火器泡沫灭火器二氧化碳灭火器推车式卤代烷灭火器BC类干粉灭火器推车式泡沫灭火器水桶ABC类干粉灭火器推车式BC类干粉灭火器沙桶3、消防管路及配件符号名称图形名称图形干式立管消防水管线干式立管消防水罐(池)干式立管泡沫混合液管线报警阀干式立管消火栓开式喷头干式立管消防泵闭式喷头干式立管泡沫比例混合器水泵结合器湿式立管泡沫产生器泡沫混合器立管泡沫液管消防工程基本图形符号4、消防工程固定灭火器系统符号名称图形名称图形水灭火系统(全淹没)ABC类干粉灭火系统手动控制灭火系统泡沫灭火系统(全淹没)卤代烷灭火系统BC类干粉灭火系统二氧化碳灭火系统5、消防工程灭火设备安装处符号名称图形名称图形二氧化碳瓶站ABC干粉罐泡沫罐站BC干粉灭火罐站消防泵站6、消防工程自动报警设备符号名称图形名称图形消防控制中心火灾报警装置手动报警装置烟感探测器气体探测器报警电话火灾警铃火灾报警扬声器火灾报警发声器火灾光信号装置时间2021.03.10 创作:欧阳治。
一、消防工程基本图形符号名称图形名称图形手提式灭火器灭火设备安装处所推车式灭火器控制和指示设备固定式灭火系统(全淹没)报警息动固定式灭火系统(局部应用)火灾报警装置固定式灭火系统(指出应用区)消防通风口1、消防工程辅助符号名称图形名称图形水阀门手动启动泡沫或泡沫液出口电铃无水入口发声器BC类干粉热扬声器ABC类干粉烟电话卤代烷火焰光信号二氧化碳易爆气体2、消防工程灭火器符号名称图形名称图形清水灭火器卤代烷灭火器推车式ABC类干粉灭火器泡沫灭火器二氧化碳灭火器推车式卤代烷灭火器BC类干粉灭火器推车式泡沫灭火器水桶ABC类干粉灭火器推车式BC类干粉灭火器沙桶3、消防管路及配件符号名称图形名称图形干式立管消防水管线干式立管消防水罐(池)干式立管泡沫混合液管线报警阀干式立管消火栓开式喷头干式立管消防泵闭式喷头干式立管泡沫比例混合器水泵结合器湿式立管泡沫产生器泡沫混合器立管泡沫液管4、消防工程固定灭火器系统符号名称图形名称图形水灭火系统(全淹没)ABC类干粉灭火系统手动控制灭火系统泡沫灭火系统(全淹没)卤代烷灭火系统BC类干粉灭火系统二氧化碳灭火系统5、消防工程灭火设备安装处符号名称图形名称图形二氧化碳瓶站ABC干粉罐泡沫罐站BC干粉灭火罐站消防泵站6、消防工程自动报警设备符号名称图形名称图形消防控制中心火灾报警装置温感探测器感光探测器手动报警装置烟感探测器气体探测器报警电话火灾警铃火灾报警扬声器火灾报警发声器火灾光信号装置。
4、消防工程固定灭火器系统符号
共享知识
分享快乐
火灾报警系统图例说明 图例
名
称
图例
名
称
—XH — 消防给水管
Y
消防水泵结合器 —ZP — 消防自动喷水灭次蛤水管
室内单口消次栓 —SM — 水幕灭火给水管 日
室内双口消防火栓 —YL —
雨淋灭火给水管
O
室外消防火栓
水流指示器
湿式报警阀——系统
雨淋阀——系统
水力警铃
图例 名 称 圉例 名 称 图例
火灾报警系统图例说明 感烟探测語 餵遍探测器 手动挾兰器
E
R?nn
压力幵关
水流捋示辭
PYJ
命消防电源控制
排烟风机控制箱 单输入模块
XFB 手动报(带插孔} 叵] 火灾扬声器
laaoa
消昉楼报哲按艶 单输入植块 信号润
总线隔壽器 双输入双輪出模块 取动作切換檯块 防火阀
(7CT :)
排烟葫火阀
C28OTC )
PLB
厂区消防水泵控 制辎
喷満抑压泵控制 箱 空调机
WYB
&3CM
稳压慕控制fii 消防电话模块 消防电话分机
自动喷洒头平面图 (开式、
闭式]
自动喷洒头系统国
(开式}
自动唏洒头系统图 (闭式
下即
自动喷洒头系统图 (闭式
上喷)。