安全事故记录表
- 格式:doc
- 大小:41.50 KB
- 文档页数:1
安全生产事故记录表安全生产事故记录表事故编号:2021210事故日期:2021年3月5日事故时间:上午9点30分事故地点:XX工厂生产车间事故部门:生产一部事故描述:在生产过程中,发生了一起烧伤事故。
事故具体情况如下:员工张某在操作一台正在运行的设备时,由于未按照操作规程进行操作,未佩戴防护手套和护目镜,手不慎进入机器内部被磨擦,导致严重烧伤。
伤亡情况:张某一度昏迷,送往医院后经过紧急治疗,目前生命体征稳定,正在恢复中。
事故原因分析:经初步调查,本次事故的主要原因如下:1.员工未按照操作规程进行操作:在操作过程中,员工张某未佩戴防护手套和护目镜,违反了操作规程。
2.安全宣教不到位:对于员工的安全教育宣传普及不够,使得员工对于安全操作的重要性认识不足。
3.监督管理不到位:生产车间缺乏有效的监督管理措施,对于员工操作规范的执行不够严格。
事故处理措施:1.对于伤者张某,第一时间送至医院进行紧急救治,确保生命安全。
2.成立事故调查组,对事故原因进行深入调查,查明事故的详细情况。
3.对事故现场进行封锁,确保事故不再扩大。
4.对涉事员工进行安全教育培训,提醒员工遵守操作规程,加强对于安全意识的宣传。
5.加强对生产车间的监督管理,设立专门的安全管理岗位,负责对员工进行日常安全操作的监督和指导。
6.制定和完善安全操作规程,对员工的操作过程进行详细说明,保证员工能正确遵守规程操作。
7.更新并配备必要的安全防护设备,确保员工在操作过程中的人身安全。
8.对于事故责任人张某,依据公司相关规定进行相应的纪律处分。
经过调查和处理,相信类似事故不会再次发生,我们将始终以员工的安全为重,切实落实安全生产工作,确保每一个员工都能在安全稳定的工作环境中工作。
同时,我们也要加强对于员工的安全教育和培训,提高员工的安全意识,从而减少类似事故的发生。
安全事故记录表模板【主题】安全事故记录表模板:保障安全、预防事故【引言】在现代社会,安全事故时有发生,给人们的生命财产带来了巨大的损失。
为了及时识别、分析和整改安全隐患,记录事故信息是至关重要的。
本文将为您介绍一个高效、全面的安全事故记录表模板,帮助您在工作场所或生活中保障安全,预防事故并迅速应对。
【正文】一、什么是安全事故记录表模板?安全事故记录表模板是一个用于记录事故发生情况的表格,它包括了各个方面的信息,如事故发生时间、地点、原因、影响等。
通过填写该表格,能够有效地搜集、分析事故数据,从而提高安全意识、预防事故再次发生。
二、为什么需要安全事故记录表模板?1. 了解事故发生情况:通过记录表模板,可以清晰了解每起事故的具体情况,包括时间、地点和相关人员,有利于事后的调查和分析。
2. 分析事故原因:通过对记录表的数据进行统计和分析,可以找出造成事故的原因,为接下来的安全措施提供依据。
3. 提高预防能力:通过记录表中的数据,可以发现事故发生的规律,有针对性地采取预防措施,降低事故风险。
4. 迅速应对事故:记录表中详细的情况描述和处理方式,可以为事故发生后的应对提供参考,减少人员和财产损失。
三、如何使用安全事故记录表模板?1. 完整填写基本信息:包括事故发生时间、地点、人员等基本情况,确保准确记录。
2. 描述事故经过:详细描述事故发生的经过,注意事实客观、准确,避免主观臆断。
3. 分析事故原因:根据调查结果,分析造成事故的原因,如人为因素、设备故障等。
4. 总结教训和经验:结合事故原因,总结事故教训和经验,为安全管理提供参考。
5. 制定整改措施:根据事故原因和总结的经验,制定相应的整改措施,以预防再次发生同类事故。
四、使用安全事故记录表模板的好处?1. 提高工作效率:模板提供了完整的记录表格,只需填写详细信息,节省了撰写表格的时间,提高了工作效率。
2. 便于数据统计:通过记录表中的数据,可以进行数据分析和统计,找出隐患点,为预防事故提供依据。
安全生产事故隐患检查记录表个
安全生产事故隐患检查记录表
一、检查单位:
二、检查时间:
三、检查人员:
四、检查地点:
五、检查内容:
六、检查结果:
七、存在的隐患及整改措施:
1. 电气设备隐患:
存在的隐患:插线板超负荷使用、电线老化破损、电子设备散热不良等隐患。
整改措施:更换插线板,整理电线敷设,清理设备散热口。
2. 火灾隐患:
存在的隐患:电线短路、易燃物品存放不当、紧急情况无及时疏散等隐患。
整改措施:更换电线、规范储放物品、组织防火演练。
3. 机械设备隐患:
存在的隐患:设备故障频发、机械本体松动、地面不平整等隐患。
整改措施:修复设备、加强设备维护、平整地面。
4. 人员操作隐患:
存在的隐患:操作不规范、工具乱放、没有佩戴个人防护用品
等隐患。
整改措施:加强培训、规范操作流程、强制佩戴个人防护用品。
5. 安全出口隐患:
存在的隐患:安全出口被占用、遮挡不清晰,紧急情况无法疏
散等隐患。
整改措施:规范安全出口,清晰标注,定期检查。
八、检查意见:
九、检查人员签字:。
安全事件记录与报告随着社会的不断发展和进步,安全问题已经成为各行各业面临的一个重要挑战。
无论是在个人生活还是工作环境中,遇到安全事件时都应及时记录和报告,以便进一步处理和改进。
一、安全事件记录在日常生活和工作中,安全事件可能涉及到人身安全、财产安全、网络安全等多个方面。
为了更好地记录这些事件,以下为一份常见的安全事件记录表格:事件时间:事件地点:事件类型:事件描述:记录人员:相关人员:事件原因分析:事件严重程度:已采取措施:进一步处理计划:以上为一个基本的模板,可以根据实际情况进行相应修改和调整。
在填写记录表格时,需要尽可能详细地描述事件发生的时间、地点、类型等信息,并对事件的原因进行分析,以便从根本上避免类似事件再次发生。
同时,还要记录已经采取的措施和进一步处理计划,为后续的工作和改进提供参考。
二、安全事件报告在记录完安全事件后,还需要将相关信息进行报告,以便相关人员能够及时了解事件的发生和处理情况。
以下为一份常见的安全事件报告模板:报告主题:报告人员:报告时间:报告对象:报告内容:(事件描述、分析、处理措施、进一步改进计划等)在报告中,需要明确指出报告的主题和时间,并列出相关的事件描述、分析、处理措施和进一步改进计划等内容。
报告内容要准确、简洁地表达事件的经过和处理情况,并提供真实、完整的数据和事实支持。
三、安全事件处理与改进记录和报告安全事件只是第一步,更重要的是对事件进行适当的处理和改进,以避免类似事件再次发生。
以下为一些常见的安全事件处理与改进措施:1. 加强安全意识培训:针对事件发生的原因和类别,开展相应的安全意识培训和教育,提升人员对安全事件的预防和应对能力。
2. 完善安全管理制度:建立有效的安全管理制度和流程,明确各个岗位的责任和义务,确保每个人都能按照规定的程序和要求进行工作。
3. 引进安全技术手段:借助先进的技术手段,如安全监控系统、防火墙等设备,提高安全事故的检测和防范能力。
各类安全教育记录表教育类别:事故教育教育课时:1小时年月日单位名称新疆交建和上海隧道联合体主讲部门主讲人工程名称地铁1号线16标受教育工点人数教育内容:昆明工地及12号线25标事故通报专题教育今天召集各位来,主要是通报昆明工地及12号线25标两起死亡事故。
昆明轨道交通项目施工中由于副钩钢丝突然发生旋转、急速绕索,锚钩脱落钢丝绳甩出,砸到现场施工人员头部,伤者被送往医院后抢救无效死亡。
2011年1月9日凌晨3点30分左右,轨道交通12号线25标巨峰路车站施工中,司索指挥工陈某在进行地下连续墙施工钢筋笼起吊指挥作业过程中,突然掉下一根钢筋,直接击中陈某的头部,安全帽被当场击碎,随后送往医院抢救,因伤势过重抢救无效后死亡。
这两起事故完全是可以避免的,只要现场施工人员在起吊过程中能够及时的发现存在的隐患,及时的采取措施,就不会发生如此惨痛的事故。
事故对我们现场在坐的各位都是一种警示,尤其是起重驾驶与起重指挥,在各类起重吊运过程中必须时刻提防,严禁违章违规吊运施工,遇问题不确定的一律禁止吊运,必须报项经部相关部门待以确认后方可施工。
对于现场各类大中小型设备,机修工必须加强日常的检查和保养,要在隐患发生前就予以消除,对后期发现的隐患要及时的落实整改,发现重大隐患应及时报项经部安全部门及设备部门,项经部将及时的采取措施进行整改。
所有人员在现场发现问题应及时汇报项经部,不得瞒报、舞弊,对制造隐患或发现隐患不报的人员项经部将给予严厉的处罚,情节严重的清退出场,存在违法违纪的将送至公安机关处理。
任何事故其实都是可以避免的,只要各位多一个心,以保护自己,保护别人,保护现场各类设施为原则,增强自身的安全意识,那就完全可以化解各类事故发生。
希望在这次事故通报教育后,大家在施工过程中提高警惕,警钟长鸣,为工程能顺利进展而努力。
(1)吊装现场道路必须平整坚实,回填土、松软土层要进行处理。
如土质松软,应单独铺设道路。
起重机不得停置在斜坡上工作,也不允许起重机两个边一高一低。
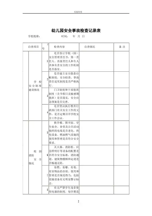
幼儿园安全事故检查记录表学校校称:时间:年月日幼儿园安全事故的预防及措施安全教育是幼儿园最重要的常规工作之一。
对幼儿园来说,不允许有重大伤害事故发生。
我园为了让教师对安全教育更深刻的了解,今天我园对安全事故的预防及处理措施问题进行如下的学习讨论:一、幼儿园预防安全事故的发生最重要的就是将易发生的安全事故要有预见性并加以防范。
幼儿园的安全与教师密不可分。
因此,安全教育应从教师和幼儿两方面入手。
1、老师要对安全工作进行定期检查和不定期抽查,在全园创造处处安全,时时安全的环境。
2、提高教师专业化程度(1)进行安全知识与技能的培训和做好应急预案的演练工作。
内容包括教师一日工作常规、幼儿安全事故应急处理方法,消防知识等。
(2)在案例分析中学习提高。
通过案例分析,培养教师的反思能力,提高教师对安全事故的预见性,从而设法避免事故发生。
3. 对幼儿进行多种形式的安全教育及相关能力的培养对于幼儿的安全教育应从认知与行为两方面入手,并将二者有机结合起来,从而达到提高幼儿自我保护能力、减少安全事故发生率的目的。
(1)安全事故案例教育。
安全教育并非说教式教育,对于幼儿而言,很多安全事故是他(她)没有见过更没有经历过的,没有经验可谈,较为抽象。
但是,又不能等幼儿经历之后自然成为直接经验。
因此,最好的办法就是从别人的经历中获得间接经验。
我们可以将有关安全事故的图片张贴于班上,引导幼儿讨论图上会出现什么不安全的后果,怎样才可以避免危险,这样不但可以提高幼儿的安全防范意识,而且还可以提高幼儿分析问题、解决问题的能力。
这种图片形式的安全教育比简单说教留给幼儿的印象更深。
如果幼儿身边有安全案例,要及时抓住进行讨论,以事实说明问题,教育幼儿引以为戒。
(2)安全常识及自救方法的教育。
教师可在幼儿园的公共区张贴一些适合幼儿掌握的标记,如“119”“安全通道”“禁止跳下”“严禁触摸”“禁止玩火”“不喝生水”等,以引导幼儿的正确行为。
特别要注意的是要让幼儿知道一些简单的自救方法。
八里中学学校安全责任事故专项检查情况记录表学校(盖章):检查时间: 2016 年 9 月 25日检查项目检查内容存在隐患整改措施整改时限整改责任人一、学校安全常规1、法人代表及主要负责人、分管负责人、具体负责人(职责分工、责任追究制度)2、新学年安全责任书签定及落实情况(学校、教师、学生层层签定责任书)3、校园内安全管理各项规章制度是否完善并落实4、应急管理工作体系(包括应急机构、应急队伍、应急工作预案、应急演练等)是否健全5、重点部位的物防、技防措施是否安装到位6、是否落实聘用法制副校长或法制辅导员7、安全法制教育是否做到教学计划、教材、课时、师资“四落实”准备在下周召开法制教育大会8、“品德教育、法纪教育、安全教育”三项教育活动是否得到落实9、“问题少年”、“留守儿童”教育管理是否到位10、学校是否有按照有关规定和要求开展防溺水、防交通事故、防意外伤害、防盗窃、防诈骗、防火灾、防地震、防自然灾害等系列安全教育11、学校是否有组织开展紧急疏散和自救逃生等演练。
12、安全工作会议记录(含签到)13、安全检查记录(含检查表等)14、安全教育培训记录(含资料、照片等)有培训但无过程性材料尽快搜集整理15、综治、普法安全工作计划、总结制订情况16、组织学生健康体检及校园环境卫生情况17、校舍及其他构筑物、建筑施工安全状况18、危险化学品安全二、校车和学生道路交通安全管理情况1、建立校车安全管理档案(有关证件复印件、责任书、信息表、检查记录、安全教育记录等相关资料)2、车辆“六定”管理(定人、定车、定座位、定检、定线路、定时间)3、车辆管理“三个严禁”(严禁超速、严禁超载、严禁“超龄”)4、驾驶员具备相应车型3年以上驾驶经历5、交通事故防范和应急预案6、喷涂(张贴)校车专门标识以及安装卫星定位装置7、学校周边道路交通警示标志、标识等安全设施有警示标志、但无斑马线以上上级部门上报8、校门口机动车乱停、乱调头、超速行驶、逆行、闯红灯、乱鸣喇叭、人行横道不让人9、“三黑”车辆(黑校车、黑出租、黑摩的)接送学生周末有三黑车辆接送学生的现象利用周会课及集体集会明确要求过并学校配合当地派出所彻查此事、但效果不太明显三、校园消防安全管理情况1、消防安全管理责任制、消防安全工作制度2、消防安全设施、器材配备、维护保养情况3、寄宿制学校各项消防安全管理制度和管理措施4、疏散通道、疏散楼梯、安全出口、应急照明、紧急出口指示设施、用电用气5、消防安全“四个能力”建设(检查消除火灾隐患能力、扑救初起火灾能力、组织人员疏散逃生能力、消防宣传教育能力)6、“五大”活动“清剿火患”战役(消防安全“大排查、大整治、大宣传、大培训、大练兵”活动)7、消防应急疏散预案、演练四、学校食堂、食品(饮用水)卫生管理情况1、餐饮服务许可证或食品卫生许可证、从业人员健康证和食品安全知识培训合格证2、食品留样、刀具管理情况3、学校食堂食品安全责任制(各环节、各岗位从业人员的责任)、食品安全管理机构并配备专兼职食堂食品安全管理人员4、食品采购索证索票和进货查验(台帐记录十二张表等)5、食品添加剂“五专”(专人采购、专人保管、专人领用、专人登记、专柜保存)管理6、清洗、消毒情况五、学校安全保卫情况。
填报人:
填表说明:
1公司内部工时合计指全体员工正常出勤工时,含加班工时,不包括病事假,含出差或外派人员,单位为小时。
2承包商工时合计含工程承包商在承包某项目期间的月度实际总工时、临时劳务用工月度的实际总工时,单位为小时。
3DI (失能事件):指人员死亡、永久性或者临时丧失所从事活动能力1个工作日以上的伤害。
注1:失能事件按照发生的时间,可以分为工作伤害和工余伤害。
工作伤害指为执行某项任务而往返途中和任务执行过
4 DIFR(失能事件频发率)=(失能时间次数)×200000工时/一年内全体员工实际的工作时间。
注2:失能指失去从事原计划任务或者岗位工作的能力。
如某人为打字员,手被开水烫伤,不能再打注3:工作伤害包括了因工作而导致的损伤和疾病。
工伤和职业病是经过有资质的医疗鉴定机构鉴定并按照国家相关的情形。
注1:统计仅针对事件的次数,不考虑失能事故的后果。
注2:全体员工包括企业内部员工、以及在周期内为企业提供长期和短期服务的承包商人员。
审核人:
小时。
途中和任务执行过程中所发生的伤害。
能再打字1个工作日,虽然可继续做一些收发和传真的工作而没有休息,但这起手烫伤为失能事件。
相关的工伤和职业病患者政策应给予相应赔偿、治疗和疗养以及工作安置政策的工作伤害,属于工作伤害的特殊。
生产安全事故记录表生产安全事故记录表序号:______ 日期:____________一、事故基本情况:1. 事故性质:____________________________________2. 发生地点:____________________________________3. 事故时间:____________________________________4. 事故人员:(1) 受伤人员:_______________________________(2) 死亡人员:_______________________________5. 事故经过描述:_____________________________________6. 事故原因分析:_____________________________________二、事故伤亡情况:1. 受伤人员情况:(1) 受伤部位:_________________________________(2) 伤势情况:_________________________________(3) 救治情况:_________________________________(4) 后续处理:_________________________________ 2. 死亡人员情况:(1) 死亡原因:_________________________________(2) 死亡时间:_________________________________(3) 处理情况:_________________________________三、事故责任及处置:1. 事故责任:(1) 主要责任方:_________________________________(2) 具体责任:_________________________________(3) 责任追究:_________________________________ 2. 处置措施:(1) 救援措施:_________________________________(2) 事故现场处理:_____________________________(3) 后续安全措施:_____________________________四、工作环境与设备状况:1. 工作环境:_____________________________________2. 设备状况:_____________________________________五、教训及改进措施:1. 教训总结:_____________________________________2. 改进措施:_____________________________________六、事故记录人员:1. 记录人:_____________________________________2. 日期:_____________________________________3. 存档人:_____________________________________以上是一份标准的生产安全事故记录表,该表格用于记录生产过程中发生的安全事故的基本情况、事故伤亡情况、事故责任及处置、工作环境与设备状况以及教训与改进措施等内容。