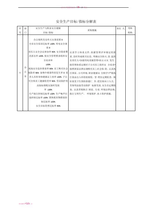
安全生产目标和指标检查表
- 格式:doc
- 大小:32.00 KB
- 文档页数:3
2.适用范围:××××矿业各科室安全生产目标的考评;
3.要求:安环部每季度汇总各科室、班组考评结果,报总经理;各科室、班组考评结果应在本矿山进行公示,并与相应单位及时进行完成情况或改进情况的沟通;
4.考核结果安环部保存,保存期限三年。
5.适用范围:××××矿业各科室安全生产目标的考评;
6.要求:安环部每季度汇总各科室、班组考评结果,报总经理;各科室、班组考评结果应在本矿山进行公示,并与相应单位及时进行完成情况或改进情况的沟通;
7.考核结果安环部保存,保存期限三年。
公司安全生产与职业卫生目标和指标季度检查记录表青岛XX工业科技有限公司安全生产与职业卫生目标和指标季度检查记录表年月日预期指标指标实现(1)安全生产投入:安全投入资金充足,合理分配。
□优□良□中□差(2)事故指标:无人员轻伤以上事故发生;无重大事故发生;无急性职业中毒事故发生。
□优□良□中□差(3)隐患指标:无重大隐患;隐患整改率达到95%以上。
□优□良□中□差(4)风控指标:安全风险评估结果及控制措施告知率100%。
□优□良□中□差(5)职业危害:作业环境良好,劳动保护措施良好;无职业病和职业病疑似病例发生;职业卫生培训率达到100%;职业病发病率<3‰;完成职业危害因素申□优□良□中□差报;职业病危害告知率达到100%;健康体检率100%;劳动防护用品正确佩戴率达100%,职业卫生防护设施落实率达100%。
(6)培训指标:实现全员安全教育培训,特种作业人员、特种设备人员、安全管理人员□优□良□中□差持证上岗。
(5)其它:安全生产标准化贯标□优□良□中□差检查评价记录:统计:审核:注:公司每季度进行一次安全生产与职业卫生目标与指标实施情况的检查记录安全生产与职业卫生目标和指标季度检查记录表年月日预期指标指标实现(1)安全生产投入:安全投入资金充足,合理分配。
□优□良□中□差(2)事故指标:无人员轻伤以上事故发生;无重大事故发生;无急性职业中毒事故发生。
□优□良□中□差(3)隐患指标:无重大隐患;隐患整改率达到95%以上。
□优□良□中□差(4)风控指标:安全风险评估结果及控制措施告知率100%。
□优□良□中□差(5)职业危害:作业环境良好,劳动保护措施良好;无职业病和职业病疑似病例发生;职业卫生培训率达到100%;职业病发病率<3‰;完成职业危害因素申□优□良□中□差报;职业病危害告知率达到100%;健康体检率100%;劳动防护用品正确佩戴率达100%,职业卫生防护设施落实率达100%。
(6)培训指标:实现全员安全教育培训,特种作业人员、特种设备人员、安全管理人员□优□良□中□差持证上岗。
安全生产检查表
《安全生产检查表》
一、安全管理制度方面
1.是否建立健全安全管理制度,定期对其进行检查和更新?
2.是否成立安全生产管理机构,确保管理层对安全生产的重视
程度?
二、安全教育培训方面
1.是否对员工进行安全教育培训,包括安全操作规程、应急预
案等?
2.是否进行定期的事故应急演练,增强员工的应急意识和应对
能力?
三、生产设备和场所方面
1.是否针对生产设备进行定期维护和检查,确保设备运行正常?
2.场所是否干净整洁,通风良好,消防设施是否齐全?
四、作业过程和操作规程方面
1.操作人员是否熟悉操作规程,是否进行岗前培训和技能考核?
2.是否存在作业过程中忽视安全规程的现象,是否及时纠正和
改进?
五、应急预案和消防安全方面
1.是否建立了应急预案,是否进行定期演练和更新?
2.消防设施是否齐全,消防通道是否畅通?
六、危险化学品管理方面
1.危险化学品的存储是否符合规范,是否定期检查和更新安全技术措施?
2.是否定期进行危险化学品的安全评估,检查应急设备的完好情况?
七、安全生产记录和统计方面
1.是否建立完善的安全生产记录和统计系统,及时记录和上报事故和险情?
2.是否对事故进行调查和分析,采取措施避免类似事故再次发生?
八、安全生产责任方面
1.是否明确安全生产责任人,确保责任到人、到岗、到位?
2.是否建立健全事故报告和索赔制度,保护员工权益?
以上仅为《安全生产检查表》的部分内容,实际应根据具体情况进行补充和完善。
安全生产是企业永续经营的重要保障,希望通过检查表的使用,能够提升企业对安全生产的重视程度,减少事故发生的可能性,确保员工的人身安全和财产安全。
安全生产目标和指标实施计划执行情况监测记录表(六张)监测部门:安全科安全目标:在安全生产方面,我们的目标是实现以下指标:1.死亡及重伤(含交通责任)事故为零;2.重大火灾(爆炸)事故为零;3.重大设备事故为零;4.重大环境污染事故为零;5.急性中毒事故为零;6.职工职业病发病率为零;7.员工安全生产教育培训率为100%;8.特种作业持证上岗率为100%;9.事故隐患整改率为100%;10.职业危害因素达标率为100%;11.安全生产费用投入率为100%;安全科监测时间:每年一次实施情况:根据监测数据,我们的安全目标全部达成了100%的完成率。
我们没有发生死亡及重伤事故、重大火灾(爆炸)事故、重大设备事故、重大环境污染事故和急性中毒事故。
职工职业病发病率也为零。
员工安全生产教育培训率和特种作业持证上岗率也都达到了100%。
事故隐患整改率和职业危害因素达标率也都达到了100%。
我们也按照计划投入了100%的安全生产费用。
未实现说明:我们没有发生任何事故,因此也没有未实现的目标。
安全生产目标完成效果评估(考核)记录:我们的公司在安全生产方面达到了100%的完成率,但我们发现员工对于安全生产意识有些疏忽。
因此,我们需要加强培训次数,提高员工的安全意识。
年度)安全管理人员安全生产考核与奖惩评定表被考核人:职务:部门:序号责任制考核内容及标准1 编制或修订各项安全管理制度和操作规程文件,制定公司安全生产工作计划和投入计划,并检查落实情况。
2 负责组织全员安全教育培训工作,加强对特种作业人员的管理,做到持证上岗。
经常检查安全生产状况,对特种设备、较大危险源及危险作业进行重点监管,杜绝违章。
对隐患及时督促整改,并复查落实。
3 经常检查安全设备设施、器材,督促有关部门如期进行维护保养。
4 检查个体防护用品的使用和配备情况,并做好检查记录。
5 如实向公司汇报安全生产工作中存在的重大问题,提出有效可行的整改建议。
6 负责收集、整理安全生产档案资料,建立健全公司安全生产管理档案,妥善保管。
年度安全生产目标检查表年度安全生产目标检查表一、总体情况1. 公司(或组织)名称:2. 年度目标检查日期:3. 目标检查人员:4. 安全生产责任人员:5. 目标检查计划是否制定并实施:6. 目标检查计划是否得到有效执行:二、目标制定和分解情况1. 是否按照国家相关法律法规、标准、规范制定安全生产目标:2. 公司总体安全生产目标是否明确:3. 安全生产目标分解到各层级是否清晰:4. 目标责任及考核机制是否建立并执行:三、安全生产管理体系落地情况1. 是否设立安全生产管理机构:2. 安全生产管理人员是否具备相关资质:3. 是否建立安全管理规章制度并得到有效执行:4. 是否制定安全文化建设方案并得到有效实施:5. 是否建立安全培训计划并得到有效执行:四、安全隐患排查整改情况1. 安全隐患排查是否定期开展,并有相关记录:2. 安全隐患整改方案是否制定并得到有效执行:3. 安全隐患整改措施是否到位:4. 安全隐患整改验收是否得到纳入考核:5. 安全隐患整改是否存在逾期未整改的情况:五、事故隐患排查情况1. 事故隐患排查是否定期开展,并有相关记录:2. 事故隐患排查范围是否覆盖全公司(或组织):3. 事故隐患排查是否发现重大或重要隐患:4. 事故隐患排查结果是否及时上报并得到有效处理:5. 事故隐患排查是否存在遗漏或不及时处理的情况:六、安全生产宣传教育情况1. 是否进行安全宣传教育活动:2. 安全宣传教育活动是否多样化:3. 安全宣传教育活动的覆盖范围是否广泛:4. 安全宣传教育活动的效果是否进行评估:5. 安全宣传教育活动是否存在随意性或滥竽充数的情况:七、应急管理情况1. 是否制定应急管理预案:2. 应急管理预案是否得到有效推广和宣传:3. 应急演练是否定期进行,并有相关记录:4. 应急演练是否得到及时整改和改进:5. 应急演练的结果是否得到总结和反馈:八、安全设备和设施管理情况1. 安全设备和设施的配置是否符合相关标准和要求:2. 安全设备和设施的功能是否正常:3. 安全设备和设施的维护保养是否到位:4. 安全设备和设施的更新管理是否及时:5. 安全设备和设施的使用手册和操作规程是否明确:九、职工安全教育和培训情况1. 是否制定职工安全教育和培训计划:2. 职工安全教育和培训计划是否得到有效实施:3. 职工安全教育和培训内容是否全面:4. 职工安全教育和培训的效果是否经过评估:5. 职工安全教育和培训是否存在敷衍态度或空洞宣传的情况:十、管理措施和改进措施情况1. 是否建立工作台账和相关记录:2. 工作台账和相关记录是否得到上级部门审核和监督:3. 是否定期开展管理措施和改进措施的质量评估:4. 是否及时跟踪和整改管理措施和改进措施的效果:5. 是否对管理措施和改进措施的实施进行经验总结和分享:根据以上情况进行年度安全生产目标的检查和评估,并制定相关的改进计划。
安全生产目标和指标检查表
说明:1。
支撑对象:公司《安全生产目标管理制度》;2。
适用范围:公司各车间、科室安全生产目标的自评;3。
要求:各车间、科室根据分配和各项安全生产目标与指标进行自评,每月26日前将自评结果报安全科;4。
保存期限一年.
安全生产目标和指标检查表
单位:泸州骏腾科技高新区新建厂房年月日
说明:1.支撑对象:公司《安全生产目标管理制度》;2。
适用范围:公司各车间、科室安全生产目标的自评;3.要求:各车间、科室根据分配和各项安全生产目标与指标进行自评,每月26日前将自评结果报安全科;4。
保存期限一年。
安全生产目标和指标检查表
单位:泸州骏腾科技高新区新建厂房年月日
考评人:审核人:
说明:1.支撑对象:公司《安全生产目标管理制度》;2.适用范围:公司各车间、科室安全生产目标的自评;3.要求:各车间、科室根据分配和各项安全生产目标与指标进行自评,每月26日前将自评结果报安全科;4.保存期限一年。
安全生产目标和指标检查表
单位:泸州骏腾科技高新区新建厂房年月日
考评人:审核人:
说明:1.支撑对象:公司《安全生产目标管理制度》;2.适用范围:公司各车间、科室安全生产目标的自评;3.要求:各车间、科室根据分配和各项安全生产目标与指标进行自评,每月26日前将自评结果报安全科;4.保存期限一年。