施工升降机交接班记录表
- 格式:doc
- 大小:98.00 KB
- 文档页数:5
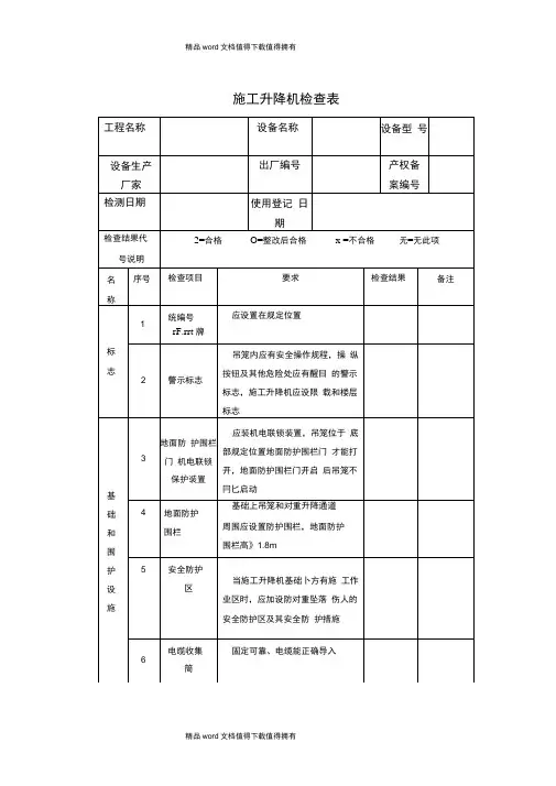
施工升降机交接班记录表工程名称使用单位设备型号备案登记号时间20年月日时分检查结果代号说明√=合格O=整改后合格×=不合格序号检查项目检查结果备注1 施工升降机通道无障碍物2 地面防护围栏门、吊笼门机电联锁完好3 各限位挡板位置无位移4 各限位器灵敏可靠5 各制动器灵敏可靠6 清洁良好7 润滑充足8 各部件紧固无松动9 其他故障及维修记录:交班司机签名:接班司机签名:施工升降机每日使用前检查表工程名称工程地址使用单位设备型号租赁单位备案登记号检查日期年月日检查结果代号说明√=合格O=整改后合格×=不合格无=无此项序号检查项目检查结果备注1 外电源箱总开关、总接触器正常2 地面防护围栏门及机电联锁正常3 吊笼、吊笼门和机电联锁操作正常4 吊笼顶紧急逃离门正常5 吊笼及对重通道无障碍6 钢丝绳连接、固定情况正常,各曳引钢丝绳松紧一致7 导轨架连接螺栓无松动、缺失8 导轨架及附墙架无异常移动9 齿轮、齿条啮合正常10 上、下限位开关正常11 极限限位开关正常12 电缆导向架正常13 制动器正常14 电机和变速箱无异常发热及噪声15 急停开关正常16 润滑油无泄漏17 警报系统正常18 地面防护围栏内及吊笼顶无杂物发现问题:维修情况:司机签名:施工升降机每月检查表设备型号备案登记号工程名称工程地址设备生产厂出厂编号出厂日期安装高度安装负责人安装日期检查结果代号说明√=合格O=整改后合格×=不合格无=无此项名称序号检查项目要求检查结果备注标志1 统一编号牌应设置在规定位置2 警示标志吊笼内应有操作规程,操纵按钮及其他危险处应有显目的警示标志,施工升降机应设限载和楼层标志基础和维护设施3地面防护围栏门机电联锁保护装置应装机电联锁装置,吊笼位于底部规定位置地面防护围栏门才能打开,地面围栏门开启后吊笼不能启动。
4地面防护围栏基础上吊笼和对重升降通道周围应设置防护围栏,地面防护围栏高≥1.8m。
施工升降机司机施工升降机是高层建筑中最常用的大型建筑起重机械设备之一,是一种可分层输送材料和人员的客货两用垂直运输机械,按传动式分为齿轮齿条式、钢丝绳式和混合式。
在高层建筑施工中被普通采用。
在建筑工程施工现场从事施工升降机的驾驶操作的人员称为施工升降机司机。
该工种主要伤害形式有一下几种:1、起重伤害2、高处坠落3、物体打击4、触电防坠安全器:防坠安全器属于非自动复位式安全器,非专业人士不得随意拆动。
防坠器标定时间为一年。
上、下限位器:上限位器,限位器触碰设在标准节上的限位挡铁,限位开关起作用,切断电路,电梯停止上升。
下限位器工作原理同上限器,目的是为了防止电梯到达一层仍然向下运行,造成电梯损坏。
上极限限位器:该限位器触碰挡铁后动作切断主电源,起到制动作用。
上极限限位器利用可调杆件触碰设置在标准节上的限位挡铁起作用,所以可调杆件外伸长度是不能随意调整的,需要使用螺帽固定,非电梯专业维修人员不得更改,电梯司机要监督可调杆件的长度不变,螺帽无松动。
单、双行门限位器:为防止电梯运行中人员开启单、双行门造成人员坠落、物体打击事故,施工升降机在单、双行门设置了限位器,限位器触点在电梯门打开时动作,切断电源,电梯停止运行。
电梯天窗限位器:天窗是为了方便专业维修人员检修电梯使用,维修人员开启天窗后天窗开启,限位开关动作,切断电源,电梯不能启动,防止因为司机误操作造成维修人员人身伤害。
门机械联锁装置:为防止单行门因机械振动造成单行门开启,门机械联锁靠自重卡住门卡。
当施工电梯运行出地面围栏门时,机械联锁装置上端触碰挡铁解锁。
施工电梯制动装置:电梯日常运行制动主要依靠制动器。
电梯司机发动制动出现问题应及时告知项目管理人员联系维修人员进行维修。
施工升降机使用操作注意事项:施工升降机司机持证上岗,施工升降机司机应接受使用单位进行的入场安全教育、书面安全技术交底,教育及交底资料应留存备查。
施工升降机额定载重量、额定乘员数标示牌应置于吊笼醒目位置。
DB37/5063-2016 J13512-2016建筑施工现场安全管理资料表格附录A 建设单位施工现场安全管理资料表格建设单位施工现场安全管理资料文件目录建设工程施工合同建设单位:工程名称:日期:地上、地下管线及建(构)筑物资料移交单建设单位:工程名称:日期:地上、地下管线及建(构)筑物资料移交单注:本表由建设单位填写,建设单位、施工单位、监理单位各存一份。
安全施工措施备案资料建设单位:工程名称:日期:施工许可证建设单位:工程名称:日期:安全防护、文明施工措施费用支付证明建设单位:工程名称:日期:LJA-A-5-1安全防护、文明施工措施费用支付证明注:本表由建设单位填写,建设单位、监理单位、施工单位各存一份。
附录B 监理单位施工现场安全管理资料表格监理单位安全管理资料文件目录LJA-B-1专(兼)职监理安全管理人员授权书监理单位:工程名称:日期:LJA-B-1-1专(兼)职监理安全管理人员授权书工程名称:编号:注:本表一式三份,项目监理机构、建设单位、施工单位各一份。
工作联系单监理单位:工程名称:日期:工作联系单工程名称:编号:监理通知单监理单位:工程名称:日期:监理通知单工程名称:编号:注:本表一式三份,项目监理机构、建设单位、施工单位各1份。
LJA-B-4监理通知回复单监理单位:工程名称:日期:LJA-B-4-1监理通知回复单工程名称:编号:注:本表一式三份,项目监理机构、建设单位、施工单位各1份。
LJA-B-5工程暂停令监理单位:工程名称:日期:LJA-B-5-1工程暂停令工程名称:编号:注:本表一式三份,项目监理机构、建设单位、施工单位各1份。
LJA-B-6监理报告监理单位:工程名称:日期:LJA-B-6-1监理报告工程名称:编号:注:本表一式四份,住房城乡建设主管部门、建设单位、工程监理单位、项目监理机构各1份。
工程复工报审表监理单位:工程名称:日期:工程复工报审表工程名称:编号:注:本表一式三份,项目监理机构、建设单位、施工单位各1份。
一、交底目的为确保升降机操作人员的安全,提高操作技能,预防事故发生,现将升降机操作安全技术交底如下:二、交底内容1. 操作人员资质要求(1)操作人员必须取得相关部门颁发的升降机操作证,并经过专业培训,具备一定的理论知识及实际操作经验。
(2)操作人员应了解升降机的性能、构造、维护保养知识,掌握安全操作规程。
2. 操作前的准备工作(1)检查升降机各部件是否完好,如基础、金属结构、附墙装置、连接螺栓、工作机构、钢丝绳、滑轮、制动器、安全装置、电气线路等。
(2)确认操作环境是否安全,如场地平整、无障碍物、照明充足等。
(3)检查操作人员的身体状况,确保其具备正常操作能力。
3. 操作注意事项(1)操作过程中,应保持专注,严格遵守安全操作规程,不得擅自离岗。
(2)操作前,必须空载及满载运行,检查制动器灵敏性,确认安全防护门、上限位、前、后门限位正常。
(3)梯笼乘人、载物时,必须使负载荷均匀分布,严禁超载作业。
(4)操作过程中,严禁利用升降机的井架、横竖支撑牵拉缆绳、标语和其他与升降机无关的物品。
(5)同一现场施工的塔式起重机或其他起重机械应距升降机5m以上,并应有可靠的防撞措施。
(6)升降机的楼层通讯装置应保持完好及经过二级漏地保护。
(7)夜间工作时,施工现场必须有足够的照明。
4. 事故应急处理(1)发现异常情况,立即停止操作,切断电源,报告相关人员。
(2)遇有六级以上大风、大雨、大雪、大雾等恶劣天气时,应停止作业。
(3)发生事故时,应保护好现场,及时上报工地机械管理人员,并提供真实情况。
5. 交接班制度(1)实行多班作业时,应执行交接班制度,交班人应认真填写交班记录,接班人对升降机检查确认无误并签字后,方可进行工作。
(2)接班人应熟悉交班人的工作内容和操作方法,确保操作过程的安全。
三、交底要求1. 操作人员应认真学习并掌握本交底内容,确保在实际操作中严格遵守。
2. 操作人员应定期参加培训,提高自身技能和安全意识。
施工升降机操作使用安全技术交底(最新版)编制人:__________________审核人:__________________审批人:__________________编制单位:__________________编制时间:____年____月____日序言下载提示:该文档是本店铺精心编制而成的,希望大家下载后,能够帮助大家解决实际问题。
文档下载后可定制修改,请根据实际需要进行调整和使用,谢谢!并且,本店铺为大家提供各种类型的安全管理制度,如通用安全、交通运输、矿山安全、石油化工、建筑安全、机械安全、电力安全、其他安全等等制度,想了解不同制度格式和写法,敬请关注!Download tips: This document is carefully compiled by this editor. I hope that after you download it, it can help you solve practical problems. The document can be customized and modified after downloading, please adjust and use it according to actual needs, thank you!In addition, this shop provides you with various types of safety management systems, such as general safety, transportation, mine safety, petrochemical, construction safety, machinery safety, electrical safety, other safety, etc. systems, I want to know the format and writing of different systems ,stay tuned!施工升降机操作使用安全技术交底施工电梯操作使用安全技术交底共3页第 2 页施工电梯操作使用安全技术交底。
建设工程施工安全标准化管理资料(第八册)建筑施工机械与临时用电工程名称:迎春丽家(1、2、5、6、8、9#楼)建设单位:苏州伟业迎春地产有限公司施工单位:苏州伟业集团建设发展有限公司监理单位:吴江市建发建设监理有限公司江苏省建筑安全监督总站制目录8.1 建筑施工起重机械管理8.1.1 建筑施工起重机械设备登记汇总表8.1.2 建筑施工起重机械管理目录8.1.3 建筑施工起重机械安装(拆卸)告知单8.1.4 建筑施工起重机械安装(拆卸)专项方案报审表8.1.5 建筑施工起重机械安装(拆卸)专项方案审批表(总承包单位)8.1.6 建筑施工起重机械安装(拆卸)专项方案审批表(分包单位)8.1.7 建筑施工起重机械安装(拆卸)单位条件审核表8.1.8 建筑施工起重机械安装、使用验收检查资料8.1.8.1 塔式起重机安装验收相关资料8.1.8.1-1 建筑施工起重机械(塔式起重机)固定混凝土基础验收表8.1.8.1-2 建筑施工起重机械(塔式起重机)预制拼装基础验收表8.1.8.1-3 建筑施工起重机械(塔式起重机)轨道基础验收表8.1.8.1-4 建筑施工起重机械(塔式起重机)安装前检查表8.1.8.1-5 建筑施工起重机械(塔式起重机)安装自检表8.1.8.1-6 建筑施工起重机械(塔式起重机)安装检测报告8.1.8.1-7 建筑施工起重机械(塔式起重机)安装验收记录表8.1.8.1-8 建筑施工起重机械(塔式起重机)使用登记证8.1.8.2 施工升降机安装验收相关资料8.1.8.2-1 建筑施工起重机械(施工升降机)基础验收表8.1.8.2-2 建筑施工起重机械(施工升降机)安装前检查表8.1.8.2-3 建筑施工起重机械(施工升降机)安装自检表8.1.8.2-4 建筑施工起重机械(施工升降机)安装检测报告8.1.8.2-5 建筑施工起重机械(施工升降机)安装验收记录表8.1.8.2-6 建筑施工施工起重机械(施工升降机)使用登记证8.1.8.3 物料提升机安装验收相关资料8.1.8.3-1 建筑施工起重机械(物料提升机)基础验收表8.1.8.3-2 建筑施工起重机械(物料提升机)安装自检表8.1.8.3-3 建筑施工起重机械(物料提升机)安装检测报告8.1.8.3-4 建筑施工起重机械(物料提升机)安装验收记录表8.1.8.3-5 建筑施工起重机械(物料提升机)使用登记证8.1.9 建筑施工起重机械运转及交接班记录8.1.10 建筑施工起重机械故障修理及验收记录8.1.11 建筑施工起重机械(塔式起重机)日常维护保养表8.1.12 建筑施工起重机械(施工升降机)日常维护保养表8.1.13 建筑施工起重机械(物料提升机)日常维护保养表8.1.14 建筑施工起重机械(塔机)定期维护保养表8.1.15 建筑起重机械(施工升降机)定期维护保养表8.1.16 建筑施工起重机械(物料提升机)定期维护保养表8.1.17 施工升降机定期坠落试验记录表8.1.18 建筑施工起重吊装机具验收表8.2 建筑施工工具式脚手架管理8.2.1 建筑施工工具式脚手架登记表8.2.2 建筑施工工具式脚手架管理目录8.2.3 建筑施工工具式脚手架安装(拆卸)告知单8.2.4 建筑施工工具式脚手架安装(拆卸)专项方案报审表8.2.5 建筑施工工具式脚手架安装(拆卸)专项方案审核表8.2.6 建筑施工工具式脚手架安装(拆卸)分包单位审核表8.2.7 建筑施工工具式脚手架安装、使用验收检查资料8.2.7.1 附着式升降脚手架安装、使用验收检查资料8.2.7.1-1 附着式升降脚手架首次安装后自检表8.2.7.1-2 附着式升降脚手架安装检测报告8.2.7.1-3 附着式升降脚手架安装验收表8.2.7.1-4 附着式升降脚手架使用登记证8.2.7.1-5 附着式升降脚手架提升、下降作业前检查表8.2.7.1-6 附着式升降脚手架日常维护检查表8.2.7.2 高处作业吊篮安装、使用验收检查资料8.2.7.2-1 高处作业吊篮安装自检表8.2.7.2-2 高处作业吊篮安装检测报告8.2.7.2-3 高处作业吊篮安装验收表8.2.7.2-4 高处作业吊篮使用登记证8.2.7.2-5 高处作业吊篮日常维护检查表8.3 建筑施工厂(场)内机动车辆及桩工机械管理8.3.1 建筑施工厂(场)内机动车辆、桩工机械登记表8.3.2 建筑施工厂(场)内机动车辆、桩工机械检测报告8.3.3 建筑施工厂(场)内机动车辆验收表8.3.4 建筑施工桩工机械验收表8.4 建筑施工中、小型施工机具管理8.4.1 建筑施工中、小型施工机具登记表8.4.2 建筑施工中、小型施工机具验收记录表8.4.3 建筑施工机具(气瓶)验收记录表8.5 建筑施工现场临时用电管理8.5.1 建筑施工现场临时用电管理要求8.5.2 建筑施工现场临时用电设备登记表8.5.3 建筑施工现场电器成套产品质量证明文件8.5.4 建筑施工现场临时用电验收表8.5.5 建筑施工现场外电防护设施验收表8.5.6 建筑施工现场临时用电设备调试记录8.5.7 建筑施工现场临时用电接地电阻测试记录8.5.8 建筑施工现场临时用电绝缘电阻测试记录8.5.9 建筑施工现场漏电保护器试跳记录8.5.10 建筑施工现场临时用电电工安装、巡检、维修、拆除工作记录(由临时用电电工单独记录成册)8.1建筑施工起重机械管理说明1.按照《建筑起重机械安全监督管理规定》(中华人民共和国建设部令第166号)要求,建筑施工起重机械安装、使用、维护保养、拆卸等应建立管理档案。
施工升降机1 施工升降机检查评定应符合现行国家标准《施工升降机安全规程》GB 10055和现行行业标准《建筑施工升降机安装、使用、拆卸安全技术规程》JGJ 215的规定。
2 施工升降机检查评定保证项目应包括:安全装置、限位装置、防护设施、附墙架、钢丝绳、滑轮与对重、安拆、验收与使用。
一般项目应包括:导轨架、基础、电气安全、通信装置.3 施工升降机保证项目的检查评定应符合下列规定:3。
1安全装置1)应安装起重量限制器,并应灵敏可靠;2)应安装渐进式防坠安全器并应灵敏可靠,应在有效的标定期内使用;3)对重钢丝绳应安装防松绳装置,并应灵敏可靠;4)吊笼的控制装置应安装非自动复位型的急停开关,任何时候均可切断控制电路停止吊笼运行;5)底架应安装吊笼和对重缓冲器,缓冲器应符合规范要求;6)SC型施工升降机应安装一对以上安全钩。
3.2限位装置1)应安装非自动复位型极限开关并应灵敏可靠;2)应安装自动复位型上、下限位开关并应灵敏可靠,上、下限位开关安装位置应符合规范要求;3)上极限开关与上限位开关之间的安全越程不应小于0.15m;4)极限开关、限位开关应设置独立的触发元件;5)吊笼门应安装机电联锁装置并应灵敏可靠;6)吊笼顶窗应安装电气安全开关并应灵敏可靠。
3.3防护设施1)吊笼和对重升降通道周围应安装地面防护围栏,防护围栏的安装高度、强度应符合规范要求,围栏门应安装机电联锁装置并应灵敏可靠;2)地面出入通道防护棚的搭设应符合规范要求;3)停层平台两侧应设置防护栏杆、挡脚板,平台脚手板应铺满、铺平;4)层门安装高度、强度应符合规范要求,并应定型化。
3。
4附墙架1)附墙架应采用配套标准产品,当附墙架不能满足施工现场要求时,应对附墙架另行设计,附墙架的设计应满足构件刚度、强度、稳定性等要求,制作应满足设计要求;2)附墙架与建筑结构连接方式、角度应符合产品说明书要求;3)附墙架间距、最高附着点以上导轨架的自由高度应符合产品说明书要求。
建筑工程施工升降机交接单
交接单编号:______
甲方(施工单位):________
乙方(使用单位):________
施工现场地址:________
升降机型号:________
升降机数量:________
交接日期:______ 时间:______
一、交接项目内容:
1.升降机从甲方交接至乙方的具体时间和地点;
2.升降机的数量、型号、规格、使用情况和维护记录等;
3.升降机的安全检查情况和相关证明文件;
4.升降机使用、维护、保养等注意事项;
5.双方对升降机的现状进行检查,确认无破损、漏油、异响等异常情况;
6.其他需要交代的事项。
二、交接人员:
甲方代表:________ 职务:________ 签字:________
乙方代表:________ 职务:________ 签字:________
三、交接备注:
1.甲方交接给乙方的升降机,经双方确认无异常情况,乙方已验收完成;
2.甲方对升降机进行了充分的维护保养,并提供了相关维护记录和使用说明书;
3.乙方在使用升降机的过程中,应按照要求进行操作,并保证升降机的正常运行和安全使用;
4.如有任何疑问或问题,双方可随时联系对方进行沟通;
5.本交接单一式两份,甲乙双方各保存一份备查。
四、交接单有效期:
本交接单自交接日期起生效,有效期为______日,有效期届满后需重新办理交接手续。
甲方(施工单位):_____________
乙方(使用单位):_____________
日期:______。
施工升降机操作工(电梯等)“两单两卡”(一)施工升降机操作工(电梯等)岗位安全风险清单1.电梯工未经专业培训I、未持证上岗导致误操作发生安全事故。
2.在开启厅门进入轿箱之前,未观察轿箱是否停在该层导致高坠事故。
3.在施工电梯周围2m以内堆放易燃易爆物品及其它杂物及挖沟开槽,电梯2.5m范围内未搭坚固的防护棚导致物体打击、火灾、基础失稳坍塌事故。
4.班中未严格坚守岗位,做与本职工作无关的事,离开轿厢时,未将其停于基站且断开电源开关并关好门,未告知去向,可能发生其他施工人员进入误操作导致机械伤害及高坠事故。
5.载荷未安放在轿箱中间,超额定载荷,可能导致设备损坏、失效发生高坠、坍塌事故。
6.用检修速度作为正常行驶,或按检修、急停按钮作为正常行驶中消除信号之用导致应急功能失效、设备故障等发生高坠事故。
7.开机之前未查看交接班记录,未检查急停开关是否可靠有效,可能导致高坠事故。
8.运载易燃易爆物品,导致火灾、爆炸事故。
9.设备检修,维护保养等未在基站挂“设备检修”标示牌,梯笼维修时,若拆下零部件后,梯笼的重量低于配重时,未将梯笼事先锁在导轨上,导致机械伤害及高坠事故。
10.大风、雷电、雨雪等不良天气下进行运载作业可能出现其它伤害事故。
“知风险”顺口溜超载超员机易毁,层门不关易高坠。
防护急停要牢记,设备检修要提示。
(二)施工升降机操作工(电梯等)岗位安全职责清单1.从业人员进场应接受安全生产教育培训和安全生产技术交底,掌握本职工作所需的安全生产知识,提高安全生产技能,增强事故预防和应急处理能力,经考试合格后上岗。
特种作业人员还应取得有效特种作业资格证。
2.严禁酒后及带病作业。
3.进入施工现场必须正确佩戴和使用劳动防护用品,包括但不限于穿防滑鞋、安全帽、安全带。
安全帽应合格并系紧下颗带;高处作业必须系挂安全带且“高挂低用工4.积极参加事故应急救援演练和应急知识培训,提高风险识别、事故防范和应急处置能力。
5.作业前应检查施工作业环境,在隐患未排除前,不得进行施工作业。