180种CPU引脚功能与机型对照表
- 格式:xls
- 大小:71.50 KB
- 文档页数:16
经常使用芯片引脚之迟辟智美创作7 4LS00数据手册74LS01数据手册74LS02数据手册74 LS03数据手册74LS04数据手册74LS05数据手册74 LS06数据手册74LS07数据手册74LS08数据手册74 LS09数据手册74LS10数据手册74LS11数据手册74 LS12数据手册74LS13数据手册74LS14数据手册74 LS15数据手册74LS16数据手册74LS17数据手册74 LS19数据手册74LS20数据手册74LS21数据手册74LS22数据手册74LS23数据手册74 LS26数据手册74LS27数据手册74LS28数据手册74 LS30数据手册74LS32数据手册74LS33数据手册74 LS37数据手册74LS38数据手册74LS40数据手册74LS42数据手册[1].要求0—15时,灭灯输入(BI)必需开路或坚持高电平,如果不要灭十进制数零,则静态灭灯输入(RBI)必需开路或为高电平.[2].将一低电平直接输入BI端,则不论其他输入为何电平,所有的输出端均输出为低电平.[3].当静态灭灯输入(RBI)和A,B,C,D输入为低电平而试灯输入为高电平时,所有输出端都为低电平而且静态灭灯输入(RBO)处于第电平(响应条件).[4].]当灭灯输入/静态灭灯输出(BI/RBO)开朗路或坚持高电平而试灯输入为低电平时,所有各段输出均为高电平.表中1=高电平,0=低电平.BI/RBO是线与逻辑,作灭灯输入(BI)或静态灭灯(RBO)之用,或者兼为二者之用.74L S49数据手册 ·74XX49简介:[1].要求0—15时,灭灯输入(BI)必需开路或坚持高电平.[2].将一低电平直接输入BI端,则不论其他输入为何电平,所有的输出端均输出为低电平.74LS51数据手册 74LS54数据手册74LS63数据手册[1].要求0—15时,灭灯输入(BI)必需开路或坚持高电平,如果不要灭十进制数零,则静态灭灯输入(RBI)必需开路或为高电平. [2].将一低电平直接输入BI端,则不论其他输入为何电平,所有的输出端均输出为低电平.[3].当静态灭灯输入(RBI)和A,B,C,D 输入为低电平而试灯输入为高电平时,所有各段输出都为0,而且静态灭灯输出(RBO)为低电平(响应条件).[4].当灭灯输入/静态灭灯输出(BI/RBO)开路或为高电平而试灯输入为低电平,则所有输出端都为1.动后度输46为74 74为74字74L S72数据手册74L S73数据手册74L S74数据手册74L S75数据手册74LS76数据手册74LS78数据手册74 LS83数据手册 74LS83简介执行两个4位二进制加法,每位有一个和(Σ)输出,最后的进位(C4)由第4位提供.4位内部均有超前进位,发生进位项一般为10nS.74LS85数据手册74L S86数据手册74LS90数据手册74L S92数据手册74LS93数据手册74LS95数据手册74L S96数据手册74LS109数据手册74LS112数据手册74L S122数据手册74L S123数据手册74LS125数据手册74LS132数据手册74LS133数据手册74ls138双2-4译码器74ls13974ls151 74ls15274ls153 74ls16174ls160ne555类别电路简称真值表电路引脚图正沿触发4D 74LS175 清零RD时钟CPD 输出触发器111 Х↑↑Х1X清零(Q=0)Q=1Q=0坚持(Q=Qn)二位全加器74LS82 NC 空脚A2 A1 被加数B2 B1 加数S2 S1 全加和C1 进位入C0 进位出8-3编码器74LS148 级联入EI输入7 6 5 4 32 1 0输出A2 A1 A0级联出EO GS。
部分常见主板适用类型:主板适用类型,是指该主板所适用的应用类型。
针对不同用户的不同需求、不同应用范围,主板被设计成各不相同的类型,即分为台式机主板和服务器/工作站主板。
台式机主板。
就是平常大部分场合所提到的应用于PC的主板,板型是ATX或MicroATX结构,使用普通的机箱电源,采用的是台式机芯片组,只支持单CPU,内存最大只能支持到4GB,而且一般都不支持ECC内存。
存储设备接口也是采用IDE 或SATA接口,某些高档产品会支持RAID。
显卡接口多半都是采用AGP 4X、8X,以及PCI-E。
扩展接口也比较丰富,有多个USB2.0/1.1,IEEE1394,COM,LPT,IrDA等接口以满足用户的不同需求。
扩展插槽的类型和数量也比较多,有多个PCI,CNR,AMR等插槽适应用户的需求。
部分带有整合的网卡芯片,有低档的10/100Mbps自适应网卡,也有高档的千兆网卡。
在价格方面,既有几百元的入门级或主流产品,也有一二千元的高档产品以满足不同用户的需求。
台式机主板的生产厂商和品牌也非常多。
芯片组。
芯片组(Chipset)是主板的核心组成部分,如果说中央处理器(CPU)是整个电脑系统的心脏,那么芯片组将是整个身体的躯干。
主板芯片组几乎决定着主板的全部功能,其中CPU的类型、主板的系统总线频率,内存类型、容量和性能,显卡插槽规格是由芯片组中的北桥芯片决定的;而扩展槽的种类与数量、扩展接口的类型和数量(如USB2.0/1.1,IEEE1394,串口,并口,笔记本的VGA输出接口)等,是由芯片组的南桥决定的。
还有些芯片组由于纳入了3D加速显示(集成显示芯片)、AC’97声音解码等功能,还决定着计算机系统的显示性能和音频播放性能等。
目前,能够生产芯片组的厂家有英特尔(美)、VIA(中国台湾)、SiS(中国台湾)、ALi(中国台湾)、AMD(美)、NVIDIA(美)、ATI(加)、ServerWorks(美)等几家,其中以英特尔和VIA的芯片组最为常见。
AMD速龙64双核插槽类型Socket AM2 针脚数目940针羿龙II Phenom X6 插槽类型Socket AM3 针脚数目938 针羿龙II X4 同上羿龙II X2 同上速龙II Athlon X2 同上速龙II X3 同上速龙II X4 同上英特尔(intel)酷睿2四核及至尊插槽类型LGA775 针脚数目775 针如:Q8200、QX9300酷睿2双核Core 同上如奔腾双核插槽类型LGA775 针脚数目775 针如:E7400一代I3 插槽类型LGA1156 针脚数目1156 针如:I3 530一代I5 插槽类型LGA1156 针脚数目1156 针如:I5 760 I5 661酷睿I7 Extreme(散) 插槽类型LGA1366 针脚数目1366 针如:I7-980X 普通I7 同上二代I3 插槽类型LGA1155 针脚数目1155 针如:I3 2310 I3 2100二代I5 插槽类型LGA1155 针脚数目1155 针如:I5 2500K I5 2300二代I7 插槽类型LGA1155 针脚数目1155 针如:I7 2600 2600KIntel芯片组ssIntel P43 Intel Celeron 400、Pentium 4、Pentium 4 EE、Pentium D、Pentium EE、Celeron Dual-Core、Pentium Dual-Core、Core 2 Duo、Core 2 Quad、Core 2 Extreme 插槽:Socket775Intel P45 Intel Celeron 400、Pentium 4、Pentium 4 EE、Pentium D、Pentium EE、Celeron Dual-Core、Pentium Dual-Core、Core 2 Duo、Core 2 Quad、Core 2 Extreme 插槽:Socket775Intel Q33 Intel Celeron 400、Pentium 4、Pentium 4 EE、Pentium D、Pentium EE、Pentium Dual-Core、Core 2 Duo、Core 2 Quad、Core 2 Extreme 插槽:Socket775Intel Q43 Intel Celeron 400、Pentium 4、Pentium 4 EE、Pentium D、Pentium EE、Celeron Dual-Core、Pentium Dual-Core、Core 2 Duo、Core 2 Quad、Core 2 Extreme 插槽:Socket775Intel G45 Intel Celeron 400、Pentium 4、Pentium 4 EE、Pe ntium D、Pentium EE、Celeron Dual-Core、Pentium Dual-Core、Core 2 Duo、Core 2 Quad、Core 2 Extreme 插槽:Socket775Intel P55 Intel Celeron 400、Pentium 4、Pentium 4 EE、Pentium D、Pentium EE、Celeron Dual-Core、Pentium Dual-Core、Core 2 Duo、Core 2 Quad、Core 2 Extreme 插槽:Socket1156Intel H55 Intel Core i7、Core i5、Core i3 插槽:Socket1156Intel H57 Intel Core i7、Core i5、Core i3 插槽:Socket1156Intel X58 Intel Core i7、Core i7 Extreme 插槽:Socket1366Intel H67 P67 Intel Core i7、Core i5、Core i3 插槽:Socket1155Intel G31Intel Celeron 400、Pentium 4、Pentium 4 EE、Pentium D、Pentium EE、Pentium Dual-Core、Core 2 Duo、Core 2 Quad、Core 2 Extreme 插槽:Socket775Intel G41Intel Celeron 400、Pentium 4、Pentium 4 EE、Pentium D、Pentium EE、Celeron Dual-Core、Pentium Dual-Core、Core 2 Duo、Core 2 Quad、Core 2 Extreme 插槽:Socket775Intel H61Intel Core i7、Core i5、Core i3 , Pentium / Celeron(双核) 插槽:Socket1155Intel B75同上同上Intel H77Intel Z68Intel Z77AMD芯片组Phenom 羿龙,Athlon 速龙,Sempron 闪龙,Turion 炫龙AMD 990FX AMD Phenom II羿龙、Athlon II速龙AMD 890GX AMD Athlon、Athlon II、Phenom、Phenom II SocketAM3AMD 890FX AMD Athlon、Athlon II、Phenom、Phenom II SocketAM2+/AM3AMD 880G AMD Phenom II、Athlon II SocketAM3AMD 870 AMD Phenom II、Athlon II SocketAM2+/AM3AMD 790GX AMD Sempron、Athlon 64、Athlon 64 X2、Athlon X2、Athlon 64 FX、Phenom、Phenom FX SocketAM2/AM2+AMD 780V AMD Sempron、Athlon 64、Athlon 64 X2、Athlon X2、Athlon 64 FX、Phenom、Phenom FX SocketAM2/AM2+ AMD 760G AMD Phenom、Athlon X2AMD 785G AMD Phenom II、Athlon II SocketAM2/AM2+/AM3 SocketAM2/AM2+/AM3 AMD Sempron、Athlon 64、Athlon 64 X2、Athlon X2、Athlon 64 FX、Phenom、Phenom FX SocketAM2/AM2+AMD 780G AMD Sempron、Athlon 64、Athlon 64 X2、Athlon X2、Athlon 64 FX、Phenom、Phenom FX SocketAM2/AM2+AMD 790X AMD Sempron、Athlon 64、Athlon 64 X2、Athlon X2、Athlon 64 FX、Phenom、Phenom FX SocketAM2/AM2+AMD 780E AMD Athlon、Athlon X2、Phenom SocketAM2/AM2+AMD 740V AMD Sempron、Athlon 64、Athlon 64 X2、Athlon 64 FX SocketAM2AMD 790FX AMD Sempron、Athlon 64、Athlon 64 X2、Athlon X2、Athlon 64 FX、Phenom、Phenom FX SocketAM2/AM2+/F/F+FM1 (CPU座)速龙2 X4 641四核心A6-3670K四核心芯片组A8-3870K 四核心速龙2 X4 651四核心A75 速龙2 X4 631四核心A8-3850 A4-340A55 速龙2 X4 631 四核心A4 -3300 双核A6- 3500 三核心A6- 3650四核心A4- 3400双核心速龙2 X4 638四核心A4-3300双核A4- 3420 双核A6- 3620四核A8-3800四核心A8-3820四核心A6-3600四核心FM2 (CPU座)芯片组A85X A10-5800K四核四线程A8-5600K 四核A6-5400K双核A75 A4- 5300双核心速龙2 X4 750K 四核A10-5700 四核A55 A8- 5500 四核心FM1插槽,可能有A55,A751155插槽可能有B75,H77,Z77。
比较常用的笔记本芯片内部管脚解释统供电芯片型号有:一、美信产的用的最多的两个芯片MAX1632、MAX1635可以互换,它们的工作原理一样。
主要产生出3.3V、5V 、12V电压。
二、MAX1631、MAX1634、MAX1904这三种芯片的工作原理与MAX1632 MAX1635差不多,但不能与MAX1632MAX1635芯片互换。
说明:1、MAX1631、MAX1634、MAX1904互相可以代换。
2、MAX1631、1634、1904没有12V输出,这一点与MAX1632、1635不一样,如果MAX1631、1634、1904的板子上需要12V的话,一般是在5V输出的后级,电路中设计一个升压电路。
(参考升压电路一节)3、MAX1632、1635芯片上的12#、 3#的反馈信号脚没有使用,但MAX1631、1634、1904还使用了这个反馈角。
4、4#、5#的定义与MAX1632、1635不一样。
三、MAX785 MAX786用于东芝的笔记本电脑PⅡPⅢ较多。
四、LTC1628用于索尼、康柏的笔记本较多。
五、系统供电电路维修方法与经验小结:1、23#有总控制SHDN时? 9#2.5V不正常或9#为0V时 ?芯片坏或者18#、25# 5V供激放供电没有查D1与D22、7# 28#应有5V高电平控制信号,有时为NQ送来,有时与21#相连,由21#5V电压作为控制信号用,还有的由键盘芯片送来。
注:7#与28#加上一个5V的控制信号,电路应该有正常3.3V或5V电压输出,如果还没有,一般是芯片损坏。
3、先不加电测对地阻值,首先测高端管是否击穿,供电负载是否击穿,如果是OΩ表明击穿短路了,如果有正常的几百欧阻值,但一加电就短路,表明是稳压二极管已经保护了,这是高端还管击穿的结果。
4、电源控制器芯片本身损坏的故障现象:①供电和控制都正常,但没有输出。
②待机状态下总供电正常,但一按开机键总供电瞬间短路。
5、除负载短路原因外,芯片任何一脚无电压输出为芯片损坏(在供电输入与控制都正常情况下)。
彩电常用微处理器的主要功能引脚在彩色电视机的维修中,微处理器控制系统的故障占整个维修数量的比例逐渐增长。
当发生不能开机、开机不能操作等死机故障时,一般主要检测微处理器的工作条件和总线接口;发生搜索不存台、无字符显示时,主要检测识别和行、场同步信号输入电路。
为了便于维修时快速对微处理器的上述主要引脚进行检测,本篇将常见的微处理器主要功能引脚汇集成篇,见表1,表1中引脚功能说明如下,供维修时参考。
(1)时钟线。
英文符号“SCL或CLOCK”,I2C总线中的时钟信号输出引脚,部分微处理器有两个以上时钟线。
其正常电压为高电平,稍低于微处理器的电源供电,当总线系统传输信号时,微微抖动;也有个别微处理器的时钟线为低电平0V的。
(2)数据线。
英文符号“SDA或DATA”,I2C总线中的数据输入/输出引脚,部分微处理器有两个以上数据线。
其正常电压为高电平,稍低于微处理器的电源供电,当总线系统传输信号时,微微抖动;也有个别微处理器的数据线电压为低电平0V的。
(3)电源供电。
英文符号“VCC或VDD”,微处理器的供电电源,有的微处理器有两组以上供电引脚,有的分为数字电路电源和模拟电路电源,数字电源英文符号为“S VCC或S VDD”,模拟电路电源英文符号为“A VCC或A VDD”。
多数微处理器的电源电压为+5V,近期少数微处理器的电源电压为+3.3V左右。
(4)待机。
英文符号“ST-BY或POWER”,遥控电源开关机控制端,多为直流关机后待机,少数为交流关机。
其正常电压为高/低电平变化,有的微处理器开机状态为高电平,接近电源供给电压,待机时变为低电平;有的开机状态为低电平,接近0V,待机状态变为高电平。
5)识别。
英文符号“SD-IN或H-SYNC”,电台识别信号输入端,蓝屏幕、静音、无信号关机的依据。
多为行同步信号或全电视信号输入,处理器采用高/低单片变化信号。
作为搜索存台和近几年的新型微(6)遥入。
英文符号“RMOT-IN或FMOT-IN”,遥控信号输入端。
部分常见主板适用类型:主板适用类型,是指该主板所适用的应用类型。
针对不同用户的不同需求、不同应用范围,主板被设计成各不相同的类型,即分为台式机主板和服务器/工作站主板。
台式机主板。
就是平常大部分场合所提到的应用于PC的主板,板型是ATX或Micro ATX结构,使用普通的机箱电源,采用的是台式机芯片组,只支持单CPU,内存最大只能支持到4GB,而且一般都不支持ECC内存。
存储设备接口也是采用IDE 或SATA接口,某些高档产品会支持RAID。
显卡接口多半都是采用AGP 4X、8X,以及PCI-E。
扩展接口也比较丰富,有多个USB2.0/1.1,IEEE1394,COM,LPT,IrDA等接口以满足用户的不同需求。
扩展插槽的类型和数量也比较多,有多个PCI,CNR,AMR等插槽适应用户的需求。
部分带有整合的网卡芯片,有低档的10/100Mbps自适应网卡,也有高档的千兆网卡。
在价格方面,既有几百元的入门级或主流产品,也有一二千元的高档产品以满足不同用户的需求。
台式机主板的生产厂商和品牌也非常多。
芯片组。
芯片组(Chipset)是主板的核心组成部分,如果说中央处理器(CPU)是整个电脑系统的心脏,那么芯片组将是整个身体的躯干。
主板芯片组几乎决定着主板的全部功能,其中CPU的类型、主板的系统总线频率,内存类型、容量和性能,显卡插槽规格是由芯片组中的北桥芯片决定的;而扩展槽的种类与数量、扩展接口的类型和数量(如USB2.0/1.1,IEEE1394,串口,并口,笔记本的VGA输出接口)等,是由芯片组的南桥决定的。
还有些芯片组由于纳入了3D加速显示(集成显示芯片)、AC’97声音解码等功能,还决定着计算机系统的显示性能和音频播放性能等。
目前,能够生产芯片组的厂家有英特尔(美)、VIA(中国台湾)、SiS(中国台湾)、ALi(中国台湾)、AMD(美)、NVIDIA (美)、ATI(加)、Server Works(美)等几家,其中以英特尔和VIA的芯片组最为常见。
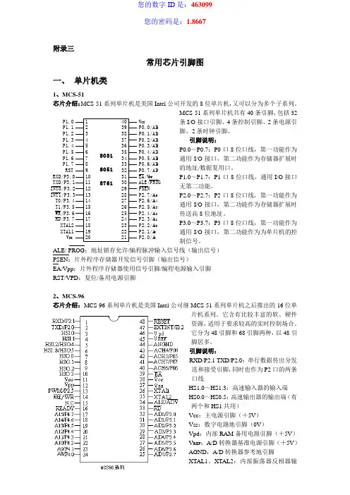
附录三常用芯片引脚图一、 单片机类1、MCS-51芯片介绍:MCS-51系列单片机是美国Intel 公司开发的8位单片机,又可以分为多个子系列。
MCS-51系列单片机共有40条引脚,包括32条I/O 接口引脚、4条控制引脚、2条电源引脚、2条时钟引脚。
引脚说明: P0.0~P0.7:P0口8位口线,第一功能作为通用I/O 接口,第二功能作为存储器扩展时的地址/数据复用口。
P1.0~P1.7:P1口8位口线,通用I/O 接口无第二功能。
P2.0~P2.7:P2口8位口线,第一功能作为通用I/O 接口,第二功能作为存储器扩展时传送高8位地址。
P3.0~P3.7:P3口8位口线,第一功能作为通用I/O 接口,第二功能作为为单片机的控制信号。
ALE/ PROG :地址锁存允许/编程脉冲输入信号线(输出信号)PSEN :片外程序存储器开发信号引脚(输出信号)EA/Vpp :片外程序存储器使用信号引脚/编程电源输入引脚RST/VPD :复位/备用电源引脚2、MCS-96芯片介绍:MCS-96系列单片机是美国Intel 公司继MCS-51系列单片机之后推出的16位单片机系列。
它含有比较丰富的软、硬件资源,适用于要求较高的实时控制场合。
它分为48引脚和68引脚两种,以48引脚居多。
引脚说明:RXD/P2.1 TXD/P2.0:串行数据传出分发送和接受引脚,同时也作为P2口的两条口线HS1.0~HS1.3:高速输入器的输入端HS0.0~HS0.5:高速输出器的输出端(有两个和HS1共用)Vcc :主电源引脚(+5V )Vss :数字电路地引脚(0V )Vpd :内部RAM 备用电源引脚(+5V )V REF :A/D 转换器基准电源引脚(+5V )12345678910111213141516171819204039383736353433323130292827262524232221P1.0P1.1P1.2P1.3P1.4P1.5P1.6P1.7RST RXD/P3.0TXD/P3.1INT0/P3.2INT1/P3.3T0/P3.4T1/P3.5WR/P3.6RD/P3.7XTAL2XTAL1V SS V CC P0.0/AD 0P0.1/AD 1P0.2/AD 2P0.3/AD 3P0.4/AD 4P0.5/AD 5P0.6/AD 6P0.7/AD 7EA/V PP ALE/PROG PSENP2.7/A 15P2.6/A 14P2.5/A 13P2.4/A 12P2.3/A 11P2.2/A 10P2.1/A 9P2.0/A 8803180518751AGND:A/D转换器参考地引脚XTAL1、XTAL2:内部振荡器反相器输入、输出端,常外接晶振。
您的数字ID 是:463099您的密码是:1.8667附录三常用芯片引脚图一、 单片机类1、MCS-51芯片介绍:MCS-51系列单片机是美国Intel 公司开发的8位单片机,又可以分为多个子系列。
MCS-51系列单片机共有40条引脚,包括32条I/O 接口引脚、4条控制引脚、2条电源引脚、2条时钟引脚。
引脚说明: P0.0~P0.7:P0口8位口线,第一功能作为通用I/O 接口,第二功能作为存储器扩展时的地址/数据复用口。
P1.0~P1.7:P1口8位口线,通用I/O 接口无第二功能。
P2.0~P2.7:P2口8位口线,第一功能作为通用I/O 接口,第二功能作为存储器扩展时传送高8位地址。
P3.0~P3.7:P3口8位口线,第一功能作为通用I/O 接口,第二功能作为为单片机的控制信号。
ALE/ PROG :地址锁存允许/编程脉冲输入信号线(输出信号)PSEN :片外程序存储器开发信号引脚(输出信号)EA/Vpp :片外程序存储器使用信号引脚/编程电源输入引脚RST/VPD :复位/备用电源引脚2、MCS-96芯片介绍:MCS-96系列单片机是美国Intel 公司继MCS-51系列单片机之后推出的16位单片机系列。
它含有比较丰富的软、硬件资源,适用于要求较高的实时控制场合。
它分为48引脚和68引脚两种,以48引脚居多。
引脚说明:RXD/P2.1 TXD/P2.0:串行数据传出分发送和接受引脚,同时也作为P2口的两条口线HS1.0~HS1.3:高速输入器的输入端HS0.0~HS0.5:高速输出器的输出端(有两个和HS1共用)Vcc :主电源引脚(+5V )Vss :数字电路地引脚(0V )Vpd :内部RAM 备用电源引脚(+5V )V REF :A/D 转换器基准电源引脚(+5V )AGND :A/D 转换器参考地引脚XTAL1、XTAL2:内部振荡器反相器输12345678910111213141516171819204039383736353433323130292827262524232221P1.0P1.1P1.2P1.3P1.4P1.5P1.6P1.7RST RXD/P3.0TXD/P3.1INT0/P3.2INT1/P3.3T0/P3.4T1/P3.5WR/P3.6RD/P3.7XTAL2XTAL1V SS V CC P0.0/AD 0P0.1/AD 1P0.2/AD 2P0.3/AD 3P0.4/AD 4P0.5/AD 5P0.6/AD 6P0.7/AD 7EA/V PP ALE/PROG PSENP2.7/A 15P2.6/A 14P2.5/A 13P2.4/A 12P2.3/A 11P2.2/A 10P2.1/A 9P2.0/A 8803180518751入、输出端,常外接晶振。
180个CPU引脚功能表CPU型号待机控制电源电压时钟振荡复位音量控制亮度控制对比度控制M491269 7 8 915M494B13839 25 26 343128 M37100M8-581251 28 29 272 M37102M85864 30 31 295587 M50124SA1021 2 3 234140 M50161-554SP23 24 25 2619M50163-150SP3121 2 3 234140M50430-581SP1 9 10 627M50431-101SP2742 1 2 36282923M50431-513SP2742 1 2 362829M50432-551SP3042 33 34 161412M50433-531SP161 33 34 1127M50435-893FP141 33 34 1127M50453-101SP2742 1 2 362829M50436-560SP952 28 29 2724M50436-582SP652 28 29 27M50436-683SP652 28 29 273M50436-5652 28 29 2743CPU型号待机控制电源电压时钟振荡复位音量控制亮度控制对比度控制M50436-688SP652 28 29273M50436-602SP1052 28 29 2724M34300N4-011SP3042 34 35 7101213 M34300N4-012SP3042 34 35 7101213 M34300N4-551SP142 34 35 71011 M34300N4-657P142 34 35 7101112 M37103M4-655SP421 28 29 2723839 M34300N4-555SP3042 34 35 7101112 M34300N4-584SP3342 34 35 71312M34300N4-585SP3342 34 35 7131210 M34300N4-587SP3342 34 35 7131210 M34300N4-624SP1742 34 35 7101213 M34300N4-628SP1742 34 35 7101213 M34300N4-721SP1742 34 35 7101213 M37210M3-508SP2127 24 25 30357 CPU型号待机控制电源电压时钟振荡复位音量控制亮度控制对比度控制CH050024142 31 32 33235 CHT0406712 10 11 17CHT08034142 31 32 33CHT0807742 31 32 33CHT08084142 31 32 33CKP100S1734 31 32 33245 CKP1004S2042 31 32 332CKP1101S3834 31 32 3365 CKP1103S3834 28 29 3365 CTV222S.PRC14142 31 32 33235CX519004P1021 2 3 234140CX85116B-621S64 34 35 3662CX513-512P1 9 10 6CX522-054241 22 23 24CX523-110P1721 2 3 364140 CXP80420-134S376434 35 3652CXP80420-139S376434 35 365 6CXP80424-165S376434 35 369 10CXP85332-5123734 35 36PCA84C440/401414231 32 33235 CPU型号待机控制电源电压时钟振荡复位音量控制亮度控制对比度控制PCA84C640/019 414231 32 33235 PCA84C841/177414231 32 33235 PCF84C644194231 32 33263 P87C766414231 32 33IX0237CE201412 13 41716 IX0411CEN1521 2 3 234140 IX0442CE143024 25 2619IX0605CE19 10 6IX0933CE16133 34 1127IX0981CE74240 41 136IX1194CE74240 41 136IX1830CE586430 31 297108 IX2321CE322724 25 30853 IX2372CE466430 31 29IX2504CE222724 25 30LC863316A71210 11 175LC864512A-5C7771210 11 17392332 CPU型号待机控制电源电压时钟振荡复位音量控制亮度控制对比度控制LC864516AN 71210 11 17392331 LC864525A71210 11 17392332 LC864916A71210 11 16262829 SAA129352 1 6 4341011 SC430402CFC1457 59 71ST6315624025 26 24393638 ST6367B1/FEJ374231 32 33534 ST6378B4/FR1374231 32 3353CH04001-5B41813 40 11 12 16363433 CH04001-5553813 40 11 12 16363433 CH04001-5C25813 40 11 12 16363433 CH0403-5H61712 21 10 11 17392332 CH04801-5F43712 21 10 11 17392332 CH05001414231 32 33235 CTV591S.GW3414231 32 33 CXP80424-146376434 35 36CXP85332-1083763 64 34 35 36CPU型号待机控制电源电压时钟振荡复位音量控制亮度控制对比度控制LA86C3348A 71210 11 17LC863320A71210 11 175LC86332471210 11 178LC863328A-5T4571210 11 175LC863348A71210 11 175LC864012L-571181311 12 16363433 LC864512V-5D18712 21 10 11 172332 MN181768212940 41 3414MN1874876TSH332262 63 5416TMS73C167105443 44 454TMP47C834N-R12284231 32 33TMP87CH36N344231 32 332TMP87CM36N-3649344231 32 332TMP87CK36N344231 32 332TMP87CX38N204231 32 33TMP87CP38N74231 32 33TMP87CH38N74231 32 33CPU型号待机控制电源电压时钟振荡复位音量控制亮度控制对比度控制TMP87PS38N74231 32 33TMP87CK38N184231 32 334TMP87CS38N84231 32 336ST6368B4/FHO374231 32 33534 ST638837531 32 33P87C7701938 39 41 42 43P83C266BDR 3 41 28 30 31 32 3312ONWA KWEC 852 2 3 444WH2000C413431 32 33KONKA266142831 32 332KS88C8324423431 32 33Z8933212PSC183431 32 33Z90231353431 32 336CCU-2070-LDTV-06A282714Z86227-SR128532147 8 9403739 Z90103-JX-232147 8 9403738 Z90361383431 32 33CPU型号待机控制电源电压时钟振荡复位音量控制亮度控制对比度控制M37210M3-800SP2127 24 25 30357 M37210M3-902SP2127 24 25 30357 M37210M4-650SP27 24 25 30834 14-688SP M37210M4 3127 24 25 3010M37210M4-705SP2127 24 2530357 M37211M-609SP2227 24 2530356M37222M6-B80SP742 31 32 33M34302MB-612SP652 28 29 27213 M37210M3-010SP2127 24 25 30357 M37204MB-852SP5864 30 31 29M37103M4-750SP421 28 29 2723839 M37102M8-503SP5864 30 31 2971213 M37102M8-509SP4464 30 31 2987 M37220M32622 19 20 253415151TWE291 44 45 7163938 MN15151TMN1871611TKA622 62 63 54452524 MN1872432TWI33 22 61 62 63 54452524 CPU型号待机控制电源电压时钟振荡复位音量控制亮度控制对比度控制MN1874033TNW3322 61 62 63 542419 MN152810TTC329144 45 716MN152811TZX24135 36 716MN1871675T6S352262 63 54MN187******** 41 3415245KWC214240 41 83432MN15245S14821JTB7118 19 222MN14821TMN15142TEAI63937 38 83230MN15282 MN15287 852 2 3 4444846 TMP47C433AN84231 32 3324TMP47C430N272822 23 212TMP47C434N224231 32 33243 TMP47C837N224231 32 33465 TMP43238135A144224 25 232018TMP47C1638AU353315442 43 442TMP47C634AN224231 32 33243 TMP47C1238ANU068105442 43 44TMP87PM36N344231 32 332CPU型号待机控制电源电压时钟振荡复位音量控制亮度控制对比度控制TMP73C4715133 34 32393836 TMP87CM38N74231 32 33 TMP87CH33N194231 32 33132 TMP47C834N-R12284231 32 33532 TC9150P102422 23 5 6TC9002AP10 3 4TD6368B4/FHO374231 32 33534 HD44840A6572117 18 1513GS8234-OIF446430 31 2987 LK510384231 32 3324LK5140224231 32 33243KD9218B72331 32 2414240 KY88C94611549 50 55514241 KAIDA8803A401 2 3 6343335 UPD1514C-03612815 16 172220 UPD1937C11210 11 7Z862274147 8 9373536 BM5069325228 29 2714142 CKP1003S244231 32 332CKP1008S204231 32 33CKP1009S204231 32 33伴音静噪调谐电压场同步脉冲行同步脉冲复合同步脉冲AFT输入遥控输入51711273735 36585972024 156******** 1642938 209 94210281814137,835 37131210,1135 145313515 1529102612 2629104112 13127,835 10150513685 411505136355 411505136355 391505136355伴音静噪调谐电压场同步脉冲行同步脉冲复合同步脉冲AFT输入遥控输入391505136355 221505136355 322038399814 322038399814 232038392214520383998145859212024 222039389814 372038399814 3720383998372038399814420383968144203839681442038396814 361421181116伴音静噪调谐电压场同步脉冲行同步脉冲复合同步脉冲AFT输入遥控输入1272634935 282021331434 10227253542272635 372272633 12726381136 1722726361555 12726161136 20127261136 127263493515423738 1138252826 291830119262912 421637 1538284244 15384847284144 1541284144 1221411272629935伴音静噪调谐电压场同步脉冲行同步脉冲复合同步脉冲AFT输入遥控输入341272629935 1272634935 361272634935 382726169373 42161338201621 27182829102512 35332829958 353328299398 206626334591417111516 156626334531439820211434 82526431344伴音静噪调谐电压场同步脉冲行同步脉冲复合同步脉冲AFT输入遥控输入8252613448252643134481920331834133512 1511 33141327153434272638935 3834272638935 31392625431744 392625431744 31392625431744 82526431344825264313441272634935 1527268937 15384847284144122174126伴音静噪调谐电压场同步脉冲行同步脉冲复合同步脉冲AFT输入遥控输入3982021331434 39820211434 820211434 3982021331434 3982021331434 392625431744 35825261344 253335271321 135539710 11 1 1713837291947 101272636935 37 38 27261335 37 38 27263613353727261335 1722726361535 4 5 27261635422726361335伴音静噪调谐电压场同步脉冲行同步脉冲复合同步脉冲AFT输入遥控输入42361335822726361335 36272635 34272638935 3342726935 17373645 151272637 3839504939517 151272636 151******** 381272636 1712726368127261136 29121222118512221185 92726151236伴音静噪调谐电压场同步脉冲行同步脉冲复合同步脉冲AFT输入遥控输入361421181116 121421181116 401421341516 391421181116 121421181116 431421181516 422726361335 409505136355 361412181116 48626315235 6212024 20662631645 156626343 31162110917223221836 34465539171 344655397101伴音静噪调谐电压场同步脉冲行同步脉冲复合同步脉冲AFT输入遥控输入55397 8 10 11 1 1722322136 91722302134 46553951 243335272821 25433992115144 52543269 3839504929517 1343641351181726625 4012726935 20127261335 1722 3912338374715 16 466136935 113471546 37361335伴音静噪调谐电压场同步脉冲行同步脉冲复合同步脉冲AFT输入遥控输入402019131412 427263614 16 35 2027261335 10127269359278 5 634272638935 1030 61643 11134364135 40136935203830292719 3926273237 4121039 21113 32122216185 37355051385 372726361335 1722726361435 1722726361535红字符输出绿字符输出蓝字符输出AV/TV控制时钟总线数据总线画中画输入6162622261605935 36 333423141663420345133415 1664746451447464537 38474645373847464537红字符输出绿字符输出蓝字符输出AV/TV控制时钟总线数据总线画中画输入4746453747464511 12432364323623432432363761626355 5643236373055252525525119红字符输出绿字符输出蓝字符输出AV/TV控制时钟总线数据总线画中画输入22232411394022262437302922232439402223243738222324 5 7 394024232218 19 39402223241112242335 37 414224232235414222232411 12 3940515049515049555351504913555314515049341347484957534422232412红字符输出绿字符输出蓝字符输出AV/TV控制时钟总线数据总线画中画输入2223241222232411 12 39402223241039402423223940335345182726253227262537 3861605947525150136160592122525150 4 44 424322232437302927282934 35 32红字符输出绿字符输出蓝字符输出AV/TV控制时钟总线数据总线画中画输入272829403227282934 3532212223 37 38 32504930312223243622232436414021222337322122233721222337322728293227282934 35 3222232411 12 394024232239405150495355474849红字符输出绿字符输出蓝字符输出AV/TV控制时钟总线数据总线画中画输入2223243728 30 27 29222324373029222324372223243730292223243728 30 27 292122233727282934 40 32313231303837444342929 31 28 30333435115251241122232439402223242394022232439402223241112222324373822232411 37 12 38红字符输出绿字符输出蓝字符输出AV/TV控制时钟总线数据总线画中画输入22232414 34 11122223241137382423223940222324364140222324 4 6 4140343332495024232223940333231 5 6242322239402223243940222324404124232241394024232238414236 37 35342324253023242530 312423224142红字符输出绿字符输出蓝字符输出AV/TV控制时钟总线数据总线画中画输入52515019 2052515019 2052515020121352515032424152515019 20 474652515047 4811121352515019616059212261626355 56616059343342414029 30 373835341244434250 51 585944434250 51 3157红字符输出绿字符输出蓝字符输出AV/TV控制时钟总线数据总线画中画输入444342452928353412474833326373844434236 37 59603231308 26 373823243133232435333231 5 69161513242337 382423371632333451502423373233344852512223243940红字符输出绿字符输出蓝字符输出AV/TV控制时钟总线数据总线画中画输入22233122232411122223242322232436414059242337 3834610 29303157 58232425313433 474645332223243940 2223241011 37 12 38 22232411 37 12 38 画中画输出地1 32222326 322427 322215 291162222 232121 2221 2222 2325 26262625 26 画中画输出地25 2625 2619 2119 212126 3219 202119 2115 2119 2119 2119 2123 26 画中画输出地219 1511113113132131 6216 1721132 6232 6232 6243 5721画中画输出地2121212921151621212127263226922画中画输出地2299172021211010109 229212132画中画输出地9 369999109 2212 422727302121211 271 211 21画中画输出地1 2111 21212122211 3730 3721 3913 372813 3020111113画中画输出地23 2623 2623 2623 2623 2623 262223 26272632321818 5212 645827 64画中画输出地27 64264258131171 421211421212127 4121 302721画中画输出地21121302121322121。
•部分常见主板适用类型:主板适用类型,是指该主板所适用的应用类型。
针对不同用户的不同需求、不同应用范围,主板被设计成各不相同的类型,即分为台式机主板和服务器/工作站主板。
台式机主板。
就是平常大部分场合所提到的应用于PC的主板,板型是ATX或Micro ATX结构,使用普通的机箱电源,采用的是台式机芯片组,只支持单CPU,内存最大只能支持到4GB,而且一般都不支持ECC内存。
存储设备接口也是采用IDE或SATA接口,某些高档产品会支持RAID。
显卡接口多半都是采用AGP 4X、8X,以及PCI-E。
扩展接口也比较丰富,有多个USB2.0/1.1,IEEE1394,COM,LPT,IrDA等接口以满足用户的不同需求。
扩展插槽的类型和数量也比较多,有多个PCI,CNR,AMR等插槽适应用户的需求。
部分带有整合的网卡芯片,有低档的10/100Mbps自适应网卡,也有高档的千兆网卡。
在价格方面,既有几百元的入门级或主流产品,也有一二千元的高档产品以满足不同用户的需求。
台式机主板的生产厂商和品牌也非常多。
芯片组。
芯片组(Chipset)是主板的核心组成部分,如果说中央处理器(CPU)是整个电脑系统的心脏,那么芯片组将是整个身体的躯干。
主板芯片组几乎决定着主板的全部功能,其中CPU的类型、主板的系统总线频率,内存类型、容量和性能,显卡插槽规格是由芯片组中的北桥芯片决定的;而扩展槽的种类与数量、扩展接口的类型和数量(如USB2.0/1.1,IEEE1394,串口,并口,笔记本的VGA输出接口)等,是由芯片组的南桥决定的。
还有些芯片组由于纳入了3D加速显示(集成显示芯片)、AC’97声音解码等功能,还决定着计算机系统的显示性能和音频播放性能等。
目前,能够生产芯片组的厂家有英特尔(美)、VIA(中国台湾)、SiS(中国台湾)、ALi(中国台湾)、AMD(美)、NVIDIA(美)、ATI(加)、Server Works(美)等几家,其中以英特尔和VIA的芯片组最为常见。
1附录6 器件管脚图及功能表74LS74双D 正沿触发器 74LS273八D 触发器 74LS377八D 触发器74LS374八D 触发器(三态输出) 74LS175双输出四D 触发器74LS24574LS161四位二进制同步计数器 74LS139双2:4译码器274LS151 八选一选择器74LS157 四个二选一选择器74LS257 四个二选一选择器(非反相三态输出)注:i 等于d 2d 1d 0对应的十进制数6116 2K*8 RAM 2716 2K*8 ROM 2732 4K*8 ROM74LS138 3:8译码器 74LS148 8:3八进制优先编码器74LS85 四位幅度比较器附录9微指令寄存器的各字段微操作信号输出去向及功能指令字段IR7~03附录10 联机通讯指南一、准备1、准备一台PC机。
2、把TEC-2机在实验台上放好打开,将TEC-2的随机电源放在TEC-2的左侧,并确认电源开关处在关断的位置。
二、连接电源线1、将TEC-2机电源的直流输出插头P8插在TEC-2机垂直板左侧的插座P8上;将TEC-2机电源的直流输出插头P9插在TEC-2水平板左侧的插座P9上。
特别提醒注意:不要接反P8和P9,否则会烧机器或电源。
2、将TEC-2电源的电源线一端接电源的交流输入插孔,另一端接220V交流电源接线盒。
注意:TEC-2电源的交流电源线必须和计算机的电源线接在同一个有地线的电源接线盒上,以保证两设备共地,否则可能烧毁电源或机器。
三、连接TEC-2和PC1、准备好随机提供的TEC-2和PC的串口通讯电缆。
该电缆一端是9孔的插头,另一端是25孔的插头。
注意:TEC-2随机提供多条通讯电缆,请务必正确选用,以免错误连接造成联机失败。
2、把串口通讯电缆的9孔插头接在TEC-2机的上板左下角V70插座上,25孔插头插在计算机的串口上(COM1或COM2)。
如果PC上没有25针的串口或者25针的串口已被其它设备占用,TEC-2 随机提供一个9转25的转换器可以把25孔的插头转换成9孔的插头,接在9针的串口上。
1脉冲发生器CD4060由一振荡器和14级二进制串行计数器位组成,振荡器的结构可以是RC或晶振电路,CR为高电平时,计数器清零且振荡器使用无效。
所有的计数器位均为主从触发器。
在CP1(和CP0)的下降沿计数器以二进制进行计数。
在时钟脉冲线上使用斯密特触发器对时钟上升和下降时间无限制。
CD4060的引脚图及其内部方框图如图(3)图(4)。
图(3)CD4060引脚图图(4)CD4060内部方框图2 12位二进制计数器CD4040 是12 位二进制串行计数器。
所有的计数器为主从触发器。
计数器在时钟下降沿进行计数。
CR 为高电平时,对计数器进行清零。
由于在时钟输入端使用斯密特触发器,对脉冲上升和下降时间无限制,所有输入和输出均经过缓冲。
CD4040引脚图及其内部方框图如图(5)图(6)。
CP为时钟输入端CR 为清除端Q0~Q11 为计数器脉冲输出端VDD 为正电源Vss 为地图(5)CD4040引脚图图(6)CD4040内部方框图3十进制同步加法计数器CD4518(引脚图、引脚功能图、逻辑图、时序图如图(7)(8)(9)(10))是二、十进制(8421编码)同步加计数器,内含两个单元的加计数器,其功能表如真值表图(11)所示。
每单个单元有两个时钟输入端CLK和EN,可用时钟脉冲的上升沿或下降沿触发。
由表可知,若用ENABLE信号下降沿触发,触发信号由EN端输入,CLK端置“0”;若用CLOCK信号上升沿触发,触发信号由CLOCK端输入,ENABLE端置“1”。
RESET端是清零端,RESET端置“1”时,计数器各端输出端Q1~Q4均为“0”,只有RESET端置“0”时,CD4518才开始计数。
CD4518采用并行进位方式,只要输入一个时钟脉冲,计数单元Q1翻转一次;当Q1为1,Q4为0时,每输入一个时钟脉冲,计数单元Q2翻转一次;当Q1=Q2=1时,每输入一个时钟脉冲Q3翻转一次;当Q1=Q2=Q3=1或Q1=Q4=1时,每输入一个时钟脉冲Q4翻转一次。
主板篇-主板的芯片组和CPU对应表
主板芯片组是衡量主板性能的重要依据,一旦了解了主板的芯片组型号,就能清楚了解该主板所支持的CPU 规格。
主板多以芯片组命名型号,对应多核CPU 接口类型,包括Intel 和AMD 两个系列。
Intel 芯片组
注意:这里的SLI 和CrossFire 是指两种多显卡技术,主板中并不是安装的显卡越多,显示性能就越好,还需要主板支持多显卡技术,具体的内容将在后面的 2.6.7 小节中详细讲解。
另外,目前的市面上,Intel 还有一些其他芯片组,其接口类型为LGA 1155,内存类型为DDR3,使用非集成显卡,内存容量为8GB ~64GB。
AMD 芯片组。