摩托车环保达标核准备案车型公告
- 格式:doc
- 大小:128.50 KB
- 文档页数:5
国家环境保护总局公告2005年第19号——关于开展摩托车环保生产一致性监督管理的公告【法规类别】污染防治【发文字号】国家环境保护总局公告2005年第19号【发布部门】国家环境保护总局(已撤销)【发布日期】2005.05.24【实施日期】2005.05.24【时效性】现行有效【效力级别】XE0303国家环境保护总局公告(2005年第19号)为加强新生产机动车环保生产一致性的监督管理,确保新生产机动车的排放符合相关污染物排放国家标准的要求,根据《中华人民共和国大气污染防治法》和《中华人民共和国环境噪声污染防治法》的有关规定,国家环境保护总局就摩托车(含轻便摩托车,下同)环保生产一致性监督管理的有关事项公告如下:一、所有摩托车生产企业必须按照《摩托车排气污染物排放限值及测量方法(工况法)》(GB14622-2002)、《轻便摩托车排气污染物排放限值及测量方法(工况法)》(GB18176-2002)、《摩托车和轻便摩托车排气污染物排放限值及测量方法(怠速法)》(GB14621-2002)和《摩托车和轻便摩托车加速行驶噪声限值及测量方法》(GB16169-2005)的有关规定,建立企业内部的环保生产一致性保证体系。
二、所有摩托车生产企业应根据企业内部的环保生产一致性保证体系,制订本企业的《环保生产一致性保证计划书》,并报国家环境保护总局备案,凡未经备案的车型将不予型式核准。
《环保生产一致性保证计划书》的编写要求见附件一。
国家环境保护总局自2005年9月1日起,受理摩托车生产企业的《环保生产一致性保证计划书》。
摩托车生产企业须在2005年12月31日前完成本企业所有车型《环保生产一致性保证计划书》的申报。
《环保生产一致性保证计划书》中未包括的车型,国家环境保护总局将撤消其型式核准。
自2006年1月1日起,凡未进行《环保生产一致性保证计划书》备案的拟进行型式核准的摩托车车型,国家环境保护总局将不予型式核准。
三、国家环境保护总局将在20个工作日内对生产企业提交的《环保生产一致性保证计划书》提出备案意见。
国家环境保护总局关于实施轻便摩托车排放标准第二阶段限值的公告文章属性•【制定机关】国家环境保护总局(已撤销)•【公布日期】2004.12.27•【文号】环函[2004]492号•【施行日期】2004.12.27•【效力等级】部门规范性文件•【时效性】现行有效•【主题分类】环境标准正文国家环境保护总局关于实施轻便摩托车排放标准第二阶段限值的公告(环函[2004]492号)为贯彻《中华人民共和国大气污染防治法》,严格控制机动车污染,实施《轻便摩托车排气污染物排放限值及测量方法(工况法)》(GB18176-2002,以下简称GB18176),现公告如下:一、自2005年1月1日起,所有进行新定型的轻便摩托车必须符合GB18176第二阶段型式核准排放限值的要求。
企业应向国家环保总局进行环保达标车型核准的申报。
对符合上述标准要求的车型,国家环保总局将予以核准并公告;凡不符合标准要求的,不予核准定型。
二、自2005年1月1日起,停止对达到GB18176第一阶段型式核准排放限值要求轻便摩托车的型式核准的申报和核准。
自2006年1月1日起,停止仅达到GB18176第一阶段型式核准排放限值要求的轻便摩托车的销售和注册登记。
已通过核准定型达到GB18176第一阶段型式核准排放限值要求的轻便摩托车,企业应在此过渡期内合理安排制造、进口、销售计划。
三、自2005年1月1日起,所有新制造、进口的符合GB18176排放标准第二阶段排放限值要求的轻便摩托车必须达到环保生产一致性要求;企业应开展环保生产一致性自查,并按要求向国家环保总局机动车排污监控中心报告轻便摩托车环保生产一致性保证计划和年度情况。
四、企业应按照污染控制装置耐久性要求,确保制造、进口和销售的轻便摩托车污染控制装置耐久性里程达到10000公里规定;企业应开展在用车排放耐久性自查工作,并按要求向国家环保总局机动车排污监控中心报送轻便摩托车排放耐久性情况报告。
五、各轻便摩托车检测机构应严格按照GB18176进行相关检测,并按要求通过网络向国家环境保护总局机动车排污监控中心报送车型的检验报告。
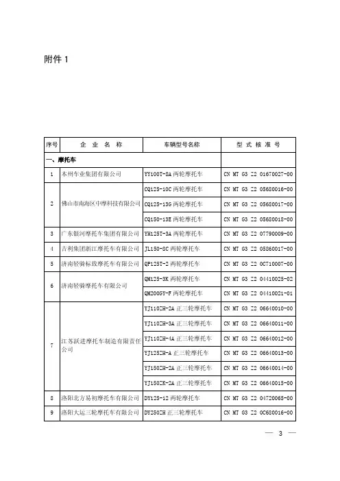
— 3 —附件1达到国家机动车排放标准第三阶段型式核准 排放限值的新机动车型和发动机型(第93批)序号 企 业 名 称 车辆型号名称 型式核准号一、摩托车1 本州车业集团有限公司YY100T-8A 两轮摩托车 CN MT G3 Z2 01670027-00CQ125-10C 两轮摩托车CN MT G3 Z2 05680016-00CQ125-13G 两轮摩托车CN MT G3 Z2 05680017-002 佛山市南海区中摩科技有限公司CQ150-13E 两轮摩托车CN MT G3 Z2 05680018-003 广东银河摩托车集团有限公司 YH125T-3A 两轮摩托车 CN MT G3 Z2 07790009-004 吉利集团浙江摩托车有限公司 JL150-8C 两轮摩托车 CN MT G3 Z2 05860017-005 济南轻骑标致摩托车有限公司 QP125T-2两轮摩托车CN MT G3 Z2 0C710007-00QM125-3K 两轮摩托车CN MT G3 Z2 04410025-026 济南轻骑摩托车有限公司QM200GY-F 两轮摩托车 CN MT G3 Z2 04410021-01YJ110ZH-2A 正三轮摩托车 CN MT G3 Z2 06640010-00YJ110ZH-3A 正三轮摩托车CN MT G3 Z2 06640011-00YJ110ZH-4A 正三轮摩托车 CN MT G3 Z2 06640012-00YJ125ZH-A 正三轮摩托车 CN MT G3 Z2 06640013-00YJ150ZH-2A 正三轮摩托车 CN MT G3 Z2 06640014-007江苏跃进摩托车制造有限责任公司YJ150ZK-2A 正三轮摩托车CN MT G3 Z2 06640015-008 洛阳北方易初摩托车有限公司 DY125-12两轮摩托车 CN MT G3 Z2 04720065-009 洛阳大运三轮摩托车有限公司 DY250ZH 正三轮摩托车CN MT G3 Z2 0C680016-00— 4 —序号 企 业 名 称 车辆型号名称型式核准号 ZW125T-7S 两轮摩托车CN MT G3 Z2 05980058-00ZW125T-8S 两轮摩托车CN MT G3 Z2 05980059-0010台州市椒江之威摩托车制造有限公司ZW125T-S 两轮摩托车CN MT G3 Z2 05980001-0111 西藏喜马摩托车有限公司 XM150-20A 两轮摩托车 CN MT G3 Z2 08180022-0012 新大洲本田摩托有限公司SDH150-21两轮摩托车 CN MT G3 Z2 02150031-00LY125T-2A 两轮摩托车 CN MT G3 Z2 04800016-00LY125T-2L 两轮摩托车CN MT G3 Z2 04800015-00LY125T-2P 两轮摩托车 CN MT G3 Z2 04800017-0013 浙江劲野机动车工业有限公司LY125T-2S 两轮摩托车CN MT G3 Z2 04800018-0014 浙江力帆摩托车有限公司LF100T-A 两轮摩托车 CN MT G3 Z2 0C860016-00QJ110-18G 两轮摩托车 CN MT G3 Z2 01620043-01QJ125-18D 两轮摩托车CN MT G3 Z2 01620129-00QJ125-23D 两轮摩托车 CN MT G3 Z2 01620130-0015 浙江钱江摩托股份有限公司QJ125-5E 两轮摩托车CN MT G3 Z2 01620131-00JL125-8两轮摩托车 CN MT G3 Z2 01840020-0316中国嘉陵工业股份有限公司(集团)JL125T-3两轮摩托车 CN MT G3 Z2 01840039-01DY200ZH-5正三轮摩托车CN MT G3 Z2 0E840003-0017 重庆北易车业有限公司DY200ZH-6正三轮摩托车 CN MT G3 Z2 0E840002-00CQ125-28C 两轮摩托车 CN MT G3 Z2 04390005-02CQ125-28D 两轮摩托车 CN MT G3 Z2 04390031-01CQ125-7A 两轮摩托车CN MT G3 Z2 04390003-03JS125-28B 两轮摩托车 CN MT G3 Z2 04390006-02JS125-7A 两轮摩托车 CN MT G3 Z2 04390002-0318 重庆建设摩托车股份有限公司JS125-7C 两轮摩托车CN MT G3 Z2 04390017-01— 5 —序号 企 业 名 称 车辆型号名称型式核准号 JS125-8A 两轮摩托车CN MT G3 Z2 04390013-0118 重庆建设摩托车股份有限公司JS150-28A 两轮摩托车CN MT G3 Z2 04390018-0219重庆精通力阳摩托车制造有限责任公司AD110-16两轮摩托车CN MT G3 Z2 08970023-00JG110-4B 两轮摩托车CN MT G3 Z2 05080068-00JS150ZK-3正三轮摩托车 CN MT G3 Z2 05080069-0020 重庆双庆产业集团有限公司JS200ZK-3正三轮摩托车 CN MT G3 Z2 05080070-00YG150ZH-6A 正三轮摩托车CN MT G3 Z2 04630025-00YG175ZH-4A 正三轮摩托车CN MT G3 Z2 04630026-0021 重庆银钢科技(集团)有限公司 YG175ZH-6A 正三轮摩托车 CN MT G3 Z2 04630027-00ZJ110ZH-R 正三轮摩托车CN MT G3 Z2 07830015-0022 珠海珠江车业有限公司ZJ150ZH-R 正三轮摩托车CN MT G3 Z2 07830016-0023 株洲南方摩托车有限公司 NY125T-5A 两轮摩托车 CN MT G3 Z2 07810027-00BYQ125T-5E 两轮摩托车 CN MT G3 Z2 07390038-0124宗申·比亚乔佛山摩托车企业有限公司 BYQ150ZH 正三轮摩托车CN MT G3 Z2 07390062-00二、轻便摩托车1 浙江日雅摩托车有限公司RY50QT-31两轮轻便摩托车 CN QM G3 Z2 04650017-00。
附件1达到国家机动车排放标准第三阶段型式核准排放限值的新机动车型和发动机型(第86批)序号 企业名称 发动机型号 型式核准号 一、摩托车CK125-7E两轮摩托车 CN MT G3 Z2 08920041-001 常州光阳摩托车有限公司CK125T-3P两轮摩托车 CN MT G3 Z2 08920040-002 常州豪爵铃木摩托车有限公司 HJ110-5两轮摩托车 CN MT G3 Z2 0C110023-003 长葛市鸿舟车业有限公司 HZ175ZH-A正三轮摩托车 CN MT G3 Z2 0B430007-00FL150ZK-3A正三轮摩托车 CN MT G3 Z2 0A530011-00FL175ZK-2A正三轮摩托车 CN MT G3 Z2 0A530009-004 德州富路车业有限公司FL175ZK-3A正三轮摩托车 CN MT G3 Z2 0A530010-00HG100T-2两轮摩托车 CN MT G3 Z2 05840012-005 东莞市东阳摩托车有限公司HG100T-3两轮摩托车 CN MT G3 Z2 05840013-006 福田雷沃国际重工股份有限公司FT650ZH-3B正三轮摩托车 CN MT G3 Z2 06330049-007 广州市番禺华南摩托企业集团有限公司FH150-5B两轮摩托车 CN MT G3 Z2 04730021-01WY100T-A两轮摩托车 CN MT G3 Z2 06940010-01WY125T-9A两轮摩托车 CN MT G3 Z2 06940009-018 广州五羊摩托有限公司WY150J-10两轮摩托车 CN MT G3 Z2 06940033-009 河南隆鑫机车有限公司 LX175ZH-23正三轮摩托车 CN MT G3 Z2 07960030-0010 济南轻骑摩托车有限公司 QM125T-7R两轮摩托车 CN MT G3 Z2 04410028-00—3—序号 企业名称 发动机型号 型式核准号QP125-7E两轮摩托车 CN MT G3 Z2 08040006-0211 江门气派摩托车有限公司QP125-N两轮摩托车 CN MT G3 Z2 08040010-01QP150-N两轮摩托车 CN MT G3 Z2 08040003-01EN125-2E两轮摩托车 CN MT G3 Z2 08450022-05EN125-2F两轮摩托车 CN MT G3 Z2 08450023-07EN125-3E两轮摩托车 CN MT G3 Z2 08450012-03EN125-3F两轮摩托车 CN MT G3 Z2 08450013-03HJ125-18两轮摩托车 CN MT G3 Z2 08450063-02HJ125-18A两轮摩托车 CN MT G3 Z2 08450062-02HJ125-19两轮摩托车 CN MT G3 Z2 08450064-01HJ125-20两轮摩托车 CN MT G3 Z2 08450065-01HJ125K-3A两轮摩托车 CN MT G3 Z2 08450004-03HJ125K-5两轮摩托车 CN MT G3 Z2 08450069-01HJ125T-10A两轮摩托车 CN MT G3 Z2 08450031-0412 江门市大长江集团有限公司HJ125T-10E两轮摩托车 CN MT G3 Z2 08450050-03HJ125T-16D两轮摩托车 CN MT G3 Z2 08450035-05HJ125T-9C两轮摩托车 CN MT G3 Z2 08450044-03HJ150-11两轮摩托车 CN MT G3 Z2 08450075-01HJ150-11A两轮摩托车 CN MT G3 Z2 08450076-01HJ150-2A两轮摩托车 CN MT G3 Z2 08450033-05HJ150-2C两轮摩托车 CN MT G3 Z2 08450056-03HJ150-6A两轮摩托车 CN MT G3 Z2 08450028-04HJ150-6C两轮摩托车 CN MT G3 Z2 08450052-03HJ150-6D两轮摩托车 CN MT G3 Z2 08450060-01—4—序号 企业名称 发动机型号 型式核准号HJ150-7两轮摩托车 CN MT G3 Z2 08450068-01 12 江门市大长江集团有限公司HJ150-8两轮摩托车 CN MT G3 Z2 08450066-0113 江门市华日集团有限公司 HY125-9D两轮摩托车 CN MT G3 Z2 02620045-0014 江门市珠峰摩托车有限公司 ZF150-18两轮摩托车 CN MT G3 Z2 08100014-00CX125T-10A两轮摩托车 CN MT G3 Z2 02350022-00CX125T-2A两轮摩托车 CN MT G3 Z2 02350019-00CX125T-5A两轮摩托车 CN MT G3 Z2 02350024-00CX125T-7A两轮摩托车 CN MT G3 Z2 02350030-00CX125T-8A两轮摩托车 CN MT G3 Z2 02350017-00CX125T-9A两轮摩托车 CN MT G3 Z2 02350031-00JF100T-2A两轮摩托车 CN MT G3 Z2 02350039-00JF110-2A两轮摩托车 CN MT G3 Z2 02350035-00JF125-6A两轮摩托车 CN MT G3 Z2 02350015-00JF125-7A两轮摩托车 CN MT G3 Z2 02350018-00 15 江苏创新摩托车制造有限公司JF125-9A两轮摩托车 CN MT G3 Z2 02350013-00JF125T-2A两轮摩托车 CN MT G3 Z2 02350025-00JF125T-3A两轮摩托车 CN MT G3 Z2 02350021-00JF125T-6A两轮摩托车 CN MT G3 Z2 02350032-00JF125T-7A两轮摩托车 CN MT G3 Z2 02350028-00JJ100T-2A两轮摩托车 CN MT G3 Z2 02350038-00JJ110-2A两轮摩托车 CN MT G3 Z2 02350034-00JJ125-6A两轮摩托车 CN MT G3 Z2 02350023-00JJ125-9A两轮摩托车 CN MT G3 Z2 02350012-00JJ125T-3A两轮摩托车 CN MT G3 Z2 02350026-00—5—— 6 —序号 企业名称 发动机型号 型式核准号 JJ125T-6A 两轮摩托车 CN MT G3 Z2 02350029-00JJ125T-7A 两轮摩托车 CN MT G3 Z2 02350027-00JJ150T-3A 两轮摩托车 CN MT G3 Z2 02350037-00XJ125-3A 两轮摩托车CN MT G3 Z2 02350016-00XJ125-6A 两轮摩托车CN MT G3 Z2 02350014-00XJ125-9A 两轮摩托车 CN MT G3 Z2 02350011-00XJ125T-3A 两轮摩托车 CN MT G3 Z2 02350020-00XJ125T-6A 两轮摩托车 CN MT G3 Z2 02350033-0015 江苏创新摩托车制造有限公司 XJ150T-3A 两轮摩托车 CN MT G3 Z2 02350036-00HLW110两轮摩托车CN MT G3 Z2 06830015-00HLW125-3A 两轮摩托车 CN MT G3 Z2 06830016-00HLW125T-3A 两轮摩托车 CN MT G3 Z2 06830017-0016江苏新陵摩托车制造有限公司HLW250两轮摩托车CN MT G3 Z2 06830018-0017 金城集团有限公司 JC250-6A 两轮摩托车 CN MT G3 Z2 07800059-00LF100-7V 两轮摩托车 CN MT G3 Z2 08600026-01LF110-26C 两轮摩托车 CN MT G3 Z2 08600108-00LF110-8T 两轮摩托车CN MT G3 Z2 08600072-01LF125-2C 两轮摩托车 CN MT G3 Z2 08600110-00LF150-2C 两轮摩托车 CN MT G3 Z2 08600111-00LF250-19P 两轮摩托车 CN MT G3 Z2 08600109-0018力帆实业(集团)股份有限公司LF90-V 两轮摩托车 CN MT G3 Z2 08600045-01BX150ZH 正三轮摩托车CN MT G3 Z2 08510019-0019 洛阳北方企业集团有限公司LJ100T-8两轮摩托车CN MT G3 Z2 08510018-00— 7 —序号 企业名称发动机型号 型式核准号 DY50T-8两轮摩托车 CN MT G3 Z2 04720061-0020洛阳北方易初摩托车有限公司DY50T-A 两轮摩托车 CN MT G3 Z2 04720062-00XM125T-22F 两轮摩托车 CN MT G3 Z2 08180005-01XM125T-24两轮摩托车CN MT G3 Z2 08180018-00XM125T-26两轮摩托车 CN MT G3 Z2 08180008-01XM125T-28两轮摩托车 CN MT G3 Z2 08180016-0121 西藏喜马摩托车有限公司 XM125T-29两轮摩托车 CN MT G3 Z2 08180019-00SL100T-10两轮摩托车 CN MT G3 Z2 02330077-01SL100T-T 两轮摩托车CN MT G3 Z2 02330038-01SL110-10两轮摩托车 CN MT G3 Z2 02330052-01SL125-7T 两轮摩托车 CN MT G3 Z2 02330078-0122 增城市奔马实业有限公司 SL150-2G 两轮摩托车 CN MT G3 Z2 02330030-01CF125两轮摩托车 CN MT G3 Z2 05100017-01CF125-2两轮摩托车 CN MT G3 Z2 05100027-00CF125T-25两轮摩托车 CN MT G3 Z2 05100011-01CF125T-2D 两轮摩托车 CN MT G3 Z2 05100016-01CF150两轮摩托车 CN MT G3 Z2 05100002-01CF150-2B 两轮摩托车CN MT G3 Z2 05100022-01CF150-A 两轮摩托车 CN MT G3 Z2 05100003-01CF150-B 两轮摩托车 CN MT G3 Z2 05100020-01CF150-C 两轮摩托车 CN MT G3 Z2 05100021-01CF150J 两轮摩托车 CN MT G3 Z2 05100026-01CF150T-3H 两轮摩托车 CN MT G3 Z2 05100024-0123 浙江春风动力股份有限公司CF250T-3A 两轮摩托车CN MT G3 Z2 05100007-01— 8 —序号 企业名称 发动机型号 型式核准号 CF250T-G 两轮摩托车 CN MT G3 Z2 05100005-01CF650两轮摩托车CN MT G3 Z2 05100012-01CF650-2两轮摩托车 CN MT G3 Z2 05100018-0123 浙江春风动力股份有限公司CF650J 两轮摩托车CN MT G3 Z2 05100019-0124 浙江嘉爵摩托车制造有限公司JJ150-5两轮摩托车CN MT G3 Z2 07340012-0025浙江钱江摩托股份有限公司 QJ125T-16E 两轮摩托车 CN MT G3 Z2 01620028-03JYM125-3B 两轮摩托车 CN MT G3 Z2 03760002-0626重庆建设·雅马哈摩托车有限公司JYM125-3F 两轮摩托车 CN MT G3 Z2 03760013-0227重庆隆鑫机车有限公司 JL150-51E 两轮摩托车 CN MT G3 Z2 02670061-00JL125-75两轮摩托车 CN MT G3 Z2 0A060037-0028重庆隆鑫机车有限公司广东分公司JL150-75两轮摩托车 CN MT G3 Z2 0A060038-00SC150ZK-3正三轮摩托车CN MT G3 Z2 05080066-0029 重庆市双庆机电有限公司SC200ZK-3正三轮摩托车 CN MT G3 Z2 05080067-00WH150ZH-6A 正三轮摩托车CN MT G3 Z2 0A100012-0030 重庆万虎机电有限责任公司WH175ZH-7A 正三轮摩托车CN MT G3 Z2 0A100013-00WJ125T-3E 两轮摩托车 CN MT G3 Z2 04360050-0031重庆望江摩托车制造有限公司WJ125T-3F 两轮摩托车 CN MT G3 Z2 04360051-00XY125-12A 两轮摩托车 CN MT G3 Z2 04670031-00XY150-8C 两轮摩托车CN MT G3 Z2 04670027-00XY150-9两轮摩托车 CN MT G3 Z2 04670032-00XY175ZH-A 正三轮摩托车 CN MT G3 Z2 04670028-00XY200ZH-A 正三轮摩托车 CN MT G3 Z2 04670030-0032重庆鑫源摩托车股份有限公司XY200ZH-B 正三轮摩托车CN MT G3 Z2 04670029-00— 9 —序号 企业名称发动机型号 型式核准号 XY250GY-2A 两轮摩托车 CN MT G3 Z2 04670034-0032重庆鑫源摩托车股份有限公司XY400GY 两轮摩托车 CN MT G3 Z2 04670033-00ZS125-7S 两轮摩托车 CN MT G3 Z2 07390003-0133宗申·比亚乔佛山摩托车企业有限公司ZS125-C 两轮摩托车CN MT G3 Z2 07390022-02二、轻便摩托车 1株洲南方摩托车有限公司NY48QT-2A 两轮轻便摩托车CN QM G3 Z2 07810012-00。
2003年度第一批排放合格车型目录(摩托车)1、重庆力帆轰达实业(集团)有限公司LF100T XGJ100T LF150-3A XGJ150-3A 机外净化器:LCLF50QT-5 XGJ50QT-5发动机:1P39FMB机外净化器:LCXGJ150-F LF150-A发动机:161FMJ机外净化器:LC(德国依米泰克公司EMITEC)XGJ150-E LF150-E发动机:162FMJ机外净化器:LC(德国依米泰克公司EMITEC)LF50QT-2A LF50QT-3 LF50QT-6发动机:1P39QMB机外净化器:LC-2A(山西利民)LF110-F LF110-G LF110-H LF110-2F LF110-2GLF110-7A LF110-8 LF110-8A LF110-9A LF110-10LF110-11发动机:1P52FMH机外净化器:LC-2(常州力扬)LF150-B LF150-2 LF150-3 LF150-4A LF150-6LF150-7发动机:162FMJ机外净化器:LC-3(常州力扬)LF150-10发动机:161MJ机外净化器:LC-3(庄信万丰)LF250发动机:2V49FMM机外净化器:LC-4(桂林利凯特)2、重庆力帆轰达实业(集团)有限公司重庆新感觉摩托车有限公司LF90 XGJ90发动机:1P47FMF机外净化器:LC-2(常州力扬精机有限公司)LF100 LF100-A LF100-B LF100-C LF100-DLF100-2 LF100-2A F100-3A LF100-3B LF100-4CLF100-5 LF100-5A LF100-6 LF100-7 LF100-8LF100-8A LF100-9 LF100-9A LF100-10 LF100-11XGJ100 XGJ100-A XGJ100-B XGJ100-C XGJ100-DXGJ100-2 XGJ100-2A XGJ100-2B XGJ100-3A XGJ100-3B XGJ100-4 XGJ100-5A XGJ100-5B XGJ100-6 XGJ100-7XGJ100-8 XGJ100-8A XGJ100-9 XGJ100-9A XGJ100-10 XGJ100-11发动机:1P50FMG机外净化器:LC-2(常州力扬精机有限公司)LF100T-2 LF100T-2D LF100T-2F XGJ100T-2发动机:1P50FMG(1P50QMG)机外净化器:LC-2A(常州力扬精机有限公司)LF110 LF110-A LF110-B LF110-C LF110-DLF110-3 LF110-E XGJ110 XGJ110-A XGJ110-B XGJ110-C XGJ110-D XGJ110-2E XGJ110-3A XGJ110-4A XGJ110-5A XGJ110-6A XGJ110-7A XGJ110-9A发动机:152FMH机外净化器:LC-2(常州力扬精机有限公司)LF110-2 XGJ110-2发动机:1P53FMH机外净化器:LC-2(常州力扬精机有限公司)LF125T-2 LF125T-2A LF125T-2B LF125T-2C LF125T-2D LF125T-2E LF125T-2F LF125T-3 LF125T-4 LF125T-5 LF125T-6 LF125T-7 LF125T-8 LF125T-9 LF125T-10 LF125T-11 LF125T-12 LF125T-13 LF125T-14 LF125T-15 LF125T-16 XGJ125T XGJ125T-2 XGJ125T-2A XGJ125T-2B XGJ125T-2C XGJ125T-2D XGJ125T-2E XGJ125T-3 XGJ125T-4XGJ125T-5 XGJ125T-6 XGJ125T-8 XGJ125T-9 XGJ125T-10 XGJ125T-16发动机:1P52QMI机外净化器:LC-3A(常州力扬精机有限公司)LF125GY LF125-B LF125-3 LF125-3A LF125-4LF125-5 LF125-6 LF125-6A LF125-7 LF125-8LF125-8B LF125-9 LF125-15 XGJ125 XGJ125-B XGJ125-E XGJ125-H XGJ125-2 XGJ125-3 XGJ125-4 XGJ125-5A XGJ125-6 XGJ125-6A XGJ125-7A XGJ125-8 XGJ125-9 XGJ125GY-A发动机:156FMI机外净化器:LC-3(常州力扬精机有限公司)LF150 LF150-F LF150-3 LF150-4 LF150-5XGJ150 XGJ150-A XGJ150-3 XGJ150-3B XGJ150-4A XGJ150-5发动机:161FMJ机外净化器:LC-3(常州力扬精机有限公司)XGJ50QT-2A XGJ50QT-3 XGJ50QT-6发动机:1P39QMB机外净化器:LC-2A(山西利民)XGJ110-E XGJ110-F XGJ110-G XGJ110-H XGJ110-7 XGJ110-8 XGJ110-8A XGJ110-9 XGJ110-11 XGJ110-10发动机:1P52FMH机外净化器:LC-2(常州力扬)XGJ150-4 XGJ150-B XGJ150-2 XGJ150-3B 发动机:162FMJ机外净化器:LC-3(常州力扬)XGJ150-10发动机:161MJ机外净化器:LC-3(庄信万丰)XGJ250发动机:2V49FMM机外净化器:LC-4(桂林利凯特)3、浙江钱江摩托股份有限公司QJ100T-5F发动机:QJ147QMG机外净化器:YR-MC100(台湾力扬工业股份有限公司)QJ125-4发动机:QJ157FMI机外净化器:YR-MA100(台湾力扬工业股份有限公司)QJ100-2 QJ100-2D QJ100-2A QJ100-2B QJ100-2C发动机:QJ150FMG-2机外净化器:YR-MC100(台湾力扬)QJ100-3 QJ100-3D QJ100-3A QJ100-3B QJ100-3C发动机:QJ150FMG机外净化器:YR-MC100(台湾力扬)QJ125-F QJ125-5 QJ125-KQJ125-P QJ125-2 QJ125-U发动机:QJ157FMI机外净化器:YR-MA100(台湾力扬)QJ50QT-8 QJ50QT-10 QJ50QT-10A QJ50QT-10B 发动机:QJ141QMB机外净化器:YR-MB100QJ100T-5 QJ100T-5A QJ100T-5B QJ100T-5CQJ100T-5D QJ100T-5E QJ100T-5G QJ100T-7QJ100T-3发动机:QJ147QMG机外净化器:YR-MC100QJ110 QJ110-A QJ110-2 QJ110-2AQJ110-2B QJ110-2C QJ110-5 QJ110-8发动机:QJ153FMH机外净化器:YR-MC100QJ125T QJ125T-A QJ125T-B QJ125T-DQJ125T-E QJ125T-G QJ125T-3A QJ125T-3BQJ125T-3C QJ125T-3D QJ125T-3E QJ125T-6QJ125T-8 QJ125T-9 QJ125T-10 QJ125T-15QJ125T-16 QJ125T-17 QJ125T-18发动机:QJ153QMI机外净化器:YR-MA100QJ150 QJ150-A QJ150-B QJ150-D 发动机:QJ162FMJ机外净化器:YR-MA100QJ250-3 QJ250-F发动机:QJ253FMM机外净化器:YR-MA100QJ100-4 QJ100-4A QJ100-4B QJ100-9 QJ100-E 发动机:QJ150FMG-3机外净化器:YR-MC100(台湾力扬)QJ110-6 QJ110-7 QJ110-10发动机:QJ153FMH-2机外净化器:YR-MC100(台湾力扬)QJ125 QJ125-A QJ125-C QJ125-DQJ125-N QJ125-3 QJ125-4A QJ125-L发动机:QJ157FMI机外净化器:YR-MA100(台湾力扬)QJ125T-5 QJ125T-4A QJ125T-4BQJ125T-12 QJ125T-12A QJ125T-11发动机:QJ153QMI-3机外净化器:YR-MA100(台湾力扬)QJ150-C QJ150-J QJ150-K发动机:QJ247FMJ机外净化器:YR-MA100(台湾力扬)QJ100T-9发动机:QJ147QMG机外净化器:YR-MC100(台湾力扬)QJ110-9发动机:QJ150FMH机外净化器:YR-MC100(台湾力扬)QJ90-2发动机:QJ147FMF机外净化器:YR-MC100(台湾力扬)QJ100-B发动机:QJ150FMG机外净化器:YR-MC100(台湾力扬)QJ100T-3 QJ100T-5H发动机:QJ147QMG机外净化器:YR-MC100 (钱江集团有限公司)QJ125T-22 QJ125T-3F QJ125T-7QJ125T-18A QJ125T-28 QJ125T-28A发动机:QJ153QMI机外净化器:YR-MA100 (钱江集团有限公司)QJ150-3A QJ150-3 QJ150-3B QJ150-M发动机:QJ162FMJ机外净化器:YR-MA100 (钱江集团有限公司)QJ250T-2发动机:QJ172MM机外净化器:YR-MA100 (钱江集团有限公司)4、中国嘉陵工业股份有限公司(集团)JH125-D(JH125D) JH125-2(JH125D-A) JH125-2A(JH125D-B) JH125-G JH125E JH125-17JH125-20 JH125-F JH125-19发动机:JL156FMI-2(156FM-2)JL156FMI-5机外净化器:CN504(英国庄信万丰)JH125-A JH125-B JH125发动机:JL156FMI(156FM)机外净化器:CN504(英国庄信万丰)JL90-A JL90-B(JD90)JL90-C发动机:JL1P47FMF-2(147FM-4)机外净化器:CN503(英国庄信万丰)JH70-B(JH7011) JH70-A(JH701) JH70-C(JH70111) JH70-J 发动机:JL1P47FMD(147FM)机外净化器:CN502(英国庄信万丰)JH70-D发动机:JL1P47FMD-5机外净化器:CN502(英国庄信万丰)JL110-7 JL110-3 JL110-4 JL110-8 JL110-9 JL110-10 发动机:JL1P50FMH(JL1P52FMH-2或JL1P50FMH-2)机外净化器:CN503JH125-16 JH125-F JH125-12 JH125-18JH125-19 JH125-5 JH125-2A(JH125D-B)发动机:JL156FMI-5机外净化器:CN504JL50QZC(CJ50ZC)JL50QT-9发动机:JL(JH)1E39QMB-2(1E39FM-3)机外净化器:MC.975.048.20JH90-A JH90-C发动机:JL1P47FMF-3(147FM-6)机外净化器:CN503JH100-C JH100 JH100-2 JH100-5 JH100-7 JH100-B 发动机:JL1P50FMG(150FM)机外净化器:CN503JH110-7机外净化器:CN503JH110-2发动机:JL152FMH-4机外净化器:CN503JH125GY(JH125LⅠ)JH125GY-A(JH125LⅡ)JH125GYJ(JH125LJ)发动机:JL156FMI-3(156FM-1)机外净化器:CN504JH150E-2(JH150T)JH150-3(JH150D-3)JH150E-B JH150-2(JH150D-2)发动机:JL161FMJ-2(161FM-2)机外净化器:CN505JL50QT-21发动机:JL1P39FMB-2机外净化器:CN502(英国庄信万丰公司)JL100-3 JL100-B JL100 JL100-4 JL100-7 发动机:JL1P50FMG-2(150FM-1)机外净化器:CN503(英国庄信万丰公司)JL50QZC-2A发动机:JL1P39QMB-2机外净化器:CN510JL50QZC-5发动机:JL1P44FMB机外净化器:CN511JL50QZC-A发动机:JL1E39QMB-2机外净化器:MC.975.048.20JH100-20A机外净化器:CN503JL110-11 JL110-12发动机:JL1P53FMH 或JL1P50FMH机外净化器:CN503JH125-31发动机:JL244FMI机外净化器:CN504JH250 JH250-2 JH250E-3发动机:JL253FMM-2机外净化器:CN506JH250E-5发动机:JL253FMM-3机外净化器:CN506JH125-27发动机:JL156FMI-5或JL156FMI-6机外净化器:CN504JH125-H发动机:JL156FMI-5机外净化器:CN5045、重庆宗申海陵机车有限责任公司ZS100-9 ZS100-2发动机:ZS150FMG-B机外净化器:ZS4IA(常州力扬精机有限公司)ZS100-16 ZS100-21 ZS100-22 发动机:ZS150FMG-2机外净化器:ZS4IA(常州力扬精机有限公司)ZS100发动机:ZS150FMG(ZS150FM-C)机外净化器:ZS4IA(常州力扬精机有限公司)ZS100-8发动机:ZS150FMG-A(ZS150FM-1D)机外净化器:ZS4IA(常州力扬精机有限公司)ZS100-4 ZS100-5 ZS100-6 ZS100-10ZS100-14 ZS100-19 ZS100-23 ZS100-12发动机:ZS150FM-1L机外净化器:ZS4IA(常州力扬精机有限公司)ZS125-2 ZS125-5 ZS125-5B ZS125-8 ZS125-9ZS125-11 ZS125-12 ZS125-13 ZS125-14 ZS125-17 ZS125-21 ZS125-22 ZS125-29 ZS125-3 ZS125-4ZS125-7 ZS125-6 ZS125-18 ZS125-19 ZS125-20 ZS125-25 ZS125-26 ZS125发动机:ZS156FMI机外净化器:ZS4IA(常州力扬精机有限公司)ZS100-23发动机:ZS150FMG-3A机外净化器:ZS4GA(常州力扬精机有限公司)ZS110-9 ZS110 ZS110-6 ZS110-10 ZS110-16 ZS110-18 ZS110-19 ZS110-20 HL110-2 HL110-3 HL110-4 HL110-5 LZX110 LZX110-6 LZX110-7 发动机:ZS150FMH机外净化器:ZS4HA(常州力扬精机有限公司)ZS125T-4 ZS125T ZS125T-2 ZS125T-3 ZS125T-5 ZS125T-7 ZS125T-8 ZS125T-9 ZS125T-10 ZS125T-11 ZS125T-12 ZS125T-13 ZS125T-15 ZS125T-16 ZS125T-18 ZS125T-22 ZS125T-23 ZS125T-24 HL125T HL125T-4 HL125T-5 HL125T-6 HL125T-7 HL125T-8 HL125T-9 HL125T-10 LZX125T LZX125T-2 LZX125T-3 LZX125T-4 LZX125T-5 LZX125T-6 LZX125T-7 LZX125T-8 LZX125T-9 LZX125T-10发动机:ZS1P52QMI机外净化器:GR7(桂林利凯特环保实业有限公司)ZS90-2 HL90 LZX90 LZX90-2发动机:ZS147FMF-A(ZS147FM-2)机外净化器:ZS4FA(常州力扬精机有限公司)ZS90发动机:ZS147FMF机外净化器:ZS4FA(常州力扬精机有限公司)ZS90-3发动机:ZS147FMF-C机外净化器:ZS4FA(常州力扬精机有限公司)ZS150 ZS150-2 ZS150-6 ZS150-8 ZS150-12 HL150 LZX150 LZX150-3 ZS150-3发动机:ZS161FMJ机外净化器:ZS4JA(常州力扬精机有限公司)HL100-8 HL100-11 HL100-13 LZX100-6LZX100-13 LZX100-14 LZX100-11发动机:ZS150FMG-B机外净化器:ZS4IA(常州力扬精机有限公司)HL125-3 HL125-6 HL125-7 HL125-8 HL125-9 HL125-10 HL125-13 LZX125 LZX125-2 LZX125-5 LZX125-5B LZX125-8 LZX125-9 LZX125-10 LZX125-11 LZX125-12 LZX125-16发动机:ZS156FMI机外净化器:ZS4IA(常州力扬精机有限公司)ZS100-4发动机:ZS150FMG(旧型号ZS150FM-1L)机外净化器:ZS4IA(常州力扬精机有限公司)ZS100-9发动机:ZS150FMG-B(旧型号ZS150FM-C)机外净化器:ZS4IA(常州力扬精机有限公司)ZS125发动机:ZS156FMI(旧型号ZS156FM-CG)机外净化器:ZS4IA(常州力扬精机有限公司)6、建设工业(集团)有限责任公司JS125 JS125-3 JS125-10JS125-12A JS125-13 JS125-12发动机:JS156FMI机外净化器:JC(德国依米泰克公司EMITEC)JY110发动机:JY1P49FMH机外净化器:JC-2(德国依米泰克公司EMITEC)JS100-8发动机:JS150FMG-4机外净化器:JC-2(德国依米泰克公司EMITEC)JS100-6A JS100-2 JS100-3 JS100-2A发动机:JS150FMG-5机外净化器:JC-4JS150-A JS150-GA JS150J-A发动机:JYM157FMJ-A机外净化器:JC-3JS100-5发动机:JS150FMG-2机外净化器:JC-57、江苏新世纪摩托车有限公司XSJ125-8 XSJ125-2H XSJ125-6 XSJ125-9HF125 HF125-A HF125-7A HF125-9AHF125-2D XSJ125-7B XSJ125-9A发动机:157FMI机外净化器:LB (德国依米泰克)XSJ150-A XSJ150-2 XSJ150-2A XSJ150-2B HF150 HF150-2A HF150-3A HF150-3 HF150-2B发动机:162FMJ机外净化器:LB (德国依米泰克)XSJ125-7A发动机:157FMI机外净化器:LB(德国依米泰克公司)XSJ150-4发动机:162FMJ机外净化器:LB(德国依米泰克公司)XSJ100-B XSJ100-3 XSJ100-2 XSJ100-2A XSJ100-2B XSJ100-7A XSJ100-7B XSJ100-7 XSJ100-8 XSJ100-10D XSJ100-5 HF100-B HF100-10D HF100-7A HF100-10A发动机:150FMG机外净化器:XSJ41A(常州力扬)XSJ110-A XSJ110-3 XSJ110-C XSJ110-2 XSJ110-7 XSJ110-8 XSJ110-6 XSJ110-5 XSJ110 XSJ110-10 HF110-9发动机:152FMH机外净化器:XSJ41B(常州力扬)XSJ125T-B XSJ125T-A XSJ125T-C XSJ125T-D XSJ125T-E XSJ125T-F XSJ125T-G XSJ125T-H XSJ125T-2 XSJ125T-3 XSJ125T-5 XSJ125T-8A XSJ125T-8B XSJ125T-10 HF125T-A HF125T-B HF125T-C发动机:152QMI机外净化器:XSJ41E(常州力扬)XSJ125T发动机:152QMI机外净化器:XSJ41E(常州力扬精机有限公司)HF250T发动机:172MM机外净化器:XSJ41B(常州力扬精机有限公司)HF250发动机:253FMM机外净化器:XSJ41B(常州力扬精机有限公司)HF150-2B发动机:247FMJ机外净化器:XSJ41B(常州力扬精机有限公司)XSJ50QT-B XSJ50QT XSJ50QT-8 XSJ50QT-9A XSJ50QT-10 XSJ50QT-3 HF50QT XSJ50QT-9 XSJ50QT-7 发动机:139QMB机外净化器:EMI100(德国依米泰克公司)XSJ125-7 XSJ125-7C XSJ125-9B发动机:157FMI机外净化器:LB(德国依米泰克公司)XSJ110—11发动机:152FMH机外净化器:XSJ41B(常州力扬)XSJ125T—10A XSJ125T—11 XSJ125T—12 发动机:152QMI机外净化器:XSJ41E(常州力扬)XSJ250—A发动机:253FMM机外净化器:XSJ41B(常州力扬)XSJ150-2C XSJ150-2D发动机:XSJ162FMJ机外净化器:LB(德国依米泰克公司)XSJ125T-12A发动机:XSJ152QMI机外净化器:XSJ41E(常州力扬精机有限公司)XSJ150-3B发动机:XSJ162FMJ机外净化器:LB(德国依米泰克)8、上海嘉陵车业有限公司JL125T-18 JL125T-5 JL125T-6 JL125T-10JL125T-28 JL125T-3A JL125T-33发动机:JL1P52QMI机外净化器:CN504(北京中和大成)JL50QT-18 JL50QT-10 JL50QT-28发动机:JL1P39QMB-2机外净化器:CN502(北京中和大成)JL100T-13发动机:JL1P50QMG机外净化器:HR-OEM-45-125 (台州市远大机械有限公司)9、天津富士达摩托车制造有限公司BT50QT-7A BT50QT-1B BT50QT-2A BT50QT-5BBT50QT-5B1 BT50QT-5BQ BT50QT-6B BT50QT-12发动机:BT1P39QMB净化器型号:BT4IA(常州力扬精机有限公司)BT100T BT100T-B BT100T-3 BT100T-4A BT100T-6 发动机:BT1P50QMG净化器型号:BT4IA(常州力扬精机有限公司)BT125TA BT125T BT125TA-B BT125T-1 BT125T-2BT125T-3 BT125T-3A BT125T-4 BT125T-5 BT125T-6BT125T-7 BT125T-8 BT125T-9 BT125T-9A BT125T-10发动机:BT1P52QMI净化器型号:BT4IA常州力扬精机有限公司BT100-12B BT100 BT100-1 BT100-2 BT100-3BT100-4 BT100-5 BT100-5B BT100-5C BT100-6BT100-7 BT100-7B BT100-8 BT100-9 BT100-10BT100-12 BT100-12A BT100-13 BT100-15 BT100-16BT100-17 BT100-18 BT100-23 BT100-24 BT100-26A BT100-28 BT100-30发动机:BT1P50FMG机外净化器:BT4IA(常州力扬精机有限公司)BT100-29 BT100-A BT100-4A BT100-7A BT100-8A BT100-9A BT100-19 BT100-20 BT100-21 BT100-22 BT100-26 BT100-27发动机:BT150FMG机外净化器:BT4IA(常州力扬精机有限公司)BT125-5C BT125 BT125A BT125GY BT125-2 BT125-2A BT125-3 BT125-3J BT125-4 BT125-5 BT125-6 BT125-6B BT125-7 BT125-8 BT125-11 BT125-12 BT125-15 BT125-16 BT125-17 BT125-19 BT125-20 BT125-22 BT125-26 BT125-18发动机:BT156FMI机外净化器:BT4IA(常州力扬精机有限公司)10、广州三雅摩托车有限公司(原北京凯特摩托车厂)KT125ZH发动机:LC156 FMI机外净化器:GR7A-M(桂林利凯特环保实业有限公司)KT100ZH-3发动机:LC150FMG-3机外净化器:GR7A-M(桂林利凯特环保实业有限公司)11、重庆银钢节能摩托车制造有限公司YG100-6 YG100-9发动机:YG1P50FMG机外净化器:YGC-01(德国依米泰克公司EMITEC)YG125-2 YG125-2A YG125-2B YG125-5发动机:YG156FMI机外净化器:YGC-02(德国依米泰克公司EMITEC)YG150-2 YG150-8发动机:YG161FMJ机外净化器:YGC-03(德国依米泰克公司EMITEC)YG100-6 YG100-3发动机:YG1P50FMG机外净化器:YGC-01(德国依米泰克公司EMITEC)YG125-2A YG125-3 YG125-6 YG125-10YG125-11发动机:YG156FMI机外净化器:YGC-02(德国依米泰克公司EMITEC)YG150-2 YG150-9发动机:YG161FMJ机外净化器:YGC-03(德国依米泰克公司EMITEC)12、浙江豪情摩托车有限公司HQ100T-10A HQ100T-10C HQ100T-10 MR100T-9发动机:HQ1P52QMG机外净化器:3060MC(常州力扬)HQ125T HQ125T-5A HQ125T-9 HQ125T-3MR125T-2 MR125T MR125T-9 MR125T-20MR125T-17 MR125T-5A BL125T BL125T-3BL125T-3C BL125T-5A BL125T-8B BL125T-9发动机:HQ152QMI机外净化器:HR-OEM-4S-125(浙江华荣)HQ150T-8 HQ150T HQ150T-2 HQ150T-6 HQ150T-6B HQ150T-7 HQ150T-8B HQ150T-9 HQ150T-10发动机:HQ157QMJ机外净化器:HR-OEM-4S-150MR150T MR150T-2 MR150T-6 MR150T-7MR150T-8 MR150T-9 MR150T-10发动机:HQ157QMJ机外净化器:HR-OEM-4S-150(浙江华荣)HQ125 HQ125-B HQ125-C HQ125-DHQ125-E HQ125-2 HQ125-2B HQ125-2C HQ125-2E HQ125-5 MR125 MR125-2MR125-2B MR125-2E MR125-5 MR125-6MR125-7 MR125-18 BL125 BL125-EBL125-2 BL125-2B BL125-15发动机:HQ157FMI机外净化器:LH-1-M-63.5HQ150 HQ150-2 HQ150-3 HQ150-4HQ150-5 HQ150-9 HQ150-10 HQ150-16MR150 MR150-2 MR150-3 MR150-4MR150-5 MR150-9 MR150-15 BL150BL150-11发动机:HQ162FMJ机外净化器:LH-1-M-63.5BL125T-4 BL125T-7 BL125T-8 BL125T-11 BL125T-15 发动机:HQ152QMI机外净化器:HR-OEM-4S-125BL150T BL150T-3发动机:HQ157QMJ机外净化器:HR-OEM-4S-15013、上海雷雅摩托车有限公司(原北京雷雅摩托车有限公司)KM125T KM125T-3 KM125T-5A K M125T-8B发动机:152QMI机外净化器:HR-OEM-4S-125(浙江华荣)LY125T-3 LY125T-4 LY125T-6 LY125T-9 LY125T-13发动机:L Y152QMI机外净化器:HR-OEM-4S-125(浙江华荣)LY125T LY125T-10 LY125T-12 LY125T-16LY125T-20 LY125T-22发动机:L Y152QMI机外净化器:LH-1-M-48LY125-2 LY125-3 LY125-3B LY125-4LY125-6 LY125-7 LY125-7A LY125-19发动机:L Y157FMI机外净化器:LH-1-M-63.5LY150 LY150-2 LY150-3 LY150-4LY150-5 LY150-6 LY150-16发动机:L Y162FMJ机外净化器:LH-1-M-63.5LY150T LY150T-A LY150T-3 LY150T-3A LY150T-5 LY150T-7 LY150T-8发动机:L Y157QMJ机外净化器:LH-1-M-48KM125T-8B KM125T KM125T-2 KM125T-3KM125T-5A KM125T-9 KM125T-15发动机型号:KM152QMI机外净化器:MJX(无锡威孚力达催化净化有限公司)KM150-3 KM150-8 KM150-12发动机型号:KM247FMJ机外净化器:MJX(无锡威孚力达催化净化有限公司)KM150-11发动机型号:KM162FMJ机外净化器:MJX(无锡威孚力达催化净化有限公司)14、中国轻骑集团日照摩托车公司XF125T-9发动机:1P52QMI机外净化器:BT4IA(常州力杨精机有限公司)15、隆鑫集团有限公司LX90 LX90-A发动机:LC147FMF机外净化器:GR7A-M(桂林利凯特环保实业有限公司)LX100-A LX100-10 LX100-2A LX100-8 LX100-9 LX100-E LX100-10A LX100-7 LX100-8A LX100-B LX100-F HS100 HS100-2 HS100-7 HS100-12 HS100-10 HS100-5 HS100-8发动机:LC150FMG-1-A或LC150FMG-1机外净化器:GR7A-M(桂林利凯特环保实业有限公司)LX100-3 LX100-3A LX100-4 LX100-3B LX100-4A HS100-3 HS100-6 HS100-4 HS100-11发动机:LC150FMG-1-B机外净化器:GR7A-M(桂林利凯特环保实业有限公司)LX110-3A LX110-3 LX110-3C LX110-3D LX110-3B LX110-4 LX110-4A HS110 HS110-2 HS110-3HS110-4 HS110-6 HS110-16 HS110-17发动机:LC152FMH机外净化器:GR7A-M(桂林利凯特环保实业有限公司)LX110-2A LX110-2 LX110 LX110-5 LX110-5ALX110-7 LX110-7A LX110-8 LX110-9 LX110-9ALX110-A LX110-C LX110-D LX110-F HS110-10HS110-11 HS110-12 HS110-13 HS110-5 HS110-7HS110-8 HS110-9 HS110-14 HS110-15 HS110-18HS110-19 HS110-20 HS110-21发动机:LC153FMH机外净化器:GR7A-M(桂林利凯特环保实业有限公司)LX125-A LX125-7 LX125-11 LX125-B LX125-3B LX125-J HS125 HS125-4 HS125-17 HS125-23 发动机:LC156FMI或LC156FMI-A机外净化器:GR7A-M(桂林利凯特环保实业有限公司)LX125-C LX125 LX125-10 LX125-10A LX125-2 LX125-2B LX125-2C LX125-2D LX125-3A LX125-4 LX125-5A LX125-6 LX125-8 LX125-8A LX125-E HS125-11 HS125-14 HS125-15 HS125-16 HS125-18 HS125-19 HS125-21 HS125-22 HS125-24 HS125-2 HS125-3 HS125-5 HS125-6 HS125-7 HS125-8 发动机:LC157FMI-A或LC157FMI机外净化器:GR7A-M(桂林利凯特环保实业有限公司)LX150-6A LX150 LX150-2 LX150-5 LX150-6LX150-A LX150-C LX150-E LX150-F LX150-2BLX150-2C LX150-7 LX150-7A LX150-8 LX150-10HS150-11 HS150-12 HS150-13 HS150-3 HS150-4HS150-5 HS150-6 HS150-7 HS150-8 HS150-9HS150 HS150-2发动机:LC161FMJ机外净化器:GR7A-M(桂林利凯特环保实业有限公司)LX150-6B LX150-H发动机:LC161FMJ机外净化器:GR7A-M(桂林利凯特环保实业有限公司)16、吉利集团有限公司JL50QT-13 JL50QT-4 JL50QT-6 JL50QT-8 JL50QT-9 JL50QT-10 JL50QT-11 JL50QT-12 JL50QT-14 JL50QT-17 JL50QT-19 JL50QT-20 JL50QT-22 JL50QT-23 JL50QT-24 JL50QT-25 JL50QT-28 JL50QT-37 JL50QT-38发动机:JL139QMB机外净化器:3060MC(常州力扬精机有限公司)JL125T-5A JL125T JL125T-2 JL125T-3 JL125T-3A JL125T-4 JL125T-5 JL125T-5B JL125T-5C JL125T-6 JL125T-7 JL125T-8 JL125T-8B JL125T-9 JL125T-10 JL125T-11 JL125T-12 JL125T-13 JL125T-14 JL125T-15 JL125T-17 JL125T-18 JL125T-19 JL125T-20 JL125T-21 JL125T-22 JL125T-23发动机:JL152QMI机外净化器:3060MC(常州力扬精机有限公司)JL150T-6 JL150T JL150T-2 JL150T-3 JL150T-3A JL150T-4 JL150T-5 JL150T-7 JL150T-8 JL150T-9 JL150T-10发动机:JL157QMJ机外净化器:3060MC(常州力扬精机有限公司)JL100-2 JL100-2E JL100-3B JL100-3D JL100-5 JL100-5A JL100-6发动机:JL150FMG机外净化器:3060MC(常州力扬精机有限公司)JL100-B JL100 JL100-A JL100-C JL100-2AJL100-2B JL100-2C JL100-2D JL100-3C JL100-4发动机:JL150FMG-2机外净化器:3060MC(常州力扬精机有限公司)JL125 JLJL125-2 JL125-2B JL125-2K JL125-3E JL125-3G JL125-3H JL125-3K JL125-4A JL125-5 JL125-6发动机:JL157FMI机外净化器:3060MC(常州力扬精机有限公司)JL150 JL150-2 JL150-2B JL150-2C JL150-3 JL150-4 JL150-5 JL150-6 JL150-7 JL150-9 JL150J发动机:JL162FMJ机外净化器:3060MC(常州力扬精机有限公司)17、金城集团有限公司JC125-17 JC125-2A JC125-11 JC125-5 JC125-12 发动机:JC157FMI-2机外净化器:10/0201E/00(台湾信通交通器材股份有限公司)JC125-17 JC125-10 JC125-7B发动机:JC156FMI机外净化器:10/0201E/00(台湾信通交通器材股份有限公司)JC100-3A JC100-8发动机:JC150FMG-4机外净化器:JM433/40/18:0:1(上海庄信万丰化工有限公司)JC150T发动机:JC157YMJ机外净化器:10/0201E/00(台湾信通交电器材股份有限公司)JC90-B发动机:JC147FMF机外净化器:JM433/40/18:0:1(上海庄信万丰化工有限公司)JC125发动机:JC157FMI机外净化器:10/0201E/00(台湾信通交通器材股份有限公司)JC50QT-10A JC50QT-5 JC50QT-8AJC50QT-11A JC50QT-12A JC50QT-15发动机:JC139QMA机外净化器:JM433/40/18:0:1(上海庄信万丰化工有限公司)JC125-17 JC125-2A JC125-11 JC125-5 JC125-12JC125-10 JC125-22发动机:JC157FMI-2机外净化器:3081MC(常州力扬精机有限公司)JC100-3A JC100-8 AX100-C发动机:JC150FMG-4机外净化器:3081MC(常州力扬精机有限公司)JC125-17 JC125-7B发动机:JC156FMI机外净化器:3081MC(常州力扬精机有限公司)JC150T发动机:JC157YMJ机外净化器:3081MC(常州力扬精机有限公司)JC90-B发动机:JC147FMF机外净化器:3081MC(常州力扬精机有限公司)JC125 JC125-15A发动机:JC157FMI机外净化器:3081MC(常州力扬精机有限公司)JC125-10发动机:JC157FMI-2机外净化器:10/0201E/00(台湾信通交通器材股份有限公司)18、台州华田摩托车有限公司JL125T-2 JL125T-4 JL125T-5 JL125T-6 JL125T-7 JL125T-8 JL125T-9 JL125T-10 JL125T-12 JL125T-13 JL125T-15 HT125T-2 HT125T-4 HT125T-5 HT125T-6 HT125T-7 HT125T-8 HT125T-9 HT125T-10 HT125T-12HT125T-13 HT125T-15 FL125T FL125T-2 FL125T-3 FL125T-4 FL125T-5 FL125T-6 FL125T-9 FL125T-10 FL125T-12 FL125T-13 FL125T-15发动机:JL152QMI或HT152QMI机外净化器:LH-1-M-63.5(上海华理环保发展有限公司)JL150发动机:JL162FMJ机外净化器:LH-1-M63.5(常州力扬精机有限公司)JL 100T-3B JL 100T-C JL 100T-5A发动机:JL147QMG机外净化器:LH-1-M63.5(常州力扬精机有限公司)JL 125T-3B JL 125T-15发动机:JL152QMI机外净化器:LH-1-M63.5(常州力扬精机有限公司)JL 150T-9 JL 150T-8 JL 150T-15 JL 150T-11发动机:JL157QMJ机外净化器:LH-1-M63.5(常州力扬精机有限公司)JL50QT-20 JL50QT-12 JL50QT-13发动机型号:JL139QMB净化器型号:LH-1-M-48(常州力扬精机有限公司)19、西藏珠峰工业股份有限公司ZF125T-7发动机:ZY154MI机外净化器:5CA1(台湾山叶机车工业股份有限公司)ZF125T-8 ZF125T-6B ZF125T-6ZF125T-11B ZF125T-12 ZF125T-3发动机:SC25AHF机外净化器:JHQ125-T(常州力扬精机有限公司)ZF125T-6B ZF125T-8 ZF125T-6 ZF125T-2ZF125T-12 ZF125T-11B ZF125T-3发动机:ZF1P52QMI机外净化器:JHQ125-T(常州力扬精机有限公司)ZF125T ZF125T-C发动机:ZF152M机外净化器:JHQ125-T(常州力扬精机有限公司)ZF125-17 ZF125-18发动机:ZF156FMI-2机外净化器:JHQ125-Q(常州力扬精机有限公司)ZF125A发动机:ZF156FMI机外净化器:JHQ125-Q(常州力扬精机有限公司)ZF100发动机:ZF150FMG机外净化器:JHQ100-W(常州力扬精机有限公司)ZF125T-15发动机:ZF1P52QMI-5机外净化器:JHQ125-T(常州力扬精机有限公司)20、重庆涪陵摩托车有限责任公司HL90-2 HL90-3发动机:ZS147FMF机外净化器:HL4FA(常州力扬精机有限公司)HL100-2 HL100-5 HL100-9 HL100-10 HL100-14 HL100-15 HL100-16 HL100-17 发动机:ZS150FMG机外净化器:HL4GA(常州力扬精机有限公司)HL100-3发动机:150FMG-3机外净化器:HL4GA(常州力扬精机有限公司)HL100-7发动机:ZS150FMG-AHL110发动机:152FMH机外净化器:HL4HB(常州力扬精机有限公司)HL125-2发动机:ZS156FMI-2机外净化器:HL4IA(常州力扬精机有限公司)HL110-6 HL110-7 HL110-8 HL110-9 HL110-10 发动机:ZS152FMH机外净化器:HL4HB(常州力扬精机有限公司)HL125-4 HL125-11 HL125-12 HL125-14HL125-15 HL125-16 HL125-17 HL125-18发动机:ZS156FMI机外净化器:HL4IA(常州力扬精机有限公司)HL150-2 HL150-3 HL150-4HL150-5 HL150-6 HL150-7发动机:ZS161FMJ机外净化器:HL4JA(常州力扬精机有限公司HL110-2 HL110-3 HL110-4 HL110-5发动机:ZS150FMH机外净化器:ZS4HA(常州力扬精机有限公司)HL125T H125T-4 HL125T-5 HL125T-6HL125T-8 HL125T-9 HL125T-10 HL125T-7发动机:ZS1P52QMI机外净化器:GR7(桂林利凯特环保实业有限公司)HL90发动机:ZS147FMF-A(ZS147FM-2)机外净化器:ZS4FA(常州力扬精机有限公司)HL150发动机:ZS161FMJHL100-8 HL100-11 HL100-13发动机:ZS150FMG-B机外净化器:ZS4IA(常州力扬精机有限公司)HL125-3 HL125-6 HL125-7 HL125-8HL125-10 HL125-13 HL125-9发动机:ZS156FMI机外净化器:ZS4IA(常州力扬精机有限公司)21、无锡鸿雁摩托车有限公司HY150 HY150-3 HY150-8 HY150-9YL150 YL150-3 YL150-8 YL150-9发动机:162FMJ机外净化器:MJX型(无锡威孚力达催化净化有限责任公司)HY125-5 HY125-7 YL125-7发动机:156FMI机外净化器:MJX型(无锡威孚力达催化净化有限责任公司)HY100-9 HY100-14 YL100-6 YL100-10发动机:150FMG机外净化器:MJX型(无锡威孚力达催化净化有限责任公司)HY125T-4 HY125T-2 HY125T-6YL125T YL125T-2 YL125T-3发动机:152QMI机外净化器:MJX型(无锡威孚力达催化净化有限责任公司)HY100-9 HY100-10 HY100-11 HY100-13 HY100-15 HY100-16 HY100-18 HY100-19 HY100-6A YL100-3A YL100-7 YL100-8 YL100-9 YL100-11 YL100-12 YL100-13 HY100-12A HY100-12 HY100-8 HY100-8A YL100-4 YL100-4A YL100-15 YL100-16 发动机:150FMG机外净化器:MJX(无锡威孚力达催化净化有限责任公司)HY125T-4 HY125T-3 HY125T-5发动机:152QMI机外净化器:MJX(无锡威孚力达催化净化有限责任公司)HY125-5 HY125-A HY125-2 HY125-3 HY125-4 HY125-6 HY125-8 HY125-9 HY125-10 HY125-11 YL125 YL125-2 YL125-3 YL125-4 YL125-5YL125-6发动机:156FMI机外净化器:MJX (无锡威孚力达催化净化有限责任公司)HY150-8 HY150-2 HY150-4 HY150-5 HY150-6 HY150-7 HY150-10 HY150-11 YL150-2 YL150-4 YL150-5 YL150-6 YL150-7 YL150-10发动机:162FMJ机外净化器:MJX (无锡威孚力达催化净化有限责任公司)22、重庆市劲隆摩托车制造有限公司JL150 JL150-6 JL150-6A JL150-7JL150-8 JL150-2B JL150-2C JL150-5JL150-A JL150-C JL150-E JL150-F发动机:161FMJ机外净化器:JLJ10(常州力扬精机有限公司)JL110-3 JL110-3A JL110-3B JL110-4JL110-4A JL110-3C JL110-3D发动机:152FMH机外净化器:JLG1A(常州力扬精机有限公司)JL100-2A JL100-A JL100-7 JL100-8 JL100-8A JL100-10 JL100-10A JL100-B JL100-E JL100-F 发动机:150FMG-1-A机外净化器:JLG1A(常州力扬精机有限公司)JL100发动机:150FMG-1-A或150FMG-1机外净化器:JLG1A(常州力扬精机有限公司)JL110-2A JL110-C JL110-5A JL110 JL110-2 JL110-5 JL110-7 JL110-7A JL110-8 JL110-9 JL110-9A JL110-A JL110-D JL110-F JL110-G 发动机:153FMH机外净化器:JLG1A(常州力扬精机有限公司)JL100-3 JL100-2B JL100-3B JL100-3AJL100-4 JL100-4A发动机:150FMG-1-B机外净化器:JLG1A(常州力扬精机有限公司)JL125发动机:157FMI或157FMI-A机外净化器:JLI10(常州力扬精机有限公司)JL125-12 JL125-2 JL125-2B JL125-2C JL125-2D JL125-3A JL125-4 JL125-5A JL125-6 JL125-8 JL125-8A JL125-10 JL125-10A JL125-C JL125-E JL125-H发动机:157FMI机外净化器:JLI10(常州力扬精机有限公司)JL70-A发动机:147FMD机外净化器:JLD10(常州力扬精机有限公司)23、海南新大洲摩托车股份有限公司XDZ50QT-13发动机:XDZ1P39QMB机外净化器:XDZ932LY(常州力扬)XDZ100T-4发动机:XDZ1P50QMG机外净化器:XDZ927KJ(台湾康捷)XDZ125T-6C XDZ125T-6D XDZ125T-6E XDZ125T-10 发动机:XDZ1P52QMI机外净化器:XDZ901LY(常州力扬)XDZ125-5A XDZ125-6 XDZ125-8发动机:XDZ157FMI机外净化器:XDZ911JM(庄信万丰)SK175发动机:SK165FMK机外净化器:SK175ZX(庄信万丰)XDZ250发动机:XDZ253FMM机外净化器:XDZ906JM(庄信万丰)24、上海新大洲摩托车有限公司XDZ50DQT发动机:XDZ1PE40QMB-4(电喷)XDZ50QT-28发动机:XDZ1P39QMB机外净化器:XDZ932LY(常州力扬)XDZ125T-2A XDZ125T-8A发动机:XDZ1P52QMI机外净化器:XDZ901LY(常州力扬)XDZ125-10发动机:XDZ157FMI机外净化器:XDZ911JM(庄信万丰)25、江门市大长江摩托车有限公司GN125 HS125J EN125 HJ125-A HJ125-AJ 发动机:F401机外净化器:HJMCHJ125-8 HJ125-2 HJ125-2A HJ125-2CHJ125-2D HJ125-7 HJ125-F HJ125-5发动机:156FMI机外净化器:HJMCHS125T HS125T-2 HJ125T-3发动机:F418或152QMI机外净化器:HJMC(常州力扬精机有限公司)GN125 HJ125-A HJ125-AJ EN125 HS125J 发动机:157FMI机外净化器:HJMC(常州力扬精机有限公司)HJ125T-2发动机:152QMI机外净化器:HJMC(常州力扬精机有限公司)26、济南轻骑摩托车股份有限公司QM125-2 QM125-2C QM125-2M QM125-2G发动机:K157FMI机外净化器:GR7A-M(桂林利凯特环保实业有限公司)QM125-10B QM125-11 QM125-7AQM125-10C QM125-6 QM125-10发动机:157FMI机外净化器:GR7A-M(桂林利凯特环保实业有限公司)QM150L-4 QM150L-2发动机:162FMJ机外净化器:GR7A-M(桂林利凯特环保实业有限公司)QM100-12 QM100-7C发动机:M150FMG-D机外净化器:GR7A-M(桂林利凯特环保实业有限公司)QM100-7 QM100-7B发动机:N151FMG机外净化器:GR7A-M(桂林利凯特环保实业有限公司)QM100-11发动机:R150FMG机外净化器:GR7A-M(桂林利凯特环保实业有限公司)QM110-4 QM110-4B发动机:R152FMHQM125T-B QM125T-A QM125T-F QM125T-C QM125T-9H QM125T-9C QM125T-9K Q M125T-9D Q M125T-9E QM125T-D发动机:P152QMI机外净化器:3060MC(常州力扬精机有限公司)QM100T-4发动机:P150QMG机外净化器:3060MC(常州力扬精机有限公司)QM125T-4 QM125T-4A QM125T-4D发动机:T151QMI机外净化器:3060MC(常州力扬精机有限公司)QM80T QM80T-A QM80T-B发动机:147QME机外净化器:3060MC(常州力扬精机有限公司)QM50QT-6 QM50QT-6B QM50QT-6C QM50QT-6D QM50QT-6E QM50QT-6H QM50QT-6K发动机:139QMB机外净化器:3060MC(常州力扬精机有限公司)QM50QT-6N QM50QT-6R发动机:139QMB机外净化器:3060MC (常州力扬精机有限公司)QM125T-9N QM125T-9S QM125T-9R发动机:P152QMI机外净化器:3060MC (常州力扬精机有限公司)QM125-2V发动机:K157FMI机外净化器:GR7A-M(桂林利凯特环保实业有限公司)QM125-10H发动机:157FMI27、中国轻骑集团有限公司湛江轻骑摩托车有限公司GS125-2 GS125-2B发动机:K157FMI机外净化器:JM433(庄信万丰集团)GS125-7 GS125-7A发动机:157FMI机外净化器:JM433(庄信万丰集团)GS125T-9E发动机:P152QMI机外净化器:JM433(庄信万丰集团)28、中国轻骑集团合肥摩托车厂KS50QT-2 KS50QT-2A KS50QT-2B发动机:D139QMB机外净化器:JM433(庄信万丰集团)KS125T KS125T-A KS125T-B KS125T-8 KS125T-10发动机:P152QMI机外净化器:JM433(庄信万丰集团)29、浙江洛嘉摩托车有限公司BG50QT BG50QT-3 BG50QT-4 LJ50QT-2发动机:LJ139QMB机外净化器:L YDS(常州力扬精机有限公司)LJ100T LJ100T-2 LJ100T-3LJ100T-4 LJ100T-5 BG100T发动机:LJ150QMG机外净化器:L YDS(常州力扬精机有限公司)BG125T LJ125T-A LJ125T-2 LJ125T-4 LJ125T-11 LJ125T-5 LJ125T-9 LJ125T LJ125T-10 LJ125T-12 发动机:LJ152QMI机外净化器:L YDS(常州力扬精机有限公司)30、浙江中南集团摩托车有限公司BD125T-C BD125T BD125T-2 BD125T-3 BD125T-6 BD125T-B BD125T-4发动机:152QMI机外净化器:HR-OEM-4S-125(浙江华荣废气净化有限公司)31、常熟市轻型摩托车厂JJ100发动机:ZS150FMG机外净化器:3060MC43×75(常州力杨精机有限公司)JJ100-3 JJ100-6发动机:ZS150FMG机外净化器:3077MC35×60(常州力杨精机有限公司)JJ125发动机:HW156FMI机外净化器:3074MC47×60(常州力杨精机有限公司)JJ125-11发动机:ZS156FMI机外净化器:3060MC43×75(常州力杨精机有限公司)JJ150-4发动机:ZS162FMJ机外净化器:3074MC47×60(常州力杨精机有限公司)FD100-6发动机:150FMG-2机外净化器:3077MCFD125发动机:ZS156FMI机外净化器:3077MCFD125T-9 FD125T-6发动机:1P52QMI机外净化器:3077MCFD125-11发动机:HW156FMI机外净化器:3077MCJJ150-5发动机:ZX162FM机外净化器:3077MCFD100发动机:HW150FMG机外净化器:3077MC(常州力扬精机公司)FD100-16发动机:ZS152FMG-2机外净化器:3077MC(常州力扬精机公司)FD150-5发动机:ZX162FM机外净化器:3077MC(常州力扬精机公司)32、惠州麦科特玛骐摩托车有限公司MCT100-12 MCT100-6 MCT100-8 MCT100-11 MCT100-15发动机:MCT 150FMG机外净化器:MCT4FGA(常州力扬精机有限公司)MCT125-5 MCT125-2 MCT125-3 MCT125-6 MCT125-7 MCT125-8 MCT125-9 MCT125-11 MCT125-16 MCT125-17 发动机:MCT 156FMI机外净化器:MCT4FIA(常州力扬精机有限公司)MCT125T-7 MCT125T-2A MCT125T-6 MCT125T-8 MCT125T-7 MCT125T-9 MCT125T-11 MCT125T-12 MCT125T-15发动机:MCT 152QMI机外净化器:MCT4QIA(常州力扬精机有限公司)33、上海美田摩托车有限公司MT150-4 MT150-5 MT150-10 MT150发动机:MT162FMJ机外净化器:LH-1-M-63.5 (浙江台州康乐轻工机械厂)MT150T MT150T-2 MT150T-3 MT150T-4 MT150T-6 MT150T-6B MT150T-7 MT150T-8B MT150T-8发动机:MT157QMJ机外净化器:HR-OEM-4S-150(浙江华荣)MT125T MT125T-5A MT125T-3 MT125T-5MT125T-9 MT125T-15 MT125T-8B发动机:MT152QMI机外净化器:HR-OEM-4S-125(浙江华荣)MT100T-10C MT100T-10 MT100T-10A MT100T-10BMT100T-13 MT100T-14 MT100T-11发动机:MT52QMG机外净化器:HR-OEM-4S-100(浙江华荣)MT125T-2 MT125T-3B MT125T-4MT125T-8 MT125T-12 MT125-6发动机:MT152QMI机外净化器:HR-OEM-4S-125(浙江华荣)HM125T HM125T-3 HM125T-4 HM125T-7 HM125T-8 HM125T-10 HM125T-6 HM125T-11 HM125T-12 HM125T-13发动机:HM152QMI机外净化器:LH-1-M-48HM125-11 HM125-13 HM125-15 HM125-16 HM125-22 HM125-17 HM125-18发动机:HM157FMI机外净化器:LH-1-M-63.5HM150-9 HM150-12 HM150-13 HM150-15 HM150-16 HM150-14发动机:HM162FMJ机外净化器:LH-1-M-63.5HM150T HM150T-2 HM150T-4 HM150T-5 HM150T-6发动机:L Y157QMJ机外净化器:LH-1-M-48。
北京市环境保护局关于公布第六批符合我市排放标准汽车摩托车下乡生产企业名单及产品目录的通知
文章属性
•【制定机关】北京市环境保护局
•【公布日期】2010.06.22
•【字号】京环发[2010]197号
•【施行日期】2010.06.22
•【效力等级】地方规范性文件
•【时效性】现行有效
•【主题分类】
正文
北京市环境保护局关于公布第六批符合我市排放标准汽车摩托车下乡生产企业名单及产品目录的通知
(京环发〔2010〕197号)
各有关单位及个人:
根据我市目前执行的机动车排放标准,我局对第六批汽车摩托车下乡生产企业名单及产品目录进行了筛选,并对第二批和第五批汽车摩托车下乡生产企业名单及产品目录进行了更改补充。
现将符合我市机动车排放标准的汽车摩托车下乡生产企业名单及产品目录予以公布(见附件)。
由于车辆所满足的排放标准不但与车辆型号相关,还与发动机型号及净化装置等配置有关。
因此,用户在签订购车合同时,需要求汽车经销商提供满足北京环保标准并可在北京市办理牌照手续的车辆。
特此通知。
附件:1.第六批符合我市排放标准的汽车摩托车下乡生产企业名单及产品目录
2.更改补充第二批符合我市排放标准的汽车摩托车下乡生产企业名单及产品目录
3.更改补充第五批符合我市排放标准的汽车摩托车下乡生产企业名单及产品目录
二〇一〇年六月二十二日附件1:
第六批符合我市排放标准的汽车摩托车下乡生产企业名单及产品目录
表2 微型客车下乡生产企业及产品目录
附件2:
更改补充第二批符合我市排放标准的汽车摩托车下乡生产企业名单及产品目录
附件3:
更改补充第五批符合我市排放标准的汽车摩托车下乡生产企业名单及产品目录。
国家环境保护总局关于北京汽车摩托车联合制造公司BJ2032Z3C2U1轻型越野汽车等42种车型排放达标的通知
【法规类别】环保综合规定
【发文字号】环函[2002]25号
【发布部门】国家环境保护总局(已撤销)
【发布日期】2002.01.23
【实施日期】2002.01.23
【时效性】现行有效
【效力级别】部门规范性文件
国家环境保护总局关于北京汽车摩托车联合制造公司
BJ2032Z3C2U1轻型越野汽车等42种车型排放达标的通知
(环函[2002]25号)
北京汽车摩托车联合制造公司:
你公司报来的《关于申报环保达标车型目录的申请》(北汽摩质量字[2001]118号)及BJ2032Z3C2U1轻型越野汽车等车型排放达标申报材料收悉。
一、经确认,BJ2032Z3C2U1轻型越野汽车等34种车型(轻型汽油车)符合以下标准:
1、GB 18352.1-2001《轻型汽车污染物排放限值及测量方法(I)》
2、GB 14761.5-93《汽油车怠速污染物排放标准》
达标车型及排放控制装置型号见附件表1。
二、经确认,BJ1021ANE型双排座轻型载货汽车(重型柴油车)等8种车型符合以下标准:
1、GB 17691-2001《车用压燃式发动机排气污染物排放限值及测量方法》
2、GB14761.6-93《柴油车自由加速烟度排放标准》
3、GB14761.7-93《汽车柴油机全负荷烟度排放标准》
达标车型及排放控制装置型号见附件表2。
附件中所列车型的发动机和排放控制系统配置不得擅自改动,如需变更,必须重新申报。
特此通知。
附件:排放达标车型及排放控制装置型号
二00二年一月二十三日
附件:。
附件一:达到国家机动车排放标准第三阶段型式核准排放限值的新机动车型和发动机型(第65批)序号 企 业 名 称 车辆型号名称 型式核准号一、摩托车FXDB Street Bob两轮摩托车CN MT G3 Z2 0C970009-00XL 883L SuperLow两轮摩托车CN MT G3 Z2 0C970006-001 Harley-Davidson Motor CompanyXL 883N Iron 883两轮摩托车CN MT G3 Z2 0C970010-00HJ110-2C两轮摩托车 CN MT G3 Z2 0C110004-012 常州豪爵铃木摩托车有限公司HJ110-2D两轮摩托车 CN MT G3 Z2 0C110005-013 东莞市东阳摩托车有限公司 HG125-5A两轮摩托车 CN MT G3 Z2 05840001-004 光阳工业股份有限公司 G5 150 megafi两轮摩托车 CN MT G3 Z2 08920019-005 广州林叶机电科技有限公司 GB125-11两轮摩托车 CN MT G3 Z2 03090025-006 广州市番禺华南摩托企业集团有限公司FH100T-A两轮摩托车 CN MT G3 Z2 04730019-00MCT125-2A两轮摩托车 CN MT G3 Z2 07850004-00MCT125-3A两轮摩托车 CN MT G3 Z2 07850001-00MCT125-5A两轮摩托车 CN MT G3 Z2 07850003-007 惠州玛骐摩托车有限公司MCT125-6A两轮摩托车 CN MT G3 Z2 07850002-00QM110-4C两轮摩托车 CN MT G3 Z2 08110012-00QM125-7F两轮摩托车 CN MT G3 Z2 08110014-00 8 江门轻骑华南摩托车有限公司QM150-7F两轮摩托车 CN MT G3 Z2 08110013-00—3—序号 企 业 名 称 车辆型号名称 型式核准号GN125-2D两轮摩托车 CN MT G3 Z2 08450009-02GZ150J-A两轮摩托车 CN MT G3 Z2 08450053-00HJ125-16E两轮摩托车 CN MT G3 Z2 08450051-00HJ125T-10E两轮摩托车 CN MT G3 Z2 08450050-009 江门市大长江集团有限公司HJ150-6C两轮摩托车 CN MT G3 Z2 08450052-00UM125T两轮摩托车 CN MT G3 Z2 08450021-00UZ125T-A两轮摩托车 CN MT G3 Z2 08450020-00UZ125T-C两轮摩托车 CN MT G3 Z2 08450054-00BY125T-3A两轮摩托车 CN MT G3 Z2 09180025-00BY125T-6A两轮摩托车 CN MT G3 Z2 09180032-00BY125T-8A两轮摩托车 CN MT G3 Z2 09180029-00BY125T-9A两轮摩托车 CN MT G3 Z2 09180026-00 10 江门市联统华龙摩托车有限公司HL125T-3A两轮摩托车 CN MT G3 Z2 09180027-00HL125T-6A两轮摩托车 CN MT G3 Z2 09180030-00HL125T-8A两轮摩托车 CN MT G3 Z2 09180028-00HL125T-9A两轮摩托车 CN MT G3 Z2 09180031-00HY125-17B两轮摩托车 CN MT G3 Z2 08100002-00HY125-18A两轮摩托车 CN MT G3 Z2 08100003-00HY125-5A两轮摩托车 CN MT G3 Z2 08100001-00HY150-13两轮摩托车 CN MT G3 Z2 08100007-00 11 江门市珠峰摩托车有限公司ZF125-17B两轮摩托车 CN MT G3 Z2 08100004-00ZF125T-11C两轮摩托车 CN MT G3 Z2 08100005-00ZF125T-19A两轮摩托车 CN MT G3 Z2 08100006-00ZF125T-23A两轮摩托车 CN MT G3 Z2 08100008-00ZF150-13两轮摩托车 CN MT G3 Z2 08100009-00—4—序号 企 业 名 称 车辆型号名称 型式核准号12 三友控股集团银友摩托车有限公司SY125T-3A两轮摩托车 CN MT G3 Z2 04740001-00CT150T-2S两轮摩托车 CN MT G3 Z2 05980023-00SQ125T-2S两轮摩托车 CN MT G3 Z2 05980025-00SQ125T-4S两轮摩托车 CN MT G3 Z2 05980027-00SQ125T-5S两轮摩托车 CN MT G3 Z2 05980026-0013 台州市椒江之威摩托车制造有限公司XF150T-2S两轮摩托车 CN MT G3 Z2 05980024-00YB125T-2C两轮摩托车 CN MT G3 Z2 06860002-0014 台州市凯通摩托车制造有限公司YB150T-30C两轮摩托车 CN MT G3 Z2 06860003-00 15 台州市中能摩托车有限公司 ZN150-9S两轮摩托车 CN MT G3 Z2 06150020-00WH125-12两轮摩托车 CN MT G3 Z2 06450026-00WH150J-2两轮摩托车 CN MT G3 Z2 06450025-00WY125-P两轮摩托车 CN MT G3 Z2 06450013-02 16 五羊-本田摩托(广州)有限公司WY125-S两轮摩托车 CN MT G3 Z2 06450017-01HR110-6T两轮摩托车 CN MT G3 Z2 02330076-00 17 增城市奔马实业有限公司SL100T-10两轮摩托车 CN MT G3 Z2 02330077-00BD125T-3V两轮摩托车 CN MT G3 Z2 06890001-00 18 浙江长铃奔健机车有限公司BD125T-CV两轮摩托车 CN MT G3 Z2 06890002-00CF125两轮摩托车 CN MT G3 Z2 05100017-00CF125T-2D两轮摩托车 CN MT G3 Z2 05100016-00CF150-2A两轮摩托车 CN MT G3 Z2 05100015-00 19 浙江春风动力股份有限公司CF250T-8两轮摩托车 CN MT G3 Z2 05100014-00SL125T-2A两轮摩托车 CN MT G3 Z2 04760002-00 20 浙江黄岩三叶集团有限公司SL125T-A两轮摩托车 CN MT G3 Z2 04760003-00 21 浙江嘉爵摩托车制造有限公司 JJ125T-9A两轮摩托车 CN MT G3 Z2 07340010-00—5—序号 企 业 名 称 车辆型号名称 型式核准号JM125T-2A两轮摩托车 CN MT G3 Z2 04800002-00JM125T-2B两轮摩托车 CN MT G3 Z2 04800001-00JM125T-2C两轮摩托车 CN MT G3 Z2 04800003-00JM125T-2D两轮摩托车 CN MT G3 Z2 04800004-00 22 浙江劲野机动车工业有限公司JM125T-2G两轮摩托车 CN MT G3 Z2 04800005-00WB150T-3A两轮摩托车 CN MT G3 Z2 08020004-00WB150T-4A两轮摩托车 CN MT G3 Z2 08020005-00 23 浙江凯凯美多机车有限公司WB150T-8两轮摩托车 CN MT G3 Z2 08020003-0024 中国嘉陵工业股份有限公司(集团)JH150-8两轮摩托车 CN MT G3 Z2 01840021-00ZQ125-3C两轮摩托车 CN MT G3 Z2 07220007-00ZQ125-3D两轮摩托车 CN MT G3 Z2 07220002-00ZQ125-4C两轮摩托车 CN MT G3 Z2 07220005-00ZQ125-D两轮摩托车 CN MT G3 Z2 07220003-00ZQ150-2D两轮摩托车 CN MT G3 Z2 07220008-00ZQ150-3D两轮摩托车 CN MT G3 Z2 07220004-0025 中山国驰摩托车实业有限公司ZQ150-4D两轮摩托车 CN MT G3 Z2 07220006-00CQ110-9E两轮摩托车 CN MT G3 Z2 04390009-02JS200ZH-2正三轮摩托车 CN MT G3 Z2 04390032-00 26 重庆建设摩托车股份有限公司JS250ZH-2正三轮摩托车 CN MT G3 Z2 04390033-00JL110-38两轮摩托车 CN MT G3 Z2 02670044-00 27 重庆隆鑫机车有限公司LX110-37两轮摩托车 CN MT G3 Z2 02670045-00FHL125-27两轮摩托车 CN MT G3 Z2 05250003-00FHL125-27A两轮摩托车 CN MT G3 Z2 05250004-00FHL125-30K两轮摩托车 CN MT G3 Z2 05250006-00 28 重庆马速达机车有限公司FHL150L-24C两轮摩托车 CN MT G3 Z2 05250005-00—6—序号 企 业 名 称 车辆型号名称 型式核准号WJ150-16两轮摩托车 CN MT G3 Z2 04360020-00 29 重庆望江摩托车制造有限公司WJ150G两轮摩托车 CN MT G3 Z2 04360021-00二、轻便摩托车1 光阳工业股份有限公司 MANY 50两轮轻便摩托车 CN QM G3 Z2 08920018-00QM48QT-9B两轮轻便摩托车 CN QM G3 Z2 04410014-002 济南轻骑摩托车股份有限公司QM48QT-9C两轮轻便摩托车 CN QM G3 Z2 04410015-00QM50QT-9两轮轻便摩托车 CN QM G3 Z2 04410013-00三、重型汽油车1 安徽江淮客车有限公司 HK6700Y3客车 CN ZQ G3 Z2 02070071-002 沈阳探矿机械有限公司 STC5083XCT20C静力触探车 CN ZQ G3 Z2 07890002-00—7—。
中华人民共和国交通运输部公告2018年第62号——交通运输部关于公布第1批道路运输车辆达标车型的
公告
文章属性
•【制定机关】交通运输部
•【公布日期】2018.08.06
•【文号】中华人民共和国交通运输部公告2018年第62号
•【施行日期】2018.08.06
•【效力等级】部门规范性文件
•【时效性】现行有效
•【主题分类】道路交通管理
正文
中华人民共和国交通运输部公告
2018年第62号
交通运输部关于公布第1批道路运输车辆达标车型的公告为进一步推进道路运输车辆准入制度改革,更好服务广大车辆生产企业和运输经营者,根据《中华人民共和国道路运输条例》《道路运输车辆燃料消耗量检测和监督管理办法》(交通运输部令2009年第11号)《交通运输部办公厅关于贯彻落实交通运输行业标准<营运客车安全技术条件>(JT/T 1094-2016)的通知》(交办运〔2017〕31号)等有关规定,部决定将道路运输车辆燃料消耗量达标车型与道路运输车辆安全达标车型调整合并为道路运输车辆达标车型实施管理。
现将经过技术审查和公示的第1批道路运输车辆达标车型予以公布。
达标车型均已符合燃料消耗量和安全达标车型要求。
对于属于过渡期管理的安全达标营运货车车型,按照《交通运输部办公厅关于做好交通运输行业标准<营运货车安全技术
条件>(JT/T 1178.1-2018)实施工作的通知》(交办运〔2018〕44号)规定执行。
交通运输部
2018年8月6日附件:道路运输车辆达标车型表(第1批)。
环境保护部公告2012年第62号――关于发布达到国家机动车排放标准的新生产机动车型和发动机型的公告文章属性•【制定机关】环境保护部(已撤销)•【公布日期】2012.10.22•【文号】环境保护部公告2012年第62号•【施行日期】2012.10.22•【效力等级】部门规范性文件•【时效性】现行有效•【主题分类】环境保护综合规定正文环境保护部公告(2012年第62号)关于发布达到国家机动车排放标准的新生产机动车型和发动机型的公告经国务院同意,我部对符合国家环境保护标准的机动车产品进行型式核准。
经审核,现对符合《轻型汽车污染物排放限值及测量方法(中国Ⅲ、Ⅳ阶段)》(GB18352.3-2005)、《车用压燃式、气体燃料点燃式发动机与汽车排气污染物排放限值及测量方法(中国Ⅲ、Ⅳ、Ⅴ阶段)》(GB17691-2005)、《摩托车污染物排放限值及测量方法(工况法,中国第Ⅲ阶段)》(GB14622-2007)第Ⅲ阶段排放限值的第82批、第Ⅳ阶段排放限值的第58批和第Ⅴ阶段排放限值的第13批机动车和发动机生产企业、产品及其污染物控制装置予以公告。
详细内容见机动车环保网:。
附件:1.达到国家机动车排放标准第三阶段型式核准排放限值的新机动车型和发动机型(第82批)2.达到国家机动车排放标准第四阶段型式核准排放限值的新机动车型和发动机型(第58批)(略)3.达到国家机动车排放标准第五阶段型式核准排放限值的新机动车型和发动机型(第13批)4.自由加速排气烟度排放限值5.公告变更环境保护部2012年10月22日附件1达到国家机动车排放标准第三阶段型式核准附件3达到国家机动车排放标准第五阶段型式核准排放限值的新机动车型和发动机型(第13 批)附件4自由加速排气烟度排放限值依据《车用压燃式发动机和压燃式发动机汽车排气烟度排放限值及测量方法》(GB3847-2005),现公布第七十批机动车及发动机的型式核准自由加速排气烟度排放限值及新生产汽车检测、环保生产一致性检查、在用车检查的自由加速排气烟度排放限值。
深圳市人民政府关于发布环保车型推荐性目录有关事
项的通告
文章属性
•【制定机关】深圳市人民政府
•【公布日期】2006.02.11
•【字号】深府[2006]24号
•【施行日期】2006.03.01
•【效力等级】地方规范性文件
•【时效性】现行有效
•【主题分类】环境保护综合规定
正文
深圳市人民政府
关于发布环保车型推荐性目录有关事项的通告
(2006年2月11日深府〔2006〕24号)为减少我市机动车排气污染,进一步改善环境空气质量,根据《中华人民共和国大气污染防治法》及《深圳经济特区机动车排气污染防治条例》的规定,现就发布环保车型推荐性目录的有关事项通告如下:
一、禁止我市汽车销售企业销售或者进口污染物排放超过规定排放标准的机动车。
对经依法抽检,污染物排放超过规定排放标准的,由相关部门责令其停止违法行为,并依法查处。
二、市环境保护部门应当根据国家环保总局《车型型式核准公告》的内容,制定《深圳市符合国家第三阶段排放标准的环保车型推荐性目录》(具体车型可登录查询)。
三、鼓励汽车销售企业销售或进口《环保车型推荐性目录》上的机动车,鼓励市民选购《环保车型推荐性目录》上的机动车。
对不属于《环保车型推荐性目录》上的机动车,有关部门应当依法加强监督检查。
四、本通告自2006年3月1日起施行。
摩托车环保达标核准备案车型公告
(二○○三年第一批)
根据中山市政府《转发市公安局关于〈摩托车报废标准暂行规定〉的实施方案的通知》(中府办[2003]18号)精神,现将符合环保达标车型备案要求,获得核准通过备案的摩托车产品公告如下:
2003年第一批,共13家企业,123种产品。
注:1、在2003年度,我局将共发布4批环保达标摩托车产品公
告。
关于摩托车环保达标备案工作的有关事项,市民及有关单位可电话或上网查询(中山市环保局网址:;工作电话:8871037、8870837;地址,中山市华柏路11号)。
2、依照原国家经贸委有关规定,自2003年6月30日起,废止我局分别在2001年、2002年发布的《关于符合贯标规定准予上牌摩托车车型目录的公告》(第一、二批)。
符合购置新车与入户条件的市民,需依照中山市环境保护局2003年度发布的《摩托车环保达标核准备案车型公告》购买新车办理注册登记。
中山市环境保护局
二○○三年四月二十三日。