机械输送传动装置设计书
- 格式:doc
- 大小:562.50 KB
- 文档页数:22
机械设计基础课程设计计算说明书第一部分设计任务书机械设计课程设计任务书设计题目:输送传动装置的设计传动简图:原始数据:参数输出轴功率P/kW 输出轴转速n (r/min)数据 5.5 70工作条件:轻微振动载荷;单向传动;室内工作。
使用期限:长期使用。
生产批量:成批。
工作机速度(或转速)允许误差:±5%。
设计工作量:1.减速器装配图1张(A0或A1);2.零件工作图:低速轴、大齿轮,共2张。
η2=0.98 η3=0.98 η4=0.95 ηv=0.96 ηa=0.849第二部分选择电动机2.1电动机类型的选择按照工作要求和工况条件,选用三相笼型异步电动机,电压为380V,Y型。
2.2确定传动装置的效率查表得:滚动轴承的效率:η2=0.98闭式圆柱齿轮的效率:η3=0.98开式圆柱齿轮的效率:η4=0.95V带的效率:ηv=0.96总效率ηa=ηv·η23·η3·η4=0.8492.3选择电动机容量工作机所需功率为电动机所需额定功率:输出轴转速:查课程设计手册表选取推荐的合理传动比范围,V带传动比范围为:2~4,一级圆柱齿轮传动比范围为:3~6,开式圆柱齿轮传动比范围为:4~6,因此合理的总传动比范围为:24~144。
电动机转速的可以选择的范围为n d=i a×n w=(24~144)×70=1680~10080r/min。
综合考虑电动机和传动装置的尺寸、价格、重量、和减速器、开式齿轮传动传动比等因素,选定电机型号为:Y132S2-2的三相异步电动机,额定功率P en =7.5kW ,满载转速为n m =2915r/min ,同步转速为n t =3000r/min 。
方案电机型号额定功率(kW)同步转速(r/min) 满载转速(r/min) 1 YE3-Y160L-8 7.5 750 720 2 Y160M-6 7.5 1000 970 3 Y132M-4 7.5 1500 1440 4Y132S2-27.530002900图3-1电机尺寸2.4确定传动装置的总传动比和分配传动比中心高外形尺寸 地脚安装尺寸地脚螺栓孔直径 轴伸尺寸 键部位尺寸 H L ×HDA ×BK D ×E F ×G 132475×315 216×1401238×8010×33i a =41.643 i v =3 i c =4i 1=3.47(1)总传动比的计算由选定的电动机满载转速n m和工作机主动轴转速n w,可以计算出传动装置总传动比为:(2)分配传动装置传动比取普通V带的传动比:i v=3取开式圆柱齿轮传动比:i c=4减速器传动比为2.5动力学参数计算1.电机轴的参数2.高速轴的参数3.低速轴的参数4.工作机轴的参数各轴转速、功率和转矩列于下表轴名称转速n/(r/min)功率P/kW转矩T/(N•m)电机轴2915 6.6821.88高速轴971.67 6.3562.41低速轴280.02 6.1208.04工作机轴70.01 5.74782.99第三部分V带传动的设计1.求计算功率P c由表9-7,查得工作情况系数KA=1.1可得2.选择带型根据P ca=7.35kW,和小带轮转速n1=2915,由图9-8,选用A型。
机械设计基础课程设计设计计算说明书题目:带式输送机传动装置设计 设计者:设计者:___ ________ ___ ________ 学号:号:__ _______ __ _______班 级:级:级: _ __ _ _ __ _ 学 院:院:院:______航空科学与工程学院航空科学与工程学院 指导教师:指导教师:___ ___ _ ___ ___ _ 起止时间:起止时间: 2012.2.24 2012.2.24 2012.2.24~~4.10 成 绩:绩:绩:____________________ ____________________录目 录目录错误!未定义书签。
目 录 (1)1、 课程设计任务课程设计任务 (2)2、 电动机的选择电动机的选择 (3)3、 计算总传动比及分配各级传动比 (4)4、 传动装置的运动和动力参数计算 (4)5、 传动零件之带传动的设计计算传动零件之带传动的设计计算 (6)6、 传动零件之齿轮传动的设计计算 (8)7、 减速器低速轴的设计计算减速器低速轴的设计计算 (13)8、 减速器低速轴的校核 (15)9、 减速器低速轴轴承的选择及校核 (18)10、 低速轴键联接的选择 (19)11、 联轴器的选择联轴器的选择 (19)12、 润滑与密封润滑与密封 (20)13、 减速器箱体及附件选择减速器箱体及附件选择 (21)14、 参考文献参考文献 (22)1、 课程设计任务1.1 1.1 传动装置简图传动装置简图传动装置简图如图所示:传动装置简图如图所示:7F v654321带式输送机传动装置1—电动机—电动机 2—传动带—传动带 3—圆柱齿轮减速器—圆柱齿轮减速器 4—联轴器—联轴器 5—滚筒—滚筒 6—轴承—轴承 7—输送胶带—输送胶带1.2 1.2 已知条件已知条件1) 工作情况:两班工作制,单向连续运转,载荷较平稳。
作情况:两班工作制,单向连续运转,载荷较平稳。
实用机械传动装置设计手册
《实用机械传动装置设计手册》是一本非常实用的工具书,主要供机械传动装置设计者参考使用,也可供大专院校师生从事相关设计时参考。
该手册详细介绍了各种类型的机械传动装置,包括圆柱齿轮传动、锥齿轮传动、蜗杆传动、行星齿轮传动、少齿差行星传动、摆线针轮传动、销齿传动、滚子活齿行星传动、起重机传动、工程机械齿轮传动、齿轮联轴器、谐波齿轮传动、高速齿轮传动、星形齿轮传动、航空齿轮传动、船用齿轮传动、冶金矿山机械齿轮传动、水泥机械齿轮传动、煤矿机械齿轮传动、石油化工机械齿轮传动、铁道机车动车传动、风力发电齿轮传动、点线啮合齿轮传动、螺旋传动、带传动、链传动和摩擦传动等。
此外,手册还介绍了齿轮传动装置的安装与调试,齿轮常用材料及其性能以及润滑与密封等方面的知识。
每一章均有设计要点、技术要求并附有典型结构图和零件图,图文并茂,有很强的实用性。
总的来说,《实用机械传动装置设计手册》是一本非常全面和实用的工具书,对于从事机械设计的人员来说是一本不可或缺的参考资料。
一、设计任务书
带式输送机传动装置课程设计任务书
1.传动装置简图
2.已知条件
1)工作情况:两班工作制,单向连续运转,载荷平稳,输送带水平放置;
2)工作环境:室内,有灰尘,最高环境温度35℃,通风条件一般;
3)动力来源:电力,三相交流,电压380V/220V;
4)工作寿命:8年;
5)检修间隔期:4年一次大修,2年一次中修,半年一次小修;
6)制造条件:一般机械制造厂,小批量生产;
η;取滚筒-输送带效7)齿轮减速器浸油润滑;取大齿轮的搅油效率98
=
.0
搅
η;
率96
.0
=
w
3.设计任务
1)选择电动机型号;
2)选择联轴器类型和规格;
3)设计圆柱齿轮减速器;
4)设计滚筒轴滑动轴承;
5)绘制圆柱齿轮减速器装配工作图;
6)绘制带式输送机总装图;
7)绘制减速器中2~3个零件工作图由教师指定;
8)编写设计计算说明书;
拟定传动方案注意事项:
1.遵循高速级传动比为低速级传动比的到倍;
2.此减速器应老师要求设计成二级传动;
3.斜齿圆柱齿轮较直齿圆柱齿轮传动比高、传动平稳、齿轮尺寸小,应放在二
级减速器的高速级;
4.减速器设计时,为齿轮寿命考虑,应选用闭式传动;
5.设计齿轮时应注意浸油润滑要求:所没尺寸大于一个齿高且小于齿轮直径的
六分之一;
6.因为是两级传动,所以减速器内最少需要三根轴;
7.确定轴的尺寸后,检查齿轮是否与轴干涉;。
机械设计课程设计--设计一带式输送机传动装置带式输送机传动装置,包含带轮、电机、传动机构、减速机等元件,是将物体从一端传送到另一端的运输工具。
一、带轮带轮的材料有橡胶、皮革、金属、塑料等多种。
其中橡胶带轮特别适用于低速、低载荷的应用,具有耐腐蚀、耐温度的优点,不易漏油、防滑,寿命长;而皮革带轮具有耐高温、透气性高、耐磨损的优点,广泛应用在汽车行业及电子行业测试机中;而金属带轮能经受高负荷、大扭矩,可满足高速度高负荷及高速度低负荷的要求;塑料带轮具有耐磨损、抗刮耐磨、轻重量的特点,适用于中低速的传动,具有节能的效果。
二、电机电机是带式输送机传动装置的核心元件,主要用于带式输送机所需的动力输出。
常用的电机有直流电机、交流电机及异步电机等,其中异步电机属高效率电机,具有功率大、开路启动电流小、抗干扰性能强、定子电路接线方便、行程可任意设定等优点,是近几年受到广泛认可的新型电机。
三、传动机构带式输送机传动装置的传动机构通常有滑动型、链式型及皮带式传动机构三种。
滑动型传动机构的特点是能够实现可控制的传动精度及调速范围,广泛应用在微电脑控制的机器人系统中;链式传动机构具有结构简单、装卸方便、承载能力强等特点,是裂变、压接、锻造机械设备的特殊传动;皮带式传动机构具有多段可调,多比例传动、转速大等优点,能够实现转速的连续改变,广泛应用于汽车、电子行业。
四、减速机减速机是带式输送机传动装置的重要组成部分,主要用于将高速的输入,降低到适合输出的倍数速度,多用于将电机高速的输出降到适用于驱动带轮的速度。
常见的减速机主要有齿轮减速机、齿条减速机、蜗杆减速机、摆线针轮减速机及柔性联轴器等。
齿轮减速机效率较高,耐磨性能好,但噪音较大,价格会高些;齿条减速机主要用于箱式结构传动机构,其传动量大,承重能力强;蜗杆减速机有较大的承载能力,适用于短距离的大扭矩传动;摆线针轮减速机属螺旋传动,承载能力较差,但整机噪音低,安全可靠;柔性联轴器能够实现输入转轴与输出轴的旋转同步,减少回转摆动的影响,属于特种传动装置。
机械设计课程设计—斗式提升机传动装置设计报告书斗式提升机是一种常见的物料输送设备,主要用于垂直提升和输送颗粒状、块状以及粉状的物料。
机械设计课程设计之一是对斗式提升机传动装置进行设计,以下是斗式提升机传动装置设计报告书。
一、设计背景及要求斗式提升机传动装置是斗式提升机的核心部分,用于传输动力,控制斗机的上升和下降。
传动装置设计需要考虑以下要求:1.传动装置应具有足够的传动力和传动效率,以保证斗机正常工作;2.传动装置应具有一定的能耗,并且具有较低的噪音和振动;3.传动装置应具有一定的安全性和可靠性,以防止事故发生。
二、传动装置设计方案根据斗式提升机的工作特点和要求,设计了以下传动装置方案:1.电动机驱动方案:选用功率适中的电动机作为传动源,通过轴承和联轴器与主轴连接,传递动力;2.齿轮传动方案:通过选用合适的齿轮传动组合,实现有效的传动效果和传动力;3.隔离装置方案:设置隔离装置,降低传动装置的噪音和振动,提高工作稳定性;4.紧固件和连接件选择:选用高强度的紧固件和连接件,确保传动装置的可靠性和安全性。
三、传动装置设计计算与分析1.电动机选型计算:根据斗式提升机的工作参数和要求,进行电动机选型计算,确定所需的功率、转速和额定电流;2.齿轮传动计算:根据功率传递需求和工作条件,进行齿轮传动的模块计算和齿轮轮廓设计,确保传动效果和强度满足要求;3.隔离装置设计:根据传动装置的噪音和振动控制要求,设计隔离装置,如弹簧隔离器、减震垫等;4.紧固件和连接件设计:根据传动装置的工作负载和安全要求,选择适当的紧固件和连接件,并进行强度计算。
四、传动装置制造和安装根据设计方案和计算结果,进行传动装置的制造和安装,包括以下步骤:1.零部件加工:根据齿轮传动设计和隔离装置设计,进行各个零部件的加工,如齿轮、轴承座、隔离器等;2.组件装配:将各个零部件进行装配,包括电动机、齿轮、轴承等的安装;3.调试与测试:对传动装置进行调试和测试,确保其运转正常、噪音和振动合理;4.安装与调整:将传动装置安装到斗式提升机上,并进行调整和校正,以使传动装置与斗机协调配合。
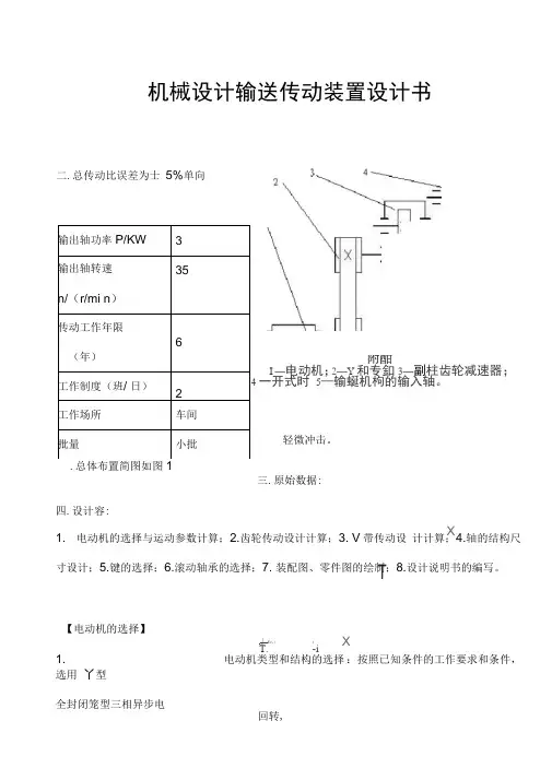
二.总传动比误差为士 5%单向输出轴功率P/KW 3 输出轴转速n/(r/mi n )35传动工作年限(年)6工作制度(班/ 日) 2工作场所 车间 批量小批附酣I —电动机;2—Y 和专釦3—副柱齿轮减速器;4 一开式时 5—输蜒机枸的输入轴。
轻微冲击。
机械设计输送传动装置设计书.总体布置简图如图1三.原始数据:四.设计容:1. 电动机的选择与运动参数计算;2.齿轮传动设计计算;3. V 带传动设 计计算;4.轴的结构尺寸设计;5.键的选择;6.滚动轴承的选择;7. 装配图、零件图的绘制;8.设计说明书的编写。
【电动机的选择】1.电动机类型和结构的选择 :按照已知条件的工作要求和条件,选用 丫型全封闭笼型三相异步电回转,XTI.」EV- ili-iX动机2. 电动机容量的选择:工作机所需功率:Pw= 3kW电动机的输出功率:Pd= Pw/n,n〜0.82 , Pd= 3.66kW电动机转速的选择:nw=35r/min , V带传动比i1=2 —4,单级齿轮传动比i2=3 —5 (查表2.3 )nd =(i1 x i2 x i2 )nw。
电动机转速围为630—3500r/min3. 电动机型号确定:由附录八查出符合条件的电动机型号,并根据轮廓尺寸、重量、成本、传动比等因素的考虑,最后确定选定Y112M—4型号的电动机,额度功率为4KV Y满载转速1440r/mi n【计算总传动比和分配传动比】1 .由选定电动机的满载转速nm和输出轴转速nw,总传动比为i=nm/nw,得i=41.142. 合理分配各级传动比:V带传动比i仁3,闭合齿轮传动比i2=3.5,开式齿轮传动比i3=3.923. 运动和动力参数计算结果列于下表:【传动件设计计算】减速器齿轮设计:1.按表11.8选择齿轮材料小齿轮材料为45钢调质,硬度为220— 250HBS大齿轮材料为45钢正火,硬度为170-210HBS2 .因为是普通减速器,由表11.20选用9级精度,要求齿面粗糙度Ra=6.3 3.按齿面接触疲劳强度设计确定有关参数与系数:转矩:T=69154 N - mm查表11.10得:载荷系数K= 1.1选小齿轮齿数Z1= 30,则大齿轮齿数Z2= iZ仁3.5 X 30=105实际齿数比u=3.5因单级直齿圆柱齿轮为对称布置,又为软齿面,由表11.19选取© d (齿宽系数)=14 .许应接触应力[(T H]:由图11.23 查得(T Hlim1 = 560MPa ° Hlim2 = 530MPa由表11.19查得Sh=1。
机械设计课程设计—链式输送机传动装置的设计一、引言链式输送机是一种常见的物料输送设备,广泛应用于工矿企业的生产流程中。
它具有结构简单、运行稳定、传动效率高等特点,因此在物料输送领域得到了广泛的应用。
本文通过对链式输送机传动装置的设计,旨在提高设备的运行效率和输送能力,使其能够更好地适应不同场合的工作要求。
二、链式输送机传动装置的组成链式输送机传动装置主要由电机、减速器和链条组成。
其中,电机提供动力,减速器通过降低电机的转速使输送机保持合适的运行速度,链条作为传力元件将动力传递给输送机。
三、电机的选择电机是链式输送机传动装置的动力源,因此选择适合的电机对设备的运行效率和输送能力至关重要。
工作要求等因素。
一般来说,链式输送机负载较大,需要选择功率较大的电机。
同时,由于工作环境一般较恶劣,电机需要具备一定的防护等级,以保证设备的可靠运行。
四、减速器的选择减速器是链式输送机传动装置中的重要组成部分,它通过降低电机的转速,将合适的转矩传递给链条,从而使输送机保持合适的运行速度。
在选择减速器时,需要考虑设备的负载特性、速度比和工作环境等因素。
一般来说,链式输送机负载较大,需要选择承载能力较高的减速器。
同时,由于工作环境一般较恶劣,减速器需要具备良好的密封性能和耐磨性能,以保证设备的长期运行。
五、链条的选择链条是链式输送机传动装置的传力元件,它将电机和减速器的动力传递给输送机。
因此,选择合适的链条对设备的运行效率和输送能力至关重要。
送物料的性质等因素。
一般来说,链式输送机负载较大,需要选择承载能力较高的链条。
同时,由于工作环境一般较恶劣,链条需要具备良好的耐磨性和耐腐蚀性,以保证设备的长期运行。
六、传动装置的总体设计在进行传动装置的总体设计时,需要综合考虑电机、减速器和链条的选择,并合理安排它们的布局和传动比。
同时,还需要考虑设备的安全性和可维护性等因素。
总体设计应遵循以下原则:1.传动装置应具有合理的传动比,以保证输送机的运行速度和输送能力;2.传动装置的布局应合理,以保证电机、减速器和链条的安装和维护便捷;3.传动装置应具备良好的密封性能和防护性能,以保证设备的可靠运行;4.传动装置应具备良好的耐磨性和耐腐蚀性,以保证设备的长期运行;5.传动装置应具备良好的安全性能,以防止事故的发生。
机械课程设计说明书设计题日:带式输送机传动装置姓名:学号:专业:机械设计制造及其自动化完成日期:机械课程设计说明书、前言(一)设计任务设计一带式输送机用单级圆柱齿轮减速器。
已知运输带输送拉力F=2.6KN ,带速V=1.45m/s,传动滚筒直径D=420mm (滚筒效率为0.96)。
电动机驱动,预定使用寿命8年(每年工作300天),工作为二班工作制,载荷轻,带式输送机工作平稳。
工作环境:室内灰尘较大,环境最高温度35°动力来源:电力,相交流380/220伏。
图1带式输送机的传动装置简图1、电动机;2、三角带传动;3、减速器;4、联轴器;5、传动滚筒;6、皮带运输机表1 常用机械传动效率机械传动类型传动效率n圆柱齿轮传动闭式传动0.96 —0.98 (7-9级精度)开式传动0.94 —0.96圆锥齿轮传动闭式传动0.94 —0.97 (7-8级精度)开式传动0.92 —0.95带传动平型带传动0.95 —0.98V型带传动0.94 —0.97滚动轴承(一对)0.98 —0.995联轴器0.99-0.995\传动类型选用指标平型带三角带齿轮传动功率(KW小(20)中(W 100)大(最大可达50000)■I"(二)设计目的《机械设计》课程是一门技术基础课,目的在于培养学生的机械设计能力。
课程设计是《机械设计》课程最后一个重要的实践性教学环节,也是机械类及近机械类专业学生第一次较为全面的机械设计训练。
本课程设计的主要目的是:1 •培养学生利用所学知识,解决工程实际问题的能力;2 •培养学生掌握一般机械传动装置、机械零件的设计方法及设计步骤;3•达到对学生进行基本技能的训练,例如:计算、绘图、熟悉和运用设计资料(手册、标准、图册和规范等)的能力。
(三)传动方案的分析机器一般是由原动机、传动装置和工作装置组成。
传动装置是用来传递原动机的运动和动力、变换其运动形式以满足工作装置的需要,是机器的重要组成部分。
《机械设计》课程设计设计题目:链式输送机传动装置的设计内装:1. 设计计算说明书一份2. 减速器装配图一张(A1)3. 轴零件图一张(A2)4. 齿轮零件图一张(A2)材控系 08-4 班级设计者:魏明炜指导老师:张晓辉完成日期: 2010年12月18日成绩:_________________________________河南理工大学课程设计任务书带式输送机传动装置的设计摘要:齿轮传动是应用极为广泛和特别重要的一种机械传动形式,它可以用来在空间的任意轴之间传递运动和动力,目前齿轮传动装置正逐步向小型化,高速化,低噪声,高可靠性和硬齿面技术方向发展,齿轮传动具有传动平稳可靠,传动效率高(一般可以达到94%以上,精度较高的圆柱齿轮副可以达到99%),传递功率范围广(可以从仪表中齿轮微小功率的传动到大型动力机械几万千瓦功率的传动)速度范围广(齿轮的圆周速度可以从0.1ms到200ms或更高,转速可以从1rmin到20000rmin或更高),结构紧凑,维护方便等优点。
因此,它在各种机械设备和仪器仪表中被广泛使用。
本文设计的就是一种典型的一级圆柱直齿轮减速器的传动装置。
其中小齿轮材料为40Cr(调质),硬度约为240HBS,大齿轮材料为45钢(调质),硬度约为215HBS,齿轮精度等级为8级。
轴、轴承、键均选用钢质材料。
关键词:减速器、齿轮、轴、轴承、键、联轴器目录机械设计课程设计计算说明书1.一、课程设计任务书 (1)二、摘要和关键词 (2)2.一、传动方案拟定 (3)各部件选择、设计计算、校核二、电动机选择 (3)三、计算总传动比及分配各级的传动比 (4)四、运动参数及动力参数计算 (6)五、传动零件的设计计算 (7)六、轴的设计计算 (10)七、滚动轴承的选择及校核计算 (12)八、键联接的选择及校核计算 (13)九、箱体设计 (14)《机械设计》课程设计设计题目:带式输送机传动装置的设计内装:1. 设计计算说明书一份2. 减速器装配图一张(A)3. 轴零件图一张(A)4. 齿轮零件图一张(A)系班级设计者:指导老师:完成日期:成绩:_________________________________由附录九选取电动机额定功率P=3KW3、确定电动机转速:计算滚筒工作转速:n筒=60×1000VπD=60×1000×0.8π×125=122.3rmin按表3-1推荐的传动比合理范围,取圆柱齿轮传动一级减速器传动比范围I’a =3~6。
机械设计课程练习计算说明设计题目:带式输送机传动装置的设计目录一,..........总体方案设计.. (2)二,设计要求 (2)三。
设计步骤 (2)1.传动装置总体设计方案:...........,. (2)2.电机的选择 (3)3.计算传动装置的传动比,确定各轴的参数...四4.齿轮设计 (6)5.滚动轴承和传动轴的设计 (8)附件:两个轴的装配示意图 (16)6.键连接设计 (18)7.箱体结构设计 (19)8.润滑密封设计 (20)四。
设计总结 (20)参考 (21)一、总体方案设计课程设计主题:带式输送机传动装置的设计(示意图如下)1-传送带双滚筒3-耦合4-减速器五V带传动6电机1.设计条件:1)该机器用于通过传送带输送物料,如沙、砖、煤、粮食等。
2)工作条件:单次运输,负载轻微振动,环境温度不超过40℃;3)运动要求输送带运动速度误差不超过7%;4)使用寿命10年,一年365天,每天8小时;5)保养周期小修一年,大修三年;6)工厂型中小型机械厂;7)生产批量、单件和小批量生产;2.原始数据:用输送工作张力F/KN 皮带工作速度v/(米/秒) 卷直径D/毫米八 2.2 220二、设计要求1.减速器装配图1(三视图,图纸A1);2.零件图2 (A3图,高速轴和低速齿轮);(来自选项)3.1份设计和计算说明(约30页)。
三。
设计步骤1.传动装置总体设计方案1)外部传动机构为v带传动。
2)减速器为一级膨胀圆柱齿轮减速器。
3)方案示意图如下:1-传送带;双滚筒;3-耦合; 4-减速器;5-V 带传动;6电机4)方案优缺点:工作机振动轻微,由于V 带具有缓冲和吸振能力,V 带传动可以减少振动的冲击,工作机功率小,负载变化小,可以采用V 带的简单结构,价格便宜,标准化程度高,成本大大降低。
减速器一级圆柱齿轮的一部分减速,是一级减速器中应用最广泛的一种。
原动机是Y 系列三相交流异步电动机。
总的来说,该传动方案满足工作机的性能要求,适应工况,工作可靠,结构简单,尺寸紧凑,成本低,传动效率高。
机械课程设计(螺旋输送机传动装置)xiugai
螺旋输送机传动装置是一种常见的物料输送机构,它性能稳定,耐用,可用于长距离
输送物体,用于传输散粒物料、薄片状材料、高温物料及液体等。
螺旋输送机传动装置由
主机及附件组成,分为传动部分和支撑部分。
传动部分包括电机、减速器、联轴器和螺旋。
电机通过减速器和联轴器及螺旋轴直接
带动螺旋轴转动,从而使螺旋20轴运动。
电机的功率及转速可根据物料的性质和螺旋输
送机的性能选定,对应的是螺旋半径、螺距、轴间距以及其他参数。
支撑部分主要有螺旋轴、端壳体、支承、封口板和调节装置。
螺旋轴需使用高强度优
质钢制造,保证螺旋轴转动结构及精度,经过热处理后,可以提高轴管的抗腐蚀性能及耐
磨性能,端壳体连接轴口密封,把螺旋轴和支承等组件封在一起。
支承位于于框架的两端,用于承受输送装置的负荷,有轴承支承和滚动支承等。
调节装置通过螺距、半径和轴间距
进行调节,以此调节螺旋输送机的输送量。
此外,螺旋输送机传动装置还需要考虑安全措施,建议在螺旋输送机入口处安装安全
弹簧或安全罩,该安全弹簧或安全罩直接接触物料,可有效避免物料进入螺旋输送机时发
生安全事故。
综上,螺旋输送机传动装置是一种常见的物料输送机构,由传动部分和支撑部分组成,例如电机、减速器、联轴器、螺旋轴、端壳体、支承、封口板等。
在输送机设计时,还需
考虑安全性,如安装安全弹簧或安全罩等,使物料输送工作更加安全可靠。
带式运输机传动装置设计说明书1. 引言本文档为带式运输机的传动装置设计说明书,旨在详细描述带式运输机传动装置的设计原理、参数选取和计算等内容。
带式运输机是一种用于物料输送的机械设备,传动装置作为核心组成部分之一,对其性能和可靠性有着重要影响。
通过本文档的阅读和理解,读者将了解到带式运输机传动装置的设计过程,以及对应的设计指导。
2. 设计原理带式运输机传动装置的设计原理基于传动轴和传动带的运动方式。
传动装置通过驱动轴传递动力给传动带,从而实现物料的输送。
设计原理包括以下几个方面的考虑:1.动力传递方式:传动装置可以采用电动机、液压马达或者内燃机等形式作为动力源,其中电动机是最常见的选择;2.传动装置的布局:传动装置的布局应考虑到整体设计的紧凑性和结构的稳定性,以保证传动装置的正常运行;3.传动装置的传动方式:传动装置可以采用齿轮传动、链条传动或者带传动等方式,根据实际需要选择合适的传动方式。
3. 参数选取和计算带式运输机传动装置的参数选取和计算是设计过程中的重要环节。
以下是几个关键参数的选取和计算方法的简要说明:3.1 动力计算动力计算是确定传动装置所需动力的重要步骤。
根据实际物料输送需求和传动装置的效率,可以计算出传动装置所需的最小动力。
动力计算公式如下:$$P = \\frac{Q \\cdot H}{η \\cdot 1000}$$其中,P为传动装置所需动力(单位:千瓦),Q为物料输送量(单位:吨/小时),H为提升高度(单位:米),η为传动装置效率(取值范围为0到1之间)。
3.2 速度计算速度计算是确定传动装置所需转速的重要步骤。
根据物料输送的要求和传动装置的传动比例,可以计算出传动装置所需的转速。
速度计算公式如下:$$N = \\frac{V}{\\pi \\cdot D}$$其中,N为传动装置所需转速(单位:转/分钟),V为物料输送速度(单位:米/秒),D为传动装置圆盘的直径(单位:米)。
机械设计基础课程设计计算说明书设计题目带式运输机上的单级圆柱齿轮减速器系机械系专业材料成型及控制工程班级 15-1设计者孙新凯指导教师06 月 12 日目录一、设计任务书 0二、带式运输送机传动装置设计 (1)三、普通V带传动的设计 (4)四、斜齿圆柱齿轮传动设计 (6)五、滚动轴承和传动轴的设计 (10)六、轴键的设计 (18)七、联轴器的设计 (18)八、润滑和密封 (19)九、设计小结 (20)十、参考资料 (20)一.设计任务书一.设计题目设计带式输送机传动装置。
二.工作条件及设计要求1.工作条件: 两班制, 连续单项运转, 载荷较平稳室内工作, 有粉尘, 环境最高温度35℃;2.使用折旧期: 8年;3.检查间隔期: 四年一次大修, 两年一次中修,半年一次小修;4.动力来源: 电力, 三相交流, 电压380/220V5. 运输带速允许误差为 5%。
6.制造条件及批量生产: 一般机械厂制造, 小批量生产。
三.原始数据第二组选用原始数据: 运输带工作拉力F=2200N 运输带工作速度V=1.1m/s 卷筒直径D=240mm四.设计任务1.完成传动装置的结构设计。
2.完成减速器装备草图一张( A1) 。
3.完成设计说明书一份。
二.带式运输送机传动装置设计电动机的选择1.电动机类型的选择: 按已知的工作要求和条件, 选用Y型全封闭笼型三相异步电动机 2.电动机功率的选择:E P =Fv/1000=2200*1.1/1000=2.42kw3.确定电动机的转速: 卷筒工作的转速Wn=60*1000/(π*D)=60*1000*1.1/(3.14*240)=87.58r/min4.初步估算传动比: 由《机械设计基础》表14-2, 单级圆柱齿轮减速器传动比=6~20电动机转速的可选范围; d n =i ∑· vw n =(6~20)87.58=(525.48~1751.6) r/min因为根据带式运输机的工作要求可知, 电动机选1000r/min 或1500r/min 的比较合适。
机械设计课程设计计算说明书题目带式输送机传动装置指导教师院系机电学院班级学号姓名完成时间目录一、设计任务 (3)二、传动方案拟定 (4)三、电动机的选择 (5)四、计算总传动比及分配各级的传动比 (6)五、运动参数及动力参数计算 (7)六、传动零件的设计计算 (8)七、轴的设计计算 (16)八、滚动轴承的选择及校核计算 (26)九、键联接的选择及计算 (28)十、联轴器的选择 (29)十一、润滑与密封 (29)十二、参考文献 (30)十三、附录(零件及装配图) (30)一、设计任务1、带式输送机的原始数据2、工作条件与技术要求 1)输送带速度允许误差为:±5%; 2)输送效率r:0.96;3)工作情况:两班制,连续单向运转,载荷较平稳; 4)工作年限:8年;5)工作环境:室内,灰尘较大,环境最高温度35℃; 6)动力来源:电力,三相交流,电压380V ,7)检修年限:四年一大修,两年一中修,半年一小修; 8)制造条件及生产批量:一般机械厂制造,小批量生产。
3、设计任务量: 1) 减速器装配图一张(A0);2) 零件工作图(包括齿轮、轴的A3图纸); 3)设计说明书一份。
、结构特点:)外传动机构为带传动;)减速器为一级齿轮传动。
、结构特点:轮高速级大齿轮的结构草图如上图。
(其他齿轮结构类似,参数如上,结构草略)(四)轴的校核这里以中间轴为例1)轴的力学模型的建立二)计算轴上的作用力 齿轮2:F t 2=Ft 1=dT 112=036.70890002⨯=2541.55N ;,径向载荷F r根据轴的分析,可知:A点总支反力F r1=F RA=4949.000795N. 点总支反力F r2=F RB=4119.456918N。
,轴向载荷F aF F F。
目录设计任务书 (2)第一部分传动装置总体设计 (4)第二部分V带设计 (6)第三部分各齿轮的设计计算 (9)第四部分轴的设计 (13)第五部分校核 (19)第六部分主要尺寸及数据 (21)设计任务书一、课程设计题目:设计带式运输机传动装置(简图如下)原始数据:工作条件:连续单向运转,工作时有轻微振动,使用期限为10年,小批量生产,单班制工作(8小时天)。
运输速度允许误差为%。
5二、课程设计内容1)传动装置的总体设计。
2)传动件及支承的设计计算。
3)减速器装配图及零件工作图。
4)设计计算说明书编写。
每个学生应完成:1)部件装配图一张(A1)。
2)零件工作图两张(A3)3)设计说明书一份(6000~8000字)。
本组设计数据:第三组数据:运输机工作轴转矩T(N.m) 690 。
运输机带速V(ms) 0.8 。
卷筒直径Dmm 320 。
已给方案:外传动机构为V带传动。
减速器为两级展开式圆柱齿轮减速器。
第一部分传动装置总体设计一、传动方案(已给定)1)外传动为V带传动。
2)减速器为两级展开式圆柱齿轮减速器。
3)方案简图如下:二、该方案的优缺点:该工作机有轻微振动,由于V带有缓冲吸振能力,采用V带传动能减小振动带来的影响,并且该工作机属于小功率、载荷变化不大,可以采用V带这种简单的结构,并且价格便宜,标准化程度高,大幅降低了成本。
减速器部分两级展开式圆柱齿轮减速,这是两级减速器中应用最广泛的一种。
齿轮相对于轴承不对称,要求轴具有较大的刚度。
高速级齿轮常布置在远离扭矩输入端的一边,以减小因弯曲变形所引起的载荷沿齿宽分布不均现象。
原动机部分为Y系列三相交流异步电动机。
总体来讲,该传动方案满足工作机的性能要求,适应工作条件、工作可靠,此外还结构简单、尺寸紧凑、成本低传动效率高。
额定转矩(m N ⋅) 2.0 最大转矩(m N ⋅)2.0Y132M1-6电动机的外型尺寸(mm ): (见课设表19-3A :216 B :178 C :89 D :38 E :80 F :10 G :33 H :132 K :12 AB :280 AC :270 AD :210 HD 315 BB :238 L :235四、传动装置总体传动比的确定及各级传动比的分配1、总传动比:i a (见课设式2-6)2048960===nnima2、各级传动比分配: (见课设式2-7)ii i i a321⋅⋅=5.207.362.220⨯⨯==ia初定 62.21=i 07.32=i5.23=i第二部分 V 带设计外传动带选为 普通V 带传动 1、确定计算功率:P ca1)、由表5-9查得工作情况系数 1.1=KA2)、由式5-23(机设) k K PwA caP 65.55.51.1=⨯=⋅= 2、选择V 带型号查图5-12a(机设)选A 型V 带。
机械输送传动装置设计书【设计任务书】题目:设计输送传动装置一.总体布置简图 如图1二.总传动比误差为±5%,单向回转, 轻微冲击。
三.原始数据:四.设计内容:1. 电动机的选择与运动参数计算;2. 齿轮传动设计计算;3. V 带传动设计计算;4. 轴的结构尺寸设计;5. 键的选择;6. 滚动轴承的选择;7. 装配图、零件图的绘制;8. 设计说明书的编写。
【电动机的选择】1.电动机类型和结构的选择 :按照已知条件的工作要求和条件,选用Y 型输出轴功率P/KW 3输出轴转速n/(r/min)35传动工作年限(年)6工作制度(班/日) 2工作场所车间 批量 小批全封闭笼型三相异步电动机。
2.电动机容量的选择:工作机所需功率:Pw=3kW电动机的输出功率:Pd=Pw/η,η≈0.82,Pd=3.66kW电动机转速的选择:nw=35r/min,V带传动比i1=2—4,单级齿轮传动比i2=3—5(查表2.3)nd=(i1×i2×i2)nw。
电动机转速范围为630—3500r/min3.电动机型号确定:由附录八查出符合条件的电动机型号,并根据轮廓尺寸、重量、成本、传动比等因素的考虑,最后确定选定Y112M—4型号的电动机,额度功率为4KW,满载转速1440r/min【计算总传动比和分配传动比】1.由选定电动机的满载转速nm和输出轴转速nw,总传动比为i=nm/nw,得i=41.142.合理分配各级传动比:V带传动比i1=3,闭合齿轮传动比i2=3.5,开式齿轮传动比i3=3.923.运动和动力参数计算结果列于下表:【传动件设计计算】减速器齿轮设计:1.按表11.8选择齿轮材料小齿轮材料为45钢调质,硬度为220—250HBS大齿轮材料为45钢正火,硬度为170—210HBS2.因为是普通减速器,由表11.20选用9级精度,要求齿面粗糙度Ra=6.3 3.按齿面接触疲劳强度设计确定有关参数与系数:转矩:T=69154 N·mm查表11.10得:载荷系数K=1.1选小齿轮齿数Z1=30,则大齿轮齿数Z2=iZ1=3.5×30=105。
实际齿数比u=3.5因单级直齿圆柱齿轮为对称布置,又为软齿面,由表11.19选取φd(齿宽系数)=14.许应接触应力[σH]:由图11.23查得σHlim1=560MPa σHlim2=530MPa由表11.19查得 Sh=1。
N1=60·n1·j·Lh=60×480×1×(6×52×80)=7.2×10e8 N2=N1/i=7.2×10e8/3.5=2.05×10e8由表11.26查得 Zn1=1 Zn2=1.05计算接触疲劳许用应力:[σH]1=Zn1·σHlim1/Sh=560MPa[σH]2=Zn2·σHlim2/Sh=557MPa试算小齿轮分度圆直径,确定模数:d1≥ 76.43׳√KT1(μ+1)/φdμ[σH]e2=51.82mmm=d1/z1=1.73mm 由表11.3取标准模数 m=2mm5.主要尺寸计算:分度圆直径 d1=mz1=2×30=60mm d2=mz2=2×105=210mm齿宽b=φdd1=1×60=60mm 取b2=60mm 则b1=b2+5=65mm中心距a=0.5×m(Z1+Z2)=135mm6.按齿根弯曲疲劳强度校核:由式(11.12)得出,如σF≤[σF],则校核合格。
确定有关系数和参数:齿形系数YF,查表11.12得 YF1=2.54 YF2=2.14应力学整系数Ys,查表11.13得 Ys1=1.63 Ys2=1.88许应弯曲应力[σF]由图11.24查得σFlim1=210Mpa σFlim2=190Mpa由表11.9查得 SF=1.3由图11.25查得 YNI=YN2=1由式(11.16)可得[σF]1=YNI·σFlim/SF=162Mpa [σF]2=YNI·σFlim/SF=146MPa 故计算出σF1=21Mpa<[σF]1 σF2=20Mpa<[σF]2 齿根弯曲疲劳强度校核合格。
7.验算齿轮的圆周速度:V=π·d1·n1/(60×1000)=1.5m/s 由表11.21可知,选9级精度合适8.几何尺寸计算及绘制齿轮零件工作图:以大齿轮为例,齿轮的直顶圆直径为:da2=d2+2ha=214mm,由于200<da2<500之间,所以采用腹板式结构。
齿轮零件工作图略。
开式齿轮设计:1.按表11.8选择齿轮材料小齿轮选用40Cr合金钢表面淬火,硬度为48—55HRS大齿轮选用40Cr合金钢调质,硬度为240—260HBS2.由表11.20选用9级精度,要求齿面粗糙度Ra=6.33.按齿面接触强度设计确定有关参数与系数:转矩:T=230000N·mm查表11.10得载荷系数K=1.1选小齿轮齿数Z1=20,则大齿轮齿数Z2=iZ1=3.92×20=78.4,圆整数78。
实际齿数比u=3.9,误差为0.5%<±5%因单级直齿圆柱齿轮为不对称布置,又为硬齿面,由表11.19选取φd(齿宽系数)=0.54.许应接触应力[σH]:由图11.23查得σHlim1=800MPa σHlim2=720MPa由表11.19查得 Sh=1.1N1=60·n1·j·Lh=60×137×1×(6×52×80)=2.05×10e8 N2=N1/i=2.05×10e8/3.9=5.26×10e7由表11.26查得 Zn1=1.11 Zn2=1.25计算接触疲劳许用应力:[σH]1=Zn1·σHlim1/Sh=807MPa[σH]2=Zn2·σHlim2/Sh=818MPa试算小齿轮分度圆直径,确定模数:d1≥ 76.43׳√KT1(μ+1)/φdμ[σH]e2=75.82mmm=d1/z1=3.791mm 由表11.3取标准模数 m=4mm5.主要尺寸计算:分度圆直径 d1=mz1=4×20=80mm d2=mz2=4×78=312mm齿宽b=φdd1=0.5×80=40mm 取b2=40mm 则b1=b2+5=45mm中心距a=0.5×m(Z1+Z2)=196mm6.按齿根弯曲疲劳强度校核:由式(11.12)得出,如σF≤[σF],则校核合格。
确定有关系数和参数:齿形系数YF,查表11.12得 YF1=2.81 YF2=2.25应力学整系数Ys,查表11.13得 Ys1=1.56 Ys2=1.77许应弯曲应力[σF]由图11.24查得σFlim1=720Mpa σFlim2=250Mpa由表11.9查得 SF=1.5由图11.25查得 YNI=YN2=1由式(11.16)可得[σF]1=YNI·σFlim/SF=480Mpa [σF]2=YNI·σFlim/SF=167MPa 故计算出σF1=173Mpa<[σF]1 σF2=157Mpa<[σF]2 齿根弯曲疲劳强度校核合格。
7.验算齿轮的圆周速度:V=π·d1·n1/(60×1000)=0.57m/s 由表11.21可知,选9级精度合适8.几何尺寸计算及绘制齿轮零件工作图:以大齿轮为例,齿轮的直顶圆直径为:da2=d2+2ha=320mm,由于200<da2<500之间,所以采用腹板式结构。
齿轮零件工作图略。
【V带传动设计】1.确定功率Pc:查表9.21得 Ka(工作情况系数)=1.1 Pc=Ka٠p=4.4KW。
2.选取普通V带型号:根据Pa=4.4Kw,n1=1440r/min,由图9.13选用A型普通V带。
3.确定带轮基准直径:根据表9.6和图9.13选取:dd1=100mm>dmin=90mm大带轮基准直径为 dd2=(n1/n2)dd1=270mm,按表9.3选取标准直值dd2=265mm实际n2转速489.8r/min,误差相对率2%,总误差<±5%允许。
4.验算带速V:V=π·d1·n1/(60×1000)=6.78m/s,带速在5-25m/s范围内。
5.确定带的基准长度Ld和实际中心距a:初定中心距a0=1200mm,则Ld0:Ld0=2a0+π(dd1+dd2)/2+(dd2-dd1)²/4a0=2963.38mm查表9.4取基准长度Ld=2800mm实际中心距a为a≈a0+(ld-Ld0)/2=1118.31mm中心距变动范围为amin=a-0.015Ld=1076mm amax=a+0.03Ld=1202mm6.验算小带轮的包角:a1=180º-57.3º(dd2-dd1)/a=171º>120º,合格。
7.确定V带根数z:确定有关系数和参数根据dd1=90mm,n=1440r/min,查表9.9,得P0=1.07Kw由表9.18查得Ka=0.001275根据传动比i=2.94,查表9.19得Ki=1.1373,则△P0=Kb·n·(1-1/Ki)=0.18Kw由表9.4查得带长度修正系数KL=1.11,由图9.12查得包角系数Ka=0.98 得z≥Pc/(P0+△P0)KaKL=3.24,圆整得z=48.求单根V带初拉力:由表9.6查得A型普通V带的每米长质量q=0.10Kg/m得F0=(500Pc/ZV)·(2.5/Ka-1)+qv²=46.78N.9.计算带轮轴上所受的压力Fσ=2·F0·z·sin(a1/2)=373.08N10.带轮结构设计略11.设计结果:选用4根A—2800 GB/T 13575.1—92 V带,中心距a=1118mm,小带轮直径90mm,大带轮直径265mm,轴上压力Fσ=373.08N【轴的设计计算】Ⅰ轴的设计1.选择轴的材料,确定许用应力:由已知条件可知此减速器传递的功率属于中小功率,对材料无特殊要求,故选用45钢并经调质处理。
由表16.1查得强度极限σB=637Mpa,再由表16.3查得许用弯曲应力[σ-1b]=60Mpa2.按钮转强度估算轴径(最小直径)查表16.2得 C=118—107得 d≥C³√p/n=(107—118)·³√3.48/480=20.7—22.8mm。