桥梁涂装技术交底
- 格式:doc
- 大小:58.00 KB
- 文档页数:4
技术交底记录
编号
施工部位制定施工方法。
(1)、边防撞护栏外侧面、桥梁下部翼板、腹板、底板面涂装全部采用登高作业车施工;见图3.2-2登高车涂装图。
图3.2-2 登高车涂装图
(2)、接地段3-4米高桥梁下部部分、隧道涂装涂装采用组合式可移动、固定支架施工;见图3.2-3支架涂装图。
图3.2-3支架涂装图
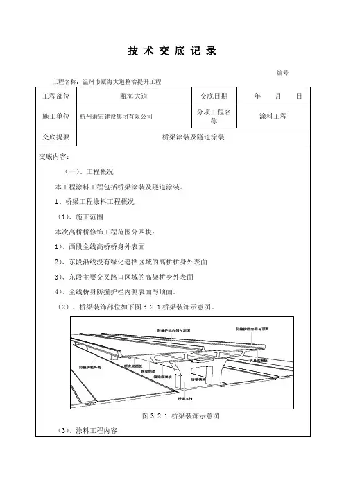
(3)、边防撞护栏内侧及中防撞护栏涂装桥面施工;见图3.2-4护栏涂装图。
图3.2-4 护栏涂装图
(4)、如遇较宽的河道、跨现有桥梁施工时采用特种桥梁检测用车施工;见图3.2-5特种设备检测车涂装图。
图3.2-5 特种设备检测车涂装图
(5)、所有施工区域范围内施工时设置安全维护隔离标示、标牌等以确保施工安全。
2、涂料施工方案
(1)、防撞护栏外侧面及桥梁下部梁体砼涂装施工工序
基面清理打磨、清洗→局部专用腻子修补缺陷(砼表面风化腐蚀部位)→环氧封闭底漆→环氧树脂中间漆→丙烯酸聚氨酯漆→整理、清洁→验收施工
(2)、桥面边防撞护栏顶面及内侧面、中防撞护栏涂装施工工序
基面清理打磨、清洗→环氧封闭底漆→腻子局部找补缺陷至平整(砼表面风化腐蚀部位)→环氧树脂中间漆→丙烯酸聚氨酯面漆→整理、清洁→验收施工
(2)、隧道两侧内壁涂装施工工序
原表面装饰层拆除→基层清理、清洗→喷涂防火隔热涂料→柔性干粉腻子找平及打。
一、交底目的为确保桥梁涂装工程安全、顺利进行,提高施工人员的安全意识,防止安全事故的发生,特进行本次安全技术交底。
二、工程概况1. 工程名称:[桥梁名称]涂装工程2. 施工单位:[施工单位名称]3. 施工地点:[施工地点]4. 施工工期:[施工工期]5. 施工内容:桥梁表面清洗、防腐处理、底漆施工、面漆施工等。
三、安全技术交底内容1. 施工人员要求(1)施工人员必须经过专业培训,取得相应操作资格证书。
(2)施工人员必须熟悉本工程的安全操作规程,严格按照规程进行施工。
(3)施工人员必须遵守施工现场的各项规章制度,服从现场管理。
2. 安全防护措施(1)施工人员进入施工现场必须佩戴安全帽、安全带、防尘口罩等个人防护用品。
(2)施工现场设置安全警示标志,禁止无关人员进入施工区域。
(3)施工区域设置安全通道,确保人员通行畅通。
(4)施工现场配备必要的消防设施,定期检查消防器材的有效性。
3. 涂装施工安全措施(1)涂装前,对桥梁表面进行彻底清洗,确保无油污、灰尘等杂物。
(2)涂装过程中,严禁吸烟、使用明火,以防火灾发生。
(3)涂装作业应在通风良好的环境中进行,必要时使用通风设备。
(4)涂装作业时,操作人员应保持一定的安全距离,防止涂料飞溅伤人。
(5)涂料、稀释剂等易燃易爆物品应存放在专用库房,并严格管理。
(6)涂装作业结束后,及时清理施工现场,确保无安全隐患。
4. 作业现场安全管理(1)施工区域设置安全警戒线,禁止无关人员进入。
(2)施工现场设置临时休息区,确保施工人员休息充足。
(3)施工区域设置紧急疏散通道,确保人员安全撤离。
(4)施工期间,加强现场巡查,及时发现并消除安全隐患。
四、应急措施1. 火灾事故:立即启动应急预案,组织人员疏散,使用灭火器材进行灭火。
2. 人员伤害:立即拨打急救电话,同时通知相关部门,对受伤人员进行救治。
3. 突发环境变化:根据实际情况,及时调整施工方案,确保施工安全。
五、交底时间[交底时间]六、交底人[交底人姓名]七、接受人[接受人姓名]八、备注1. 施工单位应将本安全技术交底内容张贴在施工现场显眼位置。
一、交底项目:斜拉桥涂装施工二、交底时间:____年____月____日三、交底人员:项目经理、技术负责人、施工负责人、安全员四、接受人员:全体参与斜拉桥涂装施工的作业人员五、交底内容:一、施工前的准备工作1. 人员培训:所有参与涂装施工的作业人员必须经过专业培训,了解涂装工艺、安全操作规程及事故应急处理方法。
2. 安全检查:施工前,必须对施工现场进行全面的安全检查,包括脚手架、高空作业平台、电气设备、防护设施等,确保安全可靠。
3. 材料检查:检查涂装材料的合格证、环保认证、性能指标等,确保材料质量符合要求。
二、施工过程中的安全注意事项1. 高空作业安全:- 作业人员必须佩戴安全帽、安全带、防滑鞋等个人防护用品。
- 高空作业平台应牢固可靠,作业人员应系好安全带,并定期检查安全带的有效性。
- 高空作业区域应设置警戒线,并配备专人监护。
2. 电气安全:- 施工现场严禁使用非标准电气设备,所有电气设备必须符合国家标准。
- 电气设备应定期检查,确保绝缘良好。
- 高空作业时,严禁操作电气设备。
3. 涂装材料安全:- 涂装材料应妥善存放,避免日晒雨淋,并远离火源。
- 操作人员应穿戴防护服、手套、口罩等,防止吸入有害气体。
- 涂装现场应保持通风良好,避免人员中毒。
4. 机械安全:- 作业人员应熟悉机械设备的使用方法,并严格按照操作规程进行操作。
- 定期检查机械设备,确保其正常运行。
三、事故应急处理1. 触电事故:立即切断电源,将伤员移至通风良好处,进行心肺复苏等急救措施,并及时拨打急救电话。
2. 高空坠落事故:立即采取措施,防止伤员坠落,并立即拨打急救电话。
3. 中毒事故:将中毒人员移至通风良好处,进行急救措施,并及时拨打急救电话。
六、交底要求1. 所有参与涂装施工的作业人员必须认真学习并掌握本交底内容,确保施工安全。
2. 施工过程中,严格执行安全操作规程,发现问题及时报告。
3. 施工负责人和安全员应加强现场巡查,确保施工安全。
桥梁维修喷涂安全技术交底
为保障桥梁维修喷涂工作的安全性,特进行技术交底,以下为相关要点:
1. 工作准备
- 维修喷涂前需明确工作内容、工作环境以及所需材料,并合理安排施工计划。
- 检查所使用的设备和工具是否完好,并进行必要的维护和保养。
- 落实现场施工人员的安全培训和意识,确保他们了解工作规范和安全措施。
2. 安全措施
- 在施工现场进行安全警示标识的设置,明确工作区域和危险区域,确保工作人员的安全。
- 提供适当的个人防护装备,例如安全帽、耳塞、护目镜、防护服等,并确保工作人员正确佩戴。
- 定期检查和维护脚手架、吊篮等升降设备,确保其稳定可靠。
- 制定火灾和紧急情况的应急预案,并进行演练和培训,以保
障紧急情况下的人员安全。
3. 施工要点
- 在进行喷涂作业前,对桥梁进行必要的清洁和除锈处理,确
保涂层附着力和质量。
- 对喷涂材料进行正确的拌和和配比,严禁使用禁用或过期材料。
- 使用合适的喷涂设备和工具,确保涂层均匀、平整。
- 根据涂层材料要求,进行适当的干燥和固化时间,避免因过
早使用而影响涂层质量。
以上是桥梁维修喷涂的安全技术交底要点,请施工人员严格遵守,确保施工过程中的安全和质量。
一、工程概况1. 工程名称:[项目名称]2. 施工单位:[施工单位名称]3. 施工地点:[施工地点]4. 施工时间:[开始时间]至[结束时间]5. 施工内容:桥梁底面涂刷防腐涂料二、施工安全注意事项1. 人员安全(1)施工人员必须经过专业培训,了解涂刷防腐涂料的安全操作规程。
(2)施工人员应穿戴符合要求的个人防护用品,如安全帽、工作服、手套、防尘口罩等。
(3)施工过程中,应确保现场通风良好,避免因涂料挥发造成室内空气质量下降。
2. 设备安全(1)施工前,应对涂刷设备进行检查,确保其正常运行。
(2)涂刷过程中,设备应固定牢固,防止因振动或碰撞导致设备损坏。
(3)使用高压喷枪等设备时,应注意压力控制,避免发生意外。
3. 环境保护(1)施工过程中,应避免涂料泄漏或滴落,对周围环境造成污染。
(2)涂料包装材料应妥善处理,不得随意丢弃。
(3)施工结束后,应及时清理施工现场,恢复原状。
三、施工操作步骤1. 施工准备(1)检查桥梁底面,清除表面浮尘、油污、锈迹等杂物。
(2)准备好施工所需材料、设备、工具等。
(3)设置安全警示标志,提醒过往行人、车辆注意安全。
2. 涂刷操作(1)根据涂料性能和桥梁底面腐蚀情况,选择合适的涂刷方式(刷涂、滚涂、喷涂等)。
(2)涂刷时,应均匀、连续,避免出现漏涂、流淌等现象。
(3)涂刷第一层涂料干燥后,再进行下一层涂刷,确保涂层厚度均匀。
3. 施工结束(1)涂刷完成后,检查涂层质量,确保符合设计要求。
(2)清理施工现场,回收剩余涂料,妥善处理包装材料。
(3)撤除安全警示标志,恢复正常交通。
四、应急处理1. 如施工人员出现不适,应立即停止施工,将伤者移至通风良好处,必要时进行急救。
2. 如发生火灾,应立即使用灭火器进行灭火,并拨打119报警。
3. 如涂料泄漏,应立即采取措施,防止污染扩散。
五、施工验收1. 施工完成后,由项目质量负责人组织验收,确保涂刷质量符合设计要求。
2. 验收合格后,填写验收记录,并存档备查。
一、交底目的为确保钢桥安装油漆作业的安全顺利进行,防止安全事故的发生,特进行安全技术交底。
二、交底内容1. 作业人员要求(1)参加作业人员必须经过专业培训,持有相关操作资格证书。
(2)作业人员应熟悉本作业内容、操作规程和安全注意事项。
2. 安全防护措施(1)现场作业人员必须佩戴安全帽、防护眼镜、防尘口罩、防滑鞋等个人防护用品。
(2)高空作业人员必须系好安全带,并正确使用安全绳。
(3)现场设置安全警示标志,提醒作业人员注意安全。
3. 作业现场环境要求(1)作业现场应保持通风良好,避免油漆挥发造成中毒。
(2)作业现场应保持干燥,避免油漆涂层受到潮湿影响。
(3)作业现场应清理干净,防止油漆滴落造成污染。
4. 作业程序及注意事项(1)油漆前,应对钢桥表面进行彻底清理,确保无油污、锈迹、水分等。
(2)按照涂装工艺要求,选用合适的油漆种类和配比。
(3)涂装过程中,注意控制涂层厚度,避免涂层过厚或过薄。
(4)涂装完成后,应及时进行固化处理,确保涂层质量。
5. 火灾及中毒事故预防措施(1)油漆作业现场禁止吸烟、使用明火,防止火灾发生。
(2)作业人员应佩戴防毒面具,避免吸入油漆挥发物造成中毒。
(3)如发生火灾或中毒事故,立即停止作业,迅速报警并采取相应措施进行救援。
6. 清洁与保养(1)作业结束后,应对现场进行清理,确保无油漆残留。
(2)对作业设备进行保养,确保下次作业时设备正常使用。
三、交底要求1. 作业人员应认真听取安全技术交底,掌握作业过程中的安全注意事项。
2. 作业过程中,如发现安全隐患,应立即停止作业,并向负责人报告。
3. 作业人员应自觉遵守安全操作规程,确保自身和他人的安全。
四、总结通过本次安全技术交底,使作业人员充分了解钢桥安装油漆作业的安全注意事项,提高安全意识,确保作业顺利进行。
请各位作业人员严格遵守各项安全规定,共同营造安全、和谐的工作环境。
一、工程概况1. 工程名称:[填写工程名称]2. 施工地点:[填写施工地点]3. 施工单位:[填写施工单位名称]4. 施工日期:[填写施工日期]二、喷漆作业安全注意事项1. 喷漆前准备:- 检查喷漆设备是否完好,如喷枪、喷漆室、通风设备等。
- 清理施工现场,确保无易燃易爆物品。
- 确认喷漆区域通风良好,无明火。
2. 个人防护措施:- 作业人员必须佩戴防毒面具、防护手套、防护眼镜和防尘口罩。
- 根据作业环境,可能还需佩戴耳塞、防噪音耳罩等。
- 禁止在喷漆过程中吸烟或使用明火。
3. 喷漆作业安全操作:- 使用喷枪时,确保喷嘴接头牢固,不准对人。
- 喷嘴堵塞时,应消除压力后方可修理或更换。
- 使用混合溶液调配材料时,保持室内通风良好。
- 静电喷涂时,喷涂间应有接地保护装置。
4. 环境安全要求:- 喷漆室不准设在狭小密闭的空间,室内严禁明火。
- 进入喷漆室要穿防护服,戴防护眼镜和防毒面具。
- 室内或容器内喷涂时,确保通风良好,周围不得有火种。
5. 高处作业安全:- 刷外开窗扇,必须佩挂安全带。
- 刷封檐板设置脚手架,在铁皮坡屋面上刷油时,应设置活动跳板、防护栏杆和安全网。
- 高处作业必须系好合格的安全带,高挂低用。
6. 电气安全:- 室内照明使用36V,地下室使用24V。
- 电线不可拖地,操作人员严禁无证操作。
7. 喷砂机械设备安全:- 喷砂机械设备的防护设备必须齐全可靠。
三、应急处理1. 如发生火灾,立即使用灭火器进行灭火,并迅速撤离现场。
2. 如有人中毒,立即将中毒者移至通风处,并拨打急救电话。
3. 如发生意外伤害,立即停止作业,并立即拨打急救电话。
四、培训与考核1. 施工单位应对作业人员进行喷漆安全技术培训,确保其掌握安全操作规程。
2. 培训结束后,进行考核,考核合格后方可上岗作业。
五、总结本次桥梁喷漆安全技术交底旨在提高作业人员的安全意识,确保喷漆作业的安全顺利进行。
施工单位应严格执行以上安全措施,确保作业人员的人身安全和工程的质量。
一、交底对象全体参与桥梁喷涂施工的施工人员、管理人员及监理人员。
二、交底时间[具体时间]三、交底地点[具体地点]四、交底内容1. 工程概况及施工部位- [项目名称]- [桥梁名称]- [喷涂部位及面积]- [喷涂材料及设备]2. 施工方案概述- [喷涂工艺流程]- [喷涂材料准备及存放要求]- [喷涂设备使用及维护]- [喷涂作业时间安排]3. 安全注意事项- 个人防护:- 施工人员必须佩戴安全帽、防尘口罩、防护眼镜、工作服等个人防护用品。
- 高空作业人员必须佩戴安全带,并做好安全防护措施。
- 施工人员不得酒后作业,确保自身及他人安全。
- 现场安全:- 施工现场应设置安全警示标志,明确危险区域。
- 禁止无关人员进入施工现场。
- 严格控制火源,严禁吸烟。
- 严格操作规程,确保喷涂设备正常运行。
- 材料安全:- 喷涂材料应存放于通风、干燥、阴凉处,远离火源。
- 喷涂过程中,注意观察材料是否有异常现象,如冒烟、燃烧等。
- 喷涂完成后,及时清理现场,防止材料泄漏。
- 高空作业安全:- 高空作业人员必须系好安全带,并做好安全防护措施。
- 高空作业区域下方应设置安全警戒线,禁止无关人员靠近。
- 高空作业时,注意检查脚手架、安全绳等设施是否牢固可靠。
4. 安全用品的使用- 安全帽:用于防止物体打击,要求佩戴正确,紧固可靠。
- 防尘口罩:用于防止吸入有害物质,要求佩戴正确,密封良好。
- 防护眼镜:用于防止眼睛受到伤害,要求佩戴正确,符合标准。
- 工作服:用于防止皮肤受到伤害,要求穿戴整齐,不得破损。
- 安全带:用于高空作业人员的安全防护,要求佩戴正确,系紧可靠。
五、应急处理1. 发生火灾时,立即切断电源,使用灭火器进行灭火,并迅速撤离现场。
2. 发生人员伤害事故时,立即停止作业,组织人员进行救治,并及时上报相关部门。
3. 发生设备故障时,立即切断电源,防止事故扩大,并及时通知维修人员进行维修。
六、总结本次安全技术交底旨在提高桥梁喷涂施工人员的安全意识,确保施工安全。
一、交底时间年月日二、交底人三、交底内容一、工程概况1. 工程名称:XX桥梁装饰工程2. 施工单位:XX公司3. 施工地点:XX地区4. 工程规模:XX米5. 工程特点:XX二、安全注意事项1. 施工现场安全纪律(1)进入施工现场必须佩戴安全帽,扣好帽带,并正确使用个人劳动防护用具。
(2)严禁酒后作业,积极参加安全竞赛和安全生产活动,接受安全教育。
(3)严格遵守安全生产六大纪律,确保安全生产。
2. 高空作业安全(1)高空作业前,必须检查脚手架是否牢固,特别是大风及雨后作业。
(2)对脚手板不牢固之处和硗头板等及时处理,确保脚手架安全。
(3)高空作业人员必须系好安全带,并正确使用安全带。
(4)高处作业时,禁止在同一垂直面上下操作,确保作业安全。
3. 机械安全(1)使用机械前,必须检查机械是否完好,严禁使用损坏的机械。
(2)操作机械时,必须按照操作规程进行,确保操作安全。
(3)机械操作人员必须经过专业培训,并取得相应操作资格。
4. 材料安全(1)材料堆放整齐,不得超高堆放,防止倾倒伤人。
(2)易燃易爆物品必须远离火源,并采取防火措施。
(3)有毒有害物品必须按照规定储存,防止污染环境和伤害人体。
5. 电气安全(1)施工现场必须配备合格的电气设备,并定期检查维护。
(2)电气设备操作人员必须经过专业培训,并取得相应操作资格。
(3)施工现场严禁私拉乱接电线,防止触电事故发生。
三、施工措施1. 施工方案(1)根据工程特点,制定详细的施工方案,确保施工顺利进行。
(2)对施工过程中可能出现的安全隐患进行预判,并制定相应的防范措施。
2. 施工组织(1)明确施工组织机构,确保施工过程中的安全责任落实。
(2)加强施工现场管理,确保施工安全有序进行。
3. 施工技术(1)采用先进的施工技术,提高施工效率,确保施工质量。
(2)对施工人员进行技术培训,提高施工人员的操作技能。
四、应急处置1. 事故报告(1)发生安全事故后,立即上报相关部门,并采取措施进行处置。
成都双流国际机场站前高架道路系统A段工程施工技术交底记录施工单位:中铁十五局集团有限公司编号:的白乳胶,提高腻子的牢固度及耐水性。
腻子调制:胶水与老粉及熟胶粉调制搅拌均匀(已现场好施工为标准)。
操作时将腻子置于托板上,用抹子或橡皮刮板进行刮涂2~3遍腻子,每遍腻子不可过厚。
腻子干后应及时砂纸打磨,不得磨有波浪形,也不能留下明显磨痕,打磨完毕后扫去浮灰。
打磨:尽量用较细的砂纸,一般质地较松软的腻子(如821)用400-500号的砂纸,质地较硬的(如墙衬、易呱平)用360-400号为佳,如果砂纸太粗的话会留下很深的砂痕,刷漆是覆盖不掉的。
打磨完毕一定要彻底清扫一遍墙面,以免粉尘太多,影响漆的附着力。
凹凸差不超过3毫米。
找补:腻子打磨完毕之后,会留有一些瑕疵(坑眼),这时候就需要找补了,注意找补一定要打磨平整。
刷面涂漆面涂乳胶漆按产品说明要求的比例用水稀释并搅拌均匀(实际施工通常白漆加水20~30%左右)不要加水过量,否则会影响漆膜厚度、手感和漆膜的硬度,尽量选择好一点的工具,滚筒的毛不要太短,但一定要细,这样出来的漆膜才会手感细腻,涂刷主要注意墙角、每滚中间接茬部分和收漆方向,墙角的处理,多数情况是用排笔或板刷进行涂刷,这样会容易造成边角纹理与整面不一致,视觉上会有差异,如果有条件的话可以买一把收边滚筒,边角用板刷上漆之后再用收边滚筒收一遍,注意收边滚筒的材质要和刷大面的滚筒一致,刷大面的时候每滚接茬地方的漆一定要收匀,不能过厚也不能过薄,不然会因为薄厚不均造成反光不一致,刷漆的时候每滚上墙之后都会有一个收漆动作,这就要要求每滚收漆的方向要一致,不然会造成每滚的滚出来的纹理不一致,反光角度就会不同,视觉上就会有差异。
二.外墙涂装工艺(1)应用涂层系统及材料说明一层以上步骤:1 2 3 4 5 6 7 8复核人:记录人:日期:年月日。
一、交底对象本次安全技术交底对象为参与桥梁涂装作业的所有施工人员、管理人员及监理人员。
二、交底目的为确保桥梁涂装作业的安全进行,降低安全事故发生的风险,提高施工人员的安全意识,特进行本次安全技术交底。
三、交底内容1. 涂装作业基本要求(1)涂装作业前,应对施工人员进行安全教育培训,使其掌握涂装作业的安全知识和操作技能。
(2)涂装作业现场应配备必要的安全防护设施,如安全帽、防尘口罩、防护眼镜、手套、工作服等。
(3)施工人员应穿戴好个人防护用品,确保自身安全。
2. 涂装作业现场安全管理(1)施工现场应设置安全警示标志,明确安全通道、危险区域等。
(2)施工现场应保持整洁,避免杂物堆积,防止绊倒、滑倒等事故发生。
(3)施工现场应设置消防设施,并定期检查,确保其正常使用。
3. 涂装作业操作规程(1)涂装作业前,应检查涂装材料是否过期、变质,确认无误后方可使用。
(2)涂装作业时,应按照涂装工艺要求,选择合适的涂装工具和方法。
(3)涂装作业过程中,应注意通风,避免涂装材料挥发物对人体造成伤害。
(4)涂装作业完成后,应及时清理现场,确保现场清洁。
4. 涂装作业常见安全隐患及预防措施(1)安全隐患:涂装材料易燃易爆,施工过程中可能引发火灾或爆炸。
预防措施:施工现场严禁吸烟,禁止携带火种;涂装材料存放于阴凉、通风、干燥处,远离火源。
(2)安全隐患:涂装作业过程中,施工人员可能吸入有害气体,造成中毒。
预防措施:涂装作业时,施工人员应佩戴防尘口罩、防护眼镜等防护用品;施工现场应保持良好通风,必要时使用通风设备。
(3)安全隐患:高空作业时,施工人员可能发生坠落事故。
预防措施:高空作业时,施工人员必须佩戴安全带,并严格按照操作规程进行;施工场地应设置安全防护网,防止人员坠落。
5. 应急处置(1)火灾:立即切断电源,使用灭火器、灭火器材进行灭火,并迅速撤离现场。
(2)中毒:立即将中毒人员移至通风良好处,给予吸氧、保温等措施,并及时送往医院治疗。
技术交底书交底时间2012年月日交底人交底对象交底主题主桥涂装施工技术交底参加人员交底内容:1、涂装区域本次主桥涂装区域包括主墩、盖梁、箱梁及主塔。
2、涂装材料及涂层设计2.1涂层材料的选取及要求1)主墩、盖梁、主塔、主梁外表面涂装材料统一采用立邦专用桥梁漆,其中第一道采用GZ型底漆,第二、三道采用G1039型面漆。
2)涂料运抵现场后,应由施工单位、监理现场取样后送至国家认证认可监督管理委员会认可的涂料检测机构进行第三方检测,合格后方可使用。
3)涂料材料存放地点应满足国家有关的消防要求,并且干燥通风,避免阳光直射,其储存温度应介于3°~40°之间。
涂料应按品种、批号、颜色分类堆放,标识清楚。
2.2涂层设计根据佛山地区的实际情况,应属于中腐蚀类型(年平均相对湿度78%~79%,城市大气环境)。
本方案设计涂层体系使用寿命为普通型,颜色与斜拉索PE管相近,为水泥灰色。
根据腐蚀环境和涂层防腐年限设计涂层体系如下表。
涂层技术方案涂层体系(S2.02) 涂料名称涂层干膜厚度每道总计第一道立邦GZ型桥梁专用底漆30μm120μm 第二道立邦G1039型桥梁专用面漆45μm第三道立邦G1039型桥梁专用面漆45μm3、施工方案3.1 施工方案概述主墩、盖梁及主塔均搭设钢管脚手架进行涂装,脚手架环绕墩身及主塔双排布置,立杆排距1m,纵横向间距1.2m,横杆步距1.5m。
脚手架上每层均铺设5cm厚的脚手板,四周挂设安全绿网。
箱梁采用两套涂装吊架施工。
因箱梁翼缘撑板间距为4.5m,挂篮施工正常段预留孔间距为4.5m,所以吊架按每节段4.5m逐段进行涂装。
翼缘及侧面进行涂装时,需安装起降施工平台,以适应不同的高度,每节段涂装完毕后,将翼缘装修平台下落至底板吊挂平台上,待平台前移到位后,再重新提升。
施工平台搭设完成后,安排技术熟练的工人将结构物表面仔细处理,去除错台、麻面和气泡等缺陷,打磨平整,表面处理完毕后批刮腻子找平,然后进行表面涂装。
一、工程名称:[填写工程名称]二、施工单位:[填写施工单位名称]三、建设单位:[填写建设单位名称]四、施工时间:[填写施工开始时间] 至 [填写施工结束时间]五、接受交底班组或员工:[填写班组名称或员工姓名]六、交底内容:一、安全意识与基本要求1. 所有参与斜拉桥涂装施工的人员必须充分认识到涂装作业的安全重要性,严格执行本交底内容及相关安全操作规程。
2. 施工前应对所有施工人员进行安全教育培训,确保每位员工都清楚了解涂装作业的安全风险及应对措施。
二、施工前准备1. 检查施工设备、工具及材料是否齐全、完好,确保符合施工要求。
2. 检查施工现场环境,确保符合安全施工条件,包括通风、照明、防滑等措施。
三、安全操作规程1. 个人防护:- 佩戴安全帽、防尘口罩、防护眼镜、防滑鞋等个人防护用品。
- 高处作业时,必须系好安全带,并做好防坠落措施。
- 作业过程中不得擅自摘下安全帽、安全带等防护用品。
2. 作业环境:- 作业区域应设置明显的警示标志,禁止无关人员进入。
- 作业现场应保持整洁,及时清理施工废料,防止滑倒事故发生。
- 高处作业时,下方应设置安全防护网或围栏,防止物体坠落。
3. 涂装材料及设备:- 涂装材料应按照产品说明进行储存、使用,防止中毒、火灾等事故发生。
- 涂装设备应定期检查、维护,确保其正常运转。
4. 涂装作业:- 涂装作业应在通风良好的环境下进行,避免吸入有害气体。
- 涂装过程中,操作人员应保持一定的安全距离,防止相互碰撞。
- 涂装作业完成后,应及时清理现场,防止污染环境。
四、紧急事故处理1. 发生火灾时,立即启动应急预案,使用灭火器、灭火器材等进行灭火,并迅速撤离现场。
2. 发生中毒事故时,立即将中毒人员移至通风良好处,并及时送往医院救治。
3. 发生高处坠落事故时,立即启动应急预案,对伤员进行紧急救治,并迅速上报相关部门。
五、总结1. 本交底内容为斜拉桥涂装施工过程中的安全操作规程,所有参与施工的人员必须严格遵守。
一、工程概况1. 工程名称:[桥梁名称]2. 施工地点:[具体施工地点]3. 施工单位:[施工单位名称]4. 施工时间:[开始时间]至[结束时间]二、施工内容1. 对桥梁的防撞墙、栏杆、桥面等部位进行清洗、除锈、刷漆。
2. 使用环保型涂料,确保施工安全及环境保护。
三、施工安全注意事项1. 个人防护:- 施工人员必须佩戴安全帽、防尘口罩、防护眼镜、工作手套等个人防护用品。
- 高空作业人员必须佩戴安全带,并系好保险绳。
- 长时间从事高空作业的人员,应定期进行体检。
2. 现场安全:- 施工现场应设置明显的安全警示标志,禁止无关人员进入施工区域。
- 高空作业平台应牢固可靠,必要时设置安全网。
- 施工过程中,严禁酒后作业和疲劳作业。
3. 消防安全:- 施工现场应配备足够的消防器材,并确保其处于良好状态。
- 施工现场禁止吸烟和使用明火。
- 施工结束后,应清理现场,消除火灾隐患。
4. 环保安全:- 严格按照国家环保法规和标准,控制施工现场的粉尘、噪音等污染。
- 施工过程中产生的废水、废弃物应集中处理,不得随意排放。
四、施工工艺及要求1. 施工准备:- 对桥梁进行全面的检查,确保桥梁结构安全。
- 清理桥梁表面,去除污垢、油渍、锈蚀等。
- 根据桥梁实际情况,选择合适的涂料及施工工艺。
2. 施工过程:- 刷漆前,对桥梁表面进行打磨、清洗,确保表面平整、干燥。
- 涂料调配时,应严格按照比例进行,避免浪费和污染。
- 刷漆时,采用人工涂刷,确保涂层均匀、无漏涂。
- 刷漆过程中,注意通风,防止涂料中毒。
3. 质量要求:- 涂层应均匀、光滑,无气泡、无流坠。
- 涂层厚度应符合设计要求。
- 涂层与基层应牢固结合,无脱落现象。
五、应急措施1. 触电事故:- 立即切断电源,确保人员安全。
- 对触电人员实施急救,并及时送往医院。
2. 高空坠落:- 确保安全带正确佩戴,防止高空坠落。
- 高空作业平台应牢固可靠,定期检查。
3. 火灾事故:- 立即使用灭火器进行灭火,并报警求助。
一、交底目的为确保高架桥涂装作业安全、顺利进行,降低事故风险,提高施工人员的安全意识,特制定本安全技术交底。
二、工程概况1. 工程名称:[请填写工程名称]2. 工程地点:[请填写工程地点]3. 施工内容:[请填写施工内容,如:高架桥钢结构涂装]4. 施工期限:[请填写施工期限,如:2023年10月1日至2023年12月31日]三、安全注意事项1. 施工前准备- 检查施工现场,确保无安全隐患。
- 作业人员需经过专业培训,掌握涂装作业技能和安全操作规程。
- 准备好安全防护用品,如安全帽、防护眼镜、防尘口罩、防毒面具、防滑鞋等。
2. 高空作业安全- 高空作业人员必须佩戴安全带,系好保险绳,确保安全。
- 高空作业区域设置警戒线,禁止无关人员进入。
- 高空作业时,应使用防坠落安全绳,防止坠落事故发生。
3. 动火作业安全- 动火作业需办理动火作业许可证,并采取有效措施防止火灾发生。
- 动火作业现场配备灭火器、消防砂等消防器材。
- 动火作业结束后,应检查现场,确认无火源后才能离开。
4. 通风换气- 涂装作业现场应保持良好通风,防止有害气体积聚。
- 使用抽风机等设备,加强通风换气。
5. 个人防护- 作业人员必须穿戴符合标准的防护用品,如防尘口罩、防护眼镜、防毒面具等。
- 作业人员不得在施工现场吸烟、饮酒。
6. 工具设备安全- 作业前检查工具设备,确保其安全可靠。
- 使用电动工具时,应确保电源线路安全,防止触电事故发生。
四、应急处置1. 作业人员应熟悉应急处置流程,遇紧急情况能够迅速采取有效措施。
2. 发生火灾、触电等事故时,应立即切断电源,使用灭火器等消防器材进行灭火。
3. 发生人员坠落、中毒等事故时,应立即进行抢救,并及时报告相关部门。
五、总结本安全技术交底适用于高架桥涂装作业,请各施工人员认真学习并严格执行。
施工过程中,如遇特殊情况,应立即停止作业,待问题解决后方可继续施工。
六、接受交底[请填写接受交底班组或员工签名]七、交底人[请填写交底人姓名及职务]八、交底日期[请填写交底日期,如:2023年9月1日]。
成都双流国际机场站前高架道路系统A段工程
施工技术交底记录
施工单位:中铁十五局集团有限公司编号:
的白乳胶,提高腻子的牢固度及耐水性。
腻子调制:胶水与老粉及熟胶粉调制搅拌均匀(已现场好施工为标准)。
操作时将腻子置于托板上,用抹子或橡皮刮板进行刮涂2~3遍腻子,每遍腻子不可过厚。
腻子干后应及时砂纸打磨,不得磨有波浪形,也不能留下明显磨痕,打磨完毕后扫去浮灰。
打磨:尽量用较细的砂纸,一般质地较松软的腻子(如821)用400-500号的砂纸,质地较硬的(如墙衬、易呱平)用360-400号为佳,如果砂纸太粗的话会留下很深的砂痕,刷漆是覆盖不掉的。
打磨完毕一定要彻底清扫一遍墙面,以免粉尘太多,影响漆的附着力。
凹凸差不超过3毫米。
找补:腻子打磨完毕之后,会留有一些瑕疵(坑眼),这时候就需要找补了,注意找补一定要打磨平整。
刷面涂漆
面涂乳胶漆按产品说明要求的比例用水稀释并搅拌均匀(实际施工通常白漆加水20~30%左右)不要加水过量,否则会影响漆膜厚度、手感和漆膜的硬度,尽量选择好一点的工具,滚筒的毛不要太短,但一定要细,这样出来的漆膜才会手感细腻,涂刷主要注意墙角、每滚中间接茬部分和收漆方向,墙角的处理,多数情况是用排笔或板刷进行涂刷,这样会容易造成边角纹理与整面不一致,视觉上会有差异,如果有条件的话可以买一把收边滚筒,边角用板刷上漆之后再用收边滚筒收一遍,注意收边滚筒的材质要和刷大面的滚筒一致,刷大面的时候每滚接茬地方的漆一定要收匀,不能过厚也不能过薄,不然会因为薄厚不均造成反光不一致,刷漆的时候每滚上墙之后都会有一个收漆动作,这就要要求每滚收漆的方向要一致,不然会造成每滚的滚出来的纹理不一致,反光角度就会不同,视觉上就会有差异。
二.外墙涂装工艺
(1)应用涂层系统及材料说明
一层以上
步骤:1 2 3 4 5 6 7 8
复核人:记录人:日期:年月日。