8259实验程序
- 格式:ppt
- 大小:31.50 KB
- 文档页数:10
实验十五 8259可编程中断控制器一、实验目的1、熟悉8259基本功能和初始化的命令方式。
2、掌握8259在8086/8088系统中的使用。
3、掌握中断服务程序的编写和中断服务程序电路的设计。
二、使用技术准备1、早期的PC/XT微机中只有一片8259A中断控制器,可接受并处理8级中断。
IBM-PC XT机外中断请求的设置XT机8级外中断表2、PC/AT微机系统的外中断286以上的(PC/AT)微机系统的CPU采用了更高配置的芯片,系统中有两个8259A芯片,接成级连方式,可管理15级中断。
主8259A的口地址为20H、21H,从8259A的口地址为A0H、A1H。
硬件中断源与中断类型对照表中断向量:中断服务程序的入口地址。
中断向量的作用:CPU响应中断后,中断向量将引导CPU去执行相应的中断服务序。
中断向量由两部分组成:1、中断服务程序所在代码段的段基地址(2个字节)。
2、中断服务程序入口的有效地址(2个字节)。
中断向量表我们给每一种中断都安排一个中断类型号。
IBM PC机的中断系统能处理256种类型的中断,类型号为0~0FFH。
每种类型的中断都由相应的中断服务程序来处理,中断向量表就是各中断服务程序的地址表。
PC机存储器最低的1K字节(地址从0~3FFH),存放中断向量,中断向量表中的256项中断向量对应256中断类型,每项占四个字节,其中二个高位字节存放中断服务程序的段地址(16位),二个低位字节存放偏移段地址(16位)。
因为各个服务程序的段地址和偏移地址在中断向量表中按中断类型号顺序存放,所以每类型中断向量的地址可由中断类型号乘以4得出.例如:中断类型4AH的中断向量地址为4AH×4=128H,既128H、129H两个字节存放中断服务程序的偏移地址IP, 12AH、12BH两个字节存放中断服务程序的段地址,取出段地址和偏移地址,CPU就可转入中断服务程序。
中断操作的5个步骤:(1)取中断类型号;(2)计算中断向量地址;(3)取中断向量,偏移地址送IP,段地址送CS;(4)根据CS:IP转入中断服务程序;(5)中断返回到INT指令的下一条指令。
姓名:学号:2.3 8259中断控制实验2.3.1 实验目的1. 掌握8259中断控制器的工作原理;2. 学习8259的应用编程方法;3. 掌握8259级联方式的使用方法。
2.3.2 实验设备PC机一台,TD-PITE实验装置一套。
2.3.3 实验内容及步骤1、8259单中断实验8259的IR7相连,每按动一次单次脉冲,产生一次外部中断,在显示屏上输出一个字符“7”。
图2-3-11 8259单中断实验接线图实验步骤(1)按图2-3-11连接实验线路;(2)编写实验程序,经编译、链接无误后装入系统;(3)运行程序,重复按单次脉冲开关KK1+,显示屏会显示字符“7”以说明响应了中断。
实验结果分析主程序运行过程中遇到中断请求,进而响应中断请求,即在屏幕上输出字符“7”。
实验流程图2、主8259 多中断实验实验步骤:(1)按上图所示完成实验电路连线。
KK1+连接到主片8259的IR7上,KK2+连接到从片8259的IR6上。
(2)打开PC机,运行Wmd86软件,进入Wmd86集成开发环境。
(3)对程序进行编译、连接、加载和运行,并验证实验程序的正确性。
(4)分别按动单次脉冲开关KK1+或KK2+时,显示屏上会显示什么信息,将屏幕截图填在实验报告数据处理分析部分的表2中。
(5)如果同时按KK1+和KK2+时,显示屏上会显示什么信息,并在实验结论对实验结果进行解释。
流程图中断请求分析与实验一相比,中断向量表多存储了M6。
主程序在运行过程中接到中断请求,于是响应中断,在处理中断程序的过程中再次接到中断请求,于是再次响应中断,处理中断程序。
处理完后逐层返回。
3. 8259级联实验实验接线图如图2-3-12所示,KK1+连接到主片8259的IR7上,KK2+连接到从片8259的IR1上,当按一次KK1+时,显示屏上显示字符“M7”,按一次KK2+时,显示字符“S1”。
编写程序。
实验步骤(1)按图2-3-12连接实验线路;(2)输入程序,编译、链接无误后装入系统;(3)运行程序,按动KK1+或KK2+,观察实验结果,验证实验程序的正确性; (4)若同时按下KK1+和KK2+,观察实验结果,解释实验现象。
实验报告课程名称实验名称实验日期学生专业学生学号学生姓名实验室名称教师姓名成绩南京理工大学机械工程学院微机原理及应用实验38259中断控制实验2017年5月26日车辆工程9141010F0309蒋龙鑫徐群实验48259中断控制实验1实验目的(1)掌握8259中断控制器的工作原理;(2)学习8259的应用编程方法;(3)掌握8259级联方式的使用方法。
2实验设备PC机一台,TD-PITC实验装置一套。
3实验内容及步骤在对8259进行编程时,首先必须进行初始化。
一般先使用CLI指令将所有的可屏蔽中断禁止,然后写入初始化命令字。
8259有一个状态机控制对寄存器的访问,不正确的初始化顺序会造成异常初始化。
在初始化主片8259时,写入初始化命令字的顺序是:ICW1、ICW2、ICW3、然后是ICW4,初始化从片8259的顺序与初始化主片8259的顺序是相同的。
实验内容:实验接线图如图4-1所示,单次脉冲输出与主片8259的IR7相连,每按动一次单次脉冲,产生一次外部中断,在显示屏上输出一个字符“7”。
图4-18259单中断实验接线图参考实验程序清单:SSTACK SEGMENT STACKDW32DUP(?)SSTACK ENDSCODE SEGMENTASSUME CS:CODESTART:PUSH DSMOV AX,0000HMOV DS,AXMOV AX,OFFSET MIR7;取中断入口地址MOV SI,003CH;中断矢量地址MOV[SI],AX;填IRQ7的偏移矢量MOV AX,CS;段地址MOV SI,003EHMOV[SI],AX;填IRQ7的段地址矢量CLIPOP DS;初始化主片8259MOV AL,11HOUT20H,AL;ICW1MOV AL,08HOUT21H,AL;ICW2MOV AL,04HOUT21H,AL;ICW3MOV AL,01HOUT21H,AL;ICW4MOV AL,6FH;OCW1OUT21H,ALSTIAA1:NOPJMP AA1MIR7:STICALL DELAYMOV AX,0137HINT10H;显示字符7MOV AX,0120HINT10HMOV AL,20HOUT20H,AL;中断结束命令IRETDELAY:PUSH CXMOV CX,0F00HAA0:PUSH AXPOP AXLOOP AA0POP CXRETCODE ENDSEND START实验步骤:(1)按图4-1连接实验线路;(2)编写实验程序,经编译、链接无误后装入系统;(3)运行程序,重复按单次脉冲开关KK1+,显示屏会显示字符“7”以说明响应了中断。
实验三、8259中断控制器实验1.实验目的(1).掌握中断控制器8259 IP核的工作原理,熟悉对8259的初始化设置。
(2).掌握中断服务程序的编写方法。
(3).掌握程序固化及脱机运行程序的方法。
2.实验原理8259的工作原理。
参考微机原理与接口技术相关教材。
使用中断控制器8259,首先要对8259初始化,对初始化命令字ICW1~ICW4进行设置,初始化命令字的格式如表3-1所示。
8259 - P rogrammble Intrrupt Controller图3-1 8259 可编程中断控制器表3-1 初始化命令字ICW1~ICW4数据格式:子程序的入口地址写入中断向量表。
另外要编写相关的中断服务子程序。
8259的端口地址如下:PIC_ICW1 EQU 20HPIC_ICW2 EQU 21HPIC_ICW3 EQU 21HPIC_ICW4 EQU 21Hppt 8255的端口地址是:port A 378h ;PA接2个LED数码管port B 379h ;PB接8个LED 发光二极管port C 37ah ;PC口ppt_ctrl 37bh ;控制字口ppi 8255的端口地址是:port A 060h ;PA接4×4键盘和LCD液晶模块port B 061h ;PB 最低位控制计数器2门控信号port C 062h ;PC pc.0控制ppi portA 输入使能ppt_ctrl 063h ;控制字口定时器/计数器8254的端口地址:PIT_CNT0 EQU 40HPIT_CNT1 EQU 41HPIT_CNT2 EQU 42HPIT_CTRL EQU 43H3.实验内容(1)中断计数显示程序本实验主要验证中断控制器8259的中断控制功能。
中断请求信号由按键产生,该按键向8259的IR1发出中断请求,每中断一次,寄存器加1计数,并通过8255的PA口外接的数码管显示出中断的次数。
PA 口输出使能由PC口最低位控制。
8259中断控制实验报告实验报告:8259中断控制实验一、实验目的:学习和掌握8259中断控制器的工作原理和使用方法。
二、实验设备:计算机、8259中断控制器芯片、连接线、示波器等。
三、实验原理:1.8259中断控制器简介8259是Intel公司推出的一个通用中断控制器芯片,它可以管理多种设备的中断请求,并对中断请求进行优先级排序和处理。
8259具有级联功能,可以通过级联实现更多的设备中断管理。
2.8259工作原理8259中断控制器有两个主要模块:中断请求译码器和中断向量地址寄存器。
中断请求译码器用于判断中断请求的优先级,按照优先级排序,将中断请求发送给CPU。
中断向量地址寄存器用于存储中断向量的地址,CPU根据中断向量的地址来执行相应的中断服务程序。
3.8259中断控制器的寄存器8259中断控制器有多个重要的寄存器,包括中断屏蔽寄存器、中断请求寄存器、中断服务地址寄存器等。
中断屏蔽寄存器用于屏蔽或打开特定中断请求。
中断请求寄存器用于存储当前的中断请求状态。
中断服务地址寄存器用于存储中断向量的地址。
四、实验内容:1.配置8259中断控制器将8259中断控制器连接到计算机,并通过连接线将适当的引脚连接到需要中断控制的设备上。
2.编写中断服务程序根据实验要求,编写相应的中断服务程序,并将其存储在中断服务地址寄存器指定的内存地址中。
3.设置中断向量地址将中断向量的地址存储在中断向量地址寄存器中,使CPU能够根据中断请求执行相应的中断服务程序。
4.测试中断控制功能通过测试设备向8259中断控制器发送中断请求,观察计算机是否能正确处理中断请求,并执行相应的中断服务程序。
五、实验结果与分析:经过以上实验步骤,我们成功配置了8259中断控制器,并编写了相应的中断服务程序。
在测试过程中,通过向8259中断控制器发送中断请求,我们观察到计算机正确地处理了中断请求,并执行了我们编写的中断服务程序。
这表明我们成功地完成了8259中断控制实验。
8259中断控制器实验的实验报告实验报告:8259中断控制器实验一、实验目的本实验的目的是通过对8259中断控制器的实验,掌握和理解8259中断控制器的原理、工作原理和使用方法。
通过实验能够进一步了解中断控制器的中断分配和中断处理等功能。
同时还能够通过实验,对中断优先级以及中断的屏蔽和响应进行深入了解。
二、实验原理1.8259中断控制器简介8259中断控制器是用于管理和控制多个硬件设备的中断请求的重要芯片。
它是一个具有8个中断请求输入和8个中断向CPU输出的优先级解码器。
中断控制器主要由两个部分组成:中断请求器部分和中断控制器部分。
中断请求器部分用于产生中断请求信号,而中断控制器部分用于优先级解码和中断分配。
2.8259中断控制器的工作原理8259中断控制器可以管理多个硬件设备的中断请求,同时对中断信号进行优先级判断和派发给CPU进行相应处理。
当一些硬件设备发生中断时,会发送中断请求信号给8259中断控制器,然后8259将根据中断请求的优先级判断是否屏蔽或者响应该中断请求。
3.8259中断控制器的使用方法在使用8259中断控制器时,首先需要设置中断控制器的工作模式和中断请求的优先级,然后对中断控制器的屏蔽和响应进行相应的配置。
使用中断控制器时,还需要对中断服务程序进行适当的编程,以实现中断的处理逻辑。
三、实验步骤1.实验前的准备工作(1)准备实验所需的开发板和8259中断控制器。
(2)将8259中断控制器与相应的硬件设备连接。
(3)准备PC机和开发板的通信线缆。
2.8259中断控制器的设置和初始化(1)通过编程方式将8259中断控制器设置为特定的工作模式。
(2)设置中断请求(IRQ)的优先级。
3.中断服务程序的编写(1)根据需求编写中断服务程序,即中断处理逻辑。
(2)将中断服务程序与8259中断控制器的相应中断请求进行关联。
4.实验结果的观察和分析(1)观察测试硬件设备的输出结果。
(2)分析实验结果,判断是否成功实现中断控制和处理。
实验一8259单级中断控制器实验一、实验目的⒈掌握8259中断控制器的接口方法。
⒉掌握8259中断控制器的应用编程。
二、实验内容利用8259实现对外部中断的响应和处理,要求程序对每次中断进行计数,并将计数结果送数码显示。
三、实验接线图图6-6四、编程指南⑴8259芯片介绍中断控制器8259A是专为控制优先级中断而设计的芯片。
它将中断源优先级排队、辨别中断源以及提供中断矢量的电路集于一片中。
因此无需附加任何电路,只需对8259A进行编程,就可以管理8级中断,并选择优先模式和中断请求方式。
即中断结构可以由用户编程来设定。
同时,在不需要增加其它电路的情况下,通过多片8259A的级联,能构成多达64级的矢量中断系统。
⑵本实验中使用3号中断源IR3,“”插孔和IR3相连,中断方式为边沿触发方式,每拨二次AN开关产生一次中断,满5次中断,显示“8259——good”。
如果中断源电平信号不符合规定要求,则自动转到7号中断,显示“Err”。
五、实验程序框图IR3中断服务程序:IR7中断服务程序:六、实验步骤1、按图6-6连好实验线路图。
⑴ 8259的INT连8088的INTR;⑵ 8259的INTA连8088的INTA;⑶“”插孔和8259的3号中断IR3插孔相连,“”端初始为低电平;⑷ 8259的CS端接FF80H孔;⑸连JX4→JX17。
2、DJ-8086k软件启动和联机⑴启动和联机。
双击桌面上‘DJ-8086k’快捷图标,即可运行DJ-8086k软件;⑵新建文件:单击菜单栏“文件”或工具栏“新建”图标,即会建立一个新的源程序编辑窗口,此时可在此窗口编辑、输入源程序(注:新建文件扩展名为 .ASM)。
或打开文件F3:单击菜单栏“文件”或工具栏“打开”图标,弹出“打开文件”的对话框,然后选择要装入的源文件,单击“确定”即可装入源文件。
;3、调试程序⑴编译装载F9:打开源文件,依次单击:调试”\“编译装载F9”或工具栏上的编译装载图标,状态栏会提示正在编译、编译成功、正在装载数据、装载数据结束,几秒钟后便会弹出‘源文件调试窗口’,如编译出错,会提示错误信息,待修改源文件正确后,重新编译装载即可;⑵连续运行;单击菜单栏“调试”下的“连续运行”或单击工具栏的连续运行图标,即全速连续运行程序,系统显示8259-1。
实验六8259中断控制器实验6.1 实验目的(1) 学习中断控制器8259的工作原理。
(2) 掌握可编程控制器8259的应用编程方法。
6.2 实验设备PC微机一台、TD-PIT+实验系统一套。
6.3 实验内容1. 单中断应用实验(1)编写中断处理程序,利用PC机给实验系统分配的中断线,使用单次脉冲单元的KK1+按键模拟中断源,每次PC机响应中断请求,在显示器上显示一个字符。
(2)编写中断处理程序,利用PC机给实验系统分配的中断线,使用单次脉冲单元的KK1+按键模拟中断源,每次PC机响应中断请求,在显示器上显示“Hello”,中断5次后退出。
2.扩展多中断源实验利用实验平台上8259控制器对扩展系统总线上的中断线INTR进行扩展。
编写程序对8259控制器的IR0和IR1中断请求进行处理。
6.4 实验原理1. 8259控制器的介绍中断控制器8259A是Intel公司专为控制优先级中断而设计开发的芯片。
它将中断源优先级排队、辨别中断源以及提供中断矢量的电路集于一片中,因此无需附加任何电路,只需对8259A进行编程,就可以管理8级中断,并选择优先模式和中断请求方式,即中断结构可以由用户编程来设定。
同时,在不需增加其他电路的情况下,通过多片8259A的级连,能构成多达64级的矢量中断系统。
它的管理功能包括:1)记录各级中断源请求,2)判别优先级,确定是否响应和响应哪一级中断,3)响应中断时,向CPU传送中断类型号。
8259A的内部结构和引脚如图6-1所示。
8259A的命令共有7个,一类是初始化命令字,另一类是操作命令。
8259A的编程就是根据应用需要将初始化命令字ICW1-ICW4和操作命令字OCW1-OCW3分别写入初始化命令寄存器组和操作命令寄存器组。
ICW1-ICW4各命令字格式如图6-2所示,OCW1-OCW3各命令字格式如图6-3所示,其中OCW1用于设置中断屏蔽操作字,OCW2用于设置优先级循环方式和中断结束方式的操作命令字,OCW3用于设置和撤销特殊屏蔽方式、设置中断查询方式以及设置对8259内部寄存器的读出命令。
实验五、8259中断控制器实验和作业实验题目:8259中断控制器点亮LED灯实验一、实验目的了解8259中断控制器的基本使用,掌握中断程序编程技术。
二、实验内容使用单脉冲电路产生的脉冲信号作为386EX模块8259中断请求输入,每按一次单脉冲按键,触发一次中断,通过8255 PC0驱动LED交替亮和灭,硬件连接如题图所示。
基础三题图、8259中断控制器实验连线示意图三、实验提示MIR5是接到PC的主8259A中断控制器的IR5端,因此不需要对8259A初始化(ICW1-ICW4),但要进行设置中断矢量和打开中断等操作;注意:TPC实验平台中采用的是非自动结束,则需要在中断结束前(中断服务程序的最后)发中断结束命令。
另外、写入中断屏蔽字应采用“读—修改—写”过程,如下所述:IN AL,21HAND AL,0DFH软件实现流程图.MODEL SMALL.386CODE SEGMENTASSUME CS:CODESTART: MOV DX,203HMOV AL,90H ;设置8255控制字,OUT DX,ALMOV CL,0CLI ;关386 CPU中断;写入中断屏蔽字OCW1时,采用读取-修改-写入的顺序IN AL,21HAND AL,11011111B ;MASK BYTEOUT 21H,AL;将中断入口地址写入中断向量表PUSH DSMOV BX,0MOV DS,BXLEA AX,CS:INT_PROC ;将中断程序的入口地址给AXMOV BX,5 ;N=IRX 中断IR5MOV SI,30H ;BASE =30H 基址ADD SI,BX;基址+IR5=中断类型号为35HSAL SI,2 ; 中断类型号为35H X 4=中断向量存于SIMOV DS:[SI],AX ;将入口地址AX送到中断向量表中PUSH CSPOP AXMOV DS:[SI+2],AXPOP DSSTI ;开386 CPU中断LLL: JMP LLLINT_PROC PROC FARPUSH AXCMP CL,0JZ SET0MOV DX,203H ;PC0=1MOV AL,01OUT DX,ALMOV CL,0JMP ENDINTSET0: MOV DX,203H ;PC0=0MOV AL,00OUT DX,ALMOV CL,1ENDINT:MOV AL,20HOUT 20H,ALPOP AXSTIIRETINT_PROC ENDPCODE ENDSEND START。
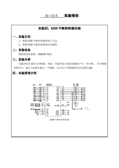
接口技术实验报告实验四:8259中断控制器实验一、实验目的1、掌握8259中断控制器的接口方法。
2、掌握8259中断控制器的应用编程。
二、实验设备微机原理实验箱、8086CPU模块。
三、实验内容用脉冲发生器作为中断源,每按一次脉冲发生器的按键即产生一次中断。
在中断服务程序中,通过74LS273输出一个数据,以点亮与中断源相对应位置的LED。
四、实验原理介绍8259中断控制器电路本实验用到三部分电路:电平开关电路、简单I/O口扩展电路和8259中断控制器电路。
电平开关电路、简单I/O口扩展电路参看实验一。
8259中断控制器电路:如上图所示,其中:CS是8259芯片的片选插孔,IR0~IR7是8259的中断申请输入插孔。
DBUS是系统8位数据总线。
INT插孔是8259向8086CPU的中断申请线,INTA是8086的中断应答信号。
五、实验步骤1.断电连接导线,连好实验线路图。
1)8259的INT连8088的INTR;2)8259的INTA连8088的INTA;3)“”插孔和8259的3号中断IR3插孔相连,“”端初始为低电平;4)8259的CS端接FF80H孔,74LS273的CS端接FF90H孔。
5)Q0~Q7 L1~L82.编译调试程序3.全速运行,观察实验现象六、实验提示1、8259芯片介绍中断控制器8259A是专为控制优先级中断而设计的芯片。
它将中断源优先级排队、辨别中断源以及提供中断矢量的电路集于一片中。
因此无需附加任何电路,只需对8259A进行编程,就可以管理8级中断,并选择优先模式和中断请求方式。
即中断结构可以由用户编程来设定。
同时,在不需要增加其它电路的情况下,通过多片8259A的级联,能构成多达64级的矢量中断系统。
2、8086的中断系统是向量中断方式。
内存中特定位置有一中断向量表,表内存有不同中断类型的中断向量(中断入口地址)。
不同中断类型的中断向量在表内有对应的偏移地址,其计算方法是:中断类型*4。
实验六 8259中断控制器实验实验项目名称:8259中断控制器实验实验项目性质:普通所属课程名称:微机原理与应用实验计划学时:2一、实验目的1、熟悉并且理解中断技术,体验中断技术对于实时的可编程系统的意义。
2、掌握中断技术所涉及的线路连接、初始化、优先级、屏蔽、中断响应、转入中断服务程序、中断结束、反复接收中断的过程与参数设置,尤其是硬件处理与软件处理的交汇点——中断向量表。
3、掌握中断控制各参数的初始化和更新方法。
二、实验内容和要求1、用单脉冲发生器(P0)作中断源,每按一次产生一次中断申请,改变一个发光二极管的亮灭状态。
如果没有中断源,则不产生中断,发光二极管的亮灭状态保持不变。
2、实验原理图三、实验主要仪器设备和材料1、EL实验箱2、计算机3、中断控制板四、实验方法、步骤及结果测试1、将中断控制板插入EL实验箱左上角的40针插座上;2、将单脉冲发生器的输出P0与8259A中断控制板的中断源IR0相连;3、将8259中断控制板的片选信号CS59与CS7相连;4、从CS0~CS7片选信号中选一个信号CS1(04b0h)与输出接口芯片74LS273的片选信号CSU8相连,74LS273的输出信号SO0接一个发光二极管L1;5、编程并调试,在中断服务程序设置断点,按下PUL键、产生单脉冲后,能够观察到发光二极管亮灭控制器的状态翻转,以及相应的发光二极管的亮灭;6、实验源程序(实验程序名T4.ASM)Assume cs:codeCode segment publicOrg 100hStart:Mov dx,3f0h ;8259初始化Mov al,13h ;ICW1设置Out dx,alMov dx,3f2hMov al,80hOut dx,al ;ICW2设置中断类型为80HMov al,03hOut dl,al ;ICW4设置Mov ax,00hOut dx,al ;OCW1设置,允许所有8个中断Mov ax,00h ;设置中断向量表OUT DX,AXMOV AX,00hMov ds,axMov si,200hMov ax,offset hintMov ds:[si],axAdd si,2Mov ds:[si],0100h ;设置中断服务程序入口地址XOR AL,AL ;初始化发光二极管亮灭控制器STI ;IF<-1,开中断Waiting:NOPJMP waiting ;在主程序无限循环Hint: ;中断服务子程序XOR AL,1 ;每响应中断、进入中断服务程序,发光二极管状态翻转一次MOV DX,04B0HOUT DX,ALIRETCode endsEnd start说明:8086的中断系统是向量中断方式,不同类型的中断向量存于不同的位置,其计算方法是:中断类型N*4中断类型的高5位由8259读出,低3位有IR的编码确定,IR0=000IR1=001...IR7=111五、实验报告要求1、试说明本实验中8259A中断控制器各寄存器ICW1、ICW2、ICW4、OCW1的初始化设置含义。
8259中断实验报告引言本实验旨在通过实践掌握8259中断控制器的工作原理和使用方法。
8259中断控制器是一种在计算机系统中用于管理和调度中断请求的硬件设备。
本实验将通过编写代码并进行实际测试,来展示8259中断控制器的功能和效果。
实验过程步骤一:准备工作在开始实验之前,我们需要准备以下材料和工具:•一台支持8259中断控制器的计算机•8259中断控制器的手册或技术资料•一份适用于目标计算机系统的编程环境步骤二:了解8259中断控制器在开始编写代码之前,我们需要对8259中断控制器有一定的了解。
查阅8259中断控制器的手册或技术资料,了解其工作原理、寄存器结构和编程方法。
步骤三:编写初始化代码在开始使用8259中断控制器之前,我们需要对其进行初始化配置。
根据目标计算机系统的要求,编写初始化代码,并将其加载到计算机系统中。
步骤四:编写中断处理程序中断处理程序是在发生中断请求时由8259中断控制器调用的代码段。
根据实际需求,编写中断处理程序,并将其加载到计算机系统中。
步骤五:测试代码在完成初始化和中断处理程序的编写后,我们需要进行代码测试。
通过触发中断请求,检查中断处理程序是否能够正确地被调用和执行。
步骤六:分析实验结果根据测试结果,分析实验中发生的问题和异常情况。
比较预期结果与实际结果之间的差异,并进一步优化代码和配置。
结果与讨论在本实验中,我们成功地使用了8259中断控制器,并编写了相应的初始化代码和中断处理程序。
经过测试,中断处理程序能够正确地被调用和执行。
然而,在实验过程中也遇到了一些问题。
例如,可能会出现中断处理程序无法正确响应中断请求的情况。
这可能是由于配置不当或代码逻辑错误所致。
在遇到问题时,我们可以通过查阅8259中断控制器的手册或技术资料,以及调试工具来进行排查和修复。
通过本实验,我们进一步加深了对8259中断控制器的理解,掌握了其工作原理和使用方法。
在实际应用中,8259中断控制器可以广泛应用于各种计算机系统,提供可靠的中断管理和调度功能。
8259中断控制实验8259是一种可编程中断控制器,它可以为CPU管理多个中断源,并将中断请求转换为优先级和中断屏蔽,从而保证CPU不会重复处理中断。
8259的工作原理是,由CPU发送中断请求信号给8259,8259从中断请求中选择最高优先级的请求并将其向CPU发出中断请求信号。
CPU接收到中断请求后,将中断处理程序存入中断向量表,并调用处理程序。
本实验的目的是熟悉8259的工作原理和接口,并学会使用它管理系统中的中断源。
实验设备:- 一台基于x86架构的计算机- 一块8259可编程中断控制器芯片- 一块串口编程板- 一根串口线实验步骤:1. 连接8259芯片到计算机,将8259连接到计算机的I/O总线上,连接好中断请求信号线和CPU的中断引脚INT引脚,将8259的中断输出线连接到CPU的从INT1到INT7的引脚,其中INT0引脚作为级联输出使用。
2. 配置8259芯片,使用8259的控制寄存器对中断源进行配置,包括优先级、中断屏蔽和中断触发方式等。
3. 编写8259驱动程序,使用8259的接口函数实现中断源的管理,包括中断请求、屏蔽、解除屏蔽和中断处理等操作。
4. 进行实验测试,编写测试程序,模拟多个中断源同时发送中断请求信号,测试8259是否可以正确选择最高优先级的中断源,并将中断请求信号发送给CPU。
5. 进行串口输出测试,使用串口编程板连接计算机的串口,编写串口中断程序,在数据接收时产生中断请求,测试8259是否可以正确处理串口中断请求,并将数据传输到CPU。
实验注意事项:1. 在配置8259时,需注意优先级和中断屏蔽的设置,以确保高优先级的中断源优先被处理,同时避免中断屏蔽导致的延迟。
2. 8259在进行中断信号转换时,需要与CPU进行同步,因此在编写驱动程序时,需注意中断处理的时机和中断向量表的设置。
3. 串口编程中使用的是异步通信方式,需要注意数据传输的时序和缓存管理,避免数据丢失或重复传输的情况。
实验七8259中断控制(2)一、电路图二、程序框图三、实验程序及注释CODE SEGMENTASSUME CS:CODEINTPORT1 EQU 0060HINTPORT2 EQU 0061HINTQ3 EQU INTREEUP3INTCNT DB ?ORG 11E0HSTART: CLDMOV DX,0FF2BHMOV AL,80HOUT DX,ALCALL WRINTVER ;WRITE INTRRUPTMOV AL,13H ;ICW1=00010011B,边沿触发、单8259、需ICW4MOV DX,INTPORT1OUT DX,ALMOV AL,08H ;ICW2=00001000B,IR3进入则中断号=08HMOV DX,INTPORT2OUT DX,ALMOV AL,09H ;ICW4=00001001B,非特殊全嵌套方式、缓冲/从、正常EOI OUT DX,ALMOV AL,0F7H ;OCW1=11110111BOUT DX,ALMOV INTCNT,01H ;TIME=1STIWATING:MOV DX,0FF28H ;主程序绿灯亮MOV AL,0F0HOUT DX,ALJMP WA TINGWRINTVER:MOV AX,0HMOV ES,AXMOV DI,002CH ;中断向量地址2CH=0BH*4LEA AX,INTQ3MOV [DI],AXRETINTREEUP3:CLIMOV AH,0FFHMOV BL,10HZ:XOR AH,BLMOV AL,0FFHAND AL,AHMOV DX,0FF28HOUT DX,ALMOV CX,0FFFFHLOOP $MOV CX,0FFFFHLOOP $MOV CX,0FFFFHLOOP $SHL BL,1HCMP BL,00HJNZ ZINTRE2:MOV AL,20H ;OCW2=001 00 000B非特殊EOI命令MOV DX,60HOUT DX,ALSTIIRETCODE ENDSEND START四、实验结果运行程序后,绿色LED灯点亮。
浙江工业大学计算机学院实验报告一、实验内容与要求1.1 实验内容直接用手动产生单脉冲作为中断请求信号。
要求每按一次开关产生一次中断,在屏幕上显示一次“This is n Interrupt!”,每次中断后都可以输出这是第几次中断,并且能超过10次(即两位数)。
1.2 实验要求(1)利用8259实现对外部中断的响应和处理;(2)程序对每次中断进行计数;(3)计数次数能超过10次;(4)每次响应能显示这是第几次响应。
二、实验原理与硬件连线2.1 实验原理PC机用户可使用的硬件中断只有可屏蔽中断,由8259中断控制器管理。
中断控制器用于接收外部的中断请求信号,经过优先级判别等处理后向CPU发出可屏蔽中断请求。
IBMPC、PC/XT 机内有一片8259中断控制器对外可以提供8个中断源:中断源中断类型号中断功能IRQ0 08H 时钟IRQ1 09H 键盘IRQ2 0AH 保留IRQ3 OBH 串行口2IRQ4 0CH 串行口1IRQ5 0DH 硬盘IRQ6 0EH 软盘IRQ7 0FH 并行打印机8个中断源的中断请求信号线IRQ0~IRQ7在主机的62线ISA总线插座中可以引出,系统已设定中断请求信号为“边沿触发”,普通结束方式。
对于PC/AT及286以上微机内又扩展了一片8259中断控制,IRQ2用于两片8259之间级联,对外可以提供16个中断源:中断源中断类型号中断功能IRQ8 070H 实时时钟IRQ9 071H 用户中断IRQ10 072H 保留IRQ11 O73H 保留IRQ12 074H 保留IRQ13 075H 协处理器IRQ14 076H 硬盘IRQ15 077H 保留TPC-USB实验板上,将中断源固定接到3号中断IRQ3上,即进行中断实验时,所用中断类型号为0BH。
2.2 硬件连线“”插孔和8259的3号中断IR3插孔相连,“”端初始为低电平。
三、设计思路、步骤和程序流程图3.1 设计思路本实验利用8259的IRQ3中断响应,实现每输入一次脉冲就输出当前的次数,并且要超过10,与原本实验不同。
实验报告
一、实验目的
⑴掌握8259中断控制器的接口方法。
⑵掌握8259中断控制器的应用编程。
二、实验内容
编制程序,利用8259芯片的IR作为中断源,产生单一中断,系统显示中断号“7”。
三、实验过程
(1)实验连线
(2)实验步骤
编写源程序,编译、装载,连续运行程序,按动AN按钮,LED数码管从最高位开始依次显示“7”,显示满后,最高位显示“P.”,继续等待中断。
四、实验总结(不少于150字)
最高位显示“P.”:
LED数码管从最高位开始依次显示“7”:
心得体会:
这次试验是一次硬件的实验,与以前的实验有很大的不同(以前的是软件实验)。
硬件实验与软件实验最大的不同就是,硬件实验室需要连线,不管你的实验能不能成功,都要先把线连好,否则就没有成功一说
五、思考题
若改用其他中断源,应怎样修改连线及程序?(不少于100字)
试从端口地址、初始化工作方式、系统功能调用入口参数及出口参数设置以及硬件连线几个方面进行阐述。