作业题-墙身大样
- 格式:doc
- 大小:108.00 KB
- 文档页数:2
墙身构造设计作业一以上为参考图(楼、屋面为预制板);本作业楼、屋面应改为现浇板,屋面檐沟形式自定。
第一章第一节生活中的立体图形(第一课时)六年级上备课:杨金玲【学习目标】:1.感受图形世界的丰富多彩.2.认识现实背景中的圆柱、圆锥、正方体、长方体、棱柱、球.【教学方法】:引导发现法【教学过程】:1、[议一议](1)按柱体、_______、球体划分。
(2)按组成的面是______面还是_____面划分。
(3)按是否由平面图形绕直线_______形成划分。
2、用自己的语言描述棱柱与圆柱的相同点和不同点。
知识点1、生活中常见几何体:柱体(棱柱、圆柱)、锥体(棱锥、圆锥)、球体、台体(圆台、棱台)例1.将以下几何体分类,并说明理由。
请你总结:棱柱与圆柱的相同点和不同点2个底面底面形状(1)相同点不同点上下粗细均匀侧面个数、形状底面形状底面个数(2)相同点不同点侧面形状侧面都是平面上下粗细知识点2、常见几何体的主要特征:(如右边图表)例2:同组交流,试着找出下列几何体的共同点。
分类1、长方体共有()个面. A.8 B.6 C.5 D.42、六棱柱共有()条棱. A.16 B.17 C.18 D.203、下列说法,不正确的是()A、圆锥和圆柱的底面都是圆.B、棱锥底面边数与侧棱数相等.C、棱柱的上、下底面是形状、大小相同的多边形.D、长方体是四棱柱,四棱柱是长方体.4、判断题:(1)棱柱侧面的形状可能是一个三角形()(2)棱柱的每条棱长都相等.()(3)正方体和长方体是特殊的四棱柱,也是特殊的六面体.()5、正方体有个面,个顶点,经过每个顶点有条棱.这些棱的长度(填相同或不同).棱长为acm的正方体的表面积为cm2.。
建筑构造作业任务书一、题目:墙身剖面设计二、设计条件:某公共建筑平面如图所示,层数三层,底层层高3.6米,二、三层层高3.0米,室内外高差为0.50米。
建筑四周设明沟,出入口明沟加设盖板。
结构形式为砖混体系,楼盖和屋面均为现浇混凝土结构,地面为实铺式地面。
门厅入口处门高2.7米,上设过梁。
门斗上设雨篷,出挑长度为1.5米,雨篷设反梁,高0.3米。
外墙面为小型面砖贴面,内墙面为内墙涂料饰面。
地面装修为缸砖饰面。
三、设计要求:设计并绘出E轴1-1、2-2墙身详图。
(不绘屋顶部分)四、图纸要求:3#绘图纸,针管笔作图(墨线),图面质量应符合国家制图标准。
比例:1:20。
平面图如下:一层平面二层平面三层平面1、墙身详图的表达方式及规定画法墙身详图实质上是建筑剖面图中外墙身部分的局部放大图。
它主要反映墙身各部位的详细构造、材料做法及详细尺寸,如檐口、圈梁、过梁、墙厚、雨篷、阳台、防潮层、室内外地面、散水等,同时要注明各部位的标高和详图索引符号。
墙身详图与平面图配合,是砌墙、室内外装修、门窗安装、编制施工预算以及材料估算的重要依据。
墙身详图一般采用1∶20的比例绘制,如果多层房屋中楼层各节点相同,可只画出底层。
中间层及顶层来表示。
为节省图幅,画墙身详图可从门窗洞中间折断,化为几个节点详图的组合。
墙身详图的线型与剖面图一样,但由于比例较大,所有内外墙应用细实线画出粉刷线以及标注材料图例。
墙身详图上所标注的尺寸和标高,与建筑剖面图相同,但应标出构造做法的详细尺寸。
图8.31为某小区别墅墙身详图。
2、墙身详图的识读(1)了解图名、比例由图8.31可知,该图为外墙身详图,比例为1∶20。
(2)了解墙体的厚度及所属定位轴线。
该详图适用于轴线上的墙身剖面,砖墙的厚度370mm,偏轴(以定位轴线为中心外偏250mm,内偏120mm)。
(3)了解屋面、楼面、地面的构造层次和做法从图中可知,楼面、屋面均为四层构造,地下室地面采用七层构造做法。
建筑构造作业——墙身剖面一层平面二层平面三层平面1、墙身详图的表达方式及规定画法墙身详图实质上是建筑剖面图中外墙身部分的局部放大图。
它主要反映墙身各部位的详细构造、材料做法及详细尺寸,如檐口、圈梁、过梁、墙厚、雨篷、阳台、防潮层、室内外地面、散水等,同时要注明各部位的标高和详图索引符号。
墙身详图与平面图配合,是砌墙、室内外装修、门窗安装、编制施工预算以及材料估算的重要依据。
墙身详图一般采用1∶20的比例绘制,如果多层房屋中楼层各节点相同,可只画出底层。
中间层及顶层来表示。
为节省图幅,画墙身详图可从门窗洞中间折断,化为几个节点详图的组合。
墙身详图的线型与剖面图一样,但由于比例较大,所有内外墙应用细实线画出粉刷线以及标注材料图例。
墙身详图上所标注的尺寸和标高,与建筑剖面图相同,但应标出构造做法的详细尺寸。
图8.31为某小区别墅墙身详图。
2、墙身详图的识读(1)了解图名、比例由图8.31可知,该图为外墙身详图,比例为1∶20。
(2)了解墙体的厚度及所属定位轴线。
该详图适用于轴线上的墙身剖面,砖墙的厚度370mm,偏轴(以定位轴线为中心外偏250mm,内偏120mm)。
(3)了解屋面、楼面、地面的构造层次和做法从图中可知,楼面、屋面均为四层构造,地下室地面采用七层构造做法。
各构造层次的厚度、材料及做法,详见图中构造引出线上的文字说明。
(4)了解各部位的标高、高度方向的尺寸和墙身细部尺寸墙身详图应标注室内外地面、各层楼面、屋面、窗台、圈梁或过梁以及檐口等处的标高。
同时,还应标注窗台、檐口等部位的高度尺寸及细部尺寸。
在详图中,应画出抹灰及装饰构造线,并画出相应的材料图例。
(5)了解各层梁(过梁或圈梁)、板、窗台的位置及其与墙身的关系。
由墙身详图可知,窗过梁为现浇的钢筋混凝土梁,门过梁由圈梁(沿房屋四周外墙水平设置的连续封闭的钢筋混凝土梁)代替,楼板为现浇板。
窗框位置在定位轴线处。
(6)了解檐口的构造做法。
从墙身详图中檐口处的索引符号,可以查出檐口的细部构造做法。
《土建案例》练习题1 建筑面积计算1.1某民用住宅如图所示,雨篷水平投影面积为3300mm×1500mm,计算其建筑面积。
1.2 如图,某多层住宅变形缝宽度为0.20 m,阳台水平投影尺寸为1.80×3.60 m (共18个),雨蓬水平投影尺寸为2.60×4.00 m,坡屋面阁楼室内净高最高点为3.65m,坡屋面坡度为1:2;平屋面女儿墙顶面标高为11.60 m。
请按建筑工程建筑面积计算规范(GB/T50353-2005)计算下图的建筑面积,并按04年计价表规定计算外墙脚手架工程量。
2 土石方工程2.1 试计算图示建筑物人工场地平整的工程量及其综合基价,墙厚均为240,轴线均坐中。
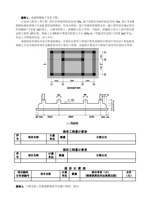
2.2某厂房土建工程,采用柱下独立基础,其平面图、剖面图如下,共 18 个。
已知工程的做法及相关的工程资料如下:(1)室内设计地坪标高0.00,室外设计地坪标高-0.3m;(2)土壤类别为三类干土;土方挖、填计算均按天然密实体积;(3)混凝土为现场自拌,混凝土强度等级为:基础垫层C10,独立柱及独立基础基础均为C25;问题:根据下面资料以及《江苏省建筑与装饰工程计价表》(2004),列项并计算出该基础工程±0.00以下基础及土方工程有关的分部分项工程量(不计算室内回填土),并套价计算出分部分项工程费。
本工程施工方案的有关资料及有关要求如下:(1)基坑采用人工放坡开挖,放坡比例为1:0.33,设置工作面(砼垫层边至地槽边为300mm),自垫层下表面开始放坡;(2)基坑边可以堆放土方490m3,挖出的土方其余部分使用双轮车运至现场指定地点(运距200m)集中堆放;回填土方时,再用双轮车从集中堆放地点运回;回填土均为夯填;(3) 余土不予考虑;(4) 计量单位要规范,计算结果保留二位小数;2.3 如图为某建筑物的基础图,图中轴线为墙中心线,墙体为普通黏土一墙砖,室外地面标高为-0.3m,求该基础人工挖三类干土的工程量。
墙身剖面节点大样已知:某砖混结构小学教学楼的教学区为三层,层高为3.90 m;室内外地面高差为0.60 m;窗洞口尺寸为1800 mm×2400 mm;外墙选用普通粘土砖墙,厚度不小于240 mm;楼板采用预制钢筋混凝土空心楼板,其他设计所需条件可自定。
要求:沿外墙窗纵剖,直至基础以上,完成图7—26中①、②、⑧三个节点的构造详图。
剖切到的部分用材料图例表示,并用多层引出线注明构造做法。
解题指导:通过本次作业练习,培养学生正确理解墙身构造设计的原理和方法,熟悉墙体与楼板、屋顶的位置关系,熟练掌握各节点的材料做法,并培养学生的实际动手能力。
通过识读条件图,可看出本次作业主要包括三大内容:即墙脚、窗台、窗过梁和楼板节点。
(1)墙脚部分——节点①墙脚部分一般包括散水、勒脚、水平防潮层、室内地面和踢脚等主要内容。
因此应结合以上部分的构造特点及常用做法,选择其切实可行的构造方案。
散水:一般由基层、垫层和面层三部分组成,设置于建筑物外墙四周,为将积水迅速排离建筑物,表面应向外做成坡面,坡度为2%~5%。
一般宽度为600~800 mm。
勒脚:常选用具有一定强度和防水性能的材料,如水刷石抹面、面砖贴面等。
在绘制散水与勒脚的节点构造时,常常有同学将勒脚做在散水面层上,如图。
该图是错误的,因为当建筑物外墙下沉时,其节点必然会被拉裂或勒脚受挤而剥开。
因此,散水与勒脚处应断开,并用弹性的防水材料嵌缝。
水平防潮层:按材料不同有三种材料做法,该方案可选用防水砂浆防潮。
其位置可设置在地面垫层范围内,地面标高以下一皮砖(-0.060 m)处。
室内地面:一般由基层、垫层和面层组成。
面层可选用水泥砂浆双层做法。
踢脚:一般指地面的延伸部分,防止擦洗地面时弄脏墙面。
其材料一般与地面相同,高度通常为150~200 mm。
(2)窗台部分——节点②窗台包括内窗台和外窗台两部分。
内窗台制作简便,可采用水泥砂浆抹面或预制水磨石板等。
外窗台又分悬挑窗台和不悬挑窗台,为防止悬挑窗台下部易积脏墙面,该方案可选用不悬挑窗台,此时勒脚可延续至窗台处,立面上形成统一整体。
《建筑构造实训》作业要求
大作业(一):墙体构造设计作业
1、设计任务书 P37页 2.1.1某市办公楼5层砖混结构图2.2 A 轴线墙身大样图.墙厚均取180.
2、比例:1:10设计图纸内容及深度要求P39页—P41页 2.1.2墙身节点(包括散水或明沟、勒脚、窗台、墙身防潮层、过梁或圈梁、地坪层和楼板层及内外墙装修)节点在同一条垂直线上.
(按提供建筑的平面图、剖面图及必要的资料和条件,要求按指定位置设计墙身节点并画出详图)
大作业(二):楼梯构造设计作业
1、设计任务书 P55页题目一:某住宅楼梯构造设计图3.1
2、2号图纸,图纸内容及深度要求P57页—P58页平面图(3 个)1:50;剖面图1:30;节点详图3个)
(按提供的楼梯间尺寸和使用要求,决定楼梯尺寸和构造,并画出楼梯图)
大作业(三):屋面排水及节点设计
1、设计任务书 P72页题目一:办公楼屋面排设计图4.1
2、2号图纸,图纸内容及深度要求P75页屋顶平面图1:100 节点详图3个1:10
(按提供的平面图和必要的资料和条件决定排水方案,设计节点并画出详图)
6月10日必须交齐作业,送省电大,希望大家相互告知。
作业一:墙身大样
一、设计条件
1、某砖混结构办公楼层高为3.60m,室内外高差为0.45m,层数二层,窗洞口尺寸为1800mm×1800mm。
2、外墙为砖墙,厚度不小于240mm。
3、楼板采用预制钢筋混凝土楼板。
4、设计所需的其它条件自定。
二、作业深度及要求
用A3图纸一张,按建筑制图标准规定,绘制外墙墙身节点详图。
要求按顺序自下而上布置在同一垂直轴线(即墙身定位轴线)上。
比例1:10。
1、节点详图A——墙身和地坪层构造
(1)画出墙身、勒脚、散水或明沟、防潮层、室内外地坪、踢脚线和内外墙面抹灰,剖切到的部分用材料图例表示。
(2)用引出线注明勒脚做法,标注勒脚高度。
(3)用多层构造引出线注明散水或明沟各层做法,标注散水或明沟的宽度、排水方向和坡度值。
(4)表示防潮层位置,注明做法。
(5)用多层构造引出线注明地坪层的各层做法。
(6)注明踢脚线的做法,标注踢脚线的高度等尺寸。
(7)标注定位轴线及编号圆圈,标注墙身厚度(在轴线两边分别标注)和室内外地面标高。
2、节点详图B——窗台构造
(1)画出墙身、内外墙面抹灰、内外窗台和窗框等。
(2)用引出线注明内外窗台的饰面做法,标注细部尺寸,标注外窗台的排水方向和坡度值。
(3)按开启方向和材料表示出窗框,表示清楚窗框和窗台饰面的连接(参考门窗构造章节内容)。
(4)用多层构造引出线标注内外墙装修做法。
(5)标注窗台标高(结构面标高)。
3、节点详图C——过梁和楼板层构造
(1)画出墙身、内外墙面抹灰、过梁、窗框、楼板层和踢脚线等。
(2)表示清楚过梁的断面形式,标注有关尺寸。
(3)用多层构造引出线标注楼板层做法,表示清楚楼板的形式以及板与墙的相互关系。
(4)标注踢脚线的做法和尺寸。
(5)标注过梁底面(结构面)标高。
(6)注写图名和比例。