安全生产标准化记录清单
- 格式:docx
- 大小:36.13 KB
- 文档页数:7
安全生产标准化台帐目录清单安全生产标准化是指在生产过程中,依照国家和行业的安全生产法律、法规以及标准规范的要求,采取具体措施,确保生产过程中人员、设备和环境的安全;台账目录是作为安全管理的重要工具,用于记录和管理各项安全指标和台账内容,以便随时检查、核查和测评。
本文将介绍一份较为完整的安全生产标准化台账目录清单,以供参考。
一、安全生产管理机构台账1. 安全生产管理部门组织机构及职责分工2. 安全生产管理岗位职责及权限清单3. 安全生产管理人员资质证书及培训记录4. 安全生产管理人员考核评价记录二、安全技术措施台账1. 安全技术措施计划及执行情况记录2. 安全设施设备检查及维护记录3. 安全检测仪器仪表校准记录4. 安全生产标准化自评及整改台账三、安全教育培训台账1. 安全教育培训计划及执行情况记录2. 安全教育培训档案及证书管理台账3. 安全教育培训考试及考核成绩记录4. 安全培训效果评估及改进台账四、生产作业规范台账1. 作业规程、操作规范编制及修订记录2. 作业许可证发放及管理台账3. 作业人员资质及操作证书管理台账五、应急管理台账1. 应急演练计划及执行情况记录2. 应急演练评估及改进台账3. 安全生产事故处置及善后处理台账六、职业健康管理台账1. 作业场所职业卫生检测记录2. 职业健康档案管理台账3. 员工职业健康体检及随访记录4. 违规操作及职业健康事故记录七、安全奖惩台账1. 安全生产优秀个人及团队评选台账2. 安全事故责任追究及处理台账3. 安全管理制度违反情况及处理台账八、安全检查台账1. 安全检查计划及执行情况记录2. 安全隐患排查及整改台账3. 安全生产督导检查记录4. 安全生产抽查台账九、安全巡检台账1. 安全巡检计划及执行情况记录2. 安全巡检单填写及处理台账3. 安全巡检发现问题整改台账十、安全记录及报表台账1. 安全事故记录及报表2. 安全事故隐患记录及报表3. 安全生产检查报告及整改情况记录4. 安全生产分析报告及改进措施台账结语:安全生产标准化的台账目录清单是企业安全生产管理的重要工具,可以帮助企业监督、管理和改进安全生产工作。
安全生产标准化建设记录安全生产是企业发展的基石,也是保障员工生命安全和健康的重要举措。
为了加强安全生产管理,提高安全生产标准化水平,我公司积极开展了安全生产标准化建设工作,取得了一系列成效,现进行记录如下:一、建立安全生产标准化管理体系。
公司成立了安全生产标准化管理工作小组,明确了各部门的职责和任务,制定了安全生产标准化管理制度和操作规程,建立了安全生产档案和台账,确保安全生产工作有序开展。
二、加强安全生产教育培训。
公司开展了安全生产知识培训和技能培训,提高了员工的安全意识和应急处置能力,制定了安全操作规程和应急预案,确保员工在工作中能够做到安全生产。
三、落实安全生产责任制。
公司明确了各级管理人员和岗位工作人员的安全生产责任,建立了安全生产考核评价机制,对安全生产工作进行定期检查和评估,及时发现和解决安全隐患,确保安全生产工作的落实。
四、推进安全生产标准化建设。
公司注重安全生产标准化建设的全员参与,通过安全生产标准化检查,发现并整改了一批安全隐患,提升了安全生产管理水平,确保了生产经营活动的安全稳定进行。
五、加强安全生产宣传。
公司通过多种形式开展安全生产宣传活动,增强了员工的安全意识,提高了员工的安全防范意识,形成了全员参与、共同维护的良好局面。
六、总结经验,改进工作。
公司不断总结安全生产标准化建设工作经验,及时发现问题并采取改进措施,不断提高安全生产管理水平,确保了企业的安全稳定发展。
七、展望未来。
公司将继续加大对安全生产标准化建设工作的投入,不断完善安全生产管理体系,提高员工的安全意识和技能水平,全面提升企业的安全生产标准化水平,为员工的生命安全和企业的可持续发展保驾护航。
在未来的日子里,我们将继续坚持“安全第一、预防为主”的方针,不断加强安全生产标准化建设工作,为公司的可持续发展和员工的健康安全保驾护航。
安全生产标准化资料清单企业安全标准化需准备的资料(制度、文件、记录)(仅供参考,文末下载)一、安全生产目标:1、《安全生产目标指标管理制度》2、《下发安全生产目标指标管理制度文件》3、《安全生产目标指标管理制度发放记录》4、《公司年度安全生产目标与指标计划》5、《下发公司年度安全生产目标与指标计划文件》6、《公司目标指标发放记录》1、《公司年度安全生产目标与指标分解》计划2、《公司年度安全生产目标指标实施计划或考核办法》3、《各职能部门安全生产目标指标实施计划或考核办法》4、《各职能部门安全生产目标指标实施情况检查记录》5、《公司安全生产目标指标实施情况评估记录》6、《公司安全生产目标指标实施情况评估报告》7、《公司安全生产目标指标实施调整计划》(若结论为不符合时有7-9项)8、《调整后的公司安全生产目标指标》文件9、《调整后的公司安全生产目标指标发放记录》二、组织机构和职责1、《设置安全管理机构、配备安全管理人员管理制度》2、《管理制度发放文件》3、《安全管理机构设置、安全管理人员配备文件》4、《安全管理机构设置、安全管理人员配备文件发放记录》5、《安委会或领导小组设置文件》6、《安委会或领导小组设置文件发放记录》7、《安委会会议记录》8、《安委会会议纪要》9、《安委会会议纪要下发记录》10、《安委会工作制度》11、《安全工作例会制度》1、《安全生产责任制管理制度》2、《下发安全生产责任制管理制度文件》3、《安全生产责任制管理制度文件发放记录》4、《各级人员安全生产责任制》5、《下发各级人员安全生产责任制文件》6、《各级人员安全生产责任制发放记录》7、《安全生产责任制检查记录》8、《安全生产责任制考核记录》9、《安全生产责任制培训记录》(主要对各级管理层)10、《安全生产责任制评审报告》11、《安全生产责任制评审记录》12、《关于更新安全生产责任制的文件》(当评审结论为不适宜时有11-13项)13、《安全生产责任制更新记录》14、《关于更新安全生产责任制的文件发放记录》三、安全投入(记录从5月1日开始)1、《安全生产费用提取和使用管理制度》(财务部)2、《安全生产费用使用台帐》(财务部)3、《财务报表安全生产费用分类管理科目》(财务部)4、《年度安全生产费用使用计划》(财务部)1、《工伤保险和安全生产责任保险管理制度》(人力资源部)2、“关于下发《工伤保险和安全生产责任保险管理制度》的通知”(人力资源部)3、“关于下发《工伤保险和安全生产责任保险管理制度》的通知”发放记录(人力资源部)4、《公司月度工伤保险缴费记录》或《人力资源社会保障局工伤保险缴费回执发票》(人力资源部)5、《事故调查报告》(如果有事故,应该有5-10项或更多材料)6、《工伤认定材料》7、《申请伤残鉴定材料》8、《伤残等级鉴定材料》9、《员工伤残津贴领取记录》10、《员工一次性伤残补助金领取记录》四、法律法规与安全管理制度1、《安全生产法律法规与其他要求管理制度》2、“关于下发《安全生产法律法规与其他要求管理制度》的通知”3、“关于下发《安全生产法律法规与其他要求管理制度》的通知”发放记录4、《各部门定期识别、获取适用法律法规记录》5、《各部门法律、法规汇总记录》6、《各部门法律法规分类汇总记录》7、《安全生产法律、法规及其他要求清单》8、《安全生产法律、法规及其他要求清单》发放记录9、安全生产法律、法规及其他要求文本或电子版10、《安全生产法律、法规培训记录》11、《安全生产法律法规考试卷》1、《安全生产档案管理制度》、《文件管理制度》、《安全检查管理制度》2、“关于下发《文件管理制度》的通知”3、《安全目标管理》、《安全生产责任制管理》、《法律法规标准规范管理》、《安全投入管理》、《文件和档案管理》、《风险评估和控制管理》、《安全教育培训管理》、《特种作业人员管理》、《设备设施安全管理》、《建设项目安全“三同时”管理》、《生产设备设施验收管理》、《生产设备设施报废管理》、《施工和检维修安全管理》、《危险物品及重大危险源管理》、《作业安全管理》、《相关方及外用工(单位)管理》、《职业健康管理》、《劳动防护用品(具)和保健品管理》、《安全检查及隐患治理》、《应急管理》、《事故管理》、《安全绩效评定管理》《消防安全管理》《领导带班现场制度》《班组岗位达标制度》等25项管理制度。
危险化学品从业单位安全标准化所需文件、记录清单险化学品从业单位安全标准化所需文件、记录清单危险化学品从业单位安全标准化所需文件、记录清单《部门安全活动记录》《安全活动检查记录》危险化学品从业单位安全标准化所需文件、记录清单 序号 标准条款 文件、记录名称备注87 5。
5.1各建设项目与安全设施"三冋时"档案 88《安全设施管理台账》89《安全设施管理制度》90《安全设施维护保养检查记录》91 5o 5o 2《安全设施、设备检维修计划》92《安全设施拆除、停用资料》93《监视和测量设备台帐》94《定期进行校准和维护的证书、记录》95《特种设备管理制度》96《定期检验记录》97特设人员有效期内证书98《特种设备台帐和档案》99《特种设备运行记录和故障记录》100 5.5.3《特种设备日常维修保养记录》101《特种设备事故应急救援预案及演练记录》102特种设备登记证书103《定期检验申请资料》104《特种设备事故隐患台账》105《报废的特种设备注销手续》106《操作人员培训记录》107《压力容器和压力管道及安全附件检验报告》108《安全阀检验报告》109《爆破片、防爆膜合格证及更换记录》110《紧急停车系统分布图及维护记录》111《监控、报警系统、联锁系统维护、调试记录》112 5.5.4《各类动设备,包括备用设备维护保养记录》113 《工艺过程风险评价纪录》114《岗位操作规程》115《生产装置开车前安全条件确认检查表》116《系统气密、置换及动设备空试记录》117《装置开车方案》118《操作规程和应急预案》119《开车前隐患排查与整改记录》84 85 86。
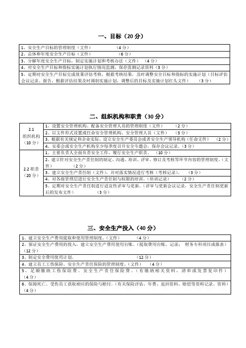
安全生产标准化内容(一)目标1、3安全生产目标管理制度。
2、公司总体规划及关于公布公司安全生产目标的通知3、安全目标、计划分解展开及考核表。
4、安全生产目标情况检查表(各部门都要填一份)。
5、文件发放记录6、安全生产目标完成效果评估报告7、安全生产目标、计划效果评估表。
(二)组织机构和职责1、2安全生产责任制管理制度。
2、设置安全管理机构及配备安全管理人员管理制度。
3、关于成立安全生产工作领导小组的通知(发文)4、关于颁布实施安全生产标准化管理有关制度的通知。
(发文)5、关于……任命的决定(发文)6、公司组织架构图。
7、安全管理网络图。
8、主要负责人和安全管理人员(后面附有管理人员证件复印件)。
9、安全生产工作领导小组会议纪要每一季度开一次会议,每次会议要有签到表)10、1安全标准化管理制度。
11、各部门安全责任制培训记录表(还要签到表)12、安全责任书(逐级签订)。
13、各职能部门级责任人安全职责履行检查考核表。
14、文件发放记录15、安全责任制评估表。
(三)安全生产投入1、5安全生产费用提取和使用管理制度2、6工伤保险管理制度3、安全生产经费投入计划。
4、安全投入登记表。
5、工伤保险或安全生产责任险。
(四)法律法规与安全管理制度1、7安全生产法律法规及其它要求管理制度。
2、识别、获取的安全生产法律法规及其他要求清单。
3、法律法规执行情况评价表4、识别、获取的安全生产法律法规标准规范汇总表。
5、企业适用的安全生产法律法规及其他要求清单。
6、法律法规标准培训学习培训记录表(签到表)7、安全生产法律法规、标准及其他要求培训考核表8、相关法律法规及其他要求符合性评价报告。
9、安全生产管理制度汇编。
10、安全操作规程汇编。
11、规章制度、安全操作规程培训记录表(签到表)12、规章制度、安全操作规程检查评估表。
13、安全生产规章制度和操作规程修订记录14、安全生产资料档案管理15、目录16、文件发放记录(五)教育培训1、12安全教育管理制度。
安全生产标准化记录安全生产标准化记录根据公司安全生产管理部门的工作要求,为了确保生产过程中的安全和稳定,按照国家有关法律法规、行业标准、企业内部规章制度以及相关技术规范,制定了以下安全生产标准化记录。
本记录将详细记录我公司在生产过程中的安全措施、安全操作和安全管理情况,以便今后的参考和总结。
一、生产设备的安全标准化1. 设备清单:记录所有生产设备的名称、型号、安全生产许可证号码等。
2. 设备检修:定期检修设备,确保设备在正常工作状态。
记录检修日期、检修内容和结果。
3. 设备操作规程:制定日常设备操作规程,包括设备启动、停机、维护等操作流程,并确保全体员工掌握并遵守。
4. 设备安全检查:定期对设备进行安全检查,记录检查日期、检查内容和结果,并及时进行整改。
二、作业场所的安全标准化1. 环境整治:定期清理作业场所,清除杂物,确保通道畅通,防止火灾和事故的发生。
2. 危险区域划定:对作业场所内的危险区域进行标识和划定,保证员工的安全。
3. 安全防护设施:配备必要的安全防护设施,包括防护栏杆、安全帽、防护眼镜等,并确保员工正确使用。
三、员工的安全标准化1. 安全教育培训:开展定期的安全教育培训,培养员工的安全意识和安全技能。
记录培训内容、参与人数和效果。
2. 安全操作规程:制定员工安全操作规程,包括使用工具、操作设备等。
记录员工对规程的掌握情况和操作是否规范。
3. 安全知识考核:定期进行安全知识考核,评估员工的安全知识掌握情况,并记录考核结果,及时对不合格人员进行培训和整改。
四、应急预案的标准化1. 应急演练:定期组织应急演练,检验应急预案的有效性和员工应对突发事件的能力。
记录演练日期、演练内容和评估结果,并及时修订应急预案。
2. 应急物资储备:建立应急物资储备制度,确保应急物资的充足供应,包括灭火器、急救箱等,并定期检查和更新。
以上为我公司安全生产标准化记录的主要内容,为了确保生产过程中的安全和稳定,公司将进一步加强对安全生产标准化记录的跟踪和监督,及时总结经验,不断完善安全生产管理体系,提高员工的安全意识和技能,共同维护公司生产的安全和稳定。
安全生产标准化记录根据安全生产标准,以下是对应的记录:记录1:日期:20XX年XX月XX日记录人:XXX1. 事故预防措施的执行情况- 进行了XXX方面的安全检查,没有发现异常情况。
- 工作人员在XXX进行了培训,提高了安全意识。
2. 安全设施维护情况- 检查了XXX安全设施,没有发现损坏或异常情况。
- 工作人员对XXX设施进行了维护和修复,确保其正常使用。
3. 应急救援准备情况- 巡查了应急救援设施,确认其完备并易于使用。
- 组织了XXX应急演练,提高了工作人员的应急响应能力。
4. 生产作业安全控制情况- 审核了生产作业程序,确保符合安全要求。
- 定期检查作业场所,发现并解决了潜在的安全隐患。
5. 安全事故记录和处理情况- 过去一段时间内没有发生安全事故。
- 报告了之前的安全事故处理情况,采取了相应的补救措施。
6. 其他安全生产相关事项- XXX记录2:日期:20XX年XX月XX日记录人:XXX1. 事故预防措施的执行情况- 进行了XXX方面的安全检查,没有发现异常情况。
- 工作人员在XXX进行了培训,提高了安全意识。
2. 安全设施维护情况- 检查了XXX安全设施,没有发现损坏或异常情况。
- 工作人员对XXX设施进行了维护和修复,确保其正常使用。
3. 应急救援准备情况- 巡查了应急救援设施,确认其完备并易于使用。
- 组织了XXX应急演练,提高了工作人员的应急响应能力。
4. 生产作业安全控制情况- 审核了生产作业程序,确保符合安全要求。
- 定期检查作业场所,发现并解决了潜在的安全隐患。
5. 安全事故记录和处理情况- 过去一段时间内没有发生安全事故。
- 报告了之前的安全事故处理情况,采取了相应的补救措施。
6. 其他安全生产相关事项- XXX请注意,以上记录仅为示例,请根据实际情况进行修改和完善。
安全生产标准化台帐目录清单一、安全生产目标管理台帐1、安全生产目标责任书企业与各部门、各车间、各班组签订的安全生产目标责任书。
责任书应明确安全生产目标、责任、考核和奖惩等内容。
2、安全生产目标分解与考核记录安全生产目标的分解方案,将总体目标分解到各个部门、岗位和时间段。
定期对安全生产目标的完成情况进行考核的记录,包括考核结果、奖惩情况等。
二、安全生产组织机构与职责台帐1、安全生产组织机构图展示企业安全生产管理的组织架构,包括领导机构、管理部门、车间班组等。
2、安全生产管理人员任命文件任命安全生产管理人员的正式文件,明确其职责和权限。
3、安全生产职责清单企业各级领导、各部门、各岗位的安全生产职责清单。
4、安全生产责任制考核记录对各级人员履行安全生产责任制情况的考核记录。
三、安全生产管理制度台帐1、安全生产管理制度汇编企业制定的各项安全生产管理制度,如安全生产责任制、安全检查制度、安全教育培训制度等。
2、安全生产管理制度修订记录对安全生产管理制度进行修订的相关记录,包括修订原因、修订内容、审批情况等。
四、安全教育培训台帐1、安全教育培训计划年度安全教育培训计划,包括培训内容、培训对象、培训时间、培训方式等。
2、安全教育培训记录每次安全教育培训的详细记录,包括培训时间、培训内容、培训人员签到表、培训考核结果等。
3、新员工三级安全教育档案新员工入职时进行的公司级、车间级、班组级安全教育的记录和考核结果。
4、特种作业人员培训与资格证书管理特种作业人员的培训计划和记录,以及其资格证书的复印件和有效期管理记录。
五、安全检查与隐患排查治理台帐1、安全检查表各类安全检查表,如日常安全检查表、专项安全检查表、节假日安全检查表等。
2、安全检查记录每次安全检查的详细记录,包括检查时间、检查人员、检查内容、发现的问题和隐患等。
3、隐患排查治理台账隐患排查治理的全过程记录,包括隐患的发现、评估、登记、治理、验收和销号等。
4、重大隐患治理方案与档案对重大隐患制定的治理方案,以及治理过程中的相关记录和档案。
安全生产标准化文件(制度及记录等)清单
---------------------------
---------------------------
---------------------------
---------------------------
---------------------------
砂石料、砼生产系统;钻孔、洞室作业等场所检测、监测记录记录工程项目部存档
急性职业危害场所应急处置方案文件工程项目部存档
职业危害防护设施及器具台账记录工程项目部存档
职业危害防护设施及器具校验维护记录记录工程项目部存档
特殊职业卫生岗位人员健康体检记录记录工程项目部存档
严重职业危害作业人员教育培训记录记录工程项目部存档
项目部应急预案体系文件工程项目部存档,和项目要求保持一致---------------------------。