第四章 固液分离设备
- 格式:ppt
- 大小:1.79 MB
- 文档页数:38
11级生物工业下游技术复习第一章绪论一、生物分离技术的基本路线?二、主要生物分离技术的分离原理?三、生物分离技术的特点?四、生产中怎样选取生物分离技术手段?第二章下游技术的基础理论1.对生物产品进行分离的理论依据有那三个方面?2.化学性分子识别和生物学的特异性相互作用的相似和区别?第三章发酵液预处理一、名词解释1.凝聚: 2.絮凝: 3.过滤: 4.离心沉降: 5.离心过滤: 6.助滤剂: 7.沉降:二、单项选择1.真空转鼓过滤机工作一个循环经过()。
A、过滤区、缓冲区、再生区、卸渣区B、缓冲区、过滤区、再生区、卸渣区C、过滤区、缓冲区、卸渣区、再生区D、过滤区、再生区、缓冲区、卸渣区2.以下哪项不是在重力场中,颗粒在静止的流体中降落时受到的力()A.重力B. 压力C.浮力D. 阻力3.以下哪项不是颗粒在离心力场中受到的力()A.离心力B. 向心力C.重力D. 阻力4.颗粒与流体的密度差越小,颗粒的沉降速度()A.越小B.越大C.不变D.无法确定5.工业上常用的过滤介质不包括()A.织物介质B.堆积介质C.多孔固体介质D.真空介质6.下列物质属于絮凝剂的有()。
A、明矾B、石灰C、聚丙烯类D、硫酸亚铁三、判断对错1.助滤剂是一种可压缩的多孔微粒。
()2.通过加入某些反应剂是发酵液进行预处理的方法之一。
()3.在生物制剂制备中,常用的缓冲系统有磷酸盐缓冲液;碳酸盐缓冲液;盐酸盐缓冲液;醋酸盐缓冲液等。
()四、填空1.发酵液常用的固液分离方法有()和()等。
2.为使过滤进行的顺利通常要加入()。
3.工业离心设备从形式上可分为(),(),(),等型式。
4.典型的工业过滤设备有()和()。
5.常用离心设备可分为()和()两大类;五、简答1.改变发酵液过滤特性的主要方法有哪些?其简要机理如何?2.除去发酵液中杂蛋白的常用方法有哪些?3.试述生物工业中常用固液分离设备的原理、特点及适用范围?第四章细胞破碎一、名词解释1.超声波破碎法2.酶解法二、单项选择1.适合小量细胞破碎的方法是()A.高压匀浆法B.超声破碎法C.高速珠磨法D.高压挤压法2.丝状(团状)真菌适合采用()破碎。
固液分离和垃圾处理技术的现状与发展第一章:固液分离技术的现状固液分离技术是指将生活、工业、农业等领域产生的含固体颗粒物质的废水、污泥等物质通过物理、化学等处理手段,将固体和液体分离的一种技术。
目前固液分离技术的应用范围极为广泛,涉及的领域从环保治理到食品、饮料等生产行业,相关固液分离设备和技术也在逐步完善,不断优化。
在生活污水处理领域,“格栅污渣兴趣池法”、“沉淀池法”和“生物接触氧化法”等技术已经得到广泛应用。
其中,固液分离设备是实现这些技术的核心设备,可有效降低工序能耗,提高处理效率。
此外,随着新技术、新材料的不断推出,固液分离设备的性能也在不断提高。
但是,尽管固液分离技术的应用受到了各方的广泛认可,但仍面临不同的挑战。
例如,在固液分离设备的运营管理中,存在一定的安全隐患;在设备的设计制造和运行中,还需要不断提高纳入资本的环保要求。
第二章:固液分离技术的发展趋势随着现代科技的不断发展,固液分离技术也面临着新的机遇和挑战。
固液分离设备将在未来的发展中更多地采用先进的材料和制造工艺,其中包括滤料模块化、中空纤维膜、支撑体及加强杆等新型空气分离器材等。
从而提高设备的分离能力,增强稳定性,提高设备的可靠性。
此外,云计算和大数据技术等新兴技术的出现也将带来更广泛的应用场景。
例如,随着智能化技术在固液分离技术中的不断推广,高效率、低成本的解决方案也将随之而来。
第三章:垃圾处理技术的现状垃圾处理技术是指将日常生活中产生的垃圾、污染物经过一系列物理、化学或其他方法进行处理以达到无害化、资源化等目的的一项技术。
目前,垃圾处理技术在国内外得到广泛的应用,其中以焚烧和填埋两种方式为主。
焚烧技术是指将垃圾转化为热能,通过燃烧达到处理的一种方法。
填埋技术是指将垃圾填埋在一定的区域内,隔离地下以防止对环境造成污染。
无论是焚烧还是填埋,垃圾处理技术都存在一定的问题。
在填埋方面,地盘资源匮乏,填埋空间有限;在焚烧方面,因为燃烧废气中的二氧化硫等物质对环境造成污染。
第四章思考题1.讨论不同类型离心机分离机的结构特点与应用场合。
答:(1)过滤式:特点:结构简单,价格低廉,操作容易实现,维修方便。
应用场合:用于易过滤的晶体悬浮液和较大颗粒悬浮液的固液分离以及物料的脱水。
(2)沉降式:特点;体积小,运行费用底,能耗小,结构复杂,分离因数高,破碎率较高。
应用场合:适用于不易过滤的悬浮液的固液分离。
(3)分离式:特点:分离因数高,转速高,分离强度大。
应用场合;主要用于乳浊液的分离和悬浮液的增浓或澄清。
2. 请列举3例不同类型的过滤设备在食品工业中的应用。
答:(1)板框式过滤用于过滤植物提取液。
(2)真空转鼓过滤机用于连续式含粘性杂质的糖液等原料(3)重力式无阀过滤器用于食品工业中的废水处理。
3. 举两例在一条食品加工线上包含三种不同类型分离设备的食品加工过程例子。
⑴例如提取乳清蛋白工艺;牛乳经双联过滤器除初乳中的杂质,在乳中加入凝乳酶发酵使蛋白质凝固与乳清分离用离心过滤机分离乳清,最后用压力式膜分离超滤机回收乳清中的乳糖得到纯净乳清。
一、判断题1.分离式离心机可用于分离悬浮液和乳化液。
(√)2.如果悬浮液中固形物含量大且粒度较大,可以采用碟式离心机进行分离。
(Χ)3.奶油分离三用机可以在任何条件下独立完成牛乳的标准化操作。
(Χ)4.超临界流体萃取系统流程中必有换热器。
(√)5.只要超滤设备中的膜组件更换成几何尺寸相同的反渗透膜组件就可进行反渗透操作。
(√)二、填空题1.离心分离机可根据:(1) 分离原理、(2) 分离因素范围、(3) 操作方式、(4) 卸料方式、(5) 轴向进行分类。
2.按操作原理,离心分离机可以分为过滤式、沉降式和分离式三种。
3.常用于水果榨汁的两种连续压榨机是:螺旋和带式。
4.食品加工厂常见过滤设备有:压滤机、叶滤机、转筒真空过滤机、转盘真空过滤机等。
5.碟式离心机的进液口设在上(下)部。
出料口设在上部。
6.过滤介质是过滤机的重要组成部分。
工业上常用的过滤介质有:①粒状介质,如细砂,石砾。
固液分离设备的型号编制参照GB/T4774《过滤与分离名词术语》:固液分离设备,包含固液分离预处理技术(包括增浓、澄清、沉降、气浮、凝聚与絮凝、助滤技术等)、过滤介质、后处理技术(包括洗涤.脱液等)以及离心机、分离机、离心萃取设备、过滤机(包含压榨过滤设备)、过滤器、膜过滤、气浮设备、旋流器等机械设备。
按照原有分类体系设定,初略可归类为:离心设备、过滤设备、重力浓缩与沉降设备、萃取设备、气浮设备、膜过滤设备。
根据机械结构形式,叠螺式污泥脱水机、真空过滤机等都属于过滤设备,石膏脱水系统设备多属于板框式压滤机。
格栅类及其他拦(清)污设备中的多属于转台过滤机,软化水、纯水生产装置和水预处理装置多属于膜过滤设备,工业废水处理设备按照设备结构形式覆盖了离心机、过滤机、膜过滤、过滤器、浓缩与沉降设备等多种设备类型。
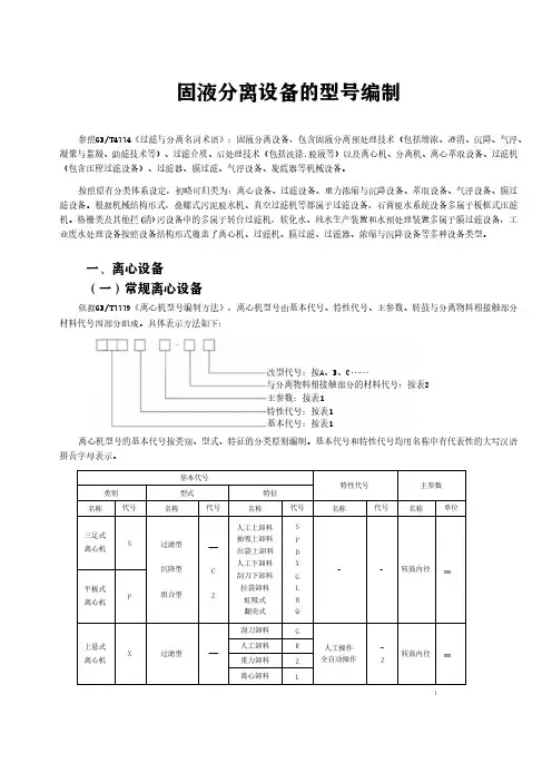
一、离心设备(一)常规离心设备依据GB/T7779《离心机型号编制方法》,离心机型号由基本代号、特性代号、主参数、转鼓与分离物料相接触部分材料代号四部分组成。
具体表示方法如下:改型代号:按A、B、C……与分离物料相接触部分的材料代号:按表2主参数:按表1特性代号:按表1基本代号:按表1离心机型号的基本代号按类别、型式、特征的分类原则编制。
基本代号和特性代号均用名称中有代表性的大写汉语拼音字母表示。
基本代号特性代号主参数类别型式特征名称代号名称代号名称代号名称代号名称单位三足式离心机S过滤型沉降型组合型—CZ人工上卸料抽吸上卸料吊袋上卸料人工下卸料刮刀下卸料拉袋卸料虹吸式翻壳式SPDXGLHQ--转鼓内径mm平板式离心机P上悬式离心机X过滤型—刮刀卸料G人工操作全自动操作-Z转鼓内径mm人工卸料R重力卸料Z离心卸料L1刮刀卸料离心机G过滤型沉降型虹吸过滤型-CH宽刮刀K斜槽推料螺旋推料隔爆密闭双转鼓型-LFMS转鼓内径mm窄刮刀Z活塞推料离心机H过滤型—单级Y圆柱型转鼓柱锥型转鼓加长转鼓双侧进料-ZCS最大级转鼓内径mm双级R三级S四级I离心卸料离心机1过滤型立式L普通式反跳环式固定导向螺旋式可调导向螺旋式-TDK转鼓内径mm卧式W振动卸料离心机Z过滤型立式L曲柄连杆激振偏心块激振电磁激振QPD转鼓内径mm卧式W进动卸料离心机J过滤型立式L转鼓内径mm卧式W翻袋卸料离心机F过滤型—卧式W普通型转鼓内径mm加压型Y螺旋卸料沉降离心机L沉降型沉降过滤组合型沉降碟片组合型ZD立式L逆流式并流式三相分离式向心泵输液高转速螺旋挡板密闭隔爆-BSXGYMF最大级转鼓内径×转鼓工作长度mm×mm卧式W螺旋卸料过滤离心机L过滤型过滤沉降组合型LX立式L密闭隔爆MF最大级转鼓内径×转鼓内腔工作长度mm×mm卧式W转鼓内径指转鼓最大内径。
化工设备机械基础第七版答案第一章:化工设备机械概述1.1 化工设备机械的定义和分类化工设备机械是指在化工生产过程中用于物料输送、混合、分离、反应、加热、冷却、传热和杂项处理等的机械设备。
根据其功能和特点,可以将化工设备机械分为输送设备、混合设备、分离设备、反应设备和传热设备等几大类。
1.2 化工设备机械的工作原理和基本组成化工设备机械的工作原理是根据化工过程中的要求,通过施加外力、传递能量和控制流体的运动来完成特定的物料处理工作。
基本组成包括机械主体、动力装置、传动部件、控制系统和附属设备等。
1.3 化工设备机械的性能指标和技术要求化工设备机械的性能指标包括生产能力、输送能力、混合效果、分离效率、反应速度、传热效果等。
技术要求包括安全可靠、耐腐蚀、操作方便、维护简单等。
第二章:输送设备2.1 输送设备的概述和分类输送设备是化工设备机械中用于物料输送的设备。
根据输送原理和输送介质的不同,可以将输送设备分为机械输送设备、液体输送设备和气体输送设备等几大类。
2.2 机械输送设备机械输送设备主要包括皮带输送机、链条输送机、螺旋输送机和刮板输送机等。
它们的工作原理和结构特点各有不同,适用于不同的物料输送需求。
其中,皮带输送机具有输送能力大、速度可控的特点;链条输送机适用于输送重载物料;螺旋输送机适用于输送散状物料;刮板输送机适用于输送粘稠物料。
2.3 液体输送设备液体输送设备主要包括泵类设备和管道设备。
泵类设备包括离心泵、容积泵和潜水泵等,用于将液体从一个地方输送到另一个地方;管道设备包括管道、阀门和管件等,用于控制液体的流动和输送方向。
2.4 气体输送设备气体输送设备主要包括风机、压缩机和气体管道等。
风机用于输送气体和增加气体的压力;压缩机用于将气体压缩为高压气体;气体管道则用于输送和控制气体的流动。
第三章:混合设备3.1 混合设备的概述和分类混合设备是化工设备机械中用于混合不同物料的设备。
根据混合方式和混合物料的性质不同,可以将混合设备分为机械搅拌设备、液体混合设备和固体混合设备等几大类。
固液分离机原理和安装固液分离机也称为离心机,是一种常见的分离设备,其原理是利用离心力将混合物中的固体和液体分离开来。
固液分离机广泛应用于医疗、制药、化工、食品、环保等行业。
固液分离机分为手动和自动两种,其主要组成部分有离心转筒、离心电机、控制器等。
离心转筒是固液分离的核心部分,一般由不锈钢制成,内壁光滑,可防止物料附着,易清洗。
离心转筒由固定部分和旋转部分组成,其中固定部分一般固定在机架上,旋转部分由电机带动旋转。
当离心机启动时,固液混合物从进料口进入离心转筒中。
由于离心力作用,较重的固体颗粒被迫压缩到离心转筒的壁上形成固体层,轻的液体则被挤压到离心转筒内部形成液层。
当离心转筒达到一定速度时,固液分离完成,可通过固液分离机的排渣口和出液口分别排出固体和液体。
固液分离机的安装也很重要,首先要选好安装地点,要求地面平整稳定,且具备良好的排水条件。
离心机的底座要与地面紧密接触,并且固定牢固,以防止启动时的震动和噪音。
在安装中还需要对电源线路和接地线路进行严格检查,并配备过载保护器等安全装置,确保固液分离机的稳定运行和安全使用。
固液分离机的原理是利用离心力将混合物中的固体和液体分离开来,是一种常见的分离设备。
固液分离机在安装时要选择合适的地点,并确保底座稳固,电源线路和接地线路正常,配备过载保护器等安全装置,以保证固液分离机的正常运行和安全使用。
对于固液分离机的使用,一定要注意一些操作技巧和细节。
在使用前要检查固液分离机的各部件是否处于良好状态,特别是离心转筒和滤饼输送系统。
在操作时需严格按照说明书进行操作,不得贪图方便随意操作,避免发生安全事故。
在固液分离机的维护保养方面,首先要注意对离心转筒的清洗和保养,不仅能保障离心转筒的长期使用寿命,还能提高分离效率。
清洗时应先停机,并切断电源,用清洁布擦拭离心转筒内表面,严禁使用金属刷等硬物质,以防对离心转筒表面造成划痕。
对于长时间未使用的离心转筒,应进行除锈处理,以及外表面清洗、镀锌或喷塑等表面处理工作。
板框过滤器原理板框过滤器是一种常用的固液分离设备,其原理是利用孔径不同的过滤板和过滤框,将固体颗粒截留在过滤板上,使液体通过过滤板的空隙,实现固液分离的目的。
在工业生产中,板框过滤器被广泛应用于化工、食品、制药等领域,用于过滤悬浮固体颗粒或悬浮液体,提取纯净的液体或固体产品。
板框过滤器由过滤框、过滤板、滤布等部件组成。
过滤框通常由钢制成,内部安装有过滤板,过滤板上覆盖有滤布。
在工作时,液体混合物通过进料口进入过滤框,固体颗粒被截留在过滤板上,液体则通过滤布排出,从而实现固液分离。
随着过滤过程的进行,固体颗粒在过滤板上逐渐堆积,形成滤饼,使过滤阻力逐渐增大。
当过滤阻力达到一定程度时,需要停机清理滤饼,恢复过滤性能。
板框过滤器的分离效率主要取决于过滤板和滤布的选材和设计,以及操作参数的控制。
过滤板的孔径和密度决定了固体颗粒的截留效果,滤布的材质和密度影响了液体的透过率和固体的截留率。
在操作过程中,需要根据不同的物料特性和分离要求,选择合适的过滤板和滤布组合,调整过滤压力、过滤速度等参数,以达到最佳的分离效果。
板框过滤器具有结构简单、操作方便、分离效率高的优点,广泛应用于化工、食品、制药等行业。
在化工生产中,板框过滤器常用于脱水、过滤、脱色等工序,提取纯净的产品。
在食品加工中,板框过滤器常用于澄清果汁、脱脂奶、提取果汁等。
在制药领域,板框过滤器用于提取药物、分离杂质等。
可以说,板框过滤器在工业生产中发挥着重要的作用,为产品的提纯和提纯提供了可靠的技术支持。
总的来说,板框过滤器通过过滤板和过滤框的组合,实现固液分离的目的。
其原理简单,操作方便,分离效率高,被广泛应用于各个领域。
在今后的工业生产中,板框过滤器将继续发挥重要作用,为产品的提纯和分离提供可靠的技术支持。
旋流池工作原理
旋流池是一种常用的固液分离设备,通过利用流体的离心力,将固体颗粒从液体中分离出来。
其工作原理如下:
1. 流体进入旋流池后,在进口处经过导流筒,使流体形成旋转。
导流筒的作用是引导流体形成旋流,使流体产生离心力。
2. 经过导流筒后,流体进入旋流室。
旋流室呈圆柱形,其内壁有多个旋流管(或旋流头)。
当流体通过旋流管时,流体被分成两部分,一部分流体沿着旋流管向下旋转,另一部分则从旋流管中心向上移动。
3. 当流体向下旋转时,由于旋转中心处的离心力较大,固体颗粒受到离心力的作用而向外沉积在旋流管的壁上。
此时,固体颗粒与流体分离。
而流体则从旋流管的底部继续流动,经由旋流管的连接管进入下一级旋流室。
4. 当流体向上移动时,由于离心力较小,相对较干净的液体向上汇聚,从旋流管的顶部经过导流孔逸出旋流室。
通过以上过程,旋流池能够将固体颗粒从流体中分离出来。
这样,流体中的固体颗粒浓度降低,液体质量得到改善,同时也便于固体的后续处理,如沉淀、过滤、干燥等。
旋流池的分离效果取决于多种因素,如旋流室的结构、进流速度、固液比、旋流管数量等。