高大模板支架安全要点检查表
- 格式:doc
- 大小:124.00 KB
- 文档页数:3
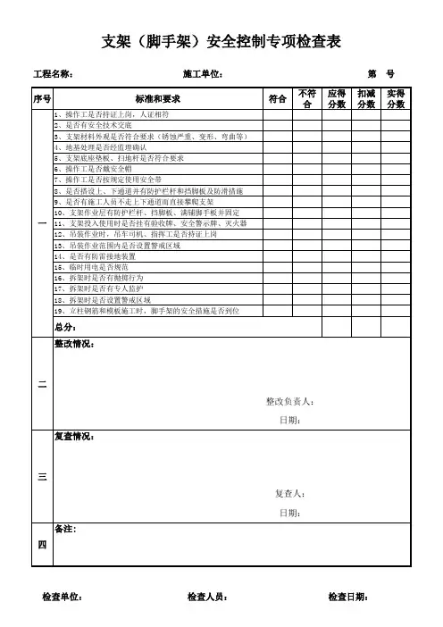
模板工程检查表序号检查内容是否合格检查记录1 采用扣件式钢管作模板支架时,立杆纵距、立杆横距不应大于1.5米。
2 采用扣件式钢管作模板支架时,支架步距不应大于2米。
3采用扣件式钢管作模板支架时,纵向扫地杆距立杆底部不宜大于0.2米,横向扫地杆设置在纵向扫地杆的下方;4 模板支撑架立杆底部宜设置底座和垫板厚度大于等于50mm。
5 采用扣件式钢管作高大模板支架时,宜在支架立杆顶端插入可调托座,可调托座螺杆外径不应小于36mm,螺杆插入钢管的长度不应小于150mm,螺杆伸出钢管的长度不应大于300 mm,可调托座伸出顶层水平杆的悬臂长度不应大于500mm。
6采用扣件式钢管作模板支架时,梁下支架立杆间距的偏差不宜大于50 mm,板下支架立杆间距的偏差不宜大于100mm;水平杆间距的偏差不宜大于50mm。
7 采用扣件式钢管作模板支架时,立杆步距的上下两端应设置水平杆,水平杆与立杆的交错点应采用扣件连接,双向水平杆与立杆的连接扣件之间的距离不应大于150mm。
8 可调支座底部的立柱顶端应沿纵向设置一道水平拉杆,扫地杆与顶部水平拉杆的间距,满足步距小于2m设置。
9 模板支撑架剪刀撑采用搭接设置,夹角45~60度,搭接长度大于0.5米,并采用2各旋转扣件分别在离杆端不小于0.1米处进行固定。
10 当立杆底部不在同一高度时,高处的纵向扫地杆应向低处延长不少于2跨,高低差不得大于2米,立柱(立杆、模板支撑架)距边坡上方边缘不得小于0.5米。
11 立柱接头严禁使用搭接,必须采用扣件连接,相邻2个接头不得在同步内,且接头竖向错开不小于0.5米,各接头中心距主节点不宜大于步距的1/3。
12 严禁将上段钢管立柱与下段钢管立柱错开固定在水平拉杆上。
13 对拉螺栓与模板应垂直,螺栓数量根据墙柱尺寸,满足受力要求墙柱尺寸要正确。
表A.1高大模板支架安全要点检查表
注00001:
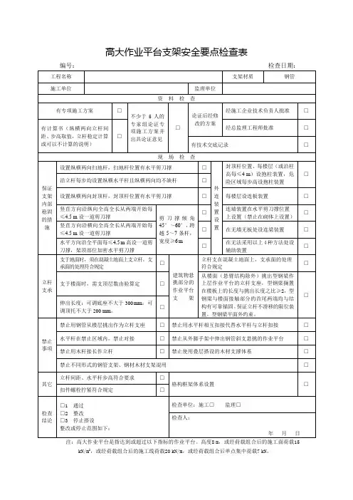
高大模板是指达到或超过以下指标的模板:高度8m,或结构跨度18m,或经荷载组合后的施工面荷载15kN/m2,或经荷载组合后的施工线荷载20kN/m。
表A.2高大模板支架、高大作业平台支架整架验收记录表类别:高大模板支架□ 高大作业平台支架□ 验收日期:年月日
3d
4d
表A.3扣件拧紧抽样检查表
检查日期年月日
注1:使用力矩板手检查,拧紧力矩为40N·m~65N·m。
2:“其余部位”栏中,按所检支架实际安装扣件数的栏目填写。
3:扣件安装数量超过3200个,抽样数应增加。
4:对检查不合格的部位,应重新拧紧后再次抽样检查,直至合格。
5:截面高度≥1.2m的梁,直接用立杆或立杆顶部的可调顶托承重。
表A.4
精品文档word文档可以编辑!谢谢下载!。
高大模板是指达到或超过以下指标的模板:高度8m,或结构跨度18m,或经荷载组合后的施工面荷载15kN/m2,或经荷载组合后的施工线荷载20kN/m。
表A.6 高大模板、高大作业平台支架整架验收记录表
表A.7 扣件拧紧抽样检查表工程名称:检查部位:C区三层高支模
注1:使用力矩扳手检查,拧紧力矩为40N·m~65N·m。
注2:“其余部位”栏中,按所检支架实际安装扣件数的栏目填写。
注3:扣件安装数量超过3200个,抽样数应增加。
注4:对检查不合格的部位,应重新拧紧后再次抽样检查,直至合格。
注5:截面高度≥1.2m的梁,直接用立杆或立杆顶部的可调顶托承重。