高铁隧道水沟电缆槽施工
- 格式:doc
- 大小:590.50 KB
- 文档页数:21
一、隧道水沟电缆槽施工1、隧道水沟电缆槽施工前对隧道水沟电缆槽位置内淤泥、杂物进行清理,对边墙水沟电缆槽高度范围进行凿交底项目隧道水沟电缆槽交底人交底日期复核人2013/3/11交底人内谷:6、拆模时,注意成品保护,切勿将电缆槽侧壁损坏7、定期检查卷扬机及钢丝绳的性能,发现问题及时维修或更换,确保安全。
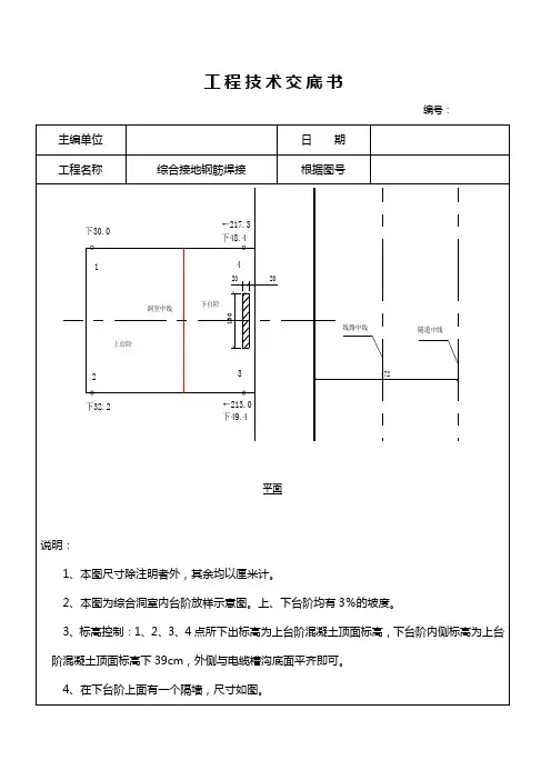
、综合接地系统1、在通号电缆槽外侧壁上部设 1根①16纵向接地钢筋(使用结构钢筋) 开10cm 的间距。
2、两相邻的初支接地连接钢筋或二衬接地连接钢筋应与通号电缆槽外侧壁上部 左右交错连接(严禁两侧同时连接)交底项目隧道水沟电缆槽 交底日期 2013/3/1114801110 980 680 550 130I I I i I线 路 中 线疥_匸fl纟200350 一130<j jI4600理浇沆J 确SC N于小须必为保证净空,半 宽放大2cm120临时水沟r水沟电缆槽模板安装定位示意图复核人,该接地钢筋每100m 断①16纵向接地钢筋内容:3、接地端子设置①、自洞口2米起,信号电缆槽内底部每间隔100米设1个,用于隧道接地系统与贯通地线连接。
②、自洞口2米起,信号电缆槽外侧壁线路侧每间隔50米设1个,用于轨旁设备设施(如轨道板)接地连接。
③、在隧道进、出口两侧墙角、电力电缆槽底、通号电缆槽底、通号电缆槽外侧壁各设1个,便于洞口设备设施接地连接。
内容:\ /injwttze M隧道洞口水沟电缆槽接地端子设置图4、v级围岩综合接地设置v级围岩接地是利用底板的下层结构钢筋作为接地极,每一个接地极需用1根$ 16横向钢筋通过$16连接钢筋与通信信号电缆槽侧墙内的纵向接地钢筋连接。
V级围岩接地设置为隔一模左右交错设置,因此,v级围岩水沟电缆槽初支接地单侧间隔40m有槽道时槽道按照每一个台车位左右交错布置。
由于V级衬砌底板在沟槽身施工完成后才能施工,故在沟槽身施工时需要预留$ 16mm连接钢筋,以便后期与底板横向接地钢筋连接,$ 16mm连接钢筋预留部分露出沟槽侧壁的长度为50cm。
高速公路工程隧道水沟电缆槽施工技术交底在混凝土浇筑前,要确保防排水设施畅通,包括水沟和预留槽。
水沟的施工采用C30模板混凝土浇筑,而预留槽则需要预先埋设管道。
同时,为了保证施工质量,需要在沟槽与二衬侧壁墙之间设置植筋锚固,采用HRB400Φ16钢筋,每根长30cm,纵向间距50cm,深度为10cm,并用锚固剂铆接牢固。
四、施工注意事项1、施工前需要进行充分的准备工作,包括清理基层、测量放线、找平基层等。
2、模板的选择和加固非常重要,需要采用钢制定型模板,并在模板就位后加固钢筋埋入填充面10cm以上。
3、钢筋的施工需要注意保护层厚度,防止出现露筋现象。
4、防排水设施要保持畅通,确保施工质量。
5、施工过程中要注意安全,严格遵守相关规定和操作规程。
五、验收标准1、沟槽和水沟的施工需要符合设计要求,混凝土强度达到C30标准。
2、钢筋的施工需要保证间距、数量和连接牢固。
3、防排水设施需要畅通有效,确保施工质量。
4、模板的选择和加固需要符合要求,保证施工质量。
5、验收过程中需要注意安全,确保施工人员的生命财产安全。
边墙位置二衬预留的盲管需要与侧边水沟连接通,盲管与原预留盲管之间采用直通接头连接。
电缆槽沟底位置还有收水管,也随着仰拱施工时预留的收水管接通。
盲管外并用无纺土工布包裹,靠隧道中心一侧管头高出设计水沟底面10-20cm。
为防止盲管出现“反坡”现象而不排水,要求采用HPB300ф6或者ф8钢筋将盲管固定牢固。
电器预留槽及管道应保持畅通,槽宽大小,槽顶边混凝土中放置钢筋加强,不留缺口。
每一处横通道及隧道入口都有电缆预埋镀锌管道,按照原管道材质,管径型号接通于电缆槽中,且高出槽底3cm,用土工布或者水泥编制袋封堵,以免进杂物。
管内接头处不能有毛刺,管口内边打磨圆顺。
在混凝土浇筑过程中,水沟电筑槽采用C30混凝土灌注,灌注混凝土前检查混凝土的和易性和坍落度。
混凝土按一定厚度、顺序和方向分层浇筑,在下层混凝土初凝前必须完成上层混凝土浇筑。
高铁隧道水沟、电缆槽施工技术交底背景随着高铁在中国不断建设和改造,对于隧道建设也日趋复杂。
其中,高铁隧道的水沟、电缆槽施工就成为了一项非常重要的工作。
其目的是在隧道建设中,达到防水防潮的效果,并且保障电缆的正常使用。
因此,隧道水沟和电缆槽的施工技术对于高铁建设至关重要。
隧道水沟施工技术施工前准备1.深入理解隧道设计图纸,确认水沟的位置和结构。
2.对照设计图纸,制定水沟的施工方案。
3.移除水沟区域的杂物和污物,并确保施工场地干燥、平整、清洁。
施工步骤1.抛浆:在水沟区域进行石灰抛浆,防止地层液体淋漓流散,同时增强基础稳定性。
2.声屏障施工:根据设计方案,在水沟的两侧固定声屏障桩,并连接预制声屏障板。
这有助于隔音和保温。
3.水沟钢筋装配:按照设计方案,将水沟钢筋装配到定位点,确保其质量和安全。
4.浇筑混凝土:将水泥混凝土倒入水沟区域,同时进行充实和振动来保证混凝土的质量和密实性。
5.水泥防潮处理:等待混凝土完全固化后,进行水泥处理,以便增强防潮性能。
6.底涵完成:安装水沟板以确保水沟板面平整,防止污水流出。
施工技巧1.在施工时,应严格按照设计图纸和方案实施,避免出现任何偏差。
2.在进行水泥处理时,必须按照时间要求进行。
如果过早开始处理,会影响混凝土的强度和质量,如果太晚进行处理,则会影响水沟的防潮性能。
3.在水泥处理中,应注意保证杰出的防火措施。
电缆槽施工技术施工前准备1.完成隧道固结和隧道钢筋混泥土施工。
2.根据设计方案,确定电缆槽的位置和结构。
3.清理施工场地,并确保场地干燥、平整、清洁。
施工步骤1.钢筋的搭配:根据设计方案和对现场的实际情况,进行电缆槽钢筋的搭配,确保质量和安全。
2.模板制作和安装:将木板切割成相应的形状和大小,并根据设计方案进行安装。
3.浇筑混凝土:将水泥混凝土倒入电缆槽区域,同时进行充实和振动来保证混凝土的质量和密实性。
4.等待混凝土固定并拆卸模板:根据混凝土固定时间,拆卸模板和前置机械设备。
郑万高铁湖北段ZWZQ-5标编号:SD-ZWZQ-5标隧道水沟电缆槽施工作业指导书单位:中铁十一局集团郑万高铁ZWZQ-5标项目经理部编制:审核:批准:二O一七年二月十日发布二O一七年二月十二日实施水沟电缆槽作业指导书1、适用范围:本作业指导书适用于(DK426+741.721-DK461+845.429)郑万高铁湖北段ZWZQ-5标刘坪隧道、于家沟隧道、高家坪隧道进口正洞、附属洞室、应急通道的侧沟电缆槽施工。
2、作业准备:2.1内业技术准备2.1.1按施工工艺要求设计轨行式液压水沟电缆槽台车。
2.1.2施工前应编制铁路隧道轨行式液压水沟电缆槽台车施工技术交底,并制定相应施工安全保证措施及应急预案。
2.1.3施工前应组织岗前培训和安全教育,使施工管理及作业人员充分掌握各工艺流程的操作和控制要点,澄清有关技术问题,熟悉现场施工技术条件。
2.1.4特殊工种必须持证上岗。
2.2 外业技术准备2.2.1测量设备已进行标定,测量人员熟知放样尺寸数据。
2.2.2轨行式液压水沟电缆槽台车拼装验收合格且性能良好,施工所需的人员、设备满足施工要求。
2.2.3水沟电缆槽台车面板打磨干净,没有混凝土附着物,脱模剂涂刷均匀。
3、技术要求(1)线路侧设置为通信信号电缆槽,边墙侧设置为电力电缆槽。
(2)在侧沟施工时,两侧沟与中心管沟通过Ф100 横向 PVC 导水管连接,横向导水管纵向间距 30m,配合检查井设置。
(3)靠两侧沟槽侧壁位置设置Ф10cm 半圆形排水槽,以排除隧道内道床可能积水。
(4)在靠近线路侧槽壁处结合隧道接地情况设置钢筋,以加强沟槽强度和结构整体性。
通信信号电缆槽内设置分隔钢筋。
(5)单位工程施工前,选取 200m 水沟电缆槽作为首件段进行试验、验收,确定施工工艺参数。
(6)技术参数:侧沟宽电缆沟高 80cm,宽 30cm,电缆沟高30cm,宽 30cm,如图 1 侧沟电缆槽样图所示图 1 侧沟及电缆沟详图(7)隧道水沟电缆槽与二次衬砌混凝土接触面、电缆槽端头必须凿毛。
宽阔铁路站前一标隧道工程施工作业指导书本次作业指导书修订主要依据:⑴铁建设[2023]241 号《高速铁路隧道工程施工技术指南》和《铁路混凝土工程施工技术指南》;⑵《高速铁路隧道工程施工质量验收标准》TB10753-2023;⑶《铁路混凝土工程施工质量验收标准》TB10424-2023;⑷隧道施工图;⑸隧道标准化施工工艺阅历。
隧道水沟、电缆槽施工作业指导书1适用 X 围本作业指导书适用于XXXXXX 隧道的水沟、电缆槽施工。
2施工业预备⑴施工作业层中所涉与的各种外部技术数据收集:隧道地质条件、开挖断面尺寸、围岩类别、隧道长度、工期要求、水电槽设计参数等。
⑵施工前,应由专业工程师向现场技术人员、作业人员进展技术交底,并确认人员、设备、材料、机具、作业环境满足正常作业的要求。
3技术要求⑴本标段隧道内承受双侧沟加中心水沟进展排水,侧沟与中心沟间每隔 10m 设置一道横向引水管。
沟槽身承受C25 混凝土。
侧沟截面尺寸为:宽 30 ㎝×高 72 ㎝;中心沟承受盖板沟的形式,主要用于排水,截面尺寸为:宽 60 ㎝×高 90 ㎝。
⑵为满足电力、通信、信号等要求,于隧道两侧各分槽设置两道(四条)电缆槽。
电力电缆槽设置在隧道靠边墙侧,截面尺寸为:宽 30 ㎝×高30 ㎝,通信、信号电缆槽设置在靠线路侧,截面尺寸为:宽35 ㎝×高 30㎝。
⑶隧道水沟电缆槽均承受分段左右侧同时施工,每次分段长度在12m。
为了削减人工劳动强度,保证水沟、电缆槽的整体外观质量,模板承受整体移动式滑模,一次立模浇筑成型。
水沟盖板预制承受预制场预制、大规模的批量生产,以保证盖板的质量和数量。
待水沟与电缆槽施工完毕后,即可进展盖板的铺设。
水沟电缆槽盖板承受钢筋混凝土制作。
4施工程序与工艺流程4.1施工程序⑴水沟电缆槽施工流程:施工预备→测量放线→边墙和基底处理→沟墙钢筋、预埋件安装→模型安装→浇筑混凝土→养护。
目录1、工程概况.............................. 错误!未定义书签。
2、工法特点.............................. 错误!未定义书签。
3、工艺原理............................. 错误!未定义书签。
4、施工工艺流程及操作要点................ 错误!未定义书签。
4.1 施工工艺流程........................ 错误!未定义书签。
4.2 操作要点............................ 错误!未定义书签。
5、劳动力组织............................ 错误!未定义书签。
6、材料与设备............................ 错误!未定义书签。
7、质量控制.............................. 错误!未定义书签。
7.1 易出现旳质量问题及困难.............. 错误!未定义书签。
7.2质量保证措施.......................... 错误!未定义书签。
8、安全措施.............................. 错误!未定义书签。
8.1 重要安全风险分析..................... 错误!未定义书签。
8.2 保证措施............................. 错误!未定义书签。
9、节能环境保护措施...................... 错误!未定义书签。
10、效益分析............................. 错误!未定义书签。
10.1两种工艺成本对比..................... 错误!未定义书签。
10.2老式工艺与新工艺混凝土施工耗时对比表. 错误!未定义书签。
隧道水沟电缆槽施工方案1、工程概况蒙华铁路MHTJ-10标段二工区起讫里程为:DK482+657~DIK499+000段重要有两座隧道。
衬砌沟槽示意图
模板采用钢木组合或轨行式液压水沟电缆槽台车,轨行式液压水沟电缆槽台车通过液压系统控制模板上下、左右移动,调整两侧模板的平面位置和顶面高程,使模板位置满足水沟电缆槽结构尺寸要求。
四、施工程序与工艺流程
4.1 施工工艺流程
作业准备→砼接触面凿毛→钢筋安装→维护及排水管安装→钢木组合模板安装或台车就位→电力、通信槽道泄水孔安装→砼浇筑→拆模→结束
4.1.1 工艺流程图
五、施工要求
5.1 混凝土凿毛
凿毛露出新鲜混凝土面积应大于 75%,凿毛后高压水冲洗。
5.2 钢筋及预埋件安装
(1)根据设计图纸要求进行钢筋及预埋件安装,浇筑混凝土前必须检查各预埋管线的位置、类型、个数是否满足设计要求检查合格后才能进行混凝土施工。
(2)环纵向盲管、维护管、横向导水管必须从小边墙处接出,采用钢筋加固,封堵接头。
5.3 模板安装或台车就位及加固
采用台车施工时台车纵向行走由电机驱动,通过横移液压油缸对模板进行横向位置调整,再通过单组模板起升油缸对模板竖向位置进行调整,。
工程概况xxx管段内隧道共计4座,分别是:xxx隧道、xxxx隧道、xxxx隧道、xxxx隧道进口,共计长度2629.27米。
设计隧道两侧均有水沟电缆槽,隧道两侧沟与中心水沟通过φ100PVC排水管连接。
隧道接地端子分别预留于水沟电缆槽内外侧壁与贯通地线及线路接地连接。
二、设计情况设计要求分部管段内线路均采用CRTSⅠ型板式无碴轨道,轨道结构高度为51.5mm。
轨下排水系统采用两侧沟加中心水沟形式。
隧道两侧侧沟与中心沟通过φ100PVC排水管连接,排水管纵向间距10m,施工过程中应采取措施保证排水通畅。
隧道两侧沟槽靠线路侧的φ100半圆排水槽与中心沟通过φ50PVC排水管连接,排水管纵向间距10m,并在半圆排水槽位置设置漏水篦子,以防堵塞,同时施工过程中应采取措施保证排水畅通。
PVC排水管与打孔波纹管根据现场施工情况合理设置,任意两管间最小间距不小于1m,并注意与过轨管线等设置错开。
复合式衬砌轨下断面图如下:三、施工方案及方法水沟电缆槽施工采用单侧施工,每次分段长度控制在40-50米,模板采用组合钢模板拼装成大块,电缆槽采用组合钢模板,并预先加工与大块侧模固定的连接,以便于支立。
施工时采用两步浇注砼的方法。
首先浇注至电缆槽底面,然后浇注剩余部分。
电缆槽盖板、排水沟盖板采用定型模板集中预制。
沟槽分次浇筑示意图如下:3.1施工步骤说明3.1.1测量放线为保证结构尺寸符合设计要求,两侧电缆槽、两侧排水沟与隧道中线的相对尺寸必须按施工图进行,不能随意改变。
靠二衬边墙一侧为电力电缆槽,靠隧中一侧为通信电缆槽。
测量员根据设计图和施工技术交底要求,单侧每10m放样1组(含2个点)定位点,其中1个点放样至二衬边墙上,为水沟电缆槽顶面标高点;另外1个放样至仰拱填充面上,为水沟电缆槽最外侧侧壁水平位置点,施工中要求隧中到沟槽身外侧净空比设计放大5厘米。
采用书面交底和现场技术交底形式将有关资料和测量点位交付现场技术员,领工员及班组长。
工程概况xxx管段内隧道共计4座,分别是:xxx隧道、xxxx隧道、xxxx隧道、xxxx隧道进口,共计长度2629.27米。
设计隧道两侧均有水沟电缆槽,隧道两侧沟与中心水沟通过φ100PVC排水管连接。
隧道接地端子分别预留于水沟电缆槽内外侧壁与贯通地线及线路接地连接。
二、设计情况设计要求分部管段内线路均采用CRTSⅠ型板式无碴轨道,轨道结构高度为51.5mm。
轨下排水系统采用两侧沟加中心水沟形式。
隧道两侧侧沟与中心沟通过φ100PVC排水管连接,排水管纵向间距10m,施工过程中应采取措施保证排水通畅。
隧道两侧沟槽靠线路侧的φ100半圆排水槽与中心沟通过φ50PVC排水管连接,排水管纵向间距10m,并在半圆排水槽位置设置漏水篦子,以防堵塞,同时施工过程中应采取措施保证排水畅通。
PVC排水管与打孔波纹管根据现场施工情况合理设置,任意两管间最小间距不小于1m,并注意与过轨管线等设置错开。
复合式衬砌轨下断面图如下:三、施工方案及方法水沟电缆槽施工采用单侧施工,每次分段长度控制在40-50米,模板采用组合钢模板拼装成大块,电缆槽采用组合钢模板,并预先加工与大块侧模固定的连接,以便于支立。
施工时采用两步浇注砼的方法。
首先浇注至电缆槽底面,然后浇注剩余部分。
电缆槽盖板、排水沟盖板采用定型模板集中预制。
沟槽分次浇筑示意图如下:3.1施工步骤说明3.1.1测量放线为保证结构尺寸符合设计要求,两侧电缆槽、两侧排水沟与隧道中线的相对尺寸必须按施工图进行,不能随意改变。
靠二衬边墙一侧为电力电缆槽,靠隧中一侧为通信电缆槽。
测量员根据设计图和施工技术交底要求,单侧每10m放样1组(含2个点)定位点,其中1个点放样至二衬边墙上,为水沟电缆槽顶面标高点;另外1个放样至仰拱填充面上,为水沟电缆槽最外侧侧壁水平位置点,施工中要求隧中到沟槽身外侧净空比设计放大5厘米。
采用书面交底和现场技术交底形式将有关资料和测量点位交付现场技术员,领工员及班组长。
新建铁路北京至沈阳客运专线辽宁段TJ-4标隧道工程编号:水沟电缆槽施工作业指导书单位:中铁九局集团京沈客专辽宁段TJ-4标一工区编制:审核:批准:2015年7月27日发布2015年7月27日实施水沟电缆槽施工作业指导书一、适用条件及范围适用于新建铁路北京至沈阳客运专线辽宁段TJ-4标一工区姜杖子隧道、北地隧道、打草沟隧道水沟电缆槽施工。
二、作业准备2.1内业技术准备作业指导书编制后,应在开工前组织技术人员认真学习,阅读审核施工图纸,澄清有关技术问题,熟悉技术规范和技术标准,制定施工安全保证措施,提出应急预案,对施工人员进行技术交底,对参加施工人员进行岗前技术培训,考核合格后持证上岗。
2.2外业技术准备⑴施工前收集所涉及的各种外部数据。
修建生活房屋,配齐生活、办公设施,满足主要管理、技术人员进场生活、办公需要。
⑵施工机械应根据实施性施工组织设计的要求,应配备污染少、能耗小、效率高的机械。
三、技术要求3.1.水沟和电缆槽应纵向分段施工,分段长度不宜过短,线型应顺直。
3.2.水沟和电缆槽模板应采用钢模板,安装应稳固牢靠,接缝严密,不得漏浆。
浇筑混凝土前,模板内积水和杂物应清理干净。
3.3.水沟和电缆槽盖板预制和安装应符合下列要求:(1)盖板应在预制场集中预制。
(2)预制场的钢筋加工场、拌和站等配套设施应完善和规范。
(3)模板应采用钢模,并进行专门设计和加工。
(4)盖板铺设应齐全、平稳。
3.4.电缆槽内应按设计要求设置泄水孔,槽内不得积水和积淤堵塞。
23.5.盲管、水沟和孔槽组成的排水系统应排水顺畅,不得积淤堵塞。
3.6.隧道内中心水沟应符合下列要求:(1)中心排水沟预制节段的内径、壁厚应符合设计要求。
节段拼装接头应严密、不漏浆。
(2)中心水沟与边墙水沟的连接应畅通。
隧道内设置双侧保温排水沟及深埋中心水沟。
双侧保温排水沟采用双层盖板形式,盖板周边外贴3mm 厚橡胶条密封,盖板间设置聚氨酯保温材料。
深埋中心水沟采用直径60^,壁厚12cm 的钢筋混凝土管,并每隔30m设置一处中心深埋检查井,检查井设置双层盖板,盖板周边外贴3mm橡胶条密封,盖板间设置聚氨酯保温材料。
施工技术交底书单位名称:中铁三局沪昆客专(贵州段)第一项目部编号:06圆钢筋(纵向接地钢筋),φ10钢筋,间距20cm。
(2) 通信信号电缆槽混凝土浇筑时预埋Φ16电缆槽分隔钢筋,L=60cm,预埋30cm外露30cm,纵向间距50cm。
(3) 钢筋安装详见图1:侧沟及电缆槽详图。
图1:侧沟及电缆槽详图(3)综合接地a通信电缆槽侧墙上部Φ16纵向钢筋作为纵向接地钢筋,初期支护、二衬、仰拱、综合洞室引出的接地钢筋要与通信电缆槽侧墙上部Φ16钢筋间采用直径16mm的“L”形圆钢筋进行焊接(见下图2:L”形焊接),单面焊接不小于16cm(10倍钢筋直径),焊缝厚度不小于4mm,侧墙Φ16纵向接地钢筋每100m 断开一次,断开的钢筋端头间距为10cm。
图2:“ L”形焊接(4)贯通地线隧道内贯通地线敷设在两侧通信信号电缆槽内,并采取砂防护措施。
(5)接地端子布置a从隧道洞口2m开始,在两侧通信信号电缆槽底部,每间隔100m设置一个接地端子,小于100m的隧道在中部设一处;b从隧道洞口2m开始,在两侧通信信号电缆槽靠线路侧壁上,每间隔50m 设置一个接地端子,小于50m的隧道在中部设一处;c上述所有的接地端子均通过Φ16钢筋与通信电缆槽侧墙上部Φ16纵向钢筋连接,焊接质量同接地钢筋,保证焊接质量。
详见图3:接地端子设置图。
图3:接地端子设置图图4:A节点详图现场技术人员将隧道需要预埋接地端子的里程及个数在二衬上做好标记,以防漏埋。
(6)排水管及泄水槽a两侧仰拱边墙预留的Φ150盲管、Φ50盲管全部接到两侧水沟,采用Φ150排水管,排水管在混凝土施工前安装,定位牢固,孔口采用土工布封堵,防止浇筑混凝土时泄水管跑位或混凝土灌入孔内。
具体安装严格参照图1:侧沟及电缆槽详图。
b两侧沟与中心沟通过横向Φ100PVC导管连接,横向导水管纵向间距30m。
c电力电缆槽、通信信号电缆槽与侧沟间墙底预留泄水槽,纵向间距3~5m,泄水槽尺寸见图1:侧沟及电缆槽详图。
隧道水沟电缆槽施工作业指导书隧道工程为地下工程,施工受地形、围岩变化影响大,施工存在场地狭窄、工作面集中、工序复杂、施工环境差等特点,而且隐蔽工程多,内在的质量问题事后很难发现,一旦出现质量缺陷很难采取措施弥补,因而隧道施工质量控制要针对每个施工环节进行,控制好每道施工工序。
壶口至雷家角高速公路隧道大多为地质、地形复杂的隧道,有岩石隧道,有黄土隧道,还有隧道穿过土石分界面,施工难度非常大,且全线隧道密集,安全质量风险大。
施工中必须遵循“管超前、短开挖、强支护、严治水、勤量测、早封闭、二衬紧跟"的原则,并严格控制工程质量。
一、施工准备(一)全面熟悉核对设计图纸,特别要分清隧道中线、行车道中线、设计中线及设计标高处四者之间的几何关系。
(二)现场踏勘洞口及隧道穿过的地表有无崩塌、滑坡、陷穴等不良地质情况.(三)应结合隧道地形、地质条件、辅助坑道及设计文件,编制详细的施工组织设计,制定的施工方案应确保安全与质量并有利于保护环境。
(四)根据隧道长度、断面、结构类型、工期要求、围岩情况等编制进度计划.确定采用单口掘进或对口掘进方案,原则上长度大于1公里的隧道必须对口掘进。
(五)施工场地布置应统筹考虑,避开滑坡、大冲沟及可能受洪水影响地带,不能填堵原有排水沟道,若必须占用应妥善改沟.洞口的施工便道应尽可能少挖山体,弃渣不得堵塞和挤压河道,不得挤压桥梁墩台及其他建筑物,不应为布置空压机房等临时设施而对山体进行大规模破坏,保护环境并防止产生次生灾害。
(六) 做好材料、机械设备进场工作。
尽早硬化拌合站及钢筋加工场地,安装拌合机.黄土隧道洞身开挖前二衬台车必须运至工地现场。
二、监控量测本项目隧道设计为复合式衬砌,必须将现场监控量测项目列入施工组织设计,并在施工中认真实施。
(一)量测的目的1.掌握围岩和支护的动态信息并及时反馈,指导施工作业,预报险情,确保安全。
2.通过对围岩和支护的变位、应力量测,修改支护系统设计.(二)主要量测项目1.地质及支护状态观察2。
新建贵广铁路GGJL—4标段水沟、电缆槽施工作业指导书工程名称:东科山隧道进口编号: 001编制:韩浩审核:韩浩批准人: 韩浩甘肃铁科贵广铁路项目部二〇一二年十月方案修改记录方案修改记录目录1。
适用范围 (1)2。
编制依据 (1)3。
作业准备 (1)3.1 内业技术准备 (1)3。
2 外业技术准备 (1)4.技术要求 (1)5.施工工艺 (2)5.1电缆槽施工工序 (2)5.2排水沟施工工序 (2)6.施工要求 (2)6。
1施工准备 (2)6。
2 施工工艺 (3)7。
劳动组织 (4)8.原材料要求 (4)8。
1水泥 (4)8.2粗、细骨料 (5)8。
3外加剂 (5)8.4掺合料 (5)8.5水 (5)8。
6钢材 (5)9.机具设备 (5)10。
质量控制及检验 (5)10。
1质量控制 (5)10.2 质量检验 (6)11。
安全及环保要求 (8)11。
1安全要求 (8)11.2 环保要求 (8)水沟、电缆槽施工作业指导书1.适用范围适用于中铁二十三局贵广铁路项目部东科山隧道进口水沟、电缆槽施工.2.编制依据⑴《铁路隧道工程施工技术指南》(TZ204—2008)⑵《铁路隧道工程施工质量验收标准》(TB10417—2003)⑶《东科山隧道设计图》⑷《双线隧道复合式衬砌断面参考图》(张唐施隧01—01~01—65)⑸《铁路混凝土工程施工质量验收补充标准》(修订后2009年)⑹《铁路隧道工程施工质量验收标准》(TB10417—2003 修订后 2009年)⑺《双线隧道防排水参考图》(张唐施隧参05—01~05—22)3.作业准备3。
1 内业技术准备在开工前组织技术人员认真学习,阅读审核施工图纸,澄清有关技术问题,熟悉技术规范和技术标准,制定施工安全保证措施,提出应急预案,对施工人员进行技术交底,对参加施工人员进行岗前技术培训,考核合格后持证上岗。
3。
2 外业技术准备⑴施工前必须对预留水沟电缆槽位置、高程等技术数据进行检查和复核,符合设计要求,以确保水沟、电缆槽不侵入隧道路面宽度。