八年级物理全册全套试卷专题练习(word版
- 格式:doc
- 大小:1.12 MB
- 文档页数:26
八年级物理上册全册全套试卷练习(Word版含答案)一、初二物理声现象实验易错压轴题(难)1.探究声音的特征:(1)为了探究音调与什么因素有关,小明设计了下面几个实验,如图所示,你认为能够完成探究目的是_____,通过探究可知:音调是由发声体振动的_____决定的.(2)如图所示,将一把钢尺紧按在桌面上,一端伸出桌面适当的长度,拨动钢尺,就可听到_____(选填“钢尺”或“桌面被拍打”)振动发出的声音,若改用更大的力拨动钢尺,则听到声音的_____(选填“音调”、“音色”或“响度”)变大;逐渐增加钢尺伸出桌面的长度,仔细聆听钢尺振动发出声音后,发现音调逐渐变_____(选填“高”或“低”)了,观察发现此时钢尺振动慢了,当钢尺伸出桌面超过一定长度时,虽然用同样的力拨动钢尺,却听不到声音了,这是由于_____.【答案】A、B、C 频率(快慢)钢尺响度低钢尺的振动频率低于20HZ【解析】(1)A、硬纸板接触齿数不同的齿轮,振动的频率不同,发出的声音的音调不同,符合题意;B. 改变钢尺伸出桌边的长度振动的频率不同,发出的声音的音调不同,符合题意;C. 用塑料尺子在梳子齿上快慢不同的滑动时,梳子齿振动的频率不同,发出的声音的音调不同,符合题意;D. 改变吹笔帽的力度,振幅不同,响度不同,研究响度跟振幅的关系,不符合题意;故选D.通过探究可知:音调是由发声体振动的频率决定的; (2)将一把钢尺紧紧按在桌面上,一端伸出桌面适当的长度,拨动钢尺,就可听到钢尺振动发出的声音;若改用更大的力拨动钢尺,钢尺的振幅变大,响度变大;改变钢尺伸出桌面的长度,用同样大小的力拨动其伸出桌面的一端,这样会导致钢尺振动的快慢不同,即发出声音的音调不同;钢尺伸出桌面超过一定长度,振动得很慢,即钢尺振动的频率小于20Hz,所以人耳听不到.2.王伟同学研究了均匀拉紧的琴弦发音频率与弦长的关系,并记录了实测的数据(如下表所示).分析表格中频率和弦长两行数据可知,均匀拉紧的琴弦发音频率随着弦长变长而________(选填“变大”、“不变”或“变小”);且通过计算可知,琴弦发音频率与弦长的乘积的大小________(选填“是”或“否”)变化的.估算出他有意留出的空格中应该填写的数据①应该是________,②应该是________.【答案】变小否35l495【解析】【分析】【详解】分析表格中频率和弦长两行数据可知,均匀拉紧的琴弦发音频率随着弦长变长而变小;通过计算可知,琴弦发音频率与弦长的乘积都是264L,不发生变化;空格中应该填写的数据①应该是:26434405LL=,②应该是:264495815LL=3.在学习二胡演奏过程中,小明发现琴弦发出的声音音调高低受各种因素的影响,他决定对此进行研究,经过和同学们讨论提出了以下几种猜想:猜想一:琴弦发出声音的音调高低,可能与琴弦的横截面积有关猜想二:琴弦发出声音的音调高低,可能与琴弦的长短有关猜想三:琴弦发出声音的音调高低,可能与琴弦的材料有关猜想四:琴弦发出声音的音调高低,可能与琴弦的松紧有关为了验证上述猜想是否正确,他和同学们找到了表所列4种规格的琴弦,进行实验.(1)为了验证_____,应选编号A,C的两种规格的琴弦进行实验.(2)为了验证猜想一,应选编号_____的两种规格的琴弦进行实验.(3)在验证猜想三时,小明发现粗心的同学没有把表中的数据填全,表中①的位置所缺数据是_____.(4)小明在这个探究实验中,选编号B,C的两种规格的琴弦进行实验,同组同学说不能证明以上猜想,其理论依据是没有采用_____的研究方法..(5)综上分析,同样用力时,琴弦的长短,横截面积,材料和松紧都影响弦振动的_____,因此琴弦发出声音的音调高低不同.【答案】二 A、B 55 控制变量法频率【解析】(1)因A、C材料相同,横截面积相同,长度不同,选编号A,C的两种规格的琴弦进行实验是为了验证猜想二:琴弦发出声音的音调高低,可能与琴弦的长短有关;(2)为验证猜想一,应选择长度和材料都相同,而横截面积不同的琴弦A. B进行研究.(3)如果验证猜想三,即琴弦发出声音的音调高低,可能与琴弦的材料有关;应控制长度和横截面积相同,而琴弦的材料不同,故应选B. D进行探究,则表格①的位置所缺数据是55;(4)本实验中有三个变量,应用控制变量法研究,即控制两个变量相同,研究与第三个变量的关系,编号B,C的两种规格的琴弦,材料相同,长度和横截面积都不同,三个变量中有两个不同,不符合控制变量法,故不能证明以上猜想.(5)综上分析,同样用力时,琴弦的长短,横截面积,材料和松紧都影响弦振动的频率,因此琴弦发出声音的音调高低不同.点睛:解决此类多因素问题时,常采用控制变量法进行分析解答,即当研究与其中一个因素的关系时,要控制其他因素不变.4.小玉所在物理实验小组首先做了如下几个实验。
人教版八年级上册物理全册全套试卷专题练习(word版一、初二物理机械运动实验易错压轴题(难)1.做分组实验时,老师要求学生完成实验报告单,下面是做测量小车的平均速度时的实验报告单(摘要)。
请你将报告中的问题补充完整。
(实验目的)测量小车的平均速度(实验原理)_______(实验器材)小车、_______、_____、斜面、金属挡板、长方体木块(实验装置)如图所示(实验数据)将表中数据补充完整。
测量的物理量AB段BC段AC段路程s/cm4556101时间t/s3 2.8 5.8平均速度v/(cm·s-1)________________17.4(实验分析)(1)小车全程做____(选填匀速或变速)运动;(2)实验时,为了使小车在斜面上运动的时间长些,应____(选填增大或减小)斜面的坡度。
【来源】内蒙古呼伦贝尔扎兰屯市2019-2020学年八年级(上)期末检测物理试题【答案】v=st刻度尺停表 15 20 变速减小【解析】【分析】【详解】[1]测平均速度的原理是:v=st。
[2][3]实验器材,除小车、斜面、金属挡板、长方体木块外实验还需测量路程用的刻度尺,测量小车运动时间用的停表。
[4]小车在AB段的路程为:s AB=45cm,t AB=3.0s,则小车在AB段的平均速度为v AB=ABABst=45cm3.0s=15cm/sAB段的平均速度为15cm/s。
[5]小车在BC 段的路程为:sBC =56cm ,t BC =2.8s ,则小车在BC 段的平均速度为v BC =BC BC s t =56cm 2.8s=20cm/s BC 段的平均速度为20cm/s 。
(1)[6]由上面实验知AB 段的速度小于BC 段的速度,故小车做变速直线运动。
(2)[7]斜面的倾角越小(坡度越小),小车运动时间越长,便于测量小车的运动时间;所以,实验时,为了使小车在斜面上运动的时间长些,应减小斜面的坡度。
八年级物理全册全套试卷练习(Word版含答案)一、初二物理声现象实验易错压轴题(难)1.噪声是一种严重的环境污染,李明想制作一个防噪声的耳罩,他通过比较几种材料(衣服、锡箔纸、泡沫塑料)的隔音性能,来选择一种隔音性能好的材料做耳罩的填充物。
实验器材除了待检测的材料外,还有:音叉、机械闹钟、鞋盒。
(1)在本实验中适合作声源的是_____,另一个仪器不适合作声源的理由是___(2)李明将声源放入鞋盒内,在其四周塞满待测填充材料,他设想了以下A、B两种实验方案.你认为最佳的是________方案。
A.让人站在距鞋盒一定的距离处,比较所听见声音的响度B.让人一边听声音,一边向后退,直至听不见声音为止,比较此处距鞋盒的距离实验中测得的数据如下表所示,则待测材料中隔音性能最好的是____________。
(3)实验过程中应将声源响度________(选填“调大”或“调小”),因为铃声响度越大时,人要听不到声音时与声源的距离将越_____(选填大或小),导致实验在教室中难以进行.同时在比较不同材料时铃声响度应____(选填“随材料而改变”或“保持不变”),这种物理方法叫_______。
(4)小红从家中也找出下列一些材料开始探究:一张报纸、一件羽绒服、一个薄塑料袋、一些泡沫板,李明认为小红选择这些材料直接进行实验存在一个明显问题,不能有效地说明这些材料的隔声性能,请指出这个明显的问题:_______。
(5)对材料进行科学调整后,他们通过探究得到如下实验数据:由此数据可将这些材料隔声性能最好的是____________。
【答案】机械闹钟音叉发出的声音不稳定,不能持续发声B泡沫塑料调小大保持不变控制变量法没有控制材料厚度相同羽绒服【解析】【分析】【详解】(1)[1][2]机械闹钟,发出的声音稳定,能持续发声,所以选用机械闹钟,而音叉发出的声音不稳定,不能持续发声,所以不选用音叉。
(2)[3]A方案中,由于人耳听到的响度无法测量,只能凭感觉判断,没有可靠的实验数据;在B方案中,通过比较到鞋盒的距离判断隔音效果,因为距离可以测量,有可靠地实验数据,能够较好的判断隔音效果。
八年级物理全册全套试卷专题练习(word版一、初二物理机械运动实验易错压轴题(难)1.细心的小轩发现水箱接口处使用不同水管,出水口水流喷射的远近不同.于是,小轩想探究“水压相同时影响水管出水口水流速度大小的因素”。
为此,他提出了三个猜想:①与水管的长度有关;②与水管的内径大小有关;③与水管的材质有关.为了验证猜想,小轩设计如图所示实验装置。
(1)实验过程中,需控制水箱中水的深度不变,从而使接口处水的压强________。
保持出水口的高度h不变,通过____________来反映出水口水流速度的大小.在接口处接材质相同的不同水管多次实验,实验数据如下表:实验序号长度l(cm)内径d(cm)喷射距离s(cm)1401.0142 1.5163 2.0204701.0125 1.5156 2.01771001.0118 1.5139 2.014(2)实验需要的测量工具是________。
(3)比较序号________可得到的初步结论是:当材质和内径一定时,水管长度越长,出水口水流速度越小;比较序号1、2、3可得到的初步结论是:当材质和长度一定时,_____。
(4)综上所述,当其他条件一定时,水管长度越长,内径越小,出水口水流速度________。
(5)为验证猜想③,接下来的操作应该为_____________。
【来源】【专题】备战2020届中考物理二轮复习题型专练题型08-创新探究题【答案】不变喷射距离刻度尺 1、4、7或2、5、8或3、6、9 水管内径越大,出水口水流速度越大越小用内径和长度相同,材质不同的水管多次实验【解析】【分析】【详解】(1)[1]液体压强与液体的深度有关。
使接口处水的压强不变,需控制水箱中水的深度不变。
[2]水流速度的越大喷射距离越远,可以通过喷射的距离反映水流的速度。
(2)[3]实验中需要刻度尺测量水管长度、水管内径、喷射距离。
(3)[4]比较1、4、7或2、5、8或3、6、9发现实验中水管材质和内径相同,而水管长度不同,水管长度越长喷射距离越短,说明当材质和内径一定时,水管长度越长,出水口水流速度越小。
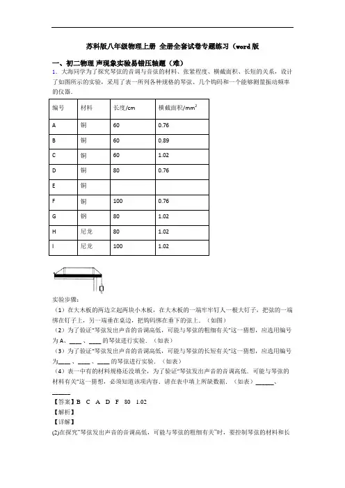
苏科版八年级物理上册全册全套试卷专题练习(word版一、初二物理声现象实验易错压轴题(难)1.大海同学为了探究琴弦的音调与音弦的材料、张紧程度、横截面积、长短的关系,设计了如图所示的实验,采用了表一所列各种规格的琴弦、几个钩码和一个能够测量振动频率的仪器.编号材料长度/cm 横截面积/mm2A 铜60 0.76B 铜60 0.89C 铜60 1.02D 铜80 0.76E 铜F 铜100 0.76G 钢80 1.02H 尼龙80 1.02I 尼龙100 1.02实验步骤:(1)在大木板的两边立起两块小木板,在大木板的一端牢牢钉人一根大钉子,把弦的一端绑在钉子上,另一端垂在桌边,把钩码绑在垂下的弦上.(如图)(2)为了验证“琴弦发出声音的音调高低,可能与琴弦的粗细有关”这一猜想,应选用编号为A、____ 、____ 的琴弦进行实验.(如表)(3)为了验证“琴弦发出声音的音调高低,可能与琴弦的长短有关”这一猜想,应选用编号为____ 、____ 、____ 的琴弦进行实验.(如表)(4)表一中有的材料规格还没填全,为了验证“琴弦发出声音的音调高低.可能与琴弦的材料有关”这一猜想,必须知道该项内容.请在表中填上所缺数据.(如表)______、______【答案】B C A D F80 1.02【解析】【详解】(2)在探究“琴弦发出声音的音调高低,可能与琴弦的粗细有关”时,要控制琴弦的材料和长度相同,故选A. B. C的琴弦进行实验;(3)探究“琴弦发出声音的音调高低,可能与琴弦的长短有关”时,应控制琴弦的材料和横截面积相同,所以选A. D. F的琴弦进行实验;(4)为了验证“琴弦发出声音的音调高低。
可能与琴弦的材料有关”时,应控制琴弦的长度和横截面积相同,材料不同,符合条件的只有G、H,所以D项中应是:80;1.02.2.为了探究收音机接收电磁波的情况好坏与哪些因素有关,小明将一只袖珍收音机调好电台节目和音量后完成了以下实验:①将收音机放进一只铝锅内,发现声音明显变小,取出后又恢复了原来的音量。
八年级物理全册全套试卷专题练习(word版一、初二物理声现象实验易错压轴题(难)1.小华和小刚用棉线连接了两个纸杯制成了一个“土电话”.以下是他们对“土电话”的探究.()1他们用“土电话”能实现10m间的通话,这表明________.()2两人位置不变,以相同的响度讲话,改用细金属丝连接,则听到的声音就大些.这一实验表明________.()3小华和小刚利用以上两个纸杯和一些长短、粗细不同的琴弦,又进行了探究“音调和哪些因素有关”的活动.他们选用的琴弦长度、材料在如图中标出(其中琴弦的直径关==<),并且每根琴弦固定在“音箱”上的松紧程度一致.系:a c d b()4①若他们想探究“音调的高低与琴弦材料”的关系应选择琴弦_____(从“a”、“b”、“c”或“d”中选两根).②若选择琴弦a和b,则是为了研究音调的高低与________的关系.【答案】固体能够传声金属的传声效果好a、c材料粗细【解析】【分析】【详解】(1他们用“土电话”能实现10m间的通话,是因为固体能够传声,即这表明固体能够传声.()2两人位置不变,以相同的响度讲话,改用细金属丝连接,则听到的声音就大些.这一实验表明金属的传声效果好.()4①根据控制变量法的思路,若他们想探究“音调的高低与琴弦材料”的关系,应选择粗细相同,而材料不同的两根琴弦,即选择a和c;②若选择琴弦a和b,长度和材料相同,粗细不同,所以是为了研究音调的高低与材料粗细的关系.2.小丽同学在观察小提琴、二胡等乐器的弦振动时猜想:在弦张紧程度相同的条件下,发声的音调高低还可能与弦的粗细、长短及弦的材料有关。
于是小丽找来了各种不同的琴弦,想通过实验进行探究。
琴弦的编号及情况如下表所示:(1)如果想探究发声时音调与弦的材料的关系,小丽应选择表中编号为________的琴弦。
(2)如果想探究发声时音调与弦的粗细的关系,小丽应选用表中编号为________的琴弦。
(3)通过查阅资料,小丽知道了琴弦的振动频率与琴弦长度的关系如图11所示。
八年级物理全册全套试卷(Word版含解析)一、初二物理声现象实验易错压轴题(难)1.如图甲所示,小芳和小刚用细棉线连接了两个可乐饮料的纸杯制成了一个“土电话”.(1)他们用“土电话”能实现10m间的通话,这表明________________.(2)相距同样远,讲话者以相同的响度讲话,如果改用细金属丝连接“土电话”,则听到的声音就大些.这一实验表明:________________________.(3)如果用“土电话”时,另一个同学捏住棉线的某一部分,则听的一方就听不到声音了,这是由于____________________________.(4)某研究小组利用以上两个纸杯和一些长短、粗细不同的琴弦,又进行了探究“音调和哪些因素有关”的活动.他们选用的琴弦长度、材料在如图乙中已标出(其中琴弦的的直径关系:a=c=d<b),并且每根琴弦固定在“音箱”上的松紧程度一致.①若他们想研究“音调的高低与琴弦长度”的关系应选择琴弦________(选填符号a、b、c 或d).②若选择琴弦a和b,则是为了研究____________________.③若有同学选择c和d进行研究,并推理得出:琴弦长度越长,振动越慢,音调就越低的结论.该同学探究过程中存在什么问题?_______________________.【答案】固体能够传声金属丝比棉线的传声效果好手阻止了琴弦振动传声 a d音调的高低与琴弦粗细的关系实验中没有控制材料相同【解析】分析:解决此题的关键是熟练掌握控制变量法.解答:声音的传播需要介质,声音可以在固体、液体、气体中传播;土电话”能实现10m 间的通话,说明固体可以传声;以相同的响度讲话,改用细金属丝连接“土电话”,则听到的声音就大些,说明金属丝传声效果比棉线好;用“土电话”时,另一个同学捏住棉线的某一部分,则听的一方就听不到声音了,这是由于手指阻断了声音的传播,研究“音调的高低与琴弦长度”的关系必须控制材料和横截面积相同,故选 . a d;因为a和b材料、长度都相同选择琴弦a和b,则是为了研究音调的高低与琴弦粗细的关系;若有同学选择c和d进行研究,并推理得出:琴弦长度越长,振动越慢,音调就越低的结论.该同学探究过程中存在的问题是若有同学选择c和d进行研究,并推理得出:琴弦长度越长,振动越慢,音调就越低的结论.该同学探究过程中存在什么问题故答案为(1)固体能传播声音;(2)金属丝的传声效果好;(3);手阻止了琴弦振动传声;(4)①ad;②音调的高低与琴弦粗细的关系;③选择c和d进行研究,并推理得出:琴弦长度越长,振动越慢,音调就越低的结论.该同学探究过程中存在的问题是没有控制两根导线的材料相同.2.如图所示,用手拨动塑料尺(1)发出的声音是由塑料尺_____产生的(2)如图a所示,用较小的力轻拨塑料尺;如图b所示,用较大的力重拨塑料尺.从a到b,塑料尺发出声音的_____变大(3)如图c到图d,拨塑料尺的力不变,使塑料尺伸出桌面的长度变长,用仪器测得c图实验声音为1.3×10■,d图实验声音为1.2×102■,两个数据的单位是_____可见随着塑料尺伸出桌面的长度变长,发出声音的_____变小(4)如图c到图f,拨塑料尺的力不变,塑料尺伸出桌面的长度不变,在塑料尺右端开小孔,开孔前后、两次发声的波形图象如图所示.可见结构的不同,会导致发出声音的_____改变.【答案】振动响度 Hz 音调音色【解析】【分析】【详解】(1)声音由振动产生,所以塑料尺发出的声音是由塑料尺振动产生的;(2)如图a所示,用较小的力轻拨塑料尺;如图b所示,用较大的力重拨塑料尺,即两次尺子伸出桌面的长度相同,尺子的振动幅度不同,振幅决定响度,所以从a到b,塑料尺发出声音的响度变大;(3)如图c到图d,拨塑料尺的力不变,使塑料尺伸出桌面的长度变长,用仪器测得c图实验声音为1.3×102,d图实验声音为1.2×102,两个数据的单位是Hz,即声音振动的频率,频率决定音调,所以可知随着塑料尺伸出桌面的长度变长,发出声音的音调变低;(4)如图c到图f,拨塑料尺的力不变,塑料尺伸出桌面的长度不变,在塑料尺右端开小孔,开孔前后、两次发声的波形图象如图所示,产生的声音波形发生了细微的变化,这些波形的细微变化,决定的是声音的音色,所以可知结构的不同,会导致发出声音的音色改变.3.为了探究声音产生的原因,小明和小丽一起做了几个实验:小明把手放在喉咙处,大声讲话,感觉喉头振动了;小丽把发声的音叉放在水中,可以激起水花.(1)通过对上面的种种实验现象的分析,能得出声音是由______产生.(2)小华同学,用手敲鼓,他知道声音是由鼓面的______发出的,但是他看到鼓面几乎没有什.为了使看到的实验现象更明显,他在鼓面上撒些小纸团,撒小纸团目的是______.么异样(3)小明、小丽等同学在探究上述问题之后,又提出这样一个问题:声音是怎样从发声物体传播到远处的?针对这一问题,他们经过认真地思考,提出了两种猜想:①声音要传播出去,需要别的物质做媒介;②声音要传播出去,不需要什么物质做媒介.究竟哪一种猜想是正确的呢?小明他们进行了如下的实验:a.把正在响铃的手机放在玻璃罩内,再逐渐抽出玻璃罩内空气的过程中,会听到铃声逐渐______.b.再打开阀门,让空气逐渐进入玻璃罩内,又会听到铃声逐渐______.c.推理过程:玻璃罩内空气越少,传出的声音越______,如果玻璃罩内抽成真空后,就听不到手机响铃的声音了.d.结论:______.由此现象可以推得猜想______是正确的.【答案】振动振动发声振动转换成鼓面上小纸屑的振动易于观察减小变大小声音的传播需要介质,真空不能传声①【解析】【详解】(1)[1]讲话是声带的振动,音叉发声使水振动,都能证明声音是由物体振动产生的。
八年级物理全册全套试卷检测题(Word版含答案)一、初二物理声现象实验易错压轴题(难)1.同学们围绕着水瓶发声的有关问题进行了以下探究。
(提出问题)敲瓶(瓶内含水)时发出的声音主要是由什么振动产生的?(猜想与假设)A.瓶子振动;B.瓶内水振动;C.瓶内空气柱振动(进行实验)(1)将瓶子装满水后用筷子敲击瓶子,瓶子仍能发出声音,故可以将猜想________排除。
(2)将瓶内水全部倒出后用筷子敲击瓶子,瓶子仍能发出声音,故可以将猜想________排除。
(得出结论)由上述实验分析可知,敲瓶发声,主要是由________振动产生的。
(提出新的问题)(1)瓶子发声的音调跟瓶内水的多少有什么关系?(2)随着瓶内水的增多,敲瓶发声的音调变化和吹瓶发声的音调变化又有何不同呢?(设计实验)(1)如图甲所示,先将8个空的玻璃瓶子放到桌子上一字摆开,再向瓶内注入不等量的水,从左到右,瓶内注入的水逐渐增多,最后用筷子从左到右依次敲击瓶口,同时用耳朵仔细听,辨别音调的高低。
(2)用嘴从左到右依次吹瓶口,同时用耳朵仔细听,辨别音调的高低。
(再得出结论)(1)敲瓶发声的音调随着瓶内水的增多而变______(选填高或低)。
(2)吹瓶发声的音调随着瓶内水的增多而变______(选填高或低)。
(拓展应用)如图乙所示. 用嘴分别对着5个高度不同的小瓶的瓶口吹气,发现瓶子越高,发出声音的音调越低。
(1)用嘴对着5个小瓶的瓶口吹气,5个小瓶均发出声音,则发出的声音是由________的振动产生的。
(2)5个小瓶产生的声音音调不同,其原因是________________。
【答案】C B瓶子低高瓶内空气柱空气柱的长短、粗细不同,导致空气柱振动的频率不同【解析】【分析】【详解】[1]将瓶子装满水后,瓶内没有空气,用筷子敲击瓶子,瓶子仍能发出声音,说明敲瓶时发出的声音不是由空气柱的振动产生的。
所以可以将猜想C排除。
[2]将瓶内水全部倒出后,瓶内没有水,用筷子敲击瓶子,瓶子仍能发出声音,说明敲瓶时发出的声音不是由瓶内水振动产生的。
八年级物理上册全册全套试卷专题练习(word版一、初二物理声现象实验易错压轴题(难)1.(1)把正在发声的手机放在玻璃罩内(如图甲所示),逐渐抽出其中的空气听到的声音越来越小,最后几乎听不到铃声,这说明______.(2)图乙是探究“”的实验装置图,把平面镜放在水平桌面上,再把一张可以沿ON 向前或向后折的纸板竖直地立在平面镜上,纸板上的ON垂直于镜面。
能折叠的纸板的作用是:。
(3)图丙所示的装置做“探究水沸腾时温度变化特点”的实验:组装实验装置时,放置石棉网的铁圈位置和悬挂温度计的铁夹位置非常重要,应当先调整固定的位置(选填“铁圈”或“铁夹”);实验时,小雯向烧杯中倒入热水而不用冷水,这种做法的优点是.【答案】(1)真空不能传播声音(2)光的反射;反射光线与入射光线是否在同一平面内。
(3)铁圈” ;缩短试验时间或节省时间.【解析】试题分析:(1)把正在发声的手机放在玻璃罩内,逐渐抽出其中的空气,听到的铃声越来越小,进一步推理空气越稀薄,声音越小,空气完全没有时,声音也听不到,可得真空不能传声。
(2)把纸板ON的右半边向前或向后折时,如果入射光线、法线、反射光线在同一平面内,所以反射光线不能出现在纸板上。
所以,用能折叠的纸板判断反射光线与入射光线是否在同一平面内。
(3)若先固定铁夹,温度计的位置相对固定,铁圈上下调整的空间有限,难以保证用酒精灯的外焰加热,所以应当先调整固定铁圈的位置,按照自下而上的顺序组装;小雯向烧杯中倒入热水而不用冷水,因为热水温度较高,可以减少实验时间。
考点:声音的传播光的反射规律及其应用实验装置的合理安装2.小明在吉他演奏中发现,琴弦发出的音调与弦线的长度、粗细和张力有关.于是他想(1)利用弦音计做研究,如图所示,其中a、b、c、d四根弦线的张力相同.①若他选择b、d两弦线做实验,则研究的目的是探究音调与弦线_____的关系.②若他要研究音调与弦线粗细的关系,则应选择_____和_____两弦线做实验.③小明研究后得出结论:在其他条件相同的情况下,弦线越长,发出的音调越低;弦线越粗,发出的音调越低.(2)请你据如图判断,在张力相同的情况下,分别按住A 点、点、B B 点、点、C C 点后拨动琴弦,发出的音调最高的是按住_____点,最低的是按住_____点.【答案】长度 a b A B 【解析】【分析】【详解】(1)(1)弦乐器的音调与弦的长短粗细和张力有关,在研究弦乐器的音调与哪些因素有关时,用弦乐器的音调与弦的长短粗细和张力有关,在研究弦乐器的音调与哪些因素有关时,用到的实验方法为控制变量法,若他选择b 、d 两弦线做实验,两者的粗细和张力相同,所以研究的目的是探究音调与弦线长度的关系.若他要研究音调与弦线粗细的关系,应该控制他们的长度和张力相同,满足该条件的是a 和b 两弦线.(2)(2)按住按住AC 两点比较,按住A 点时弦较短,所以发出的音调较高的是按住A ,发出的音调较低的是按住C 按住BC 两点比较,按住B 点时弦较粗,所以发出的音调较高的是按住C ,发出的音调较低的是按住B ,所以分别按住A 点、B 点、C 点后拨动琴弦,发出的音调最高的是按住A 点,最低的是按住B 点.3.请按要求回答:请按要求回答:(1)图甲:该装置能探究声音产生的原因,还能探究声音的响度和________的关系;乒乓球在实验中的作用是:________.(2)图乙:抽气机不断向罩外抽气的过程中,罩内被拨打的手机的铃声越来越小,直到听不见,这说明:________.(3)图丙:将一把钢尺紧按在桌面上,一端伸出桌面适当的长度,拨动钢尺,就可听到钢尺振动发出的声音.保持拨动钢尺的力不变,逐渐增加钢尺伸出桌面的长度,钢尺振动发出声音的音调会逐渐变________(填“高”或“低”).(填“高”或“低”).(4)图丁:用一张硬卡片先后快拨和慢拨木梳的齿,听到硬卡片产生的声音发生变化.这个实验用来探究________.将音叉微小的振动放大; 声音的传播需要介质(真空不能传声); 【答案】振幅; 声音音调的高低与频率的关系. 低; 【解析】【分析】(1)响度指声音的大小,响度跟物体振动的幅度有关,振幅越大,响度越大.(2)声音是由物体的振动产生的,声音能够在固体、液体、气体中传播,真空不能传声.(3)频率是物体在单位时间内振动的次数.振动越快,说明频率越大.音调跟频率有关,频率越大,音调越高;频率越小,音调越低.(4)用硬卡片拨动木梳齿时,木梳的齿振动发声,木梳的齿振动越快,振动频率越大,音调越高.【详解】(1)通过乒乓球被弹起说明物体发声时在振动;乒乓球弹起的越高,振幅越大,响度越大,实验可以说明响度跟振幅的关系;是通过乒乓球被弹起将音叉微小的振动放大,这种实验方法叫做转换法;(2)图2:抽气机不断向罩外抽气的过程中,罩内被拨打的手机的铃声越来越小,直到听不见,这说明:声音的传播需要介质(真空不能传声)(3)保持尺的振动幅度不变,钢尺伸出长,振动慢,音调低;钢尺伸出短,振动快,音调高.(4)硬卡片拨动木梳的齿,卡片由于振动会发出声音;当用相同的力改变拨动木梳齿的快慢时,卡片振动的快慢不同,所以发出声音的音调就会不同;来探究音调与频率的关系.)振幅; 将音叉微小的振动放大;(2)声音的传播需要介质(真空不能传故答案为(1)振幅;声);(3)低;(4)声音音调的高低与频率的关系.【点睛】本题全部来源于课本插图,考查学生对课本插图蕴含物理知识的了解情况,要求学生在平时学习中不要忽略这部分内容.4.在“探究响度与什么因素有关”的实验中:(1)如图甲,当用橡皮锤敲击音叉时,既能听到音叉发出的声音,又能观察到乒乓球弹起一个较小的幅度,乒乓球在实验中起到的作用是将不易观察到的音叉的振动转化为乒乓球的振动。
八年级物理全册全套试卷试卷(word版含答案)一、初二物理机械运动实验易错压轴题(难)1.如图,在斜面上测量小车运动的平均速度,让小车从斜面的A点由静止开始下滑,分别测出小车到达B点和C点的时间,即可测出不同阶段的平均速度.(1)该实验原理是_____.(2)如果测得小车从A滑到C的时间t AC=2.4s,小车从A滑到B的时间t AB=1.6s,则AB段的平均速度v AB=_____cm/s,则BC段的平均速度v BC=_____cm/s;(3)由实验看出,下车下滑过程中速度越来越_____(选填“慢”“快”).(4)在测量小车到达B点的时间时,如果小车过了B点才停止计时,测得AB段的平均速度v AB会偏_____(选填“大”或“小”).(5)为测量小车运动过程中下半程的平均速度,某同学让小车从B点由静止释放,测出小车到达C点的时间,从而计算出小车运动过程中下半程的平均速度v=s AB/t BC,他的做法正确吗?_____.(6)聪明的小杜发现AB段和BC段路程的特点,算出了AC段平均速度v,AB段的平均速度v1,觉得还可以用公式直接算出BC段的平均速度v2,则v2=_____(用v、v1).【来源】重庆八中2017-2018学年八年级(上)期中物理试题【答案】 v=s/t 25 50 快小不正确112vvv v-【解析】(1)该实验原理是:vst= .(2)s ABBCs==40.00cm,t AC=2.4s,t AB=1.6s,tBC 2.4s 1.6s0.8sAC ABt t=-=-=,则AB段的平均速度v AB4025cm/s1.6ABABs cmt===,则BC段的平均速度v BC4050/0.8BCBCs cmcm st s===.(3)由BC ABv v>可以看出,小车下滑过程中速度越来越快。
(4)在测量小车到达B点的时间时,如果小车过了B点才停止计时,则测量时间偏大,故AB段的平均速度v AB会偏小。
八年级物理全册全套试卷达标练习题〔Word 版含答案〕一、初二物理机械运动实验易错压轴题〔难〕1 .如下图,让小车从斜而的A 点由静止开始下滑,分别测出小车到达8点和C 点的时 间,即可测出不同阶段小车的平均速度.〔1〕实验中金属片的作用是—,实验时应保持斜而的倾角 〔选填“较大〞或 “较小〞〕: 〔2 〕小车通过48段时测得时间1AB =L6S ,那么加段的平均速度皿=cm/s :〔3〕在测量小车到达8点的时间时,如果小车过了 8点才停止计时,那么测得A8段的平均 速度VAB 会偏 〔选填“大〞或“小〞〕:〔4〕根据你的实验经历,你认为小车由静止释放时,斜面的倾角增大后,通过相同的路 程,小车运动的平均速度将 〔选填“不变〞、“变大〞或“变小〞〕.【来源】湖北省鄂州市梁子湖区2021-2021学年八年级〔上〕期中质量监测物理试题 【答案】便于测量时间较小25小变大 【解析】 【分析】 【详解】⑴田在斜面上放置一个金属片的目的就是让小车在同一位置停下来,与小车相碰发出声 音,便于测量小车运动的时间;⑵斜而坡度越大,小车沿斜而向下加速运动越快,过某点的时间会越短,计时会越困难, 所以为使计时方便,减小测量时间时造成的误差,应保持斜面的倾角较小; ⑵⑶小车运动距离:SAB=80.0cm-40.0cm=40.0cm,以8=1«,小车通过A8段的平均速度:〔3〕[4]如果让小车过了 8点才停止计时,会导致测得的时间偏大,由公式〞三知,测得的 t平均速度会偏小:⑷⑸小车由静止释放,斜面的倾角增大后,小车的运动变快,通过相同的路程,小车运动 的平均速度变大.2 .小明在“测小车的平均速度〞的实验中,设计了如下图的实验装置:小车从带刻度 的、分度值为1cm 的斜面顶端由静止下滑,图中的时间是小车到达4、8、C 三处时电子 表的显示时刻:40.0cm1.6s=25.0cm/s :〔1〕此实验根据公式进行测量的.所用的测量工具应该有和;〔2〕实验中为了方便计时,应使斜面坡度较〔填“陡〞或“缓〞〕些;〔3〕实验前必须学会熟练使用电子表,如果让小车过了4点后才开始计时,那么会导致所测4c段的平均速度偏.〔填“大〞或“小〞〕.【来源】内蒙古翁牛特旗乌丹第一中学2021-2021学年八年级〔上〕期中测试物理试题【答案】v=-刻度尺秒表缓大t【解析】【详解】平均速度是指某段时间内的路程与这段时间的比值,计算公式为1--:⑵[3]实验中要用刻度尺测量路程,用秒表测量时间:⑵[4]斜而坡度越大,小车沿斜面向下加速运动越快,过某点的时间会越短,计时会越困难,所以为使计时方便,斜面坡度应缓一些;〔3〕[5]过了A点后才开始计时,计时晚,所计时间偏小,用公式v=上算出的速度偏大.t3.如下图,在测量小车运动的平均速度实验中,让小车从斜面的4点由静止开始下滑并开始计时,分别测出小车到达8点和C点的时间,即可算出小车在各段的平均速度.⑴图中AB段的距离SAB=cm,测得时间t AB=1.6s,那么AB段的平均速度VAB=cm/s:⑵如果小车过了B点才停止计时,那么测得的平均速度VAB会偏:⑶实验中应屡次测量,每次测量时必须让小车从由静止开始下滑:〔4〕UBC VAB 〔填“了、%〞或.【来源】四川省成都市八校联考2021-2021学年九年级〔下〕开学测试物理试题〔3月月测试题〕【答案】40.0 25小同一位置>【解析】【分析】【详解】〔1〕[1]由图知道,48段的距离是:S AB =80.0cm-40.0cm=40.0cm;⑵由于A8段的时间是1AB=L6S,所以,小车通过A8段的平均速度是:40.0cm V ,v AB = A = ------------ = 25cm/s ,『AB 16s⑵⑶如果让小车过了8点才停止计时,会导致时间的测量结果偏大,由公式u = 士知道, t平均速度会偏小:〔3〕[4]本实验屡次测量求平均值的目的是为了减小误差;实验中屡次测量,应保证小车每次通过的距离相等,所以,每次测量时必须让小车从同一位置由静止开始下滑;⑷⑸小车从A到C的过程中做加速运动,速度越来越大,所以,在8c段的速度大于4c段的速度,即VBC>VAC.4.小海进行“测量平均速度〞实验.〔1〕试用刻度尺和停表,如下图,图甲读数为cm,图乙读数为s o〔2〕用图装置实验时,测得48间距离SA6=40.0cm, AC间距离gc=80.0cm,小车从A到8 所用时间08=2S,A到C所用时间t AC=3s,那么AB间平均速度以8=rn/s, AC间平均速度味48 〔选填">"、"="或,小车做〔选填"匀速直线"或"变速直线〞〕运动.〔3〕如果小车过了4点才开始计时,会使所测4C间平均速度〔选填“偏大"、"不变" 或“偏小〞〕.【来源】广东珠海市香洲区2021—2021学年八年级〔上〕期末质量监测物理试题【答案】2.65 220.5 0.2 >变速直线偏大【解析】【详解】⑴出由图像可知待测物体起始端与4.00cm 刻度对齐,末端与6.65cm 刻度对齐,因此待测 物体长度为6.65cm-4.00cm=2.65cm :⑵由图像可知分针位于3min 至4min 之间,偏向4min 位置,秒针指向40.5s 刻度处,因此 时间为3min40.5s=220.5s :〔2〕[3]八8间平均速度v .…== 9°吧=20cm/s=0.2m/s .j2s⑷AC 间平均速度80cm -r ,八 cr ,v.r = = ------ q 27cm/s=0.27m/s〃 3s因此以c> V AB ;⑸小车在下滑过程中速度越来越快,是变速直线运动;〔3乂6]如果小车过了 4点才开始计时,那么所测得的时间偏小,由u = e 可知,会使所测4ct间平均速度偏大.5 .在“测量小车的平均速度〃实验中,小车从斜而顶端由静止下滑,到达A 、8、C 三处时电 子表的显示如下图〔数字分别表示“小时:分:秒〃〕.〔1〕该实验的原理是:〔2〕实验中斜而的坡度应该较 〔选填“小"或"大"〕些,这样能减小时间测量的误差;〔3〕假设S2的路程正好是全部路程的一半,那么小车通过上半段路程的平均速度VAB =m/so 实验中如果让小车过了 8点才停止计时,那么所测AB 段的平均速度偏 〔选填"大"或"小"〕°【来源】福建省莆田市. 2021-2021学年八年级〔上〕期末测试物理试题 【答案】v =-小0.2小【解析】【详解】 ⑴田该实验依据的原理是V = -:t⑵⑵斜而的坡度越小,小车速度变化越慢,所以小车所放的斜而应保持较小的坡度,这样 小车在斜而上运动的时间会长些,而便于测量小车的运动时间: ⑶⑶由图中48的路程s^B=60cm=0.6m由电子表的显示可知从A 到B 所用时间为3s,由速度公式可知小车通过上半段路程的平均 速度〔3〕[4]如果在测量小车到达8点的时间时,小车过了 8点才停止计时,就会导致记录的时间 偏大,从而使得48段的平均速度办8会偏小.二、初二物理光现象实验易错压轴题〔难〕6 .如图小明站在地铁站台,他透过玻璃板制成的屏蔽门,可以看到车道另一侧竖直墙壁上 的广告牌,及自己在玻璃屏蔽门后面的虚像.小明根据该现象设计了在站台上粗测 玻璃屏蔽门到车道另一侧广告牌之间距离d 的实验,实验步骤如下,请完成相关内容.〔1〕小明相对于玻璃屏蔽门前后移动直到观察到:〔2〕记录;〔3〕量出 的距离.除记录工具外,小明要完成上述实验必需使用的仪器是 _____ ,步骤〔3〕中量得的距离就是玻璃屏蔽门到广告牌之间的距离d,物理 依据是 o【答案】自己的像和广告牌重合时 自己站的位置 自己站的位置到玻璃屏蔽门 刻度尺 物像到平面镜的距离相等 【解析】 【分析】 【详解】小明相对于玻璃屏蔽门前后移动直到观察到小明在玻璃屏蔽门后所成的像与广告牌在 同一竖直平面上,广告牌在小明像的位置.〔2〕[2]根据物体和平面镜的距离与像和平而镜的距离相等,小明相对于玻璃屏蔽门前后移动直到观察到自己的像落在广告牌上时,并记录此时自己站立的位置.s AH 0.6m t 3s=0.2m/s⑶⑶⑷⑸实验时要用刻度尺测量小明到玻璃屏蔽门之间的距离:测量小明到平面镜的距 离,间接知道广告牌和玻璃屏蔽门之间的距离,根据是物像到平面镜的距离相等.7 .新思维科技社团的同学们学完光学中小孔成像知识后,提出一个问题,小孔在光屏上所 成像的形状与什么因素有关,同学们经过讨论后提出以下猜测: 猜测一:像的形状可能与物体形状有关; 猜测二:像的形状可能与小孔的形状有关.同学们在辅导老师的帮助下制作了 “E 〞、"F 〞和“R 〞形状的LED 发光字来充当物体,做 成两个小孔形状不同的纸筒,纸筒另一端绷装半透明膜,做好装置后同学们进行实验探 ,射出的光在同种均匀介质中沿 传播:为了便于观察,该实验最好在 〔选填“较明亮〞或 “较黑暗〞〕的环境中进行.〔2〕同学们将“F 〞发光字固定好后,先用小圆孔纸筒进行实验,同学们在半透明膜上观察到倒立的“F 〞,如下图,小孔成像中所成的像能呈现在半透明膜上,说明所成的像是 〔选填实像或虚像〕,同学们将实验结果记录在设计好的表格后,再换用小方孔 纸筒进行实验,并观察记录.〔3〕同学们再换用“E 〞和“R 〞形状发光字,分别根据实验〔2〕进行实验,将观察到的 结果记录在表中. 实验次数发光字小孔形状 像的形状半透明膜上是否呈现 1 F 圆形 倒立呈现2 F 方形 倒立呈现 3 E 圆形 倒立3呈现 4 E 方形 倒立呈现5 R 圆形 倒立呈现 6R方形倒立呈现〔4〕通过比拟,同学们验证了猜测一,得出结论:在小孔形状相同时,小孔所成 的像与物体的形状有关.究〔1〕物理上将“F 〞、"E 〞和形状的LED 发光的字称为〔5〕同学们通过比拟1、2, 3、4和5、6,得出结论:〔6〕实验小组在该实验中采用的实验方法是.【答案】光源直线较黑暗实像1、3、5 〔或2、4、6〕在物体形状相同时,小孔所成的像与小孔的形状无关限制变量法【解析】【分析】【详解】⑴田能自行发光的物体称为光源,LED发光的字是光源.⑵光在同种均匀介质中沿直线传播.⑶为了便于观察,实验在较黑暗的环境进行,成的像会比拟清楚.⑵⑷实像是实际光线会聚而成的,可以成在光屏上,孔成像中所成的像,能呈现在半透明膜上,说明所成的像是实像.〔4〕[5]通过比拟1、3、5 〔或2、4、6〕实验数据可知,小孔形状相同,物体形状不同,所成像的形状不同,说明在小孔形状相同时,小孔所成的像与物体的形状有关.〔5乂6]通过比拟1、2, 3、4和5、6,实验数据可知,物体形状相同,小孔形状不同,所成像的形状相同,说明在物体形状相同时,小孔所成的像与小孔形状无关.⑹⑺实验小组在该实验中,有两个变量物体形状和小孔形状,采用的实验方法是限制变量法.8 .小明同学在使用洗手间水龙头时发现:当手伸进水龙头下如下图窗口前时,水龙头出水,当手离开时断水.〔1〕小明听老师说这是一种由红外线限制的自动出水龙头,他想到:任何物体都会向外辐射红外线,水龙头自动出水可能是温度较高的手辐射的红外线被窗口接收,使限制阀翻开而出水.为验证猜测,他取3个相同的塑料杯分别装入等质量不同温度的水,以相同的方式将杯子逐渐靠近窗口,发现限制阀是否翻开出水与杯子到窗口的有关,把刚好出水时杯子与窗口的距离定为最远出水距离,每次测量这个距离都是15cm.他对实验现象分析如下:温度不同的杯子辐射的红外线强弱〔选填不同或相同〕,最远出水距离应该不同,但实际却相同,可见他的猜测是错误的.〔2〕为了进一步寻找原因,小明分析得到限制水龙头出水的红外线可能是由窗口发出的, 于是他取了面积形状完全相同的梳妆镜和透明玻璃板,保持它们与窗口平行,分别将它们逐渐靠近窗口,测出最远出水距离分别为32cm、7cm.入射到梳妆镜上的光线全部反射, 而入射到玻璃板上的光线〔选填“全部〞“局部〞或“不发生〞〕反射,接收到的反射光越弱,最远出水距离会越,因此说明水龙头出水是由于窗口发出的红外线被手一到窗口而使水龙头限制阀翻开自动出水.〔3〕得到出水原因后,他又进一步探究最远出水距离与哪些因素有关,设计并完成实验, 数据记录如下:反射面面积/cm?最远出水距离/cm1瓷祷100302纸板10018.23棉布10017.54海绵10016.1实验结果说明,自动出水龙头的最远出水距离与有关,此表中对红外线的反射效果最好.实验后他查资料得知:有一种红外线夜视仪的原理是利用红外探照灯照射物体,接收反射的红外辐射形成图像,来看到物体.为使物体不易被暴露,应使其外表材料对红外线反射作用较〔选填强或弱〕.【答案】距离不同局部近反射反射而材料瓷砖弱【解析】【分析】【详解】⑴田小明取3个相同的塑料杯分别装入等质量不同温度的水,以相同的方式将杯子逐渐靠近窗口,实验中限制其它条件相同,水的温度不同,那么限制阀是否翻开出水与杯子到窗口距离不同,进而说明限制阀是否翻开出水与杯子到窗口的距离有关.⑵温度不同的杯子辐射的红外线强弱是不同的.温度越高辐射的红外线越强.⑵⑶入射到玻璃板上的光线会折射,所以入射到玻璃板上的光线局部反射.⑷收到的反射光越弱,那么需要的距离越近.⑸通过实验说明水龙头出水是由于窗口发出的红外线被手反射到窗口而使水龙头限制阀打开自动出水.〔3乂6]通过实验数据可知,反射面积相同,反射面的材料不同,最远出水距离不同,说明自动出水龙头的最远出水距离与反射面的材料有关.⑺通过表中数据可知,反射而积相同时,瓷砖的最最远出水距离最短说明,瓷砖的反射效果最好.⑻使用表而对红外线反射作用较弱的材料,接收反射的红外辐射少,使物体不易被暴露°9 .如图中所示为“探究光的反射定律〞的实验装置:⑴小明在用该装置进行实验时,除了要用到铁架台、空白纸板做成的可折转光屏、光源和直尺外,还要用到和:⑵小明屡次改变入射光的方向,总能在ON两侧同一平而的光屏上观察到入射光和反射光,由此得出“光反射时,反射光线、入射光线和法线都在同一平而内〞的结论,为使结论可靠,同学小敏建议:将光屏绕轴线ON向前或向后折转,同时观察光线是否仍旧出现在光屏上:⑶小明测量图中入射角N ___________ (选填“1〞、“2〞、“3〞或“4〞)和反射角的大小,将数据记录在表格中;/ 平面筏/⑷另一组的小军将原本垂直于平面镜的纸板向后倾斜一个角度,调行入射光线仍能呈现在纸板A 上,但始终没能在纸板B上找到反射光线,经检查纸板A、B在同一平而上.这是由于法线,而反射光线应在入射光线和法线所决定的平面内.【答案】平面镜量角器反射光线2不在纸板上【解析】【分析】【详解】(1)[1][2]由于实验是为了验证光的反射定律,所以必须有平而镜:另外还需要测量反射角、入射角的大小,还需要量角器.⑵⑶将光屏绕轴线ON向前或向后折转,让入射光线贴着光屏沿八.方向射入,同时观察反射光线是否仍旧出现在另一侧的光屏上:⑶⑷入射角是入射光线与法线的夹角,所以图中入射角是角2.⑷⑸将原本垂直于平面镜的纸板向后倾斜一个角度后,当入射光线贴着纸板射向0点后, 法线将不会在纸板上,所以在纸板B上看不到反射光线,但此时反射光线、入射光线、法线仍在同一平而内.10 .小明的书桌放在南窗边,冬日的暖阳斜射在书桌玻璃台板上,在房间竖直雪白的墙壁上留下一块规那么的光斑.有一次他将一支铅笔放在玻璃圆镜正上方约10厘米处,墙上光斑中出现了两个黑色的阴影,小明在思考:〔1〕光斑的形成是由于,影子的形成是由于造成的.〔2〕为什么墙上有两个黑影呢?小明进行了探究,如图甲和乙所示,当笔放在玻璃圆镜上时,两个黑影变为紧挨着.改变铅笔和玻璃圆镜的距离.发现两个黑影对称着变化移动.于是他认为两个黑影中一个是铅笔的影子,另一个是铅笔通过平面镜所成的像.,请帮助分析他的猜测是否有道理? .〔3〕为什么一只笔出现了两个影子呢?小明再次移动铅笔偏离镜面的正上方,结果发现影子只剩下一个,如图丙所示.你能用在丁图中用光学作图来说明光斑中为什么会出现两个黑影的道理吗?':〕------ A光线141 的白增【答案】光的反射光的直线传播没有道理挡住了反射光线,形成光斑1挡住了入射光线,形成光斑2【解析】【分析】光被遮挡没有到达的地方会形成影子.光被铅笔遮挡没有到达平面镜,这时影子形成在平而镜上,反射后墙上是影子的投影.【详解】当太阳光斜射玻璃圆镜上时,发生了镜而反射,发射光射到墙壁上留下一块规那么的光斑, 影子的形成是由于光的直线传播造成的.当铅笔放在玻璃圆镜上时,铅笔会挡住射向镜面局部入射光线和由镜面射向墙壁的局部反射光线,从而在墙上形成两个黑影;如下图:光被铅笔遮挡没有到达平面镜,这时影子形成在平面镜上,反射后墙上是影子的投影,如图②.这个是先有影子后成像,所以是影子的像.另一个是光通过镜子反射后照在铅笔上,投影在他上,是铅笔的影子,如图①.而铅笔通过平而镜所成的像在镜子的下方,故小明的猜测是没有道理.改变铅笔和玻璃圆镜的距离,发现两个黑影对称着变化,再次移动铅笔偏离镜而的正上方,发射光线将不会被遮挡,如图①消失,只剩以下图②的黑影了.三、初二物理物态变化实验易错压轴题〔难〕11 .如下图是小兰探究“水的沸腾〞的实验装置:〔1〕安装实验器材时,她根据〔选填"自上而下"或"自下而上"〕的顺序进行.〔2〕当她观察到杯底的气泡在水中上升、体积〔选填"变小""不变"或"变大"〕时,说明水开始沸腾.〔3〕她还发现水在沸腾过程中,温度保持不变,温度计示数如如下图,那么水的沸点为 C.〔4〕通过预习她已经知道沸腾过程要不断吸热,可是,当她移开酒精灯时,发现水还会沸腾一会儿,原因可能是.【答案】自下而上变大97石棉网上有余热,水可以断续吸热【解析】【分析】【详解】⑴酒精灯需用外焰加热,所以要放好酒精灯,再固定铁圈的高度;温度计的玻璃泡要全部浸没到液体中,但不能碰到容器壁和容器底,所以放好烧杯后,再调h.温度计的高度;⑵沸腾时气泡不断吸收周闱水沸腾产生的水蒸气,故气泡是不断变大,到了水而气泡破裂,里面的水蒸气释放到空气中.⑶由图知,温度计的分度值为1℃,示数为97C:⑷熄火酒精灯,观察到水还会继续沸腾一会儿,这是由于石棉网温度高,水会继续吸热: 水要想持续沸腾,需要持续吸热.故答案为自下而上;变大:97:石棉网温度高,水会继续吸热.12.〔1〕在“探究水的沸腾〞实验中:〔1〕所用的温度计是利用液体性质制成的.为了完本钱次实验,由表格可知,应选用测温物质为的温度计.测温物质熔点/℃沸点/℃水银-39357酒精-11778〔2〕如图甲,刚倒入热水时发现温度计管壁模糊,很难看清示数,主要原因是:〔3〕烧杯上方加一纸盖后进行试验,如图乙.每隔hnin记录温度计示数〔见表〕4min时温度示数如图丙,此时温度为°C,直到水沸腾一段时间后停止读数,有表可知水的沸点为℃.时间/min012345678温度/° C8889929497989898•甲乙丙【答案】热胀冷缩水银水蒸气遇到冷的温度计管壁时会发生液化现象,在管壁上出现了一层小水珠96 98【解析】〔1〕温度计都是根据液体的热胀冷缩性质制成的.在标准大气压下,沸水的温度是100C,酒精的沸点是78C,水银的沸点是357C,水银的沸点高于沸水的温度,所以测沸水的温度要选水银温度计.〔2〕将热水倒入烧杯中,水蒸气遇到冷的温度计管壁时会发生液化现象,在管壁上出现了一层小水珠,所以很难看清示数.〔3〕①由图知,温度计的分度值为,所以温度计的示数为96C.②当温度到达98c时就不再升高了,所以沸点为98.点睛:〔1〕液体温度计是根据液体的热胀冷缩性质制成的:液体温度计所测温度应高于温度计内液体的凝固点,低于液体的沸点.〔2〕物质从气态变成液态称为液化,水蒸气遇冷的物体时会发生液化现象.〔3〕进行温度计的读数,在读数之前首先要认清温度计的分度值.沸腾时温度保持不变,此时的温度就是沸点.13 .雪灾给人民的生活、生产带来很多困难.小陆看到抢险队员在冰雪覆盖的道路上洒大量的盐,他产生了这样的疑问:含盐的冰熔化时跟纯洁的冰熔化特点有何不同?为此,他进行了以下探究过程:他用同样多的纯水、淡盐水、浓盐水制得纯冰、淡盐冰、浓盐冰,然后将这些冰弄碎放入试管中,在冰块中插入温度计,记下此时温度计的示数.每隔0.5分钟记录一次温度计的示数,同时观察试管中冰块状态的变化.在选择冰块吸热方式时有如下图的二种方法, 请你为他选择一种最正确的方法.你选择的方法是〔选填“甲〞或“乙〞〕.选择这种方法的好处是.〔当时的室温大约是10℃〕在相同条件下测量三者的温度变化〔图丙〕,得到三条温度变化曲线〔纯冰对应曲线①、淡盐冰对应曲线②、浓盐冰对应曲线③〕.图甲SZ图丙【分析】根据曲线图可知:〔1〕利用盐水制成的冰〔选填“是〞、“不是〞〕晶体.实验中浓盐冰的熔点是 c.【归纳】根据分析可以推想得到:〔2〕在水中加适量的盐,可以〔选填“提升〞/ “降低〞〕水的凝固点,并且含盐浓度越高的水,凝固点越 _________________ 〔选填"高〞、“低〞〕.〔3〕在选择器材时,小陆提出不要使用量程为-2C〜102c的温度计,要使用量程为-20C〜102C的温度计,这样考虑主要是基于什么假设? .【答案】乙受热均匀,延长熔化时间便于观察是-7降低低盐水的凝固点低于-2℃【解析】甲图中用酒精灯加热,由于火焰温度较高,会使冰熔化过程加快,来不及观察, 所以应选择乙图的实验装置,选择这种方法的好处是:将试管放入空气中,当时室温保持10 C不变,冰的受热均匀,延长熔化时间便于观察.〔1〕有图像可知,利用盐水制成的冰在融化时由固定不变的温度,即有熔点,所以是晶体. 实验中浓盐冰的熔点为-7 ℃.〔2〕由图像可知,冰的熔点为0 ℃,淡盐水的熔点为-3 °C,浓盐冰的熔点为-7 ℃,由此可知,在水中加适量的盐,可以降低水的凝固点,并且含盐浓度越高的水,凝固点越低.〔3〕由于盐水的凝固点低于-2 ℃,所以选用温度计的最小值应低于-2 ℃.点睛:此题通过给出的实验信息,考查了学生根据数据得出结论的水平,同时将所得的结论应用于生活实际,这样更有利于学生练习用所学的知识来解决有关问题.14 .如下图,将盛有冷水的烧瓶放在装有少量碘颗粒的烧杯口处,用酒精灯给烧杯加热,并用温度计测量烧瓶中冷水的温度.⑴刚刚开始加热不久,烧杯里就出现了紫色的碘蒸气,这是固态的碘发生了〔填物态变化名称〕,此物态变化过程需要〔选填“放〞或“吸〞〕热;⑵继续加热一段时间后,细心的小明发现烧杯里还出现了液态的碘,这是由于碘的温度达到了它的〔选填“熔点〞或“沸点〞〕,并且继续吸热而导致的;⑶停止加热后,观察到烧瓶底部附有少量细小的碘晶体,这是〔填物态变化名称〕现象,这个现象有可能使得温度计的示数〔选填“升高〞或“降低〞〕.【答案】升华吸熔点凝华升高【解析】【分析】【详解】⑵固态碘吸收热量,直接变成碘蒸气,是升华现象,升华吸热.⑵⑶烧杯里出现了液态的碘,这是由于碘的温度到达了它的熔点,并且继续吸热而导致的.⑶⑷⑸碘蒸气直接变成碘晶体是凝华现象,在凝华时需要放出热量,同时烧瓶内水的温度会升高,所以温度计的示数会变高.15 .小明利用如图甲所示装置探究冰块熔化的特点,他每隔相同时间记录一次温度计的示数,并观察物质的状态.〔1〕冰的熔化过程持续了min.〔2〕图乙是他根据记录的数据绘制的''温度--时间〞图象,由图象可知:冰属于〔选填“晶体〞或“非晶体〞〕,这样判断的依据是。
物理八年级上册全册全套试卷专题练习(word版一、初二物理声现象实验易错压轴题(难)1.如图所示,将塑料刻度尺的一端紧压在桌面上,另一端伸出桌面,拨动刻度尺使之振动,听塑料尺振动时发出的声音.(1)实验通过改变___________来改变声音的响度,通过改变_______来改变声音的音调.(2)换用钢尺做此实验,钢尺伸出桌面的长度、振动幅度和频率与塑料尺均相同时,听到声音的主要差异是________ (选填“响度”“音调”或“音色”)不同.(3)实验设计隐含的物理方法是比较法和_________法.(4)刻度尺振动产生的声音通过________传进耳朵,引起鼓膜______,人便听到声音.(5)实验中当刻度尺伸出桌面的部分超过一定长度时,无论如何用力拨动也听不到声音.原因是___.【答案】拨动塑料尺的力度塑料尺伸出桌面的长度音色控制变量空气振动刻度尺振动得太慢,产生的是次声波,人耳无法听到【解析】【详解】(1)响度与振幅有关,用不同大小的力拨动塑料尺,塑料尺的振幅不同,发出的声音响度不同;物体振动的快慢与物体的质量、粗细、长短等因素有关,实验要通过改变刻度尺伸出桌面的长度来改变音调.(2)钢尺和塑料尺的材料不同,当钢尺伸出桌面的长度、振动幅度和速度与塑料尺均相同时,听到声音的主要差异是音色的不同.(3)实验中研究响度与振幅关系时,应控制频率不变,而在研究音调与频率关系时,则要控制振幅相同,故实验设计隐含的物理方法除比较法外,还有控制变量法.(4)我们听到的声音,都是声波通过空气传入人耳,引起鼓膜的振动,再传给听小骨、耳蜗,传给听觉神经,引起听觉.(5) 实验中当刻度尺伸出桌面的部分超过一定长度时,无论如何用力拨动也听不到声音,原因是刻度尺振动得太慢,产生的是次声波,人耳无法听到.2.王伟同学研究了均匀拉紧的琴弦发音频率与弦长的关系,并记录了实测的数据(如下表所示).分析表格中频率和弦长两行数据可知,均匀拉紧的琴弦发音频率随着弦长变长而________(选填“变大”、“不变”或“变小”);且通过计算可知,琴弦发音频率与弦长的乘积的大小________(选填“是”或“否”)变化的.估算出他有意留出的空格中应该填写的数据①应该是________,②应该是________.【答案】变小否35l495【解析】【分析】【详解】分析表格中频率和弦长两行数据可知,均匀拉紧的琴弦发音频率随着弦长变长而变小;通过计算可知,琴弦发音频率与弦长的乘积都是264L,不发生变化;空格中应该填写的数据①应该是:26434405LL=,②应该是:264495815LL=3.现在大多数房屋的门窗玻璃是“双层中空(接近真空)”的,能起到“隔音保温”的作用.小明在敲玻璃时,感觉双层玻璃与单层玻璃的振动情况不一样,产生了探究“受敲击时,双层玻璃和单层玻璃的振动强弱情况”的想法.为此,进行了以下实验:①如图所示,将单层玻璃板固定在有一定倾角的斜面底端,把玻璃球A靠在玻璃板的右侧,把橡胶球B悬挂在支架上靠在玻璃板的左侧.②把橡胶球B向左拉开一定的高度,放手后让其撞击玻璃板,玻璃球A被弹开,在下表中记下玻璃球没斜面向上滚动的距离,共做3次.③换成双层玻璃板重复②的实验.⑴实验时,把橡胶球B向左拉开“一定的高度”,目的是为了保证橡胶球B与玻璃撞击时的________能保持不变;⑵受到橡胶球B的撞击后,玻璃板振动的强弱是通过__________来反映的;⑶分析表中的实验数据,可以得出的结论是__________;⑷中空双层玻璃具有“隔音和保温”作用,是因为①隔音:___________;②保暖:___________.【答案】速度玻璃球滚动的距离大小单层玻璃比双层玻璃的振动幅度大真空不能传播声音真空传导热量的能力比玻璃差【解析】解答:(1)根据控制变量法应保持橡胶球B与玻璃撞击时的动能相同,由于是同一个橡胶球,则应保持橡胶球B向左拉开“一定的高度”,从同一高度落下;(2)当玻璃板受到橡胶球的敲击时,玻璃板振动的强弱是通过玻璃球被弹开的距离来反映的,这是转换的研究方法;(3)同样的撞击下,单层玻璃后的玻璃球比双层玻璃后的玻璃球运动的距离远;所以结论是:受敲击时,单层玻璃比双层玻璃的振动强;(4)两层玻璃之间接近真空,中空双层玻璃具有“隔音和保温”作用,①由于声音的传播是需要介质的,而真空不能传声,所以这种窗户能起到较好的隔音效果;②由于真空传导热量的能力比玻璃差,所以这种窗户能起到较好的保温效果。
八年级物理全册全套试卷试卷(word版含答案)一、初二物理声现象实验易错压轴题(难)1.同学们围绕着水瓶发声的有关问题进行了以下探究。
(提出问题)敲瓶(瓶内含水)时发出的声音主要是由什么振动产生的?(猜想与假设)A.瓶子振动;B.瓶内水振动;C.瓶内空气柱振动(进行实验)(1)将瓶子装满水后用筷子敲击瓶子,瓶子仍能发出声音,故可以将猜想________排除。
(2)将瓶内水全部倒出后用筷子敲击瓶子,瓶子仍能发出声音,故可以将猜想________排除。
(得出结论)由上述实验分析可知,敲瓶发声,主要是由________振动产生的。
(提出新的问题)(1)瓶子发声的音调跟瓶内水的多少有什么关系?(2)随着瓶内水的增多,敲瓶发声的音调变化和吹瓶发声的音调变化又有何不同呢?(设计实验)(1)如图甲所示,先将8个空的玻璃瓶子放到桌子上一字摆开,再向瓶内注入不等量的水,从左到右,瓶内注入的水逐渐增多,最后用筷子从左到右依次敲击瓶口,同时用耳朵仔细听,辨别音调的高低。
(2)用嘴从左到右依次吹瓶口,同时用耳朵仔细听,辨别音调的高低。
(再得出结论)(1)敲瓶发声的音调随着瓶内水的增多而变______(选填高或低)。
(2)吹瓶发声的音调随着瓶内水的增多而变______(选填高或低)。
(拓展应用)如图乙所示. 用嘴分别对着5个高度不同的小瓶的瓶口吹气,发现瓶子越高,发出声音的音调越低。
(1)用嘴对着5个小瓶的瓶口吹气,5个小瓶均发出声音,则发出的声音是由________的振动产生的。
(2)5个小瓶产生的声音音调不同,其原因是________________。
【答案】C B瓶子低高瓶内空气柱空气柱的长短、粗细不同,导致空气柱振动的频率不同【解析】【分析】【详解】[1]将瓶子装满水后,瓶内没有空气,用筷子敲击瓶子,瓶子仍能发出声音,说明敲瓶时发出的声音不是由空气柱的振动产生的。
所以可以将猜想C排除。
[2]将瓶内水全部倒出后,瓶内没有水,用筷子敲击瓶子,瓶子仍能发出声音,说明敲瓶时发出的声音不是由瓶内水振动产生的。
八年级物理全册全套试卷专题练习(word版一、初二物理机械运动实验易错压轴题(难)1.如图,在斜面上测量小车运动的平均速度,让小车从斜面的A点由静止开始下滑,分别测出小车到达B点和C点的时间,即可测出不同阶段的平均速度.(1)该实验原理是_____.(2)如果测得小车从A滑到C的时间t AC=2.4s,小车从A滑到B的时间t AB=1.6s,则AB段的平均速度v AB=_____cm/s,则BC段的平均速度v BC=_____cm/s;(3)由实验看出,下车下滑过程中速度越来越_____(选填“慢”“快”).(4)在测量小车到达B点的时间时,如果小车过了B点才停止计时,测得AB段的平均速度v AB会偏_____(选填“大”或“小”).(5)为测量小车运动过程中下半程的平均速度,某同学让小车从B点由静止释放,测出小车到达C点的时间,从而计算出小车运动过程中下半程的平均速度v=s AB/t BC,他的做法正确吗?_____.(6)聪明的小杜发现AB段和BC段路程的特点,算出了AC段平均速度v,AB段的平均速度v1,觉得还可以用公式直接算出BC段的平均速度v2,则v2=_____(用v、v1).【来源】重庆八中2017-2018学年八年级(上)期中物理试题【答案】 v=s/t 25 50 快小不正确112vvv v-【解析】(1)该实验原理是:vst= .(2)s ABBCs==40.00cm,t AC=2.4s,t AB=1.6s,tBC 2.4s 1.6s0.8sAC ABt t=-=-=,则AB段的平均速度v AB4025cm/s1.6ABABs cmt===,则BC段的平均速度v BC4050/0.8BCBCs cmcm st s===.(3)由BC ABv v>可以看出,小车下滑过程中速度越来越快。
(4)在测量小车到达B点的时间时,如果小车过了B点才停止计时,则测量时间偏大,故AB段的平均速度v AB会偏小。
(5)小车从B点由静止释放,B点的速度为0,小车从A点由静止释放,B点的速度不为0,故两次从B到C的时间不同,从而计算出小车运动过程中下半程的平均速度不同,所以该做法错误。
(6)AC段平均速度v,路程为s,时间为t, 由vst=得,tsv= AB段的平均速度为v1 ,路程为2s,时间为t1,由vst=得,t11122ssv v== ,BC段的平均速度为v2,路程为2s,时间为211t 2ss t t v v =-=-,由v s t= 得,v212112222s svv s s t v v v v ===--. 点睛:求v 2的表达式,推导过程较难,应加强这方面的练习。
2.在测量物体运动的平均速度实验中:(1)该实验是根据公式______进行测量的;(2)如图所示是一小球从A 点沿直线运动到G 点的频闪照片,频闪照相机每隔0.2s 闪拍一次。
分析照片可知:小球在做______(选填“匀速”或“变速”)直线运动。
DE 两点间距离为______cm ,在DF 两点间运动的平均速度为_____m/s ;小球在_______相邻两点间的平均速度最大。
【来源】山东省烟台市福山区2019-2020学年八年级(上)期中物理试题(学业水平考试)【答案】s v t =变速 1.50 0.08 FG 【解析】【分析】【详解】(1)[1]测量物体运动的平均速度实验中,该实验是根据公式s v t=进行测量的。
(2)[2]从照片中可看到,在相同的0.2s 时间内,小球运动的路程是不相同的,那么可知小球在做变速直线运动。
[3]D 点对应的刻度是2.60cm ,E 点对应的刻度是4.10cm ,那么DE 两点间距离是4.10cm -2.60cm 1.50cm DE L ==[4]F 点对应的刻度是5.80cm ,那么DF 两点间距离是5.80cm -2.60cm 3.20cm 0.0320m DF L ===则DF 两点间运动的平均速度是0.0320m 0.08m/s 0.4sDF DF DF L v t === [5]在相同的时间间隔内,通过FG 的路程最大,所以FG 两点间的平均速度最大。
3.如图所示,将一块长木板的左侧垫高,使之成为有一定倾角的斜面,木板的右端安装一块挡板,挡板上粘有橡皮泥。
现将一辆小车从图示位置(小车左边缘与木板上端齐平)自由释放,小车下滑到挡板处停止运动。
测得小车的运动时间为t ;测得小车的长度为1s ,木板的长度为2s ,问:(1)上述实验过程中,需要用到的测量工具除了秒表,还有_______。
通过上述测量,可以测得小车运动的平均速度v =________(用题中字母来表示);(2)若小车释放瞬间立即按下秒表开始计时,但小车在挡板处撞停时由于测量者不够专注,稍微迟缓一下才按下秒表停止计时,则测得的平均速度跟真实值相比偏_________。
为减小小车运动时间的测量误差,实验时应使斜面的倾角适当___________些;(3)下图中可能准确反映小车运动情况的是_______。
【来源】江苏省常熟市2019-2020学年八年级(上)期末学业水平调研物理试题【答案】刻度尺21s s t - 小 小 D 【解析】【分析】(1)要测量物体运动的平均速度,需要测量物体运动的距离和时间,测量路程用刻度尺,测量时间用秒表;已知物体运动的距离和时间,根据s v t=求出小车运动的平均速度。
(2)迟缓一下才按下秒表停止计时,会导致时间的测量结果偏大,根据s v t=判断平均速度的大小;若要计时方便,应使所用的时间长些。
(3)小球是在做加速运动,随着时间的推移,速度是逐渐变大的,由此选出图像。
【详解】(1)[1]计算速度需要知道路程和时间,题中已有秒表测时间,还缺少测量路程的刻度尺。
[2]由图可知,小车运动的路程为21s s s =-则小车运动的平均速度为21s s s v t t-== (2)[3]迟缓一下才按下秒表停止计时,会导致时间的测量结果偏大,由公式s v t =可知,平均速度会偏小。
[4]为减小小车运动时间的测量误差,应使斜面的倾角适当小一些,使小车在斜面上通过的时间更长。
(3)[5]由图中小车的运动轨迹可知,小球运动的速度随着时间的推移逐渐变大,则图D 符合题意。
故选D 。
4.某小组同学探究小车沿斜面运动时的速度变化,其实验装置如图所示,把小车放在斜面顶端A 处。
(1)该实验的原理是根据公式____进行测量的;(2)把金属片放在斜面底端B 处测出AB 的长s 1=0.8m ,小车从斜面顶端A 处滑下到达B 点撞击金属片的时间t 1=5s ,那么小车通过全程的平均速度是v 1=____m/s ; (3)把金属片移到AB 的中点O 处,测出小车从斜面顶端滑到O 点处的时间t 2=3s ,那么小车在上半段路程的平均速度v 2=____m/s (小数点后保留两位);(4)小车在斜面下半段的平均速度v 3=____m/s ;(5)根据测量可知:小车速度越来越____(填“大”或“小”),小车做____运动(选填“匀速”或“变速”);(6)实验前必须学会熟练使用秒表,如果小车撞击金属片后还没有停止计时,则会使所测的平均速度偏____(填“大”或“小”);(7)在测小车平均速度的各物理量时,为了减小误差,斜面的倾斜度应较____(填“大”或“小”)些,这是为了便于测量____。
【来源】河北省唐山市乐亭县2019-2020学年八年级(上)期中考试物理试题【答案】v s t =0.16 0.13 0.2 大 变速 小 小 时间 【解析】【详解】(1)[1]测小车平均速度的实验原理是v =s t;(2)[2]s 1=80cm=0.8m , t1=5s ,小车通过全程的平均速度:v 1=11s t =0.8m 5s=0.16m/s ; (3)[3]小车从斜面顶端滑到中点处的时间t 2=3s ,路程s 2=0.4m ;所以小车在上半段路程的平均速度:v 2=22s t =0.4m 3s≈0.13m/s ; (4)[4]小车在斜面下半段的路程s 3=0.4m ,所用时间:t 3=5s−3s=2s ; 所以小车在斜面下半段的平均速度:v 3=33s t =0.4m 2s=0.2m/s ; (5)[5][6]根据计算的数据可知,小车的运动速度越来越大,因此小车做变速运动;(6)[7]小车撞击金属片后还没有停止计时,所测得小车通过的时间偏大,路程不变,由v =s t可知这样会使测的平均速度偏小; (7)[8][9]斜面坡度越大,小车沿斜面向下加速运动越快,过某点的时间会越短,计时会越困难,所以斜面保持较小的坡度,是为了便于测量小车运动所用的时间。
5.小倩和小青配合测量纸锥下落速度的实验时,将两个等大的圆纸片,裁去大小不等的扇形,做成两个锥角不等的纸锥,如图所示.(1)为了测量纸锥的下落速度,需要的测量工具有______和______.(2)实际实验发现,纸锥下落的______(时间/路程)比较难测量,为了方便实验测量,应该选用纸锥锥角______(较大/较小)的纸锥.(3)两位同学猜想纸锥从同一高度下落的快慢可能与纸锥的锥角、纸锥的质量有关,并打算继续用图中的这两个纸锥研究纸锥下落快慢与锥角的关系,小军认为这样做不科学,其原因是______.【来源】江苏省扬州市江都区2019-2020学年八年级(上)期末考试物理试题【答案】刻度尺 秒表 时间 较大 未控制纸锥的质量相同【解析】【详解】(1)[1][2]由速度的公式v =s t可知需要测量路程和时间,测量路程的工具是刻度尺,测量时间的工具是秒表;(2)[3][4]纸锥下落快,时间较难测量,必须增加纸锥下落的高度和锥角,以增大下落时间,便于时间的测量;(3)[5]用图中的这两个纸锥研究纸锥下落快慢与锥角的关系,两个纸锥的质量不同,未控制纸锥的质量相同。
二、初二物理光现象实验易错压轴题(难)6.如图所示是“探究平面镜成像特点”的实验装置.(1)在此实验中,用玻璃板代替平面镜的目的是______;选取两支完全相同的蜡烛是为了比较像与物的______关系.(2)此实验最好在_____(选填“较亮”或“较暗”)的环境中进行,观察到的效果会更好些.(3)移开蜡烛B.在其原来位置放一光屏,光屏上无法呈现蜡烛的像,说明平面镜成的是______像.【答案】便于确定像的位置大小较暗虚【解析】(1)为了确定像的位置,让蜡烛A的像和蜡烛B重合,既能观察到A蜡烛像的同时,也能观察到B蜡烛,实验中要使用透明的玻璃板;选用大小相同的两个蜡烛,是为了用蜡烛B代替蜡烛A,来比较物像的大小. (2)因蜡烛是点燃的,所以适合在较黑暗的环境下才可看清蜡烛的像. (3)因为光屏只能接收实像,不能接收虚像,光屏不能接收到蜡烛A的烛焰的像,所以说明平面镜成的像是虚像.点睛:研究平面镜成像特点时,确定像的位置是关键.像的位置用蜡烛B与蜡烛A的像重合来确定.实验中既能看到物体A的像,又能看到蜡烛B,要采用透明的玻璃板;研究物像的大小采用的是等效替代法,把蜡烛A的大小用蜡烛B来代替;当实验环境光线较暗时,实验现象会更加明显.7.在“探究光的反射规律”的实验中,平面镜M水平放置,白色纸板竖直立在平面镜上,纸板由E、F两部分组成,可绕竖直接缝ON翻折.(1)如图甲,将一束光贴着纸板E沿AO射到镜面上O点,纸板F上会显示出反射光束OB.接着将纸板F绕ON向后翻折,则纸板F上_____(选填“能”或“不能”)显示出反射光束,由此说明反射光线、入射线光与ON在_____内.(2)当纸板E、F在同一平面内,将一束光沿原BO方向射O点,它反射后沿_____方向射出.这现象说明:_____;当入射光线垂直于平面镜入射时,反射光线与入射光线的夹角为_____°.(3)小明在测入射角和反射角大小时只记录了一组数据(如乙表),根据这组数据,他_____(选填“能”或“不能”)得出关于光反射时反射角与入射角关系的结论,理由:_____.【答案】不能同一平面 OA 在反射时,光路是可逆的 0 不能一次实验具有很大的偶然性【解析】【分析】(1)光的反射定律的内容,知道反射角等于入射角.知道反射光线、入射光线和法线在同一平面内.(2)光在反射时光路是可逆的,若沿反射光线的方向入射,则反射光线沿入射光线的方向射出,当入射光线垂直于平面镜入射时,入射光线、法线、反射光线三线重合.(3)一次实验具有很大的偶然性.【详解】(1)在实验过程中,若将纸板倾斜,让光线仍贴着纸板沿AO方向射向镜面,此时反射光线、入射光线在同一平面内,由于反射光线和入射光线构成的平面与平面镜垂直,故不能看到反射光线.(2)当光贴着纸板F沿BO射到O点,反射光将沿图中的OA方向射出,说明光在反射时,光路是可逆的;当入射光线垂直于平面镜入射时,入射光线、法线、反射光线三线重合,入射角为0°;反射角等于入射角,也为0°;(3)一次实验具有很大的偶然性,为了得到反射角与入射角大小关系的普遍规律,应当改变入射角进行多次实验.故答案为 (1)不能;同一平面;(2)OA;在反射时,光路是可逆的;0°;(3)不能;一次实验具有很大的偶然性.8.同学们在做“探究平面镜成像特点”的实验时,王成在竖立的玻璃板前10cm处放一支点燃的蜡烛A,发现在玻璃板的后面出现蜡烛的像,他再取一段同样的点燃蜡烛B放在像处,使B与蜡烛A的像完全重合(如图所示)(1)此时蜡烛B与蜡烛A的距离_____cm;将A蜡烛以5cm/s的速度匀速远离玻璃板2s时,B蜡烛应与玻璃板相距_____cm才可能与A的像完全重合;(2)实验中的错误之处是_____;(3)纠正错误后某次实验,将光屏竖直放置蜡烛B的位置,光屏上_____(选填“能”或“不能”)接收到蜡烛A的像;若将蜡烛A远离玻璃板,它的像的大小将_____(填“变大”、“变小”或“不变”);(4)实验中,看到点燃的蜡烛A通过玻璃板成两个像,其中距离观察者较远的像是来自于蜡烛的入射光经过玻璃板_____;A.一次反射、一次折射形成的B.两次反射、一次折射形成的C.两次反射、两次折射形成的D.一次反射、两次折射形成的(5)玻璃板太厚不仅会看到蜡烛A在玻璃板后成两个像,同时也会使我们透过玻璃板看到的蜡烛B也不是其真实位置,我们透过玻璃板看到的蜡烛B到玻璃板比实际位置到玻璃板_____(选填近/远)。