水泥厂巡检路线
- 格式:doc
- 大小:30.00 KB
- 文档页数:2
水泥厂设备巡检十字方针水泥厂设备巡检是确保水泥生产设备正常运行、提高生产效率和产品质量的重要环节。
为此,制定一套完整的设备巡检十字方针至关重要。
下面是水泥厂设备巡检十字方针的内容:一、安全第一水泥厂设备巡检必须以安全为第一要义。
巡检人员必须具备相关安全知识和技能,正确使用安全装备,如安全帽、安全鞋、防护眼镜等。
在巡检过程中,要时刻注意安全隐患,避免发生事故。
二、规范操作设备巡检必须按照操作规程进行,严格按照设备操作手册、维护手册等进行巡检,确保每项巡检工作有章可循,避免巡检遗漏或不当操作。
三、及时发现问题设备巡检要及时发现问题,确保问题在还未严重影响设备运行之前得以消除。
巡检人员要仔细观察设备运行情况,留心异常声响、异味、振动等,及时记录问题并上报相关技术人员进行处理。
四、维护保养设备巡检不仅要发现问题,还需要及时解决问题。
巡检人员要及时进行必要的维护和保养工作,如润滑、清洗等,确保设备运行的顺畅和正常。
还要定期对设备进行检修,以提前发现潜在问题并做好预防工作。
五、记录归档设备巡检要有完整的记录和归档工作。
巡检人员要认真填写巡检记录表,详细记录设备运行情况、发现问题、维修措施等,并及时上报给相关部门。
还要建立设备档案,将设备巡检记录归档,以备日后查阅和分析。
六、培训考核设备巡检要对巡检人员进行培训和考核。
新入职的巡检人员要经过系统培训,掌握设备巡检的技能和要求。
定期进行考核,评估巡检人员的综合素质和工作能力,并适时开展培训提升工作水平。
七、持续改进设备巡检是一个不断改进的过程。
巡检人员要及时总结经验,发现巡检中的不足和问题,并提出改进建议。
与相关部门进行沟通和协作,制定改进措施,并逐步推行,促进巡检工作的持续改进和提升。
水泥厂设备巡检十字方针的内容主要包括安全第一、规范操作、及时发现问题、维护保养、记录归档、培训考核和持续改进。
只有遵循这些方针,水泥厂设备巡检才能更好地发挥作用,确保设备正常运行和生产的顺利进行。
水泥磨巡检规程一、引言水泥磨是水泥生产过程中的重要设备,通过对水泥磨进行定期巡检,可以发现设备运行中的问题,并及时采取措施进行修复,确保设备的正常运行,提高生产效率,保证产品质量。
为了规范水泥磨巡检工作,特制定本巡检规程。
二、巡检人员及职责1. 巡检人员应由具备相关工作经验的技术人员担任,其主要职责包括但不限于:a. 定期对水泥磨进行巡检,发现设备异常情况时及时报告相关部门;b. 根据巡检结果制定维修计划,协助维修人员进行设备维修;c. 负责巡检记录的填写和整理,对设备的运行情况进行分析和反馈。
三、巡检设备及频次1. 巡检设备主要包括水泥磨机、电机、减速器、润滑系统等关键设备。
2. 巡检频次应根据设备的重要性和运行状态确定,一般不少于每周一次。
在设备运行期间,如发现异常情况,应及时进行巡检。
四、巡检内容巡检内容应包括但不限于以下几个方面:1. 设备外观检查a. 检查设备周围是否有异常的声音或振动;b. 检查设备周围环境是否干净整洁,有无杂物或污染。
2. 电气系统巡检a. 检查电气设备的接线是否牢固;b. 检查电器控制柜内的开关、按钮等是否正常。
3. 液压系统巡检a. 检查液压系统的油位和油温;b. 检查液压系统的油管是否泄漏或损坏。
4. 润滑系统巡检a. 检查润滑油的油位和油质是否正常;b. 检查润滑系统的管道和泵是否正常。
5. 设备运行状态巡检a. 检查水泥磨机的运行声音和振动情况;b. 检查电机和减速器的温度和振动情况。
六、巡检记录1. 巡检人员应按照规定的巡检内容进行巡检,并及时记录巡检结果。
2. 巡检记录包括设备的巡检日期、巡检内容、异常情况的描述等。
3. 巡检记录应保存至少一年,以备后续参考和分析。
七、巡检异常处理1. 若发现设备有异常情况,巡检人员应立即上报相关部门,并协助进行维修。
2. 根据设备的异常情况,制定相应的维修计划,并及时采取措施进行修复。
八、巡检结果分析1. 巡检人员应每月对巡检记录进行汇总和分析,发现设备运行中的常见问题和趋势。
水泥磨巡检规程范本一、概述水泥磨是水泥生产过程中的重要设备之一,对于保障生产的顺利进行和产品质量的稳定提升起着关键作用。
为了确保水泥磨的正常运行和安全操作,特制定本巡检规程,以规范巡检工作的内容和步骤,确保水泥磨设备的运行效果和使用寿命。
二、巡检周期水泥磨的巡检需按照以下周期进行:- 每日巡检:每日开机前进行常规巡检,以确保设备运行前的安全性和可靠性。
- 每周巡检:每周一次,对设备各部位进行全面检查,发现问题及时进行处理。
- 每月巡检:每个月一次,对设备的润滑、调整、清洁等进行全方位检查,并根据检查结果制定具体的维护计划。
三、巡检内容1. 电气系统- 检查电气设备的外观,确认设备标志是否完好。
- 检查电气线路的连接是否良好,排除连接松动、线路老化等问题。
- 检查电气设备的开关、按钮是否灵活,排除开关灵敏度不足的问题。
- 检查电气设备的运行状态,是否出现电流过高或电压异常等情况。
2. 机械系统- 检查机械设备的外观,确认设备标志是否完好。
- 检查机械部件的润滑情况,及时添加润滑油或脂。
- 检查机械部件的紧固情况,排除紧固件松动的问题。
- 检查机械设备的运行状态,是否出现异常声音或振动等情况。
3. 液压系统- 检查液压系统的油位,及时补充液压油。
- 检查液压管路的连接是否良好,排除连接松动、泄漏等问题。
- 检查液压阀门的正常工作,排除阀门失灵等问题。
4. 水泥磨系统- 检查磨机设备的外观,确认设备标志是否完好。
- 检查磨机设备的电机工作状态,排除电机异常。
- 检查磨机设备的冷却装置是否正常运行。
- 检查磨机设备的磨球和磨板磨损情况,及时更换磨损部件。
- 检查磨机设备的排风系统,确保排风畅通。
四、巡检步骤1. 登记记录:每次巡检前,巡检人员需登记相关信息,包括巡检时间、巡检人员、设备运行情况等。
2. 检查外观:对于设备的外观进行全面检查,发现任何问题及时记录并上报。
3. 检查关键部位:按照巡检内容中的要求,对设备关键部位进行检查,发现问题及时处理或上报。
库顶岗位巡检制度一、基本职责:1、负责所辖区域内当班所有设备的维护、巡检、卫生清理.2、按照现场管理制度,交接班管理制度、岗位责任制执行。
3、严格执行“紧固、密封、润滑、擦拭”八字方针,做好巡检工作。
二、巡检标准:基本要求:四无六不漏:无积灰、无杂物、无松动、无油污;不漏油、不漏灰、不漏气、不漏风、不漏电、不漏料。
1、减速机壳体及基座无积灰、油垢。
2、电机散热片内无积灰.3、所有斜槽、皮带等上无浮灰.4、地面无积灰、无死角、无杂物(所属巡检范围内的所有地面).5、所属范围内油杯必须满油,油位达到规定要求。
6、所属范围内托辊要全部转动灵活,即无声响、完好。
三、巡检范围:二台入库提升机和头部所有设备,库顶六条斜槽、水泥库顶9台收尘器、辅材库顶2台收尘、5042尾部收尘器、1个压力罐。
四、巡检内容:1)、检查设备的油量、油温等润滑状况是否正常,气压是否正常、有无漏油、漏气现象。
2)、各条皮带托辊是否损坏,胶面是否损坏、下料溜子是否畅通。
3)、检查窜库现象怎样避免?怎样能确定插板阀不漏料?入库插板是否插到位,走料是否畅通、入库是否正确.4)、收尘器收尘效果是否正常,有无漏风漏气,集料锥体是否积料,下料管道是否畅通,发现异常及时处理或通知有关人员协助,巡检过程中,必要时联系中控获知有关参数.5)、提升机运行是否有杂音,下料溜子是否畅通、减速机油位运行情况.五、巡检记录:本班生产情况、发生什么、处理了什么、自己干了什么,哪有异常发现什么?跑、冒、滴、漏、振动、温度、压力,必须要每班记录。
巡检完一次必须认真记好记录。
其他要求:服从当班值班长和中控员的各项指令,及时发现报告发生的异常状况,并参与设备的检修、抢险工作。
六、巡检路线及所用时间(每班从8:00(20:00)开始巡检,坚持两小时一次)水泥库顶及收尘器(20分钟)→入库斗提头部(10分钟)→5107皮带(10分钟)→辅材库顶收尘、压力罐、6076皮带(10分钟)→5042皮带(10分钟)→ 5039皮带(10分钟)。
水泥厂开机前巡检注意事项水泥厂开机前巡检是确保生产设备安全可靠运行的重要环节。
以下是水泥厂开机前巡检的注意事项:1. 安全检查:确保厂区内的安全设施完好有效,例如消防设备、紧急报警器材、疏散通道等。
检查厂房内的通风系统、照明设备等是否正常运行。
2. 电气设备巡检:检查水泥厂内的电气设备,包括电动机、电缆、接线箱等,查看是否有电线老化、接触不良、电缆破损等现象。
确保电气设备接地系统正常运作。
3. 输送系统巡检:检查输送系统的输送带、输送机的张紧度、轮胎的磨损程度等。
查看输送系统的润滑系统是否正常工作,避免由于润滑不良导致设备损坏。
4. 机械设备巡检:检查破碎机、磨机等机械设备的驱动系统是否正常,润滑系统是否充油正常。
检查机械设备的皮带传动部位,是否磨损严重,是否需要更换。
同时,查看机械设备的冷却系统是否正常工作。
5. 控制系统巡检:注意检查控制系统的各个仪表的工作状态,包括压力表、温度表、流量表等。
确保仪表读数准确可靠。
检查控制系统的自动化程序是否正常,保证开机启动的顺利进行。
6. 环境检查:检查厂区内的环境情况,包括噪音、振动、粉尘等是否超标。
如果发现有异常情况,需要及时采取措施进行整改,确保生产环境的良好状态。
7. 安全设施检查:检查厂房内的安全设施,包括防护网、防护栏杆等,确保设备的周围安全完善。
检查消防设备的使用情况,如灭火器、喷淋系统等是否完好并及时进行维护。
8. 仪器仪表校准:对关键仪器仪表进行校准,确保仪表的准确性。
特别是涉及到流量、压力等参数的仪表,必须进行校准,以保证数据的准确性。
9. 清洁检查:对水泥厂的设备进行清洁检查,清除可能影响设备正常运行的灰尘、杂物等。
同时,检查设备的润滑情况,确保设备在开机前的润滑工作已经完成。
10. 设备润滑:检查设备的润滑情况,确保润滑油的添加和更换工作已经按照规定进行。
特别是高温部位的设备,要注意润滑脂的工作温度范围,避免因润滑失效而导致设备故障。
时间
时间
时间时间时间时间时间时间时间时间
时间
时间时间时间
时间
时间时间时间
时间
时间减速机是否漏油
——有无异音、异振——油温、油温是否正常
≤60℃抱闸
是否正常——电磁离合器
是否正常
——行走轮片大螺栓是否松动
——轨道防偏轮是否完好——行走轮及轨道磨损情况——各点螺栓是否紧固——减速机是否漏油
——有无异音、异振——油温、油位是否正常
≤61℃抱闸
是否正常——水平挡轮是否磨损——行走轮及轨道是否完好
——链条润滑及磨损情况——卷扬、滑轮组、钢丝绳是否
完好
——各点螺栓是否紧固
——减速机油温、油位是否正常≤60℃振动是否正常有无异音漏油——头尾轮轮片螺栓是否松动——刮板是否变形螺栓有无松动
——输送链条磨损及润滑情况
——耐磨条是否完好
——头部张紧丝杆是否完好——下料口是否变形脱焊——导向轮有无脱落——导槽是否变形——
正常记录参数检查内容
刮板
检查部位减速机
行走
及轨道
减速机
料耙及行
走
减速机
设备
名称
大车行走料耙
刮板系统
序号
1
2
3
点检人
点检结论/【
检查情况
检查情况
检查情况
检查情况检查情况
检查情况
检查情况
检查情况检查情况
检查情况
检查情况
检查情况石灰石取料机机械动态点检记录
设备编号:
检查情况检查情况
检查情况
检查情况
检查情况
检查情况
检查情况
检查情况。
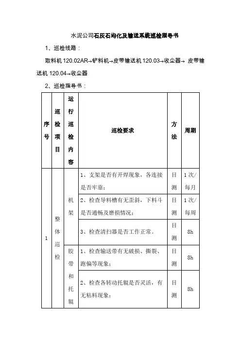
水泥公司水泥粉磨巡检作业指导书
1、巡检线路:
(1)配料站巡检
备用库皮带秤160.21→煤矸石皮带秤160.19→石灰石皮带秤160.17→石膏皮带秤160.15→脱硫石膏皮带称160.42→熟料皮带称160.13→综合皮带160.23→入辊压机提升机161.01
(2)1#磨机巡检
辊压机161.13→辊压机液压油站161.13X1→辊压机减速机稀油站161.13X2→出辊压机提升机161.15→球磨机161.37→磨头滑履油站161.37X1AR→磨尾滑履油站161.37X2AR→出磨空气斜槽161.41→出磨提升机161.43→辊压机风机161.33→球磨机主电机161.37M→磨主电机油站161.37X4AR→磨主减速油站161.37X3AR (3)1#磨辅机巡检
入库提升机162.01→成品斜槽161.59→成品风机161.53→稳流仓161.09→入稳流仓皮带161.03→V型选粉机161.11→O-SEPA高效选粉机161.11→O-SEPA高效选粉机油站161.49XAR→成品收尘器161.51→出辊压机皮带161.17→入O-SEPA高效选粉机空气斜槽161.47→辊压机收尘器161.31→尾排收尘器161.63→尾排风机161.65
2、巡检指导书:。
水泥厂巡检工工作计划篇一:水泥生产巡检工职称申报工作总结水泥生产巡检工专业技术个人工作总结=个人原创,有效防止雷同,欢迎下载=转眼之间,一年的光阴又将匆匆逝去。
回眸过去的一年,在×××(改成水泥生产巡检工岗位所在的单位)水泥生产巡检工工作岗位上,我始终秉承着“在岗一分钟,尽职六十秒”的态度努力做好水泥生产巡检工岗位的工作,并时刻严格要求自己,摆正自己的工作位置和态度。
在各级领导们的关心和同事们的支持帮助下,我在水泥生产巡检工工作岗位上积极进取、勤奋学习,认真圆满地完成今年的水泥生产巡检工所有工作任务,履行好×××(改成水泥生产巡检工岗位所在的单位)水泥生产巡检工工作岗位职责,各方面表现优异,得到了领导和同事们的一致肯定。
现将过去一年来在×××(改成水泥生产巡检工岗位所在的单位)水泥生产巡检工工作岗位上的学习、工作情况作简要总结如下:一、思想上严于律己,不断提高自身修养一年来,我始终坚持正确的价值观、人生观、世界观,并用以指导自己在×××(改成水泥生产巡检工岗位所在的单位)水泥生产巡篇二:水泥厂巡检工试题矿山巡检工两考一评理论考试题姓名得分一、设备巡检通用规程(每个空1分,共60分)1、准备、携带好巡检工器具。
2、清理设备现场,保证现场、、。
3、设备的检查(1)停机时的检查、维护、保养和启动前的准备a)保证设备达到“四无”、即、、、。
保证设备达到“六不漏”即、、、、、。
并进行整修、维护和更换。
b)检查设备的整体结构有无、、、、,等,并进行处理。
c)检查设备各部件之间的连接螺栓、销钉和地脚螺栓等,并进行。
d)检查设备运动部件的轴承、轴套、轴瓦等,并进行、、、。
(2)运行中的检查a)保证运行中的设备达到“”、“”。
c)观察设备现场电流表,电流值应在范围内。
d)有无不正常的。
e)有无异常。
水泥厂巡检路线水泥厂巡检路线原料系统主要巡检路线石灰石:堆料机桥式刮板取料机输送皮带生料配料站上原煤:板喂机堆料机桥式刮板取料机输送皮带原煤仓上生料粉磨主要巡检路线生料配料站下入磨斗式提升机立磨旋风收尘及斜槽入库斗式提升机增湿塔电收尘排风机烧成系统主要巡检路线熟料斜拉链窑头电收尘排风机窑头电收尘冷却机回转窑高温风机中间仓及卸料装置预热器入窑高效斗提机煤粉制备主要巡检路线原煤仓下给煤机磨煤机密封风机收尘器排风机热风炉煤粉仓环状天平罗茨风机水泥磨主要巡检路线熟料库下输送皮带熟料散装石膏破碎输送皮带水泥配料站入辊压机斗提辊压机打散机水泥磨高效选粉机斗式提升机袋收尘斜槽及风机水泥入库巡检时间:八小时满负荷,设备运转初期,检查次数勤,根据试生产实际情况而定。
扩展阅读:水泥厂巡检路线原料系统主要巡检路线石灰石:堆料机桥式刮板取料机输送皮带生料配料站上原煤:板喂机堆料机桥式刮板取料机输送皮带原煤仓上生料粉磨主要巡检路线生料配料站下入磨斗式提升机立磨旋风收尘及斜槽入库斗式提升机增湿塔电收尘排风机烧成系统主要巡检路线熟料斜拉链窑头电收尘排风机窑头电收尘冷却机回转窑高温风机中间仓及卸料装置预热器入窑高效斗提机煤粉制备主要巡检路线原煤仓下给煤机磨煤机密封风机收尘器排风机热风炉煤粉仓环状天平罗茨风机水泥磨主要巡检路线熟料库下输送皮带熟料散装石膏破碎输送皮带水泥配料站入辊压机斗提辊压机打散机水泥磨高效选粉机斗式提升机袋收尘斜槽及风机水泥入库巡检时间:八小时满负荷,设备运转初期,检查次数勤,根据试生产实际情况而定。
友情提示:本文中关于《水泥厂巡检路线》给出的范例仅供您参考拓展思维使用,水泥厂巡检路线:该篇文章建议您自主创作。
云维保山有机化工有限公司水泥分厂设备巡回检查管理制度(试行版)编制:审核:批准:执行日期:为贯彻落实生产设备管理“预防为主,计划检修”的方针,将设备定检、设备巡检作为设备管理工作的重点,将设备的定检、巡检制度化、常态化,实现设备事故的事前控制,确保设备的安全、高效运行,提高效益、降低消耗,特制定本制度。
一、设备巡检的划分及基本内容生产线设备的巡检采用三级巡检制度进行管理,分别是:分厂技术管理人员巡检、工段管理巡检、生产班组及维修班组巡检.1、分厂级巡检:分厂技术组技术员,对全厂设备机械设备进行每天2~3次的巡回检查.通过巡回检查对全厂设备运行状况进行了解,发现问题及时向分厂、工段通报。
对不能立即处理的,需作好记录,在后期制定月度、年度维修计划时列入项目之中.每天的巡检情况须填写记录,交由技术组长确认。
技术员应对工段级巡检的记录进行抽查,确保工段级巡检制度的有效性,对违反制度规定的行为应及时制止,并上报技术组进行考核.2、工段级巡检:工段长对工段所管辖的设备进行每天一次的巡回检查,对比前一天检查情况,了解设备运行是否正常,运行状况是否有异状或劣化的趋势。
检查维修班组、生产班组对设备的维修、维护、润滑、巡检是否到位。
对发现问题立即安排处理,防止事态扩大。
对班组级的巡检不符合规定的情况应立即对责任人进行处理,确保三级巡检制度能在现场得到有效落实.认真作好巡检记录备查,为编制月度检修计划收集资料。
3、班组级巡检:维修班组和生产班组员工根据本岗位所辖的区域,根据《岗位安全操作规程》对所属设备进行定点、定时、定线的往复检查.三级巡检制度中最基础的一层,也是最重要的一层,保证班组巡检的有效性是实现设备巡检管理的重点.维修班组和生产班组巡检发现问题应及时向工段管理人员汇报,并定时填写巡检记录。
二、设备的分类根据设备的重要程度把全厂设备划分为三类,做到重点设备重点监控。
设备等级划分参考如下:一类设备包括:生料立磨减速机、主电机、磨辊及液压站,高温风机,尾排风机,窑中减速机,窑中大齿圈,各档托轮,入窑入库胶带提升机,篦冷机液压站及传动减速机,煤磨减速机及液压站,熟料斗式输送机减速机,水泥磨大瓦、减速机,辊压机减速机。
水泥厂巡检个人工作计划一、工作内容和目标1. 巡检范围:水泥厂生产线所有设备和设施。
2. 巡检目标:发现和解决设备故障和安全隐患,确保生产线持续稳定运行,保障生产安全。
二、巡检周期和方式1. 巡检周期:每日早、中、晚各一次,共计3次。
2. 巡检方式:采用现场巡检和远程监控相结合,利用巡检表格记录、分析、上报设备运行情况。
三、巡检工作安排1. 早班巡检(8:00-12:00)- 检查生产线设备的开关状态,确保设备开启正常。
- 检查设备运行状态,如有异常现象及时上报。
- 巡查设备周边区域,清理杂物、破损物,确保设备运行畅通。
2. 中班巡检(12:00-16:00)- 检查设备温度、噪音、振动等指标,发现异常情况及时上报。
- 检查设备周边的防护设施,如栏杆、防撞墙等是否完好。
- 仔细检查易损部件,如皮带、链条等,是否处于正常使用状态。
3. 晚班巡检(16:00-20:00)- 巡检设备的润滑情况,检查润滑点及润滑油情况。
- 检查各种传感器、仪表的工作状态,如有故障立即上报维修。
- 检查设备周边安全标识牌和应急设备,是否清晰可见。
四、巡检设备清单1. 窑头设备:窑头设备包括窑头电机、窑头齿板、窑头滚筒、窑头传动机构、窑头润滑装置等。
2. 窑尾设备:窑尾设备包括窑尾传动机构、窑尾润滑装置、窑尾煤粉机、窑尾破碎机等。
3. 制粉系统:制粉系统包括制粉机、风送系统、仓储设备等。
4. 磨煤系统:磨煤系统包括煤磨机、除尘器、煤仓等。
5. 窑尾废气处理设备:窑尾废气处理设备包括除尘器、脱硫脱硝设备等。
6. 辅助设备:包括空压机、鼓风机、水泵等辅助设备。
五、巡检工作记录和分析1. 详细记录巡检过程中发现的问题和异常情况。
2. 对问题和异常情况进行合理分类,分析根本原因。
3. 根据分析结果提出解决方案,及时上报维修和改进意见。
六、巡检报告和改进措施1. 每日提交巡检报告,包括设备运行情况、发现的问题和异常情况、改进建议等。
原料系统主要巡检路线
石灰石:堆料机桥式刮板取料机输送皮带生料配料站上
原煤:板喂机堆料机桥式刮板取料机输送皮带原煤仓上
生料粉磨主要巡检路线
生料配料站下入磨斗式提升机立磨旋风收尘及斜槽入库斗式提升机增湿塔电收尘排风机
烧成系统主要巡检路线
熟料斜拉链窑头电收尘排风机窑头电收尘冷却机回转窑高温风机中间仓及卸料装置预热器入窑高效斗提机
煤粉制备主要巡检路线
原煤仓下给煤机磨煤机密封风机收尘器排风机热风炉煤粉仓环状天平罗茨风机
水泥磨主要巡检路线
熟料库下输送皮带熟料散装
石膏破碎输送皮带水泥配料站入辊压机斗提辊压机打散机水泥磨高效选粉机斗式提升机袋收尘斜槽及风机水泥入库
巡检时间:八小时满负荷,设备运转初期,检查次数勤,根据试生产实际情况而定。