东芝CV330-330A实时监控使用说明书
- 格式:pdf
- 大小:3.36 MB
- 文档页数:43
这些东芝电梯,你可能没见到过!(附东芝电梯基础知识详解)东芝CL70 这种门机估计也没几个人看过!1996年东芝CL-70。
1996年东芝CV-60.以上图片拍摄者为:罗玉明。
东芝电梯现在最常见的几个型号分别是:CV150;CV160;CV180;CV190;CV300;CV320;CV330;CV330A。
其中:CV150;CV160;CV180;CV190为有齿轮曳引机。
CV300;CV320;CV330;CV330A为无齿轮永磁同步曳引机。
CV300为无机房,分为A、B、C三个型号。
东芝电梯的OBM操作方式:CV150;CV160;CV300;CV320:1、故障调阅:(还没有通俗易懂的话形容)2、故障清除:MODE按两下显示“0.0.”跳动按中间键到“0.E.”按STB键显示“E.1”按STB一下显示“0.E.”然后按STB接着显示“E.1”按中间键加到“E.2”按STB键显示“0.E.”按STB键显示“E.1”NUM键加到“E.3”按STB键显示“0.E.”MODE键就可以看到显示“CL”证明故障清除。
3、井道自学习方法:先将正常转换成检修。
MODE按两下显示“0.0.”跳动按中间键到“1.0”按STB键显示“E.2”按STB键一下显示“1.0”,在按中间键按到“0.E.”,按STB键显示“E.1”,在按中间键按到“E.C”按STB。
然后把检修转换成正常。
电梯向下,进行井道自学习。
CV180;CV190;CV330;CV330A:1、故障调阅:MODE键(也就是第一个键子)按两下显示“0.0.” 此时显示的数字为闪烁的)。
按中间键NUM按到“0.8” 此时8在闪烁)然后按STB确定键(也就是最后一个)一直按确定键什么时候显示“X.X.”两点都出现不在闪烁那个就是故障代码2、故障清除:MODE按两下显示“0.0.”跳动按中间键到“0.E.”按STB键显示“E.1”动按STB一下显示“0.E.”然后按STB接着显示“E.1”按中间键加到“E.2”按STB键显示“0.E.”按STB键显示“E.1”NUM键加到“E.3”按STB键显示“0.E.”MODE键就可以看到显示“CL”证明故障清除。
3X.主回路保护.30.检测出变频器发热异常.电梯停止后SMC跳闸.31.检测出Q7回路异常.SMC跳闸.32.检测出IPM异常.SMC跳闸.33.检测出BCU基板连接器脱落.SMC跳闸.34.MC不能接通.SMC跳闸.35.充电电压确立不足.SMC跳闸.36.MC异常断路.SMC跳闸.37.电动机不能控制.SMC跳闸.38.检测出马达过电流.SMC跳闸.39.检测出过电压异常.SMC跳闸.3A.正常运行方向改变时或点检运行停止时,接触器不能断开。
GB标准对应。
SMC跳闸.无法重新起动.3B.停止时主回路电流信号(MCC)无法断开.GB标准对应。
SMC跳闸.无法重新起动.3C.检测出LZN粘连异常.SMC跳闸.无法重新起动.3D.检测出LZN线异常断.3E.检测出SC粘连异常.SMC跳闸.无法重新起动.3F.检测出DCR匹配性异常.(XDC与DCRA反馈信号不一致)SMC跳闸.无法重新起动.4X.输出入信号异常.40.检测出着床限位开关的匹配性异常.SMC跳闸.41.检测出马达发热异常.电梯停止使用后,SMC跳闸.42.检测出运行门开放异常.SMC跳闸.43.检测出方向限制的限位开关异常.SMC跳闸.44.检测出制动器异常开放.SMC跳闸.不能重新启动.45.检测出制动器异常释放.SMC跳闸.46.检测出DT-DC匹配性异常.47.检测出XDC-DCR的匹配性异常.SMC跳闸.48.检测出DC-18DS的匹配性异常.SMC跳闸.49.UPLS或DNLS动作,但LSA,LSB,LSC关闭.检测出着床开关异常.SMC跳闸.4A.DCU150使用时,因DCU150重起三次,DCUEH故障或DCULSLERR仍未消除.SMC跳闸.4B.检测出1小时内出现3次门单元增量返回异常(故障65).SMC跳闸.(切断FDS时,不检测)(只适用与DCU150)4C.检测出RLR粘连异常.SMC跳闸.无法重新启动.4D.检测出RLR断线异常.SMC跳闸.无法重新启动.4E.非常电动运转时的安全回路断路继电器的溶着检测.SMC跳闸.无法重新启动.5X.脉冲关联异常.50.检测出LSA,LSB,LSC与轿厢位置脉冲的匹配性异常.SMC跳闸.51.启动时的脉冲补偿调整时,检测出脉冲偏差为200mm以上.SMC跳闸.52.在运行中脉冲在行进方向不前进.SMC跳闸.53.轿厢位置脉冲与限位开关(5LS,6LS)的整合性异常检测.SME跳闸.6X.串行传送异常.60.检测出SLS增量返回.61.用SLS试验传送检测出测量点ERROR.62.与COP100E的增量返回异常持续了2秒钟.63.HCU测量点故障持续了5秒钟.64.与COP100E的增量返回异常持续了2秒钟.电梯停止后,SMC跳闸.65.门机控制单元增量返回异常持续了2秒钟.(切断FDS时,不检测)(只适用与DCU150)7X.速度异常.70.检测出钢索打滑.SMC跳闸.无法重新启动.71.检测出启动异常.SMC跳闸.72.检测出着床异常.SMC跳闸.73.检测出终端层减速不能.SMC跳闸.74.低速控制时,检测出速度异常.SMC跳闸.75.卷扬机脱离.SMC跳闸.76.检测出终端层减速异常.SMC跳闸.77.直流过电流检出.78.磁极推算超出时间故障.79.电动机PG断线异常检测.7A.即便钢丝绳拉长动作持续10秒,仍没有到达平层位置,钢丝绳拉长动作结束.7B.Z脉冲相位补充改正.8X.重新启动异常.80.SM跳闸后,尽管经过了一定时间(NFLTDAT)也不能到达层水平面.由此根据SMSI,作为故障.81.SM跳闸后,即使试了三次重新启动,也无法到达层水平面.由此根据SMSI,作为故障.82.一小时以内发生了两次SM跳闸,由此根据SMSI,作为故障.83.SCC断开,CC断开或者XNVT断开的状态持续了25秒钟.84.WDT复始处理中断,使CPU停止.9X.其他.90.检测出检查综括数据异常,因此停止电梯后,使WDT跳闸.91.由于用PDSET,读入的脉冲值和在工厂内设定的脉冲值的差超过了公差范围,将PDSET结束.92.用PDSET确认了的楼层数与在工厂内设定的好了的楼层数不一致,因此将PDSET结束.93.在PDSET中,由于CC断开或者门开放了,因此将PDSET结束.94.用PDSET作成的数据向E2PROM的写入失败.95.由于18DS的接触不良,使得门反转动作进行了三次.96.由于DC的接触不良,使得门反转动作进行了三次.97.远程监控.<PIXTEL_MMI_EBOOK_2005>4。
1:一例报50 ,75故障的解决方案:是编码器问题,拆开编码器端盖后看到码盘用酒精清洗,最好还清洗一下光头2:一台东芝CV180电梯经常在最下端站保护,报50故障调出的故障记录是01 03 25 06 10 23 50 7C 80 01 C2 00 0F我想这是报50的故障,电梯运行到底层端站门区开门后保护拆两块对重块放在轿顶上就可以暂时解决该问题,想彻底解决就要更换曳引绳,连曳引轮一起换更佳这梯子问题已经得已解决,不是钢丝绳打滑引起,因为我测试过打滑距离最多不超过5公分。
后来我按安装资料中的数据重新调了上下强缓开关距离,重新做层高后电梯运行10多天了没有报EE,更别说报50了在底层保护的时候应该之前不是正常停梯的,而是有些急急的停车,曲线没运行完毕,一般这种情况如果不是新梯的话,应该不是强换距离问题,而是钢丝绳伸长导致的,重新做便自学习应该能搞定,你看看你的对重越程是不是缩短了就是强缓问题,没有重新安装数据调整位置之前,做过PD,根本不能解决问题。
况且从下端站跑上端站再回下端站一个来回后,钢丝绳滑移量不超过5公分还有一个解决的办法就是把编码器擦擦应该是脏了3:东芝cv180电梯每天夜里死机,必须要断电复位才能运行,白天运行正常,故障为96,3A查下变频器上的12 接触器;有两个原因:一是晚间电源电压回升,导致电压检测电路报故障,二是节能电路接线错误,可能把门机电源接入到节能电路中;XMC接触器出点故障4:CV180控制柜控制板上叫快车怎么操作mod00设置492B打开写保护MOD4写入呼梯楼层即可;首先按1键到00,3键00闪烁,再按3键从第一位开始出入4按3输入9再按3输入2再按3输入b后稍等显示4.9.2.b后变00按2键调到04再按3键00闪烁再按3键从第一位0.第二0.第三0.第四1再按3显示P-输入成功显示E-为错误。
0001为最底层依次0002.0004.0008.0010.0020.0040.0080为8层的方法;5:轿厢顶上的三个继电器各个的作用灯,风扇,开门继电器6:东芝CV180内外招有显示不登记求高手指点 I/O基板坏了7: 180故障31 如何处理怎么找不到Q7在什么地方 Q7 是变频器模块8:180出70如何处理,20多天出一次。
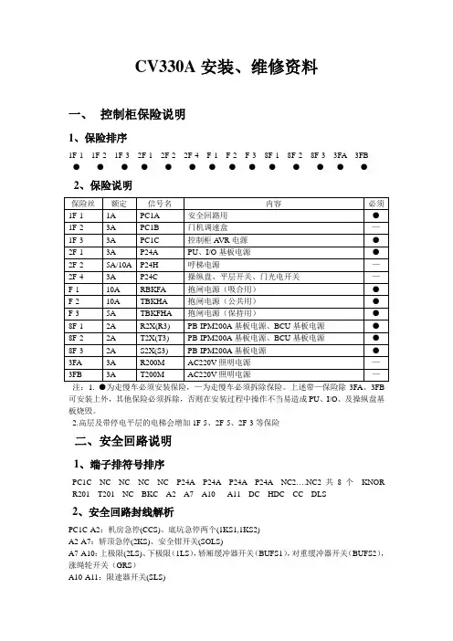
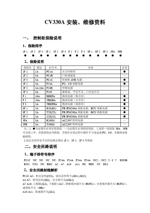
CV330A安装、维修资料一、控制柜保险说明1、保险排序1F-1 1F-2 1F-3 2F-1 2F-2 2F-4 F-1 F-2 F-3 8F-1 8F-2 8F-3 3FA 3FB●●●●●●●●●●●●●●2、保险说明注:1. ●为走慢车必须安装保险,—为走慢车必须拆除保险。
上述带—保险除3FA、3FB 可安装上外,其他保险必须拆除,否则在安装过程中操作不当易造成PU、I/O、及操纵盘基板烧毁。
2.高层及带停电平层的电梯会增加1F-5、2F-5、2F-3等保险二、安全回路说明1、端子排符号排序PC1C NC NC NC NC P24A P24A P24A P24A NC2….NC2共8个KNOR R201 T201 NC BKC A2 A7 A10 A11 DC HDC CC DLS2、安全回路封线解析PC1C-A2:机房急停(CCS)、底坑急停两个(1KS1,1KS2)A2-A7:轿顶急停(2KS)、安全钳开关(SOLS)A7-A10:上极限(2LS)、下极限(1LS),轿厢缓冲器开关(BUFS1),对重缓冲器开关(BUFS2),涨绳轮开关(GRS)A10-A11:限速器开关(SLS)A11-HDC:厅门联锁(20+NLS)HDC-DCR:轿门联锁(GLS)三、走慢车封线1、试运行慢车:①机房打检修②PC1A与A11封③门联锁短封钥匙扳到封闭一侧④CNH1-1(DNLS)、CNH1-2(UPLS)、KNOR与E(地线)短封⑤正确接上码盘线BP5A\BN5A\\PNS\DNS\ZN S⑥接上抱闸线B1,B2⑦插上CNMB插子(抱闸微动开关)CNM12温控开关2、电机线及码盘线接法注:现场安装发现电梯反向的,将U和W调换一下,同时将PNS和DNS调换,方向即改过来了。
四、土建布置图现场施工必须按土建布置图施工,土建布置图英文含义M/R机房,C/P操纵盘,C/W对重,H/W固定电缆,T.C随行电缆,GOV限速器,L.SW限位开关,I.SW平层开关,HIB呼梯,PMSM永磁同步电机五、机房PU基板显示说明E E故障记忆F d故障发生J S检修P A锁梯 A d司机Jd专用 F C火灾管制 E S消防■运行六、一般故障分析1、控制柜继电器排序RLR LZN LBKR SMR 1BKR 2BKR KNORR AMC1 AMC2■■■■■■■■■2、控制柜接触器排序(控制柜左下角)AMC1主接触器AMC2预备充电接触器SC 1BK强迫制动继电器1BKX制动继电器2BK制动继电器3、读故障号●●●MOD NUM STB ●PRS①按动最左面〈MOD〉按钮两下,PU基板上显示O.O后面O闪烁②按中间〈NUM〉按钮8下,至显O.8③连续按最后面的〈STB〉按钮,第9下显示出来的数既是故障号④调出故障号后,按动右下角的〈PRS〉按钮一下就恢复原来状态了4、清除故障,解决一般死机状态①按动最左面〈MOD〉按钮两下,PU基板上显示O.O后面O闪烁②按中间〈NUM〉按钮,至显O.E③按右面〈STB〉一下显E1,按〈STB〉一下显OE④按右面〈STB〉一下显E1,按〈NUM〉一下显E2,按〈STB〉一下显OE⑤按右面〈STB〉一下显E1,按〈NUM〉两下显E3,按〈STB〉一下显OE⑥按〈MOD〉按钮一下,清除故障完毕5、故障编码表Ⅰ、故障代码30(STH)检查出暂存器发热异常,电梯停止后SMC跳闸。
无线监控一体机使用说明书1声明非常感谢您购买我公司的产品,如果您有什么疑问或需要请随时联系我们。
本手册适用于无线监控一体机。
本手册可能包含技术上不准确的地方、或与产品功能及操作不相符的地方或印刷错误的地方。
本公司将根据产品功能的增强而更新本手册的内容,并将定期改进或更新本手册中描述的产品或程序。
更新的内容将会在本手册的新版本中加入,恕不另行通知。
若存在手册中对产品的描述与实物不符,一律以实物为准。
2安全注意事项1.无线监控一体机上请不要放置盛有液体的容器(例如花瓶) 。
2.无线监控一体机应放置在足够通风的空同,并防止堵塞通风口。
3.检查电源电压, 防止出现电压不匹配导致器件损坏。
4无线监控一体机应工作在技术指标允许的温度及湿度范国内。
5.无线监控一体机水平放置,并且避免安装在剧烈震动的环境下。
6.电路板上的灰生在受潮后会引起短路, 为了使硬盘录像机能长期正常工作, 可以定期用刷子对电路板、接插件、机箱等进行除尘。
7.电池更換不当会有爆炸危险,不建议用户自行更換电池;如需更換,只能用同样类型或等效类型的电池来更換, 切勿尝试打开或维修电池。
8.无线监控一体机安装施工等须符合规范, 可参照相关国家或地方表示准。
3开箱检查收到产品后, 请打开包装盒, 将设备取出并放置在适当的位置, 依据盒内的装箱清单确认装箱产品及附件。
如果发现包装盒内物品有所损坏或任何配件短缺的情況, 请及时与经销商联系。
4无线NVR套装示意图5天线的放置天线的信号空间覆盖范围类似一个苹果,天线位于苹果心,围绕天线四周信号强,天线两端点凹进去,信号弱。
根据天线对信号的发散特性,为了保证无线套装图像效果, IPC的天线应尽量与NVR天线形成信号球面保持相互平行或者相切,如上图所示6 后面板接口说明7安装硬盘提示:请使用硬盘生产厂商推荐的DVR专用SATA硬盘。
在安装前,请确认已断开电源。
硬盘安装步骤:1.将硬盘两边的五金装好;2.硬盘固定到监控器后盖上;3.按照图3将线接好;4.将后盖固定在监控器上。
智能摄像头使用说明书欢迎您使用我们的智能摄像头产品。
本使用说明书将详细介绍产品的功能、设置方法和使用技巧,帮助您轻松掌握智能摄像头的操作流程。
一、产品概述智能摄像头是一种基于先进技术的安全监控设备,具备高清摄像、夜视、移动侦测和远程访问等功能。
通过连接互联网,用户可以随时随地通过手机或电脑监控家庭、办公室等场所的安全状况。
二、产品特点1.高清图像质量:智能摄像头采用高清图像传感器,支持1080P的视频分辨率,确保您获取清晰、逼真的监控画面。
2.夜视功能:配备红外夜视灯,可在低光环境下提供清晰的夜间监控画面。
3.移动侦测:通过内置的智能算法,当有人或物体进入监控范围时,摄像头将自动推送警报通知,确保您第一时间了解到异常状况。
4.云存储:支持云端录像存储,用户可以随时回看摄像头录制的视频,避免因存储设备损坏或丢失而导致的数据丢失问题。
5.远程访问:用户只需通过手机APP或电脑软件,即可随时远程查看摄像头实时画面,并进行远程操作。
三、产品设置1.连接电源:使用随附的电源适配器将摄像头连接到电源插座。
确保电源和电源线的接触良好,避免电源中断。
2.连接网络:将摄像头与家庭或办公室的无线网络进行连接。
通过手机APP或电脑软件,按照界面提示进行网络配置,确保摄像头成功连入网络。
3.安装摄像头:将摄像头放置在需要监控的位置,确保摄像头能够全方位覆盖监控区域,并调整摄像头的倾斜角度,使画面更加清晰。
4.设置移动侦测范围:根据实际需求,通过手机APP或电脑软件设置摄像头的移动侦测范围。
可以选择性监控某个区域,减少误报警情况的发生。
四、使用方法1.手机APP操作:下载并安装摄像头对应的手机APP,在注册登录后,您可以即时查看实时画面、进行录像回放、远程控制等操作。
2.电脑软件操作:下载并安装摄像头对应的电脑软件,在注册登录后,您可以通过电脑实时观看摄像头的画面,进行录像和截图等操作。
3.警报通知设置:通过手机APP或电脑软件,您可以自定义警报通知的方式,包括声音、振动和手机推送等。
1:一例报50 ,75故障的解决方案:是编码器问题,拆开编码器端盖后看到码盘用酒精清洗,最好还清洗一下光头2:一台东芝CV180电梯经常在最下端站保护,报50故障调出的故障记录是01 03 25 06 10 23 50 7C 80 01 C2 00 0F我想这是报50的故障,电梯运行到底层端站门区开门后保护拆两块对重块放在轿顶上就可以暂时解决该问题,想彻底解决就要更换曳引绳,连曳引轮一起换更佳这梯子问题已经得已解决,不是钢丝绳打滑引起,因为我测试过打滑距离最多不超过5公分。
后来我按安装资料中的数据重新调了上下强缓开关距离,重新做层高后电梯运行10多天了没有报EE,更别说报50了在底层保护的时候应该之前不是正常停梯的,而是有些急急的停车,曲线没运行完毕,一般这种情况如果不是新梯的话,应该不是强换距离问题,而是钢丝绳伸长导致的,重新做便自学习应该能搞定,你看看你的对重越程是不是缩短了就是强缓问题,没有重新安装数据调整位置之前,做过PD,根本不能解决问题。
况且从下端站跑上端站再回下端站一个来回后,钢丝绳滑移量不超过5公分还有一个解决的办法就是把编码器擦擦应该是脏了3:东芝cv180电梯每天夜里死机,必须要断电复位才能运行,白天运行正常,故障为96,3A查下变频器上的12 接触器;有两个原因:一是晚间电源电压回升,导致电压检测电路报故障,二是节能电路接线错误,可能把门机电源接入到节能电路中;XMC接触器出点故障4:CV180控制柜控制板上叫快车怎么操作mod00设置492B打开写保护MOD4写入呼梯楼层即可;首先按1键到00,3键00闪烁,再按3键从第一位开始出入4按3输入9再按3输入2再按3输入b后稍等显示4.9.2.b后变00按2键调到04再按3键00闪烁再按3键从第一位0.第二0.第三0.第四1再按3显示P-输入成功显示E-为错误。
0001为最底层依次0002.0004.0008.0010.0020.0040.0080为8层的方法;5:轿厢顶上的三个继电器各个的作用灯,风扇,开门继电器6:东芝CV180内外招有显示不登记求高手指点 I/O基板坏了7: 180故障31 如何处理怎么找不到Q7在什么地方 Q7 是变频器模块8:180出70如何处理,20多天出一次。
东芝CV330A故障代码1、读故障号●●●MOD NUM STB ●PRS①按动最左面〈MOD〉按钮两下,PU基板上显示O.O后面O闪烁②按中间〈NUM〉按钮8下,至显O.8③连续按最后面的〈STB〉按钮,第9下显示出来的数既是故障号④调出故障号后,按动右下角的〈PRS〉按钮一下就恢复原来状态了4、清除故障,解决一般死机状态①按动最左面〈MOD〉按钮两下,PU基板上显示O.O后面O闪烁②按中间〈NUM〉按钮,至显O.E③按右面〈STB〉一下显E1,按〈STB〉一下显OE④按右面〈STB〉一下显E1,按〈NUM〉一下显E2,按〈STB〉一下显OE⑤按右面〈STB〉一下显E1,按〈NUM〉两下显E3,按〈STB〉一下显OE⑥按〈MOD〉按钮一下,清除故障完毕Ⅰ、故障代码30(STH)检查出暂存器发热异常,电梯停止后SMC跳闸。
31(Q7ER)检查出Q7回路异常,SMC跳闸。
32(MTBEDT)检查出IPM异常,SMC跳闸。
33(MCNCDT)检查出BCU基板连接器脱落,SMC跳闸。
34(AMCEM)MC不能投入,SMC跳闸。
35(VDLCK)充电电压确立不足,SMC跳闸。
36(AMCEH)MC异常断路,SMC跳闸。
37(MCLF)电动机不能控制,SMC跳闸。
38(MTOCDT)检查出马达过电流,SMC跳闸。
39(OVDT)检查出过电压异常,SMC跳闸。
40(LSERR)检查出着床限位开关的逻辑性异常,SMC跳闸41(MTH)检查出马达发热异常,电梯停止使用后,SMC跳闸。
42(DCLT)检查出运行门开放异常,SMC跳闸。
43(LSER)检查出方向限制的限位开关异常,SMC跳闸。
44(BOER)检查出制动器异常开放,SMC跳闸,不能重新启动。
45(BKLE)检查出制动器异常释放,SMC跳闸。
46(DTERR)检查出DT-DC匹配性异常。
47(DCERR)检查出XDC-DCR的匹配性异常,SMC跳闸。
48(DSERR)检查出DC-18DS的匹配性异常,SMC跳闸。
CV330A安装、维修资料一、控制柜保险说明1、保险排序1F-1 1F-2 1F-3 2F-1 2F-2 2F-4 F-1 F-2 F-3 8F-1 8F-2 8F-3 3FA 3FB●●●●●●●●●●●●●●2、保险说明保险丝额定信号名内容必须1F-1 1A PC1A 安全回路用●1F-2 3A PC1B 门机调速盒—1F-3 3A PC1C 控制柜AVR电源●2F-1 3A P24A PU、I/O基板电源●2F-2 5A/10A P24H 呼梯电源—2F-4 3A P24C 操纵盘、平层开关、门光电开关—F-1 10A RBKFA 抱闸电源(吸合用)●F-2 10A TBKHA 抱闸电源(公共用)●F-3 5A TBKFHA 抱闸电源(保持用)●8F-1 2A R2X(R3) PB-IPM200A基板电源、BCU基板电源●8F-2 2A T2X(T3) PB-IPM200A基板电源、BCU基板电源●8F-3 2A S2X(S3) PB-IPM200A基板电源●3FA 3A R200M AC220V照明电源—3FB 3A T200M AC220V照明电源—注:1. ●为走慢车必须安装保险,—为走慢车必须拆除保险。
上述带—保险除3FA、3FB 可安装上外,其他保险必须拆除,否则在安装过程中操作不当易造成PU、I/O、及操纵盘基板烧毁。
2.高层及带停电平层的电梯会增加1F-5、2F-5、2F-3等保险二、安全回路说明1、端子排符号排序PC1C NC NC NC NC P24A P24A P24A P24A NC2….NC2共8个KNOR R201 T201 NC BKC A2 A7 A10 A11 DC HDC CC DLS2、安全回路封线解析PC1C-A2:机房急停(CCS)、底坑急停两个(1KS1,1KS2)A2-A7:轿顶急停(2KS)、安全钳开关(SOLS)A7-A10:上极限(2LS)、下极限(1LS),轿厢缓冲器开关(BUFS1),对重缓冲器开关(BUFS2),涨绳轮开关(GRS)A10-A11:限速器开关(SLS)A11-HDC:厅门联锁(20+NLS)HDC-DCR:轿门联锁(GLS)三、走慢车封线1、试运行慢车:①机房打检修②PC1A与A11封③门联锁短封钥匙扳到封闭一侧④CNH1-1(DNLS)、CNH1-2(UPLS)、KNOR与E(地线)短封⑤正确接上码盘线BP5A\BN5A\\PNS\DNS\ZN S⑥接上抱闸线B1,B2⑦插上CNMB插子(抱闸微动开关)CNM12温控开关2、电机线及码盘线接法面对曳引轮右转电梯轿厢上升面对曳引轮左转电梯轿厢上升电机U—U V—V W—W U—W V—V W—UBP5A BP5A BP5ABN5A BN5A BN5APNS PNS DNSDNS DNS PNSZNS ZNS ZNS注:现场安装发现电梯反向的,将U和W调换一下,同时将PNS和DNS调换,方向即改过来了。
东芝电梯安全回路封线(330A)安全电路符号说明:安全回路封线:危险!1.非取得作业资格人员禁止操作!由于操作不当可能发生以外甚至人身伤亡!2.封线在试验或检查维修完毕后一定要拆除!3.无论在任何情况请不要在安全开关、门联锁失效的情况下投入运行。
1日立GVF-——3西子奥的斯地坑缓冲器极限开关2C 1—2{可以短接安全窗(EEC1-3);TES轿顶急停(INS1-9);安全钳开关SOS(1-3);UDLS 轿顶极限开关LSW(4-5)}。
2C 4—5可以短接轿门触点。
2H 2—4 地坑所有开关。
2H 2—5 地坑缓冲器。
2H 1—4 门连锁。
3M 1—2 限速器开关。
2注:由于配置不同,具体以随机图纸为准。
谨记!检修状态下才能封线,遗留短接接线,随时致命注:由于配置不同,具体以随机图纸为准。
谨记!检修状态下才能封线,遗留短接接线,随时致命OTIS3200安全回路空开是CF41C 01-02 限速器开关。
1C 02-03 地坑缓冲器极限开关张紧轮。
1C 05-06 轿顶安全窗安全钳。
1C 06-08 急停(轿顶,轿厢,地坑)。
1C 08-09 轿门触点。
1C 09-10 厅门连锁OTIS 30002C 1-2 轿顶急停,安全窗,安全钳。
2C 7-10 轿厢急停2C 4-5 轿门触点2H 1-6 厅门连锁2H 2-4 地坑缓冲器极限开关张紧轮。
8H 1-3 上、下极限3M 1-3 限速器开关4M 8-9 机房急停日立NPH GXF安全回路电梯信号灯:1:40D 厅门灯2:50 安全灯3:40G 矫门灯4:50B 软硬安全保护灯5:50X 软件安全保护灯3安全回路短接(插排)1:厅门XR1 3—42:轿门Y2—9 Y3—201:11—24总安全回路2:22—23上下极限开关3:11—12上下行中端开关(井道)4;12—13缓冲器开关,涨紧轮断绳开关(底坑)5:24—25安全窗,安全钳开关(轿顶)6:25—26限速器超速开关,盘车手轮(机房)华升富士达1.短接线路1)MC15X继电器板l TA1-5(P2)↔T2-3(P8)↔T2-5(P8A)井道安全回路l C1-B6(P8C)↔T2-7(P10)轿厢安全回路l T1-3(C1-A4)↔T2-6 (C1-B1)轿门锁l T2-4(P1 5)↔T2-2(P1)厅门联锁l T1-2(P23)↔T1-1(P24)轿顶优先开关2)IF118板l H31-A6(P17)↔H31-B6(C-1)井道上终端限位(LS11)l H32-A6(P18)↔H32-B6(C-2)井道下终端限位(LS21)富士达①安全回路(L40,P8):过电流:L40,P1B;相序保护:P1B,P1;限速器:P1,P1A;上下极限:P2,P3A;底坑回路:P3A,P4;轿顶回路:P4,P6;轿内急停:P6,P6A;轿顶急停:P6A,P7;底坑急停:P7,P8。
iDVR数字视频监控系统使用说明书注意事项★在使用本监控系统之前,请详细阅读本说明书所涉及的相关事项;熟悉系统各部分的功能后,方能使用,以确保该系统为您发挥最佳功能。
否则一切后果自负。
★本系统工作主机供电电压为220伏+10%,如果在电压不稳或者干扰大的场合,请您选用优质稳压电源(即UPS),保证系统正常良好的工作状态。
★本系统主机工作于常温(-10+3℃ - 55+2℃)、清洁的环境,并且保持良好的通风状态。
★本系统软件属于我公司专有产品,未经同意,请勿复制,否则影响机器稳定概不负责,并将通过有关法律渠道追究盗版责任。
硬件配置要求服务端CPU:赛扬 2G 以上(推荐双核1.8G以上)内存:256M以上(推荐DDR 1G)显卡:32M 支持Overlay (推荐256M)网卡:10-100M分辨率:1024*768(32位色) / 1280*1024(32位色) / 1440*900(32位色)客户端CPU:P4 1.7G以上内存:DDR 256M显卡:64M网卡:10-100M分辨率:1024*768(32位色) / 1280*1024(32位色) / 1440*900(32位色)功能特点(H.264硬压缩)操作系统Windows XP/VISTA/WIN7,压缩方式H.264。
显示分辨率支持1024 x 768、1280 x 1024、1440 x 900;录像分辨率352 x 288(PAL制式), 352 x 240(NTSC制式)或320 x 240,640 x 480(D1)。
一套系统最大支持32路。
支持单画面、4画面、8画面、9画面、10画面、12画面、16画面、20画面、25画面、36画面显示,可全屏显示,支持自动翻页,可多级放大。
多画面实时显示/录像/回放功能,支持多种云镜控制,支持多种报警盒。
连续录像、定时录像、动态录像、事件录像、联动报警录像等录像方式。
可以设置每个镜头的显示名称。
3X.主回路保护.30.检测出变频器发热异常.电梯停止后SMC跳闸.31.检测出Q7回路异常.SMC跳闸.32.检测出IPM异常.SMC跳闸.33.检测出BCU基板连接器脱落.SMC跳闸.34.MC不能接通.SMC跳闸.35.充电电压确立不足.SMC跳闸.36.MC异常断路.SMC跳闸.37.电动机不能控制.SMC跳闸.38.检测出马达过电流.SMC跳闸.39.检测出过电压异常.SMC跳闸.3A.正常运行方向改变时或点检运行停止时,接触器不能断开。
GB标准对应。
SMC跳闸.无法重新起动.3B.停止时主回路电流信号(MCC)无法断开.GB标准对应。
SMC跳闸.无法重新起动.3C.检测出LZN粘连异常.SMC跳闸.无法重新起动.3D.检测出LZN线异常断.3E.检测出SC粘连异常.SMC跳闸.无法重新起动.3F.检测出DCR匹配性异常.(XDC与DCRA反馈信号不一致)SMC跳闸.无法重新起动.4X.输出入信号异常.40.检测出着床限位开关的匹配性异常.SMC跳闸.41.检测出马达发热异常.电梯停止使用后,SMC跳闸.42.检测出运行门开放异常.SMC跳闸.43.检测出方向限制的限位开关异常.SMC跳闸.44.检测出制动器异常开放.SMC跳闸.不能重新启动.45.检测出制动器异常释放.SMC跳闸.46.检测出DT-DC匹配性异常.47.检测出XDC-DCR的匹配性异常.SMC跳闸.48.检测出DC-18DS的匹配性异常.SMC跳闸.49.UPLS或DNLS动作,但LSA,LSB,LSC关闭.检测出着床开关异常.SMC跳闸.4A.DCU150使用时,因DCU150重起三次,DCUEH故障或DCULSLERR仍未消除.SMC跳闸.4B.检测出1小时内出现3次门单元增量返回异常(故障65).SMC跳闸.(切断FDS时,不检测)(只适用与DCU150)4C.检测出RLR粘连异常.SMC跳闸.无法重新启动.4D.检测出RLR断线异常.SMC跳闸.无法重新启动.4E.非常电动运转时的安全回路断路继电器的溶着检测.SMC跳闸.无法重新启动.5X.脉冲关联异常.50.检测出LSA,LSB,LSC与轿厢位置脉冲的匹配性异常.SMC跳闸.51.启动时的脉冲补偿调整时,检测出脉冲偏差为200mm以上.SMC跳闸.52.在运行中脉冲在行进方向不前进.SMC跳闸.53.轿厢位置脉冲与限位开关(5LS,6LS)的整合性异常检测.SME跳闸.6X.串行传送异常.60.检测出SLS增量返回.61.用SLS试验传送检测出测量点ERROR.62.与COP100E的增量返回异常持续了2秒钟.63.HCU测量点故障持续了5秒钟.64.与COP100E的增量返回异常持续了2秒钟.电梯停止后,SMC跳闸.65.门机控制单元增量返回异常持续了2秒钟.(切断FDS时,不检测)(只适用与DCU150)7X.速度异常.70.检测出钢索打滑.SMC跳闸.无法重新启动.71.检测出启动异常.SMC跳闸.72.检测出着床异常.SMC跳闸.73.检测出终端层减速不能.SMC跳闸.74.低速控制时,检测出速度异常.SMC跳闸.75.卷扬机脱离.SMC跳闸.76.检测出终端层减速异常.SMC跳闸.77.直流过电流检出.78.磁极推算超出时间故障.79.电动机PG断线异常检测.7A.即便钢丝绳拉长动作持续10秒,仍没有到达平层位置,钢丝绳拉长动作结束.7B.Z脉冲相位补充改正.8X.重新启动异常.80.SM跳闸后,尽管经过了一定时间(NFLTDA T)也不能到达层水平面.由此根据SMSI,作为故障.81.SM跳闸后,即使试了三次重新启动,也无法到达层水平面.由此根据SMSI,作为故障.82.一小时以内发生了两次SM跳闸,由此根据SMSI,作为故障.83.SCC断开,CC断开或者XNVT断开的状态持续了25秒钟.84.WDT复始处理中断,使CPU停止.9X.其他.90.检测出检查综括数据异常,因此停止电梯后,使WDT跳闸.91.由于用PDSET,读入的脉冲值和在工厂内设定的脉冲值的差超过了公差范围,将PDSET结束.92.用PDSET确认了的楼层数与在工厂内设定的好了的楼层数不一致,因此将PDSET结束.93.在PDSET中,由于CC断开或者门开放了,因此将PDSET结束.94.用PDSET作成的数据向E2PROM的写入失败.95.由于18DS的接触不良,使得门反转动作进行了三次.96.由于DC的接触不良,使得门反转动作进行了三次.97.远程监控.<PIXTEL_MMI_EBOOK_2005>4测量学试卷 第 5 页(共 7 页)《测量学》模拟试卷得分 评卷人 复查人1.经纬仪测量水平角时,正倒镜瞄准同一方向所读的水平方向值理论上应相差(A )。
东芝电梯现在最常见的几个型号分别是:CV150;CV160;CV180;CV190;CV300;CV320;CV330;CV330A。
其中:CV150;CV160;CV180;CV190为有齿轮曳引机。
CV300;CV320;CV330;CV330A为无齿轮永磁同步曳引机。
CV300为无机房,分为A、B、C三个型号。
————————————————————————————————————东芝电梯的OBM操作方式:CV150;CV160;CV300;CV320:1、故障调阅:(还没有通俗易懂的话形容,请各位网友帮忙)2、故障清除:MODE按两下显示“0.0.”跳动按中间键到“0.E.”按STB键显示“E.1”按STB一下显示“0.E.”然后按STB接着显示“E.1”按中间键加到“E.2”按STB 键显示“0.E.”按STB键显示“E.1”NUM键加到“E.3”按STB键显示“0.E.”MODE键就可以看到显示“CL”证明故障清除。
3、井道自学习方法:先将正常转换成检修。
MODE按两下显示“0.0.”跳动按中间键到“1.0”按STB键显示“E.2”按STB键一下显示“1.0”,在按中间键按到“0.E.”,按STB键显示“E.1”,在按中间键按到“E.C”按STB。
然后把检修转换成正常。
电梯向下,进行井道自学习。
-------------------------------------------------------------------------------------------------------------CV180;CV190;CV330;CV330A:1、故障调阅:MODE键(也就是第一个键子)按两下显示“0.0.”此时显示的数字为闪烁的)。
按中间键NUM按到“0.8”此时8在闪烁)然后按STB确定键(也就是最后一个)一直按确定键什么时候显示“X.X.”两点都出现不在闪烁那个就是故障代码2、故障清除:MODE按两下显示“0.0.”跳动按中间键到“0.E.”按STB键显示“E.1”动按STB一下显示“0.E.”然后按STB接着显示“E.1”按中间键加到“E.2”按STB键显示“0.E.”按STB键显示“E.1”NUM键加到“E.3”按STB键显示“0.E.”MODE键就可以看到显示“CL”证明故障清除。
东芝电梯一般维保内容(一)东芝电梯的维保常识机房检修操作:将控制柜操作板上8 号扭子开关朝上,此时为机房检修状态。
(8 号扭子开关朝下为正常状态)再将主板上5 号扭子开关(S9)朝上或朝下按住不放,电梯将以检修速度向上或向下运行。
故障清除操作:显示器上显示EE 表示有故障记录,保养时需要清除,否则将出现故障记录过多而保护死机。
此时将主电源关闭,按住主板上4 号键不放再送电,一般情况下可复位,若不能复位就要作故障清除,方法如下:按主板上1 号键2 下显示00;按主板上2 号键n 下使显示器显示0E;按主板上3 号键1 下显示E0;按主板上2 号键1 下使显示器显示E1;按主板上3 号键1 下,再按2 号键1 下显示E0;按主板上2 号键2 下使显示器显示E2;按主板上3 号键1 下显示0E;按主板上4 号键强制返回,故障清除操作结束。
注:操作板上9 号键是故障记录开关,正常时开关朝上,否则故障记录很快将出现保护死机。
短接安全回路操作:当显示FD 时表示安全回路断开,此时安全继电器CC 断开、操作板上面的那个指示灯熄灭,首先检查安全回路供电保险管1F1(控制柜后面下排左起第6 个)是否熔断;检修需要短接时,请用下列方法:操作板上A2—A7 短接:轿顶急停开关、轿内急停开关、安全钳开关;操作板上A7—A10 短接:上下极限开关、缓冲器开关、涨紧开关;操作板上A10—A11 短接:限速器开关;短接门锁回路操作:当操作板上下面的一个指示灯熄灭,表示门锁回路断开,检修时需要短接请用下面方法操作:操作板上A11—HDC 短接:厅门门联锁;操作板上HDC—NC 短接:轿门门联锁;操作板上3 号—4 号短接:厅、轿门门联锁全短接。
(3 号、4 号千万不能与7 号短接!!!否则将烧坏二至三块电脑板!!!)控制柜内左接线排名称:最上面是旋转编码器接线;B1、B2 是抱闸线圈接线;最下面是内选、外选接线。
(二)东芝电梯维保常用调试东芝电梯现在最常见的几个型号分别是:CV150;CV160;CV180;CV190;CV300;CV320;CV330;CV330A。
东芝电梯现在最常见的几个型号分别是:CV150;CV160;CV180;CV190;CV300;CV320;CV330;CV330A。
其中: CV150;CV160;CV180;CV190 为有齿轮曳引机。
CV300;CV320;CV330;CV330A 为无齿轮永磁同步曳引机。
CV300 为无机房,分为A、 B、C 三个型号。
————————————————————————————————————东芝电梯的OBM 操作方式:CV150;CV160;CV300;CV320:1、故障调阅:(还没有通俗易懂的话形容,请各位网友帮忙)2、故障清除: MODE 按两下显示“ .”跳动按中间键到“ .”按 STB键显示“”按 STB 一下显示“ .”然后按 STB接着显示“”按中间键加到“”按 STB键显示“ .”按 STB 键显示“” NUM 键加到“”按 STB键显示“ .”MODE 键就可以看到显示“ CL”证明故障清除。
3、井道自学习方法:先将正常转换成检修。
MODE 按两下显示“ .”跳动按中间键到“”按 STB键显示“”按STB键一下显示“” ,在按中间键按到“.”,按 STB键显示“”,在按中间键按到“”按STB。
然后把检修转换成正常。
电梯向下,进行井道自学习。
-------------------------------------------------------------------------------------------------------------CV180 ;CV190;CV330;CV330A:1、故障调阅: MODE 键(也就是第一个键子)按两下显示“.”此时显示的数字为闪烁的)。
按中间键 NUM 按到“”此时8在闪烁)然后按STB确定键(也就是最后一个)一直按确定键什么时候显示“.”两点都出现不在闪烁那个就是故障代码2、故障清除: MODE 按两下显示“ .”跳动按中间键到“ .”按 STB 键显示“”动按STB一下显示“ .”然后按 STB接着显示“”按中间键加到“”按 STB键显示“ .”按STB键显示“” NUM 键加到“”按 STB键显示“ .” MODE 键就可以看到显示“ CL”证明故障清除。
监控系统--------------------使用手册第一章系统操作1.1开机与关机1.1.1开机:插上电源线,按下后面板的电源开关,电源指示灯亮,录像机开机,开机后视频输出默认为多画面输出模式,若开机启动时间在定时录像设定时间内,系统将自动启动定时录像功能,相应通道录像指示灯亮,系统正常工作。
1.1.2进入系统菜单正常开机后,按Enter确认键(或单击鼠标左键)弹出[登录]对话框,用户在输入框中输入用户名和密码。
出厂时有4个用户admin, 888888, 666666及隐藏的default,前三个出厂密码与用户名相同。
admin, 888888,出厂时默认属于高权限用户,而666666出厂默认属于低权限用户,仅有监视、回放、备份权限等权限。
图1-1密码安全性措施:每30分钟内只能试密码5次,否则帐号锁定。
注:为安全起见请用户及时更改出厂默认密码,添加用户组、用户及修改用户,设置更改参见菜单操作——用户帐号。
关于输入法:除硬盘录像机前面板及遥控器可配合输入操作外,可按按钮进行数字,符号,英文大小写,中文输入(可扩展)之间切换输入法,并直接在面板上的字符值进行鼠标选取输入相关值。
1.1.3关机:注意:更换硬盘须打开机箱并先切断外部电源。
A.按住前面板的POWER键3秒钟,停止硬盘录像机的所有工作,方可按下后面板的电源开关。
B.进入【主菜单】→【关闭系统】中选择【关闭机器】。
1.1.4断电恢复当录像机处于录像、定时录像、报警录像工作状态下,若系统电源被切断或被强行关机,重新来电后,录像机将自动保存断电前的录像,并且自动恢复到断电前的工作状态继续工作。
1.1.5更换硬盘录像机钮扣电池更换硬盘录像机的钮扣电池建议选用相同型号的电池。
定期检查系统时间,一般每年更换一次电池以保证系统时间的准确性。
1.2录像操作用户可以根据自己的需求选择录像模式。
对不同模式的录像,通道发生录像时,在通道画面上显示录像标志。
CV330,②CV330A实时监控器使用说明书06年4月东芝电梯株式会社© TOSHIBA Corporation 2006, 04All Rights Reserved目录1. 适用 (2)2. 实时监控器构成 (2)3. 操作键介绍 (2)4. 关于7段LED的状态表示方法的介绍 (3)5. 功能种类 (4)6. 功能详细介绍 (5)1. 适用本使用说明书适用于CV330,②CV330A 的实时监控器(OBM )2. 实时监控器构成3. 操作键介绍关于实时监控器功能的一些基本的键操作如下面所示。
1)[MODE](模式)键 ········· 按动本键,便可切换实时监控器的功能。
2)[NUM](数字)键 ········· 按动本键,便可用于数值的选择在7段LED 的数值部分闪烁时,数值选择方式成为可能。
3)[STB]键 ········· 在确定模式及数值的时候,请按下本键4)[NUM](数字)键+[MODE](模式)键 ········· 在数值选择时,只要按下[NUM](数字)键的同时,按下[MODE](模式)键,便可用来逐一减少设定数值。
5)[MODE](模式)键+[STB]键 ········· 在命令的详细设定中,只要按下[MODE](模式)键的同时按下[STB]键,便可用来强制结束现在所选的模式。
6)[PRS] ········· 按下本键,实时监控器的显示状态被迫地返回通常显示(电梯状态显示、7:由功能详细来细说),而且在EEPROM (电檫除可编程只读存储器)的写入保护有效时使用本键。
4. 关于7段LED状态的表示记载方法的介绍1)本使用说明书中,关于2:实时监控器的构成所说的7段LED的情况如下表述。
左侧7段LED “LED1”右侧7段LED “LED2”2)当LED1、LED2的数值表示上带[”]的时候,数字数据表示为闪烁状态,如果不带[”]的时候,那么数字数据表示为点灯的状态。
Ex.) LED2 的数值表示部为闪烁状态时在闪烁的状态在闪烁的状态3)把LED1,LED2的段(7)部分称之谓“DP(指示点)”。
(以下简称为“DP”)在闪烁的状态5. 功能种类本实时监控器的功能,正如下面的阶梯结构所示,当CPU初始化以后,一定呈现为电梯的状态表示。
实时监控器功能电梯状态表示功能电梯起动次数表示脉冲表示功能轿厢位置脉冲表示功能区域数据10进制数表示功能升降通道中间位置通报功能实时监控器命令功能模式00模式01模式02模式03模式04模式05模式06模式07模式08模式09模式OA模式OB模式DC模式DD模式OE模式10模式11模式12模式13②模式146. 功能详细介绍[1] 阶梯1切换只要每次按动一下[MODE](模式)键,就能作下面那样的切换,正如5:功能种类中所示的阶梯1的状态。
此外,至于脉冲表示功能和实时监控器的命令功能,只要一按[NUM](数字)键,或者一边按住[NUM](数字)键,一边再按[MODE](模式)键,机器就会向阶梯2的选择状态转移。
‘EL’LED(发光二极管)点灯[NUM]‘CPD’LED点灯转向阶梯2的选择状态[NUM]或[NUM]+[MODE]OBM’LED点灯转向阶梯2的选择状态[2] 电梯状态表示功能7段LED表示状态信号的EL-LED点灯。
[电梯状态表示] [控制楼层:10进制数]DP指示点交替点灯如下所示的电梯表示和10进制数的控制楼层的表示互相交替进行。
但是,当电梯表示未被设定的时候,仅仅表示控制楼层数据楼层表示α:为优先顺序最高级的表示模式[在错误清除被执行的时候,即使是在任何一种状态,它都能表示。
]β:为一般表示的模式,常用它来依次显示楼层表示EE和E2。
但是EE和E2仅仅是在错误发生和EEPROM写入保护解除的状态下,才被显示。
0~9:数字越小,优先级别越高。
在0~9的状态中有二个以上发生的情况下,最小的数字状态的显示,在模式β之后被显示出来。
※假如按下[STB]键,机器就显示电梯起动次数。
例1 2 3 4 5 6 7次的情况※假如按下[NUM]键,机器就按年、月、日、周、时、分、秒的顺序显示日历。
[3] 脉冲表示功能7段LED表示状态信号的CPD-LED点灯。
(1)阶梯2的切换每按一下[NUM](数字)键,表示功能就作如下那样切换。
(2)轿厢位置脉冲数据表示[停止中][轿厢位置脉冲数据表示]4位的位置脉冲的上位显示时,LED2的DP点灯,下2位显示时,LED1及LED2的DP灯熄灭。
仅仅在按住[STB]键的时候机器会显示[脉冲修正前数据][脉冲修正前数据]ex.) 轿厢位置脉冲数据=322bh显示脉冲修正前数据=322Fh停止移动开始[移动中][区域数据10进制数表示]轿厢位置在门区域内的时候,LED1和LED2的DP点灯。
ex.) 表示轿厢正在17楼的门区域外移动。
(3)区域数据10进制数表示轿厢位置在门区域内的时候,LED1和LED2的DP点灯ex.) 表示轿厢停在18楼层。
(4)升降通道中间位置信号功能假如轿厢一达到升降通道的中间位置±100mm的位置时LED1和LED2的DP就点灯。
[4] 实时监控器命令功能7段LED表示状态信号的OBM-LED(发光二极管)点灯。
(1)阶梯2的切换1)每按一次[NUM](数字)键,模式序号就进逐一增加,每次一边按[NUM](数字)键一边再按[MODE](模式)键时,模式序号就逐一减少。
2)在模式序号闪烁的状态下,假如一按下[STB]键,那么该时的模式就被实行。
3)在各种模式实行中,一边按住[MODE](模式)键,假如再同时按住[STB]键时,机器就返回到命令模式选择状态。
[命令模式选择状态][要点]a) 当数字数据闪烁的时候,表示机器处在要求数值输入的状态。
b) 当LED1和LED2的DP点灯的时候,表示机器处在命令模式选择状态。
c) 无论机器在哪一个状态,只要一按下[PRS]键,EEPROM的写入保护就认为有效,而且机器向电梯状态表示模式状态[‘EL’LED点灯]进行转移。
d) 命令中不存储的命令模式序号是不被显示的。
命令模式“nn”正在实行中仅仅在按住[MODE](模式)键时,所选的命令模式序号会作闪烁显示。
[命令模式序号表示]表示ex.)02和DP(指示点)点灯显示。
(2)模式00:表示基本地址设定1)变址的设定(0~F)2)字(16位)地址数据的设定。
[上位字节的上位位数]→[上位字节的下位位数] →[下位字节的上位位数] →[下位字节的下位位数]注)被设定的地址指示L侧16位。
3)被设定的地址数据表示ex.) 变址=1时设定[2100H]的情况LED1的数据表[上位字节的上位位数设定]示部显示模式序号[变址的设定][上位字节的下位位数设定]接下一页[下位字节的上位位数设定]由前一页[下位字节的下位位数设定][设定地址数据的表示]a) LED1的‘DP’闪烁,而LED2的‘DP’点灯。
b) LED1和LED2的数值表示部分显示模式序号和所设定的数值c) 每1位数在数值转换时,均要插入空格显示。
显示自动地转换后模式结束。
[模式00结束](3)模式01:字节选择1)变址的设定(0~F)2) High(高)/Low(低)设定。
0:LOW(低)--LOW(低)侧字节1:LOW(低)--HIGH(高)侧字节2:HIGH(高)-LOW(低)侧字节3:HIGH(高)- HIGH(高)侧字节16位16位32位变址的设定][字数据的存取字节指定][模式01结束]1)变址的设定(0~F)2)将与变址相对应的基本地址按照顺序1位1位进行表示[变址的设定] [基本地址数据的表示]基本地址(2)=2037H的LOW(低)--HIGH(高)字节的2位情况显示自动地转换后模式结束[模式02结束]a) 正如[基本地址数据的表示]的地址数据在LED2的数值表示部分依次进行显示。
b) LED2的数值表示部在转换的时候,每1数位均要插入空格表示。
c) LED1的数值表示部亮起所选的模式序号灯,而且‘DP’在进行闪烁。
1)变址的设定(0~F)2)在基本地址上进行加法运算的偏置的设定(0~FFH)[偏置数据的上位位数]→[偏置数据的下位位数]3) [基本地址+偏置]的地址,其字节数据在LED2上进行显示。
[变址的设定] [偏置数据的上位位数的设定][偏置数据的下位位数的设定]基本地址[字节数据的静态表示]变址=1上位的DP闪烁显示偏置=10[模式03结束]如同上面那样希望表示,本地址变址=1而偏置=10的字数据的时候1)通过变址设定,选择“1”并按下[STB]键2)通过上位位数设定,选择“1”并按下[STB]键3)通过下位位数设定,选择“0”并按下[STB]键4)“1”和“A”被显示。
(6)模式04:字节数据写入1)变址的设定(0~F)2)在基本地址上进行加法运算的偏置的设定(0h~FFh)[偏置数据的上位位数]→[偏置数据的下位位数]3)在[基本地址+偏置]的地址上写入的字节数据的设定(0h~FFh)4)把所设定的字节数据写入[基本地址+偏置]的地址上。
[变址的设定][偏置数据的上位位数设定][偏置数据的下位位数设定]基本地址变址=1偏置=10接下一页如同上面那样,在希望把字节数据“A、B”写入基本地址变址=1、而偏置=10的时候1)通过变址设定,选择“1”,并按下[STB]键2)通过偏置数据上位位数设定,选择“1”,并按下[STB]键。
3)通过偏置数据下位位数设定,选择“0”,并按下[STB]键。
4)通过字节数据上位位数设定,选择“A”,并按下[STB]键。
5)通过字节数据下位位数设定,选择“B”,并按下[STB]键。
[字节数据上位位数设定] [字节数据上下位位数设定] 由前一页[写入失败的情况][写入成功的情况] [模式04结束](7)模式05:半字数据表示(动态)1)变址的设定(0~F)2)在基本地址上进行加法运算的偏置的设定(0H~FFH)[偏置数据的上位位数]→[偏置数据的下位位数]3)在LED1和LED2上显示[[基本地址+偏置]的地址的字数据。