各国食品致敏原标识管理要求
- 格式:doc
- 大小:143.00 KB
- 文档页数:4
Policy Focus政策聚焦全球七大国家及地区致敏香精香料标签要求欧盟更新香精香料过敏原。
文|孙笑笑香精香料作为化妆品成分中必不可少的组分,从天然植物提取、动物来源到化工合成,不同的香精成分在化妆品产品中体现了不同的功效和作用。
由于化妆品香精主要沉积在人体皮肤表面,所以其安全性问题常常集中在香精可能引起的变应性接触性皮炎、皮肤刺激性皮炎、光毒性和光敏感性。
同时,全球各国对于化妆品香精香料的使用标准都有相应的规定,本文梳理了七大地区对于化妆品标签中香精香料标识的具体要求,为化妆品出口不同地区提供参考信息。
中国我国在儿童化妆品领域明确提出,香精香料是重点“检测对象”。
2022年4月,中国食品药品检定研究院发布的关于公开征求《儿童化妆品技术指导原则(征求意见稿)》,其中要求对含有26种致敏性组分的香精或者香料,应当进行充分安全评估。
如果使用含有这26种过敏原的香精或香料必须进行全面的安全评估;除了要有香精中的具体香料组分等明确信息,还应当提交香精原料生产商出具的关于该香精所含全部香料组分种类及含量的资料,并对每种香料组分进行安全评估。
欧盟欧盟地区在香精香料过敏原标签规定方面有了新变化。
2022年9月15日欧盟委员会发布通知草案(G/TBT/ N/EU/924),提议根据欧盟化妆品法规(EC)第1223/2009号法规修订增加化妆品中香精过敏原的标签。
此次,欧盟要求明确不论是直接作为成分添加,还是作为某种成分当中的一个组成部分,有24种香精过敏原必须要标注在产品标签标识上,具体见下图。
欧盟要求必须标记的 EU - 24 种香精过敏原在如香皂、洗发剂、浴液等个护类产品中,浓度超过 0.01%、免洗型产品中浓度超过 0.001% 时,以上24种香精过敏原必须标注。
除以上24种香精过敏原之外,欧盟消费者安全科学委员会还扩大了香精过敏原的范围,另外确定了56种新发中国儿童化妆品应避免使用的香精香料过敏原58China Cosmetics Review现的香精过敏原。
食品致敏原标识管理一、食品致敏原标识管理1、致敏原:又称为过敏原、变态反应原、变应原,指能够诱发机体发生过敏反应的抗原物质(蛋白质)。
2、食物过敏是人们对某些食物产生的一种不良反应,在医学上属于一种变态反应。
3、食品致敏原是普通食品中正常存在的天然或人工添加物质,被过敏体质人群消耗后能够诱发过敏反应。
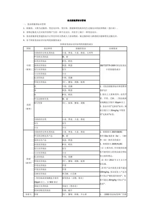
4、各个国家食品标识应标明的致敏原成分5、预防食物过敏的途径1)正确的食品标签:对于过敏体质的人群,预包装食品标签上正确、清楚地标识出致敏原成分,是防止他们发生食物过敏反应甚至危及生命最有效的措施。
2)国外多国已发布多项法规对致敏原标识作出规定。
3)我国已实施的标准:GB/T23779-2009预包装食品中的致敏原成分;即将实施的《预包装食品中致敏原成分的标签要求》。
二、食品致敏原对消费者的健康危害1)婴幼儿患者:在5 -6岁时大约80%对牛乳、鸡蛋、花生、小麦、大豆产生过敏反应,大约20%对鱼、甲壳类动物的过敏会消除、其余的往往是终生过敏。
2)成年人:食物过敏的发病率成快速上升的趋势。
3)食品过敏的临床表现:麻疹、疱疹样皮炎、口腔过敏综合征、肠病综合征、哮喘及过敏性鼻炎、严重时可导致过敏性休克,危及生命。
4)食物过敏至今无特效疗法。
5)致敏原引发过敏反应的最低量无定论。
6)极微量致敏原即可造成造成严重后果。
7)目前预防是防止食物过敏唯一的途径—严防有过敏体质的人接触致敏原。
三、我国出口食品因致敏原被预警召回情况(摘选)四、致敏原管理1、食品致敏原管理包括:生产商、监管机构、检测机构、消费者。
2、“可能存在”及预防措施:1)需考虑对无法控制的、偶然发生的、潜在的危害所采取的最后补救措施;2)如果上述情况存在,则可以使用“可能存在”这样的描述;3、已确定三项致敏原管理原则:1)控制及培训:生产企业内部必须建立行之有效的致敏原成分;2)原料标识成分:必须准确地反映出食品听致敏成分;3)警示标签和警示性说明:需在包装上向过敏体质消费者提供相关信息。
国外食品过敏原标签管理介绍(下)1、澳新(1)食品过敏原强制性标识要求澳新食品标准法典Standard1.2.3及Schedule9中规定13种强制标识的过敏原(除豁免外):a)含有麸质的谷类(黑麦、大麦、燕麦及其杂交品种);b)小麦及其杂交品种(无论是否含有麸质);c)树生坚果(杏仁、巴西坚果、腰果、榛子、澳洲坚果、胡桃、松子、开心果、核桃);d)甲壳类;e)贝类;f)蛋类;g)鱼类;h)花生;i)大豆;j)黑芝麻;k)乳;l)羽扇豆;m)浓度大于等于10mg/kg 的亚硫酸盐。
2021年2月24日,澳新修订食品过敏原标签标示要求,规定除了在配料表中按照强制性指定术语标识过敏原外,还需在配料表的临近位置标示汇总性过敏原声明。
该规定有3年的过渡期,在这段过渡期内,食品企业可以遵守《食品标准法典》中现有的过敏原标签要求,也可以遵守新要求。
过渡期结束后,将有2年的库存期。
任何在过渡期结束前已包装和贴标的食品,可在过渡期结束后的两年内出售。
具体的修订的背景和修订内容请参考之前的原创文章《澳新修订食品过敏原强制标签要求》。
(2)“交叉接触”导致存在的过敏原标识要求在澳新,由于交叉接触产生的过敏原不属于澳新食品标准法典中强制性标签的要求,但生产商不能免除向其消费者传达其可能的过敏原存在的责任,生产商可以使用预防性过敏原标签(PAL)自愿声明这些过敏原。
澳大利亚食品与杂货理事会(AFGC)和过敏原局发布《食品行业过敏原管理和标签指南(2021版)》和《自愿附带微量过敏原标签》(简称VITAL),要求制造商在经过强有力的基于VITAL 风险评估过程后才能应用PAL,并以清晰、准确和一致的方式进行描述。
推荐的最佳标签格式为:(a)强制性过敏原成分声明;(b)强制性汇总性过敏原声明;(c)自愿预防性过敏原标签声明(在进行VITAL风险评估后,PAL 建议使用“可能存在:过敏原x,过敏原y”的格式)。
举例:最佳标签格式2、加拿大1)食品过敏原强制性标识要求《加拿大食品药品条例》B.01.010.1中规定13种强制标识的过敏原(除豁免外):(a)杏仁、巴西坚果、腰果、榛子、澳洲坚果、山核桃、松子、开心果或核桃;(b)花生;(c)芝麻;(d)小麦或黑小麦;(e)鸡蛋;(f)乳;(g)大豆;(h)甲壳类;(i)软体动物类;(j)鱼类;(k)芥菜籽;2)含麸质的谷物:大麦、燕麦、黑麦、小黑麦、小麦;浓度大于等于10ppm的亚硫酸盐。
【峰回路转】说说主要进口国家地区对过敏原标识的要求上次发布了《出口罐头标签审核应知常识》,其中很重要的一个环节是介绍各国(地区)关于过敏原的标识要求,由于内容较多,很重要,特地拿出来单列一节跟大家分享交流:6.1美国:食品过敏源应标注在成分表之后或附近,标注的大小与成分表相同;或者在成分表的相关食品过敏源处用括号标出。
例外情况除外。
美国早在2006年1月1日就已经实施《食品过敏源标签和消费者保护法案》,规定所有在美国销售的包装食品,必须符合有关食品过敏源标注要求,过敏源主要指以下8种产品:牛奶、蛋、鱼类(如鲈鱼、鲽鱼或真鳕)、甲壳贝类(蟹、龙虾或虾)、树坚果类(如杏仁、美洲山核桃或胡桃)、小麦、花生、大豆。
对于鱼类、甲壳贝类、树坚果三类食品必须标注具体的食品名称。
2009年美国实施的新法更是涵盖了约90%的致敏食物,涉及牛奶、花生、小麦、鸡蛋等易使人体过敏的全部物质,法规要求必须在食品标签上标示,否则食品将被召回。
6.2日本:日本厚生省规定小麦、荞麦、蛋、牛奶和花生为五种强制性标注的过敏源物质。
当食品含有这五种食品中的任一种,或含有由这五种物质制备的成分时,必须标注。
在对上述成分进行标注时,应指明是哪种可能的致敏源,即当食品含有规定过敏原物质制备的成分时,要标出来源。
这五种食品不论在最终食品中的含量为多少,即使是作为加工助剂或由于残留而只有痕量存在,都须以“可能含有”方式进行标注。
对这五种物质不适当的标注,都将认为是违反了食品卫生法的规定,并且可能会导致食品被召回。
另外,建议对鲍、乌贼、大马哈鱼卵、对虾、橙子、蟹、猕猴桃、牛肉、栗子、大马哈鱼、鲭鱼、大豆、鸡肉、猪肉、松蕈(蘑菇)、桃子、山药、苹果和骨胶等19种可能引发过敏反映的食品进行自愿性标注。
6.3欧盟:规定含有牛奶、蛋、鱼类(如鲈鱼、鲽鱼或真鳕)、甲壳贝类(蟹、龙虾或虾)、树坚果类(如杏仁、美洲山核桃或胡桃)、小麦、花生、大豆、芹菜、芥菜、芝麻,以及浓度超过10mg/kg的二氧化硫或亚硫酸盐过敏源成份必须标注。
英国食品要求标识的过敏原英国有严格的法规要求食品标识,特别是对于过敏原的标识。
这些法规旨在保护消费者,使其能够正确识别食品中是否含有对其过敏的成分。
以下是英国食品要求标识过敏原的主要规定:1. 明确的标识:食品包装必须清楚地标明是否包含常见的过敏原,例如麦麸、鸡蛋、牛奶、大豆、坚果、花生、鱼类和贝类等。
这可以通过在食品包装上列出过敏原成分来实现。
明确的标识:食品包装必须清楚地标明是否包含常见的过敏原,例如麦麸、鸡蛋、牛奶、大豆、坚果、花生、鱼类和贝类等。
这可以通过在食品包装上列出过敏原成分来实现。
2. 突出的提示:食品包装上的过敏原标识必须与其他食品成分明显区分开,可以使用加粗、斜体或者大小写不同来突出显示。
这样做有助于消费者快速识别过敏原成分。
突出的提示:食品包装上的过敏原标识必须与其他食品成分明显区分开,可以使用加粗、斜体或者大小写不同来突出显示。
这样做有助于消费者快速识别过敏原成分。
3. 持续监测:食品生产商需要定期检查产品配方,确保标示的过敏原成分准确无误。
如果产品配方有变化,产生新的过敏原风险,必须立即进行更新和调整。
持续监测:食品生产商需要定期检查产品配方,确保标示的过敏原成分准确无误。
如果产品配方有变化,产生新的过敏原风险,必须立即进行更新和调整。
4. 清晰的警示信息:食品包装上的过敏原标识除了明确列出过敏原成分外,还需要提供警示信息,如“含有过敏原,请注意食用。
”这样可以提醒过敏者在购买和食用时格外小心。
清晰的警示信息:食品包装上的过敏原标识除了明确列出过敏原成分外,还需要提供警示信息,如“含有过敏原,请注意食用。
”这样可以提醒过敏者在购买和食用时格外小心。
5. 完整的信息:食品包装上的过敏原标识还需要提供联系方式,以便消费者在有需要时可以向生产商咨询相关问题或获取更多信息。
完整的信息:食品包装上的过敏原标识还需要提供联系方式,以便消费者在有需要时可以向生产商咨询相关问题或获取更多信息。
世界各国食品标签法规标准汇编食品标签是食品生产企业向消费者传递产品信息的重要手段,是消费者购买食品的重要参考依据。
为保障消费者的合法权益,各国纷纷制定了食品标签法规标准,规范了食品标签的内容、格式和要求。
本文将对世界各国食品标签法规标准进行汇编,让读者对各国的食品标签规定有一个更加全面的了解。
一、美国美国的食品标签法规由美国食品药品管理局(FDA)负责管理和执行。
根据《食品、药品、化妆品和营养品法案》,美国食品标签需要包含以下信息:产品名称、生产商名称和地址、产品净含量、食品成分表、营养成分表、致敏物质标注等。
此外,对于特定类型的产品,比如含有基因改造成分的食品,还需要在标签上进行特殊标注。
二、欧盟欧盟的食品标签法规主要由欧盟食品标签法规(EU FIC)来规范,其重点是保护消费者的权益,确保消费者能够通过食品标签了解产品的成分、性质和特性。
欧洲食品标签要求包括产品名称、净含量、生产商信息、食品成分、营养成分表、使用说明和保存条件等。
此外,欧盟还对特定成分和营养成分的标签进行了详细规定。
三、中国中国的食品标签法规由国家食品药品监督管理总局(CFDA)颁布和执行。
根据《食品安全法》和《食品标签通则》,中国的食品标签需要包括产品名称、生产商名称和地址、产品净含量、生产日期、保质期、食品添加剂使用标识、生产许可证编号等。
对于特殊类型的食品,比如进口食品和有机食品,还需要进行特殊的标注和登记。
四、日本日本的食品标签法规由厚労省(厚生労働省)负责制定和执行,其要求类似于欧盟,包括产品名称、净含量、生产商信息、食品成分、营养成分表和保存条件等。
日本还对特定类型的产品,如添加了特定成分的食品和保健食品进行了详细规定,保障了消费者的权益。
五、加拿大加拿大的食品标签法规由加拿大食品检验局(CFIA)负责管理,对食品标签的要求包括产品名称、净含量、生产商信息、食品成分、营养成分表、保存条件以及特殊标注等。
加拿大还对部分特殊类型的食品,如含有特定成分的食品和农产品进行了详细规定,以确保消费者能够获得真实的产品信息。
美国2004年8月,美国通过了《食品过敏原标识和消费者保护法规》,该法规要求食品生产商用最简单的语言标示食物的构成成分,这是美国历史上第一次以立法的形式明确要求标示食品过敏成分。
该法案规定:1、8种主要致敏食物成分,必须在食品标签上用简单明确的语言标示出来牛奶、蛋、鱼类(如鲈鱼、鲽鱼或真鳕)、甲壳类动物(如蟹、龙虾或虾)、树坚果类(如杏仁、美洲山核桃或胡桃)、花生、小麦、大豆并且对于鱼类、甲壳贝类、树坚果3类食品必须标注具体的食品名称,如杏仁、山核桃;鲈鱼,鳕鱼;虾,龙虾等。
另外,该项法案同时规定,如果辣椒、香料和色素中含有任何一种过敏原,也必须标明。
2、此法规已于2006年1月1日起正式实施,要求所有在美销售并受《联邦食品、药品及化妆品法》监管的包装食品(包括国产和进口的食品,但不包括美国农业部管辖的肉制品、禽肉制品和蛋制品)必须符合本法规中有关食品过敏标注的要求。
1) 当作为主要食品过敏原的食物来源的名称没有在某种过敏原成分的配料声明中出现时,在配料表中,食物来源名称后面以括号标注主要食品过敏原的常用或通俗名称。
见左图(2)在配料表之后或相邻的地方,使用不小于配料表字体大小的字号,标注“含有”,在其后标注产生主要食品过敏原的食品来源的名称。
见右图3、美国国会规定8种或8类食物为“主要食物过敏原”。
这些食物或食物类别代表了90%的食物过敏原。
尽管有一些食物可能导致某些敏感个体的过敏反应,但是含有不属于这8种或8类“主要食物过敏原”的包装食品,其标识并不需要遵循该法规。
4、标识要求的食品为在美国国内生产的和进口的包装食品,除了肉制品、禽类制品和蛋制品外的所有食品。
5、关于“含有”的语句a.在某一食品标签上使用“含有”语句的话,该句中必须包含所有在该食品中使用的、同时又属于主要食物过敏原的食物源名称。
如“酪蛋白酸钠”、“乳清”、“天然花生香料”,那么,在紧接着“含有”陈述句的后面,或紧接着该“含有”陈述句,必须标注出所有上述三种属于主要食物过敏原的食物名称(如,“含有牛奶、蛋,花生),而且必须使用与该产品成分表相同的字体和大小来标注。
国外食品过敏原标识管理目前避免食用过敏原仍然是保护过敏人群健康的唯一有效手段,而过敏原标签是目前从源头上防止消费者与食品过敏原接触的最有效的办法。
国外一些发达国家要求对食品生产过程中的潜在过敏原进行标识,例如美国、日本以及欧盟等国家对致敏物质清单和食物过敏原标识方式管理等方面都有详细的说明。
1、国际食品法典委员会(CAC)CAC涉及食品中过敏原标识的标准主要有《预包装食品通用标签规则》《麸质不耐受人群特殊膳食标准》、《重组DNA植物食品安全评估标准》和《使用重组DNA微生物技术的食品安全评估技术准则》等。
CAC规定了9种可以引起过敏反应的食品和配料必须在配料表中标注。
CAC还特别指出经生物技术,如转基因技术(geneticallymodifiedorganism,GMO)而形成的过敏原物质,也必须予以标注;如不可能通过标签提供适当的关于过敏原存在的信息时,这类产品就不得投放市场。
2020年11月25日CAC食品卫生法典委员会(CCFH)发布了《食品经营者食品过敏原管理操作守则》,该标准涵盖了整个供应链的过敏原管理,包括初级生产、生产过程、零售和食品服务终端,补充了GHP在食品服务的制造和食品制备中的实践。
2、欧盟迄今为止,欧盟要求强制性标示的过敏物质已达到14类。
2009年欧洲共同体委员会颁布的法规《关于麸质不耐受人群可用食品的成分和标签》((EC)No41/2009)(已废止)规定麸质含量低于100mg/kg的食物,标识上标示“含微量麸质”;麸质含量低于20mg/kg的食物,才允许标示“无麸质”;采用麦类为原料婴幼儿食品一律不能标识为非常低麸质食品或无麸质食品。
另外,欧盟委员会在规定标识方式时区分了配料和意外混入的过敏原的标示方法。
对于作为食物成分有意加入的过敏原,在配料表后必须清晰标明过敏原种类及名称;对于意外混入的过敏原,各成员国自行规定,无统一标识。
欧盟委员会于2011年11月22日颁布(2015年12月11重新修订)的(EU)No1169/2011《新食物标识法》是目前为止最为完善的食物标识法规之一,该法规整合了之前颁布的2000/13/EC指令和90/496/EEC指令,在食物标识管理方面着重修订多达十二处,其针对食物过敏原标识管理进行了两处修订:其一,对于预包装食物,食物过敏原不但要在《配料表》中标注,还要通过诸如字体字号、背景颜色等方式来突出显示以明确区分于其他配料成分;其二,对于散装食物、直接售卖或预定的食物,过敏原信息也应强制性标示。
过敏原标识规定近期,美国、加拿大、澳大利亚等国频频召回未标注过敏原的食品,我国食品出口企业需对此高度关注。
受召回食品中未被标注的过敏原主要包括花生、牛奶、亚硫酸盐、小麦等。
各国对于过敏原的标识规定不尽相同,下文分别就欧盟、美国、日本、加拿大、澳大利亚、韩国的过敏原标识规定进行陈述。
1.欧盟欧盟2003/89/EC指令中食品过敏原包括:含有麸子的谷物及其制品(例如:小麦、黑麦、大麦、燕麦、斯佩尔特小麦、kamut或其杂交品种);甲壳纲(动物)及其制品;鸡蛋及其制品;鱼及其制品;花生及其制品;大豆及其制品;牛奶及其制品(包括软糖);坚果及其制品(例如:杏仁、榛子、胡桃、腰果、美洲山核桃、巴西坚果、阿月浑子果、澳大利亚坚果和昆士兰坚果);芹菜及其制品;芥末及其制品;芝麻及其制品;二氧化硫和浓度大于每公斤10克的亚硫酸盐。
在欧盟市场上出售的转基因产品,包括食品和饲料,如果其转基因成分的含量超过0.9%,就必须贴上标签,注明产地、成分及销售情况,并且这些信息至少要保留5年时间。
2.美国美国《2004年食品过敏源标识和消费者保护法规》中食品过敏原包括:牛奶、蛋、鱼类(如鲈鱼、鲽鱼或真鳕)、甲壳贝类(蟹、龙虾或虾)、树坚果类(如杏仁、美洲山核桃或胡桃)、小麦、花生、大豆。
该法规规定:对于鱼类、甲壳贝类、树坚果三类食品必须标注具体的食品名称。
食品过敏源应标注在成分表之后或附近,标注的大小与成分表相同;或者在成分表的相关食品过敏源处用括号标出。
例外情况除外。
如果违反《法规》要求,对于公司和其管理者将受到民事制裁或刑事处罚,或两者并罚。
对于不符合要求的产品将进行扣留。
对于含有未声明过敏原的产品,美国FDA可能会要求产品召回。
3.日本日本对食品标签的要求非常严格,明确提出对于导致食物过敏的成分必须明示。
日本在修订后的《食品卫生法》中规定了对鸡蛋、牛奶、小麦、荞麦、花生等五种食物为原料的加工食品和添加物,必须在容器和包装上注明所含的过敏性物质,推荐过敏物质20种,这包括:鲍鱼、鱿鱼、鲑鱼卵、虾、柑桔、蟹、猕猴桃、牛肉、核桃、鲑鱼、鲛鱼、大豆、鸡肉、猪肉、松菇、桃子、山药、苹果、胶冻、香蕉。
致敏原及其标识的国内外法规现状我国食品中或多或少存在各种食品致敏原标识方面的问题或隐患,并且部分食品类别已经遭遇到了严重影响,比如日前的“浓汤宝”致敏原“可能含有”事件,因此致敏原标识问题亟需引起消费者的重视。
为了方便大家更详细的了解有关食品致敏原的相关规定,食品伙伴网将我国及国际上已颁布和实施的食品致敏原标识管理法规整理汇总,以供大家参考。
我国食品安全国家标准GB 7718-2011 预包装食品标签通则针对致敏物质作出如下规定:以下食品及其制品可能导致过敏反应,如果用作配料,宜在配料表中使用易辨识的名称,或在配料表邻近位置加以提示:a)含有麸质的谷物及其制品(如小麦、黑麦、大麦、燕麦、斯佩耳特小麦或它们的杂交品系);b)甲壳纲类动物及其制品(如虾、龙虾、蟹等);c)鱼类及其制品;d)蛋类及其制品;e)花生及其制品;f)大豆及其制品;g)乳及乳制品(包括乳糖);h)坚果及其果仁类制品。
如加工过程中可能带入上述食品或其制品,宜在配料表临近位置加以提示。
国际食品法典委员会(CAC)于1985年制定的预包装食品标签通用标准(CODEX STAN 1-1985)4.2.1.4节中规定:以下食品或配料中含有已知的可能导致过敏的成分必须做出声明:含有麸质的谷物;甲壳纲动物及其产品;蛋类;鱼类;花生、大豆及其产品;乳及乳制品(包括乳糖);树坚果及坚果产品;浓度大于等于10 mg/kg的亚硫酸盐。
4.2.2节中规定,任何食品或食品配料通过生物技术手段从含上述致敏原成分的产品中得到了致敏原成分,对于这些致敏原成分也应做出声明。
如果含有致敏原成分的食品标签上没有提供足够的关于致敏原存在的信息,该食品将不能在市场上销售。
美国2004年颁布的食品致敏原标识及消费者保护法案(Food Allergen Labeling and Consumer Protection Act of 2004) (Public Law 108-282, Title II)SEC. 203章节中规定:“包含”一词需紧邻产生主要致敏原成分的食品来源名称,用字号不小于配料表中食品配料的字号紧邻食品成分表之后印刷,并用“()”说明致敏原成分的主要来源。
国外食品标签要求
每个国家和地区对食品标签的要求都有所不同,以下是部分国外食品标签的要求:
- 美国:主要参照《联邦食品、药品和化妆品法》(FFDCA)和《完好包装和标记法》,要求绝大多数食品必须具有营养成分标签,并要求所张贴的食品标签必须含有营养素含量说明,以及一些健康信息以符合具体要求。
近年来,由于食品过敏事件的频发,对食品过敏原标签的要求也越发重要,美国因而出台了《食品过敏原标识和消费者保护法规》。
- 欧盟:欧盟委员会有一份立法和指南清单,要求在欧盟销售食品或饮料的公司“提供基本信息,以便最终消费者能够就购买做出明智的决定”。
详细要求包含在《2011年10月25日欧洲议会和理事会关于向消费者提供食品信息的第1169/2011号条例(EU)》和《欧盟食品标签立法指南》中。
- 英国:英国的食品企业必须遵守2014年食品信息条例和《第1169/2011号条例(EU)》,以提供有关其生产、销售和服务的食品标签的信息。
- 澳大利亚/新西兰:澳大利亚新西兰食品标准局(FSANZ)是澳大利亚政府卫生部门的法定机构,在澳大利亚各州和领地以及新西兰执行的《食品标准法典》(Food Standards Code)中制定了食品标签标准。
公司可以在FSANZ网站上找到有关一系列标签主题的更多信息。
食品标签对于保障消费者的知情权和选择权至关重要。
如果你需要了解更多关于食品标签的信息,可以继续向我提问。
二、食品过敏原对消费者的健康危害过敏源管理食物过敏是食物引起对机体对免疫系统的异常反应。
主要是因为人体对某些外来食物成分的反应过火或对某些蛋白质以及某些食物成分缺乏消化能力。
常见的食物过敏,与免疫球蛋白E有关;而致敏物即为某些蛋白。
食物过敏目前是不可治愈,只能避免。
引起过敏的最常见及较严重的食物有:花生、树坚果、鸡蛋、牛奶、海鲜、豆制品……大约20%的人群投诉过食物过敏,成年人的发生率大概在1-2%,婴蛋类及其制品:蛋清,蛋黄,卵蛋白质,卵白蛋白,溶菌酶,卵粘蛋白,蛋磷脂(树)坚果类及其制品:杏仁,榛子,胡桃,腰果,山核桃,巴西坚果,阿月浑子坚果,澳大利亚坚果,及昆士兰坚果,坚果油乳及乳制品(包括乳糖):脱脂乳,奶油,乳脂肪,酪乳,干酪素,酪蛋白酸盐,乳清,凝乳,干酪,稀奶油,酸奶,乳白蛋白,乳糖芝麻籽及其制品:芝麻籽,芝麻油,芝麻酱芥末及其制品:芥菜籽,芥末油,芥末浸提树脂油,芥末粉羽扇豆及其制品:羽扇豆粉,羽扇豆籽软体动物及其制品:蛤,扇贝,牡蛎,蚌类,章鱼,蜗牛等作为一个消费者怎样预防过敏?避免食用引起过敏的食物,如对牛奶过敏,不食用牛奶、乳酪、干酪、冰激凌、牛奶巧克力…;仔细阅读产品的配方表;不确定时,联系生食物过敏是一个严重的食品安全问题。
食品加工商有责任控制致敏物,并提供正确的信息。
管理原则根本目标:避免有过敏体质的消费者,在选用产品时发生过敏发应。
管理手段:应用GMP和HACCP分析避免交叉污染。
产品的主要致敏物必须在标签中标示出来。
控制--从原料的采购开始:供应商评估、主要致敏物声明(MAD)、建立原料标准并在标准中注明。
原料的存放和处理避免交叉污染。
存放时有恰当的标签,含致敏的产品应放在可清洁且有明显标识的容器中。
标签和包装:宗旨:确保产品与标签一致。
标签标识政策,所有原材料正确的标签标识也同等重要。
所有主要致敏物必须在标签中表示出来。
如果因为生产交叉接触引起的脚在标签中标注:可能含有微量花生、鸡蛋。
日本标签标识对过敏原的要求日本标签标识对过敏原的要求较为严格,一般需要在产品标签上标明可能会产生过敏反应的成分。
在日本,根据食品安全法,对食品中添加的调味品、保藏剂、香料、色素等需要进行标识。
如果这些成分可能会产生过敏反应,则需要在产品标签上进行特别标注。
日本标签标识过敏原的具体要求如下:1.食品中添加的调味品、保藏剂、香料、色素等成分,如果可能会产生过敏反应,则必须在产品标签上进行标识。
2.过敏原标识的位置应当明显,不得被遮挡。
3.过敏原标识的字体应当较大,方便消费者辨认。
4.对于可能引起过敏反应的成分,应当标明其具体名称。
5.对于以下情况,需要在产品标签上进行特别标注:•可能会产生过敏反应的成分被用作食品添加剂;•食品中含有可能会产生过敏反应的成分的残留;•食品中含有可能会产生过敏反应的成分的转化产物;•食品中含有可能会产生过敏反应的成生的混合物。
日本法律规定,若食品中添加了以下成分,则需要进行标识:•大豆、豆腐、豆浆等大豆制品;•蛋白质、蛋白质分解物;•谷物(小麦、大麦、燕麦、黑麦、黑麦粉、小麦粉、小麦胚芽、小麦面粉);•豆腐、豆腐乳、豆腐皮;•蟹、虾、蟹肉、虾肉;•肉类、肉汁、肉类制品;•猪肉、猪油;•鸡肉、鸡油;•牛肉、牛油;•鱼类、鱼油、鱼粉;•贝类、贝油、贝粉;•蟹油;•鸡蛋、鸡蛋清、鸡蛋黄;•牛奶、乳制品;•奶油、奶油制品;•蜂蜜;•芝麻、芝麻油;•花生、花生油;•树莓、草莓、草莓汁、草莓制品;•柠檬、柠檬汁、柠檬制品;•橘子、橘子汁、橘子制品;•樱桃、樱桃汁、樱桃制品;•无花果、无花果汁、无花果制品;•苹果、苹果汁、苹果制品;•。
食品过敏原标识管理
一、食品过敏原标识管理
1、过敏原:又称为致敏原、变态反应原、变应原,指能够诱发机体发生过敏反应的抗原物质(蛋白质)。
2、食物过敏是人们对某些食物产生的一种不良反应,在医学上属于一种变态反应。
3、食品过敏原是普通食品中正常存在的天然或人工添加物质,被过敏体质人群消耗后能够诱发过敏反应。
4、各个国家食品标识应标明的过敏原成分
5
1)正确的食品标签:对于过敏体质的人群,预包装食品标签上正确、清楚地标识出过敏原成分,是防止他们发生食物过敏反应甚至危及生命最有效的措施。
2)国外多国已发布多项法规对过敏原标识作出规定。
3)我国已实施的标准:GB/T23779-2009预包装食品中的过敏原成分;即将实施的《预包装食品中过敏原成分的标签要求》。
1)婴幼儿患者:在5 -6岁时大约80%对牛乳、鸡蛋、花生、小麦、大豆产生过敏反应,大约20%对鱼、甲壳类动物的过敏会消除、其余的往往是终生过敏。
2)成年人:食物过敏的发病率成快速上升的趋势。
3)食品过敏的临床表现:麻疹、疱疹样皮炎、口腔过敏综合征、肠病综合征、哮喘及过敏性鼻炎、严重时可导致过敏性休克,危及生命。
4)食物过敏至今无特效疗法。
5)过敏原引发过敏反应的最低量无定论。
6)极微量过敏原即可造成造成严重后果。
7)目前预防是防止食物过敏唯一的途径—严防有过敏体质的人接触过敏原。
三、我国出口食品因过敏原被预警召回情况(摘选)
四、过敏原管理
1、食品过敏原管理包括:生产商、监管机构、检测机构、消费者。
2、“可能存在”及预防措施:
1)需考虑对无法控制的、偶然发生的、潜在的危害所采取的最后补救措施;
2)如果上述情况存在,则可以使用“可能存在”这样的描述;
3、已确定三项过敏原管理原则:
1)控制及培训:生产企业内部必须建立行之有效的过敏原成分;
2)原料标识成分:必须准确地反映出食品听过敏成分;
3)警示标签和警示性说明:需在包装上向过敏体质消费者提供相关信息。
4、过敏原控制:
1)有意添加及潜在交叉污染的控制:导致交叉污染的原因
a收购原料前后的交叉接触;b错误的配方;c交叉接触;d存储条件差;e共享生产设备;f原料粉尘的污染;g与反工材料一起进行加工;h人为过失。
2)风险识别:a确认存在过敏原的原料;b确定各个加工环节可能存在的过敏原;c明确存在交叉污染的环节;d明确标签问题。
3)确定12个关键环节:
A审核供应商;b原料验收;c确定消费群;d环境卫生;eHACCP计划;f企业员工安全意识;g反工环节;
h重新配方;i产品研发;j标识;k工程及维护;l措施计划。
五、过敏原的阀值
1、食物中即使含有很微量的过敏原也可以引发消费者的过敏反应。
2、低于10mg/kg的水平可能会低于过敏反应的阀值。
3、仍需严格确定精准的过敏反应阀值。
4、最低可见有害作用水平(LOAEL):
已公布的食品过敏原LOAEL值(蛋白水平)。