劳务队月度考核表
- 格式:doc
- 大小:43.00 KB
- 文档页数:2
分包劳务队伍考核表格一、背景介绍分包劳务队伍是企业在工程项目中雇用的外包劳务人员的总称。
为了确保分包劳务队伍的质量和表现,以及对他们的工作进行定期评估和考核是必要的。
二、考核目的分包劳务队伍考核的目的是评估他们的工作表现,发现存在的问题,并采取措施加以改进。
通过考核,可以促使分包劳务队伍不断提高工作质量和效率,提升整体工程项目的质量和效果。
三、考核内容考核内容应包括但不限于以下几个方面:1. 安全工作评估分包劳务队伍对安全工作的重视程度,是否遵守安全操作规程,是否能有效应对紧急情况等。
2. 工作质量评估分包劳务队伍的工作质量,包括是否按时完成任务、是否符合工程项目的要求、是否达到预期效果等。
3. 团队合作评估分包劳务队伍的团队合作能力,包括是否积极配合其他劳务人员、是否有效沟通协调、是否能够共同解决问题等。
4. 专业知识与技能评估分包劳务队伍的专业知识和技能水平,包括是否具备所需的技术能力、是否持续研究和提升自己的技能等。
四、考核方式考核方式可以根据实际情况进行选择,常见的有以下几种方式:1. 实地考察:通过对分包劳务队伍在工作现场的观察和检查,评估他们的工作表现和遵守规章制度的情况。
2. 面谈评估:与分包劳务队伍进行面对面的交流和访谈,了解他们的工作思路、问题和建议,进一步评估他们的表现和意见反馈。
3. 绩效评估:通过对分包劳务队伍的工作成果进行评估,定量评价他们的工作表现和贡献。
五、考核结果及后续处理根据考核结果,可以将分包劳务队伍划分为不同的等级,如优秀、合格或需要改进。
根据不同等级的考核结果,可以采取相应的奖励或改进措施,以激励优秀表现的劳务队伍,或帮助需要改进的劳务队伍提升工作能力和技能水平。
六、结论分包劳务队伍考核表格是对劳务队伍工作进行评估和改进的重要工具。
通过制定明确的考核内容和方式,可以有效提高分包劳务队伍的整体素质,保证工程项目的顺利进行。
需要注意的是,考核过程应公平、公正、客观,并及时对考核结果进行处理和反馈,以达到持续改进的目标。
劳务分包单位月度安全文明施工达标考核评分表
单位名称: 考核日期:2023年 月 日 被考核单位/班组:
劳务分包单位月度安全文明施工达标考核评分表
单位名称: 考核日期:2023年 月 日 被考核单位/班组:
劳务分包单位月度安全文明施工达标考核评分表
单位名称: 考核日期:2023年 月 日 被考核单位/班组:
劳务分包单位月度安全文明施工达标考核评分表
单位名称: 考核日期:2023年 月 日 被考核单位/班组:
劳务分包单位月度安全文明施工达标考核评分表
单位名称: 考核日期:2023年 月 日 被考核单位/班组:
劳务分包单位月度安全文明施工达标考核评分表
单位名称: 考核日期:2023年 月 日 被考核单位/班组:
劳务分包单位月度安全文明施工达标考核评分表
单位名称: 考核日期:2023年 月 日 被考核单位/班组:
劳务分包单位月度安全文明施工达标考核评分表
单位名称: 考核日期:2023年 月 日 被考核单位/班组:
劳务分包单位月度安全文明施工达标考核评分表
单位名称: 考核日期:2023年 月 日 被考核单位/班组:
劳务分包单位月度安全文明施工达标考核评分表
单位名称: 考核日期:2023年 月 日 被考核单位/班组:
劳务分包单位月度安全文明施工达标考核评分表
单位名称: 考核日期:2023年 月 日 被考核单位/班组:
劳务分包单位月度安全文明施工达标考核评分表
单位名称: 考核日期:2023年 月 日 被考核单位/班组:。
项目名称:劳务分包方名称:分包方履约考评表(2)----分包方工期情况考核分包方履约考评表(3)----总包指令报告情况考核分包方履约考评表(4)----环境管理考核分包方履约考评表(5)----安全生产、文明施工考评表考评时间:年月日项目在用分包方考核汇总记录(年月日——年月日)分包方名称分部分项工程名称考评结果质量管理进度管理安全环境管理合作综合优合格不合格优合格不合格优合格不合格优合格不合格优合格不合格填报出师表两汉:诸葛亮先帝创业未半而中道崩殂,今天下三分,益州疲弊,此诚危急存亡之秋也。
然侍卫之臣不懈于内,忠志之士忘身于外者,盖追先帝之殊遇,欲报之于陛下也。
诚宜开张圣听,以光先帝遗德,恢弘志士之气,不宜妄自菲薄,引喻失义,以塞忠谏之路也。
宫中府中,俱为一体;陟罚臧否,不宜异同。
若有作奸犯科及为忠善者,宜付有司论其刑赏,以昭陛下平明之理;不宜偏私,使内外异法也。
侍中、侍郎郭攸之、费祎、董允等,此皆良实,志虑忠纯,是以先帝简拔以遗陛下:愚以为宫中之事,事无大小,悉以咨之,然后施行,必能裨补阙漏,有所广益。
将军向宠,性行淑均,晓畅军事,试用于昔日,先帝称之曰“能”,是以众议举宠为督:愚以为营中之事,悉以咨之,必能使行阵和睦,优劣得所。
亲贤臣,远小人,此先汉所以兴隆也;亲小人,远贤臣,此后汉所以倾颓也。
先帝在时,每与臣论此事,未尝不叹息痛恨于桓、灵也。
侍中、尚书、长史、参军,此悉贞良死节之臣,愿陛下亲之、信之,则汉室之隆,可计日而待也。
臣本布衣,躬耕于南阳,苟全性命于乱世,不求闻达于诸侯。
先帝不以臣卑鄙,猥自枉屈,三顾臣于草庐之中,咨臣以当世之事,由是感激,遂许先帝以驱驰。
后值倾覆,受任于败军之际,奉命于危难之间,尔来二十有一年矣。
先帝知臣谨慎,故临崩寄臣以大事也。
受命以来,夙夜忧叹,恐托付不效,以伤先帝之明;故五月渡泸,深入不毛。
今南方已定,兵甲已足,当奖率三军,北定中原,庶竭驽钝,攘除奸凶,兴复汉室,还于旧都。
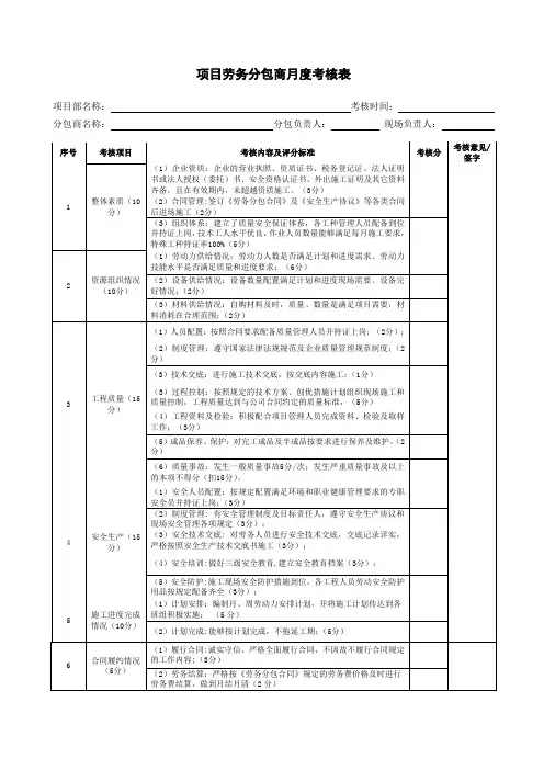
项目名称:劳务分包商:
序号考核项目考核内容
评分
1 安全人员配置
(30分)是否按合同约定配置足额安全员; 10分安全员是否持证上岗;10分
安全员是否配合我司安全人员的管理。
10分
2 安全培训
(15分)进场人员是否接受安全交底,交底记录是否详实;
5分安全交底是否逐级传达,并落实;
5分班前活动是否进行,效果如何;5分
3 令行禁止
(35分)对项目下达的整改通知是否认真整改;
15分违章罚款是否缴纳;10分
习惯性违章率;10分
4 安全投入
(20分)承包范围内的安全投入是否及时;10分安全投入是否足额到位;
10分最终评分
考核结果:优();良();合格();基本合格();差()考核奖罚、整改要求及措施:
项目生产经理意见:
项目经理意见:中建三局
一公司劳务分包安全管理月度考核表
XG-LC-037-01 附表2/6。