TBT 3192-2008和JTG_TF50-2011压浆技术条件对比
- 格式:xls
- 大小:30.50 KB
- 文档页数:1
公路桥涵施工技术规范JTGTF50-2011-1一、概述公路桥涵施工的基本原则和要求公路桥涵施工的主要工程类型和特点公路桥涵施工的主要工艺方法和技术措施公路桥涵施工的质量标准和检验方法公路桥涵施工的安全防护和环境保护公路桥涵施工的监理和验收二、公路桥涵施工的基本原则和要求以人为本,保障人身安全和健康以质量为核心,确保工程质量和使用寿命以效益为目标,优化资源配置和成本控制以创新为动力,推进技术进步和管理改进以协调为基础,促进各方沟通和合作以法律为依据,遵守法律法规和行业规范施工前应进行充分的勘察、设计、审查和准备工作,制定合理的施工方案和组织计划,明确各项任务和责任,做好人员、设备、材料、资金等方面的保障。
施工过程中应按照设计图纸和技术规范进行操作,控制各项质量指标,采取有效的技术措施,防止或减少不良影响和风险,及时处理问题和变更,记录并报告施工情况。
施工后应进行严格的检测、评定和验收,对不合格或缺陷部分进行整改或修复,对完成的工程进行归档和移交,对施工过程中的经验教训进行总结和反馈。
三、公路桥涵施工的主要工程类型和特点桩基础:指在地下形成承受荷载的柱状结构物,用于支撑上部结构或改善地基承载力的基础。
常见的桩基础有钻孔灌注桩、预制混凝土桩、钢管桩等。
桥墩:指连接上部结构与下部结构,并承受上部结构荷载的竖向结构物。
常见的桥墩有矩形墩、圆形墩、空心墩、框架墩等。
桥台:指位于桥梁两端,连接上部结构与路基,并承受上部结构荷载和水平推力的结构物。
常见的桥台有重力式桥台、柱式桥台、框架式桥台等。
上部结构:指位于桥梁上方,承受车辆和行人荷载,并传递给下部结构的结构物。
常见的上部结构有梁式结构、拱式结构、索式结构等。
涵洞:指在路基下方或侧方,穿越水流或其他障碍物的通道。
常见的涵洞有圆形涵洞、矩形涵洞、拱形涵洞等。
公路桥涵施工的特点主要有:工程量大,施工周期长,施工难度高,技术要求严格,质量影响因素多,安全风险大。
YMS-1砂浆压力泌水仪使用说明书
砂浆压力泌水率试验仪符合《JTG/T F50-2011公路桥涵施工技术规范》;《TBT3192-2008铁路后张预应力混凝土梁管道压浆技术条件》;
好仪器,好资料,尽在沧州建仪(),欢迎查询。
一、仪器设备:
1、一个包含2块压力表的CO2气瓶,外测压力表最小分度值不应大于0.02MPa,级别为1.5级,泌水部分有0.08的丝网3层。
2、压力泌水容器为内径50mm,容积400ml圆柱型不锈钢压力容器,需要进行压力实验,在0.8MPa压力下不会破裂。
3、自用配套仪器:10ml的量筒,分度值为0.2ml,一套包括CO2气体装置但必须有减压阀。
参数:仪器内部直径:50mm;试筒高度:200mm;储水室:20mm;泌水口直径:10mm;滤网直径:0.08mm;耐压强度:大于0.8Mpa;
二、试验方法:
1、查看顶盖与底座内是否有密封圈并拧紧各螺丝后检查容器是否漏气。
2、将搅拌均匀的浆液在自加水开始的7min内倒入容积为400mL的压力容器过滤漏斗中,倒入的浆液体积为200mL。
安装并旋紧上端盖,静置0min,上端连接压缩空气,开启压缩空气阀,迅速加压至试验压力。
保持试验压力5min后,关闭压缩空气阀卸压,使漏斗下部泌水管中的泌水全部流出,记录泌水体积,精确至0.2mL。
压力泌水率按下式计算:
压力泌水率=泌水量/200ml*100%。
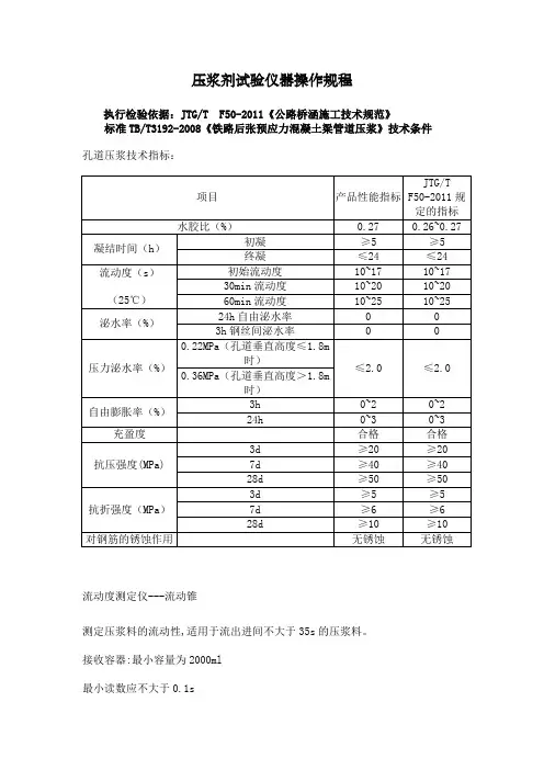
压浆剂试验仪器操作规程执行检验依据:JTG/T F50-2011《公路桥涵施工技术规范》标准TB/T3192-2008《铁路后张预应力混凝土梁管道压浆》技术条件孔道压浆技术指标:流动度测定仪---流动锥测定压浆料的流动性,适用于流出进间不大于35s的压浆料。
接收容器:最小容量为2000ml最小读数应不大于0.1s38m m178mm(内径)76m m192m m流动锥的校准;1725±5mL 水流出的时间为;8±0.2s流动锥几何尺寸:上口径178mm,下口径13mm,装料容积;1725±5mL一、压浆剂压力泌水试验气瓶,外测压力表最小分度值不应大于0.02 MPa,1.一个包含2块压力表的CO2级别为1.5级。
2.压力泌水容器为圆柱型不锈钢压力容器,需要进行压力实验,在0.8 MPa压力下不会破裂。
其尺寸如图D.1所示。
图D.1 压力泌水容器示意图3.10mL的量筒。
试验程序1. 根据5.2.1的要求搅拌制备浆体。
2. 将搅拌好的浆体在自加水开始的7 min内倒入容积为400 mL的圆形过滤漏斗中,倒入的浆体体积为200 mL。
二、压浆剂充盈度试验1.试验仪器充盈度试验仪器如图E.1所示,内径为40mm的透明有机玻璃管,两端的直管夹角为120°,每部分长度为0.5m,两部分通过粘结剂密封粘结。
将有机玻璃管固定在固定架上。
2.充盈度试验仪试验方法按规定的方法拌制好浆体后,静置1min,通过流动锥将浆体灌入固定在固定架上的充盈度管中。
充完浆体后,用塑料薄膜封闭圆管的两端。
在20℃±3℃的条件下放置7d,观察管内部是否有直径大于3mm的气囊,或者是否存在水囊或水蒸气,在管道的两端是否有泡沫层。
图E.1 充盈度管充盈度试验仪充盈度判定:如果存在厚度超过1mm的泡沫层,或者存在直径大于3mm的气囊,或者存在体积大于1mL的水,则判定充盈度指标不合格。
三、压浆剂浆液自由泌水率和自由膨胀率试验仪执行检验依据:JTG/TF50-2011《公路桥涵施工技术规范》)标准TB/T3192-2008《铁路后张预应力混凝土梁管道压浆技术条件试验容器如图F3.1,用有机玻璃制成,带有密封盖,高120mm,置放于水平1.最初填灌的水泥浆面;2.水面;3.膨胀后的水泥浆面。
压浆剂试验仪器操作规程执行检验依据:JTG/T F50-2011《公路桥涵施工技术规范》标准TB/T3192-2008《铁路后张预应力混凝土梁管道压浆》技术条件孔道压浆技术指标:流动度测定仪---流动锥测定压浆料的流动性,适用于流出进间不大于35s的压浆料。
接收容器:最小容量为2000ml最小读数应不大于0.1s流动锥的校准;1725±5mL 水流出的时间为;8±0.2s流动锥几何尺寸:上口径178mm,下口径13mm,装料容积;1725±5mL一、压浆剂压力泌水试验1.一个包含2块压力表的CO 2气瓶,外测压力表最小分度值不应大于0.02 MPa ,级别为1.5级。
2.压力泌水容器为圆柱型不锈钢压力容器,需要进行压力实验,在0.8 MPa 压力下不会破裂。
其尺寸如图D.1所示。
38m m178mm(内径)76m m192m m图D.1 压力泌水容器示意图3.10mL的量筒。
试验程序1. 根据5.2.1的要求搅拌制备浆体。
2. 将搅拌好的浆体在自加水开始的7 min内倒入容积为400 mL的圆形过滤漏斗中,倒入的浆体体积为200 mL。
二、压浆剂充盈度试验1.试验仪器充盈度试验仪器如图E.1所示,内径为40mm的透明有机玻璃管,两端的直管夹角为120°,每部分长度为0.5m,两部分通过粘结剂密封粘结。
将有机玻璃管固定在固定架上。
2.充盈度试验仪试验方法按规定的方法拌制好浆体后,静置1min,通过流动锥将浆体灌入固定在固定架上的充盈度管中。
充完浆体后,用塑料薄膜封闭圆管的两端。
在20℃±3℃的条件下放置7d,观察管内部是否有直径大于3mm的气囊,或者是否存在水囊或水蒸气,在管道的两端是否有泡沫层。
图E.1 充盈度管充盈度试验仪充盈度判定:如果存在厚度超过1mm的泡沫层,或者存在直径大于3mm的气囊,或者存在体积大于1mL的水,则判定充盈度指标不合格。
《公路桥涵施工技术规范JTG/T F50-2011》对aaaa桥梁施工的影响根据工程现状及实际情况,新的桥规(公路桥涵施工技术规范JTG/TF50-2011)8月1日执行,因南水北调信息闭塞(行业原因) 新桥规知道较晚(9月20日).立即购书(公路桥涵施工技术规范JTG/TF50-2011)迅速组织,有关人员学习新桥规的条款要求和老规范区别,分析新桥规的执行,影响工程的原因:一:新老桥规的区别:要求更严,标准更高.1要求更严,标准更高2要求更细,手段更多3涉及面宽,内容更多如(1): 3.2.1修订新增工前“编制施工测量方案”的要求(2): 4.1.3修订新增“钢筋每增加40t或不足40t的余数,应增加一个拉伸和弯曲试验等(3) 4.4.3.3 明确钢筋保护层垫块布设的数量不少于3个的规定(4)6.4.4 粗集料最大粒经不得超过75mm的规定(5)p59表7.8.5-1后张法预应力筋张拉程序中对低松弛预应力筋张拉时,新规范规定持荷5min锚固,老规范为2min锚固,增加了持荷时间。
(6) 8.2.10.3混凝土拌合物的和易性,不同桩径坍落度的要求(7)7.8.5.1不同类型的孔道至少一个孔道摩阻测试(8)7.8.5.9切割后预应才筋的外露长度应小于30mm2%各顶之间同步张拉力偏差,采用两台以上千斤顶张拉(9)7.12.2.1;2.(10)7.9.3后张孔道压浆浆液性能指标和设备性能要求较老规范变化较大,性能性能指项0.20.450.水胶比0.285初凝结时24终181171初始流动201流动30mi2℃25160mi流动0024自由泌水钢丝泌水300.22MPa(孔道垂直高时1.8压力泌2.0率0.36 MPa(孔道垂直高1.8时23h自由膨胀率(%)10 <3~024h注:1从上表中可以看到新规范中关于水泥浆液的性能指标增加了13项,各标段需重新购置试验器材,增加试验费用的投入。
(11)p60表7.9.3 M50水泥浆配合比是参照旧规范制定的,不满足新规范的标准。
压浆剂考查仪器支配规程之阳早格格创做真止考验依据:JTG/T F50-2011《公路桥涵动工技能典型》尺度TB/T3192-2008《铁路后弛预应力混凝土梁管讲压浆》技能条件孔讲压浆技能指标:震动度测定仪---震动锥震动锥的校准;1725±5mL 火流出的时间为;8±震动锥几许尺寸:上心径178mm,下心径13mm,拆料容积;1725±5mL一、压浆剂压力泌火考查2气瓶,中测压力表最小分度值没有该大于0.02 MPa ,级别为1.5级.2.压力泌火容器为圆柱型没有锈钢压力容器,需要举止压力真验,正在0.8 MPa 压力下没有会破裂.其尺寸如图D.1所示.图D.1 压力泌火容器示企图38m m178mm(内径)76m m192m m3.10mL的量筒.考查步调1. 根据5.2.1的央供搅拌造备浆体.2. 将搅拌佳的浆体正在自加火启初的7 min内倒进容积为400 mL的圆形过滤漏斗中,倒进的浆体体积为200 mL.二、压浆剂充盈度考查充盈度考查仪器如图E.1所示,内径为40mm的透明有机玻璃管,二端的曲管夹角为120°,每部分少度为0.5m,二部分通过粘结剂稀启粘结.将有机玻璃管牢固正在牢固架上.按确定的要领拌造佳浆体后,静置1min,通过震动锥将浆体灌进牢固正在牢固架上的充盈度管中.充完浆体后,用塑料薄膜启关圆管的二端.正在20℃±3℃的条件下搁置7d,瞅察管里里是可有曲径大于3mm的气囊,大概者是可存留火囊大概火蒸气,正在管讲的二端是可有泡沫层.图E.1 充盈度管充盈度考查仪充盈度判决:如果存留薄度超出1mm的泡沫层,大概者存留曲径大于3mm的气囊,大概者存留体积大于1mL的火,则判决充盈度指标分歧格.三、压浆剂浆液自由泌火率战自由伸展率考查仪真止考验依据:JTG/T F50-2011《公路桥涵动工技能典型》)尺度TB/T3192-2008《铁路后弛预应力混凝土梁管讲压浆技能条件考查容器如图F3.1,用有机玻璃造成,戴有稀启盖,下120mm,置搁于火仄1.最初挖灌的火泥浆里;2.火里;3.伸展后的火泥浆里.考查要领往容器内挖罐火泥浆约100mm深,测挖灌里下度并记录,而后盖宽.置搁3h战24h后丈量其离析火火里战火泥浆伸展里.自由泌火率(%)=(a2-a3)/a1×100%自由伸展率(%)=(a3-a1)/a1×100%四、钢丝间泌火考查1 容器考查容器如图C.1,用有机玻璃造成,戴有稀启盖,内径为100mm,下为160mm.正在容器中间置进一束7芯钢丝束.钢丝束正在容器内暴露的下度为1cm~3cm.1——7Φ5钢丝束;2——静置一段时间后的泌火;3——压浆料.图C.1 毛细泌火考查示企图.2 考查要领考查容器静置于火仄里上,将搅拌匀称的浆体注进容器中,注进浆体体积约800mL,并记录浆体准确体积.而后将稀启盖盖宽,并正在核心位子拔出钢丝束.静置3h 后用吸管吸出灌浆料表面的离析火量,移进10mL 的量筒内,丈量泌火量V 1.泌火率(%)=01V V ×100%式中:V 1——浆体上部泌火的体积; V 0——尝试前浆体的体积.。
国电泰安铁路专用线二标段简支梁技术标准一、施工标准《铁路混凝土结构耐久性设计规范》(TB10005-2010)。
《铁路桥涵工程施工质量验收标准》(TB10415-2003)。
《铁路混凝土工程施工质量验收标准》(TB10424-2010)。
《客货共线铁路桥涵工程施工技术指南》(TZ203-2008)。
《预制后张法预应力混凝土铁路桥简支T梁技术条件》(TB/T3043-2005)。
《预应力混凝土梁铁路简支梁静载弯曲抗裂试验方法》(TB2092-2003)。
《铁路后张法预应力混凝土梁管道压浆技术条件》(TB/T3192-2008)。
《铁路工程预应力筋用夹片式锚具、夹具和连接器技术条件》(TB/T3193-2008)。
《铁路混凝土梁配件多元合金共渗防腐技术条件》(TB/T3274-2011)。
二、材料要求1、混凝土混凝土结构所处环境类别、作用等级及结构耐久性要求:(1)地下水对处于化学环境中的铁路混凝土结构具有硫酸盐侵蚀环境:H1级硫酸盐化学侵蚀环境。
(2)环境土:Y1级盐类结晶破坏环境。
(3)各部分混凝土结构均按《铁路混凝土结构耐久性设计规范》(TB10005-2010)执行。
(4)碳化环境作用等级:地面以上碳化环境作用等级为T2,地面以下碳化环境作用等级为T1。
(5)56d电通量、最大水胶比、最小胶凝材料用量、三氧化硫含量等应满足耐久性设计规范。
2、钢筋本工程采用钢筋为HRB400钢筋(钢筋端部采用直钩,直钩长度采用7d,弯曲内径采用3.5d,中部最小弯曲半径采用14d,d为钢筋直径)、HPB300钢筋(弯钩长度不变)。
3、预应力筋纵向预应力筋、横向预应力筋均采用公称直径为15.2mm的钢绞线,抗拉强度为1860MPa,弹性模量为1.95×105MPa,其技术条件符合《预应力混凝土用钢绞线》(GB/T5224-2003)的要求。
4、锚具纵向预应力筋锚具采用夹片式锚具,横向预应力筋锚具采用低回缩锚具(双线梁采用普通夹片式锚具),其技术条件应符合《铁路工程预应力筋用夹片式锚具、夹具和连接器技术条件》(TB/T3193-2008)的要求,锚垫板采用配套锚垫板,张拉千斤顶采用配套千斤顶。
公路桥涵施工技术规范(JTT/T F50—2011)6 混凝土工程6.1 一般规定6.1.1 本章适用于公路桥涵混凝土施工的原材料选择、配制、拌制、运输、浇筑、养护及质量检验,预应力混凝土及水下混凝土等的特殊要求尚应符合本规范第7章和第8章的规定。
6.1.2 混凝土工程所用的各种原材料,均应符合现行国家或行业标准的规定,并应在进场时对其性能和质量进行检验。
6.1.3 在进行试配和质量检测时,混凝土的抗压强度应以边长为150mm的立方体尺寸标准试件测定,且应取其保证率为95%。
试件应以同龄期者3个为一组,每组试件的抗压强度以3个试件测值的算术平均值(计算精确至0.1MPa)为测定值,当有1个测值与中间值的差值超过中间值的15%时,取中间值为测定值;当有两个测值与中间值的差值均超过15%时,则该组试件无效。
6.1.4 混凝土的抗压强度应以标准方式成型的试件,置于标准养护条件下(温度20℃±2℃,相对湿度不低于95%)养护28d所测得的抗压强度值(MPa)进行评定。
采用蒸汽养护的混凝土抗压强度,试件应先随构件同条件蒸汽养护,再转入标准条件下养护,累计养护时间应为28d。
当混凝土中掺用粉煤灰等矿物掺合料时,确定混凝土抗压强度时的龄期应符合设计规定。
6.1.5 公路桥涵混凝土宜使用非碱活性集料,当条件不具备必须使用时,其他材料中的碱含量及混凝土中的最大总碱含量应符合本规范的规定。
6.2 水泥6.2.1公路桥涵工程采用的水泥应符合现行国家标准《通用硅酸盐水泥》(GB 175)的规定,水泥的品种和强度等级应通过混凝土配合比试验选定,且其特性应不会对混凝土的强度、耐久性和工作性能产生不利影响。
当混凝土中采用碱活性集料时,宜选用含碱量不大于0.6%的低碱水泥。
6.2.2水泥进场时,应附有生产厂的品质试验检验报告等合格证明文件,并应按批次对同一生产厂、同一品种、同一强度等级及同一出厂日期的水泥进行强度、细度、安定性和凝结时间等性能的检验,散装水泥应以每500t为一批,袋装水泥应以每200t为一批,不足500t或200t时,亦按一批计。
孔道压浆剂(LY-YJ)产品说明产品概述孔道压浆剂是由高效减水剂、微膨胀剂和矿物掺合料等多种材料干拌均匀而成的混合剂,它是在现场施工按照一定的比例与水泥、水混合均匀后,主要用于后张梁预应力管道充填的压浆材料。
具有流动性好、微膨胀、充盈度好、不泌水、不分层、强度高和耐久性好等优点。
目前执行国标是GB/T 25182-2010《预应力孔道灌浆剂》、TB/T 3192-2008《铁路后张法预应力混凝土梁管道压浆技术条件》和JTG/T F50-2011《公路桥涵施工技术规范》。
产品理化指标及性能序号实验项目性能指标检测结果(10%) 1凝结时间/h初凝时间≥4 6终凝时间≤2412 2水泥浆稠度/s初始14-221630min≤2824 3常压泌水率/%3h≤2024h00 4压力泌水率/%≤%524h自由膨胀率/%0-167d限制膨胀率/%07抗压强度/MPa7d≥285528d≥4080 8抗折强度/MPa7d≥928d≥11 9充盈度合格合格产品使用方法及注意事项1、压浆剂掺量为9-11%,推荐掺量为10%(水泥与压浆剂比例为9:1)。
2、拌制预应力管道压浆料水泥浆的参考水灰比不应当大于,推荐水灰比为。
实际的水灰比应当以现场的水泥适应性进行试验。
在搅拌机中加入实际拌合用水的80-90%,开动搅拌,均匀加入全部压浆剂,然后再均匀的加入水泥,全部粉料慢速搅拌2min,然后快速搅拌1min,然后加入剩余的10-20%的水,再继续搅拌1min后出料。
3、水泥浆从搅拌开始到压入孔道中的持续时间,视施工温度而定,一般在30-45min之间。
并且浆料在压入之前应当连续搅拌均匀。
4、压浆时的浆体温度控制在5-30℃之间,并且称水要准确,严格按照水灰比进行加水,不得随意加水调整。
包装/存储/运输采用牛皮编织袋进行包装,净重40kg,本产品保质期6个月,如果储存超期,需要测定浆料达到施工要求后,方可继续使用。
本产品必须放于通风、防晒处,注意防水破损。
TF50-2011
该文档是关于铁路桥涵施工技术规范(JTG_TF50-2011)的详细规定和要求。
简介
本文档旨在规范铁路桥涵的施工工艺和要求,以确保施工过程安全可靠,最大限度地提高桥涵建设质量。
内容要点
1. 施工准备:包括施工前的准备工作,如材料准备、施工方案确定等。
2. 施工工艺:介绍铁路桥涵的施工流程和技术要点,包括地基处理、桥梁结构施工等。
3. 施工质量控制:包括岩土工程、桥梁结构、钢筋混凝土施工等方面的质量控制要求。
4. 安全措施:介绍施工过程中应采取的安全措施,以保障工人和设备的安全。
5. 环境保护:要求在施工过程中注重环境保护,防止污染和生态破坏。
适用范围
本规范适用于国内铁路桥涵施工工程,包括新建和改建的铁路桥涵。
结论
《铁路桥涵施工技术规范_JTG_TF50-2011》是一份重要的施工规范文件,它对铁路桥涵的施工提出了具体的要求和指导,有助于提高施工质量,保障施工安全和环境保护。
不过请注意,以上摘录的内容为简介,具体要求和细节内容请参考原始文件以获取准确信息。
附注:本文档的内容为根据“铁路桥涵施工技术规范
_JTG_TF50-2011”编写的简介,摘录部分可能与原文件有所不同,请以原文件为准。
后张法预应力混凝土简支箱梁张拉作业指导书1、适用范围适用于中国中铁航空港集团连镇铁路5标制梁场后张法预应力混凝土简支箱梁预施应力作业。
2、作业打算作业指导书编制后,应在开工前组织技术人员仔细学习实施性施工组织设计,阅读、审核施工图纸,澄清有关技术问题,熟识规范和技术标准。
对施工人员进行技术交底,对参与施工人员进行上岗前技术培训并进行考核。
3、技术要求3.1《客运专线预应力混凝土预制梁暂行技术条件》(铁科技[2004]120号)3.2《铁路混凝土工程施工质量验收标准》(TB10424-2010)3.3《高速铁路桥涵工程施工质量验收标准》(TB10752-2010)3.4《铁路后张法预应力混凝土梁管道压浆技术条件》(TB/T3192-2008)3.5《高速铁路桥涵工程施工技术指南》(铁建设[2010]241号)3.6《预制简支箱梁施工工艺细则》(CGZQSG1-ZTSJZLC-SGGYXZ)3.7《预制简支箱梁企业内控标准》(CGZQSG1-ZTSJZLC-QYNKBZ)4、施工程序与工艺流程预施应力工序流程:钢绞线下料→编束→清孔→穿束→预张拉→初张拉→终张拉→管道压浆→封锚。
5、施工要求5.1、预应力筋的下料(1)领取经复验合格的钢绞线,存放在钢绞线存放下料区。
在制束场地上铺设软胶皮,用于下料制束,防止钢绞线在地上拖拉造成损伤。
(2)钢绞线下料在自制下料滑槽内进行,滑槽用槽钢制作,下料滑槽起始端安放固定砂轮切割机,另一端设置长度定位挡板刻槽,刻槽位置以砂轮片内侧为起点实测确定。
下料时从钢绞线盘卷中抽出端头,留意抽头后钢绞线呈弹簧形,弹簧形的螺旋方向应与钢绞线的捻向一样,人力牵引至下料长度标记处停止,理顺钢绞线。
(3)钢绞线的下料长度=孔道的实际长度+工作锚厚度×2+限位板的有效厚度×2+对中套的有效厚度×2+油顶高度×2+工具锚厚度×2+100mm×2,其误差为±10mm 。
C50孔道压浆配合比设计说明C50孔道压浆配合比设计说明一、设计依据1、JTG E30-2005《公路工程水泥及水泥混凝土试验规程》2、JTG/T F50-2011《公路桥涵施工技术规范》3、GB175-2007《通用硅酸盐水泥》4、GB23439-2009《混凝土膨胀剂》5、JTJ63-2006《混凝土用水标准》6、施工设计及图纸设计要求二、设计要求1、设计强度:50MPa2、设计稠度:10-17s三、使用部位:孔道预应力压浆四、材料选择水泥:曲阜中联P.O42.5R普通硅酸盐水泥膨胀剂:青州诚谊建材有限公司膨胀剂水: 饮用水减水剂:青州诚谊建材有限公司NF-?高效减水剂五、配合比计算步骤1、确定水灰比:根据技术规范及设计要求,取水灰比w/c=0.282、膨胀剂掺量按8%3、减水剂掺量按2.0%4、计算每立方水泥浆各种材料用量3 水泥浆假定容重1900kg/m按公式计:水泥+膨胀剂+水+减水剂=1900W/C=0.28计算得水泥=1377 kg 膨胀剂=110 kg 水=386 减水剂 =27.5理论配合比水泥:膨胀剂:水:减水剂=1377:110:386:27.5六、试验配合比如下表7天强度28天强度水胶比水泥膨胀剂水减水剂稠度膨胀率 (Mpa) (Mpa)0.26 1397 112 363 27.9 0.28 1377 110 386 27.5 0.30 1357 109 407 27.1七、结论根据测得水泥浆拌合物各项指标,试件28天强度满足规范和设计要求,本单位拟采用水灰比为W/C=0.28水灰比做为C50预应力箱梁孔道压浆配合比。
压浆剂试验仪器操作规程执行检验依据:JTG/T F50-2011《公路桥涵施工技术规范》标准TB/T3192-2008《铁路后张预应力混凝土梁管道压浆》技术条件孔道压浆技术指标:流动度测定仪---流动锥测定压浆料的流动性,适用于流出进间不大于35s的压浆料。
接收容器:最小容量为2000ml 最小读数应不大于0.1s178mm(内径)流动锥的校准;1725±5mL 水流出的时间为;8 ±0.2s流动锥几何尺寸:上口径178mm下口径13mm装料容积;1725 ± 5mL一、压浆剂压力泌水试验1.一个包含2块压力表的CO气瓶,外测压力表最小分度值不应大于0.02 MPa, 级别为1.5级。
2.压力泌水容器为圆柱型不锈钢压力容器,需要进行压力实验,在0.8 MPa压力下不会破裂。
其尺寸如图D.1所示。
图D.1压力泌水容器示意图178mm(内径)3.10mL的量筒。
试验程序1.根据5.2.1的要求搅拌制备浆体。
2.将搅拌好的浆体在自加水开始的7 min内倒入容积为400 mL的圆形过滤漏斗中,倒入的浆体体积为200 mL。
二、压浆剂充盈度试验1.试验仪器充盈度试验仪器如图E.1所示,内径为40口*1 勺透明有机玻璃管,两端的直管夹角为120°,每部分长度为0.5m,两部分通过粘结剂密封粘结。
将有机玻璃管固定在固定架上。
2.充盈度试验仪试验方法按规定的方法拌制好浆体后,静置1min,通过流动锥将浆体灌入固定在固定架上的充盈度管中。
充完浆体后,用塑料薄膜封闭圆管的两端。
在20C± 3C 的条件下放置7d,观察管内部是否有直径大于3mm的气囊,或者是否存在水囊或水蒸气,在管道的两端是否有泡沫层。
图E.1充盈度管充盈度试验仪充盈度判定:如果存在厚度超过1mn的^泡沫层,或者存在直径大于3mm的气囊,或者存在体积大于1mL的水,则判定充盈度指标不合格。
三、压浆剂浆液自由泌水率和自由膨胀率试验仪执行检验依据:JTG/TF50-2011《公路桥涵施工技术规范》)标准TB/T3192-2008《铁路后张预应力混凝土梁管道压浆技术条件试验容器如图F3.1,用有机玻璃制成,带有密封盖,高120mm置放于水平1.最初填灌的水泥浆面;2.水面;3.膨胀后的水泥浆面。