三相电能表日计时误差测量结果标准不确定度分析
- 格式:doc
- 大小:22.50 KB
- 文档页数:4
三相电子式电能表示值误差测量结果的不确定度评定摘要:为了保证三相电子式电能表示值的准确性,要测量其误差并探究出现误差的原因,使三相电子式电能表示值更加准确。
要建立相关的数学模型,对各种测量出来的结果进行不确定度的评定。
关键词:三相电子式电能;误差测量;不确定度评定电能表是可以计量电能的仪表,电能表发明的主要是对电力的消耗进行测量。
随着各种电子元件的发展,电能表现如今测量性准确、稳定性好、耗功少、安装方便等特点。
三相电子式电能表是新的技术,但其误差也是不能避免的,对各种输入量的不确定度和三相电子式电能表示值误差测量结果的不确定度评定十分重要。
1.对三相电子式电能表示值误差测量结果的不确定度的概述三相电子式在一百年的发展中越来越先进,误差值也越来越小,其不确定度也越来越小。
但对三相电子式电能表示值的误差测量不应该停止,要不断探索,不断的减少误差带来的影响。
之前我国的电能表十分笨重,现如今我国已经存在0.5级、1级、2级等轻便的三相电子式电能表,且装置符合国际标准。
在对三相电子式电能表示值误差测量结果的不确定度进行试验时,要明确实验环境、测量标准、被测量的对象等一系列的知识。
要有一定科学依据去测量误差结果的不确定度,记录相关数据,要在进行实验前进行一定的准备工作。
测量时要根据《电子式电能表》相关的规定去进行测量。
在进行试验时,要保证温度控制在二十度左右,对湿度,空气对流等一系列影响实验结果去进行控制。
要明确测量的标准,去用标准的三相电子式电能表进行实验,试验应该在准确等级为0.05左右进行试验。
要明确试验中被测对象和试验的目的,然后在进行相对应的实验。
一般三相电子式电能表的测量方法是用电子程控进行控制和操作三相电子式电能表,用电子程控给装置输入不同功率,反复进行实验,记录试验数据,然后用电脑软件建立相关的数学模型并准确计算出电能值,用计算出来的电能值和标准的电能值进行比较,计算出误差的结果,最后对误差进行分析得出其不确定度。
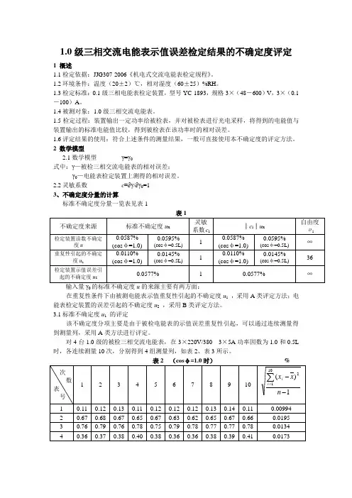
1.0级三相交流电能表示值误差检定结果的不确定度评定1 概述1.1检定依据:JJG307-2006《机电式交流电能表检定规程》。
1.2环境条件:温度(20±2)℃,相对湿度(60±25)%RH。
1.3检定标准:0.1级三相电能表检定装置,型号YC-1893,规格3×(48-600)V,3×(0.1-100)A。
1.4被测对象:1.0级三相交流电能表。
1.5检定过程:装置输出一定功率给被检表,并对被检表进行光电采样,将得到的电能值与装置输出的标准电能值比较,得到被检表在该功率时的相对误差。
1.6评定结果的使用:符合上述条件的测量结果,一般可直接使用本不确定度的评定方法。
2 数学模型2.1数学模型γ=γ0式中:γ—被检三相交流电能表的相对误差;γ0—电能表检定装置上测得的相对误差。
2.2灵敏系数c=∂γ/∂γ0=13、不确定度分量的计算标准不确定度分量一览表见表1表1输入量γ0的标准不确定度u的来源主要有两方面:在重复性条件下由被测电能表示值重复性引起的不确定度u1,采用A类评定方法;电能表检定装置的误差引起的不确定度u2,采用B类评定方法。
3.1标准不确定度u1的评定该不确定度分项主要是由于被检电能表的示值误差重复性引起,可以通过连续测量得到测量列,采用A类方法进行评定。
对4台1.0级的被检三相交流电能表,在3×220V/380 3×5A功率因数为1.0和0.5L 时,各连续测量10次,分别得到4组测量列,如表2、表3所示。
表3(cos φ=0.5L 时) %合并样本标准差为:s p =msi∑2=0.0155% u 1=2p s =0.0110%(cos φ=1.0时)s p =msi∑2=0.0205% u 1= 2p s =0.0145% (cos φ=0.5L 时)自由度 υ1 =m (n -1)=36 (cos φ=1.0时) υ1 =m (n -1)=36 (cos φ=0.5L 时) 3.2 标准不确定度u 2 的评定该不确定度主要是电能表检定装置示值误差引起的,根据该0.1级装置经广西计量测试研究所检定合格,检定证书号为(电能字第0140001号)。
摘要:为了确保电子式三相电能表计量准确,需要对电能表示值误差测量结果的不确定度进行评定。
本文通过建立数字模型,对各分量标准的不确定度进行分析,最后形成测量结果不确定度报告。
关键词:电能表误差评定1概述1.1测量依据JJG596-1999《电子式电能表》检定规程。
1.2测量环境条件温度:(20±2)℃,相对湿度:(60±15)%。
1.3测量标准便携式三相电能表检定装置,型号:ZJ9700DB,编号:236046,准确度等级:0.1级。
1.4测量对象电子式三相四线电能表,制造厂:四川启明星蜀达电气有限公司,型号:DTSD99A1,编号:20190103,准确度等级:0.5S 级。
1.5测量方法在JJG596-1999检定规程要求的检定条件下,用0.1级三相电能表检定装置检定0.5S 级三相四线多功能电能表。
由检定装置输出功率给被测三相电能表,通过采样积分,确定误差。
2数字模型γ=M 0-M M ×100%+γ′式中:γ———被检表的示值误差,%。
M 0———被检电能表的电能量示值,脉冲数。
M ———标准电能表的电能量示值,脉冲数。
γ′标准电能表的修正值,%。
本次测量未使用标准电能表的修正值,因此数学模型简化为:γ=M 0-M M×100%3不确定传播率u c 2(y )=c 12u 2(γ0)+c 22u 2(Δγ0)=u 12(y )+u 22(y )式中灵敏系数:c 1=əx/əγ0=1,c 2=əx/əγ=14各分量的标准不确定度的分析输入量标准不确定度的来源主要有五个方面:①测量结果的分散性引入的不确定度u A ,采用A 类评定;②三相电能表检定装置溯源不确定性引入的不确定度u 1,采用B类评定,属于正态分布;③三相电能表检定装置准确度引入的不确定度u 2,采用B 类评定,属于均匀分布;④数据修约化整导致的不确定度u 3,采用B 类评定,属于均匀分布;⑤标准表年稳定性导致的不确定度u 4,由于本装置是便携式三相电能表检定装置,标准表不可单独检定,故在此不考虑。
电子式三相电能表误差测量结果的不确定度评定摘要:测量不确定度是指表征合理地赋予被测量之值的分散性,与测量结果相联系的参数。
本文用一个实例对测量结果的不确定度进行了评定,分析了不确定度的来源、因素及过程。
对相同的测量方法的其他测量过程也同样适用,可以作为一个模板来使用。
关键词:不确定度;测量结果;电子式;电能表1、概述依据JJG596—1999 《电子式电能表》检定规程,在环境温度为(20±2)℃,相对湿度为(60±15)%RH的条件下,采用0.02级电能表标准装置对0.1级电能表进行检定,测量的简要过程为:装置输出一定功率给被检表,并对被检表输出的脉冲进行累计,得到的电能值与装置给出的标准电能值比较,得到被检表在该功率时的相对误差。
评定结果的使用:符合上述条件的测量结果,一般可直接使用本不确定度的评定方法。
2、数学模型式中:——被检电能表的相对误差,%;——标准装置测得的相对误差,%;——标准装置的修正值,%。
3、各输入量的标准不确定度分量的评定由重复性条件下被测电能表和标准装置测量重复性引起的不确定度,采用A类评定方法;由以下来源引入的不确定度采用B类评定方法:1.标准装置的误差引入的不确定度;2. 电压回路接入标准表与被检表端钮间的电位差引入的不确定度;3.被检表相对误差数据修约产生的不确定度;4.若标准装置给出了修正值,应考虑修正值的不确定度。
3.1不确定度分量u()的评定对1台0.1级被检电能表,在额定电压220V和负载电流等于5A,功率因数为1.0时,在重复性条件下进行10次独立测量,按贝塞尔公式计算测量数据的标准偏差S,如表2。
单次测量结果实验标准差式中:—第i次测量时被检装置的相对误差(%)—各次相对误差Ei的平均值,=(E1+E2……En)/n(%)n—重复测量的次数,n选取10次实际工作中,以2次测量值的平均值为测量结果,所以u()=S/= 0.00036%3.2不确定度分量u()的评定假设不对测量结果进行修正(或标准装置并没有给出修正值),此时输入量的标准不确定度u()来源于以下3个方面:1. 标准装置误差引入的不确定度:用0.02级电能表标准装置检定0.1级标准电能表,在额定电压220V和负载电流5A,功率因数为cosφ=1.0时,标准装置误差限值为±0.02%,即分散区间的半宽为a=0.02%,在此区间可认为服从均匀分布(k=),则标准不确定度u()=0.02%/=0.0115%。
电能表基本误差测量结果的不确定度分析作者:韩良李光来源:《品牌与标准化》2014年第04期【摘要】本文根据JJG 596-2012《电子式交流电能表检定规程》、JJF 1059-1999《测量不确定度评定与表示》,介绍了准确度等级为1.0级三相电子式电能表基本误差测量不确定度分析的方法。
【关键词】电子式交流电能表基本误差不确定度1 简述(1)测量依据:JJG 596-2012《电子式交流电能表检定规程》、JJF 1059-1999《测量不确定度评定与表示》。
(2)测量标准:三相多功能电能表检定装置,型号SJJ-1,准确度等级0.1级。
(3)环境条件:温度(20±2)℃,相对湿度(4)测量对象:三相电子式电能表,准确度等级1.0级。
(5)测量过程:标准装置输出一定功率给被检表,并对被检表进行采样积分,得到的电能值与装置输出的标准电能值比较,得到被检表在该功率时的相对误差。
2 数学模型[δ][=W-W0W×100%] (1)式中:[W]为被检表显示的电能示值,J;[W0]为标准表显示的电能值,J;[δ]为被测量表的相对误差,%。
3 输入量的标准不确定度评定(1)[δ]的标准不确定度[u(δ)]的来源主要有两个方面:其一,在重复性条件下,对被测电能表测量其典型测量点的重复性不确定度分量[u1(δ)],采用A类评定方法;其二,由三相电能表检定装置的误差引起的不确定度分量[u2(δ)]采用B类评定方法。
(2)标准不确定度分量[u1(δ)]的评定通过对1.0级被测电能表在220V,5A,[cosϕ]的检测点上重复测量了10次,求出标准差,下面以[cosϕ]为例,每一次测量都启动控制按键,重复测量10次数值为0.3356%、0.3111%、0.3262%、0.3589%、0.3161%、0.3126%、0.3138%、0.3331%、0.3027%、0.3149%,计算出重复性的实验标准差s为:s=0.0223%依规程要求,以3次测量值的算术平均值作为测量结果,则:[u1(δ)=s3]=0.0094%(3)[u2(δ)]的评定电能表标准装置不确定度主要由下列因素和分量引起:标准电能表误差引起的不确定度分量。
龙源期刊网
电子式三相电能表示值误差测量结果的不确定度评定
作者:叶峰桦尚羚
来源:《中小企业管理与科技·上旬刊》2013年第05期
摘要:为了确保电子式三相电能表计量准确,需要对电能表示值误差测量结果的不确定度进行评定。
本文通过建立数字模型,对各分量标准的不确定度进行分析,最后形成测量结果不确定度报告。
关键词:电能表误差评定
1 概述
1.1 测量依据
JJG596-1999《电子式电能表》检定规程。
1.2 测量环境条件
温度:(20±2)℃,相对湿度:(60±15)%。
1.3 测量标准
便携式三相电能表检定装置,型号:ZJ9700DB,编号:236046,准确度等级:0.1级。
1.4 测量对象
电子式三相四线电能表,制造厂:四川启明星蜀达電气有限公司,型号:DTSD99A1,编号:20190103,准确度等级:0.5S级。
1.5 测量方法
在JJG596-1999检定规程要求的检定条件下,用0.1级三相电能表检定装置检定0.5S级三相四线多功能电能表。
由检定装置输出功率给被测三相电能表,通过采样积分,确定误差。
2 数字模型。
.三相四线电能表测量误差不确定分析报告1 概述1.1 测量依据:JJG307-2006《机电式交流电能表检定规程》 1.2 环境条件:温度(20±2)℃,相对湿度(35~85)%。
1.3 测量标准:三相电能表检定装置,型号CJ-3000D ,规格60V~380V ,(0~100)A ,准确度级别为0.1级。
1.4 被测对象:三相四线有功电能表,准确度等级1.0级,型号DTSD847-F4,规格3×220/380V ;3×1.5(6)A , 编号为000337331.5 测量过程:三相电能表检定装置输出一定功率给被检表,并对被检表进行采样积分,得到的电能值与装置输出的标准电能值比较,得到被检表在该功率时的相对误差。
1.6 评定结果的使用:符合上述条件的测量结果,一般可直接使用本不确定度的评定方法。
2 数学模型r=r 0式中: r ——被检电能表的相对误差;r 0——三相电能表检定装置上测得的相对误差。
3 输入量的标准不确定度评定输入量r 0的标准不确定度u(r 0)的来源主要有两个方面:在重复性条件下由被测电能表测量重复性引起的不确定度分量u(r 01),采用A 类评定方法;由三相电能表检定装置的误差引起的不确定度分量u(r 02),采用B 类评定方法。
3.1 标准不确定度分量u(r 01)的评定该不确定度分量主要是由于被检电能表的测量不重复引起的,可以通过连续测量得到测量列,采用A 类方法进行评定。
(1)对1.0级被测三相四线电能表在3×220/380V ;3×1.5(6)A ;co s φ=1.0的Imax 量程上每天测量2次,每点重复测量10次,得到测量列如表1.1所示:表1.1 被检电能表的相对误差 %次数 1 2 3 4 5 6 7 8 9 10 测量值1 -0.09 -0.08 -0.08 -0.09 -0.09 -0.06 -0.06 -0.09 -0.08 -0.09 测量值2 -0.08 -0.10 -0.08 -0.09 -0.09 -0.11 -0.06 -0.09 -0.09 -0.09 测量值3 -0.09 -0.06 -0.09 -0.08 -0.06 -0.09 -0.08 -0.06 -0.09 -0.08 测量值4-0.08-0.09-0.09-0.08-0.11-0.09-0.08-0.06-0.09-0.09平均值081.0101X 101-==∑=i i r %单次试验标准差s 1=()=--∑=112n X Xni i0.012%同理得到s 2= 0.013%,s 3=0.013%, s 4=0.014%。
三相电能表测量误差不确定分析报.三相四线电能表测量误差不确定分析报告1 概述1.1 测量依据:JJG307-2006《机电式交流电能表检定规程》1.2 环境条件:温度(20±2)℃,相对湿度(35~85)%。
1.3 测量标准:三相电能表检定装置,型号CJ-3000D,规格60V~380V,(0~100)A,准确度级别为0.1级。
1.4 被测对象:三相四线有功电能表,准确度等级1.0级,型号DTSD847-F4,规格3×220/380V;3×1.5(6)A,编号为00033733 1.5 测量过程:三相电能表检定装置输出一定功率给被检表,并对被检表进行采样积分,得到的电能值与装置输出的标准电能值比较,得到被检表在该功率时的相对误差。
1.6 评定结果的使用:符合上述条件的测量结果,一般可直接使用本不确定度的评定方法。
2 数学模型r=r0式中:r——被检电能表的相对误差;r0——三相电能表检定装置上测得的相对误差。
3输入量的标准不确定度评定输入量r0的标准不确定度u(r0)的来源主要有两个方面:在重复性条件下由被测电能表测量重复性引起的不确定度分量u(r01),采用A类评定方法;由三相电能表检定装置的误差引起的不确定度分量u(r02),采用B类评定方法。
3.1 标准不确定度分量u(r01)的评定该不确定度分量主要是由于被检电能表的测量不重复引起的,可以通过连续测量得到测量列,采用A类方法进行评定。
(1)对1.0级被测三相四线电能表在3×220/380V;3×1.5(6)A;co sφ=1.0的Imax量程上每天测量2次,每点重复测量10次,得到测量列如表1.1所示:表1.1 被检电能表的相对误差 %平均值081.0101X 101-==∑=i i r %单次试验标准差s 1=()=--∑=112n XXni i0.012%同理得到s 2= 0.013%,s 3=0.013%, s 4=0.014%。
三相电能表日计时误差测量结果的标准不确定度分析作者:王艳文杨楠来源:《科技视界》 2013年第18期王艳文杨楠(新乡医学院生命科学技术学院,河南新乡 453003)【摘要】本文结合不确定度的有关概念及相关计量规范要求,对三相电能表日计时误差的测量结果进行了标准不确定度评定。
【关键词】三相电能表;自由度;不确定度0概述1)测量依据:DL/T614《多功能电能表》[1]。
2)环境条件:温度(23±2)℃,湿度(40~60)%RH。
3)测量标准:THT981时钟精密测量仪U=0.12×10-7,k=2。
4)被测对象:DSSD188S-C型三相三线电子式多功能电能表。
5)测量过程:以THT981时钟精密测量仪作为测量标准,测量24h被检电能表与THT981时钟精密测量仪的相对偏差值,即为电能表日计时误差。
1 数学模型γ1=γ0式中:γ1——被检电能表的计时误差;γ0——时钟精密测量仪测得的计时误差。
2 输入量γ0的标准不确定度的评定输入量γ0的标准不确定度u(γ0)的来源主要有两方面(1)重复性和复现性条件下由被测电能表测量不重复引起的不确定度分项u(γ01),采用A类评定法;(2)THT981时钟精密测量仪的误差引起的不确定度分项u(γ02),采用B类评定法。
2.1 被测电能表测量不重复引起的不确定度分项u(γ01)的评定:该不确定度分项是由于被检表的测量不重复引起,可通过重复测量得到测量列,采用A类方法评定。
对编号为225的DSSD188S-C 型三相三线电子式多功能电能表,连续重复测量10天,得测量列如下:(计量单位:s/d)【参考文献】[1]电子式电能表(JJG596-1999)/中华人民共和国国家计量检定规程[S].北京:中国计量出版社,2000.[2]樊尚春.测量不确定度评定方法[J].测控技术,2009,28(6):96-98.[责任编辑:丁艳]。
三相电能表日计时误差测量结果的标准不确定度分析【摘要】本文结合不确定度的有关概念及相关计量规范要求,对三相电能表日计时误差的测量结果进行了标准不确定度评定。
【关键词】三相电能表;自由度;不确定度
0 概述
1)测量依据:dl/t614《多功能电能表》[1]。
2)环境条件:温度(23±2)℃,湿度(40~60)%rh。
3)测量标准:tht981时钟精密测量仪u=0.12×10-7,k=2。
4)被测对象:dssd188s-c型三相三线电子式多功能电能表。
5)测量过程:以tht981时钟精密测量仪作为测量标准,测量24h 被检电能表与tht981时钟精密测量仪的相对偏差值,即为电能表日计时误差。
1 数学模型
γ1=γ0
式中:γ1——被检电能表的计时误差;
γ0——时钟精密测量仪测得的计时误差。
2 输入量γ0的标准不确定度的评定
输入量γ0的标准不确定度u(γ0)的来源主要有两方面
(1)重复性和复现性条件下由被测电能表测量不重复引起的不确定度分项u(γ01),采用a类评定法;
(2)tht981时钟精密测量仪的误差引起的不确定度分项u(γ02),采用b类评定法。
2.1 被测电能表测量不重复引起的不确定度分项u(γ01)的评定:
该不确定度分项是由于被检表的测量不重复引起,可通过重复测量得到测量列,采用a类方法评定。
对编号为225的dssd188s-c 型三相三线电子式多功能电能表,连续重复测量10天,得测量列如下:(计量单位:s/d)
0.071;-0.126;-0.088;0.062;0.136;0.128;-0.194;0.024;-0.170; -0.116;
按贝塞尔公式计算标准偏差:
∵1d=86400s ∴s=0.125s/d=0.125/86400=1.45×10-6
则重复性引起的标准测量不确定度为:u(γ01)=s=1.45×10-6,自由度ν(γ01)=(n-1)=9
2.2 tht981时钟精密测量仪的误差引起的不确定度分项u(γ02),采用 b类评定法
tht981时钟精密测量仪的误差,由检定证书得:u=0.12×10-7,k=2
u(γ02)=0.12×10-7/2=0.06×10-7
由于该装置由法定计量机构检定,故对验证不可靠估计为10%,自由度ν(γ02)=50
2.3 标准不确定度u(γ0)的计算
u(γ0)=[u2(γ01)+u2(γ02)]1/2=1.45×10-6
2.4 标准不确定度u(γ0)的自由度
3 合成标准不确定度评定
3.1 灵敏系数
∵γ1=γ0 ∴c=?坠γ1/?坠γ0=1
合成标准不确定度汇总见表1:
3.2 合成不确定度u(γ0)的估算
uc2(γ1)=c2·u(γ0)
uc(γ1)=c·u(γ0)=1.45×10-6
3.3 合成标准不确定度的有效自由度
νeff=ν(γ0)=9
3.4 扩展不确定度的判断评定
取置信概率p=95%,自由度νeff=9,查t分布表[2],得到kp=t95(9)=2.26,扩展不确定度:
u95=kpuc(γ1)=2.26×1.45×10-6 =3.3×10-6
4 不确定度报告
电能表日计时误差测量结果不确定度的扩展不确定度为:
u95=3.3×10-6,kp=2.26
【参考文献】
[1]电子式电能表(jjg596-1999)/中华人民共和国国家计量检定规程[s].北京:中国计量出版社,2000.
[2]樊尚春.测量不确定度评定方法[j].测控技术,2009,28(6):96-98.
[责任编辑:丁艳]。