10-2 二元液系相图
- 格式:doc
- 大小:121.00 KB
- 文档页数:5
二元液系相图实验目的:1.采用回流冷凝法测定不同浓度的乙醇-环己烷系统的沸点组成图(T-x图),并确定其恒沸点及恒沸组成。
2.掌握阿贝折光仪及超级恒温槽的使用方法。
实验原理:1. 一个完全互溶双液体系的沸点-组成图,表明在气液两相平衡时,沸点与气液两相组成的关系;它对于了解这一体系的性质及精馏过程都有很大的实用价值。
2. 在恒压下完全互溶的双液体系T~X 有下列三种情况:(1)所有组成溶液沸点介于二纯组分沸点之间,如苯与甲苯(图1-A)。
(2)有最高恒沸点,如卤化氢和水(图1-B)。
(3)有最低恒沸点,如苯和乙醇(图1-C)。
图1 二元液系相图在图1-C 中,绘制沸点~组成图的原理说明如下:当总组成为X 的溶液加热时,体系的温度沿着虚线上升,当温度达到T 时(即和液相线相交时)溶液开始沸腾,此时平衡的气相组成为y,液相组成为X.温度升至Ti,气相组成为yi,液相组成为xi,在此相区f=C - P + 2,式中:f 为自由度;P 为相数;C 为组分数。
3.在本实验中C=2,在二相区(气、液二相),P =2,所以f=2,由于压力指定(实验在恒压下进行)所以在二相区内f=l,因此,若指定温度则气液相浓度就不可改变,此时气、液两相的相对量亦不可变(服从杠杆原理);反之,若指定了气液相的相对量从而气液相组成一定则沸点也确定了。
4.本实验采用气液沸点仪(见图2)在一定压力下(常在大气压力下),测定不同总组成(即加入平衡沸点仪溶液的组成)的环己烷和乙醇构成的溶液达到气液平衡时的温度及气、液组成。
再根据测得数据作出该系统在此压力下的沸点-组成图。
相图与压力有关,作图时必须注明平衡压力值。
1-温度计;2-电热丝;3-冷凝管;4-液相取样冷凝口;5气相取样冷凝口;6-空气排出口;7-变压器接头两种纯液体构成理想混合物时,其中各组分的气相平衡分压在所有浓度范围内都符合拉乌尔定律:p1=p1*x1p2=p2*x2(1)式中:p1、p2为两组分气液平衡时气相分压;x1、x2为平衡时两组分的液相物质的摩尔分数;p1*、p2*为两组分纯液体在平衡温度下的饱和蒸汽压。
一、目的要求1.用沸点仪测定在一大气压下乙醇及环己烷双液系的气液平衡时气相与液相的组成及平衡温度,绘制温度-组成图,并找出恒沸混合物的组成及恒沸点的温度。
2.学会阿贝折光仪的使用。
二、原理两种在常温时为液态的物质混合起来而组成的二组分体系称为双液系,两种液体若能按任意比例互相溶解,称为完全互溶的双液系。
若只能在一定比例范围内互相溶解,则称部分互溶双液系。
双液系的气液平衡相图T-x 图可分为三类,见图5-1。
相线,表示在不同溶液的沸点时与溶液成平衡时的气相组成,下面的曲线表示液相线,代表平衡时液相的组成。
例如图x,液相组成点x。
无水乙醇(ml)1234环己烷(ml)43213.用阿贝折光仪测标准溶液以及纯乙醇、纯环己烷的折射率。
4.测定体系的沸点及气液两相的折射率。
测定方法如下:将一配制好的样品注入沸点仪中,液体量应盖过加热丝,处在温度计水银球的中部,旋开冷凝水,接通电源,电压不能超过规定电压,否则会烧断加热丝。
当液体沸腾、温度稳定后,记下沸腾温度及环境温度,并停止加热。
分别用滴管吸取气相及液相的液体用阿贝折光仪测其折射率,每份样品读数二次取平均值。
测定完之后,将沸点仪中的溶液倒回原试剂瓶中,换另一种样品按上述操作进行测定。
五、注意事项1.沸点仪中没有装人溶液之前绝对不能通电加热,如果没有溶液,通电加热丝后沸点仪会炸裂。
2.一定要在停止通电加热之后,方可取样进行分析。
3.使用阿贝折光仪时,棱镜上不能触及硬物(滴管),用擦镜纸擦镜面。
六、数据处理1.将标准溶液的体积百分数按式(5-1)换算成重量百分数,然后以重量百分数对折射作图。
W%=×100% (5-1)式中V1、D1分别代表乙醇的体积及比重,乙醇的比重在20℃为0.7893;V2、D2分别代表环己烷的体积及比重,环己烷的比重在20℃时为0.7791。
2.沸点校正,由于温度计的水银柱未全部浸人待测温度的区域内而须进行露茎校正。
校正公式 D t露=K·n·(t测一t环) (5-2)式中K=0.00016,n为露出于被测体系之外的水银柱长度,t测为测量温度计上的读数,t环为环境温度。
实验二二元液系气液平衡相图一、实验目得1、了解环己烷—乙醇系得沸点—组成图2、由图上得出其最低恒沸温度及最低恒沸组成(含乙醇%)3、学会使用数字阿贝折射仪4、学会使用WTS-05数字交流调压器二、原理一个完全互溶双液体系得沸点—组成图,表明在气液二相平衡时沸点与二相成分间得关系,它对了解这一体系对行为及分馏过程都有很大得实用价值。
在恒压下完全互溶双液系得沸点与组分关系有下列三种情况:1、溶液沸点介于二纯组分之间;2、溶液有最高恒沸点;3、溶液有最低恒沸点、图1表示有最低恒沸点,本次实验图形也像如此得样子,A′LB′代表液相线得交点表示在该温度时互成平衡得二相得成份。
绘制沸点—成份图得简单原理如下:当总成份为X得溶液开始蒸馏时,体系得温度沿虚线上升,开始沸腾时成份为Y得气相生成、若气相量很少,x、y二点即代表互成平衡时液气二相成份。
继续蒸馏,气相量逐渐增多,沸点沿虚线继续上升,气液二相成份分别在气相与液相线上沿箭头指示方向变化。
当二相成份达到某一对数值x′与y′,维持二相得量不变,则体系气液二相又在此成份达到平衡,而二相得物质数量按杠杆原理分配。
本实验利用回流得方法保持气液二相相对量一定,则体系温度恒定。
待二相平衡后,取出二相得样品,用阿贝折光仪测定其折射率。
得出该温度下气液二相平衡成份得坐标点,改变体系得总成份,再用上法找出一对坐标点,这样测得若干坐标点后,分别按气相点与液相点连成气相线与液相线,即得T—X平衡图。
三、步骤1、安装接通仪器,打开冷凝水;2、加入环己烷20ml,蒸馏至沸腾,待小兜有液体后回流三次,温度平衡2—3分钟基本不变,记下温度,关闭调压器;3、A组加入乙醇0。
5ml,用上法测定温度,然后关闭调压器,取出气相,液相得样品,测其折射率,以后分别加入1。
0,2.0,4、0,8.0,12、0ml乙醇;4、B组加入20ml无水乙醇,蒸馏至沸腾,待小兜有液体后回流三次,温度平衡2-3分钟基本不变,记下温度,关闭调压器;5、加环己烷0。
大学化学实验II实验报告——物理化学实验学院:化工学院专业:班级:姓名实验日期实验时间学号指导教师同组人实验项目名称二元液系相图的绘制实验目的1.掌握阿贝折射仪的使用方法。
1、学习常压下完全互溶双液系气-液平衡相图的绘制。
实验原理两种液体物质混合而成的两组分体系称为双液系。
根据两组分间溶解度的不同,可分为完全互溶、部分互溶和完全不互溶三种情况。
两种挥发性液体混合形成完全互溶体系时,如果该两组分的蒸气压不同,则混合物的组成与平衡时气相的组成不同。
当压力保持一定,混合物沸点与两组分的相对含量有关。
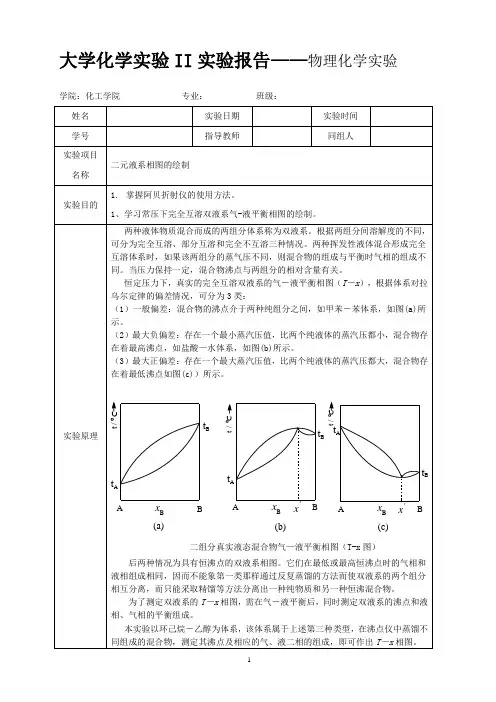
恒定压力下,真实的完全互溶双液系的气-液平衡相图(T-x),根据体系对拉乌尔定律的偏差情况,可分为3类:(1)一般偏差:混合物的沸点介于两种纯组分之间,如甲苯-苯体系,如图(a)所示。
(2)最大负偏差:存在一个最小蒸汽压值,比两个纯液体的蒸汽压都小,混合物存在着最高沸点,如盐酸—水体系,如图(b)所示。
(3)最大正偏差:存在一个最大蒸汽压值,比两个纯液体的蒸汽压都大,混合物存在着最低沸点如图(c))所示。
二组分真实液态混合物气—液平衡相图(T-x图)后两种情况为具有恒沸点的双液系相图。
它们在最低或最高恒沸点时的气相和液相组成相同,因而不能象第一类那样通过反复蒸馏的方法而使双液系的两个组分相互分离,而只能采取精馏等方法分离出一种纯物质和另一种恒沸混合物。
为了测定双液系的T-x相图,需在气-液平衡后,同时测定双液系的沸点和液相、气相的平衡组成。
本实验以环己烷-乙醇为体系,该体系属于上述第三种类型,在沸点仪中蒸馏不同组成的混合物,测定其沸点及相应的气、液二相的组成,即可作出T-x相图。
tAtAtAtB tBtBt/oCt/oCt/oCxBxBxBA B A AB B(a)(b)(c)x'x'本实验中两相的成分分析均采用折光率法测定:折光率是物质的一个特征数值,它与物质的浓度及温度有关,因此在测量物质的折光率时要求温度恒定。
物理化学实验报告实验名称:完全互溶双液系统气液平衡相图的绘制专业班级:生物工程112班学生姓名:钟坤学号:1108110391实验时间:2103年5月14日8:00~10:00指导老师:刘定富老师一.实验目的1.测定常压下环己烷-乙醇二元系统的气液平衡数据,绘制沸点- 组成相图。
2.掌握双组分沸点的测定方法,通过实验进一步理解分馏原理。
3.掌握阿贝折射仪的使用方法。
二.实验原理两种液体物质混合而成的两组分体系称为双液系。
根据两组分间溶解度的不同,可分为完全互溶、部分互溶和完全不互溶三种情况。
两种挥发性液体混合形成完全互溶体系时,如果该两组分的蒸气压不同,则混合物的组成与平衡时气相的组成不同。
当压力保持一定,混合物沸点与两组分的相对含量有关。
恒定压力下,真实的完全互溶双液系的气-液平衡相图(T -x ),根据体系对拉乌尔定律的偏差情况,可分为3类:(1)一般偏差:混合物的沸点介于两种纯组分之间,如甲苯-苯体系,如图2.7(a)所示。
(2)最大负偏差:存在一个最小蒸汽压值,比两个纯液体的蒸汽压都小,混合物存在着最高沸点,如盐酸—水体系,如图2.7(b)所示。
(3)最大正偏差:存在一个最大蒸汽压值,比两个纯液体的蒸汽压t A t A tAtB t B t Bt / o C t / o C t / o C x B x Bx B A B A A B B(a)(b)(c)x 'x '都大,混合物存在着最低沸点如图2.7(c))所示。
图2.7 二组分真实液态混合物气—液平衡相图(T-x图)后两种情况为具有恒沸点的双液系相图。
它们在最低或最高恒沸点时的气相和液相组成相同,因而不能象第一类那样通过反复蒸馏的方法而使双液系的两个组分相互分离,而只能采取精馏等方法分离出一种纯物质和另一种恒沸混合物。
为了测定双液系的T-x相图,需在气-液平衡后,同时测定双液系的沸点和液相、气相的平衡组成。
本实验以环己烷-乙醇为体系,该体系属于上述第三种类型,在沸点仪(如图2.8)中蒸馏不同组成的混合物,测定其沸点及相应的气、液二相的组成,即可作出T-x相图。
乙醇—乙酸乙酯双液系相图摘要:本实验采用阿贝折射仪测定双液系的相图,本实验测得恒沸温度为71.86℃,恒沸物组成为:乙醇(47.17%)、乙酸乙酯(52.83%)。
换算成质量分数为:乙醇(31.83%)、乙酸乙酯(68.17%)。
文献值很接近。
关键词:乙醇—乙酸乙酯、双液系、阿贝折射仪、相图1.实验目的学习用沸点仪测定双液相体系的气—液平衡相图及绘制相图的方法;了解液体折射率的测定方法,掌握阿贝折射仪的一般原理及操作方法;掌握用折光率确定二元液体组成的方法。
2.实验原理两种液态物质混合而成的二组分体系称为双液系。
根据两组分间溶解度的不同,可分为完全互溶、部分互溶和完全不互溶三种情况。
两个组分若能按任意比例互相融解,称为完全互溶双液系。
液体的沸点是指液体的蒸汽压与外界压力相等时的温度。
在一定的外压下,纯液体的沸点有其确定值。
但双液系的沸点不仅与外压有关,而且还与两种液体的相对含量有关。
根据定律,自由度=组分数-相数+2因此,一个以气-液共存的二组分体系,其自由度为2。
只要任意再确定一个变量,整个体系的存在状态就可以用二维图形来描述。
例如,在一定温度下,可以画出体系的压力p和组分x的关系图。
这就是p-x相图。
在一定压力下,可以画出体系的温度t和组分x的关系图。
这就是T-x相图。
在T-x相图上,还有温度、液相组成和气相组成三个变量,但只有一个自由度。
3.实验仪器及试剂仪器:沸点测定仪一套、精密数字温度计(分度值0.1℃)、玻璃温度计(0~100℃,分度值1℃)、调压变压器(0.5kV A)、数字阿贝折光仪、超级恒温水浴、玻璃漏斗、长滴管、烧杯。
试剂:乙酸乙酯(分析纯)、无水乙醇(分析纯)、丙酮(分析纯)、乙醇—乙酸乙酯系列溶液1~9号,浓度未知。
该系列溶液为实验室预先配置,并给出了此溶液在25℃时的折光率-组成工作曲线。
4.实验方法与步骤4.1装沸点仪将洗净、干燥的沸点仪安装好。
检查带有温度计的软木塞是否安紧。
二元液系相图
一、 实验目的
1、 测定环己烷-乙醇系统的沸点组成图(T-X 图)
2、
掌握阿贝折光仪的使用方法
二、 实验原理
1、
一个完全互溶的二元系统的沸点-组成图,表明在气液二相平衡时,沸点和两相组成间的关系.
2、
在常温下,两种液态物质以任意比例相互溶解所组成的体系称之为完全互溶双液系。
完全互溶双液系在恒定压力下的沸点—组成图可分为三类:
3、
(1)一般偏差:混合物的沸点介于两种纯组分之间,如甲苯-苯体
系,如图1(a)所示。
4、 (2)最大负偏差:混合物存在着最高沸点,如盐酸-水体系,如图1 (b)所示。
5、 (3)最大正偏差:混合物存在着最低沸点,如正丙醇—水体系,如图1(c)所示。
t A
t A
t
A
t B
t B t B
t / o C
t / o t / o x B
x B
x B
A
B
A
A
B
B
(a)
(b)
(c)
x '
x '
本实验绘制环己烷-乙醇二元液系的T-X 图。
其方法为将不同组成的溶液于蒸馏仪中进行蒸馏看,沸腾平衡后记下温度,一次吸取少量的蒸馏液和蒸出液。
分别用阿贝折光计测定其折射率,然后由环己烷-乙醇的折射率组成标准曲线或其数据表确定相应组成,从而绘制环已烷-乙醇二元液系相图。
三、 实验仪器与试剂
1、沸点测定仪1个;取样管12支;阿贝折光计1台;环己烷(分析
纯);无水乙醇(分析纯);直流稳压电源1台
四、实验步骤
1、纯液体折光率的测定。
分别测定乙醇和环己烷的折光率。
2、工作曲线的绘制。
这有实验书所给定的数据进行绘制。
3、测定沸点-组成数据
(1)安装沸点测定仪。
将干燥的沸点测定仪按图2-1安装
图2-1
好,检查带有温度计的橡皮塞是否塞紧。
加热用的电阻丝要靠近底部中心,温度计的水银球不能接触电阻丝,而且每次更换溶液后,要保证测定条件尽量平行(包括水银温度计和电阻丝的相对位置)。
(2)用老师粗略的配制好的20%,40% ,60% ,80%组成的环己烷-乙醇溶液约50ml。
(3)测定沸点及平衡的气液相组成。
取下塞子,加入所要测定的溶液(40ml),其液面以在水银球中部为宜。
接好加热线路,打开冷凝水,
再接通电源。
调节直流稳压电源电压调节旋钮,使加热电压为10-15v,
缓慢加热。
当液体沸腾后,再调节电压控制,使液体沸腾时能在冷
凝管中凝聚。
蒸汽在冷凝管中回流高度不宜太高,以2cm左右为好。
如此沸腾一段时间,待温度稳定后在维持3-5分钟,以使体系达到平
衡,在记录沸点温度。
然后停止加热,并立即测定气液两相的折光
率。
待温度下降3-5度,用干燥滴管自冷凝管口伸入小球,吸取其中
待测溶液,平行测定三次。
五、数据记录与处理
表2 整理后的画图数据
图一解释为什么会是这样的图:由于我们在实验的过程中没有记录下每次测定气液的温度,因此只有一次液相的沸点图,气相的沸点图没有。
图二
六、注意事项
1、蒸馏中样品回流要充分,控制气液平衡要严格,其重要标志是在该条
件下沸点相对稳定。
2、使用阿贝折光仪要仔细认真,温度控制平稳,取样品不得用时过长。
3、测定乙醇及环己烷纯样品的沸点,其蒸馏仪要洁净,干燥,不得有其
他杂质带入。
七、思考题
1、待测溶液的浓度是否需要精确计量?为什么?
2、答:不需要精确计量,因为在后面我们会对的组分进行测定。
3、本实验不测纯环己烷,纯乙醇的沸点,而直接用大气压下的数据,这
样会带来什么误差?
4、答:如果不测定,在我们进行画图时,再进行推气液相的组成时偏低。
5、如果要测纯环己烷,纯乙醇的沸点,蒸馏瓶必须洗净并且烘干,二册
混合液沸点和组成时,蒸馏瓶则不洗也不烘,为什么?
6、答:测试纯样时,如沸点仪不干净,所测得沸点就不是纯样的沸点。
测试混合样时,其沸点和气、液组成都是实验直接测定的,绘制图像
时只需要这几个数据,并不需要测试样的准确组成,也跟试样的量无
关。
八、试验后的总结
1、实验报告出现这样的问题,最主要的还是自己的预习没到位,还没弄
清我们所做的实验到底需要一些什么样的数据,在实验过程中我们又
该注意什么,吸取教训,总结经验。