实习十 应用Coreldraw绘制地质图
- 格式:doc
- 大小:676.00 KB
- 文档页数:5
C o r e l
D R A W教你画地
质剖面图
[转]手把手用CorelDRAW教你画地质剖面图作者:石易蕾an
看到学弟学妹们CorelDRAW画剖面图一张如此费时,特出教程一例,教你如何20min搞定一张剖面(不要1小时,不用4、50,只要20min,只要20 min),也算是造福一下大家了!
准备工作
1、安装CorelDRAW9和GeoCorelDRAW
注意:使用其他高级版本CorelDRAW可能会导致与GeoCorelDRAW不兼容2、打开GeoCorelDRAW 会看到此窗口
3、点击文件-连接CorelDRAW9(这时系统会自动打开CorelDRAW9)
画图部分
1、最简单的搞定图例使用矩形工具
建议画成15*25 这样填充出的图例为标准的三行如图
2、接下来就是填充的部分,选中矩形空白框
点开GeoCorelDRAW界面,在地址符号库中选择相应的图例点击“填充地质符号”
这是你就会发现它在自动填充了,成品如图
3、这时再将图例全部选定,在这里将其修改为蔡老师要求的“9*16”
再加上中文,图例部分就完成了
4、接着画出剖面的轮廓,再用相应的图例“Ctrl+D”,得到相应的岩性
5、关键步骤来了!只选择拷贝图例的方框部分用“Delete”,留下如图部分,全选
6、使用旋转工具,例如此岩层倾角为80,按如图输入,反向则为-80。
确定后得到如图
7、接下来,将旋转后的图例对齐至轮廓线处
如果本段岩层较厚就多重复几次4~6步即可。
8、再从对齐的图例中拷贝一根直线,在下面拉长,翻折,附加产状,本段岩层就搞定啦!
9、最困难的部分已经搞定,其他的就是加上方向,图名,比例尺什么的,一张图即告完成,成品如图。
实验九:应用CorelDRAW绘制地质图1.实习目的CorelDRAW 是面向对象的绘图程序,即矢量绘图软件,具有强大的图形和文字处理功能,可以处理多种形式的图形图像,具有极强的兼容性。
地质研究中常应用该软件清绘、编辑及制作满足要求的成果图件。
本次实习要求掌握应用CorelDRAW绘制地质图的方法。
2. 技术基础应用CorelDRAW绘制地质图一般是在底图的基础上进行清绘、编辑和修改。
CorelDRAW 可识别图形的格式可分为两大类:一是矢量数据格式,导入系统后图形对象可直接编辑和处理,如Surfer软件以矢量方式输出的图形 [*.wmf] ;二是位图数据格式,此类图形是作为一个整体导入系统,图形对象不能单独编辑和处理,必须以创建新的曲线、多边形、文本的方式进行清绘,即图形矢量化。
本次实习采用第二种方式。
3.实习步骤3.1 CorelDRAW启动单击桌面上的[ CorelDRAW * ]快捷方式图标;或单击【开始】按钮,打开【程序】菜单的CorelDRAW 菜单项,选择级联菜单中的[ CorelDRAW * ] 命令即可启动应用程序。
除主程序以外,其它应用程序命令为:Graphics Utilities (图形实用程序)Productivity Tools (发布工具)Setup and Notes (安装和注释程序)Corel PHOTO-PAINT 10 (位图编辑和全彩色照片处理软件)Corel R.A.V. 1.0(网页矢量动画制作软件)CorelDRAW 10 CD (打开光驱中的安装和资料光盘) (登录Corel 公司站点)3.2 图形导入选择【文件】菜单中的【导入】命令,或单击窗口上方工具条中的命令按钮,弹出【导入】对话框,在文件类型列表中选择与输入文件相匹配的文件类型,点击要输入的文件名称,点击【导入】按钮即可导入图形文件。
输入图形后界面如图所示。
3.3 图形的预处理由于技术原因或事先考虑不周,扫描图象相对于页面而言常常出现偏斜,需要进行校正。
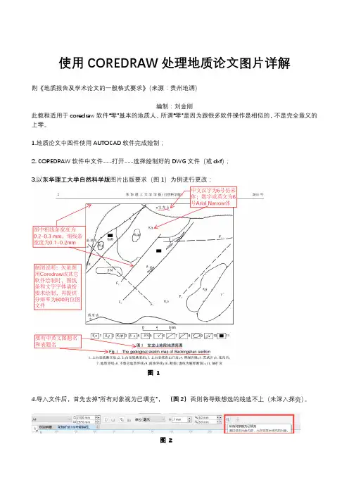
图1图 2 使用COREDRAW 处理地质论文图片详解 附《地质报告及学术论文的一般格式要求》(来源:贵州地调)编制:刘金刚此教程适用于coredraw 软件“零”基本的地质人。
所谓“零”是因为跟很多软件操作是相似的,不是完全意义的上零。
1.地质论文中图件使用AUTOCAD 软件完成绘制;2. COREDRAW 软件中文件---打开---选择绘制好的DWG 文件(或dxf);3.以东华理工大学自然科学版图片出版要求(图1)为例进行更改;4.导入文件后,首先去掉”所有对象视为已填充”, (图2)否则将导致想选的线选不上(未深入探究)。
图4 图6 图 7使用左侧工具箱中的选择工具(图3),框选全图,右侧的轮廓(图4)找到轮廓宽度选项将其改为0.1~0.2mm。
将外边框轮廓宽度更改为0.2~0.3mm。
5将文字统改为arial narrow,因为毕竟图片中中文字少,可单独更改。
(图5)文字导入后,一般会呈现(图6)样式,说明文字因为长度或字体大小的原因未完全展开,需要用工具栏中文字工具将其扯开(图7)。
图3 图 5图8 图9 图 10 6 使用工具栏中的智能填充工具(图8),在封闭曲线构成的空间内直接点击既可完成充填,其它选项如(图9)7至此一张图片内三大元素基本完成。
主要使用选择工具、文字工具、智能填充工具既可完成。
将此文件保存后复制一份备份,再将文件打开,用选择工具框选全部文件,复制---新建---粘贴,这样就把所有文件粘贴到一个图层中了,目的是为了便于后期导出时速度更快,更少出错。
文件---导出---选择tiff(或其它论文认可的格式),根据论文需要调整大小、分辨率等(图10)。
C o r e l
D R A W教你画地
质剖面图
公司内部档案编码:[OPPTR-OPPT28-OPPTL98-OPPNN08]
手把手用CorelDRAW教你画地质剖面图
看到学弟学妹们CorelDRAW画剖面图一张如此费时,特出教程一例,教你如何20min搞定不用4、50,只要20min,只要20min),也算是造福一下大家了!
准备工作
1、安装CorelDRAW9和GeoCorelDRAW
注意:使用其他高级版本CorelDRAW可能会导致与GeoCorelDRAW不兼容
2、打开GeoCorelDRAW 会看到此窗口
3、点击文件-连接CorelDRAW9(这时系统会自动打开CorelDRAW9)
?
画图部分
1、最简单的搞定图例使用矩形工具
建议画成15*25 这样填充出的图例为标准的三行如图
2、接下来就是填充的部分,选中矩形空白框
点开GeoCorelDRAW界面,在地址符号库中选择相应的图例点击“填充地质符号”
这是你就会发现它在自动填充了,成品如图
3、这时再将图例全部选定,在这里将其修改为蔡老师要求的“9*16”
再加上中文,图例部分就完成了
4、接着画出剖面的轮廓,再用相应的图例“Ctrl+D”,
5、关键步骤来了!只选择拷贝图例的方框部分用“Delete”,留
6、使用旋转工具,例如此岩层倾角为80,按如图输入,反向则
7、接下来,将旋转后的图例对齐至轮廓线处
如果本段岩层较厚就多重复几次4~6步即可。
8、再从对齐的图例中拷贝一根直线,在下面拉长,翻折,附加产状,本段岩层就搞定啦
9、最困难的部分已经搞定,其他的就是加上方向,图名,比例尺什么的,一张图即告完。
手把手用CorelDRAW教你画地质剖面图
3、点击文件-连接CorelDRAW9(这时系统会自动打开CorelDRAW9)
画图部分
1、最简单的搞定图例使用矩形工具
建议画成15*25 这样填充出的图例为标准的三行如图
2、接下来就是填充的部分,选中矩形空白框
点开GeoCorelDRAW界面,在地址符号库中选择相应的图例点击“填充地质符号”
这是你就会发现它在自动填充了,成品如图
3、这时再将图例全部选定,在这里将其修改为蔡老师要求的“9*16”
再加上中文,图例部分就完成了
4、接着画出剖面的轮廓,再用相应的图例“Ctrl+D”,得到相应的岩性
5、关键步骤来了!只选择拷贝图例的方框部分用“Delete”,留下如图部分,全选
6、使用旋转工具,例如此岩层倾角为80,按
如图输入,反向则为-80。
确定后得
到如图
7、接下来,将旋转后的图例对齐至轮廓线处
如果本段岩层较厚就多重复几次4~6步即可。
8、再从对齐的图例中拷贝一根直线,在下面拉长,翻折,附加产状,本段岩层就搞定啦!
9、最困难的部分已经搞定,其他的就是加上方向,图名,比例尺什么的,一张图即告完成,成品如图。
巧用CorelDRAW绘地图CorelDRAW画图主要利用两个特性:一是图层遮盖,即图层在上的或同一层中位于上层的对象遮盖底层对象,二是每一对象包含轮廓属性和填充属性两部分。
因此,科学地设置图层,恰当地运用图层遮盖是绘制地图的关键。
普通地图大致分为六大要素:注记、居民地、水系、交通、地貌、境界。
在计算机制图中,一般习惯于将这些要素按点元、线元和面元来分类。
注记、符号等点状要素即为点元;公路、铁路、水涯线、境界线、居民地和绿地边线等用轮廓线来表示的对象即为线元;一些填充区域是面元。
对于注记、符号等一般性要素,CorelDRAW与其他软件类似。
本文主要介绍用CorelDRAW制作地图的一些特殊要素的技巧,包括绘制技巧和关系处理技巧等。
公路、街道的制作地图上很多公路和街道都表示成两条一定间距的细平行线,而CorelDRAW没有平行线输入功能,可将其视为两条宽度不等的线的重叠,这样就能得到类似两条平行线的效果。
具体实施办法为:先用贝塞尔曲线工具绘出公路中心线(如图1),按设计的线型、宽度、颜色(黑色、橘红色等)进行编辑,并用这条中心线复制、粘贴得到一条新线,叠加于其上,然后将上层线编辑成细一些、颜色不同的线。
两线相叠,俨然是两条平行线,线宽等于上下两条线粗细之差的一半,间距等于上层线的宽度,而改变这些参数也极为方便。
同理,只需将底层线条编辑成虚线即可制作规划公路。
与此相仿,将上层线条编辑成虚线,将底层线条编辑成黑色或灰色实线即可得到铁路(如图2)。
城区图中纵横交错的街道,只需把底层实线置于同一层,上层白线置于上一层即可,且不会有线条打架的现象(如图2的交叉处)。
陡坎、堤坝的制作陡坎、堤坝在地图中很常见,但由于CorelDRAW中不存在这样的线型,制作起来比较棘手。
但CorelDRAW的文本编辑中有一个很好的功能路径文字(即文本按路径排列),利用这个功能,以中心线为路径,沿路径排列上字体合适的I或1(如图3),之后,点击路径上的文本I或1,便可按需要编辑文本属性及文本与路径的位置关系,这样就可方便地得到陡坎、堤坝。
手把手用CorelDRAW教您画地质剖面图
瞧到学弟学妹们CorelDRAW画剖面图一张如此费时,特出教程一例,教您如何20min搞定一张剖面(不要1小时,不也算就是造福一下大家了!
准备工作
1、安装CorelDRAW9与GeoCorelDRAW
注意:使用其她高级版本CorelDRAW可能会导致与GeoCorelDRAW不兼容
2、打开GeoCorelDRAW 会瞧到此窗口
3、点击文件-连接CorelDRAW9(这时系统会自动打开CorelDRAW9)
画图部分
1、最简单的搞定图例使用矩形工具
建议画成15*25 这样填充出的图例为标准的三行如图
2、接下来就就是填充的部分,选中矩形空白框
点开GeoCorelDRAW界面,在地址符号库中选择相应的图例点击“填充地质符号”
这就是您就会发现它在自动填充了,成品如图
3、这时再将图例全部选定,在这里将其修改为蔡老师要求的“9*16”
再加上中文,图例部分就完成了
4、接着画出剖面的轮廓,再用相应的图例“Ctrl+D”,
5、关键步骤来了!只选择拷贝图例的方框部分用“Delete”,留
6、使用旋转工具,例如此岩层倾角为80,按如图输入,反向则
7、接下来,将旋转后的图例对齐至轮廓线处
如果本段岩层较厚就多重复几次4~6步即可。
8、再从对齐的图例中拷贝一根直线,在下面拉长,翻折,附加产状,本段岩层就搞定啦!
9、最困难的部分已经搞定,其她的就就是加上方向,图名,比例尺什么的,一张图即告完成,成品如图。
调整好大小后单击右键进行锁定
调整线的粗细
用“点线工具”画曲线
从弧线的第一个端点点一下鼠标,按住左键到第二个端点放开左键,然后轻轻移动鼠标,使线与图像重合。
画两条平行线,然后点“互交式调和工具”,选,把鼠标放到
一条线中央,拉到另一条线即可填充出很多条平行线或曲线。
可在此处调节疏密程度
也可以放在虚线中央调整左右的疏密
对于交叉出现的平行线就先画一种,填充,调整了与图形重合,再画另一种
注意,用上述方法画出的一组平行线在属性上是一组的,如果要想单独更改一条的属性,需要先把这组平行线选中后单击右键,选择“拆分调和群组”,再选中一次,选择“取消全部群组”,之后各条线段之间就是独立的了。
可以根据需要进行更改。
1打开“图例地层代号产状-CDR格式”
此时到了另一窗口,将里面的窗口最小化即可到刚才的工作窗口。
说想拿图里的小零件却拿不下来就把图“拆了”,)
上角窗口(里面的那个)的最小化,到另一个窗口粘贴就行了。
文字内容就不说了,画不出来的老师的文件里都有。
最后是导出或另存为,如果要弄成图片放实习报告里可以选择“导出到Office ”,或用QQ 截屏。
CorelDRAW专题地图制作CorelDRAW软件的图形编辑功能灵活、方便,形式不拘一格,同时能实现图形、图像和文字的混合排列,并具有多种特效,表现形式生动,十分适合编制小幅面、内容相对简单、对数学精度要求不高的专题地图,尤其适用于城市专题图的编制。
由CorelDRAW编制的地图可以使其艺术性得到了充分展示。
CorelDRAW制作专题地图的步骤为:地理底图的制作、专题要素的制作、图片和文字添加。
下面对CorelDRAW制作专题地图的步骤进行介绍:1 地理地图制作1.1底图数据的获取利用CorelDraw软件绘制专题地图,地理底图的获得通常有以下两种方法:直接导入底图数据,没有数据可以直接利用的,可以把资料底图进行扫描,经过扫描的JPG形式存储的底图是栅格形式,需要进行矢量化。
1.2底图数据的整理和分层工作在上述底图数据的获取方法中,对于第一种方法,我们需要注意底图数据的整理和分层工作。
为了便于CorelDRAW中数据的管理与修改,在制作地理底图的过程中,应当首先对底图数据进行相应的整理,按照点、线、面进行归类,其次要特别注意各要素间的压盖顺序,确保正确无误。
最后,按照点、线、面的顺序依次导出相应的EPS文件。
需要特别强调的是,为了确保导入CorelDRAW后,点、线、面各要素层之间能够精确套合,可以在利用MAPGIS 进行底图编辑的过程中为所有工程文件添加一个共同的外框。
1.3底图数据的比例变换制作专题地图时,往往需要对现有底图数据进行比例变换,才能为专题地图所用。
地理底图编制的过程中,首先应当依据专题地图幅面大小结合所需表达内容的范围确定成图比例尺,依据比例尺的变化,在MAPGIS中对底图数据进行相应的比例变换。
最后再导出EPS文件。
1.4底图要素选取需注意的问题(1)按资格取舍的模式,即建立各要素原始数值与资格值相比较的关系式,凡达到资格者予以保留,否则自动舍去。
(2)按质量标准取舍的模式。
2021年4月第34卷第2期山西能源学院学报Journal of Shanxi Institute of EnergyApr.,2021Vol.34No.2·自然科学研究·基于CorelDraw软件的地质图绘制探讨(1.山西能源学院,山西太原030006;2.中国煤炭地质总局勘查研究总院,北京100039)李芳1翟志伟1周云飞1郭爱军2【摘要】地质信息的图形显示在地质资料分析中占有很重要的地位,根据地质图的特征,地质图件的绘制一般分为:数字化处理、建立绘图文件、导入扫描图件、绘制地质图件四步。
文中基于CorelDraw详细地论述地质剖面图的绘制过程,对于其他类型的地质图件的绘制有很好的指导作用。
【关键词】地质制图;计算机;CorelDraw软件;地质剖面图【中图分类号】TP319【文献标识码】A【文章编号】2096-4102(2021)02-0098-02本文针对计算机地质制图的特点,以资源勘查(煤层气)等专业学生为教学对象,针对地质方面的图件绘制,探讨CorelDraw在地质图绘制中的主要步骤和注意事项,并结合地质图绘制实例进行相关的论述。
1绘制主要步骤1.1图件扫描和MapGIS、AutoCAD等绘图软件矢量化工作一样,在使用CorelDraw绘制图件前,首先要建立工作底图,即把原图扫描成位图格式文件(常用的位图格式文件有jpeg、png等),扫描原图分辨率的确定主要根据原图的尺寸确定。
在地质图件的绘制过程中,分辨率一般确定为300dpi,如果有特殊要求,可以增大分辨率。
1.2CorelDraw文件的建立根据需要新建一个绘图文件。
设定页面设置、编辑精度等各种绘图参数。
导入数字化原图文件,数字化原图图形文件可以直接导入底图图层。
锁定原图。
通过将图层的编辑图标变为状态,即可完成底图的锁定,从而防止在绘图过程中无意被移动。
建立各种地质要素的绘图图层。
图层应按照绘图顺序来建立,原则是面积色在下,符号和线划在上。
题目:浅谈coreldraw软件在地理绘图中的应用单位:蓟县康各庄中学姓名:刘铁良浅谈coreldraw软件在地理绘图中的应用摘要:信息时代的今天,我们地理教师也需要跟上时代的步伐,去学习和应用一些新的工具去适应现代化教学设备和学习方式,在地理教学工作中,地图是离不开的工具,而在实际应用中许多地图是不能达到我们的教学要求的,这就需要我们地理教师手动去绘制或修改一些地图,有许多软件都能胜任这个工作,在商业平面广告制作中,photoshop和coreldraw等是最常用的软件,通过本人实践研究,coreldraw 软件在地理教学中,用于绘制地图和图文排版方面更胜一筹。
关键词:coreldraw 地理绘图地理教学当前,随着多媒体技术的快速发展,它迅速地改变着我们的生活。
慢慢回顾你的生活,会发现,我们的工作和生活再也离不开手机,再也离不开电脑,再也离不开网络。
而在我们教师的日常教育教学工作中,多媒体技术也迅速地改变着我们的传统教育教学手段。
今天,在教学中广泛的应用多媒体技术作为辅助手段已经成为现实,而明天,多媒体教育、网络远程教育则有可能成为主流。
君不见,繁多的网络教育资源已成为许多人学习的首选,而不用再去参加社会上各种各样的培训班了吗?一、地图在地理学科中的地位“地图”是地理学科的“第二语言”,学生的地理学科素养的形成与其读图技能和读图意识密不可分。
因此,我们必须培养学生运用地图、图表的基本技能,这是地理学科教学的基本教学目标之一,利用地图教学也是地理的教学特色。
地图在表达地理知识时,更为形象、直观、综合,因此,它也是地理学科独特的语言。
地图中包含了更多的显性与隐性地理知识和条件,许多地理原理、规律和特点都可以通过观察、分析地图得到答案。
提高学生读图能力,可以引发学生对地理知识的联想,从而开拓思路、,启发思维、发展智力、提高创新能力。
而且还能有效地帮助学生建立起形象思维,提高分析问题和解决问题的能力,使地理教学收到事半功倍的效果。
实习十应用CorelDRAW绘制地图实验报告学生姓名:萱冰伊寒专业班级:DL指导教师:吴老师时间:2014年5月23日- 2 -1.实验目的(1)实验的目的与意义:本次实习要求掌握应用CorelDRAW 编辑矢量图形和绘制地质图的方法;(2)软件特点与应用:CorelDRAW 是面向对象的绘图程序,即矢量绘图软件,具有强大的图形和文字处理功能,可以处理多种多样的图形图像,创建专业级的美术作品,具有强大的导入和发布功能,处理的图像范围非常广,可以直接输出多种形式,具有极强的兼容性,地质研究中常应用该软件清绘、编辑及制作满足要求的成果图件。
2.实验方案本实验的方案设计:熟悉CorelDRAW 的基本操作,用实习七(应用Surfer 绘制等值线图)生成和导出的等值线矢量图进行曲线编辑、多边形编辑、文本编辑以及图件整饰等操作,完成该矢量图的绘制编辑得出成果图件。
3、关键步骤描述3.1 步骤一 矢量图形导入,图形导入后打散对象群组和;3.2 步骤二 图形编辑与处理: (1)曲线编辑:应用形状工具对其进行处理,选取某条曲线,按下选择全部节点按钮,然后按下曲线平滑度按钮,在弹出的滑动条中按住滑块并拖动,对曲线进行整体平滑并抽稀节点;(2)多边形编辑:多边形边界与曲线特点相似,可采用与曲线相同的方法处理;(3)文本编辑:【文本工具】的使用可以编辑文字文本和段落文本;3.3 步骤三图件整饰:添加图框、图名、图例、比例尺等要素,最终完成图件成果为;- 4 -4、结论通过本次实习,熟悉了CorelDRAW的基本操作,了解了用矢量图生成和导出的等值线矢量图进行曲线编辑、多边形编辑、文本编辑以及图件整饰等操作,完成该矢量图的绘制编辑得出成果图件。
基于CorelDRAW的地质图绘制
张国庆;王勇;林子瑜
【期刊名称】《西部探矿工程》
【年(卷),期】2006(018)008
【摘要】主要介绍了利用计算机绘图软件CorelDRAW绘制地质图的工艺特点及流程、线的绘制和编辑、面的绘制和颜色填充、图例符号的建库和使用、文字的输入和编辑、图层管理功能及其应用等.利用CorelDRAW绘制地质插图,可以改善插图质量、提高工作效率、节约成本,使最后导出的图形效果更符合插图规范化.【总页数】2页(P116-117)
【作者】张国庆;王勇;林子瑜
【作者单位】东华理工学院,江西,抚州,344000;东华理工学院,江西,抚州,344000;东华理工学院,江西,抚州,344000
【正文语种】中文
【中图分类】P283.2
【相关文献】
1.基于CorelDraw软件的地质图制作 [J], 叶春;隋振民
2.基于CorelDRAW的河流几何渐变绘制技术探析 [J], 房雪玲
3.基于CorelDraw软件的地质图绘制探讨 [J], 李芳;翟志伟;周云飞;郭爱军
4.基于CorelDraw软件的地质图绘制探讨 [J], 李芳;翟志伟;周云飞;郭爱军
5.基于MapInfo&CorelDraw的地质图制作 [J], 戴欣明
因版权原因,仅展示原文概要,查看原文内容请购买。
实习十应用Coreldraw绘制地质图实验报告学生姓名:专业班级:指导教师:时间:2014-06-011.实验目的计算机软件绘图法尚不能考虑的实际地质条件和规律,地质研究中许多专业软件生成的初步图件(如等值线图)需要经一步修改。
由于很多专业软件可以导出图形的矢量数据格式[*.cgm、*.wmf、*.dxf],如Surpher软件输出矢量格式图形[*.wmf],因此,可将十来年该图形文件导入Coreldraw系统,依据专业思想和认识直接编辑和处理,以生成符合地质要求的图件。
本次实习要求掌握应用CorelDRAW编辑矢量图形、绘制地质图的方法。
2.实验方案CorelDRAW是一款矢量图形编辑软件,软件本身并不能将原始数据变成矢量图形。
本实验是将在其他软件中已生成的矢量图形导入CorelDRAW中,再对矢量图形的编辑,已达到符合工业化制图的要求。
3、关键步骤描述3.1 步骤一选择【文件】-【导入】选项,找到要导入的文件,点击【导入】即可导入图形文件。
3.2 步骤二打开【对象管理器】和【对象编辑】。
点击鼠标右键,在快捷菜单中共选择【取消全部组合】。
3.3 步骤三使用窗口左边的工具,选择需要修改的曲线,点击窗口上方的后,拉动平滑工具对曲线进行平滑,在平滑过程中并观察曲线的形态变化,以避免因过度平滑导致曲线形态严重走样。
平滑后的曲线还可以用窗口上方的工具进行节点的添加、删除、连接等修改工作。
3.4 步骤四将所有曲线完成平滑和修改后,在窗口右边的【对象管理器】中的图层中的颜色填充等将不需要显示的对象删除。
再选择窗口左边的按钮,对其中的数字进行修改。
3.5 步骤五用工具给图形添加图名,用(矩形)工具绘制边框、图例,在图形整饬过程中为了使布局合理可以借助网格来进行操作。
4、结论在学习CorelDRAW编辑矢量图形的过程中,事先掌握surfer等软件生成矢量图的知识是很有必要的。
另外需要注意的是在图形编辑前必须进行【取消全部组合】的操作,否则所有对象将都无法编辑,线条在圆滑的过程中不可操之过急,如果线条失去了原始的形态应及时的进行调整。
实习十应用Coreldraw绘制地质图
实验报告
学生姓名:
专业班级:
指导教师:
时间:2014-06-01
1.实验目的
计算机软件绘图法尚不能考虑的实际地质条件和规律,地质研究中许多专业软件生成的初步图件(如等值线图)需要经一步修改。
由于很多专业软件可以导出图形的矢量数据格式[*.cgm、*.wmf、*.dxf],如Surpher软件输出矢量格式图形[*.wmf],因此,可将十来年该图形文件导入Coreldraw系统,依据专业思想和认识直接编辑和处理,以生成符合地质要求的图件。
本次实习要求掌握应用CorelDRAW编辑矢量图形、绘制地质图的方法。
2.实验方案
CorelDRAW是一款矢量图形编辑软件,软件本身并不能将原始数据变成矢量图形。
本实验是将在其他软件中已生成的矢量图形导入CorelDRAW中,再对矢量图形的编辑,已达到符合工业化制图的要求。
3、关键步骤描述
3.1 步骤一
选择【文件】-【导入】选项,找到要导入的文件,点击【导入】即可导入图形文件。
3.2 步骤二
打开【对象管理器】和【对象编辑】。
点击鼠标右键,在快捷菜单中共选择【取消全部组合】。
3.3 步骤三
使用窗口左边的工具,选择需要修改的曲线,点击窗口上方的后,拉动平滑工具对曲线进行平滑,在平滑过程中并观察曲线的形态变化,以避免因过度平滑导致曲线形态严重走样。
平滑后的曲线还可以用窗口上方的工具进行节点的添加、删除、连接等修改工作。
3.4 步骤四
将所有曲线完成平滑和修改后,在窗口右边的【对象管理器】中的图层中的颜色填充等将不需要显示的对象删除。
再选择窗口左边的按钮,对其中的数字进行修改。
3.5 步骤五
用工具给图形添加图名,用(矩形)工具绘制边框、图例,在图形整饬过程中为了使布局合理可以借助网格来进行操作。
4、结论
在学习CorelDRAW编辑矢量图形的过程中,事先掌握surfer等软件生成矢量图的知识是很有必要的。
另外需要注意的是在图形编辑前必须进行【取消全部组合】的操作,否则所有对象将都无法编辑,线条在圆滑的过程中不可操之过急,如果线条失去了原始的形态应及时的进行调整。