几种型号的分相电流差动保护的异同
- 格式:doc
- 大小:975.50 KB
- 文档页数:11
在相电流突变量启动150ms内距离保护短时开放在突变量启动150ms后或者零序电流辅助启动静稳破坏启动后保护程序进入振荡闭锁在振荡闭锁期间距离I II段要在振荡闭锁开放元件动作后才投入。
振荡闭锁的开放元件要满足以下几点要求:a) 系统不振荡时开放b) 系统纯振荡时不开放c) 系统振荡又发生区内故障时能够可靠快速开放d) 系统振荡又发生区外故障时在距离保护会误动期间不开放本装置的振荡闭锁开放元件采用了阻抗不对称法,序分量法和振荡轨迹半径检测法的三种方法,任何一种动作时就开放距离I II保护,前两种方法只能开放不对称故障,在线路非全相运行时退出。
最后一种方法则在全相和非全相运行时都投入PSL 603光纤分相电流差动保护差动继电器动作逻辑简单可靠动作速度快在故障电流超过额定电流时确保跳闸时间小于25ms 即使在经大接地电阻故障故障电流小于额定电流时也能在30ms内正确动作而零序电流差动大大提高了整个装置的灵敏度增强了耐过渡电阻能力差动继电器动作逻辑简单,可靠,动作速度快。
在故障电流超过额定电流时,确保跳闸时间小于25ms。
即使在经大接地电阻故障,故障电流小于额定电流时,也能在30ms内正确动作。
而零序电流差动大大提高了整个装置的灵敏度,增强了耐过渡电阻能力。
因为差动保护有上述低电压和TWJ启动元件并且远方跳闸可以整定为经启动元件闭锁,所以在PSL 603ACD电流差动保护装置中启动继电器的开放应采取三取一方式K BL1 K BL2为差动比例系数系数,I CD为整定值(差动启动电流定值),I INT为四倍额定电流(分相差动两线交点)零序差动。
对高阻接地故障起辅助保护作用,原理同分相差动。
零序差动比例系数保护内部固定为K0BL=0.8Ib常数计算值为0.4I INT3.5.5 跳闸逻辑(1) 差动保护可分相跳闸区内单相故障时单独将该相切除保护发跳闸命令后250ms故障相仍有电流补发三跳令三跳令发出后250ms故障相仍有电流补发永跳令(2) 两相以上区内故障时跳三相(3) 控制字采用三相跳闸方式时任何故障均跳三相(4) 零序差动动作且ABC三相电流差动继电器均不动作延时100ms跳三相(5) 两侧差动都动作才确定为本相区内故障(6) 收到对侧远跳命令发永跳3.5.6 CT断线PSL 603分相电流差动保护中采用零序差流来识别CT断线并且可以识别出断线相由于PSL 603采用电流突变量作为启动元件负荷电流情况下的一侧CT 断线只引起断线侧保护启动而不会引起非断线侧启动又由于PSL 603采用两侧差动继电器同时动作时才出口跳闸因此保护不会误动作CT断线后的闭锁方案1. CT断线后不闭锁保护控制字有效:检出CT断线后,本相保护不闭锁,零序差动元件也不闭锁2 CT断线后闭锁保护控制字有效:检出CT断线后再发生故障,断线相差动元件差动启动电流定值抬高至In,同时闭锁零序差动元件,其它相差动元件仍然投入。
关于几种110kV保护装置的注意事项天津电力调度通信中心李大勇一、下面先介绍一下PSL-621C装置中几个需要注意的问题:1、距离保护电阻定值:该定值决定距离保护四边形特性的右边界,应按可靠躲过本线路可能出现的最大负荷整定,并具有 1.5 倍以上的裕度。
即Rzd≤最大负荷的阻抗值/1.5Ifxmax=S/(√3Un)Rzd= 0.9* Un / (√3*Ifxmax*1.5) 注意:此值为一次值,应折算为二次值。
如果最大负荷电流按额定电流考虑,Rzd 整定如下:当In=5A时,Rzd=0.9* Un/(In*1.5)≈7Ω(二次值)当In=1A时,Rzd=0.9* Un/(In*1.5)≈35Ω(二次值)建议:Rzd实际计算值大于以上定值(7Ω或35Ω)时,按以上推荐定值取;实际计算值不大于以上定值(7Ω或35Ω)时,按实际计算值取。
接地距离Ⅰ、Ⅱ、Ⅲ段和相间距离Ⅲ段四边形特性的电阻分量等于该定值,相间距离Ⅰ、Ⅱ段四边形特性的电阻分量等于该定值的一半。
2、过流保护各段定值,过流保护各段时间定值:过流保护为相电流保护,设有Ⅰ段和Ⅱ段。
我们正常时将控制字“过流保护”选择退出。
控制字“PT 断线时过流保护”选择投入。
在 PT 断线时,“PT 断线时过流保护”或“过流保护”任意一个投入,则过流保护都将投入。
过流保护定值取1.3倍In,时间与相间三段时间相同。
但必须满足Ⅰ段电流≥Ⅱ段电流,否则定值合理性自检通不过,定值固化不成功。
3、关于合闸后加速:我们选择合闸瞬时加速距离三段,一般不加速距离二段,因三段灵敏度比二段灵敏度要高。
需要注意的是,在重合后加速时,距离保护只能选择三种加速方式“瞬时加速Ⅱ段、瞬时加速Ⅲ段、延时 1.5s 加速Ⅲ段”的其中一种。
在定值中我们可将这三个控制字整定为:“瞬时加速距离Ⅱ段”退出、“瞬时加速距离Ⅲ段”投入、“延时 1.5s 加速Ⅲ段”退出。
4、距离Ⅲ段偏移特性:该控制字置“1”时,相间距离Ⅲ段和接地距离Ⅲ段的正方向元件自动退出,按照阻抗的多边形偏移特性动作,时间按相应Ⅲ段时间定值动作,该功能给反方向线路和母线做后备(不常用)。
光纤分相电流差动保护的基本原理是什
么?有什么优缺点?
光纤分相电流差动保护的基本原理是借助于光纤通道,实时地向对侧传递每相电流的采样数据,同时接收对侧的电流采样数据,两侧保护利用本地和对侧电流数据经过同步处理后分相进行差电流计算。
当线路在正常运行或发生区外故障时,线路两侧电流相位是反向的,此时线路两侧的差电流为零;当线路发生区内故障时,线路两侧电流的差电流不再为零,当满足电流差动保护的动作特性方程时,保护装置发出跳闸命令快速将故障相切除。
分相电流差动保护的优点如下。
(1)分相电流差动保护以基尔霍夫电流定律为判断故障的依据,原理简单可靠,动作速度快。
(2)分相电流差动保护具有天然的选相能力。
(3)不受系统振荡、非全相运行的影响,可以反映各种类型的故障,是理想的线路主保护。
分相电流差动保护的缺点如下。
(1)要求保护装置通过光纤通道所传送的信息具有同步性。
(2)对于超高压长距离输电线路,需要考虑电容电流的影响。
(3)线路经大电阻接地或重负荷、长距离输电线路远端故障时,保护的灵敏度会降低。
三种电动机差动保护原理的分析摘要:国内常用比率制动式纵差保护以及国外运用广泛的高阻抗差动保护和磁平衡差动的保护,针对电动机差动保护经常误动得现状,分析这三种差动保护的优缺点以及误动的原因。
关键词:电动机差动保护比率制动高阻抗磁平衡误动0 概述微机型电动机保护广泛应用于发电厂和大型厂矿企业, 一般电动机都装设综合保护,火力发电厂厂用电设计技术规定上规定2MW及以上的电动机以及2MW以下中性点具有分相引线的电动机,当电流速断保护灵敏性不够时应装设纵联差动保护,作为电动机的相间短路或匝间短路的主保护。
1 基于比率制动的纵差保护的动作原理及分析比率制动式纵差保护继电器的差动电流id和制动电流ires各为id= i1- i2=(1- 2)/naires=(i1- i2)/2=(1+ 2)/2na当差动保护区外短路时外部短路电流k•ou为1= 2= k•ou,id =0随着外部短路电流k•ou的增大,虽然不平衡电流和差动电流id均有所增加,但是制动电流ires随k•ou的线性增大继电器的动作电流也就相应的增大,从而达到保护不误动的目的,保护动作的判据:|I1-I2|≥Iset|I1-I2|≥K|(I1+ I2)/2|Iset为保护最小的动作电流,K为比率制动系数。
比率制动差动保护就是依靠动作电流和制动电流的动态变化,当两个判据同时满足使保护在区内故障灵敏动作。
接入差动保护的电流为设置在电动机三相电缆输入端(中压开关柜)及电动机的中性点的三组电流互感器二次三相电流,电动机差动保护由三个分相差动原件组成。
由于用于电动机的差动保护CT空间安装位置不同,造成二次回路阻抗大小不一致CT有不同的传变特性,在电动机启动或者外部短路时,容易引起差动保护误动。
所以比率制动差动保护引入比率制动系数K。
在实际情况中可以给差动元件80~100ms的动作延时,以便躲过电动机启动时的不平衡电流,防止电动机启动时保护误动也可以在保护装置中增加谐波制动。
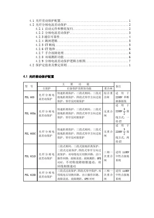
4.1 光纤差动保护配置 (1)4.2 光纤分相电流差动保护 (2)4.2.1 启动元件和整组复归 (2)4.2.2 分相电流差动保护 (3)4.2.3通信可靠性 (4)4.2.4 跳闸逻辑 (5)4.2.5 CT断线 (5)4.2.6 CT饱和 (6)4.2.7 手合故障处理 (6)4.2.8 双端测距功能 (6)4.2.9 分相电流差动保护逻辑方框图 (7)4.2 保护定值表及整定原则 (1)4.1 光纤差动保护配置4.2 光纤分相电流差动保护PSL 603光纤分相电流差动保护装置以分相电流差动作为纵联保护。
分相电流差动保护可通过标准64kb/s 数字同向接口复接PCM 终端,或用专用光缆作为通道,传送三相电流及其他数字信号,使用专用光纤作为通信媒质时采用了1Mbps 的传送速率,极大地提高了保护的性能,并采用内置式光端机,不需外接任何光电转换设备即可独立完成“光 电”转换过程。
差动继电器动作逻辑简单、可靠、动作速度快,在故障电流超过额定电流时,确保跳闸时间小于25ms ;即使在经大接地电阻故障,故障电流小于额定电流时,也能在30ms 内正确动作,而零序电流差动大大提高了整个装置的灵敏度,增强了耐过渡电阻能力。
对于高电压长距离输电线路,考虑电容电流的影响。
本保护装置计算正常时C N M I I I =+∙∙作为电容补偿电流。
在进行差动继电器计算时,必须满足故障的C N M I I I 4〉+∙∙的条件。
另外,分相电流差动保护可以借助光纤通道传输两路远方开关量信号,并各有两组出口节点。
分相电流差动保护主要由差动CPU 模件及通信接口组成。
差动CPU 模件完成采样数据读取、滤波,数据发送、接收,数据同步,故障判断、跳闸出口逻辑;通信接口完成与光纤的光电物理接口功能,另外专门加装的PCM 复接接口装置则完成数据码型变换,时钟提取等同向接口功能。
4.2.1 启动元件和整组复归 4.2.1.1 启动元件保护启动元件用于开放保护跳闸出口继电器的电源及启动该保护故障处理程序。
1前言线路分相电流差动保护具有原理简单、工作可靠、选择性好等突出优点,目前在华东电网广泛应用。
2008年1月的冰灾中,许多线路覆冰远远超出线路承受的能力,造成大面积断线或倒塔。
架设在输电线路上的OPGW光缆和ADSS光缆,也遭到极大的破坏。
电网多条线路OPGW光缆(分相电流差动保护通道)因覆冰严重而断线,500kV线路上的光纤电流差动保护因光纤通道中断而被迫退出运行。
对于同时配置两套分相电流差动保护的线路,OPGW光缆断线后,相当于线路两套主保护同时失去。
在这种情况下,如主保护通道无法快速迂回,线路极有可能被迫拉停。
2500kV线路保护介绍2.1保护配置要求2.1.1500kV线路保护配置基本要求对于500kV线路,应装设两套完整、独立的全线速动它保护。
线路主保护按原理分三类:方向高频、高频距离和分相电流差动保护。
主保护双重化;后备保护配置原则:1)、采用近后备2)对相间短路,宜用阶段式距离保护;3)对接地短路,应装设接地距离保护并辅以阶段式或反时限零序电流保护。
(1)主保护:满足系统稳定和设备安全要求,能以最快速度有选择地切除故障的保护。
500kV保护按双重化原则配置。
正常运行时,均有两套完全独立的保护装置同时运行。
两套保护分别经不同的跳闸线圈跳闸;两套保护的直流电源分别取自两组完全独立的直流电源;(2)后备保护:当主保护或开关拒动时,用以切除故障的保护。
分近后备和远后备。
近后备:故障元件自身的后备保护动作切除故障(失灵保护);远后备:相邻元件的保护动作切除故障。
(3)辅助保护:补充主保护和后备保护性能,或当主保护和后备保护退出时用以切除故障的保护。
(短线保护、开关临时过流保护)2.1.2主保护具体配置目前华东电网主保护的配置情况,按原理的不同分为分相电流差动、高频距离、方向高频。
(1)分相电流差动主要有以下型号:ABB : REL561 南京南瑞: RCS-931D(M);国电南自:PSL603;四方:CSC 103A;例如:REL561线路保护以分相电流差动作为主保护,以三段式接地距离和相间距离保护、反时限零序方向过流保护作为后备保护。
变压器分相差动保护是一种特殊的保护装置,用于保护变压器内部绕组及其绝缘。
它通过检测变压器各侧电流之间的差值来实现保护功能。
变压器分相差动保护具有以下特点:
1. 保护范围:变压器分相差动保护的保护范围包括变压器内部绕组及其绝缘,可以有效地防止变压器内部故障的发生。
2. 灵敏度:变压器分相差动保护采用先进的检测技术,能够灵敏地反应变压器各侧电流之间的差值,从而准确地判断出变压器的内部故障。
3. 稳定性:变压器分相差动保护采用了特殊的算法和校验措施,能够有效避免外界干扰和干扰因素对保护装置的影响,保证了保护装置的稳定性。
4. 快速性:变压器分相差动保护具有快速响应的特点,能够在变压器内部故障发生时迅速切断故障,从而减小故障对变压器的损害。
在实际应用中,变压器分相差动保护通常采用电流互感器来采集电流信号,通过比较各侧电流之间的差值来判断变压器的运行状态。
当变压器内部出现故障时,差值会发生变化,保护装置会立即发出报警信号并切断故障。
然而,变压器分相差动保护也存在一些问题。
例如,当电流互感器出现故障或者电流不平衡时,保护装置可能无法正确判断变压器的运行状态,从而无法有效地保护变压器。
此外,变压器的分接点接触不良、油位不正常等因素也可能影响保护装置的正常运行。
因此,在实际应用中,需要定期对保护装置进行检查和维护,以确保其正常运行。
综上所述,变压器分相差动保护是一种重要的保护装置,能够有效防止变压器内部故障的发生,减小故障对变压器的损害。
在实际应用中,需要正确配置和使用该装置,定期进行检查和维护,以确保其正常运行。
一.南瑞继保RCS-931超(特)高压输电线路电流差动保护装置1 产品概述RCS-931系列装置为由微机实现的数字式超高压线路成套快速保护装置,可用作220kV及以上电压等级输电线路的主保护及后备保护。
RCS-931系列包括以分相电流差动和零序电流差动为主体的快速主保护,由工频变化量距离元件构成的快速Ⅰ段保护,以及由三段式相间和接地距离及多段零序方向过流构成的全套后备保护;保护有分相出口,配有自动重合闸功能, 对单或双母线接线的开关实现单相重合、三相重合和综合重合闸。
RCS-902超(特)高压输电线路高频距离保护装置1 产品概述RCS-902系列装置为由微机实现的数字式超高压线路成套快速保护装置,可用作220kV及以上电压等级输电线路的主保护及后备保护。
RCS-902系列包括以纵联距离和零序方向元件为主体的快速主保护,由工频变化量距离元件构成的快速Ⅰ段保护,以及由三段式相间和接地距离及多段零序方向过流构成的全套后备保护;保护有分相出口,配有自动重合闸功能, 对单或双母线结线的开关实现单相重合、三相重合和综合重合闸。
RCS-901超(特)高压输电线路高频方向保护装置1 产品概述RCS-901系列装置为由微机实现的数字式超高压线路成套快速保护装置,可用作220kV及以上电压等级输电线路的主保护及后备保护。
RCS-901系列包括以纵联变化量方向和零序方向元件为主体的快速主保护,由工频变化量距离元件构成的快速Ⅰ段保护,以及由三段式相间和接地距离及多段零序方向过流构成的全套后备保护;保护有分相出口,配有自动重合闸功能, 对单或双母线结线的开关实现单相重合、三相重合和综合重合闸。
RCS-922短引线保护装置1 产品概述RCS-922系列装置适用于3/2结线方式下的短引线保护,也可兼用作线路的充电保护。
RCS-922A采用电流比率差动方式;线路充电保护由两段和电流过流保护构成。
RCS-922B仅包含两段和电流过流保护。
发变组保护纵差、横差、匝间保护原理及异同2020年10月14日二纵差保护三横差保护四匝间保护一、差动保护的概念Ø差动保护的理论基础-基尔霍夫电流定律(KCL)对任一集总参数电路中的任一节点,在任一瞬间,流经该节点的所有电流的代数和恒为零,即就参考方向而言,流出节点的电流在式中取正号,流入节点的电流在式中取负号。
基尔霍夫电流定律是电荷守恒定律在电路中的体现。
0=∑==Nk k k iØ差动保护的特点选择性:同时测量并比较被保护设备各端电流的幅值及相位关系,能正确反应正常运行、区外故障与区内故障的不同;而后备保护仅测量某一端的电流与(或)电压,为不越级跳闸,其动作值与动作时限必须与相邻元件配合,或加装方向元件。
速动性:因具有天然的选择性,所以不需与相邻元件的保护在定值和时间上配合,动作快速。
灵敏性:区外故障时,差动电流仅为不平衡电流,区内故障时差动电流远大于制动电流。
可靠性:采用比率制动特性,并采取必要的闭锁条件(如二次谐波、五次谐波闭锁)。
、纵差保护Ø纵差保护作用:反映发电机定子绕组及其引出线相间短路故障的主保护。
Ø发电机纵差保护的接线方式:完全纵差动保护;不完全纵差动保护。
Ø原理发电机完全纵差保护和不完全纵差保护均是比较发电机两侧同相电流的大小和相位而构成。
Ø区别:完全纵差保护是比较每相定子首末两端的全相电流;不完全纵差动保护是比较机端每相定子全相电流和中性点侧每相定子的部分相电流而构成。
一、系统概述Ø保护范围:发电机完全纵差保护是发电机相间故障的主保护。
由于差动元件两侧TA的型号、变比完全相同,受其暂态特性的影响较小。
其动作灵敏度也较高,但不能反应定子绕组的匝间短路及线棒开焊。
不完全纵差保护除保护定子绕组的相间短路之外,尚能反应定子线棒开焊及某些匝间短路。
但是,由于在中性点侧只引入其一分支的电流,故在整定计算时,尚应考虑各分支电流不相等产生的差流。
三种电动机差动保护原理的分析微机型电动机保护广泛应用于发电厂和大型厂矿企业,一般电动机都装设综合保护,火力发电厂厂用电设计技术规定上规定2MW及以上的电动机以及2MW以下中性点具有分相引线的电动机,当电流速断保护灵敏性不够时应装设纵联差动保护,作为电动机的相间短路或匝间短路的主保护。
1基于比率制动的纵差保护的动作原理及分析比率制动式纵差保护继电器的差动电流id和制动电流ires各为id=i1-i2=(1-2)/naires=(i1-i2)/2=(1+2)/2na当差动保护区外短路时外部短路电流k•ou为1=2=k•ou,id=0随着外部短路电流k•ou的增大,虽然不平衡电流和差动电流id 均有所增加,但是制动电流ires随k•ou的线性增大继电器的动作电流也就相应的增大,从而达到保护不误动的目的,保护动作的判据:|I1-I2|≥Iset|I1-I2|≥K|(I1+I2)/2|Iset为保护最小的动作电流,K为比率制动系数。
比率差动保护就是依靠动作电流和制动电流的动态变化,当两个判据同时满足使保护在区内故障灵敏动作。
接入差动保护的电流为设置在电动机三相电缆输入端(中压开关柜)及电动机的中性点的三组电流互感器二次三相电流,电动机差动保护由三个分相差动原件组成。
由于用于电动机的差动保护CT空间安装位置不同,造成二次回路阻抗大小不一致CT有不同的传变特性,在电动机启动或者外部短路时,容易引起差动保护误动。
所以比率制动差动保护引入比率制动系数K。
在实际情况中可以给差动元件80~100ms的动作延时,以便躲过电动机启动时的不平衡电流,防止电动机启动时保护误动也可以在微机保护装置中增加谐波制动。
2高阻抗差动保护的动作原理及分析1)正常运行时,I1=I2,所以ij=i1-i2=0。
因此,继电器两端电压Uab=ij×Rj=0。
Rj为继电器内部阻抗。
电流不流经继电器线圈,也不会产生电压,所以继电器不动作。
第一节光纤及光纤通道随着光纤通信技术的快速发展,并由于光纤通信容量大、具有电不敏感性,传输中不受电磁干扰的影响,抗干扰能力极强,用光纤作为继电保护通道得到了快速发展。
在国电公司制定的《“防止电力生产重大事故的二十五项重点要求”继电保护实施细则》中明确提出应积极推广使用光纤通道做为纵联保护的通道方式。
由于光纤通信容量大因此可以利用它构成输电线路的分相纵联保护,例如分相纵联电流差动保护、分相纵联距离、方向保护等。
光纤通信一般采用脉冲编码调制(PCM)方式可以进一步提高通信容量,信号以编码形式传送,其传输速率一般为64KB/S,按目前做出的装置传输距离可以达到100km。
如果用2MB/S的传输速率,由于衰耗较大传输距离只能在70km以下。
光缆结构如图2.1.4 所示。
图2.2.1 光缆结构图光缆基本上都由缆芯、加强元件和护层三部分组成。
缆芯是由单根或多根光纤芯线组成,其作用是传输光波。
加强元件一般有金属丝和非金属纤维,其作用是增强光缆敷设时可承受的拉伸负荷。
光缆的护层主要是对已形成缆的光纤芯线器保护作用,避免受外界的损伤。
图 2.2.3 基本光纤通信系统一个基本的光纤通信系统包含图2.2.2所示的几个部分:①发送调制。
它将所需传送的保护信号(模拟电流信号或逻辑命令信号)变换成能够采用光纤通道传输的脉冲信号。
常用的调制方式有脉冲编码调制(PCM)、脉宽调制(PWM)、移频键控(FSK)等。
②光源。
光源一般采用发光二极管(LED)、激光二极管(LD)或激光器组件。
③光纤连接器。
完成光纤接口端机与外界光缆的连接。
④光纤接收器。
⑤接收解调。
它的作用是将光纤接收器输出的脉冲方式的电信号还原成相应的保护信号(模拟电流信号或逻辑命令信号)。
⑥光纤通道。
由光纤完成。
上述①、②两部分合称光发送机,④、⑤两部分合称光接收机。
光发送机、光接收机简称光端机,目前微机光纤电流保护装置中都内置了光端机。
继电保护所采用的光纤通道主要有两种方式:一种是为保护敷设的专用光纤通道。
分相电流差动保护原理分相电流差动保护是一种常用的电力系统保护方式,它主要用于检测电力系统中的相间故障,保护系统的安全稳定运行。
分相电流差动保护原理是基于电力系统中各相之间的电流差异来实现的,通过对比各相电流的差异,可以及时准确地判断系统中是否存在相间故障,并采取相应的保护措施,保障电力系统的安全运行。
分相电流差动保护的原理基于基尔霍夫电流定律和电力系统中各相之间的电流关系。
在正常情况下,电力系统中各相之间的电流应该是平衡的,即各相电流之和为零。
但是当系统中出现相间故障时,故障点处的电流会发生变化,导致各相电流不再平衡,这时候就可以通过检测各相电流的差异来判断系统中是否存在故障。
分相电流差动保护系统通常由主保护装置和辅助装置组成。
主保护装置通过对各相电流进行采样和比较,来判断系统中是否存在相间故障,并进行相应的保护动作。
辅助装置则负责对主保护装置进行监测和辅助控制,以确保保护系统的可靠性和稳定性。
分相电流差动保护的原理是基于电力系统中各相之间的电流差异来实现的,因此在实际应用中需要注意以下几点:首先,对各相电流的采样和比较需要精准可靠,保证对系统中小电流差的准确检测。
其次,需要对保护系统进行合理的配置和参数设置,确保对各种类型的相间故障都能够及时准确地判断和保护。
最后,需要对保护系统进行定期的检测和维护,确保其可靠性和稳定性。
总的来说,分相电流差动保护原理是一种基于电力系统中各相之间的电流差异来实现的保护方式,它能够有效地保护电力系统的安全稳定运行。
在实际应用中,需要注意保护系统的精准可靠和稳定性,以确保系统能够及时准确地判断和保护各种类型的相间故障,保障电力系统的安全运行。
500kV分相电流差动保护通道监视及运行注意事项摘要:针对超高压系统内最典型的双通道分相电流差动保护,通过对超高压相关保护光纤通道回路的组成介绍以及在实际运行中对光纤通道运行情况的监视、判断,分析了在相关通道故障后对保护的影响以及处置方法。
关键词:分相电流差动保护:应用;通道;组成;监视;检查;处置引言分相电流差动保护目前在电力系统中越来越多的得到应用,就差动保护而言原理简单而可靠,通过对线路两端的同一时刻的电流量进行一定的计算后,判断线路是否发生了故障。
但是双通道分相电流差动保护又由于其厂家和接线的不同,对于运维工作而言必须了解其通道的构成、保护的原理和运行的相关注意事项,才能更好的用好这种通道可靠性相对较高的保护。
一、双通道分相电流差动保护在南京500kV变电站的应用分相电流差动保护目前在电力系统中越来越多的得到应用,就差动保护而言原理简单而可靠,通过对线路两端的同一时刻的电流量进行一定的计算后,判断线路是否发生了故障。
对差动保护来说,传输两端数据的通道的可靠性,对保护整体的可靠性来说就显得尤为重要。
目前,分相电流差动保护的通道大多都采用同杆架设的架空地线OPGW复合光缆。
以往的500kV线路分相电流差动保护与通道的配合情况:以一条500kV线路为例,配置两套分相电流差动保护,一套差动保护对应一个光纤通道,一收、一发占用两根光纤芯。
另一套线路保护往往采用复用通道,即与通讯的通道复用。
目前的500kV分相电流差动保护都采用光纤双通道,双通道分相电流差动保护它的定义为:对应一套分相电流差动保护它的接收和传输数据的物理通道有2个,对应A和B通道,其中2个通道都可以为光纤专用通道,也可以为一个专用通道外加一个复用通道。
或者两个同为复用通道。
金龙5603线、和金王5604线配置的双通道分相电流差动保护采用的就是专用光纤通道和复用通道构成差动保护的双通道。
即A通道为保护用光纤专用通道,B通道为复用光纤通道。
一、PSL603G光纤电流差动保护装置1. 应用范围本装置为由微机实现的数字式超高压线路成套快速保护装置,可用作220kV及以上电压等级输电线路的主保护及后备保护。
1、1保护配置603G保护的核心部件是三个CPU(32位)模件,在装置中#3—#5插件位置,各CPU并行工作。
(每个CPU模件设有两片微处理器,主处理器用于运行保护程序,辅助处理器用于监视主处理器工作状况。
双处理器相互监视,确保装置工作的可靠性。
)1、2 保护配置及型号PSL 603G系列以分相电流差动和零序电流差动为主体的全线速动主保护,由波形识别原理构成的快速Ⅰ段保护,由三段式相间和接地距离保护及四段式零序方向电流保护构成的后备保护。
保护有分相出口,并配有自动重合闸功能,可以通过保护屏上的重合闸控制把手可方便地进行单重、综重、三重、停用选择。
为了适应不同的线路,增加了一些特殊功能,每个特殊功能都设有相应的功能代码。
通过不同组合实现不同保护功能的保护装置,现有如下几种:表1.2.1 功能代码1、3保护程序整体结构:保护程序整体结构如图3.1.1所示。
图3.1.1 保护程序整体结构所有保护CPU程序主要包括主程序、采样中断程序和故障处理程序。
正常运行主程序。
每隔1ms采样间隔定时执行一次采样中断程序,采样中断程序中执行启动元件,如果启动元件没有动作,返回主程序。
如果启动元件动作,则进入故障处理程序(定时采样中断仍然执行),完成相应保护功能,整组复归时启动元件返回,程序又返回进入正常运行的主程序。
主程序中进行硬件自检、交流电压断线检查、定值校验、开关位置判断、人机对话模件和CPU模件运行是否正常相互检查等。
硬件自检包括ROM、RAM、EEPROM、开出光耦等。
采样中断程序中进行模拟量采集和相量计算、开关量的采集、交流电流断线判别、重合闸充电、数据同步、合闸加速判断和启动元件计算等。
故障处理程序中进行各种保护的算法计算、跳合闸判断和执行、事件记录、故障录波、保护所有元件的动作过程记录,最后进行故障报告的整理和记录所用定值。
几种常见型号的分相电流差动保护的比较本文将对目前工区范围内常见的几种分相电流差动的保护原理,装置结构、日常运行操作等方面做一个简要的介绍和比较,从而找出其共性和不同之处,为日常运行工作提供参考。
1. 分相电流差动的基本原理1) 基本原理保护通过通讯通道把一端的带有时标的电流信息数据传送到另一端,各侧保护利用本地和对侧电流数据按相将同一时刻的电流值进行差动电流计算,比较两端的电流的大小与相位,以此判断出是正常运行、区内故障还是区外故障。
以母线指向线路为正方向,根据基尔霍夫电流定律,在不考虑电容电流和CT 采样误差的情况下:正常运行或区外故障时一侧电流由母线流向线路,为正值,另一侧电流由线路流向母线,为负值,两电流大小相同,方向相反,所以0M N I I +=,差流元件不动作。
区内故障时两侧实际短路电流都是由母线流向线路,和参考方向一致,都是正值,差动电流会很大,满足差动方程,差流元件动作。
2) 与相差高频在原理上的区别相差高频保护是比较被保护线路两侧电流相位的高频保护。
当两侧故障电流相位相同时保护被闭锁,两侧电流相位相反时保护动作跳闸。
两者区别在于相差高频不比较电流值只比较相位,分相电流差动同时比较两侧的电流幅值和相位。
3) 保护的通道分相电流差动保护需要将线路两端的电流信息进行比较,应此要有专门的通道来传输这些电流信息,目前保护通道主要有载波通道与光纤通道。
由于光纤通道具有可靠性好,传输信息量大的优点,因此分相电流差动保护均使用光纤通道。
光纤通道分为两种:一种为复用通道,另一种为专用通道。
专用光纤通道:专用纤芯方式相对比较简单,运行的可靠性也比较高 ,220kV 及以下线路光纤保护多采用专用纤芯方式复用光纤通道:两地之间通过通信网通信。
由于通信网是复用的,所以需要用通信设备进行信号的复接。
多用于500kV 长距离输电线路。
2. 分相电流差动保护的优势与高频距离、相差高频等纵联保护相比分相电流差动主要有以下优点: A. 分相电流的差动保护中只要引入电流量就能实现故障判别,而无需引入电压量。
因而在原理上得到了很大的简化。
B. 分相电流差动保护中只对电流值进行测量计算,不对故障距离阻抗进行计算,因此提高了耐过渡电阻的能力。
C. 分相电流差动保护中只要对两端电流差值和相位进行测量计算就能明确选出故障相,故障选相变得非常容易,而这在其它保护方法中是难点。
D. 分相电流差动保护不受系统振荡影响。
在系统振荡时两端电流方向与正常时相同,相位的摆动完全一致,即使在系统振荡时发生故障,保护装置也能根据两端电流相位变化正确动作。
3.220kV、500kV线路保护配置原则根据《华东电网继电保护应用技术原则》规定,对于具有光纤通道的输电线路,优先配置光纤纵联差动保护。
同杆并架线路应尽量采用分相电流差动保护作为线路主保护。
目前工区内220kV、500kV的线路保护陆续升级改造为双重化配置的分相电流差动保护。
常见型号有南自的PSL-603,南瑞的PCS-931、四方的CSC-103和ABB的REL-561等。
典型的双重化配置方式为:PCS-931+ PSL-603、PCS-931+ CSC-103、PCS-931+REL-561。
4.常见型号的保护软件原理介绍以上保护虽然都是基于基尔霍夫电流定律,但是在具体的实现手段、装置结构上还是有很大区别的。
首先将各保护的基本信息列表如下:1)各保护的基本配置保护型号保护配置PCS-931G 分相电流差动(包含了变化量差动,稳态差动Ⅰ段、Ⅱ段),零序电流差动,工频变化量距离快速Ⅰ段,三段式相间、接地距离,零序方向过流PSL-603U 分相电流差动,零序电流差动,快速距离,三段相间、接地距离保护,零序方向过流保护,零序反时限CSC-103A 纵联电流差动,三段式相间和接地距离,四段式零序及零序反时限REL-561 分相电流差动,三段式距离,零序方向过流2)各保护的基本参数保护型号保护动作时间整定范围PCS-931G 工频变化量:近端3~10ms末端<20ms差动保护全线路跳闸时间:<25ms距离Ⅰ段:≈20ms距离Ⅱ段、Ⅲ段:0~10s后备段零序跳闸延迟时间:0~10s 电流变化量启动元件0.1~0.5 I n 零序过流启动元件0.1~0.5 I n距离保护0.01~25Ω/0.05~125ΩPSL-603U 快速距离:近端3~10ms纵联保护全线速动不大于25ms距离Ⅰ段:<20ms距离方向元件:最小动作时间10ms零序方向元件:最小动作时间10ms 电流突变量启动元件:0.05A~2.5A 零序电流辅助气动元件:0.05A~2.5A 最小阻抗值为0.01ΩCSC-103A 差动元件:2倍整定时<20ms距离元件Ⅰ段:近处故障<15ms零序电流Ⅰ段:差动元件0.1~2I n距离元件0.01~40Ω/0.05~200Ω零序过流元件0.1~20 I n3)各保护的实现原理A.装置启动方式的差别国外分相电流差动和国内分相电流差动保护在保护启动方式上存在根本不同。
国外保护只要满足线路两侧差流高于门槛启动电流和制动电流即可选项动作,而国内保护均设置了装置总启动元件,在装置总启动元件动作后才开放出口正电源或负电源(PSL-603U开放出口负电源)。
启动元件动作之后才开放出口继电器正电源,主要起到了在系统正常运行时闭锁保护,而在系统发生异常时,使微机保护进入故障处理程序的作用,从而提高了装置工作的可靠性。
REL-561保护同样考虑到了保护动作安全性的问题,为了保证安全性,跳闸回路采用4取2或4取3逻辑,即连续进行4次测量,如果其中有2或3次满足跳闸条件方可跳闸。
以江都变为例,REL-561的定值中Evaluate 整定项,整定为3 of 4,即为4取3逻辑。
国内保护的动作方式如图1:图1国外保护的动作方式如图2:跳闸图2下表列出了国内几种型号保护的起动元件 保护型号 启动元件PCS-931G 反应相间工频变化量的过流继电器、零序过流继电器、远跳启动、位置不对应启动PSL-603U 电流突变量启动、零序电流启动、静稳破坏启动、弱馈启动、TWJ 辅助启动元件CSC-103A电流突变量启动、零序电流启动、静稳破坏启动、弱馈低电压启动元件各型号保护的启动元件各有特点,如PCS-931G 的反应相间工频变化量的启动元件采用浮动门坎,正常运行及系统振荡时变化量的不平衡输出均自动构成自适应式的门坎,浮动门坎始终略高于不平衡输出,在正常运行时由于不平衡分量很小,而装置有很高的灵敏度。
当系统振荡时,自动降低灵敏度,不需要设置专门的振荡闭锁回路。
因此,装置有很高的安全性,起动元件有很高的灵敏度而又不会频繁起动,测量元件则不会误测量。
三种保护为了防止弱电源侧在故障时可能不启动的情况设置了弱馈启动和远跳启动元件,当弱电源侧收到对侧保护允许信号则判别电压量,若小于设定值时,本侧保护启动。
B. 差动保护判据的比较下表列出了几种型号保护的差动保护判据 保护型号 差动保护判据PCS-931G 电流差动保护、变化量差动保护、零序差动保护 PSL-603U 电流差动保护、变化量差动保护、零序差动保护 CSC-103A 电流差动保护、变化量差动保护、零序差动保护 REL-561电流差动保护下面对这几种判据进行一下详细介绍:i. 以全电流构成的电流差动保护判据常用的有2种,2M N d M N c I I I I I I ⎧=+⎪⎪⎨+⎪⎪=⎩ 公式1M N d M Nc I I I I I I ⎧=+⎪⎪⎨⎪=-⎪⎩公式2 式中M I、N I为线路两端电流矢量,正方向为母线指向线路。
公式1为REL-561差动保护的判据,公式2是国产差动保护的判据。
两者的差别就在于保护的制动量c I 的构成方式。
对于公式1而言,其制动量是线路两侧电流向量模值的和;而国内判据的制动量则是由线路两侧电流向量差的模值所构成。
公式2的优点在于内部故障时它有着足够的灵敏度,而外部故障时,又有着较强的制动性。
但是,国产保护判据耐受电容电流的能力不如REL-561保护的强。
而REL-561保护的判据的缺点在于内部故障和外部故障时具有相同的制动量,因此适应性不如国内的判据。
dI cI min opI 1K 2K cross图3图3为电流差动保护动作特性, 1K 、2K 为比率制动系数,min op I 为最小动作电流 线路正常运行和区外故障时d I 均为0,保护不动作。
当发生区内故障,d I 大于最小动作电流min op I 和制动电流c K I 时,保护动作。
目前各种保护的差动保护均使用双斜率动特性,其目的就在于保证小电流时有较高的灵敏度,和在区外故障时因CT 饱和产生传变误差时采用较高斜率的制动特性得到较高的可靠性。
各厂家的不同处除了制动量表达式的不同,还有比率制动系数和cross (交叉点)的不同。
两者的共同缺陷,就是都无法摆脱负荷电流的影响。
因此在全电流差动的基础之上,PCS-931G 、PSL-603U 以及CSC-103A 均增加了变化量差动保护作为补充。
ii. 变化量差动保护图4min M Nd M N c d op dcI I I I I I I I I K I ⎧∆=∆+∆⎪⎪⎪∆=∆-∆⎨⎪∆>⎪⎪∆>∆⎩公式3 公式3中K 为比率制动系数,d I ∆为故障分量电流差动量,c I ∆为故障分量电流制动量 变化量差动保护最大的特点就是不受负荷电流的影响;理论上讲,只要故障点过渡电阻不是无穷大,线路内部故障时两侧故障分量的相位关系就不会发生改变;被保护线路发生外部故障时,线路两侧的故障分量电流为穿越电流,保护不会误动。
由于故障分量无法直接获得,实际应用时采用故障后的电流减去故障前的电流所得的变化量来代替故障分量。
故障分量只能在故障后1-2个周波内准确提取,超出这个时间变化量差动保护就无法正确动作。
所以,故障分量判据和全电流判据之间不是相互替代的关系,故障分量判据是对全电流判据的补充。
国内保护所采用的方法相同,仅仅在系数的选择上有所区别。
iii. 零序差动保护0000min M N d M N c d op dcI I I I I I I I I K I ⎧∆=+⎪⎪⎪∆=-⎨⎪∆>⎪⎪∆>∆⎩公式4 对于高过渡电阻接地故障,国内厂家均采用公式4的判据,为了躲过不同期合闸的不平衡电流,保护会有一个延时,如PSL-603U 、CSC-103A 均延时100ms ,PCS-931G 延时40ms 。
因此零序差动保护只能作为全电流差动的后备。
下表是几种保护判据的优缺点比较 保护判据 优点 缺点电流差动保护 无延时受负荷电流影响大变化量差动保护 不受负荷电流的影响 采样时间较短,只有1-2个周波 零序差动保护能反映高阻抗接地故障有100ms 的延时C. 保护对CT 饱和的处理i. PSL-603U 在CT 饱和时,为了不降低区内故障时的保护灵敏度,又能躲过区外故障CT 饱时的不利影响,保护装置利用输电线路故障时刻电流流向以及CT 饱和时波形畸变的特点,能够可靠检测出区外故障CT 饱和,从而使电流差动继电器可以根据上述判断结果进行相对应的处理。