20T锅炉报价
- 格式:xls
- 大小:20.50 KB
- 文档页数:4
生物质锅炉是燃烧生物质能源的一种锅炉,可燃烧生物质成型颗粒、压块颗粒、秸秆、稻壳等燃料。
生物质能源作为一种可再生的能源,具有低能耗、低排放、分布区域广、适宜就地开发利用的特点。
生物质锅炉按出口介质的不同分为生物质蒸汽锅炉和生物质热水锅炉,分别为企业提供蒸汽进行蒸养、烘干,提供热水进行供暖和洗浴。
生物质燃料锅炉按照锅炉型号分有SZL型、DZL型、DZH型。
不同结构的锅炉价格不同,吨位越大,价格越高。
下面以SZL型生物质锅炉为例介绍锅炉参数;如果您是需要6吨以上生物质锅炉,为您推荐SZL型。
该系列锅炉为双锅筒纵置式链条炉,分为蒸汽和热水锅炉,采用快装或组装结构。
6-35t/h由上下二大件组成,上部大件为本体受热面,下部大件为燃烧设备。
如下图:15吨SZL系列生物质蒸汽锅炉发货SZL系列生物质锅炉产品特点:1、炉膛两侧墙水冷壁采用膜式水冷壁结构;2、炉膛前、后墙水冷壁管向下延伸到炉排上部形成前后拱。
3、炉膛后为燃烬室、对流管束,尾部有省煤器。
烟气经炉膛、燃烬室、对流管束、省煤器进入尾部烟道,通过除尘器、引风机、烟囱排入大气。
4、前墙布置有二次风,由阀门控制,在燃用生物质燃料时投入使用,强化燃烧,使燃料充分燃尽,提高燃烧效率。
5、采用较高的进料口,以满足生物质燃料的需求。
SZL系列生物质蒸汽锅炉运行现场图远大锅炉拥有A级锅炉、D级压力容器制造许可证以及二级锅炉安装、改造、维修资质;参与多项国家锅炉标准的起草,拥有应用专利技术60多项,安全生产标准化三级企业;远大DZL、SZL系列生物质锅炉遍布全国30多个省市,覆盖全球86个国家地区;产品性能高,据用户反馈的运行现场数据,实际运行工况良好,能超负荷运行。
远大锅炉生产车间图。
20吨蓄热式熔铝炉技术参数及设备报价xx铝业有限公司感谢贵公司的关注和垂询,在双方初步洽谈和技术交流的基础上,我们专为贵公司制定了20吨蓄热式熔铝炉的技术方案,我们将包工包料,负责砌筑20吨容量的熔铝炉,并制作、安装、调试由公司发明的先进高效节能环保的蓄热式燃烧系统设备,完成交钥匙工程项目,培训贵公司的技术骨干,直至能生产为止。
日后我们还将为贵公司提供贴身的售后服务,让客户用得安心和省心。
欢迎来电来人交流参观!一、蓄热式熔铝炉主要技术参数:1、用途:重熔铝锭、返回料(棒头尾)、铝屑熔化铝液等的熔炼2、所配炉子规格:矩形熔铝炉,最大容量为20吨+5%3、炉子外形尺寸:6200×5560×4650mm,熔池深度:600mm+50mm4、炉衬设计使用寿命:>5年钢结构使用寿命>8年5、炉门数量及形式:壹扇稍微倾斜的升降炉门,炉门开口尺寸2200×1500mm6、炉门升降机构:摆线针轮减速机通过滑轮组完成提升,控制柜面板操作7、炉门密封机构:轨道凹槽自重压紧机构,结合陶瓷纤维绳软边密封装置8、炉门升降速度:6~8m/min,电机功率3kW9、燃料:天然气(低位热值大于8600kcal/m3)10、燃料炉前压力:炉前压力8~12kPa;通常压力10kPa11、投料方式:人工或者叉车从炉门口分批投料12、铝水放流方式:预制碳化硅流眼砖,使用堵头枪手动操作放流口13、炉膛工作温度:正常工作温度≤1150℃,最高工作1200℃14、铝液出炉温度:正常出炉温度680~760℃,最高800℃15、熔化期熔化率:4~5t/h(根据原料类型有所变化)16、烧嘴类型及数量:上置型蓄热式双焰燃烧器,一对两个配4套主燃料烧嘴17、烧嘴安装位置:熔铝炉侧墙居中安置18、蓄热体材质:直径28mm至30mm高铝实心陶瓷蓄热球19、烧嘴布置形式:一对两个蓄热式燃烧器相邻布置,交替燃烧20、烧嘴最大燃烧能力:300万kcal/h,最大能源消耗量350m3/h,燃气流量依靠双燃料烧嘴电磁阀组合,实现大火\中火\小火自动运行。
工业锅炉作为重要的动力设备,在推动我国经济社会发展方面发挥了不可取代的作用。
锅炉按照容量的大小,可以分为大型锅炉、中型锅炉和小型锅炉;按照锅炉介质的不同,可以分为蒸汽锅炉、热水锅炉和导热油锅炉;按照锅炉的燃料不同,可以分为燃气锅炉、燃油锅炉、燃煤锅炉和生物质锅炉等;按照锅炉安装方式的不同,可以分为快装(整装)锅炉、组装锅炉和散装锅炉。
企业用户应从自己生产线的实际需求出发,选取适当的锅炉型号和设备配置,不同的配置选择,锅炉报价自然也不同。
下边以不同吨位的的锅炉为例,了解一下其类型和参数,便于有需求的客户进行选择、比较。
无锡中正锅炉有限公司成立三十余年,一直积极践行技术创新和绿色发展的理念,目前已发展成国内工业锅炉制造行业的翘楚。
公司不仅持有A级锅炉制造许可证、BRⅡ级压力容器制造许可证,还拥有美国ASME标准“S”(动力锅炉)、“U”(压力容器)许可钢印,并全面通过ISO9001:2000国际质量体系认证。
近年来,中正锅炉积极发展海外市场,凭借技术优势和高品质的锅炉产品已远销全球100多个国家和地区,受到了广泛欢迎和青睐。
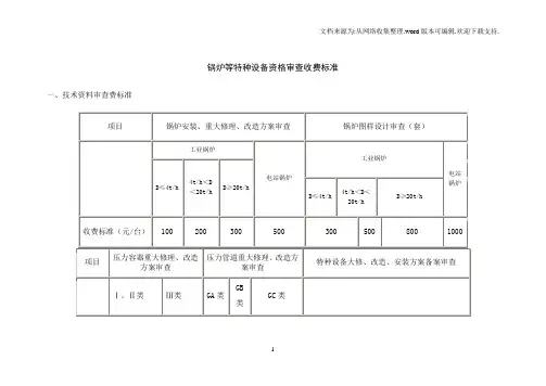
锅炉等特种设备资格审查收费标准一、技术资料审查费标准1二、设计、制造、安装、检验、修理、改造资格审查费1.锅炉制造、安装资格审查费2.压力容器设计、制造资格审查费23.压力管道设计、制造、安装资格审查费4.特种设备制造、安装资格认可审查费5.锅炉等特种设备安全附件制造单位资格审查费1600元/项。
6.检验、检测资格审查费3注:(1)对国家质检总局管理的锅容管特设计、制造许可证单位,省级不再进行审查收费。
(2)以上5方面资格审查费,不含专家、评审机构评审费、交通费、差旅费、补助费等其它费用。
三、证照费4注:机动车牌照每付100元,含固定扣。
附件2:锅炉等特种设备人员培训考核收费标准一、操作技能资格培训考核费1.司炉工培训考核费52.锅炉水处理人员培训考核费3.无损检测人员培训考核费64.焊工培训考核费5.特种设备操作人员培训考核费注:厂内机动车驾驶员新办证培训加收100%,实作培训加收100%。
76.特种设备安装、维修保养人员培训考核费。
7.设备操作及安全管理人员培训考核费。
8.锅炉、压力容器、压力管道及特种设备检验员、检验师培训考核费89.安全监察人员培训考核费注:上述9项培训考核费用中含教材费、材料消耗、证书费等全部费用。
有关培训考核课时、内容按国家规定的相应工种的培训考核大纲进行。
附件3:锅炉等特种设备检验收费标准锅炉检验收费标准(一)工业锅炉定期检验收费标准9注:(1)热水锅炉按0.7MW相当于1t/h计算。
(2)上表为工作压力小于或等于1.25MPa锅炉定期检验收费标准;工作压力大于1.25MPa且小于3.8MPa的锅炉定期检验收费为上表中的150%;大于等于3.8MPa的锅炉定期检验收费标准为上表中的170%。
(3)水压试验收费标准为该炉定期内部检验收费标准的150%,使用被检单位试验设备的,收费标准减半。
(4)有机热载体炉检验按上表收费标准的120%收费,强度校核100元/项。
(5)小型锅炉检验按上表收费标准收费。
锅炉等特种设备资格审查收费标准一、技术资料审查费标准二、设计、制造、安装、检验、修理、改造资格审查费 1.锅炉制造、安装资格审查费2.压力容器设计、制造资格审查费3.压力管道设计、制造、安装资格审查费4.特种设备制造、安装资格认可审查费5.锅炉等特种设备安全附件制造单位资格审查费1600元/项。
6.检验、检测资格审查费注:(1)对国家质检总局管理的锅容管特设计、制造许可证单位,省级不再进行审查收费。
(2)以上5方面资格审查费,不含专家、评审机构评审费、交通费、差旅费、补助费等其它费用。
三、证照费注:机动车牌照每付100元,含固定扣。
附件2:锅炉等特种设备人员培训考核收费标准一、操作技能资格培训考核费1.司炉工培训考核费2.锅炉水处理人员培训考核费3.无损检测人员培训考核费4.焊工培训考核费5.特种设备操作人员培训考核费注:厂内机动车驾驶员新办证培训加收100%,实作培训加收100%。
6.特种设备安装、维修保养人员培训考核费。
7.设备操作及安全管理人员培训考核费。
8.锅炉、压力容器、压力管道及特种设备检验员、检验师培训考核费9.安全监察人员培训考核费注:上述9项培训考核费用中含教材费、材料消耗、证书费等全部费用。
有关培训考核课时、内容按国家规定的相应工种的培训考核大纲进行。
附件3:锅炉等特种设备检验收费标准锅炉检验收费标准(一)工业锅炉定期检验收费标准注:(1)热水锅炉按0.7MW相当于1t/h计算。
(2)上表为工作压力小于或等于1.25MPa锅炉定期检验收费标准;工作压力大于1.25MPa且小于3.8MPa的锅炉定期检验收费为上表中的150%;大于等于3.8MPa的锅炉定期检验收费标准为上表中的170%。
(3)水压试验收费标准为该炉定期内部检验收费标准的150%,使用被检单位试验设备的,收费标准减半。
(4)有机热载体炉检验按上表收费标准的120%收费,强度校核100元/项。
(5)小型锅炉检验按上表收费标准收费。
20吨燃气锅炉(蒸汽)技术参数和价格
原文出自于豫鑫锅炉:/article/7331.html
20T燃气锅炉(蒸汽)技术参数:
型号WNS20
额定蒸发量t/h20
额定蒸汽压力Mpa 1.25和1.6等等
额定蒸汽温度℃193和204
给水温度℃105
传热面积M3516
适用燃料轻油、重油、燃气、煤气等轻油耗量kg/h1220
重油耗量kg/h1157
天然气耗量Nm3/h1330
城市煤气Nm3/h3073
天然气供气压力mbar150-300
城市煤气供气压力mbar150-300
燃重油总电功率三相电KW118.5
燃轻油总电功率三相电KW
燃气总电功率三相电KW77
锅炉最大运输重量T45.5
锅炉满水容积M334.1
燃气蒸汽锅炉的选型原则:
1.通常宜选用卧式燃气锅炉。
如果锅炉房面积有限,可选用立式锅炉。
立式锅炉热效率比卧式低。
2.如果要求蒸汽压力超过1.6Mpa,则宜选用水管锅炉。
3.根据生产工艺的需要,考虑管网和锅炉房内部阻力损失,需留有一定余量。
20T燃气锅炉在客户现场的效果图:
20T燃气锅炉(蒸汽)的价格,请直接联系在线崔经理或电话咨询;20T燃气锅炉的压力大小会影响锅炉的价格,所以需要您电话咨询说明燃气锅炉详细需求!
20T燃气锅炉详细介绍:
20吨燃油气锅炉:/article/4041.html。
20吨天然气锅炉运行注意事项天然气锅炉在运行过程中,一些因素严重影响着锅炉的运行效果以及耗气量情况。
因此,科学司炉很重要。
以20吨天然气锅炉为例,简单介绍天然气锅炉运行成本。
1、燃气成本20吨燃气蒸汽锅炉额定出蒸汽量6吨每小时,取最大用气量70立方计算燃气成本为:20*70*2.77= 3878元/小时2、用电成本6吨燃气蒸汽锅炉主要用电部分为燃烧器和水泵,其他的都是弱电,燃烧器功率为22kw ,水泵功率为30kw,其他弱电2kw计算用电功率为(22kw+8kw+2kw)*1元/kw=20.8元/h3、用水成本20吨蒸汽锅炉一个小时能使20吨的水变成20吨的蒸汽用水费用为 20*1.1*3.6=79.2元/小时4、人工成本燃气蒸汽锅炉为全自动锅炉,只需要人工来回巡查就行,两班倒,一个巡查员一月按照3000元的工资计算,一天工作12小时,一个小时的成本为 3000*2人次/30天/24小时=8.33元/小时5、维护成本天然气锅炉全自动锅炉,故障率非常低,维护成本也非常低,一台4吨的燃气蒸汽锅一年8000的维护成本费用;一台6吨的燃气蒸汽锅一年10000的维护成本费用。
一年按照365天,一天24小时,一个小时的维护成本估算6吨燃气蒸汽锅炉维修费用为10000/365天/24小时=1.14元/小时6、锅炉房基建投资图纸规划中计划使用土地26m*17m=442㎡厂家按3台锅炉使用面积预估:L=16m,W=15m,H=7m计划建筑面积为16m*15m=240 ㎡,厂房折旧按20年计算3000元/㎡* 240㎡=720000元720000/20年/365天/24小时=4.11 元/小时远大锅炉建议:购买一台节能的天然气锅炉远远优于购买一台价格低的锅炉购买天然气锅炉注意事项:1、考量性价比;2、注重辅机配置;3、注重品牌与锅炉运行效果;4、注重锅炉运行稳定性;天然气锅炉的运行与锅炉的节能效果与科学司炉有很大关系,采购要慎重,细心。
生物质锅炉的燃料选择比较灵活,既可以是原生态的木柴,稻壳,秸秆等燃料,也可以是经过浓缩加工的生物质压块,生物质颗粒等燃料。
远大锅炉生物质锅炉系列:DZH 系列生物质锅炉,DZL 系列生物质锅炉,SZL 系列A 型生物质锅炉,SZL 系列D 型生物质锅炉。
生物质锅炉的价格需要需要综合考虑锅炉的质量,辅机配置等因素,根据配置等62年生产经验,600多台生产设备,5000余吨生产能力,10万平生产基地,出口六十多个国家远大锅炉与众多企事业单位合作,如国内的超威电源,华丽包装,中铁,中建清华大学,北京地铁,中国石油,中国石化,庄胜集团等国外企业如亚、欧、非、南美洲等六十多个国家的企业单位。
生物质锅炉的燃料是木柴,秸秆等加工成的颗粒,压块,也可以是原生的木柴,稻壳等燃料,燃料种类灵活,燃烧效果好,蒸汽品质高,可满足多种工业生产和供暖的需要。
远大合作伙伴:6吨生物质锅炉缅甸食品厂卸货现场柬埔寨饮料厂20吨生物质锅炉港口装船6吨、10吨、15吨、20吨生物质锅炉价格巴基斯坦化工厂6吨生物质锅炉湖北食品厂6吨生物质锅炉6吨、10吨、15吨、20吨生物质锅炉价格生物质锅炉特点:以6吨生物质锅炉为例,简单介绍6吨生物质锅炉参数:的欢迎,双锅筒是在单锅筒生物质锅炉基础上优化而来。
双锅筒生物质锅炉特点:1、出力足2、换热佳3、烟气流程设计佳4、控制系统智能化程度高5、分为A型和D型两种结构6、运输方便7、运行性能稳定8、外表美观大方9、工业质感组远大锅炉产品畅销亚洲,非洲,拉丁美洲等六十多个国家,9月12日-15日,我公司将携旗下燃煤锅炉,燃气锅炉,燃油锅炉生物质锅炉等产品亮相中国东盟博览会,欢迎广大用户莅临会场,商谈合作!远大锅炉始建于1956年,有六十余年生产经验,产品销往六十多个国家,欢迎咨询洽谈合作!。
20吨燃气锅炉运行方案20吨燃气锅炉WNS20-1.25-Q选用燃料:天然气,液化气,管道气等结构形式:卧式快装结构20吨燃气锅炉属于大型的机械设备,锅炉满负荷运行单位时间内的出蒸汽量是20t,该锅炉的最佳运行负荷是70%-100%。
山东生物药厂20吨燃气蒸汽锅炉发货图根据锅炉主机质量,辅机配置等的不同,20吨燃气锅炉价格区间:60万-200万20吨燃气锅炉的良好运行与建立完善的运行方案有着密切的关系。
20吨燃气锅炉的运行主要分为三部分,运行前的准备,运行中,正常停炉。
一、运行前的准备1、检查各安全附件、热工仪表、电气仪表应完好;2、检查各连接处,焊缝处及管线上有无漏水现象;3、检查排污管线、进水管线、回水管线应通畅;4、将补给水箱加满水;5、检查线路电压应为380V,其波动应在±5%以内;6、若是因故障停炉,须按“复位”按钮,解除燃烧故障锁定;7、打开手动燃气阀;8、烧机的启动按钮,检查其运行是否正常;造纸厂燃气锅炉运行现场二、燃气锅炉运行1、运行过程中要时刻关注锅炉主机和辅机设备的运行;2、如果出现故障停炉,要及时处理问题,保证锅炉及时投入运行;3、锅炉升压不宜过快;4、锅炉运行过程中,如果仪表出现故障,需要及时更换;三、燃气锅炉正常停炉1、采用正确的方法和方式停炉;2、各辅机设备依次停炉;3、燃烧器和冷凝循环泵联动;北京两台超低氮燃气蒸汽锅炉运行现场氮氧化物含量低于30mg/m³现在各地都在进行煤改气和低氮燃气锅炉改造,用户在购买燃气锅炉时,一定要特别注意,当地的环保政策和要求,便于购买到适合自己生产用的燃气锅炉。
20吨燃气锅炉采购注意事项:1、注意当地环保政策2、注意产品性价比远大锅炉建议广大用户:不要过分追逐产品价格,无论何时锅炉质量都是第一位。
20吨燃气锅炉WNS20-1.25-Q
20吨燃气锅炉
额定蒸发量:20t/h
天然气用量:1400-1600m³/h
陕西农作物公司20吨燃气蒸汽锅炉发货
20吨燃气锅炉技术参数
20吨燃气锅炉控制系统介绍如下:
1、水位实时监控功能:配有电子检测水位装置,实时监控锅炉水位.
2、时间设置功能:用户可根据需要,自由组合设定锅炉的起停时间.
3、漏电保护功能:控制系统检测到电热元件漏电后,将自动切断电源.
4、缺水保护:当锅炉缺水时及时切断燃烧器控制电路,防止燃烧器发生干烧损坏,同时控制器发出缺水报警指示.
5、电源异常保护功能:锅炉立刻停止运行.
6、超压联锁保护:锅炉内压力超过用户设定值时,禁止燃烧器工作并报警提示.
7、压力控制器、水位报警器、安全阀、极低水位报警等多重安全保护.
8、完整的燃气阀组及保护系统:提供从过滤器、调压阀、电磁阀等完整燃气阀组及配件,确保了燃气的安全性.
9、烟气监控装置,可自动监测锅炉的排烟温度,更加方便地掌握锅炉的燃烧情况
管桩厂20吨燃气锅炉
管桩厂15燃气锅炉注意事项:
1、蒸汽品质稳定
2、蒸汽压力有保证
3、蒸汽温度有保证
20吨燃气锅炉选型、价格咨询了解,业务洽谈,欢迎致电联系!。
锅炉房配套附属设备清单锅炉房配套附属设备清锅炉房配套附属设备清单WNS0.7MW-1.0MPa-95/70-YQ燃气热水锅炉技术参数表WNS10.5MW-1.0MPa-95/70-YQ燃气热水锅炉技术参数表WNS14MW-1.0MPa-95/70-YQ燃气热水锅炉技术参数表SZS系列燃油(气)承压热水锅炉1、产品概述:本公司生产的SZS系列燃油(气)锅炉为典型的“D”型布置双锅筒纵置式水管锅炉,按锅炉容量大小,有快装型和组装型二种,额定蒸发量20t/h以下为快装型,20t/h以上为组装型。
本系列锅炉由上、下锅筒、炉膛、水冷壁、对流管束及省煤器组成,燃烧机布置在前墙,燃烧后烟气经对流管束及省煤器排入烟囱。
本系列锅炉水冷壁采用秘排布置,烟气隔墙采用膜式壁及鳍片管布置,内护板采用全封闭焊接结构,锅炉设有防爆门及其它安全装置。
2、产品特点:●锅炉全水管结构,便于参数大型化,并满足过热蒸汽要求。
●本锅炉采用双锅筒“D”型布置,结构紧凑,占地面积小,火焰充满度好。
●炉膛采用下支承方式,能自由向上膨胀。
●炉膛水冷壁采用密排膜式壁结构,有效降低耐火砖使用及维修工作量。
●本锅炉采用气密性内护板,炉体密封性好,外层采用凹凸压制护板,外型美观,漂亮。
●本锅炉的对流管膜式壁墙上设有检查孔,为使用维修提供了极大方便。
●本锅炉采用组装和半组装结构,能有效缩短安装周期。
●锅炉采用高热阻材料作为绝热层,保温性能良好。
●采用翅片管钢管省煤器,有效控制排烟温度,锅炉热效率高。
●整台锅炉座在刚性很强的底座上,安装运输方便。
●锅炉具有富裕的受热面,及足够大的汽水空间保证锅炉参数稳定。
●锅炉选用进口燃烧机,燃烧效率高并具有点火程序控制及超压熄火保护功能。
●锅炉给水采用连续自动调节,并具有高低水位报警,保护连锁功能。
SZS21-1.0-115/70-YQ燃气热水锅炉技术参数表SZS25-1.0-130/70-YQ燃气热水锅炉技术参数表SZS29-1.25-130/70-YQ燃气热水锅炉技术参数表SZS35-1.25-130/70-YQ燃气热水锅炉技术参数表新疆天山股份有限公司煤改气锅炉采购投标报价书投标报价单位:衡阳云天锅炉有限公司地址:湖南衡阳西渡经济开发区电话: 6791999 传真:网址: 邮编:421216新疆销售售后服务单位:新疆伟成暖通锅炉设备有限公司地址:乌市解放北路339号南门酒花大厦2208室电话: 2315389 传真:联系人:张伟新疆大学煤改气锅炉采购2—8吨技术参数汇总表投标报价单位:衡阳云天锅炉有限公司地址:湖南衡阳西渡经济开发区电话: 6791999 传真:网址: 邮编:421216新疆销售售后服务单位:新疆伟成暖通锅炉设备有限公司地址:乌市解放北路339号南门酒花大厦2208室电话: 2315389 传真:联系人:王文忠目录8、报价清单 (1)9、授权委托书用户意见反馈.........................................2-310、营业执照复印件 (4)11、A级锅炉制造许可证复印件 (5)12、锅炉安装、维修、改造许可证复印件 (6)13、压力容器设计许可证复印件 (7)14、压力容器制造许可证复印件 (8)15、压力管道安装许可证复印件 (9)16、组织机构代码证复印件 (10)17、国、地税证复印件.............................................11-1218、AAA级企业等级证书复印件 (13)19、湖南省省级重合同守信用单位证书复印件 (14)20、AAA级银行资信证明书复印件 (15)21、省级先进企业证书复印件 (16)22、科技先导性企业证书复印件 (17)23、新型专利证书复印件..........................................18-1924、技术创新基金立项证书 (20)25、对外贸易经营证书 (21)26、自治区环保产业协会会员证书 (22)27、自治区环保产品登记证书 (23)28、环境管理体系认证证书........................................24-2529、质量认证证书 (26)30、售后服务授权委托书用户意见反馈 (27)31、乌市服务机构营业执照复印件 (28)32、乌市服务机构组织机构代码证复印件 (29)33、乌市服务机构开户许可证复印件 (30)34、乌市服务机构国、地税复印件...................................31-3235、燃气热水锅炉技术参数表…………………………………………………33-3436、投资人基本情况 (35)37、投入的主要机械设备表........................................36-3827、供货计划安排实施说明 (39)28、售后服务人员配置表 (40)29、售后服务承诺.................................................41-4228、国内业绩表(2009-2011年)....................................43-4729、用户意见反馈................................... .............48-50。
燃气锅炉工程报价方案一、工程概述燃气锅炉工程是指对现有锅炉系统进行改造升级,更换为燃气锅炉系统。
该工程包括锅炉设备更换、管道改造、烟气排放系统改进等内容。
二、工程内容1. 锅炉设备更换:更换现有燃煤锅炉为燃气锅炉设备,包括锅炉本体、燃烧系统、控制系统等部件。
2. 管道改造:对现有燃煤锅炉的供水、回水管道进行改造,适配新的燃气锅炉设备。
3. 烟气排放系统改进:对现有烟气排放系统进行升级改造,以适应新的燃气锅炉设备的排放要求。
4. 其他配套设施改造:包括给水泵、循环水泵、水处理设备等配套设施的改造。
三、报价范围1. 锅炉设备更换费用:包括新燃气锅炉设备的采购费用、安装费用、调试费用、运输费用等。
2. 管道改造费用:包括管道材料费用、安装费用、焊接费用、试压费用等。
3. 烟气排放系统改进费用:包括烟囱改造费用、烟气净化设备购置费用、安装费用、调试费用等。
4. 其他配套设施改造费用:包括给水泵、循环水泵、水处理设备等设施的改造费用。
5. 税费及利润:包括增值税、营业税、利润等费用。
四、报价明细1. 锅炉设备更换费用:新燃气锅炉设备采购费用:100,000元安装费用:20,000元调试费用:5,000元运输费用:10,000元共计:135,000元2. 管道改造费用:管道材料费用:50,000元安装费用:15,000元焊接费用:10,000元试压费用:5,000元共计:80,000元3. 烟气排放系统改进费用:烟囱改造费用:30,000元烟气净化设备购置费用:50,000元安装费用:10,000元调试费用:5,000元共计:95,000元4. 其他配套设施改造费用:给水泵改造费用:20,000元循环水泵改造费用:15,000元水处理设备改造费用:25,000元共计:60,000元5. 税费及利润:增值税:16,200元营业税:8,000元利润:40,000元共计:64,200元五、总报价总报价=锅炉设备更换费用+管道改造费用+烟气排放系统改进费用+其他配套设施改造费用+税费及利润=135,000+80,000+95,000+60,000+64,200=434,200元六、施工周期本工程施工周期为3个月,具体安排由双方协商确定。
20吨燃气锅炉耗天然气量、运行费用20吨燃气锅炉根据介质不同,可分为燃气蒸汽锅炉,燃气热水锅炉和燃气导热油锅炉。
以20吨燃气蒸汽锅炉为例:锅炉型号:WNS20-1.25-Q蒸发量:20t/h设计压力:1.25Mpa燃料种类:天然气,管道气,液化气,压缩气等环保气体燃料20吨燃气锅炉发货图燃气锅炉的特点:1、环保2、高效3、低排放4、运行费用低,节约运行成本锅炉运行费用:燃料费用+水费+电费+锅炉房筹建费用+人工费1、耗天然气量=锅炉出力÷热效率÷天然气热值=1400-1600m³注意:20吨燃气锅炉的用气量与锅炉本身的设计有关,如受热面布置,保温效果,热效率等,也与燃料热值有着很大的关系。
以上数据只是根据平均水平计算出来的平均值,如果您需要深入了解20吨燃气锅炉计算方法和数据,可以致电河南远大锅炉咨询了解。
包装厂用燃气锅炉锅炉前上部是节能器和冷凝器:用气节能,减排锅炉补水泵和水处理设备2、水费20吨燃气蒸汽锅炉考虑到锅炉排污的水损失,产生1吨蒸汽需要的水量是1.1t 水,产生20吨蒸汽需要的水量是1.1t×20=22t水3、电费锅炉的用电辅机主要是水泵和燃烧器,功率分别是燃烧器22kw水泵30kw20吨燃气锅炉运行一小时的总用电量是52kw4、锅炉房筹建费燃气锅炉就位前,用户需要根据锅炉的尺寸和规格设计,搭建好锅炉房,便于锅炉及时就位,安放。
锅炉生产期间,我公司会将锅炉尺寸等参数提供给客户,便于用户提前做准备。
5、人工费燃气锅炉属于全自动化设备,使用一个司炉工即可,三班倒。
以上简单列出了20吨燃气锅炉的燃料,水,电,人工等情况,如需详细了解,可致电我公司沟通!。
燃气锅炉的价格与以下几个因素有关:1、锅炉结构:卧式三回程结构和一体冷凝结构锅炉价格不同2、锅炉吨位:吨位越大,价格越高3、锅炉辅机配置:燃气锅炉辅机配置包括:燃烧器、控制柜、节能器、冷凝器、水泵、水处理、烟囱烟道、阀门仪表等,不同的辅机选择,锅炉价格不同。
4、安装和运输:不同地区价格不同20吨燃气蒸汽锅炉,多用在大型企业生产中,可以为食品、化工、包装、建材、纺织、印染、制药等工业企业提供生产用汽。
20吨燃气蒸汽锅炉技术参数:锅炉型号:WNS20-1.25-Q锅炉形式:卧式额定蒸发量:20t/h额定蒸汽压力:1.25Mpa额定蒸汽温度:194℃锅炉热效率:92%燃料耗气量:1400m³/h是否提供配套辅机:如有需求可提供配套辅机适用燃料:天然气、液化气、城市煤气、瓦斯气及焦炉煤气等WNS型燃气蒸汽锅炉,为卧式三回程湿背式结构设计,该系列锅炉为快装出厂。
出厂时由三大部分组成;锅炉主机、烟囱及管路系统,其中主机和烟囱部分已在厂内制造完毕,主机所配套的管路阀门、仪表已随机装妥,运至现场将主机和烟囱组装即可。
现场接通气源、电源、水管路即可试车。
大大缩短了安装周期,且可保证产品质量。
1、锅炉设计性能先进。
该锅炉主机属整体结构,燃烧器装配在前烟箱盖上,本体主要布置受热面和燃烧室部分。
2、波形炉胆和螺纹烟管等强化传热元件的应用,不仅强化传热效果,还有效吸收炉体的热胀冷缩。
3、水循环简单,受压部件结构合理,在保证水质的情下,可以安全运行。
4、配套辅机齐全,综合技术性能先进。
5、配置有防爆门,泄压后自动回弹,确保锅炉安全性。
6、304不锈钢外包装,重量较轻,保温性能好,美观大方,不易锈蚀。