盘式过滤器的原理及应用
- 格式:doc
- 大小:312.50 KB
- 文档页数:13
简述盘式过滤器工作原理及技术特点解析
一、盘式过滤器工作原理
盘式过滤器的叠片两面布满大量特殊设计达到微米级尺寸
的沟槽,一串同种模式的叠片在独特设计的内撑上。
通过弹簧和液体压力压紧时,叠片之间的沟槽交叉,从而制造出拥有一系列独特过滤通道的深层过滤单元,这个过滤单元装在一个耐腐蚀的滤桶中形成过滤器。
在过滤时,过滤叠片通过弹簧和流体压紧,压差越大,压紧力越强。
保证了自锁性高效过滤。
过滤结束后通过手动或液压使叠片之间松开进行反冲洗。
二、盘式过滤器技术特点:
精确过滤:可根据用水要求选择不同精度的过滤叠片,有20um、55um、100um、130um、200um等多种规格。
高效反洗:高速和彻底反洗,只需7—15秒左右即可完成,反洗水量低于过滤水量的0.5%。
全自动运行:连续出水,在过滤组套内,反洗过程轮流替换进行,工作、反洗状态之间自动切换,可确保连续出水,系统压损小。
标准模块化:标准模块化系统设计,用户可按需配置,简单灵活,互换性强。
节省占地:可灵活利用边角空间,因地制宜安装,占地很小。
如300T/H处理水量,一般水质,过滤等级为100um的设备占地仅3平方米。
运行可靠:维护简单,几乎不需日常维护,安装操作方便,部件100%经工厂检测和试运行,不需专用工具,所需备品备件很少。
使用寿命长:高科技塑料过滤芯坚固、无磨损、无腐蚀,经过多年验证,过滤和反洗效果不会随使用时间而变差。
一、盘式过滤器应用范围
空调冷却水,设备和仪器冷却水,工业冷却水;清洗,冲洗水,工艺水,造纸工艺水过滤,储水池清洁等;保护砂滤器、树脂,保护滤芯、滤袋、微滤膜、超滤膜、RO膜、离子交换膜等。
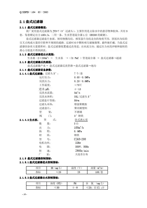
2.1盘式过滤器2.1.1 盘式过滤器概述:我厂采用盘式过滤器为JY3-7(3″过滤头),主要作用是去除水中的悬浮物和胶体。
共有3套,每套额定出力100t/h,二用一备。
生水管道混合器1台(DN200的碳钢)。
盘式过滤器过滤盘片表面,刻有细微沟纹,相邻盘片沟纹走向的角度不同,因而在沟纹的交叉点构成大量的空腔和不规则的通路。
过滤时水中颗粒相互碰撞凝聚,最终被拦截。
当盘式过滤器因杂质大量累积时,盘式过滤器装置通过改变进、出水流方向,通过压力水的冲刷和旋转的离心力使盘片得到清洗。
2.1.2 盘式过滤器进出水流程:生水箱(2×200m3)→生水泵→(加 PAC )管道混合器→盘式过滤器→超滤2.1.3 盘式过滤器反洗流程:盘式过滤器产水→盘式过滤器反洗管路→盘式过滤器→地沟2.1.4 盘式过滤器设备参数:2.1.4.1盘式过滤器:过滤头3″: 7个/套运行压力: 0.08—0.8MPa反洗压力: 0.28—0.6MPa工作温度:<70℃进水pH: 4—13反洗水流量:8m3/h反洗水体积: 33L/过滤头3″过滤盘片等级:50µm过滤头本体:增强聚酰胺过滤盘片:聚丙烯塑料管架:不锈钢阀门: 3″铸铁2.1.4.2生水泵:型式:卧式离心泵数量: 3台出力:100m3/h扬程: 0.4MPa材质:铸铁型号:CZ65-200电机功率:22Kw电源:380V,50Hz转速:2900r/min厂家:大连苏尔寿2.1.5 盘式过滤器控制指标:2.1.5.1盘式过滤器进水控制指标:2.1.5.2盘式过滤器出水控制指标:2.1.6盘式过滤器启动前的检查:2.1.6.1检查生水箱水位与水温满足启动要求。
2.1.6.2检查生水泵备用良好。
2.1.6.3检查盘式过滤器备用良好,盘式过滤器入口阀、排污阀、出口阀已开启。
2.1.6.4检查两位三通阀处于过滤位。
2.1.6.5检查超级过滤器备用良好,超级过滤器入口阀已开启。
圆盘式过滤器圆盘式微孔过滤器设备工艺原理概述圆盘式过滤器,也称为圆盘式微孔过滤器,是一种常用于液体、气体过滤的设备。
它的过滤媒介为一组小孔直径相同的圆盘,设有过滤通道,当流体通过圆盘时,固体颗粒被截留在圆盘之上,而经过过滤后的流体则通过圆孔排出。
本篇文档将深入解析圆盘式过滤器的工艺原理。
设备构成圆盘式过滤器构成主要包含圆盘结构、过滤介质和支撑框架。
圆盘结构圆盘结构是指由一组圆盘形成的“盘堆”,又称为“堆片”,通常由金属钢板、铜、铝或其它合金材料制成。
圆盘的直径决定了污水流程的容积,孔径则会影响过滤精度。
为了得到所需的过滤精度,一般选用工艺精密的机床对圆孔进行孔径加工。
过滤介质过滤介质是指圆盘之间的隔板,它们共同过滤出液体中的固体(大至15毫米)或者其他颗粒物。
过滤介质主要分为三种类型:带螺纹连接的介质(可拆卸)、端盖式介质(非可拆卸)和薄板介质。
支撑框架支撑框架是在过滤器上部分的固定框架,固定每层过滤片,防止压力因振动而损坏过滤器。
工艺原理圆盘式过滤器原理基于物理上的微孔过滤,通过过滤介质将流体中的固体颗粒过滤出来,实现分离固液的目的。
具体可概括为以下两个步骤。
孔径选择圆盘式过滤器强调通过选择不同孔径(即滤清度)的圆盘,来达到不同的过滤效果。
圆盘的孔径可操作在0.1~10 mm内,通过实验和计算,选取合适孔径可达到90%以上的固体分离需要。
孔径越小,过滤精度就越高,但相应的过滤阻力就越大,需要依据实际情况选择合适的孔径。
过滤过程圆盘式过滤器的过滤过程是一个连续的物理过滤过程,其主要分为三步:1.进水过程圆盘式过滤器的进水口与出水口是集中布置在一个方盘上。
当水从进水口进入方盘时,需要经过一系列处理工序来保证水质符合要求。
对于一些特定的工艺,可能还需要使用一些化学剂来处理水质。
2.过滤过程在水到达圆盘之间时,其中的固体颗粒会被圆盘上的孔径截留,而部分液体则通过孔径排出,经由过滤介质的作用,剩余的固体颗粒都被圆盘上的孔径截留,只有洁净的液体通过过滤器进入下一步。
盘式过滤机工作原理盘式过滤机是一种常见的机械式固液分离设备,主要应用于对糊状物、泥浆以及粘稠物的固液分离。
盘式过滤机的工作原理是利用圆盘转动的驱动作用将液态物质中的固体颗粒通过滤网分离出来,从而实现固液分离的目的。
盘式过滤机由圆盘、驱动装置、控制系统、滤网等主要组件构成。
在使用时,需要将待处理的物料通过进料管道引入机器内部,然后圆盘开始旋转,将物料均匀的分布在滤网上方。
在圆盘旋转的滤网不断的将物料的固体颗粒分离出来,然后通过排出口将固体颗粒排出机器。
盘式过滤机的滤网一般采用质地坚固、耐用、耐磨损的材料制成,如不锈钢、陶瓷等。
滤网的开孔率也是影响盘式过滤机工作效率的重要因素之一。
一般来说,开孔率越大,过滤机处理的物料越稀,处理效率也越高。
除了滤网,盘式过滤机内部还设有除水盘,主要用于去除物料中余留的水分和溶剂。
当固体颗粒通过滤网后,落入除水盘中进行除水,然后再通过排出口排出机器。
盘式过滤机的主要特点是过滤效率高、操作简便、维护方便、适用范围广,尤其适用于对粘稠物料的处理。
由于盘式过滤机的结构相对较为复杂,价格也较高,因此在使用时需要注意维护和保养,以保证机器的长期正常工作。
化工行业:盘式过滤机是化工行业中广泛使用的固液分离设备之一。
它可以用于压缩机油、合成材料、聚合物、酸洗液和尾气处理等领域。
医药行业:盘式过滤机在医药行业中的应用非常广泛,可以用于药品制造和污水处理,特别是在生物药品制造和蛋白质分离过程中应用广泛。
食品行业:盘式过滤机在食品制造过程中应用广泛,主要用于饮料、果汁、啤酒、乳制品、糖果、巧克力、酱料、调味品等品种的生产过程中从混合物中分离出相应的固体颗粒和沉淀物。
环保行业:盘式过滤机在环保行业中的应用也越来越广泛,如对水处理、酸洗液、污泥、石油污染和农药残留等的处理。
电力行业:盘式过滤机在电力行业中可以用于燃煤和燃气发电过程中,把污泥、灰渣和其他类型的固体颗粒从固液混合物中分离出来,以提高发电效率。
盘式过滤器的原理及应用
1.流程工业中的固液分离:盘式过滤器可以在化工、制药、食品、饮
料等行业中用于分离悬浮物,如颜料、催化剂、介质、蛋白质等。
2.环保领域中的水处理:盘式过滤器可用于处理各种废水,如污水处
理厂中的固液分离、工业废水中的重金属去除等。
3.电子行业中的液体过滤:盘式过滤器可以用于印刷电路板制造中的
显影液过滤、光刻液过滤等。
4.医药领域中的生物制药:在制药工艺中,盘式过滤器可以用于蛋白
质的分离、悬浮液的浓缩等。
1.占用空间小:盘式过滤器采用紧凑的结构设计,可以节约占地空间。
2.处理能力大:盘式过滤器可以同时处理大量的悬浮物,满足工业生
产的需求。
3.过滤效果好:盘式过滤器细孔过滤元件可以有效截留固体颗粒,确
保过滤效果。
4.操作简便:盘式过滤器采用自动控制,操作简便,无需人工维护。
5.寿命长:盘式过滤器采用耐磨材料制作,寿命长,成本低。
6.节约能源:盘式过滤器运行时的能耗较低,可以节约能源。
总之,盘式过滤器在固液分离领域应用广泛,它的过滤原理简单而有效,能够满足不同行业的过滤需求。
在今后的工业生产中,盘式过滤器将
继续发挥重要的作用。
盘式过滤器方案摘要本文介绍了盘式过滤器的概念、原理和应用方案。
盘式过滤器是一种常用的固液分离设备,在工业领域和实验室中广泛应用。
本文将从盘式过滤器的工作原理、结构特点和优点出发,探讨其在不同领域的应用,并给出相应的设计和操作指导。
1. 引言盘式过滤器,也称为旋转过滤器,是一种将固体颗粒从流体中分离的设备。
它主要由滤网架和滤网组成,通过旋转滤网以及与它配合的刮刀、水槽等辅助部件,实现了对废水、废液等流体的高效过滤和固液分离。
2. 盘式过滤器的工作原理盘式过滤器的工作原理基于离心力和过滤原理。
当废水或废液被注入盘式过滤器的进料管道时,流体会通过滤网并被离心力推向滤网的边缘。
固体颗粒会被滤网截留,而清洁的流体则从滤网的中央孔洞流出。
同时,配合刮刀和水槽的作用,将固体颗粒从滤网上刮下,实现固液分离。
3. 盘式过滤器的结构特点盘式过滤器的核心部件是滤网,它通常由多层不锈钢丝网组成,具有较大的过滤面积。
滤网可根据不同粒径的颗粒,选择不同网眼大小的丝网,以实现不同过滤效果。
盘式过滤器的其他主要部件还包括进料管道、出料管道、刮刀、水槽等。
这些部件通过合理的设计和布局,保证了盘式过滤器的稳定运行和高效过滤效果。
4. 盘式过滤器的应用方案4.1 工业废水处理盘式过滤器在工业废水处理中扮演着重要角色。
它能够高效地去除废水中的悬浮固体颗粒,减少废水处理系统的负担。
在工业废水处理站中,盘式过滤器通常作为前置处理设备,通过过滤将废水中的固体颗粒去除,从而提高后续处理设备的处理效果。
4.2 实验室样品净化盘式过滤器也被广泛应用于实验室中对样品的净化。
在样品制备过程中,常常需要除去其中的固体颗粒,以便进行后续分析。
盘式过滤器结构简单、操作方便,可以快速实现对样品的净化和固液分离。
4.3 其他领域的应用除了以上两个应用方案,盘式过滤器还可以在其他领域得到应用。
例如冶金行业中对金属溶液的过滤,食品行业中对浆料和液态食品的处理等等。
盘式过滤器原理范文
在预压阶段,工作液体通过进料管道进入过滤单元中的滤盘,滤盘上
面覆盖着滤布或滤网。
液体在进入滤盘的同时,被提供的压缩空气通过进
气孔进入滤盘,通过滤布或滤网,将其中的液体排出,实现初步脱水。
在过滤阶段,滤盘上的液体经过预压后继续往下流动,通过滤盘上的
滤布或滤网,将其中的固体颗粒进行截留,只保留液体通过。
由于滤盘上
有很多细小的孔眼,固体颗粒无法通过这些孔眼,被滤盘上的滤布或滤网
截留。
在脱水阶段,滤盘上的固体颗粒逐渐积聚,从而形成过滤膜,限制了
液体的通过。
此时,继续向滤盘供压力,可以进一步将液体从滤盘中排出,从而实现脱水的效果。
1.高效率:盘式过滤器可以通过增加滤盘的数量和面积,提高过滤效率。
由于滤盘可以平行排列,液体可以同时通过多个滤盘进行过滤。
2.占地面积小:由于滤盘是平行排列的,而且可以堆叠在一起,占地
面积相对较小。
因此,盘式过滤器在空间有限的场所中应用较为广泛。
3.操作简单:盘式过滤器的操作相对简单,只需通过控制进料和排出
液体的流量即可实现过滤和脱水的目的。
此外,滤盘上的固体颗粒也很容
易清理。
4.适用范围广:盘式过滤器可以适用于各种不同的工作液体,包括固
液两相、液液两相和气液两相等。
同时,它也适应于不同颗粒大小和浓度
的悬浮液。
总结起来,盘式过滤器通过滤盘上的滤布或滤网,将悬浮在液体中的固体颗粒进行截留和脱水,实现固液分离。
它具有高效率、占地面积小、操作简单和适用范围广的特点,广泛应用于各种工业领域。
盘式过滤器原理
当液体通过盘式过滤器时,首先会进入过滤器的进料管道并分布到各个盘片中。
液体在通过盘片孔隙的同时,固体颗粒物被截留在盘片上,形成一个过滤膜。
这个过滤膜可以阻挡较大的固体颗粒和固体颗粒的组块,而让溶解在液体中的低浓度悬浮颗粒通过。
过滤膜的厚度和孔隙的大小可以根据需要进行调整,以实现不同粒径的固体颗粒的过滤。
随着过滤过程的进行,过滤膜上积累的固体颗粒越来越多,阻力也随之增大。
当阻力达到一定程度时,过滤效果会下降,需要进行清洗。
盘式过滤器在清洗时通常采用反向冲洗的方式,即将清洗介质反向喷洒到过滤介质上,冲刷固体颗粒,将其排出。
盘式过滤器的优点是可以实现高效的固液分离,具有较小的占地面积和较大的过滤面积。
由于过滤过程中的压力主要来自液体自身,所以不需要额外的能耗。
另外,盘片的数量也可以根据具体要求进行调整,从而满足不同规模和处理量的需求。
总的来说,盘式过滤器是一种高效可靠的机械过滤设备,通过过滤介质截留固体颗粒,实现液体固液分离。
它在化工、食品、制药等行业中有广泛的应用,为生产过程提供了可靠的保障。
全自动盘式过滤器盘式过滤器又称碟片式过滤器,其基本过滤单元主要是由一组带有沟槽的塑料盘片叠加在一起组成的,塑料盘片间的沟槽相互交错形成较小的通道,从而可以将直径大于通道的所有悬浮物拦截下来。
目前市面上常见的盘式过滤器从反冲方式和单元构成方面讲主要有两种结构:一种是冲洗时可松盘的,其盘片上的沟槽是切向直线形的,目前以色列阿科(ARKAL)、国产洁明(亚高)、西班牙阿速德(AZUD)均为这种结构,其中西班牙阿速德(AZUD)的产品有自己独特之处,详情请见下文;另一种是反冲时盘片不松开,其盘片上的沟槽是环状和同心圆交错的,以色列雷鸥ELGO等产品采用的是这种结构(另外还有反洗时不松盘的切向直线形盘片,因为从原理上讲其冲洗效果不太理想,在此不多涉及)。
全自动盘式过滤器最早进入中国应该是AMIAD的产品,但是由于该公司自己有大流量的网式过滤器,所以在工业水处理领域并未大规模推广其盘式过滤器产品。
ARKAL等以色列产品在农业领域的应用也很早就有了,著名的以色列灌溉公司NETFIM很早就在农业领域引入了ARKAL的过滤系统。
但是盘式过滤器在工业水处理领域的大规模推广应用还是在北京洁明公司慢慢开始的,北京洁明公司在1996年左右的时候作为ARKAL中国大陆地区的代理商,将ARKAL盘式过滤器引入到工业水处理领域,并做了很多推广工作,其命名的“亚高”盘式过滤器在业内曾一度几乎是以色列盘式过滤器的代名词。
但是由于种种原因,洁明与ARKAL 的代理关系最后被终止了,北京洁明自己开发了与ARKAL非常类似的盘式过滤器,以其自有的“亚高“品牌在国内进行销售。
雷鸥(ELGO)的盘式过滤器以高过滤精度见长,其设计与ARKAL差异很大,且可以提供极高的过滤精度(号称可达5um)。
本站所用到的图片及资料来源于以色列阿科(ARKAL)、西班牙阿速德(AZUD)、北京清华捷源等公司的资料,均由公开渠道获得,请勿在未得到原版权人的直接许可时用于商业目的。
盘式过滤器的工作原理
盘式过滤器是工业制造中广泛使用的一种过滤器,它主要通过过
滤网、滤布等材料将流体中的杂质、颗粒等物质过滤掉,使流体变得
清洁。
盘式过滤器工作时,流体从进口流入,经过滤网、滤布的过滤,通过出口排出,达到过滤的效果。
盘式过滤器的核心是过滤系统,它由多个圆盘构成,每个圆盘上
面安装有过滤网或者滤布。
流体经过进口后,通过一个转轮,使得流
体的流动方向与圆盘的方向垂直,然后进入圆盘上的过滤孔中进行过滤。
经过过滤孔后,流体流经滤布,再流回到圆盘的一端,再经过转
轮的作用,流动方向与圆盘的方向再次垂直,然后排出。
盘式过滤器的过滤孔是由特殊的材料制成,它能够承受高温、高
压等环境,具有良好的密封、抗腐蚀、耐磨损等性能。
过滤孔比较小,通常在5至50微米之间,能够对流体中的颗粒物进行快速、有效的过滤。
此外,盘式过滤器的使用寿命长,保养简单,所以在工业制造中
广泛应用。
盘式过滤器有很多的优点,它能够快速有效地过滤流体中的杂质,提高了生产的效率,保证了生产过程中流体的纯净度。
另外,盘式过
滤器的使用寿命长,保养简单,运行成本低,能够帮助用户控制生产
成本。
在食品、化工、电子、造纸等领域中,盘式过滤器已经成为必
不可少的工业设备。
为了达到最佳的过滤效果,用户需注意盘式过滤器的使用和保养。
使用时要根据流体的性质选择合适的过滤孔,定期清洗过滤器中的过
滤网和滤布,更换损坏的过滤材料。
这些措施可以帮助盘式过滤器保
持良好的过滤效果,延长使用寿命,确保生产过程的顺利进行。
盘式过滤器的工作原理及与反洗说明盘式过滤器是一种新型高效的过滤器,具有滤速快、反洗省时省水、占地面积小、维护简单以及使用寿命长等优点,可以替代绝大多数的传统过滤器,广泛应用于超滤反渗透离子交换等的前置过滤地下水去除浊度循环冷却水系统城市污水回用系统等多种场合。
工作原理:盘式过滤器的过滤单元里有一组带沟槽棱边的过滤盘,通过顶部的弹簧压紧。
过滤时污水由过滤盘外侧进入,相邻过滤盘的沟槽棱边形成的交叉点把水中的固体物质截留,达到过滤的效果。
同时由于污物不仅贮存在过滤盘与过滤头之间,还可以贮存在过滤盘组内部,具有深度凝聚的作用,大大提高了过滤效果盘式过滤器在滤盘两面设计了不同结构的棱,这些棱叠加在一起构成拦截面,其中曲线棱主要起到拦截并贮存悬浮物的作用,采用外侧略大的敞口设计可以保证反冲洗时无需松开滤盘,在水压较低时也能达到彻底的反冲洗效果;环状棱边确定过滤精度,构成水的通道,滤盘可以提供高达5μ的过滤精度。
原水进入两层滤盘中间时,首先顺曲线棱向盘内流动,但是仔细观察无法直接进入。
这时起过滤拦截作用的是环形棱,小于环形棱沟槽尺寸的杂质可以沿环形棱进入与内部相通的曲线棱,大的杂质被拦截下来。
滤盘的独特结构还使将污物冲出的反冲洗过程更加简单和容易,而不需要复杂的马达和驱动器等机构,简单的水流即可足以将污物冲出滤芯。
这种优异性能减少了过滤器的反冲洗时间;同时由于污物不仅贮存在滤盘组与外壳之间,更多地可以贮存在滤盘组内部,所以过滤器可以容纳更多的污物。
[反洗状态:盘式过滤器可以通过三种方式实现自动控制反洗:时间、流量和压差信号,当其中一项或几项同时达到反洗要求,将给控制器发信号,这时控制器控制反洗部件,完成反洗。
反洗时每个过滤单元是交替进行的,以保证连续供水。
控制器首先控制一个过滤单元进出水阀门改变水流方向,然后松开过滤盘顶部弹簧,位于盘片组中央的喷嘴沿切线喷射,使盘式旋转,盘上及过滤头内的污物被冲洗出去。
接着控制进出水阀门恢复这个过滤单元到正常工作状态,去反洗另一个过滤单元。
污水处理设备中盘式过滤器安装标准污水处理设备中盘式过滤器安装标准一、工作原理;盘式过滤器又称叠片式过滤器,由若干个过滤单元并列组合而成,其过滤单元主要是由一组带沟槽或棱的环状增强塑料滤盘构成。
过滤时污水从外侧进入,相邻滤盘上的沟槽棱边形成的轮缘把水中固体物截留下来;反冲洗时水自环状滤盘内部流向外侧,将截留在滤盘上的污物冲洗下来,经排污口排出。
盘片在单元内为紧密压实叠加在一起,上下两层盘片中间沟槽起到过滤拦截的作用。
原水通过过滤单元时由外向内流动,大于沟槽的杂质会被拦截在外部。
| 盘式过滤器的核心部件是叠放在一起的塑料滤盘,滤盘上有特制的沟槽或棱,相邻滤盘上的沟槽或棱构成一定尺寸的通道,粒径大于通道尺寸的悬浮物均被拦截下来,达到过滤效果。
该产品在很大程度上可以取代砂滤器等传统的机械过滤装置,其性能优越、水电耗远低于其他产品。
盘式过滤器的内部支架经过了特殊设计,可以利用弹簧和液压将盘片压紧,薄薄的特定颜色的塑料叠片两边刻有大量一定微米尺寸的沟槽。
一串同种模式的塑料盘片压紧时,叠片之间的沟槽交叉,从而形成一系列独特的过滤通道(由于沟槽不是径向的,所以通道的通过性是变化的,如下图中右上方的图及中间的图所示)。
凡是通过直径大于这个通道中最小部分的悬浮物都被拦截下来,大部分污物被拦截在盘片与外壳间,少量污物进入通道内以后才被拦截下来;反冲洗时加在盘片上的力卸去,盘片在水力的作用下松开,清水由支架内部的通道进入到盘片内,沿切线方向喷出,带动盘片旋转,可以有效地将盘片通道上的污物彻底清除出去。
安装时应该注意的事项1:盘式过滤器相对于老式过滤器来说占地远小于传统的砂滤器或其他机械过滤器,可以根据需要靠边角布置。
2:设备自重不大,对地基就无特殊的要求,仅需要保持水平即可,如果地基难以达到水平要求,也可以采用地脚对设备进行固定,设备在有坡度的基础上安装、侧装甚至倒装均不影响其运行效果。
3:小型系统可直接安装在管道上,大中型系统采用地脚连接,其高度可根据现场情况进行调整。
盘式过滤器的应用和原理1. 简介盘式过滤器是一种常用的固液分离设备,广泛应用于化工、制药、食品、环保等行业。
其主要原理是通过盘式滤芯对悬浮固体颗粒进行过滤,将固体颗粒留在滤芯上,使澄清的液体通过滤芯流出。
本文将介绍盘式过滤器的应用及其原理。
2. 盘式过滤器的结构盘式过滤器主要由过滤单元、进料口、出料口、排污口、过滤介质等组成。
2.1 过滤单元过滤单元是盘式过滤器的核心部件,由多个平行排列的滤盘和滤杯构成。
滤盘上覆盖有过滤介质,可根据需要选择不同的过滤材料,如不锈钢丝网、聚丙烯膜等。
2.2 进料口进料口用于将待过滤的液体引入盘式过滤器,通常位于盘式过滤器的侧面。
2.3 出料口出料口用于排除已过滤的清液,通常位于盘式过滤器的底部。
2.4 排污口排污口用于定期清理盘式过滤器中的固体颗粒,以保证过滤效果。
2.5 过滤介质过滤介质是盘式过滤器的过滤核心,可根据不同的需求选择不同的过滤材料。
3. 盘式过滤器的工作原理盘式过滤器的工作原理基于滤盘的过滤作用,主要分为以下几个步骤:3.1 进料待过滤的液体从进料口进入盘式过滤器,通过预设的管道被引导到滤盘上。
3.2 过滤液体在滤盘上通过过滤介质,由于滤盘上的孔径比液体中固体颗粒的直径小,固体颗粒被滞留在滤盘上,而清液则穿过滤盘进入滤杯。
3.3 出料清液通过滤杯流出盘式过滤器,最终通过出料口排除。
清液中不含固体颗粒,达到固液分离的目的。
3.4 排污当滤盘上的固体颗粒积累到一定程度时,需要进行排污。
通过打开排污口,将滤盘上的固体颗粒排出,以保证过滤效果。
4. 盘式过滤器的应用盘式过滤器由于其优异的过滤效果,被广泛应用于以下领域:4.1 化工工业盘式过滤器常用于化工工业中的颜料、涂料、染料、溶剂等的过滤,可有效去除其中的杂质,提高产品质量。
4.2 制药工业盘式过滤器常用于制药工业中的生物制剂、中药浸膏、中间体等的过滤,可保证产品的纯净度和可靠性。
4.3 食品工业盘式过滤器常用于食品工业中的酒类、果汁、植物油、乳制品等的过滤,可去除其中的杂质和微生物,延长产品的保质期。
盘式过滤器说明书(总10页)--本页仅作为文档封面,使用时请直接删除即可----内页可以根据需求调整合适字体及大小--盘式过滤器运行操作维护说明书北京天元恒业水处理工程技术有限责任公司北京市西城区车公庄大街甲4号物华大厦邮编:100044TEL: 0/1902/1903FAX:0一、设备工作原理盘式过滤器的核心技术在于采用了盘片式过滤机理:通过互相压紧的表面刻有沟纹的塑料盘片实现了表面过滤与深度过滤的结合;通过巧妙设计的过滤装置实现了过滤、反洗、自动切换,循环往复的工艺过程。
1.盘片过滤原理:过滤盘片表面刻有细微沟纹,相邻盘片沟纹走向的角度不同,因而彼此形成许多沟纹交叉点(见图1-5)。
不同规格盘片其沟纹交叉点的个数也不相同,从12-32 个不等,这取决于盘片的过滤精度。
这些交叉点构成大量的空腔和不规则的通路,从而导致紊流与颗粒间的碰撞凝聚,使其更容易在下一个交叉点被拦截,因此即使一些颗粒从最初的交叉点漏过,最终仍会被后面的交叉点拦截。
当盘片之间的沟纹累积大量杂质后,过滤器装置通过改变进出水流方向,自动打开压紧的盘片,并喷射压力水驱动盘片高速旋转,通过压力水的冲刷和旋转的离心力使盘片得到清洗。
然后再改变进出水流向,恢复初始的过滤状态。
2.过滤过程( 1) 盘片被弹簧力和压盖内外压差形成的压紧力而紧密的过滤元件,防止水中杂质穿透;( 2) 原水进入过滤器并穿过过滤元件;( 3) 水中悬浮杂质被拦截在盘片外部和盘片间。
3. 反洗过程控制器发出信号关闭进水,打开排污,此时(1)其它过滤单元过滤后的清水从相反的方向进入该反洗的过滤器的出水口;(2)橡胶锥斗的裙翼被水的压力打开,水流只能进入3 个反洗管;(3)压力水从安装在反洗管上喷嘴喷出;(4)反洗管中的压力水同时也进入活塞盖,推动压盖向上,松开被其压紧的盘片;(5)沿切线方向喷射的水流驱动松开的盘片快速旋转,同时冲刷走拦截的杂质;(6) 反洗水携带冲刷下来的杂质从排污口排走;二、过滤设备运行模式1. 2″滤头过滤器的运行模式过滤过程:原水通过进水管和2×2″反洗阀,进入2″过滤头穿过过滤盘片,清水从出水管路供给用户。
圆盘式过滤机工作原理
圆盘式过滤机是一种用于固液分离的设备,它通过旋转的圆盘将悬浮在液体中的固体颗粒分离出来。
工作原理如下:
1. 悬浮液体进入圆盘式过滤机,并通过一个进料管道进入旋转的圆盘区域。
2. 圆盘开始旋转,并且悬浮液体会被离心力带到圆盘的外缘。
3. 在旋转的过程中,悬浮液体会穿过圆盘上的滤网面,并被滤网上的固体颗粒截留。
同时,液体通过滤网进入圆盘内部。
4. 通过一个收集管道,分离出的固体颗粒被收集起来,而干净的液体则被从圆盘的另一端排出。
5. 圆盘继续旋转,滤网上的固体颗粒逐渐积累,形成一个固体颗粒蛋糕层。
这个蛋糕层的厚度会影响过滤效果和处理能力。
6. 当固体颗粒蛋糕层达到一定厚度时,需要清洗滤网。
清洗可以通过停止圆盘的旋转,并使用清洗液体反冲击滤网进行。
以上就是圆盘式过滤机的工作原理,通过离心力和滤网的作用实现固液分离。
它广泛应用于水处理、化工、食品和制药等行业。
盘式过滤器的工作原理盘式过滤器是一种常见的固液分离设备,广泛应用于化工、制药、食品、环保等领域。
它的工作原理是利用过滤介质对悬浮物进行过滤,将固体颗粒从液体中分离出来,从而实现固液分离的目的。
盘式过滤器的结构比较简单,主要由过滤介质、过滤盘、进出口管道、支撑架等组成。
其中,过滤介质是盘式过滤器的核心部件,它通常由多层滤布或滤网组成,可以有效地过滤掉不同粒径的悬浮物。
过滤盘则是过滤介质的载体,通常由金属或塑料制成,具有良好的耐腐蚀性和耐高温性能。
进出口管道则用于将待过滤的液体引入和排出过滤器,支撑架则用于支撑过滤盘和过滤介质。
盘式过滤器的工作原理比较简单,主要分为三个步骤:进料、过滤和排渣。
首先,待过滤的液体通过进口管道进入过滤器,经过过滤介质的过滤作用,固体颗粒被拦截在过滤介质上,而清洁的液体则通过过滤介质进入过滤盘内部。
在过滤过程中,过滤介质的过滤效果会逐渐降低,因此需要定期清洗或更换过滤介质,以保证过滤效果的稳定性和可靠性。
当过滤介质的过滤效果降低到一定程度时,需要进行排渣操作。
排渣是指将过滤器内部积累的固体颗粒清除出去,以恢复过滤介质的过滤效果。
排渣操作通常分为手动排渣和自动排渣两种方式。
手动排渣需要人工操作,将过滤盘取出后进行清洗,而自动排渣则是通过控制排渣阀门的开关来实现的,具有操作简便、效率高等优点。
盘式过滤器的优点主要有以下几个方面。
首先,它具有过滤效率高、过滤精度高的特点,可以有效地过滤掉不同粒径的悬浮物,保证了产品的质量和稳定性。
其次,盘式过滤器的结构简单、操作方便,易于维护和清洗,可以大大降低生产成本和维护成本。
此外,盘式过滤器还具有耐腐蚀、耐高温等特点,适用于各种不同的工业领域。
盘式过滤器是一种常见的固液分离设备,具有过滤效率高、过滤精度高、操作方便等优点,广泛应用于化工、制药、食品、环保等领域。
在使用过程中,需要注意定期清洗和更换过滤介质,以保证过滤效果的稳定性和可靠性。
盘式过滤器工作原理
“哇,这水咋这么脏呢?”我看着水龙头里流出来的有点浑浊的水,不禁皱起了眉头。
嘿,你知道吗?有一种神奇的东西叫盘式过滤器,它能把脏水变得干净呢!盘式过滤器就像一个超级小卫士,守护着我们的用水安全。
盘式过滤器长啥样呢?它有一些关键的部件。
比如说,有很多个薄薄的过滤盘片,这些盘片就像一个个小盾牌,把脏东西都挡住。
还有一个外壳,就像小卫士的盔甲,保护着里面的盘片。
那它是咋工作的呢?这可就厉害啦!水从一端流进去,经过那些盘片的时候,盘片上的小孔就会把脏东西拦住。
就好像一个筛子,把大颗粒的沙子筛出去,留下干净的水。
你说神奇不神奇?
盘式过滤器在我们生活中的应用可多啦!就说我们学校的饮水机吧,里面肯定就有盘式过滤器。
要是没有它,我们喝的水可能就会有很多杂质,那多不健康呀!还有家里的净水器,也可能用到了盘式过滤器呢。
想象一下,要是没有它,我们每天喝的水都是脏脏的,那可太可怕了!
盘式过滤器真的太重要啦!它就像一个默默无闻的英雄,为我们的生
活带来干净的水。
我们一定要好好爱护它,珍惜每一滴干净的水。
我的观点结论就是:盘式过滤器超棒,它让我们的生活更美好。
盘式过滤器的原理及应用一、盘片式过滤器工作原理盘式过滤器由过滤单元并列组合而成,其过滤单元主要是由一组带沟槽或棱的环状增强塑料滤盘构成。
过滤时污水从外侧进入,相邻滤盘上的沟槽棱边形成的轮缘把水中固体物截留下来;反冲洗时水自环状滤盘内部流向外侧,将截留在滤盘上的污物冲洗下来,经排污口排出。
盘片在单元内为紧密压实叠加在一起,上下两层盘片中间沟槽起到过滤拦截的作用。
原水通过过滤单元时由外向内流动,大于沟槽的杂质会被拦截在外部。
下面是盘式过滤器盘片图1:a b图1盘式过滤器盘片通过旋转盘片,可以改变盘片之间的空隙,使盘式过滤器设备达到过滤不同粒径污染物的作用,图1中a是盘片最大通过通道,b是盘片最小通过通道。
盘式过滤器的核心部件是叠放在一起的塑料滤盘,滤盘上有特制的沟槽或棱,相邻滤盘上的沟槽或棱构成一定尺寸的通道,每个过滤头内装有上百个这样的滤盘,盘片形状类似光盘,一般厚约1mm,两面刻有螺旋状沟槽,螺旋线由内向外辐射。
一块盘两面的螺旋方向相反。
压紧的两片间沟槽形成密布的交叉网,并且越向圆心越细密。
在工作状态时,盘片在弹簧力和水力的作用下,紧紧压在一起,水由外圆向圆心流过,悬浮物即被截留在“网”中。
粒径大于通道尺寸的悬浮物均被拦截下来,达到过滤效果。
以下是盘式过滤器过滤原理图2:压缩过滤盘片图2盘式过滤器过滤原理过滤过程:1、待处理的污水自进水口进入过滤单元;2、水流自滤盘组外侧流向滤盘组内侧;3、水流在经过环状棱构成的通道时,粒径大于棱高度的颗粒被拦截下来,储存在曲线棱构成的空间、滤盘组与外壳的间隙内;4、滤后清水进入环状滤盘内部,经出口引出。
当过滤阻力增大时,或达到设定的运行时间,开始反冲洗。
此时水由圆心向外圆流动,水压克服弹簧紧力,盘片松动,将泥砂冲走。
但如何确保在很短时间内,所有盘片都能分开,得到冲洗,是这一技术的关键。
假定压紧的盘片只有两片松开,其余仍被粘结,高速水流则从缝隙冲出,在盘片表面螺旋沟槽水力条件下,迫使盘片向不同方向旋转。
这样,一方面泥垢很快被冲刷掉,另一方面旋转力又迫使其他盘片分开,很快就以等比级数的传播速度分开所有盘片于一块干净的盘片来说,由于两面的螺旋沟槽辐射方向相反,水力冲刷时保持静止。
盘式过滤器反冲洗原理见图3:反冲洗清水松开的过滤盘片图3盘式过滤器的反冲洗原理反冲洗过程:1、控制器发出脉冲信号,电磁阀打开,控制水流经电磁阀流向反冲洗阀;2、反冲阀动作,进水口关闭,排污口打开;3、清水自过滤单元的出水口进入滤盘组内部;4、带压清水经工作流程的反方向通过滤盘组,将截留在滤盘间的污物冲出;5、冲洗水经排污管排掉。
目前,大多数盘式过滤器在滤盘两面设计了不同结构的棱,这些棱叠加在一起构成拦截面,其中曲线棱主要起到拦截并贮存悬浮物的作用,采用外侧略大的敞口设计可以保证反冲洗时无需松开滤盘,在水压较低时也能达到彻底的反冲洗效果;环状棱边确定过滤精度,构成水的通道,滤盘可以提供高达5μ的过滤精度。
原水进入两层滤盘中间时,首先顺曲线棱向盘内流动,但是仔细观察无法直接进入。
这时起过滤拦截作用的是环形棱,小于环形棱沟槽尺寸的杂质可以沿环形棱进入与内部相通的曲线棱,大的杂质被拦截下来。
滤盘的独特结构还使将污物冲出的反冲洗过程更加简单和容易,而不需要复杂的马达和驱动器等机构,简单的水流即可足以将污物冲出滤芯。
这种优异性能减少了过滤器的反冲洗时间;同时由于污物不仅贮存在滤盘组与外壳之间,更多地可以贮存在滤盘组内部,所以过滤器可以容纳更多的污物。
盘式过滤器在很大程度上可以取代砂滤器等传统的机械过滤装置,其性能优越、水电耗远低于其他产品。
二、盘式过滤单元过滤单元是装填盘片组的压力容器,同时也为盘片组提供进水水源、出水连接接口、排污接口。
通常盘式过滤器成套设备由多只过滤单元并列组成,每只过滤单元只有进水口(反洗排污口)和出水口(反洗进水口)。
每只单元通常有两个连接口,装配时接口不能反接,一般按箭头方向进行连接进出水接口。
以下是盘式过滤器单元图4:图4盘式过滤器单元图三、成套设备的工作和控制全自动过滤系统的组成:过滤系统由一至六个模块化的过滤单元组合而成,由共同的进水口、出水口及排污口连接在一起。
过滤器主要包括下列组件:1)主进水口、2)盘片容器、3)总出水口、4)反冲设备、5)总排污口6)过滤单元(盘片组)、7)控制器每个单元的出水口直接连接于一起,进水口通过三通反冲洗阀连接在一起。
整套设备设计紧凑,不需要反冲洗水源。
以下是盘式过滤器成套设备图5:图5盘式过滤器成套设备图1、成套设备的工作原理:1)工作状态:污水经总进水管流入过滤器中,经过超级反冲阀(此状态下反冲阀允许水过过滤器同时关闭排水口)流向过滤器的每只过滤盘片组,在过滤工序中,污物被拦截在各滤盘组中(在盘片上的曲线棱构成的空间内)。
滤后清水流出各滤盘组的内部通道进入总出水口,并从出水口直接供向系统用水工段。
2)反冲状态:污物在滤盘组内的积聚引起各滤盘组进出口间的压力差,当过滤器的压差(ΔP)达到一个预先设定的数值,系统自动开始一反冲洗过程。
系统上的第一只反冲阀先打开,同时引发几个动作:冲洗阀关闭单元的出水口,打开反冲排污口。
系统中其他过滤单元的滤后清水经总出水口进入处于反洗状态的过滤单元,通过出水口,流入盘片组内部,与污物一起从盘片组的外缘流出,流向排污口。
通过这种方式,水流将整个盘片组上的污物清除干净。
反冲洗循环由控制器上的压差数据控制,并通过时间控制器的信号开启和关闭冲洗阀。
控制器控制冲洗过程,以使在同一时间仅有一只过滤单元处于反冲洗状态,同时其他过滤单元继续向系统中提供干净的清水。
冲洗过程持续一定时间后自动停止,持续的时间可以预先在控制器上设定。
2、成套设备的控制原理:盘式过滤器可采用时间或压差方式进行控制,实现全自动运行,时间控制的设备在运行一定时间后开始反冲洗;压差控制方式利用进出口之间的压差作为控制信号,当过滤器拦截的悬浮物达到一定量时,压力损失会迅速增加,当进出水口之间的压差达到设定值时设备自动开始反冲洗。
压差控制器同时具备压差、时间、手动三种控制功能,可通过手动按钮进行反冲洗。
系统在反冲洗时自动对各过滤单元的反洗进行协调,反冲时各个单元依次进行冲洗,每个单元的冲洗时间非常短。
反冲的单元利用其他过滤单元的滤后清水(或外部冲洗水进行反冲_仅当工作较低时),在一个过滤单元反冲洗时不会有其他的单元进行反冲洗,保证整套设备出水量的稳定。
四、盘式过滤器设备材质和滤盘区分一般盘式过滤单元由增强聚酰胺塑料成形制造,防腐耐磨,可承受工作压力1 MPa,过滤盘材质为聚丙烯塑料EPDM密封,进出水及排水管路有碳钢聚酯涂衬、工程塑料和不锈钢三种;阀门有塑料阀或金属阀;系统配套提供多功能控制盘。
滤盘区分:盘式过滤器的过滤功能由内部的滤盘完成,用户可根据用水要求选择不同精度的过滤盘,规格有5μ、10μ、20μ、55μ、100μ、130μ、200μ等多种。
为了便于安装使用,不同规格的滤盘采用不同的颜色来区分,其颜色分别如下(工业应用中过滤精度一般要求在5~50微米,所以此处仅列出了部分规格)。
以下是高滤盘颜色代码1:五、盘式过滤系统的性能特点1、高效,精确过滤:特殊结构的滤盘过滤技术,性能精确灵敏,确保只有粒径小于要求的颗粒才能进入系统,是最有效的过滤系统;规格有5μ、10μ、20μ、55μ、100μ、130μ、200μ等多种,用户可根据用水要求选择不同精度的过滤盘。
系统流量可根据需要灵活调节。
2、标准模块化,节省占地:系统基于标准盘式过滤单元,按模块化设计,用户可按需取舍,灵活可变,互换性强。
系统紧凑,占地极小,可灵活利用边角空间进行安装,如处理水量300 m3/h左右的设备占地仅约6m2(一般水质,过滤等级100μ)。
3、全自动运行,连续出水:在过滤器组合中的各单元之间,反洗过程轮流交替进行,工作、反洗状态之间自动切换,可确保连续出水;反洗耗水量极少,只占出水量的0.5%;如配合空气辅助反洗,自耗水更可降到0.2%以下。
高速而彻底的反洗,只需数十秒即可完成4、寿命长:新型塑料过滤元件坚固、无磨损、无腐蚀、极少结垢,经多年工业实用验证,使用6~10年也没有磨损,不会老化,过滤和反洗效果不会因使用时间而变差。
5、高质量,维护量少:产品符合相应质量标准,所有产品在出厂前均经模拟工况检测和试运转,不需专用工具,零部件很少;易于使用, 仅需定期检查,几乎不需日常维护。
六、盘式过滤器设备选型1、盘式过滤器的选型主要是确定过滤头的型号和个数组成的过滤系统。
2、这取决于三个因素:原水水质、过滤等级、需水流量。
1)原水水质:分为优良、一般、较差、很差四类A. 优良水质:未被污染的城市自来水、从稳定的含水层抽取的井水;B. 一般水质:循环冷却水、水质较差的自来水、经沉淀处理过的地面水、经过有效沉淀和完全生物处理过的排水;C. 较差水质:从水质很差的含水层抽取的地下水、经过有效沉淀、但未经或经很少的生物处理的排水、有微生物大量繁殖的地面水;D. 很差水质:含铁较高或较脏的井水、受洪水影响且未经沉淀的地面水、悬浮物含量较多的江河水或其他地表水、未经处理的排水。
(为保证效果,此类水质须进行预处理,可配用辅助的除沙器,进水悬浮物含量最高可达1400 g/L;水质较复杂时--如含铁锰较高--须经曝气或絮凝等预处理)七、盘片过滤器的应用在生产和生活的各个工况中,我们以常会用到过滤系统。
常用的过滤系统按不同的使用要求主要有压力式过滤器、网状过滤器、膜过滤器、滤料式(填料介质式)过滤器、滤芯式过滤器、袋式过滤器等等。
这些过滤装置应用于不同的工作状况条件,具有各自的优点。
在一些流量较大,过滤速度较快的以下应用场合可采用盘式过滤器。
可广泛应用于工业、商业领域,如食品、纺织、冶金、塑料、医药、建材、造纸、工业及商业建筑的暖通空调系统。
表2介绍了盘式过滤器在一些工业领域中各种水过滤系统的应用情况。
注: +++表示具有技术优势和经验,大量应用;++表示有一定技术优势和经验,有一定量应用;▲▲▲表示具有技术优势和经验,但应用少;▲▲表示有一定技术优势和经验,但应用少;+表示没有技术优势和经验,应用少;*表示有应用的可能,待研究。
随着地球水源环境的不断恶化,同时人们对水质的要求却越来越高,水过滤设备的应用范围不断扩大。
盘式过滤器的独特设计、巧构思,使得它在系统节水、省地等方面具有无比的优势,必将在今后的水处理应用中发挥更大的作用。
参考文献:1)盘片式过滤器的原理及使用方法林和坤,周珩,北京《工业用水与废水》2002年第33卷,第3期,44-46页2)盘式过滤器在工业水处理领域的应用林和坤,周珩,北京《石油化工设备技术》2002年第23期,16-18页3)全自动盘片式过滤器在水处理技术中的应用刘立刚,王可慰,张益壮,吉林《化工设备与防腐蚀》2002年第5卷,第6期,414-416页4)水过滤新技术———盘片式水过滤器的原理与应用张勇,云南《节能》2003年第7期,43-45页。