项目主要管理人员简历表及工作职责
- 格式:docx
- 大小:62.44 KB
- 文档页数:16
项目技术负责人简历表
备注:1.其他主要项目管理人员指项目副经理、合同商务负责人、现场管理人员(如施工员、质量员、安全员、材料员、资料员)等岗位
人员。
应附资格证书(如有)、注册证书(临时执业证书)、岗位
培训考核合格证书、身份证、职称证、学历证复印件,安全员应附有效的安全生产考核合格证书(C证),主要业绩须附合同协议书。
2.每张表格只填写一个人,并标明序号,后附相关证明资料。
项目副经理简历表
施工员简历表
质量员简历表
安全员简历表
材料员简历表
资料员简历表
预算员简历表
(学习的目的是增长知识,提高能力,相信一分耕耘一分收获,努力就一定可以获得应有的回报)。
项目技术负责人简历表备注:1.其他主要项目管理人员指项目副经理、合同商务负责人、现场管理人员(如施工员、质量员、安全员、材料员、资料员)等岗位人员。
应附资格证书(如有)、注册证书(临时执业证书)、岗位培训考核合格证书、身份证、职称证、学历证复印件,安全员应附有效的安全生产考核合格证书(C证),主要业绩须附合同协议书。
2.每张表格只填写一个人,并标明序号,后附相关证明资料。
项目副经理简历表2015平面设计实习报告范文3000字学生姓名:专业班级:模具设计与制造实践地点: xxxxxx公司指导教师:编写日期:2015.3.133年大学生活转瞬即使。
2015,当我们还站在大三憧憬时,便被时间和现实狠狠的一把推向社会。
作为2015年的毕业生,今年正是我们实习的时间,当我拿着一纸介绍信去实习单位报道时,我知道这意味着什么,在学校里的那些小情绪小困扰小挑战,都已经成为微不足道,纸上谈兵的过去。
如果大学三年是我们做准备的时期,是我们资本积累的时期,那我们现在应该考虑如何让我们的资本得到应用和运转,那既是如何在社会中使自己的能力实现其价值。
我们将有崭新的身份和状态,我们将面对更大的,更现实的任务和困难——独立,工作,生存。
随着社会的快速发展,当代社会对即将毕业的大学生的要求越来越高,对于即将毕业的我们而言,为了能更好的适应严峻的就业形势,毕业后能够尽快的融入社会,同时能够为自己步入社会打下坚实的基础。
经过了一段时间的理论学习,使我对设计有了基本掌握,对于设计基础也有些掌握。
也因此对设计有所喜爱,希望能找份相关的工作,作为应届生,心中想得更多的是如何去做好一个设计、如何更好的去完成每一个设计任务、甚至成为一名职业的设计师。
在实习过程中,我深深地感受到做设计通常是缺乏足够的市场和管理上的经验,做出的设计作品经常会与市场经济脱节;而作为管理者通常缺乏设计基础和审美能力,往往为了追求市场效益,过多地拘束设计师的思维与创新,忽略了设计要素的重要性,造成了设计的庸俗化。
【简历模板】工程项目管理员求职简历模板个人信息。
姓名,(填写个人姓名)。
性别,(填写个人性别)。
出生日期,(填写个人出生日期)。
联系电话,(填写联系电话)。
电子邮箱,(填写电子邮箱)。
通讯地址,(填写通讯地址)。
教育背景。
(填写最高学历)。
毕业院校,(填写毕业院校)。
专业,(填写专业)。
毕业时间,(填写毕业时间)。
工作经历。
(填写最近工作经历)。
公司名称,(填写公司名称)。
职位,(填写担任职位)。
工作时间,(填写工作时间)。
工作内容,(简要描述工作内容和成就)。
(填写第二近工作经历)。
公司名称,(填写公司名称)。
职位,(填写担任职位)。
工作时间,(填写工作时间)。
工作内容,(简要描述工作内容和成就)。
技能专长。
1. 熟练掌握项目管理工具,如Microsoft Project等;2. 具备良好的沟通能力和团队协作能力;3. 熟悉工程项目管理流程和相关法律法规;4. 具备较强的问题解决能力和应变能力。
自我评价。
(填写个人的自我评价,突出个人的优势和特长,以及对工程项目管理的理解和热情)。
求职意向。
期望职位,工程项目管理员。
期望薪资,(填写期望薪资)。
期望城市,(填写期望工作城市)。
其他。
(填写其他个人信息或附加信息,如获奖情况、证书资格等)。
以上内容仅供参考,具体内容可根据个人实际情况进行调整和修改。
祝您求职顺利!。
工程管理人员简历模板
姓名:
职位: 工程管理人员
联系方式:
电话:
电子邮箱:
个人简介:
我是一名经验丰富的工程管理人员,拥有成功领导项目团队的能力。
我擅长与不同类型的人员合作,并且具有卓越的问题解决和决策能力。
在过去的工作中,我成功地管理和实施了多个大型工程项目,取得了卓越的成果。
教育背景:
- 学位: 工程管理硕士
- 学校:
- 时间:
工作经历:
公司网址
职位: 工程管理人员
时间:
职责和成就:
- 领导和管理项目团队,确保项目按时完成并符合质量标准
- 制定项目计划和预算,并监督资源的使用
- 协调不同部门的合作,确保项目进展顺利
- 定期向上级和客户汇报项目进展情况
- 处理项目中的问题和风险,并寻找有效解决方案
- 在项目中引入新技术和流程,提高效率和质量
技能:
- 熟练掌握项目管理工具和软件(如Microsoft Project)
- 出色的沟通和领导能力
- 数据分析和问题解决能力
- 强大的决策能力和时间管理能力
- 抗压能力和团队合作精神
培训和认证:
- 项目管理专业证书
参考人:
可根据需要提供参考人的联系方式。
附加信息:
在过去的工作中,我参与了多个领先的工程项目,取得了优异的业绩和客户满意度。
我的领导能力和技能使我能够成功地解决复杂的问题并管理多个任务的优先级。
我非常专注于质量和效率,并且总是努力为团队提供最佳结果。
以上是我个人的简介,如果您对我的经验和能力感兴趣,请随时与我联系。
感谢您的考虑。
项目经理简历模板-个人简历模板个人信息。
姓名,[您的姓名]
性别,[男/女]
出生日期,[出生日期]
联系方式,[电话号码/邮箱地址]
家庭地址,[家庭地址]
教育背景。
毕业院校,[毕业院校名称]
专业,[所学专业]
学历,[学历]
毕业时间,[毕业时间]
工作经历。
公司名称,[公司名称]
职位,[担任职位]
工作时间,[工作时间]
工作内容,[主要工作内容和业绩] 公司名称,[公司名称]
职位,[担任职位]
工作时间,[工作时间]
工作内容,[主要工作内容和业绩] 技能专长。
1. 项目管理,熟悉项目管理流程,具备项目计划、执行、监控和收尾能力。
2. 团队管理,具备团队建设和管理能力,能够有效协调和指导团队成员完成工作。
3. 沟通能力,良好的沟通和协调能力,能够与团队成员和上级有效沟通,解决问题。
4. 技术能力,熟悉项目管理软件和办公软件的使用,具备一定的技术背景。
自我评价。
本人性格开朗,为人诚实守信,工作认真负责,能够承受一定的工作压力。
具备良好的团队合作精神和团队领导能力,能够有效地协调团队成员的工作,完成项目目标。
期望职位。
期望职位,项目经理。
期望薪资,面议。
期望工作地点,[期望工作地点]
以上内容仅为个人简历模板,具体情况可根据个人实际情况进行调整和修改。
【简历模板】工程项目管理员求职简历模
板
个人信息。
姓名,(真实姓名)。
性别,(男/女)。
出生日期,(年/月/日)。
联系电话,(手机号码)。
电子邮件,(邮箱地址)。
通讯地址,(联系地址)。
教育背景。
(年份-年份)(学历)(学校名称)(专业名称)。
工作经历。
(年份-年份)(公司名称)(岗位名称)。
工作内容:
负责项目计划和执行,确保项目按时完成并达到预期目标。
负责项目预算和资源分配,确保项目经济高效运作。
协调项目团队成员,确保团队合作顺畅。
负责项目风险管理,及时解决项目中出现的问题。
(年份-年份)(公司名称)(岗位名称)。
工作内容:
参与项目立项和规划,制定项目执行计划。
负责项目进度跟踪和报告,及时调整项目执行方案。
参与项目成本控制和资源管理,确保项目经济运作。
协调项目各方利益相关方,确保项目顺利进行。
技能专长。
熟练使用项目管理工具,如Microsoft Project等。
具备良好的沟通协调能力和团队合作精神。
具备较强的问题解决能力和应变能力。
具备较强的数据分析和决策能力。
自我评价。
本人性格开朗,做事认真负责,有较强的组织协调能力和团队合作精神。
对工程项目管理有较为深入的理解和实践经验,能够独立负责项目的规划、执行和控制,并能够及时应对项目中出现的问题,确保项目顺利进行。
以上是工程项目管理员求职简历模板,可根据个人实际情况进行修改和补充。
祝您求职顺利!。
项目经理简历模板-个人简历模板基本信息:
姓名:
性别:
出生日期:
联系电话:
电子邮箱:
教育背景:
毕业院校:
所学专业:
学位:
毕业时间:
工作经历:
公司名称:
职位:
工作时间:
工作内容:
负责项目的规划、组织、协调和控制,确保项目按时、按质、按量完成;
领导和管理项目团队,制定工作计划和进度安排,分配任务并监督执行;
跟踪项目进展,及时发现和解决问题,确保项目的顺利进行;
与客户进行沟通和协调,及时解决客户的需求和问题;
编制项目报告和总结,对项目进行评估和改进。
技能与能力:
具备良好的项目管理能力,熟悉项目管理的各个阶段和流程;
具备较强的组织和协调能力,能够有效地管理团队和资源;
具备较强的沟通和协调能力,能够与不同部门和人员进行有效的沟通和协作;
具备较强的问题解决能力,能够快速分析和解决问题;
具备较强的学习能力和适应能力,能够快速适应新的工作环境和任务。
项目经验:
项目名称:
项目描述:
项目规模:
负责内容:
项目成果:
自我评价:
性格开朗、积极向上,能够快速适应团队合作;
工作细致认真,责任心强,能够承受工作压力;
具备较强的学习能力和自我提升能力,不断追求进步;
具备良好的人际关系处理能力,善于与人沟通和合作。
以上是个人简历模板,根据个人实际情况进行填写,突出自己的优势和能力,以吸引用人单位的关注。
同时,简历要简洁明了,重点突出,避免冗长和重复。
祝您求职顺利!。
个人信息•姓名:[您的姓名]•联系电话:[您的电话号码]•电子邮箱:[您的电子邮箱]•居住地:[您的居住地]教育背景•[学历],[学校名称],[就读时间]•[学历],[学校名称],[就读时间]工作经历项目经理•公司名称:[公司名称]•工作地点:[工作地点]•工作时间:[工作时间]•主要职责:•负责项目计划、执行和交付,确保项目按时完成并达到预期目标。
•协调项目团队成员,分配任务,监督工作进度。
•管理项目预算和资源,确保成本控制和资源优化。
•与客户沟通,管理客户关系,解决项目中的问题和挑战。
•编写项目报告,向管理层汇报项目进展和成果。
项目助理•公司名称:[公司名称]•工作地点:[工作地点]•工作时间:[工作时间]•主要职责:•协助项目经理制定项目计划和执行方案。
•支持项目团队成员,协调资源,解决项目中的问题。
•跟踪项目进度,更新项目文档和报告。
•协调与客户的沟通,处理客户反馈和问题。
技能•项目管理:精通项目管理流程、工具和方法,具备良好的项目规划、执行和控制能力。
•团队领导:具备优秀的团队管理和领导能力,能够有效地协调和激励团队成员。
•沟通能力:良好的口头和书面沟通能力,能够与团队成员和客户进行有效的沟通和协调。
•问题解决:具备良好的问题识别和解决能力,能够迅速应对项目中的挑战和问题。
•技术技能:熟练使用项目管理软件和办公软件,如Microsoft Project、Microsoft Office 等。
荣誉与证书•优秀项目经理奖,[颁发机构],[颁发时间]•项目管理专业证书,[证书名称],[颁发机构],[颁发时间]参考人员•[姓名],[职位],[公司名称],联系电话:[联系电话],电子邮箱:[电子邮箱]。
【简历模板】工程项目管理员求职简历模
板
个人信息:
姓名,(真实姓名)。
性别,(男/女)。
出生年月,(xxxx年xx月)。
联系电话,(手机号码)。
电子邮件,(邮箱地址)。
通讯地址,(具体地址)。
教育背景:
(xxxx年-xxxx年)毕业于(学校名称)(专业名称)专业。
(xxxx年-xxxx年)就读于(学校名称)(专业名称)专业。
(xxxx年-xxxx年)就读于(学校名称)(专业名称)专业。
工作经历:
(xxxx年-xxxx年)在(公司名称)担任工程项目管理员,负
责项目进度管理、成本控制和团队协调等工作。
(xxxx年-xxxx年)在(公司名称)担任工程项目助理,协助
项目经理处理项目相关事务。
(xxxx年-xxxx年)在(公司名称)实习,参与项目管理工作,熟悉项目流程和管理方法。
专业技能:
精通项目管理相关知识,熟悉项目管理工具和软件的使用。
具备良好的沟通能力和团队协作能力,能够有效协调项目各方
资源。
熟悉工程项目的进度控制和成本管理,能够有效管理项目进度
和成本。
具备较强的问题解决能力和应变能力,能够及时处理项目中出
现的问题。
自我评价:
本人性格开朗,工作细致认真,能够承受一定的工作压力。
具备较强的学习能力和适应能力,能够快速融入新的工作环境。
有较强的责任心和执行力,能够按时保质保量完成工作任务。
致力于工程项目管理工作的发展,希望能够在贵公司实现个人
职业发展目标,为公司的发展贡献自己的力量。
【简历模板】项目经理简历模板 [简历模板] 项目经理简历模板。
个人信息。
姓名,XXX。
性别,男/女。
出生日期,XXXX年XX月。
联系方式,手机/邮箱。
教育背景。
XX大学。
专业,XXXX。
学历,本科/硕士。
工作经验。
XX公司(XXXX年-至今)。
职位,项目经理。
工作内容,负责项目的规划、执行和监控,协调项目相关部门的工作,确保项目按时、按质完成。
XX公司(XXXX年-XXXX年)。
职位,项目助理。
工作内容,协助项目经理进行项目管理工作,收集整理项目数据,协调项目进度。
专业技能。
熟练掌握项目管理工具,如Microsoft Project、Wrike等。
具备良好的沟通能力和团队协作能力,能够有效协调项目相关
部门的工作。
熟悉项目管理流程,能够制定合理的项目计划和进度安排。
获得荣誉。
XXXX年度优秀项目经理。
XXXX年度最佳团队合作奖。
自我评价。
具备扎实的项目管理理论知识和丰富的项目管理实践经验,能
够独立完成项目管理工作。
具有较强的抗压能力和解决问题能力,能够在复杂的项目环境
下有效应对各种挑战。
具备良好的团队领导能力,能够有效协调团队成员的工作,确
保项目顺利完成。
希望能够加入贵公司,为公司的项目管理工作贡献自己的力量。
以上是一个项目经理的简历模板,希望对您有所帮助。
项目经理简历模板-个人简历模板个人信息:
姓名,[你的姓名]
性别,[你的性别]
出生日期,[你的出生日期]
联系电话,[你的联系电话]
电子邮箱,[你的电子邮箱]
通讯地址,[你的通讯地址]
教育背景:
[你的教育背景,包括学校、专业、学位等信息] 工作经历:
1. 公司名称,[公司名称]
职位,项目经理。
工作时间,[工作时间]
工作内容,[工作内容描述]
2. 公司名称,[公司名称]
职位,[你的职位]
工作时间,[工作时间]
工作内容,[工作内容描述]
技能专长:
熟练掌握项目管理工具,如Microsoft Project等。
出色的沟通和协调能力,能够有效管理团队和与客户沟通。
具备良好的领导能力和团队合作精神。
较强的问题解决能力和抗压能力。
自我评价:
本人性格开朗,做事认真负责,有较强的组织能力和团队协作能力,能够快速适应不同的工作环境,具有较强的学习能力和适应能力。
在校期间曾担任学生会干事,有较强的组织协调能力和团队合作精神,能够有效地推动项目的实施和落地。
期望职位:
项目经理/项目助理。
期望薪资:
面议。
以上为个人简历模板,希望能够得到您的认可和机会,谢谢!。
项目技术负责人简历表
备注:1.其他主要项目管理人员指项目副经理、合同商务负责人、现场管理人员(如施工员、质量员、安全员、材料员、资料员)等岗位人员。
应附资格证书(如有)、注册证书(临时执业证书)、岗位培训考核合格证书、身份证、职称证、学历证复印件,安全员应附有效的安全生产考核合格证书(C证),主要业绩须附合同协议书。
2.每张表格只填写一个人,并标明序号,后附相关证明资料。
项目副经理简历表
施工员简历表
质量员简历表
安全员简历表
材料员简历表
资料员简历表
预算员简历表。
【简历模板】工程项目管理员求职简历模
板
个人信息。
姓名,XXX。
性别,男/女。
年龄,XX岁。
联系电话,XXXXXX。
电子邮件,XXXXX。
教育背景。
XXXX年-XXXX年 XX大学工程管理专业本科。
工作经历。
XXXX年-XXXX年 XX公司工程项目助理。
负责协助项目经理进行项目进度跟踪和管理。
参与项目文档的整理和归档工作。
协助项目团队进行沟通协调,解决项目中的问题和难题。
XXXX年-XXXX年 XX公司工程项目实习生。
参与项目计划制定和实施。
负责项目资料的整理和汇总。
协助项目团队进行数据分析和报告撰写。
技能专长。
熟练运用办公软件,如Word、Excel、PowerPoint等。
具备良好的沟通能力和团队合作精神。
较强的项目管理能力和组织协调能力。
自我评价。
本人性格开朗,工作认真负责,有较强的学习能力和适应能力。
在校期间和实习工作中,通过参与项目管理工作,积累了一定的项
目管理经验和技能。
希望能够在贵公司发挥自己的专长,为公司的
发展贡献自己的力量。
以上简历模板仅供参考,具体内容可根据个人情况进行调整和
修改。
【简历模板】工程项目管理员求职简历模
板
个人信息:
姓名,(真实姓名)。
性别,(男/女)。
出生日期,(年/月/日)。
联系电话,(手机号码)。
电子邮箱,(邮箱地址)。
通讯地址,(地址)。
教育背景:
(年份-年份)毕业院校,(学校名称)专业,(专业名称)学历,(学历)。
工作经历:
(年份-年份)公司名称,(公司名称)职位,(工程项目管理员)工作内容,(列举具体工作内容和业绩)。
(年份-年份)公司名称,(公司名称)职位,(工程项目管理员)工作内容,(列举具体工作内容和业绩)。
专业技能:
1.熟练掌握项目管理工具,如Microsoft Project等。
2.具备良好的沟通能力和团队协作能力。
3.具备较强的问题解决能力和抗压能力。
自我评价:
本人性格开朗,做事认真负责,能够承受一定的工作压力。
善于沟通和协调,具备较强的团队合作精神。
对工程项目管理有着丰富的经验和深入的理解,能够独立完成项目管理工作。
求职意向:
期望职位,工程项目管理员。
期望薪资,(具体期望薪资)。
到岗时间,(具体到岗时间)。
以上简历模板仅供参考,求职者可根据个人实际情况进行修改。
祝您求职顺利!。
【简历模板】工程项目管理员求职简历模
板
个人信息。
姓名,[您的姓名]
性别,[您的性别]
出生日期,[您的出生日期]
联系电话,[您的联系电话]
电子邮件,[您的电子邮件]
通讯地址,[您的通讯地址]
教育背景。
毕业院校,[您的毕业院校]
专业,[您的专业]
学历,[您的学历]
毕业时间,[您的毕业时间]
工作经历。
公司名称,[公司名称]
职位,[您的职位]
工作时间,[工作时间]
工作内容,[工作内容,包括项目管理经验、团队协作经验等] 公司名称,[公司名称]
职位,[您的职位]
工作时间,[工作时间]
工作内容,[工作内容,包括项目管理经验、团队协作经验等] 专业技能。
熟练掌握项目管理工具,如Microsoft Project、JIRA等。
具备良好的团队协作能力和沟通能力。
熟悉工程项目管理流程和方法。
较强的问题解决能力和项目风险管理能力。
实习经历。
公司名称,[公司名称]
职位,[您的职位]
工作时间,[工作时间]
工作内容,[工作内容,包括项目管理实习经验、团队协作经验等]
自我评价。
[自我评价,突出您的项目管理能力、团队协作能力、沟通能力等]
求职意向。
期望职位,工程项目管理员。
期望薪资,[您的期望薪资]
期望工作地点,[您的期望工作地点]
其他。
[其他补充信息,如获奖情况、项目成果等]
以上是工程项目管理员求职简历模板,希望对您有所帮助。
祝您求职顺利!。
【简历模板】工程项目管理员求职简历模
板
个人信息。
姓名,[你的姓名]
性别,[你的性别]
出生日期,[你的出生日期]
联系电话,[你的联系电话]
电子邮件,[你的电子邮件]
家庭地址,[你的家庭地址]
教育背景。
毕业院校,[你的毕业院校]
专业,[你的专业]
学历,[你的学历]
毕业时间,[你的毕业时间]
工作经历。
公司名称,[公司名称]
职位,[你的职位]
工作时间,[工作时间]
工作内容,[主要工作内容和业绩] 公司名称,[公司名称]
职位,[你的职位]
工作时间,[工作时间]
工作内容,[主要工作内容和业绩]
技能专长。
1. 熟练掌握项目管理工具,如Microsoft Project、JIRA等。
2. 出色的沟通能力和团队合作能力。
3. 精通各类办公软件,如Microsoft Office等。
4. 具备良好的时间管理和问题解决能力。
自我评价。
我是一个有责任心、细心、注重细节的工程项目管理员,具有较强的组织协调能力和团队管理能力,能够有效地推动项目进展,解决问题并达成目标。
在工作中,我善于沟通协调,能够快速适应工作环境,并且具有较强的学习能力和团队合作精神。
求职意向。
期望职位,工程项目管理员。
期望行业,[你期望的行业]
期望薪资,[你的期望薪资]
以上是工程项目管理员求职简历模板,希望对你有所帮助。
祝你求职顺利!。
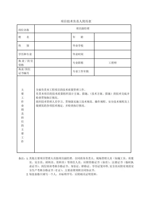
项目技术负责人简历表
岗位名称
姓名
性别
学历和专业
执业 / 岗位资格
执业/岗位
证书编号
项目副经理
年龄
毕业学校
毕业时间
专业职称
专业工作年限
工程师
全面负责本工程项目的技术质量管理工作.
负责本项目的技术质量组织设计方案、措施 , 〔技术方案、措施〕的技术交底并检查贯彻执行情况.
组织技术管理人员学习、贯彻落实施工技术规 X、操作规程、安全技术规程与上级颁发的各项技术规定,并检查执行情况.
主要工作业绩与担任的主
要
工
作
备注: 1.其他主要项目管理人员指项目副经理、合同商务负责人、现场管理人员〔如施工员、质量员、安全员、材料员、资料员〕等岗位人员.应附##书〔如有〕、注册证书〔暂时执业证书〕、岗位培训考核合格证书、 ##、职称证、学历证复印件,安全员应附有效的安全生产考核合格证书〔C 证〕 ,主要业绩须附合同协议书.
2.每 X 表格只填写一个人,并标明序号,后附相关证明资料.
项目副经理简历表岗位名称项目副经理姓名年龄
性别毕业学校
学历和专业
执业 / 岗位资格
执业/岗位
证书编号
毕业时间
专业职称
专业工作年限
工程师
1、协助项目经理,对项目经理部的施工生产管理负全面责任,遵照施工规 X、操作规程、验收标准、质量体系文件运行规定,组织按图施工,科学合理地指导编制作业计划,认真履行企业法人代表 <或者委托人>与业主签订的工程承包合同 ,做到重信守约、优质、高速、低耗、文明地完成施工任务.
2、负责编制项目经理部的年、季、月、旬施工作业计划,审核单位工程从开工到竣工交验全过程中劳动力、材料、设备、构件、周转料具、小型机具等的平衡工作,<催促所分管业务部门向公司内部市场签订相应的供需合同 ,保证工程施工的各项资源都能保质、保量、按时进入项目.
3、负责项目综合统计的管理工作,组织有关部门、统计人员学习统计法和上级的有关规定,使项目的各项统计报表、统计资料、统计分析达到准确、与时、全面、系统.
4、负责项目经理部生产管理方面各项经济技术指标的分解、落实、兑现工作.
5、协助项目经理完成项目竣工交验后的工程结算、资料汇总、项目总结工作,并配合好企业对项目的全面审计.
主要工作业绩与担任的主
要工作
施工员简历表
岗位名称
姓名
性别
学历和专业
执业 / 岗位资格
执业/岗位
证书编号
施工员
年龄
毕业学校
毕业时间
专业职称
专业工作年限
深入施工现场,协助搞好施工监理,与施工队一起复核工程量,提供施工现场所需材料规格、型号和到场日期,做好现场材料的验收签证和管理,与时对隐蔽工程进行验收和工程量签证,协助项目经理做好工程的资料采集、保管和归档,对现场施工的进度和成本负有重要责任.
主要工作业绩与担任的主
要工作
质量员简历表
岗位名称
姓名
性别
学历和专业
执业 / 岗位资格
执业/岗位
证书编号
质量员
年龄
毕业学校
毕业时间
专业职称
专业工作年限
1、执行有关工程质量的政策与施工验收规 X、质量检验评定标准和有关规程,对施工质量负有监督、检查把关的责任.
2、参加质量检查和重点工序关键部位的质量复检工作,负责对单位工程和分部、分项、隐蔽工程检验记录的签证.
3、对违反国家规定、规 X 和忽视工程质量的有关单位和个人提出批评和处理意见,对不符合质量标准的工程,有权责令停工,行使质量否决权.
4、掌握工程质量信息,搞好质量预测预检,负责工序过程控制.
5、指导兼职质量员的质检工作,负责向质量管理部门、总工程师等反馈质量信息.
6、负责分项、分部验评资料齐全、有效 ,按时填报"分部份项工程质量检查统计报表〞 .
主要工作业绩与担任的主
要工作
安全员简历表
岗位名称
姓名
性别
学历和专业
执业 / 岗位资格
执业/岗位
证书编号
安全员
年龄
毕业学校
毕业时间
专业职称
专业工作年限
深入施工现场,协助搞好施工监理,与施工队一起复核工程量,提供施工现场所需材料规格、型号和到场日期,做好现场材料的验收签证和管理,与时对隐蔽工程进行验收和工程量签证,协助项目经理做好工程的资料采集、保管和归档,对现场施工的进度和成本负有重要责任.
主要工作业绩与担任的主
要工作
材料员简历表岗位名称材料员姓名年龄
性别毕业学校
学历和专业
执业 / 岗位资格
执业/岗位
证书编号
毕业时间
专业职称
专业工作年限
熟悉施工工艺编制材料计划,按计划组织材料进场.
对进场材料质量负责,做好跟踪服务工作.掌握材料的使用情况.
对进入现场材料应分门别类堆放,根据材料性质采取有效防腐、防潮、防变型<质> 措施.
对须复检的材料应与时送检,并与进场材料相对应.
对现场材料损耗情况与时统计上报.
保证零库存,对积压材料合理应用.
建立材料分析档案<价格、货源>与时反馈决策层.
主要工作业绩与担任的主
要工作
资料员简历表
岗位名称
姓名
性别
学历和专业
执业 / 岗位资格
执业/岗位
证书编号
资料员
年龄
毕业学校
毕业时间
专业职称
专业工作年限
催促汇总各项目工程的施工进度 ,整理各工程的日报与月报工作 .按施工单位提交的工程图纸填写项目立项清单明细表 .项目开通后,与时催促施工单位上交竣工资料,并定期对文件资料进行核查,对遗缺资料进行催促追查,合理完善各项目资料的工整性.负责工程资料的保管,核实工程资料的完整情况,竣工资料上交后应认真填写编号,录入文档,并按项目按资料内容特征对文件资料进行分类 ,将属于同一项目的资料整理后保存.
主要工作业绩与担任的主
要工作
预算员简历表
岗位名称
预算员姓名年龄
性别毕业学校
学历和专业
执业 / 岗位资格
执业/岗位
证书编号
毕业时间
专业职称
专业工作年限
1、工程项目开工前必须熟悉图纸、熟悉现场,对工程合同和协议有一定程度的理解.
2、编制预算前必须获取技术部门的施工方案等资料,便于正确编制预算.
3、参预各类合同的洽谈,掌握资料作出单价分析,供项目经理参考.
4、与时掌握有关的经济政策、法规的变化 ,如人工费、材料费等费用的调整,与时分析提供调整后的数据.
5、正确与时编制好施工图〔施工〕预算 ,正确计算工程量与套用定额,做好工料分析,并与时做好预算主要实物量对照工作.
6、施工过程中要与时采集技术变更和签证单 ,并挨次进行登记编号,与时做好增减帐,作为工程决算的依据.
7、协助项目经理做好各类经济预测工作,提供有关测算资料.
8、正确与时编制竣工决算,随时掌握预算成本、实际成本,做到心中有数.
9、时常性地结合实际开展定额分析活动 ,对各种资源消耗超过定额取定标准的,
主要工作业绩与担任的主
要
与时向项目经理汇报. 工
作。