项目的主要管理人员简历表
- 格式:docx
- 大小:16.21 KB
- 文档页数:2
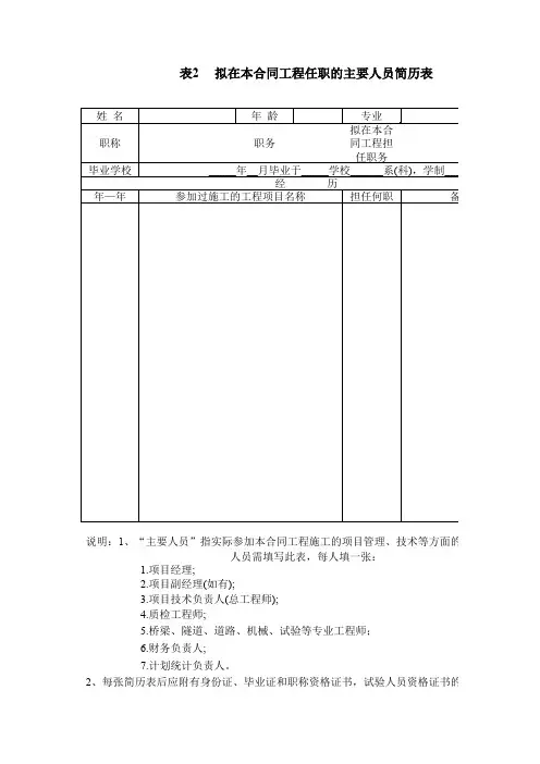
表2 拟在本合同工程任职的主要人员简历表
说明:1、“主要人员”指实际参加本合同工程施工的项目管理、技术等方面的负责人。
下列
人员需填写此表,每人填一张:
年5.桥梁、隧道、道路、机械、试验等专业工程师;
6.财务负责人;
7.计划统计负责人。
2、每张简历表后应附有身份证、毕业证和职称资格证书,试验人员资格证书的复印件。
在投
标文件正本中,所有证件均应采用彩色打印件。
1.项目经理;
2.项目副经理(如有);
3.项目技术负责人(总工程师);
4.质检工程师;
2、每张简历表后应附有身份证、毕业证和职称资格证书,试验人员资格证书的复印件。
在投
标文件正本中,所有证件均应采用彩色打印件。
拟在本合同工程任职的主要人员简历表
际参加本合同工程施工的项目管理、技术等方面的负责人。
下列人员需填写此表,每人填一张:
年__月毕业于_____学校______系(科),学制
历
路、机械、试验等专业工程师;。
证、毕业证和职称资格证书,试验人员资格证书的复印件。
在投正本中,所有证件均应采用彩色打印件。
有);
(总工程师);
证、毕业证和职称资格证书,试验人员资格证书的复印件。
在投正本中,所有证件均应采用彩色打印件。
8、项目组织机构、项目经理及其他主要施工技术、管理人员简历、名单8.1项目组织机构决定工程质量的好坏的一个关键因素是优秀项目经理管理机构的组建。
只有优秀的项目经理配优秀的技术力量,再加上优秀的作业员才是创造优质工程的保障。
根据本项目工程施工的重要性,为加强现场管理,本公司将建立完整的工程项目管理组织机构,由一大批年富力强,富有强烈的学习进取精神和职业责任感、团结向上、廉洁高效的管理人员,组成强有力的项目经理管理机构。
经研究我司特委派曾先后担任上海科技城、上海浦东邮政大厦、兆丰环球大厦施工的壹级优秀项目经理王培敏担任工程的项目部经理;特委派担任上海八万人体育场、上海浦东国际机场、重庆袁家岗游泳跳水馆施工的项目经理魏国华担任项目部副经理。
特别委派曾和王培敏项目经理密切合作多年的高级工程师朱六三担任贵工程的技术负责人,以上项目负责人均具有5年以上项目管理经验。
同时,在企业主管领导的督导下,实行项目经理负责制,公司对工程项目部采取工程项目扁平化管理,将把权利下放到项目经理,使其充分掌握调动人力、物力、财力的权利,并在公司内部享有优先调配全,以便项目经理负责制定本工程的质量方针、目标和批准施工质量的管理体系和措施及实施,制定一系列创优措施,把工程项目建成公司市场竞争的核心,企业管理的重心,成本核算的中心,代表公司履行合同的主体和工程管理的实体。
9.1.1施工管理组织框架①工程项目扁平化管理核心是项目,即服务于顾客,而项目营销主管和项目部经理是公司的内部顾客代表,因此公司在项目管理上没有行政等级关系,只有服务顾客和保证需求的关系。
②确立项目责任机制,专业分工管理覆盖纵向到底、横向到边,不留管理空白的项目管理组织机构。
③按责任牵制原则,划定项目管理人员职责范围。
④根据工程各分部工程的专业技术特点,在主要现场组内设立现场专业工程师负责下的管理组。
施工管理网络图如下:9.2 工程管理班子名单9.2.1现场组织机构及主要管理技术人员项目经理部经理:王培敏项目经理部副经理:魏国华技术负责人:朱六三施工员:孟凡道质量员:孟凡留安全员:许光柱材料员:陈青年预算员:王新春9.3项目经理及其他主要施工技术、管理人员简历及证明文件9.3.1项目经理简历及资质证明文件项目经理简历表9.3.2项目副经理简历及资质证明文件项目经理简历表9.3.3技术负责人简历及资质证明文件技术负责人简历表技术负责人简历表9.3.4其他主要施工技术、管理人员资质证明文件9.4项目管理人员职责9.4.1项目经理岗位责任制项目经理的主要职责:组织并协调各方实现工程项目的总目标,节约投资,保证工期,保证质量达到预定工程质量目标,公平维护各方利益。
项目技术负责人简历表岗位名称姓名性别学历和专业执业 / 岗位资格执业/岗位证书编号项目副经理年龄毕业学校毕业时间专业职称专业工作年限工程师全面负责本工程项目的技术质量管理工作.负责本项目的技术质量组织设计方案、措施 , 〔技术方案、措施〕的技术交底并检查贯彻执行情况.组织技术管理人员学习、贯彻落实施工技术规 X、操作规程、安全技术规程与上级颁发的各项技术规定,并检查执行情况.主要工作业绩与担任的主要工作备注: 1.其他主要项目管理人员指项目副经理、合同商务负责人、现场管理人员〔如施工员、质量员、安全员、材料员、资料员〕等岗位人员.应附##书〔如有〕、注册证书〔暂时执业证书〕、岗位培训考核合格证书、 ##、职称证、学历证复印件,安全员应附有效的安全生产考核合格证书〔C 证〕 ,主要业绩须附合同协议书.2.每 X 表格只填写一个人,并标明序号,后附相关证明资料.项目副经理简历表岗位名称项目副经理姓名年龄性别毕业学校学历和专业执业 / 岗位资格执业/岗位证书编号毕业时间专业职称专业工作年限工程师1、协助项目经理,对项目经理部的施工生产管理负全面责任,遵照施工规 X、操作规程、验收标准、质量体系文件运行规定,组织按图施工,科学合理地指导编制作业计划,认真履行企业法人代表 <或者委托人>与业主签订的工程承包合同 ,做到重信守约、优质、高速、低耗、文明地完成施工任务.2、负责编制项目经理部的年、季、月、旬施工作业计划,审核单位工程从开工到竣工交验全过程中劳动力、材料、设备、构件、周转料具、小型机具等的平衡工作,<催促所分管业务部门向公司内部市场签订相应的供需合同 ,保证工程施工的各项资源都能保质、保量、按时进入项目.3、负责项目综合统计的管理工作,组织有关部门、统计人员学习统计法和上级的有关规定,使项目的各项统计报表、统计资料、统计分析达到准确、与时、全面、系统.4、负责项目经理部生产管理方面各项经济技术指标的分解、落实、兑现工作.5、协助项目经理完成项目竣工交验后的工程结算、资料汇总、项目总结工作,并配合好企业对项目的全面审计.主要工作业绩与担任的主要工作施工员简历表岗位名称姓名性别学历和专业执业 / 岗位资格执业/岗位证书编号施工员年龄毕业学校毕业时间专业职称专业工作年限深入施工现场,协助搞好施工监理,与施工队一起复核工程量,提供施工现场所需材料规格、型号和到场日期,做好现场材料的验收签证和管理,与时对隐蔽工程进行验收和工程量签证,协助项目经理做好工程的资料采集、保管和归档,对现场施工的进度和成本负有重要责任.主要工作业绩与担任的主要工作质量员简历表岗位名称姓名性别学历和专业执业 / 岗位资格执业/岗位证书编号质量员年龄毕业学校毕业时间专业职称专业工作年限1、执行有关工程质量的政策与施工验收规 X、质量检验评定标准和有关规程,对施工质量负有监督、检查把关的责任.2、参加质量检查和重点工序关键部位的质量复检工作,负责对单位工程和分部、分项、隐蔽工程检验记录的签证.3、对违反国家规定、规 X 和忽视工程质量的有关单位和个人提出批评和处理意见,对不符合质量标准的工程,有权责令停工,行使质量否决权.4、掌握工程质量信息,搞好质量预测预检,负责工序过程控制.5、指导兼职质量员的质检工作,负责向质量管理部门、总工程师等反馈质量信息.6、负责分项、分部验评资料齐全、有效 ,按时填报"分部份项工程质量检查统计报表〞 .主要工作业绩与担任的主要工作安全员简历表岗位名称姓名性别学历和专业执业 / 岗位资格执业/岗位证书编号安全员年龄毕业学校毕业时间专业职称专业工作年限深入施工现场,协助搞好施工监理,与施工队一起复核工程量,提供施工现场所需材料规格、型号和到场日期,做好现场材料的验收签证和管理,与时对隐蔽工程进行验收和工程量签证,协助项目经理做好工程的资料采集、保管和归档,对现场施工的进度和成本负有重要责任.主要工作业绩与担任的主要工作材料员简历表岗位名称材料员姓名年龄性别毕业学校学历和专业执业 / 岗位资格执业/岗位证书编号毕业时间专业职称专业工作年限熟悉施工工艺编制材料计划,按计划组织材料进场.对进场材料质量负责,做好跟踪服务工作.掌握材料的使用情况.对进入现场材料应分门别类堆放,根据材料性质采取有效防腐、防潮、防变型<质> 措施.对须复检的材料应与时送检,并与进场材料相对应.对现场材料损耗情况与时统计上报.保证零库存,对积压材料合理应用.建立材料分析档案<价格、货源>与时反馈决策层.主要工作业绩与担任的主要工作资料员简历表岗位名称姓名性别学历和专业执业 / 岗位资格执业/岗位证书编号资料员年龄毕业学校毕业时间专业职称专业工作年限催促汇总各项目工程的施工进度 ,整理各工程的日报与月报工作 .按施工单位提交的工程图纸填写项目立项清单明细表 .项目开通后,与时催促施工单位上交竣工资料,并定期对文件资料进行核查,对遗缺资料进行催促追查,合理完善各项目资料的工整性.负责工程资料的保管,核实工程资料的完整情况,竣工资料上交后应认真填写编号,录入文档,并按项目按资料内容特征对文件资料进行分类 ,将属于同一项目的资料整理后保存.主要工作业绩与担任的主要工作预算员简历表岗位名称预算员姓名年龄性别毕业学校学历和专业执业 / 岗位资格执业/岗位证书编号毕业时间专业职称专业工作年限1、工程项目开工前必须熟悉图纸、熟悉现场,对工程合同和协议有一定程度的理解.2、编制预算前必须获取技术部门的施工方案等资料,便于正确编制预算.3、参预各类合同的洽谈,掌握资料作出单价分析,供项目经理参考.4、与时掌握有关的经济政策、法规的变化 ,如人工费、材料费等费用的调整,与时分析提供调整后的数据.5、正确与时编制好施工图〔施工〕预算 ,正确计算工程量与套用定额,做好工料分析,并与时做好预算主要实物量对照工作.6、施工过程中要与时采集技术变更和签证单 ,并挨次进行登记编号,与时做好增减帐,作为工程决算的依据.7、协助项目经理做好各类经济预测工作,提供有关测算资料.8、正确与时编制竣工决算,随时掌握预算成本、实际成本,做到心中有数.9、时常性地结合实际开展定额分析活动 ,对各种资源消耗超过定额取定标准的,主要工作业绩与担任的主要与时向项目经理汇报. 工作。
项目经理简历模板-个人简历模板个人简历模板。
姓名,(个人姓名)。
联系方式,(手机号码、邮箱地址)。
个人简介,(个人简短介绍,包括工作经验、技能特长等)。
工作经历。
(时间范围)(公司名称)(职位)。
负责项目的规划、执行和监控,确保项目按时、按质、按量完成。
管理团队成员,分配任务并监督工作进度。
与客户沟通,了解需求并及时解决问题。
协调资源,确保项目进展顺利。
教育背景。
(时间范围)(学校名称)(专业)。
获得(学位名称),主修(专业名称)。
在校期间参与了(相关项目或活动)。
技能特长。
精通项目管理工具,如Microsoft Project等。
具备良好的团队协作能力和沟通能力。
熟悉项目管理流程和方法,能够灵活应对各种情况。
自我评价。
工作认真负责,有较强的执行能力和抗压能力。
善于学习和钻研,能够快速适应新环境。
积极主动,乐于分享和交流,善于团队合作。
以上为个人简历模板,可根据个人情况进行适当调整。
一、项目部主要人员简历:项目经理简历姓名:陈斌职称:工程师职务:壹级项目经理性别:男年龄:32岁文化程度:大专、工业与民用建筑简历:1993年6月-1994年9月上海永华大厦(面积37000m2)从事施工管理,任技术主管,该工程获“浦江”杯。
1994年9月-1997年10月上海通贸大厦(面积55000m2)任项目经理,该工程获1997年“白玉兰”奖,“全国用户满意工程”。
1997年11月-2000年10月美国学校任项目经理,该工程获“白玉兰”奖。
2000年11月-至今新城泾南花苑(30000m2)任项目经理。
陈斌同志是我局1999年度优秀项目经理,有很强的敬业精神和外部协调能力,所从事的工程中均与业主有良好的配合,得到各方面的好评。
现场施工经理简历姓名:杨润辉职称:工程师职务:现场施工经理年龄:38岁文化程度:大专,工民建专业简历:1985—1987 年担任南京电子管厂工程技术员1988—1990 年担任南京化纤厂工程施工员1991—1992 年担任南京自动化研究所工程技术员1993 —1994 年担任南京炼油厂装置工程施工队长1995—1996 年担任上海珠江玫瑰花园项目副经理,该工程荣获九六年度上海市‘白玉兰’奖1997—1999 苏州金华盛纸厂项目经理,该工程属外资项目,业主对工程质量、工期、安全文明施工等要求很高,该同志出色地完成了任务,受到业主好评。
2000 年担任上海紫阳路住宅工程项目经理,该工程即将竣工。
项目技术负责人简历王俊佚职位:技术负责人年龄:31教育情况:1991.9~1995.7,就读于重庆建筑学院工民建专业。
工作经验:1995.7~1998.7,在新加坡工程担任技术员、施工员1998.7~2000.1,,浙江台州邮电大厦项目担任技术负责人2000.1~2001.3,中建八局总承包公司经营部方案师2002.3~至今,,上海东城项目担任技术负责人柴干飞职位:施工员年龄:30教育情况:大专,工民建专业工作经验:1996.7~1997.7,江苏昆山大上海高尔夫球场项目担任技术员、施工员1997.7~1998.2,江苏苏州金华盛纸业厂房桩基与上部工程项目担任栋号长1998.2~2000.1,江苏吴江世纪大厦项目担任技术负责人2000.1~2002.3,中建八局总承包公司经营部副经理2002.3~至今,上海花木四季雅苑担任项目生产经理孙成虎职位:施工员年龄:30教育情况:本科,工民建专业工作经验:1997.7~1998.9,江苏亚太纸业厂房工程项目担任施工员1998.10~2000.2,上海鸿艺大厦项目担任技术员、施工员2000.2~2002.5,上海金山杰士达项目担任技术负责人2002.6~至今,上海金桥会所工程担任项目生产经理二、项目部其他人员简历。
(四)其他主要项目管理人员简历表项目副经理简历表备注:其他主要项目管理人员指项目副经理(如有)、项目技术负责人、施工管理、质量管理、安全管理等岗位人员。
应附资格证书、注册证书、职称证书、学历证书、岗位培训考核合格证书的扫描件, 安全管理人员应附有效的安全生产考核合格证书(C证)的扫描件,主要业绩须附合同协议书的扫描件。
技术负责人简历表备注:其他主要项目管理人员指项目副经理(如有)、项目技术负责人、施工管理、质量管理、安全管理等岗位人员。
应附资格证书、注册证书、职称证书、学历证书、岗位培训考核合格证书的扫描件, 安全管理人员应附有效的安全生产考核合格证书(C证)的扫描件,主要业绩须附合同协议书的扫描件。
施工员简历表备注:其他主要项目管理人员指项目副经理(如有)、项目技术负责人、施工管理、质量管理、安全管理等岗位人员。
应附资格证书、注册证书、职称证书、学历证书、岗位培训考核合格证书的扫描件, 安全管理人员应附有效的安全生产考核合格证书(C证)的扫描件,主要业绩须附合同协议书的扫描件。
质量员简历表备注:其他主要项目管理人员指项目副经理(如有)、项目技术负责人、施工管理、质量管理、安全管理等岗位人员。
应附资格证书、注册证书、职称证书、学历证书、岗位培训考核合格证书的扫描件, 安全管理人员应附有效的安全生产考核合格证书(C证)的扫描件,主要业绩须附合同协议书的扫描件。
安全员简历表备注:其他主要项目管理人员指项目副经理(如有)、项目技术负责人、施工管理、质量管理、安全管理等岗位人员。
应附资格证书、注册证书、职称证书、学历证书、岗位培训考核合格证书的扫描件, 安全管理人员应附有效的安全生产考核合格证书(C证)的扫描件,主要业绩须附合同协议书的扫描件。
材料员简历表备注:其他主要项目管理人员指项目副经理(如有)、项目技术负责人、施工管理、质量管理、安全管理等岗位人员。
应附资格证书、注册证书、职称证书、学历证书、岗位培训考核合格证书的扫描件, 安全管理人员应附有效的安全生产考核合格证书(C证)的扫描件,主要业绩须附合同协议书的扫描件。
主要人员简历表
“主要人员简历表”中的项目经理应附注册证、身份证、职称证(如有)、学历证(如有)复印件,项目业绩须附中标通知书或合同协议书或竣工验收报告复印件;“主要人员简历表”中的设计负责人应附注册证、身份证、职称证(如有)、学历证(如有)复印件,项目业绩需附中标通知书或合同协议书或竣工验收报告复印件;“主要人员简历表”中的施工负责人应附注册证、安全生产考核合格证书、身份证、职称证(如有)、学历证(如有)复印件,项目业绩需附中标通知书或合同协议书或竣工验收报告复印件;其他主要人员应附身份证、职称证(或执业证或岗位证)、学历证(如有)、安全生产考核合格证书(如有)复印件。
注:1、上述证书及相关资料复印件须加盖企业公章后装订在投标文件中。
2、上述内容中如某一证件正在年检或换证,需年检部门及换证部门出具有效证明方可
确认。
3、所有复印件必须要清晰、字迹清楚。
4、所有人员均按此表,提供个人的简历。
主要项目管理人员简历表
主要项目管理人员指项目技术负责人、施工员、安全员、质量员岗位人员。
应附岗位资格证书、身份证、养老保险证明复印件,安全员还应附安全生产考核合格证书C证复印件,项目技术负责人还须附学历证和职称证,不需附岗位资格证书。
主要业绩须附竣工验收备案表或中标通知
注:1.施工项目部关键岗位人员(除项目负责人)在建项目情况:省内企业关键岗位人员在建工程情况和省外企业关键岗位人员在湖南省内在建工程情况以湖南省建筑工程监管信息平台查询为准;省外企业由企业所在地地(市)级及以上建设行政主管部门提供的拟任施工项目部关键岗位人员(除项目负责人)无在建工程证明复印件。
2.省外企业关键岗位人如持有外省住房和城乡建设主管部门颁发的岗位资格证书,须提供证书真伪查询官方网站网址或提供省级住房和城乡建设主管部门出具的证书真实性证明复印件。
项目负责人个人求职简历项目负责人个人求职简历1基本信息姓名:性别:目前所在:年龄:户口所在:国籍:中国婚姻状况:民族:汉族身高:体重:求职意向人才类型:普通求职应聘职位:结构/土木/土建工程师,建筑工程管理/项目经理,工程监理工作年限:21职称:高级求职类型:全职可到职日期:随时月薪要求:希望工作地区:广州,佛山,顺德区工作经历公司:xxxx公司起止年月:20xx-xx~至今公司性质:股份制企业所属行业:建筑与工程担任职位:项目负责人工作描述:在众多项目中检查工地施工情况,做到及时发现问题,及时与业主和管理班组进行沟通,协调好各种关系,使项目进展顺利。
在管理过程中,做到开工有报告,施工有措施,技术有交底,定位有复查,材料、设备有试验,隐蔽工程有记录,质量有质检,交工有资料。
在工程质量控制方面,以预防为主,对班组人员技术素质进行审查,对施工工序质量进行检查,对影响工程质量的关键部位进行检查,验收方面要求严格执行国家和地方有关施工安装的质量验收规范,发现问题给予技术指导并要求整改。
在安全及文明施工方面,严格执行安全文明施工制度,检查工人劳动保护用品的使用情况和持证上岗情况,检查工地安全防护设施及安全技术交底等等,做到教育与惩罚相结合。
离职原因:寻找更好的发展平台公司:xxxx公司起止年月:20xx-xx~20xx-xx公司性质:股份制企业所属行业:建筑与工程担任职位:项目负责人工作描述:工作描述:组织项目管理班子,制定项目部施工管理的各项措施及制度,处理和协调与工程项目有关的内外关系,受托签署相关合同,严格按照工程合同进行管理;指挥工程项目建设的施工活动,调配并管理工程项目人力、资金、物资、机械设备、施工作业队伍等和项目经理部的日常管理工作;严格控制并时刻跟踪检查工程质量、安全、进度及施工成本,发现问题立即采取相应的纠偏措施,亲自编制或审核各项技术措施文件并严格执行,严格审核工程项目的.相关款项和预结算工作。
【简历模板】项目经理简历模板项目经理简历模板。
个人信息:姓名,XXX。
性别,男/女。
出生日期,XXXX年XX月。
联系电话,XXXXXXXXXXX。
电子邮箱,XXXXXXX。
教育背景:XXXX年-XXXX年 XXX大学管理学学士学位。
XXXX年-XXXX年 XXX大学项目管理硕士学位。
工作经历:XXXX年-至今 XXX公司项目经理。
负责项目的规划、实施和监督,确保项目按时交付并达到预期目标。
管理团队成员,分配任务并监督工作进度,确保团队高效运转。
与客户沟通,了解客户需求并及时解决问题,维护良好的客户关系。
编制项目进度报告,向上级汇报项目进展情况。
XXXX年-XXXX年 XXX公司项目助理。
协助项目经理进行项目计划和执行。
负责项目文件的整理和归档工作。
协助团队成员解决项目中的问题和难题。
协助编制项目报告和汇报材料。
专业技能:熟练运用项目管理工具,如Microsoft Project、Trello等。
具备良好的沟通能力和团队协作能力。
熟悉项目管理流程和方法,能够灵活应对各种复杂情况。
较强的问题解决能力和抗压能力。
自我评价:我是一个有责任心、有条理、有执行力的项目经理,能够有效地管理团队和项目进度,善于沟通和协调各方利益。
我有丰富的项目管理经验,能够灵活应对各种复杂情况,确保项目顺利完成。
以上是我的简历,如果您对我的工作经验和能力感兴趣,希望能有机会与您进一步交流。
期待能够加入贵公司,为公司的发展贡献自己的力量。
项目管理的简历表格模板项目管理的简历表格(一)个人履历姓名:联系电话:135现任职务:项目经理性别:男出生年月:1968年12月1日国籍:中国教育程度:工学硕士专业资格:(1)结构工程师(2)讲师语言种类:普通话(母语)英语(良好)专长:熟悉工程建设各个环节的管理和工作流程,包括设计、监理、施工、招投标和合约、政府相关审批手续条件等,具有扎实和广泛的专业知识和丰富的工程设计和管理经验,具有很强的协调能力和亲和力,工作责任心较强,具有较强的团队精神,能接受和承担工作的挑战性和压力,熟悉外企的管理理念。
简历:我于1998年7月毕业于某某大学,水力发电工程专业,获得工学硕士学位。
1991年7月毕业于学院,工业与民用建筑专业,获得学士学位。
现在通讯公司房地产部门工作,任项目经理和高级工程师。
有十多年建筑工程相关经验,从事过房屋建筑工程、道路工程、景观工程等项目的设计、工程管理和大学教学等方面工作。
职业经历:1.2022.10~至今,在深圳某某通讯公司房地产部门工作,任项目经理和高级结构工程师。
主要负责的项目有:1)项目:工程总建筑面积25万m2,其中公建8.2万m2,地上20层,地下二层;住宅15.4万m2,地上18层,地下1层;小区配套建筑面积1.4万m2。
主要负责项目从设计到施工全过程的成本、质量、进度的控制,以及工程建设参与各方之间的协调等工作。
2.2022.10~2022.10:有限公司,任高级工程师。
负责的主要项目有:1)总体景观设计项目的协调管理:该项目为全国第一条生态、环保、旅游高速公路,全长114.4Km,包括12个收费站,3个服务区,12个互通,12个典型路段,1个观景台等。
2)广州酒店的结构设计,项目包括一座38层酒店和宴会大厅,塔楼33层,裙房5层,一层地下车库,塔楼平面尺寸为7218m2,裙房平面尺寸11045m2,2,总建筑面积约93000 m2。
结构体系为框筒结构,转换层在六层,基础采用冲孔灌注桩,基坑开挖支护采用支锚式钢板桩。