石材用密封胶检验报告
- 格式:xls
- 大小:25.50 KB
- 文档页数:1
(受理号:)
检测报告
(污染性粘结性检测报告)
受检单位:陕西航天建筑工程公司第八分公司
产品名称:凌志建筑用石材硅酮耐候密封胶
中国浙江凌志精细化工有限公司
年月日
注意事项
、报告无“技术服务专用章”无效.
、报告无实验员、审核人、签署人签字或盖章无效.
、报告涂改无效.
、对检测报告如有异议,应于报告发出之日起个月内向检测单位提出,逾期不予受理.、本检验报告仅对来样负责.
地址:广州市沙太南路号邮编:
电话:传真:
硅酮密封胶粘结性污染性检测报告
工程名称:陕西花旗实业有限公司环保示范项目住宅楼及实验楼
施工单位:陕西航天建筑工程公司第八分公司
幕墙面积:申请号:(受理号:)
主检:审核:
签署:
中国浙江凌志精细化工有限公司
填发日期:年月日。
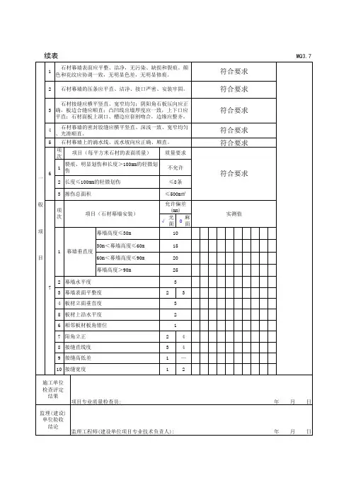
广东省建筑工程竣工验收技术资料统一用表第三部分:2010版土建、装修施工过程质量(技术)管理/质量控制资料第一节试(检)验报告一、混凝土、砂浆及原材料试(检)验报告1.水泥检验报告GD2101012.石板材检验报告GD2101023.粉煤灰检验报告GD2101034.防水材料(卷材)检验报告GD2101045.防水材料(片材)检验报告GD2101056.防水材料(涂料)检验报告GD2101067.外加剂性能检验报告GD2101078.同条件养护混凝土抗压强度检验报告GD2101089.混凝土用水检验报告GD21010910.混凝土配合比设计报告GD21011011.混凝土试件抗拆强度检验报告GD21011112.混凝土抗压强度检验报告GD21011213.砂浆试件抗压强度检验报告GD21011314.混凝土抗渗等级性能检验报告GD21011415.建筑绝热材料保温性能检验报告GD21011516.普通混凝土用砂检验报告GD21011617.普通混凝土用石检验报告GD210117二、钢材及钢构件试(检)验报告1.钢筋力学性能、工艺性能检验报告GD2102012.钢管力学性能、工艺性能检验报告GD2102023.钢筋焊接接头检验报告GD2102034.钢筋机械连接接头单向拉伸性能报告GD2102045.结构钢焊接件检验报告GD2102056.预应力钢纹线力学性能检验报告GD20102067.预应力混凝土用钢丝力学性能检验报告GD2102078.金属洛氏硬度检验报告GD2102089.高强度螺栓连接副扭矩系数检验报告GD21020910.高强度螺栓连接摩擦面抗滑移系数检验报告GD21021011.扭剪型高强螺栓连接副紧固预拉力检验报告GD21021112.紧固件检验报告GD21021213.结构钢检验报告GD21021314.静载锚固性能检验报告GD210214三、墙体材料试(检)验报告1.蒸压加气混凝土砌块检验报告GD2103012.轻骨料混凝土小型空心砌块检验报告GD2103023.普通混凝土小型空心砌块检验报告GD2103034.蒸压灰砂砖检验报告GD2103045.烧结普通砖检验报告GD2103056.烧结多孔砖检验报告GD2103067.烧结空心砖砌块检验报告GD2103078.混凝土路面砖检验报告GD2103089.外墙饰面砖粘结强度检验报告GD210309四、结构现场实体检测报告1.回弹法检测混凝土抗压强度报告GD2104012.钻芯法检测混凝土抗压强度报告GD2104023.超声回弹综合法检测混凝土强度报告GD2104034.超声法检测混凝土缺陷报告GD2104045.钢结构焊缝超声检测报告GD2104056.钢结构磁粉检测报告GD2104067.钢结构焊缝X射线检测报告GD2104078.钢结构渗透检测报告GD210408五、门窗、幕墙检测报告1.建筑外窗物理性能检测报告(原件)GD2105012.建筑外窗力学性能检测报告(原件)GD2105023.建筑幕墙物理性能检测报告(原件)GD2105034.建筑用硅酮结构密封胶相容性检测报告(原件)GD2105045.结构胶相容性检测试件说明(原件)GD2105056.建筑门窗五金配件产品质量检测报告GD2105067.建筑玻璃产品质量检测报告GD2105078.建筑材料导热系数检测报告GD2105089.建筑用塑料外窗角强度检测报告GD21050910.建筑幕墙用铝塑复合板检测报告(原件/复印件)GD21051011.建筑铝合金塑材检验报告(原件/复印件)GD21051112.石材(板)弯曲强度试验报告(原件/复印件)GD21051213.石材结构胶粘结强度检测报告(原件/复印件)GD21051314.石材用密封胶污染性能检测报告(原件/复印件)GD210514六、岩土地基基础检(试)验1.地基标准贯入试验检测报告(原件)GD2106012.击实检验报告GD2106023.密实度试验报告GD2106034.复合地基载荷试验检测报告GD2106045.地基土载荷试验检测报告(原件)GD2106056.基桩竖向抗压静载试验检测报告(原件)GD2106067.单桩竖向抗拔静载试验检测报告(原件)GD2106078.单桩水平抗压静载试验检测报告(原件)GD2106089.基础锚杆、支护锚杆(或土钉)抗拔试验报告(原件)GD21060910.地基动力触探试验检测报告(原件)GD21061011.基桩钻芯法检测报告(原件)GD21061112.基桩高应变法检测报告(原件)GD21061213.基桩反射波法检测报告(原件)GD21061314.基桩声波透射法检测报告(原件)GD210614七、室内环境检测报告1.民用建筑工程室内环境质量检测报告(原件)GD2107012.民用建筑工程土壤氡浓度检测报告(原件)GD2107023.建筑材料放射性核素检验报告GD2107034.建筑装饰装修材料有害物质含量检验报告GD210704第二节施工管理记录一、施工单位用表(其中部分表可用于建筑设备工程)1.施工现场质量管理检查记录GD2201012.单位工程开工申请报告GD2201023.单位工程施工组织设计(施工方案)(原件/复印件)GD2201034.设计图纸会审记录(一)(二)GD2201041)设计图纸会审记录(一)GD220104-12)设计图纸会审记录(二)GD220104-25.设计变更洽商记录GD2201056.设计变更通知单汇总表GD2201067.工程质量事故(停工)通知GD2201078.工程复工通知书GD2201089.工程中间验收交接记录GD22010910.单位工程竣工图登记表GD22011011.施工日志GD22011112.工程总价(原件/复印件)GD22011213.工程质量整改回复单GD22011314.项目经理任命通知书GD22011415.项目经理部人员设置通知书GD22011516.项目经理部人员变更通知书GD22011617.工程签证单GD22011718.工程质量事故调查处理报告GD220118第三节施工过程记录一、土建装修工程用表1.工程基线复核表GD23010012.单位工程坐标定位测量记录GD23010023._分项工程质量技术交底卡GD23010034.基坑监测总报告(原件/复印件)GD23010045.基坑支护结构顶部水平位移监测结果表GD23010056.基坑支护结构顶部沉降监测结果表GD23010067.锤击沉管混凝土灌注桩工程施工工艺试验记录表GD23010078.锤击沉管混凝土灌注桩工程施工记录表GD23010089.内击式套管成孔灌注桩施工工艺试验记录表GD230100910.内击式套管成孔灌注桩施工记录表GD230101011.锤击混凝土预制桩、钢桩施工工艺试验记录表GD230101112.锤击混凝土预制桩、钢桩施工记录表GD230101213.静压混凝土预制桩、钢桩施工工艺试验记录表GD230101314.静压混凝土预制桩、钢桩施工记录表GD230101415._号挖孔桩成孔检查记录GD230101516._号钻(冲)孔桩成卡施工记录GD230101617.护壁泥浆质量检查记录GD230101718.沉井(箱)施工记录表GD230101819._号钻(冲)孔桩地下连续墙灌注下混凝土记录GD230101920.人工挖孔灌注桩施工资料汇总表GD230102021.钻(冲)孔灌注桩施工资料汇总表GD230102122.水泥土搅拌桩施工记录表GD230102223.水泥土搅拌桩供灰记录表GD230102324.水泥土搅拌桩施工记录汇总表GD230102425.水泥土搅拌桩轻便触深检验记录表GD230102526.排水插板施工记录GD230102627.振冲桩施工记录GD230102728.喷、射混凝土施工记录GD230102829.锚杆(土钉)钻孔施工记录GD230102930.锚杆(土钉)注浆施工记录GD230103031.锚杆张拉施工记录GD230103132.地基基坑(槽)开挖、施工检查记录GD230103233.地基基坑(槽回填施工检查记录GD230103334.地基钎深记录表GD230103435.土方开挖后桩基础复核及桩质量检查表GD230103536.混凝土搅拌质量记录表GD230103637.混凝土坍落度检测记录表GD230103738.大体积混凝土测温记录表GD230103839.实体混凝土养护情况记录表GD230103940.砂浆试件抗压强度检验报告GD230104041.砂浆试件核查汇总表及混凝土试块核查汇总表GD230104142.混凝土试块试验结果汇总表GD230104243.砂浆试块试验结果汇总表GD230104344.混凝土抗压强度计算表GD230104445.砂浆抗压强度计算表GD230104546.砂浆抗压强度计算表GD2301045(新)47.钢材(钢筋、钢管)产品质量核查记录表GD230104648.钢筋(钢材、钢管、螺栓)连接检验报告汇总表GD230104749.水泥出厂、复验质量证明文件汇总表GD230104850.粗(细)骨料合格证、试验报告汇总表GD230104951._原材料合格证、试验报告汇总表GD230105052.钢筋机械连接接头检验报告汇总表GD230105153._质量证明文件汇总表GD230105254._合格证细则表GD230105355.预应力筋张拉原始记录表GD230105456.预应力张拉孔道压浆记录GD230105557.混凝土后浇带施工检查记录GD230105658.烟气(风)道工程检查记录表GD230105759.地下室防水效果检查记录表GD230105860.防水工程试验记录表GD230105961.垂直度、标高、全高记录表GD230106062.建筑物沉降观测记录表GD230106163.工种(工序)间交接质量检查记录表GD230106264._隐蔽工程质量验收记录表GD230106365.挖填前/后原地形测量记录网格图GD230106466.混凝土酮条件养护试件日累计养护温度记录表GD230106567.大体积混凝土施工测温记录表GD230106668.混凝土拆模申请GD230106769.钢筋保护层厚度检查记录GD230106870.混凝土楼板厚度检测记录GD230106971.基座、埋件交接记录GD230107072.建筑钢结构焊接工艺评定报告GD23010711)焊接工艺评定报告目录GD2301071-12)焊接工艺评定报告GD2301071-23)焊接工艺评定指导书GD2301071-34)焊接工艺评定记录表GD2301071-45)焊接工艺评定检验结果GD2301071-56)栓钉焊焊接工艺评定报告GD2301071-67)栓钉焊焊接工艺评定指导书GD2301071-78)栓钉焊焊接工艺评定记录表GD2301071-89)栓钉焊焊接工艺评定试样检验结果GD2301071-973.高强度螺栓连接副施工质量检查记录表GD230107274._构件吊装记录GD230107375.焊缝外观质量检查记录表GD230107476.扭矩检查记录GD230107577.构件质量现场检查记录GD230107678.构件安装施工记录GD230107779.钢材焊接试验报告汇总表GD230107880.钢吊车梁及动荷载安装一般项检查记录表GD230107981.单层钢柱外形尺寸检查记录表GD230108082.多节钢柱外形尺寸检查记录表GD230108183.钢管构件外形尺寸检查记录表GD230108284.焊接实腹钢梁外形尺寸检查记录表GD230108385.钢桁架外形尺寸允许偏差检查记录表GD230108486.钢平台钢梯和防护栏杆外形尺寸检查记录表GD230108587.钢墙架、檩条、支撑系统钢构件外形尺寸检查记录表GD230108688.钢(网架)结构支座复测记录GD230108789.网架结构杆件长度检查记录GD230108890.网架焊接球制作检验记录GD230108991.网架高强度螺栓连接检查记录GD230109092.钢网架结构节点安装就位记录GD230109193.钢(网架)结构构件安装就位记录GD230109294.钢(网架)结构焊缝质量检查记录GD230109395.膜结构节点安装就位记录GD230109496.网架工程挠度测量记录表GD230109597.钢结构构件(整体)侧向弯曲测量记录表GD230109698.防腐漆(膜)厚度计附着力检查记录表GD230109799.防火涂层厚度检查记录表GD2301098100.锚杆(土钉)隐蔽工程质量验收记录GD2301099101.土方回填隐蔽工程质量验收记录GD2301100102.钻(冲、挖)孔桩钢筋笼安装隐蔽验收记录表GD2301101103._号(钻)冲孔桩隐蔽验收记录GD2301102104.地下连续墙隐蔽验收记录GD2301103105.混凝土隐蔽工程质量验收记录GD2301104106.钢筋隐蔽工程质量验收记录GD2301105107.预应力结构孔道预应力钢筋及锚具预埋隐蔽工程验收记录GD2301106 108.型钢混凝土组合结构型钢隐蔽工程质量验收记录GD2301107109.砌体隐蔽工程质量验收记录GD2301108110.防水层隐蔽工程质量验收记录GD2301109111.钢结构隐蔽工程质量验收记录GD2301110112.细部隐蔽工程质量验收记录GD2301111113.吊顶隐蔽工程质量验收记录GD2301112114.轻质隔墙隐蔽工程质量验收记录GD2301113115.饰面板(砖)隐蔽工程质量验收记录GD2301114116.幕墙隐蔽工程质量验收记录GD2301115117.门窗隐蔽工程质量验收记录GD2301116118.幕墙构件、组件加工制作记录GD2301117119.(门窗)幕墙抗渗漏淋水试验记录GD2301118120.幕墙防雷接地电阻测试记录表GD2301119121.玻璃幕墙结构胶粘结剥离试验记录表2301120122.密封胶、密封材料和衬垫材料检查记录表GD2301121二、建筑节能(围护结构部分)用表(一)进场验收表GD23020101(通用表)(二)墙体节能工程1.墙体节能工程质量证明文件汇总表GD230202012.墙体节能工程见证取样复验报告汇总表GD230202023.墙体节能工程隐蔽工程质量验收记录表GD23020203(三)幕墙节能工程1.幕墙节能工程资料证明文件汇总表GD230203012.幕墙节能工程见证取样复验报告汇总表GD230203023.幕墙节能工程隐蔽工程质量验收记录表GD23020303(四)门窗节能工程1.门窗节能工程质量证明文件汇总表GD230204012.门窗节能工程见证取样复验报告汇总表GD230204023.门窗节能工程隐蔽工程质量验收记录表GD23020403(五)屋面节能工程1.屋面节能工程质量证明文件汇总表GD230205012.屋面节能工程见证取样复验报告汇总表GD230205023.屋面节能工程隐蔽工程质量验收记录表GD23020503(六)建筑外墙围护结构节能做法现场检验表1.外墙节能做法检验报告GD23020601(七)检验批/分项工程质量验收表1.墙体节能工程检验批/分项工程质量验收表GD230207012.幕墙节能工程检验批/分项工程质量验收表GD230207023.门窗节能工程检验批/分项工程质量验收表GD230207034.屋面节能工程检验批/分项工程质量验收表GD23020704(八)节能分部工程质量验收汇总表1.墙体节能工程节能分项工程质量验收表GD230208012.幕墙节能工程节能分项工程质量验收表GD230208023.门窗节能工程节能分项工程质量验收表GD230208034.屋面节能工程节能分项工程质量验收表GD23020804(九)节能分部工程质量收拾表1.建筑节能工程(围护结构部分)工程质量验收表GD23020901(十)备案专用表1.卷内目录2.卷内备考录3.案卷封面4.卷盒脊背第四节土建、装修各检验批质量验收记录一、地基与基础工程用表(一)无支护土方1._土方开挖工程检验批质量验收记录表GD240101012._土方回填工程检验批质量验收记录表GD24010102(二)有支护土方1.排桩墙支护工程检验批质量验收记录表(重复使用钢板桩)GD240102012.排桩墙支护工程检验批质量验收记录表(混凝土板桩)GD240102023.降水与排水工程检验批质量验收记录表GD240102034.混凝土灌注桩钢筋笼制作工程检验批质量验收记录表GD240102045.地下连续墙工程检验批质量验收记录表GD240102056.锚杆及土钉墙支护工程检验批质量验收记录表GD240102067.加筋水泥土桩墙支护工程检验批质量验收记录表GD240102078.沉井与沉箱工程检验批质量验收记录表GD240102089.钢或混凝土内支撑工程检验批质量验收记录表GD2401020910.支护工程钢腰梁、混凝土腰梁检验批质量验收记录表GD24010210(三)地基及基础处理1.灰土地基工程检验批质量验收记录表GD240103012.砂和砂石地基工程检验批质量验收记录表GD240103023.土工合成材料地基工程检验批质量验收记录表GD240103034.粉煤灰地基工程检验批质量验收记录表GD240103045.强夯地基工程检验批质量验收记录表GD240103056.振冲地基工程检验批质量验收记录表GD240103067.砂石桩地基工程检验批质量验收记录表GD240103078.预压地基工程检验批质量验收记录表GD240103089.高压喷射注浆地基工程检验批质量验收记录表GD2401030910.土和灰土挤密桩复合地基工程检验批质量验收记录表GD2401031011.注浆地基工程检验批质量验收记录表GD2401031112.水泥粉煤灰碎石桩复合地基工程检验批质量验收记录表GD2401031213.夯实水泥土桩复合地基工程检验批质量验收记录表GD2401031314.水泥土搅拌桩地基工程检验批质量验收记录表GD2401010314(四)桩基1.非预应力混凝土预制桩制作工程检验批质量验收记录表GD240104012.非预应力混凝土预制桩质量检查及外观质量检验批验收记录表GD240104023.先张法预应力混凝土管桩质量检查及外观质量检验批验收记录表GD240104034.钢桩(成品)外观质量检验批验收记录表GD240104045.锤击、静压混凝土预制桩工程检验批质量验收记录表GD240104056.锤击、静压钢桩工程检验批质量验收记录表GD240104067.混凝土灌注桩钢筋笼制作工程检验批质量验收记录表GD240104078.混凝土灌注桩工程检验批质量验收记录表GD240104089.混凝土板桩检验批质量验收记录表GD2401040910.重复使用钢桩检验批质量验收记录表GD24010410(五)地下防水1.防水混凝土工程检验批质量验收记录表GD240105012.水泥砂浆防水层工程检验批质量验收记录表GD240105023.卷材防水层工程检验批质量验收记录表GD240105034.涂料防水层工程检验批质量验收记录表GD240105045.金属板防水层工程检验批质量验收记录表GD240105056.塑料板防水层工程检验批质量验收记录表GD240105067.细部构造工程检验批质量验收记录表GD240105078.锚喷支护工程检验批质量验收记录表GD240105089.复合式衬砌工程检验批质量验收记录表GD2401050910.盾构法隧道工程检验批质量验收记录表GD2401051011.渗排水、盲沟排水工程检验批质量验收记录表GD2401051112.隧道、坑道排水工程检验批质量验收记录表GD2401051213.预注浆、后注浆工程检验批质量验收记录表GD2401051314.衬砌裂缝注浆工程检验批质量验收记录表GD24010514(六)混凝土基础1.现浇结构模板安装工程检验批质量验收记录表(Ⅰ)GD240106012.预制构件模板工程检验批质量验收记录表(Ⅱ)GD240106023.模板拆除工程检验批质量验收记录表(Ⅲ)GD240106034.钢筋加工工程检验批质量验收记录表(Ⅰ)GD24010604(新)5.钢筋加工工程检验批质量验收记录表(Ⅰ) GD24010604(旧)6.钢筋安装工程检验批质量验收记录表(Ⅱ)GD240106057.混凝土原材料及配合比设计检验批质量验收记录表(Ⅰ)GD240106068.混凝土施工工程检验批质量验收记录表(Ⅱ)GD240106079.现浇混凝土结构观感质量及尺寸偏差检验批验收记录表(Ⅰ)GD2401060810.混凝土设备基础外观及尺寸偏差检验批验收记录表(Ⅱ)GD24010609(七)砌体基础1.砖砌体工程检验批质量验收记录表GD240107012.混凝土小型空心砌块工程检验批质量验收记录表GD240107023.配筋砌体工程检验批质量验收记录表GD240107034.石砌体工程检验批质量验收记录表GD24010704(八)地下防水(GB 50208-2011)1.地下建筑防水工程1)防水混凝土工程检验批质量验收记录表GD240105012)水泥砂浆防水层工程检验批质量验收记录表GD240105023)卷材防水层工程检验批质量验收记录表GD240105034)涂料防水层工程检验批质量验收记录表GD240105045)塑料防水板防水层工程检验批质量验收记录表GD240105056)金属板防水层工程检验批质量验收记录表GD240105067)澎润土防水材料防水层工程检验批质量验收记录表GD240105072.细部构造防水工程1)施工缝工程检验批质量验收记录表GD240105082)变形缝工程检验批质量验收记录表GD240105093)后浇带工程检验批质量验收记录表GD240105104)穿墙管工程检验批质量验收记录表GD240105115)埋设件工程检验批质量验收记录表GD240105126)预留通道接头工程检验批质量验收记录表GD240105137)桩头工程检验批质量验收记录表GD240105148)孔口工程检验批质量验收记录表GD240105159)坑、池工程检验批质量验收记录表GD240105163.特殊施工法结构防水工程1)锚喷支护工程检验批质量验收记录表GD240105172)地下连续墙工程检验批质量验收记录表GD240105183)盾构隧道工程检验批质量验收记录表GD240105194)沉井工程检验批质量验收记录表GD240105205)逆筑结构工程检验批质量验收记录表GD240105214.排水工程1)渗排水、盲沟排水工程检验批质量验收记录表GD240105222)隧道排水、坑道排水工程检验批质量验收记录表GD240105233)塑料排水板排水工程检验批质量验收记录表GD240105245.注浆工程1)预注浆、后注浆工程检验批质量验收记录表GD240105252)结构裂缝注浆工程检验批质量验收记录表GD24010526砌体(GB 50203-2011)附录A 砌体工程检验批质量验收记录1)砖砌体工程检验批质量验收记录GD240107012)混凝土小型空心砌块砌体工程检验批质量验收记录GD240107023)配筋砌体工程检验批质量验收记录GD240107034)石砌体工程检验批质量验收记录GD240107045)填充墙砌体工程检验批质量验收记录GD24010705附录C 填充墙砌体植筋锚固力检测记录1)附录C.0.1 填充墙砌体植筋锚固力检测记录二、主体结构工程用表(一)混凝土结构1.现浇结构模板安装工程检验批质量验收记录表(Ⅰ)GD240201012.预制构件模板工程检验批质量验收记录表(Ⅱ)GD240201023.模板拆除工程检验批质量验收记录表(Ⅲ)GD240201034.钢筋加工工程检验批质量验收记录表(Ⅰ)GD24020104(新)5.钢筋加工工程检验批资料验收记录表(Ⅰ)GD24020104(旧)6.钢筋安装工程检验批质量验收记录表(Ⅱ)GD240201057.混凝土原材料及配合比设计检验批质量验收记录表(Ⅰ)GD240201068.混凝土施工工程检验批质量验收记录表(Ⅱ)GD240201079.预应力筋用锚具、夹具和连接器质量检验批质量验收记录表(Ⅰ)GD2402010810.预应力筋、螺旋管、水泥和外加剂原材料检验批质量记录表(Ⅱ)GD2402010911.预应力筋制作与安装工程检验批质量验收记录表(Ⅲ)GD2402011012.预应力筋张拉、放张、灌注及封锚工程检验批质量验收记录表(Ⅳ)GD2402011113.现浇混凝土结构观感质量及尺寸偏差检验批验收记录表(Ⅰ)GD2402011214.混凝土设备基础外观及尺寸偏差检验批验收记录表(Ⅱ) GD2402011315.预制构件检验批质量验收记录表(Ⅰ)GD2402011416.装配式结构施工工程检验批质量验收记录表(Ⅱ)GD24020115(二)砌体结构1.砖砌体工程检验批质量验收记录表GD240202012.混凝土小型空心砌块体工程检验批质量验收记录表GD240202023.石砌体工程检验批质量验收记录表GD240202034.填充墙砌体工程检验批质量验收记录表GD240202045.配筋砌体工程检验批质量验收记录表GD24020205(三)钢结构工程1.钢结构制作(安装)焊接工程检验批质量验收记录表(Ⅰ)GD240203012.焊钉(栓钉)焊接工程检验批质量验收记录表(Ⅱ)GD240203023.普通紧固件连接工程检验批质量验收记录表(Ⅰ)GD240203034.高强度螺栓连接工程检验批质量验收记录表(Ⅱ)GD240203045.钢结构零、部件加工工程检验批质量验收记录表(Ⅰ)GD240203056.钢网架制作工程检验批质量验收记录表(Ⅱ)GD240203067.单层及高层钢结构安装工程检验批质量验收记录表GD240203078.多层级高层钢结构安装工程检验批质量验收记录表GD240203089.钢构件组装工程检验批质量验收记录表GD2402030910.钢构件预拼装工程检验批质量验收记录表GD2402031011.钢网架安装工程检验批质量验收记录表GD2402031112.压型金属板工程检验批质量验收记录表GD2402031213.钢结构防腐涂料涂装工程检验批质量验收记录表GD2402031314.钢结构防火涂料涂装工程检验批质量验收记录表GD2402031415.网架结构总拼装工程批检验批质量验收记录表GD2402031516.钢结构钢材质量检查及外观质量检验批质量验收记录表GD2402031617.钢结构焊接材料质量检查及外观质量检验批质量验收记录表GD2402031718.钢结构焊接球质量检查及外观质量检验批质量验收记录表GD2402031819.钢结构螺栓球质量检查及外观质量检验批质量验收记录表GD2402031920.钢结构封板、锥头和套筒质量检查及外观质量检验批质量验收记录表GD2402032021.钢结构金属压型质量检查及外观质量检验批质量验收记录表GD2402321(四)木结构工程1.木屋盖工程检验批质量验收记录表GD240204012.胶合木工程检验批质量验收记录表GD240204023.轻型木结构(规格材、钉连接)工程检验批质量验收记录表GD240204034.木结构防腐、防虫、防火工程检验批质量验收记录表GD24020404砌体(GB 50203-2011)附录A 砌体工程检验批质量验收记录1)砖砌体工程检验批质量验收记录GD240202012)混凝土小型空心砌块砌体工程检验批质量验收记录GD240202023)石砌体工程检验批质量验收记录GD240202034)填充墙砌体工程检验批质量验收记录GD240202045)配筋砌体工程检验批质量验收记录GD24020205附录C 填充墙砌体植筋锚固力检测记录1)附录C.0.1填充墙砌体植筋锚固力检测记录三、装修装饰工程用表(一)建筑地面工程1.基土垫层检验批质量验收记录表(Ⅰ)GD240301012.灰土垫层检验批质量验收记录表(Ⅱ)GD240301023.砂垫层和砂石垫层检验批质量验收记录表(Ⅲ)GD240301034.碎石垫层和碎砖垫层检验批质量验收记录表(Ⅳ)GD240301045.二合土垫层检验批质量验收记录表(Ⅴ)GD240301056.炉渣垫层检验批质量验收记录表(Ⅵ)GD240301067.水泥混凝土垫层检验批质量验收记录表(Ⅶ)GD240301078.找平层检验批质量验收记录表(Ⅶ)GD240301089.隔离层检验批质量验收记录表(Ⅷ)GD2403010910.填充层检验批质量验收记录表(Ⅸ)GD2403011011.绝热层检验批质量验收记录表GD2403011112.水泥混凝土面层检验批质量验收记录表GD2403011213.水泥砂浆面层检验批质量验收记录表GD2403011314.水磨石面层检验批质量验收记录表GD2403011415.硬化耐磨面层检验批质量验收记录表GD2403011516.防油渗面层检验批质量验收记录表GD2403011617.不发火(防爆)面层工程检验批质量验收记录表GD2403011718.自流平面层检验批质量验收记录表GD2403011819.涂料面层检验批质量验收记录表GD2403011920.塑胶面层检验批质量验收记录表GD2403012021.地面辐射供暖的整体面层检验批质量验收记录表(Ⅰ水泥混凝土整体面层)GD2403012122.地面辐射供暖的整体面层检验批质量验收记录表(Ⅱ水泥砂浆整体面层)GD2403012223.砖面层检验批质量验收记录表GD2403012324.大理石和花岗石面层检验批质量验收记录表GD2403012425.预制板块面层检验批质量验收记录表GD2403012526.料石面层工程检验批质量验收记录表GD2403012627.塑料板面层检验批质量验收记录表GD2403012728.活动版面层检验批质量验收记录表GD2403012829.金属板面层检验批质量验收记录表GD2403012930.地毯面层检验批质量验收记录表GD2403013031.地面辐射供暖的板块面层检验批质量验收记录表(Ⅰ砖整体面层)GD2403013132.地面辐射供暖的板块面层检验批质量验收记录表(Ⅱ大理石和花岗石整体面层)GD2403013233.地面辐射供暖的板块面层检验批质量验收记录表(Ⅲ预制板块整体面层)GD2403013334.地面辐射供暖的板块面层检验批质量验收记录表(Ⅳ塑料板整体面层)GD2403013435.实木地板实木集成地板、竹地板面检验批质量验收记录表GD2403013536.实木复合地板面层检验批质量验收记录表GD2403013637.浸渍纸层压木质地板面层检验批质量验收记录表GD2403013738.软木类地板面层检验批质量验收记录表GD2403013839.地面辐射供暖的木板面层检验批质量验收记录表(Ⅰ实木复合地板整体面层)GD2403013940.地面辐射供暖的木板面层检验批质量验收记录表(Ⅱ浸渍纸层压木质地板整体面层)GD 24030140(二)抹灰工程1.一般抹灰工程检验批质量验收记录表GD240302012.装饰抹灰工程检验批质量验收记录表GD240302023.清水砌体勾缝工程检验批质量验收记录表GD24030203(三)门窗工程1.木门窗制作工程检验批质量验收记录表(Ⅰ)GD240303012.木门窗安装工程检验批质量验收记录表(Ⅱ)GD240303023.金属门窗安装工程检验批质量验收记录表(钢门窗)(Ⅰ)GD240303034.金属门窗安装工程检验批质量验收记录表(铝合金门窗)(Ⅱ)GD240303045.金属门窗安装工程检验批质量验收记录表(涂色镀锌钢板门窗)(Ⅲ)GD240303056.塑料门窗安装工程检验批质量验收记录表GD24030306。
江苏省工程建设标准DGJ J J11529-2011 DGJ32/ΧΧΧΧ—2011建筑幕墙工程质量验收规程code for construction quality acceptance of curtain wall2011-04-30 发布 2011-06-01 实施江苏省住房与建设厅审定发布前言为加强建筑幕墙工程质量管理,规范江苏省建筑幕墙工程质量验收行为,根据江苏省住房与城乡建设厅《关于印发〈江苏省2010年度工程建设地方标准和标准设计图集编制、修订计划〉的通知》(苏建科(2010)19号),由江苏省建设工程质量监督总站、江苏省建筑工程质量检测中心有限公司等单位承担了编制《建筑幕墙工程质量验收规程》的任务。
在编制过程中,编制组广泛进行了调查研究,收集了各种幕墙工程标准规范等资料,总结了多年来建筑幕墙工程在设计、材料、施工和质量控制方面的经验,并以多种方式征求了设计、施工单位意见,遵循科学性、实用性和可操作性的原则,经整理分析,多次研讨、反复修改的基础上编制了本规程。
本规程共分11章。
主要内容包括:1 总则;2 术语;3 基本规定;4 构件式玻璃幕墙工程;5 点支承玻璃幕墙工程;6 全玻璃幕墙工程;7 单元式玻璃幕墙工程; 8 石材幕墙工程;9 金属板幕墙工程;10 人造板幕墙工程;11 双层幕墙工程;12 建筑玻璃采光顶工程。
除第2章外其它各章均为验收要求。
本规程由江苏省住房与城乡建设厅负责管理。
江苏省建设工程质量监督总站负责解释。
鉴于本规程是国内首部较系统的建筑幕墙工程质量验收规程,有些条文可能需要通过使用进一步完善。
请有关单位在执行本规程过程中注意总结,及时将意见和建议反馈至江苏省建设工程质量监督总站,以供今后修订时参考。
本规程主编单位、参编单位、主要起草人和主要审查人:主编单位:江苏省建设工程质量监督总站江苏省建筑工程质量检测中心有限公司参编单位:江苏省建设机械金属结构协会苏州市建筑金属结构协会无锡市建设机械金属结构协会扬州市建设工程质量监督站连云港市建设工程质量监督站苏州市建设工程质量监督站江苏合发集团有限责任公司无锡王兴幕墙装饰工程有限公司苏州金螳螂幕墙有限公司江苏苏鑫装饰(集团)公司苏州苏明装饰有限公司无锡金城幕墙装饰工程有限公司无锡恒发幕墙工程有限公司苏州柯利达建筑装饰工程有限公司常州苏南建筑装璜工程有限公司江苏龙升幕墙工程有限公司中南集团.金丰环球装饰工程(天津)有限公司南京环达装饰工程有限公司主要起草人:蔡杰金孝权张云龙陆震宇姜美琴孙晋张云仙潘元元邹传伦殷建陈守松朱若愚刘长龙张晓巍顾晓冬梁秉业尹时平计苓周建朱燕明李德生顾建清郑元普王金存孔令虎主要审查人:目次1 总则 (4)2 术语 (5)3 基本规定 (8)3.1 基本要求 (8)3.2 质量要求 (9)3.3 检验批划分和检查检测数量 (10)4 构件式玻璃幕墙工程 (12)4.1 一般规定 (12)4.2 主控项目 (13)4.3 一般项目 (15)5 点支承玻璃幕墙工程 (18)5.1 一般规定 (18)5.2 主控项目 (19)5.3 一般项目 (21)6 全玻璃幕墙工程 (24)6.1 一般规定 (24)6.2 主控项目 (24)6.3 一般项目 (26)7 单元式幕墙工程 (27)7.1 一般规定 (27)7.2 主控项目 (27)7.3 一般项目 (29)8 石材幕墙工程 (31)8.1 一般规定 (31)8.2 主控项目 (32)8.3 一般项目 (34)9 金属板幕墙工程 (36)9.1 一般规定 (36)9.2 主控项目 (37)9.3 一般项目 (38)10 人造板材幕墙工程 (41)10.1 一般规定 (41)10.2 主控项目 (42)10.3 一般项目 (44)11 双层幕墙工程 (46)11.1 一般规定 (46)11.2 主控项目 (47)11.3 一般项目 (49)12 建筑玻璃采光顶工程 (51)12.1 一般规定 (51)12.2 主控项目 (51)12.3 一般项目 (54)附录A(规范性附录)........................................................................................................... 错误!未定义书签。
胶水检验报告
报告编号:GSJY-20210630-01
1. 检验胶水基本情况
本次检验的胶水样品为白色乳液,质地均匀,pH值为7.0±0.5。
检验过程中,样品未发现异样气味,未观察到沉淀。
2. 检验项目及标准
本次检验项目为溶剂含量、粘度、固含量、耐水性、耐热性、
拉伸强度、剥离强度等指标。
检验标准按照GB/T 14683-2003《建筑胶粘剂》执行。
3. 检验结果
(1)溶剂含量:≤1.0%。
检验结果为0.8%,符合要求。
(2)粘度:3000~5000cps。
检验结果为4300cps,符合要求。
(3)固含量:≥55%。
检验结果为60.5%,符合要求。
(4)耐水性:48h不开裂、不脱落、不变形。
经48h水浸泡后,样品未发现开裂、脱落、变形等现象。
(5)耐热性:不粘熔流深度≤3mm。
样品在80℃烘箱中烤2h,未发现明显粘熔现象,深度小于3mm。
(6)拉伸强度:≥2.5MPa。
检验结果为3.5MPa,符合要求。
(7)剥离强度:≥1.5N/mm。
检验结果为 1.8N/mm,符合要求。
4. 结论
本次检验的胶水样品符合GB/T 14683-2003标准的要求,可以
用于建筑胶粘剂。
5. 检验人员
检验员:XXX
审核员:XXX
批准人:XXX
本报告有效期为半年。
如有需要,请向我公司索取有效期内的正式报告。
特此证明。
XXX省XXX市XXX检验机构
2021年6月30日。
密封胶检测科标橡塑实验室专业提供建筑密封胶、汽车用密封胶、灌封胶等密封胶的检测分析服务,是一家专业的第三方密封胶检测分析机构。
科标橡塑实验室主要根据国内外被广泛接受的标准进行测试分析,并依据强大的技术实力,可以根据客户的特殊要求帮助开发新的检测方法并进行相关的研究分析。
青岛科标橡塑实验室经权威机构认证,拥有先进的检测设备及专业的检测团队,可出具权威CMA、CNAS 资质认证、国家认可的检测报告和分析报告。
检测范围:密封胶检测可分为弹性密封胶、液体密封垫料和密封腻子三大类。
热点检测产品有:建筑密封胶、汽车用密封胶、电器绝缘密封胶(灌封胶)、包装用密封胶等;按基料分类:1.橡胶型:此类密封胶以橡胶为基料。
常用橡胶有聚硫橡胶、硅橡胶、聚氨酯橡胶、氯丁橡胶和丁基橡胶等。
2.树脂型:此类密封胶以树脂为基料。
常用树脂有环氧树脂、不饱和聚酯树脂、酚醛树脂、聚丙烯酸树脂、聚氯乙烯树脂等。
3.油基型:此类密封胶以油料为基料。
常用的油类有各种植物油如亚麻油、蓖麻油和桐油、以及动物油、如鱼油等。
检测项目:热点性能指标:剪切蠕变、密度、pH、粘度、剥离强度、剪切强度、环球法软换点、适用期、规格、挤出性、表干时间、流动性、低温柔性、拉伸粘结性、浸水后拉伸粘结性、定伸粘结性、浸水后定伸粘结性、同一温度下拉伸-压缩循环后粘结性、冷拉—热压后粘结性、浸水及拉伸—压缩循环后粘结性、经过热、透过玻璃的人工光源和水曝露后粘结性、压缩特性、弹性恢复率、剥离粘结性、污染性、外观、表干时间、固化速度、硬度、拉伸强度、下垂度、固体含量、低温属性、粘合性能、弹性恢复率剥离粘结性、质量与体积变化、水-紫外线光照后的拉伸粘结度、紫外线辐照后粘结性、附件同密封胶相容性、基材同密封胶粘结性、老化检测、环保性检测等成分分析项目:成分分析、配方分析还原、未知物分析、材质鉴定、失效诊断分析、对比分析、材料热分析、定性定量分析、回料分析、分子量分析等。
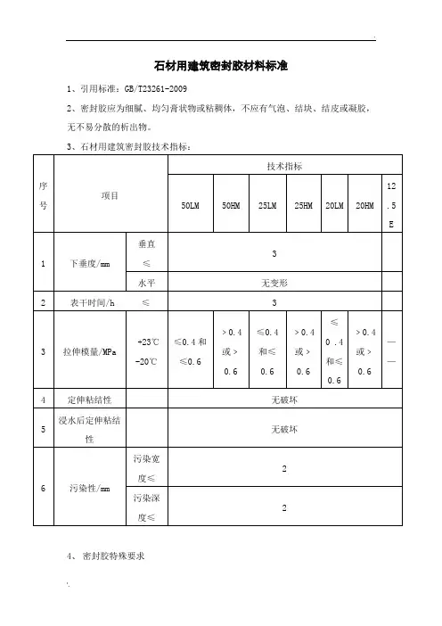
检测标准:GB/T14683-2003硅酮建筑密封胶GB16776-2005建筑用硅酮结构密封胶GB/T22083-2008建筑密封胶分级和要求GB/T23261-2009石材用建筑密封胶GB24266-2009中空玻璃用硅酮结构密封胶GB/T24267-2009建筑用阻燃密封胶GB/T24498-2009建筑门窗、幕墙用密封胶条GB/T29755-2013中空玻璃用弹性密封胶GB/T30774-2014密封胶粘连性的测定。
密封胶检验报告密封胶检验指导书密封胶检验指导书密封胶检验指导书(一)密封胶的检验规定采样方法:用500ml塑料杯在同一批次的任一包装桶中取满杯密封胶。
(二)检验步骤1、颜色、外观目测,应为白色,均匀糊状物。
2、密度2.1取两只100ml比重杯,用正庚烷洗净,晾干。
2.2用分析天平称比重杯重量A。
2.3往比重杯内装满密封胶,盖上杯盖,并擦去多余密封胶。
2.4再次称比重杯重量B。
2.5计算密封胶密度:计算公式:(B-A)/1002.6重复2.2-2.5步骤,再做一次,结果取两次测量的平均值。
3、固体份3.1在140±3℃烘箱中,将两只瓷坩埚烘20分钟,取出后置于干燥器内,冷却20分钟,在分析天平上称重为A。
3.2取5-10克密封胶至瓷坩埚内,称重为B3.3将盛有试样的瓷坩埚置于140±3℃烘箱中,烘2小时,取出后置于干燥器内,冷却20分钟,称重为C 3.4计算固体份计算公式:(C-A)/(B-A)×100%3.5重复3.2-3.4步骤,再做一次,结果取两次固体份的平均值4、旋转粘度用500ml塑料杯,按《ERICHSEN538-1-M旋转粘度计操作规程》,测定密封胶的旋转粘度。
重复测定两次,结果取平均值。
5、过滤性取100克密封胶,用500克汽油稀释后,用80目的滤布进行过滤,滤布上不得有残留物。
6、冷蠕性6.1用标准模板(规格:150×70×3mm,开孔尺寸:70×10mm,2个孔)压在与该密封胶相关的电泳试板上,刮出厚度为3mm的两道密封胶条。
6.2在密封胶的末端画一横线。
6.3在室温下,将试板(密封胶的末端朝下)垂直静止放置24小时。
6.4用直尺测量密封胶的蠕动距离。
7、热蠕性7.1用标准模板(规格:150×70×3mm,开孔尺寸:70×10mm,2个孔)压在与该密封胶相关的电泳试板上,刮出厚度为3mm的两道密封胶条。
建材检验报告报告编号:2021-XXXX
委托单位:
检验标的:
检验结论:
一、委托单位
委托单位:XXX建材有限公司
联系人:XXX
联系电话:XXX
二、检验标的
检验依据:《建筑材料产地质量检验规程》
检验标的:XXX建材有限公司生产的XXX产品生产日期:20XX年XX月XX日
生产批号:XXXXX
三、检验方法
• 对于XXX参数的检验,采用以下方法:
方法1:XXX检验法
方法2:XXX检验法
• 对于XXX参数的检验,采用以下方法:
方法1:XXX检验法
方法2:XXX检验法
四、检验结果
1. 外观质量:合格
2. 化学成分:
• XXX元素含量:符合标准要求• XXX元素含量:符合标准要求3. 物理性能:
• XXX参数:符合标准要求• XXX参数:符合标准要求
五、说明
本报告仅对检验标的进行检验,检验结论仅基于实验数据。
委托单位应当仔细阅读本报告,了解检验结论,并遵守报告所列出的建议和有关规定。
六、检验人员签字
主检人员签字:
签字日期:20XX年XX月XX日
副检人员签字:
签字日期:20XX年XX月XX日。
石头检验报告
报告编号:XXXX
受检单位:XXXX石材公司
检验日期:XXXX年XX月XX日
现场检验项目:
1. 外观检查:经观察,所检石材表面无明显缺陷,色泽均匀,符合标准要求。
2. 密度测量:选取5个样本进行密度测试,平均密度为
2.68g/cm3,符合标准要求。
3. 水吸收率测试:选取5个样本进行测试,平均水吸收率为0.37%,符合标准要求。
4. 抗压强度测试:选取5个样本进行测试,平均抗压强度为150MPa,符合标准要求。
5. 耐久性测试:选取3个样本进行耐久性测试,测试结果显示经过100次冻融循环后,石材表面无明显变化,符合标准要求。
结论:所检石材符合规定标准,可生产销售。
检验人:XXX
审核人:XXX
报告编制人:XXX
本报告仅针对所检石材样品进行检测,不作为其它样品检测的依据。
特此报告。
石材检验报告石材是一种常见的建筑材料,具有优美的外观和良好的耐久性,因此在建筑领域得到广泛应用。
然而,石材在使用过程中可能会出现各种质量问题,为了确保石材产品的质量和安全性,需要进行严格的检验和测试。
本报告将对石材的检验过程和结果进行详细描述,以便对石材产品的质量进行准确评估。
一、检验目的。
本次检验的目的是对石材产品进行全面、系统的检测,包括外观质量、物理性能和化学成分等方面的检验,以确定其是否符合相关标准和规定的要求。
二、检验范围。
本次检验的范围包括但不限于以下内容:1. 外观检验,包括表面平整度、色泽、纹理等方面的检验;2. 物理性能检验,包括抗压强度、抗弯强度、吸水率等方面的检验;3. 化学成分检验,包括石材成分、放射性元素含量等方面的检验。
三、检验方法。
1. 外观检验,采用目测和手触摸的方式进行检验,对石材表面进行全面观察和摸索;2. 物理性能检验,采用专业的实验设备进行测试,如万能试验机、吸水率测定仪等;3. 化学成分检验,采用化学分析方法进行检验,如X射线荧光光谱仪、质谱仪等。
四、检验结果。
1. 外观检验结果,经过外观检验,石材表面平整度良好,色泽自然,纹理清晰,符合相关标准的要求;2. 物理性能检验结果,抗压强度为XXMPa,抗弯强度为XXMPa,吸水率为XX%,均符合相关标准的要求;3. 化学成分检验结果,石材主要成分为XX,放射性元素含量符合国家标准的要求。
五、检验结论。
根据上述检验结果,本次石材产品的质量符合相关标准和规定的要求,可以正常投入使用。
建议在使用过程中加强保养和维护,以确保石材产品的长期使用效果。
六、检验建议。
1. 建议生产厂家加强对石材产品的质量管理,确保产品质量稳定可靠;2. 建议用户在使用过程中注意石材产品的保养和维护,延长产品的使用寿命。
七、附录。
1. 检验报告附表。
2. 检验过程中的照片和记录。
以上为本次石材检验报告的全部内容,希望对石材产品的质量评估和使用提供参考。
本文部分内容来自网络整理,本司不为其真实性负责,如有异议或侵权请及时联系,本司将立即删除!== 本文为word格式,下载后可方便编辑和修改! ==石材密封胶耐污染性检测报告篇一:石材幕墙检测项目1、需要做三性试验:风压变形性能、气密性能和水密性能;2、有的也增做:平面内变形性能及其他性能检测,即常说的四性;3、角钢槽钢不需要做复试;4、需要做复试的材料有:(1)铝塑复合板的剥离强度;(2)石材的弯曲强度、寒冷地区石材的耐冻融性、室内用花岗岩的放射性;(3)石材用密封胶的污染性(4)幕墙用结构胶的邵氏硬度,标准条件下拉伸粘结强度(5)幕墙用结构密封胶、耐候密封胶与其相接触材料的相容性和剥离粘结性试验(这两项指标密封胶出厂检验报告中不能提供,但在密封使用前必须进行复验);5、需要做现场实验的有:(1)后置预埋件的现场拉拔试验,抽取数量应按规范规定的比例采取随机抽样的依法进行;(2)硅酮结构密封胶的剥离试验,抽取数量为每100个组件抽取1件;(3)如果采用双组分硅酮结构密封胶,还应做混匀性(蝴蝶)试验和拉断(胶杯)试验。
同种类型做一组即可;(4)淋水试验,全数进行;一、资料审查1、审查幕墙工程所用各种材料、五金配件、构件及组件是否有产品合格证书、性能检测报告、进场验收记录和复验报告。
2、幕墙工程所用硅酮结构胶的认定证书和抽查合格证明;进口硅酮结构胶的商检证;国家指定检测机构出具的硅酮结构胶与接触材料相容性和剥离粘结性实验报告;并应有保证年限的质量保证书。
3、石材的弯曲强度不应小于8.0 MPa;吸水率应小于0.8%。
石材用密封胶的耐污染性试验报告。
二、实物检测1、检查预埋件的尺寸偏差,外观检查钢板的厚度、焊接质量。
2、检查铝合金型材截面受力部分壁厚不得小于3mm,氧化膜厚大于15μm,表面质量是否符合要求,外表面贴膜保护。
钢龙骨截面尺寸壁厚不得小于 3.5 mm,钢结构件经热镀锌处理,镀锌层厚度不得小于45μm,检查型材外观质量,形状不得有弯曲、扭拧。
2023年XX省建筑用密封胶产品质量监督抽查实施细则1抽样方法以随机抽样的方式抽取检验样品和备用样品。
对单组分支装产品,从同批产品中随机抽取4个包装箱,每个包装箱中随机抽取2支产品,共8支,4支为检验样品,4支为备用样品。
对双组分桶装产品,每批次产品抽取主剂、固化剂各1包装桶。
主剂样品总量不小于4kg,固化剂样品总量不小于1kg,将主剂样品和固化剂样品各分为两份,主剂样品每份至少2kg,固化剂样品每份至少0.5kg,其中一份为检验样品,另一份为备用样品。
2抽查产品名称及执行标准3检验依据执行企业标准、团体标准、地方标准的产品,检验项目参照上述内容执行。
凡是注日期的文件,其随后所有的修改单(不包括勘误的内容)或修订版不适用于本细则。
凡是不注日期的文件,其最新版本适用于本细则。
4判定规则4.1依据标准GB33372-2020《胶粘剂挥发性有机化合物限量》GB16776—2005《建筑用硅酮结构密封胶》GB/T14683—2017《硅酮和改性硅酮建筑密封胶》GB24266—2009《中空玻璃用硅酮结构密封胶》GB/T23261—2009《石材用建筑密封胶》GB/T29755—2013《中空玻璃用弹性密封胶》JC/T485-2007《建筑窗用弹性密封胶》JC/T881—2017《混凝土接缝用建筑密封胶》JC/T885—2016《建筑用防霉密封胶》现行有效的国家标准、企业标准、团体标准、地方标准及产品明示质量要求4.2判定原则经检验,检验项目全部合格,判定为被抽查产品所检项目未发现不合格;检验项目中任一项或一项以上不合格,判定为被抽查产品不合格。
若被检产品明示的质量要求高于本细则中检验项目依据的标准要求时,应按被检产品明示的质量要求判定。
若被检产品明示的质量要求低于本细则中检验项目依据的强制性标准要求时,应按照强制性标准要求判定。
若被检产品明示的质量要求低于或包含本细则中检验项目依据的推荐性标准要求时,应以被检产品明示的质量要求判定。
本文部分内容来自网络整理,本司不为其真实性负责,如有异议或侵权请及时联系,本司将立即删除!== 本文为word格式,下载后可方便编辑和修改! ==石材密封胶耐污染性检测报告篇一:石材幕墙检测项目1、需要做三性试验:风压变形性能、气密性能和水密性能;2、有的也增做:平面内变形性能及其他性能检测,即常说的四性;3、角钢槽钢不需要做复试;4、需要做复试的材料有:(1)铝塑复合板的剥离强度;(2)石材的弯曲强度、寒冷地区石材的耐冻融性、室内用花岗岩的放射性;(3)石材用密封胶的污染性(4)幕墙用结构胶的邵氏硬度,标准条件下拉伸粘结强度(5)幕墙用结构密封胶、耐候密封胶与其相接触材料的相容性和剥离粘结性试验(这两项指标密封胶出厂检验报告中不能提供,但在密封使用前必须进行复验);5、需要做现场实验的有:(1)后置预埋件的现场拉拔试验,抽取数量应按规范规定的比例采取随机抽样的依法进行;(2)硅酮结构密封胶的剥离试验,抽取数量为每100个组件抽取1件;(3)如果采用双组分硅酮结构密封胶,还应做混匀性(蝴蝶)试验和拉断(胶杯)试验。
同种类型做一组即可;(4)淋水试验,全数进行;一、资料审查1、审查幕墙工程所用各种材料、五金配件、构件及组件是否有产品合格证书、性能检测报告、进场验收记录和复验报告。
2、幕墙工程所用硅酮结构胶的认定证书和抽查合格证明;进口硅酮结构胶的商检证;国家指定检测机构出具的硅酮结构胶与接触材料相容性和剥离粘结性实验报告;并应有保证年限的质量保证书。
3、石材的弯曲强度不应小于8.0 MPa;吸水率应小于0.8%。
石材用密封胶的耐污染性试验报告。
二、实物检测1、检查预埋件的尺寸偏差,外观检查钢板的厚度、焊接质量。
2、检查铝合金型材截面受力部分壁厚不得小于3mm,氧化膜厚大于15μm,表面质量是否符合要求,外表面贴膜保护。
钢龙骨截面尺寸壁厚不得小于 3.5 mm,钢结构件经热镀锌处理,镀锌层厚度不得小于45μm,检查型材外观质量,形状不得有弯曲、扭拧。
附件35:
广东省石材用建筑密封胶产品质量监督抽查实施细则
1 抽样方法
以随机抽样的方式在被抽样生产者、销售者的待销产品中抽取。
随机数一般可使用随机数表等方法产生。
每批次产品抽取样品不少于2个独立包装,且不少于2kg,其中不少于1个独立包装,且不少于1kg作为检验样品,不少于1个独立包装,且不少于1kg作为备用样品。
2 检验依据
执行企业标准、团体标准、地方标准的产品,检验项目参照上述内容执行。
凡是注日期的文件,其随后所有的修改单(不包括勘误的内容)或修订版不适用于本细则。
凡是不注日期的文件,其最新版本适用于本细则。
3 判定规则
3.1依据标准
GB/T 23261-2009《石材用建筑密封胶》
GB 30982-2014《建筑胶粘剂有害物质限量》
现行有效的企业标准、团体标准、地方标准及产品明示质量要求
3.2判定原则
经检验,检验项目全部合格,判定为被抽查产品合格;检验项目中任一项或一项以上不合格,判定为被抽查产品不合格。
若被检产品明示的质量要求高于本细则中检验项目依据的标准要求时,应按被检产品明示的质量要求判定。
若被检产品明示的质量要求低于本细则中检验项目依据的强制性标准要求时,应按照强制性标准要求判定。
若被检产品明示的质量要求低于或包含本细则中检验项目依据的推荐性标准要求时,应以被检产品明示的质量要求判定。
若被检产品明示的质量要求缺少本细则中检验项目依据的强制性标准要求时,应按照强制性标准要求判定。
若被检产品明示的质量要求缺少本细则中检验项目依据的推荐性标准要求时,该项目不参与判定。