5.1.28、建筑用硅酮结构密封胶检验报告
- 格式:xls
- 大小:17.50 KB
- 文档页数:1
尊敬的用户感谢您对我们公司2023年度建筑用硅酮结构密封胶产品的关注与支持。
根据国家标准和相关规定,我们已经完成了对该产品的年度检测,并将检测结果通知如下:1.产品基本信息:-产品名称:建筑用硅酮结构密封胶-生产厂家:XXX公司-生产日期:2023年X月X日-产品批次:XXXXX2.检测项目及结果:(1)外观质量:产品外观应无明显的糊化、结块、分层、气泡等缺陷,颜色应与样品一致。
经检测,本产品外观质量达到国家标准要求。
(2)相对密度:产品的相对密度应在1.4-1.6之间。
经检测,本产品相对密度为1.45,符合国家标准要求。
(3)硬度:产品的硬度应在20-50之间。
经检测,本产品硬度为30,符合国家标准要求。
(4)伸长率:产品的伸长率应不小于100%。
经检测,本产品伸长率为150%,符合国家标准要求。
(5)断裂伸长率:产品的断裂伸长率应不小于150%。
经检测,本产品断裂伸长率为180%,符合国家标准要求。
(6)耐候性:产品在阳光照射、温湿循环等条件下应保持物理性能稳定,无翻黄、开裂、粘聚等现象。
经检测,本产品耐候性达到国家标准要求。
(7)粘结性能:产品与基材的粘结强度应满足国家标准要求。
经检测,本产品的粘结强度符合国家标准要求。
3.建议和注意事项:(1)请妥善保管本检测报告,以备将来参考或相关证明使用。
我们将一如既往地保持产品质量和服务质量,不断改进和提升,为您提供更优质的产品和服务。
再次感谢您的信任与支持!此致XXX公司。
1
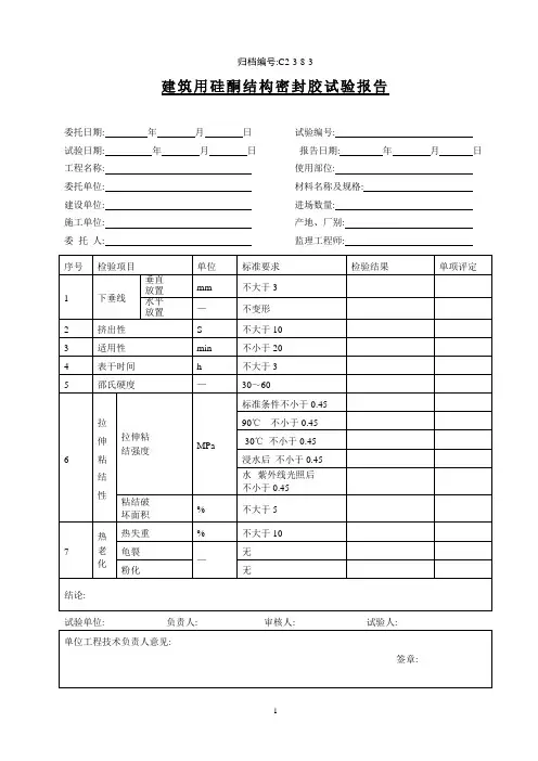
序号123
56
4
7
拉伸
粘接性
下垂度
结 论
备 注
检验单位地址:电话:批准:
审核:
主检:
23℃时最大拉伸强度时伸长率(%)
声明: 1、本检验报告涂改、换页无效。
未经本单位书面批准,不得部分复制本检验报告。
(完全复制除外) 2、对本报告如有异议,应在收到报告15日内以书面形式向本单位提出,过期不予受理。
拉伸粘接强度(MPa)粘接破坏面积(%)挤出性(s)适用期(min)垂直放置
水平放置
表干时间(h)硬度(shore A)
检验项目技术要求
检验结果
单项判定
外观送验日期:年 月 日检验日期:
年 月 日
报告日期:
年 月 日
见证单位:检验类别:见证人员:监督登记号:型号规格:样品编号:检评依据:工程部位: 5.1.28、建筑用硅酮结构
密封胶检验报告
工程名称:1
报告编号:生产单位:样品名称:建筑用硅酮结构密封胶检验报告
委托单位:检验单位:(检测报告专用章)。
GB/T16776建筑用硅酮结构密封胶1 范围本标准规定了建筑用硅酮结构密封胶(简称硅酮结构胶)的术语、分类和标记、要求、试验方法、检验规则、包装、标志、运输和贮存。
本标准适用于建筑幕墙及其它结构粘接装配用硅酮结构密封胶。
2 规范性引用文件下列文件中的条款通过本标准的引用而成为本标准的条款。
凡是注日期的引用文件,其随后所有的修改单(不包括勘误的内容)或修订版均不适用于本标准,然而,鼓励根据本标准达成协议的各方研究是否可使用这些文件的最新版本。
凡是不注日期的引用文件,其最新版本适用于本标准。
GB/T 531-1999 橡胶袖珍硬度计压入硬度试验方法(ISO 7619:1986,Rubber-Determination hardness by means of pocket hardness meters,IDT)GB/T 13477.1-2003 建筑密封材料试验方法第1部分:试验基材的规定(ISO 13640:1999, Building construction—Jointing products—Specifications for test substrates,MOD)GB/T 13477.3-2003 建筑密封材料试验方法第3部分:使用标准器具测定密封材料挤出性的方法(ISO9048:1987,Building construction—Jointing products—Determination of extrudability of sealants using standardized apparatus,MOD)GB/T 13477.5-2003 建筑密封材料试验方法第5部分:表干时间的测定GB/T 13477.6-2003 建筑密封材料试验方法第6部分:流动性的测定(ISO 7390:1987,Building construction—Jointing products—Determination of resistance to flow,MOD)GB/T 13477.8-2003 建筑密封材料试验方法第8部分:拉伸粘结性的测定(ISO8339:1984,Building construction—Jointing products—Sealants—Determination of tensile properties,MOD)GB/T 13477.18-2003 建筑密封材料试验方法第18部分:剥离粘结性的测定GB/T 14682 建筑密封材料术语JC/T 485-1992(1997)建筑窗用弹性密封剂3 术语GB/T 14682确定的术语和定义适用于本标准。
vsvr建筑用硅酮结构密封胶试验标准rrcj 建筑用硅酮结构密封胶试验标准BG/T14683--2003前言本标准5.1、5.2、5.3条为强制性的,其余为推荐性的。
本标准修改采用ASTM C 1184-2000 a《硅酮结构密封胶》。
本标准与ASTM C1184,2000 a的主要区别如下:——提高了拉伸粘结性指标;——增加了粘结破坏面积、23?下最大拉伸强度时的伸长率、23?下拉伸模量; ——水,紫外光照拉伸粘结性试验方法采用我国JC/T 485—1992(1996)标准。
——增加了附录A、附录B、附录D、附录E。
本标准代替GB16776-1997。
本标准与GB 16776-1997相比主要变化如下:——规范性引用文件采用最新版本(1997版第2章;本版第2章); ——邵氏硬度、23?拉伸粘结性指标作了修改;(1997版的表1序号5、6;本版的表1序号5、6);——增加23?下最大拉伸强度时的伸长率指标;(本版的表1序号7); ——增加23?拉伸模量(本版5.4);——邵氏硬度试验补充了试片制备过程(1997版6.7;本版6.7)。
——修改了附录A(规范性附录)《结构装配系统用附件同密封胶相容性试验方法》 (1997版附录A;本版附录A);——取消了原附录B(1997版附录B);——增加了附录B(规范性附录)《实际工程用基材同结构胶粘结性试验及结果的判定》 (1997版附录A;本版附录B);——增加了附录C(资料性附录)《硅酮结构密封胶的模量》、附录D(资料性附录)《施工ε1装配中结构密封胶的试验方法》、附录E(资料性附录)《本标准与ASTM C 1184-2000 a对照》。
(本版附录C、附录D、附录E)。
本标准的附录A、附录B为规范性附录,附录C、附录D、附录E为资料性附录。
本标准由中国建筑材料工业协会提出。
本标准由全国轻质与装饰装修建筑材料标准化技术委员会(TC195)归口。
本标准负责起草单位:中国化学建筑材料公司,建筑材料工业技术监督研究中心,郑州中原应用技术研究中心,河南省建筑材料研究设计院、中国化建苏州防水材料研究所本标准参加起草单位:杭州之江有机硅化工有限公司、南海市佛山市嘉美化工集团公司、南海市使你佳粘胶厂、广州市新展粘胶厂、广州市高士实业公司、广州白云粘胶厂、武汉凌云集团建筑工程有限公司、成都硅宝科技实业有限公司、浙江凌志精细化工有限公司、国家化学建材测试中心、国家合成树脂质检中心本标准主要起草人:马启元、刘武强、张德恒、丁苏华、刘明、朱志远、刘虎城、王跃林、冯祥佳、李步春、王有治、王奉平、吴弋德、龚万森、王建东、武庆涛本标准历次版本发布情况:GB16776-1997。
建筑用硅酮结构密封胶试验报告
的到位
报告对象:建筑用硅酮结构密封胶
报告日期:2023.06.24
报告摘要
本试验的对象是建筑用硅酮结构密封胶,主要检测整体性能。
试验品
经过标定、粘度测定、绷紧力测定、拉伸性能测定、限水性测定、耐久性
测定、耐老化测定等七个方面的测试,结果表明,建筑用硅酮结构密封胶
有良好的性能,符合Q/JS17-2023硅酮结构密封胶的要求。
1引言
硅酮结构密封胶是一种常用的结构密封胶,用于密封和固定建筑物内
部的结构件,以防止污染、漏水等现象的发生。
为了确保结构密封胶的质量,也为了检验其合格,需要对该产品进行一系列的试验。
因此,有必要
对建筑用硅酮结构密封胶进行各项性能试验,以评估其性能。
2试验方法
2.1标定
标定是一种标准化试验,用于确定产品的产量、包装规格等情况,硅
酮结构密封胶也是一样。
标定中,需要了解硅酮结构密封胶的产量、容量、出模时间、出模强度、等等,以确定产品的质量。
2.2粘度测定
粘度测定是指对硅酮结构密封胶的流变性能进行测试,可以测量出该胶的粘度、流变行为等性能,以验证其易用性。
2.3绷紧力测定。
本文部分内容来自网络整理,本司不为其真实性负责,如有异议或侵权请及时联系,本司将立即删除!== 本文为word格式,下载后可方便编辑和修改! ==石材幕墙硅酮结构胶检测报告篇一:幕墙工程验收报告幕墙单项工程质量验收报告注 1、此表用于幕墙分包施工的幕墙单项工程的质量验收;2、幕墙单项工程施工完成设计和合同约定的内容后,由建设单位组织有关单位进行质量验收,并按规定的内容填写和签署意见;3、幕墙单项工程质量文件要按页后的资料汇总表要求填写,并经验收审查后整理成册附后;4、本表格一式四份,建设、施工、监理、质监各一份。
幕墙单项工程质量文件汇总表工程名称:云凯熙园二期1楼 #注:工程技术资料要求按时间顺序进行装订,应签章的相关单位需签章齐全,检查、验收结论应明确。
篇二:084关于干挂石材委托检测的情况汇报浙江盈都房地产开发有限公司内部工作联系单日期:201X年11月21日编号:_YDFC-gc-201X-084抄送部门:篇三:硅酮结构胶质量控制手册硅酮结构胶装配质量控制手册梦想启动未来前言20世纪中期以来, 由于建筑材料的发展, 最初的混(来自:WwW. : 石材幕墙硅酮结构胶检测报告 )凝土墙体被玻璃, 铝板, 石材等各种材料所取代, 到目前为止幕墙系统得到了长足的发展。
建筑外墙最大的成功是将它的外观表现和使用功能得到完整的结合。
对于使用功能来讲, 多表现为其防雨水, 防气漏, 隔音, 保温等耐候性能。
检验建筑物外墙耐候性能好坏的一个重要因素就是密封胶的性能。
1947年××公司建立了世界上第一个有机硅生产基地, 进行全球性的密封胶研究、生产和销售。
半个多世纪以来, ××公司对于硅酮胶积累了丰富的经验, 不仅提供优质的产品, 而且提供客户完整的解决方案。
在所有结构胶、密封胶使用过程中,××公司都要求客户严格按照产品操作管理手册进行加工和管理。
对于不同项目的需求××公司提供以下服务:? ××公司对工程进行合理化建议, 提供正确的密封胶。
2023硅酮胶年检报告概述本报告涵盖了2023年硅酮胶的年度检测结果。
硅酮胶是一种常见的密封材料,用于多个行业的建筑、汽车、电子和航空等领域。
年度检测是确保硅酮胶质量和性能的重要环节,本报告将提供有关硅酮胶样品的测试项目,结果以及结论。
检测项目1. 外观检测外观检测是检查硅酮胶样品外表面是否存在任何物理损伤或变形。
在检测过程中,我们注意到以下情况:•没有明显的表面裂纹或划痕;•没有明显的变形或膨胀;•没有颜色变化或污染。
根据我们的观察,该硅酮胶样品的外观状况良好,并未发现任何明显问题。
2. 物理性能测试物理性能测试旨在评估硅酮胶样品的机械性能,包括拉伸强度、硬度和断裂伸长率等。
2.1 拉伸强度拉伸强度是指材料在受力状态下抵抗拉伸的能力。
我们使用标准的拉伸试验方法进行测试,并测得以下数据:•最大拉伸强度:XX MPa•屈服强度:XX MPa•断裂强度:XX MPa根据测试结果,该硅酮胶样品在拉伸强度方面表现良好,符合相关标准要求。
2.2 硬度测试硬度测试是评估硅酮胶样品硬度和弹性的重要指标。
我们使用杜氏硬度计进行测试,并测得以下数据:•杜氏硬度:XX测试结果显示,该硅酮胶样品的硬度处于标准范围内,符合要求。
2.3 断裂伸长率断裂伸长率是指材料在拉伸过程中能够延展的长度百分比。
我们使用拉伸试验方法测得以下数据:•断裂伸长率:XX%测试结果表明,该硅酮胶样品具有良好的延展性,符合相关标准要求。
3. 化学性能测试化学性能测试是评估硅酮胶样品耐化学腐蚀和稳定性的关键测试项目。
3.1 耐候性测试耐候性测试用于评估硅酮胶样品在自然环境中的稳定性。
我们将样品暴露在高温、潮湿或紫外线照射下,并观察以下情况:•没有明显颜色变化;•未发现脱胶或泡沫;•未见明显降解现象。
根据测试结果,该硅酮胶样品在耐候性方面表现良好。
3.2 耐化学腐蚀性测试耐化学腐蚀性测试用于评估硅酮胶样品在不同化学物质(如酸、碱、溶剂等)作用下的性能。
GB/T16776建筑用硅酮结构密封胶1 范围本标准规定了建筑用硅酮结构密封胶(简称硅酮结构胶)的术语、分类和标记、要求、试验方法、检验规则、包装、标志、运输和贮存。
本标准适用于建筑幕墙及其它结构粘接装配用硅酮结构密封胶。
2 规范性引用文件下列文件中的条款通过本标准的引用而成为本标准的条款。
凡是注日期的引用文件,其随后所有的修改单(不包括勘误的内容)或修订版均不适用于本标准,然而,鼓励根据本标准达成协议的各方研究是否可使用这些文件的最新版本。
凡是不注日期的引用文件,其最新版本适用于本标准。
GB/T 531-1999 橡胶袖珍硬度计压入硬度试验方法(ISO 7619:1986,Rubber-Determination hardness by means of pocket hardness meters,IDT)GB/T 13477.1-2003 建筑密封材料试验方法第1部分:试验基材的规定(ISO 13640:1999, Building construction—Jointing products—Specifications for test substrates,MOD)GB/T 13477.3-2003 建筑密封材料试验方法第3部分:使用标准器具测定密封材料挤出性的方法(ISO9048:1987,Building construction—Jointing products—Determination of extrudability of sealants using standardized apparatus,MOD)GB/T 13477.5-2003 建筑密封材料试验方法第5部分:表干时间的测定GB/T 13477.6-2003 建筑密封材料试验方法第6部分:流动性的测定(ISO 7390:1987,Building construction—Jointing products—Determination of resistance to flow,MOD)GB/T 13477.8-2003 建筑密封材料试验方法第8部分:拉伸粘结性的测定(ISO8339:1984,Building construction—Jointing products—Sealants—Determination of tensile properties,MOD)GB/T 13477.18-2003 建筑密封材料试验方法第18部分:剥离粘结性的测定GB/T 14682 建筑密封材料术语JC/T 485-1992(1997)建筑窗用弹性密封剂3 术语GB/T 14682确定的术语和定义适用于本标准。
GB/T16776建筑用硅酮结构密封胶1 范围本标准规定了建筑用硅酮结构密封胶(简称硅酮结构胶)的术语、分类和标记、要求、试验方法、检验规则、包装、标志、运输和贮存。
本标准适用于建筑幕墙及其它结构粘接装配用硅酮结构密封胶。
2 规范性引用文件下列文件中的条款通过本标准的引用而成为本标准的条款。
凡是注日期的引用文件,其随后所有的修改单(不包括勘误的内容)或修订版均不适用于本标准,然而,鼓励根据本标准达成协议的各方研究是否可使用这些文件的最新版本。
凡是不注日期的引用文件,其最新版本适用于本标准。
GB/T 531-1999 橡胶袖珍硬度计压入硬度试验方法(ISO 7619:1986,Rubber-Determination hardness by means of pocket hardness meters,IDT)GB/T 13477.1-2003 建筑密封材料试验方法第1部分:试验基材的规定(ISO 13640:1999, Building construction—Jointing products—Specifications for test substrates,MOD)GB/T 13477.3-2003 建筑密封材料试验方法第3部分:使用标准器具测定密封材料挤出性的方法(ISO9048:1987,Building construction—Jointing products—Determination of extrudability of sealants using standardized apparatus,MOD)GB/T 13477.5-2003 建筑密封材料试验方法第5部分:表干时间的测定GB/T 13477.6-2003 建筑密封材料试验方法第6部分:流动性的测定(ISO 7390:1987,Building construction—Jointing products—Determination of resistance to flow,MOD)GB/T 13477.8-2003 建筑密封材料试验方法第8部分:拉伸粘结性的测定(ISO8339:1984,Building construction—Jointing products—Sealants—Determination of tensile properties,MOD)GB/T 13477.18-2003 建筑密封材料试验方法第18部分:剥离粘结性的测定GB/T 14682 建筑密封材料术语JC/T 485-1992(1997)建筑窗用弹性密封剂3 术语GB/T 14682确定的术语和定义适用于本标准。
尊敬的用户:
感谢您选择我们的建筑用硅酮结构密封胶产品,并参加了2024年度的产品质量年检。
经过我们专业技术人员的细致检测和测试,现将您的产品年检结果通知如下:
首先,我们对您购买的建筑用硅酮结构密封胶产品进行了全面的外观检查。
经检测发现,您所购买的产品外观整体良好,没有明显的色差、气泡、破损等缺陷。
产品颜色均匀且光洁度高,符合相关标准要求。
其次,我们对产品的物理性能进行了测试。
经过拉伸试验,产品的拉伸强度和断裂伸长率均符合相关标准要求。
此外,产品的硬度符合标准范围内,表面粘附力强,对各种材料有很好的粘接性能。
再次,我们对产品的耐候性能进行了测试。
经过模拟气候老化实验,产品在高温、低温和湿度条件下表现出良好的耐候性能。
产品不易老化变色,能有效保持长时间的耐用性,适应各种恶劣环境。
最后,我们对产品的化学性能进行了检测。
经过酸碱抗性测试,产品表现出较强的抗酸碱性能,能够在常见酸碱介质下保持稳定。
此外,产品的不含有害物质,无毒无味,对人体和环境无害。
总结来说,根据本次年检结果,您所购买的建筑用硅酮结构密封胶产品质量良好,各项性能指标符合相关标准要求。
您可以放心使用该产品进行建筑物的密封和防水施工,以确保施工质量和工程的安全可靠。
此致
敬礼。
批准:
审核:
主检:
声明: 1、本检验报告涂改、换页无效。
未经本单位书面批准,不得部分复制本检验报告。
(完全复制除外) 2、对本报告如有异议,应在收到报告15日内以书面形式向本单位提出,过期不予受理。
检验单位地址:电话:送验日期:年 月 日检验日期:
年 月 日
报告日期:
年 月 日
见证单位:检验类别:见证人员:监督登记号:型号规格:样品编号:检评依据:工程部位: 5.1.28、建筑用硅酮结构
密封胶检验报告
1
报告编号:生产单位:样品名称:建筑用硅酮结构密封胶检验报告
委托单位:检验单位:(检测报告专用章)工程名称:。