沥青路面检测频率
- 格式:xls
- 大小:89.50 KB
- 文档页数:2
沥青路面平整度检测方法及频率
沥青路面平整度检测是确保道路质量的重要环节,通常采用以
下方法进行检测:
1. 高精度激光测距仪,使用激光测距仪沿着道路表面进行扫描,通过测量反射激光的时间来计算道路表面的高程,进而评估路面的
平整度。
2. 惯性测量单元(IMU),IMU可以安装在车辆上,通过加速
度计和陀螺仪等传感器来测量车辆在道路表面的振动和变化,从而
评估路面的平整度。
3. 高清摄像头,使用高清摄像头拍摄道路表面,并通过图像处
理技术来分析道路表面的起伏情况,从而评估平整度。
4. 振动传感器,安装在车辆上的振动传感器可以实时监测车辆
在行驶过程中的振动情况,从而评估道路表面的平整度。
至于频率,一般来说,对于主干道和高速公路等重要道路,平
整度检测的频率通常为每年一次或每两年一次。
而对于次要道路和
低交通量道路,可以适当降低检测频率,通常为每三年一次。
当然,具体的检测频率还需要根据当地的道路使用情况、气候条件和道路
材料等因素来进行综合考虑和确定。
沥青混凝土路面工程质量的检测的项目1、路基:压实度(检查方法:灌水法、灌砂法或环刀法;检查频率:每1000平方取每压实层抽查3点);道路弯沉(检查方法:弯沉仪检测;检查频率:每车道、每20m测1点);2、基层:原材料质量检测(检查方法:查检验报告、复验;检查频率:按不同材料进场批次,每批检查一次);压实度(检查方法:灌水法、灌砂法;检查频率:每1000平方取每压实层抽查3点);基层、底基层试件作7d无侧限抗压强度,(检查方法:现场取样试验;检查频率:每2000平方抽检1组(6块));道路弯沉(检查方法:弯沉仪检测;检查频率:每车道、每20m测1点);3、沥青面层:原材料质量检测(沥青:检查方法:查出厂合格证、检验报告并进场复验;检查频率:按同一厂家、同一品种、同一标号、同一批号进场的沥青(石油沥青每100t为一批,改性沥青每50t为一批)每批次抽检一次;沥青混合料所用的粗集料、细集料、矿粉、纤维稳定剂等:检查方法:观察、检查进场检验报告;检查频率:按不同品种产品进场批次和产品抽样检验确定);沥青混合料:检查方法:测温;检查频率:全数检查);沥青混合料马歇尔试验:(检查方法:现场取样试验;检查频率:每日、每品种取样一次);压实度(检查方法:马歇尔试验;检查频率:每1000平方取抽查1点);面层厚度:(检查方法:钻孔或刨挖;检查频率:每1000平方取抽查1点);道路弯沉(检查方法:弯沉仪检测;检查频率:每车道、每20m测1点)。
关于透水砖人行路面质量监督情况的报告透水砖人行路面具有良好的透水、透气性能,雨后不积水,雪后不打滑,可使雨水迅速渗入地下,补充土壤水和地下水,是取代彩板砖人行路面的新一代市政道路施工工艺。
透水砖是以无机非金属材料为主要原料,经成型等工艺处理后制成,具有较大水渗透性能的铺地砖,其边长大小、厚度、颜色可以按照建筑模数和设计要求确定,主要物理性能包括抗压强度、耐磨性、保水性及透水性。
沥青混凝土路面质量实验检测项目
1、路基:压实度(检bai查方法:灌水法、灌砂du法或环zhi刀法;检查频率:每1000平方取每dao压实层抽查3点);道路弯沉(检查方法:弯沉仪检测;检查频率:每车道、每20m测1点);
2、基层:原材料质量检测(检查方法:查检验报告、复验;检查频率:按不同材料进场批次,每批检查一次);压实度(检查方法:灌水法、灌砂法;检查频率:每1000平方取每压实层抽查3点);基层、底基层试件作7d无侧限抗压强度,(检查方法:现场取样试验;检查频率:每2000平方抽检1组(6块));道路弯沉(检查方法:弯沉仪检测;检查频率:每车道、每20m测1点);
3、沥青面层:原材料质量检测(沥青:检查方法:查出厂合格证、检验报告并进场复验;检查频率:按同一厂家、同一品种、同一标号、同一批号进场的沥青(石油沥青每100t为一批,改性沥青每50t为一批)每批次抽检一次;沥青混合料所用的粗集料、细集料、矿粉、纤维稳定剂等:检查方法:观察、检查进场检验报告;检查频率:按不同品种产品进场批次和产品抽样检验确定);沥青混合料:检查方法:测温;检查频率:全数检查);沥青混合料马歇尔试验:(检查方法:现场取样试验;检查频率:每日、每品种取样一次);压实度(检查方法:马歇尔试验;检查频率:每1000平方取抽查1点);面层厚度:(检查方法:钻孔或刨挖;检查频率:每1000平方取抽查1点);道路弯沉(检查方法:弯沉仪检测;检查频率:每车道、每20m测1点)。
高速公路沥青路面原材料检测项目和检测频率
为确保高速公路沥青路面质量,规范沥青路面原材料检测工作,在已印发的路面施工指导意见相关规定的基础上,进一步明确高速公路沥青路面底基层、路面基层、路面下封层、路面面层原材料检测项目和检测频率,我部制定了《高速公路沥青路面原材料检测项目、检测频率》,现印发给你们,自XX年10月1日起实行。
附件:高速公路沥青路面检测项目、检测频率
高速公路沥青路面底基层
原材料检测项目、检测频率
高速公路沥青路面基层原材料检测项目、检测频率
高速公路沥青路面下封层原材料检测项目、检测频率
高速公路沥青路面面层原材料检测项目、检测频率
高速公路沥青路面面层原材料检测项目、检测频率
高速公路沥青路面面层
原材料检测项目、检测频率
注:掺入沥青后与石料粘附性按粗集料检测频率执行;残留稳定度施工单位不少于每周检测2次,监理组和市高指按规定频率检测。
市政道路工程中从路基到沥青路面或砼路面各个阶段各需做哪些实验?常用的试验一:原材料送检方法及频率:名称试验项目试验频率取样方法水泥细度、凝结时间、安定性沸煮检验、强度同一个批号或不超过200T 为一检验批。
袋装水泥随机选择20个以上不同部位取出水泥共计12㎏左右,散装水泥通过去取样器在适当位置插入一定深度抽出所需样品的数量。
砂含泥量、级配、细度模数、表观相对密度每400方为一检验批从不同的部位取出30㎏左右混合一起石子含泥量、级配、针片状颗粒含量、压碎值、吸水率每400方为一检验批从不同的部位取出60㎏左右混合一起石灰有效氧化钙、氧化镁含量每100T为一检验批。
从不同的部位取出2㎏左右砖抗压强度每10万块为一检验批。
从同一批次中取出10块钢筋抗拉强度、冷弯试验同一批次或每批质量不大于60T为一检验批。
在每批钢筋中两根钢筋各取一套2个试样,两根长为50cm左右做抗拉强度,另外两根长为30cm左右做冷弯试验单面焊抗拉强度同一批次或每批接头不大于300个在每批钢筋中任取两根长为50cm左右做抗拉强度。
搭接焊抗拉强度同一批次或每批接头不大于300个在每批钢筋中任取两根长为50cm左右做抗拉强度。
闪光对焊抗拉强度、冷弯试验同一批次或每批接头不大于300个在每批钢筋中两根钢筋各取一套2个试样,两根长为50cm左右做抗拉强度,另外两根长为30cm左右做冷弯试验钢绞线抗拉强度同一批次或每批质量不大于60T为一批在同一批次中不同两捆中各取一根1m长左右做抗拉强度排水工程:1、水泥合格证、试验报告。
2、钢筋合格证、试验报告、原材料试验报告、焊接试验报告(焊条合格证)。
3、砖、砂、石子原材料试验报告。
4、石灰技术指标试验。
5、各种图纸要求砼配合比试验(C15、C20、C25等)。
6、按照规范要求频率并且每工作班组制作砼、砂浆的抗压试块,并及时送试验室进行试验。
7、1:2水泥砂浆:M7.5、M10砂浆配合比。
8、污、雨水工程三七灰土垫层及素土击实标准。
公路工程检测试验项目标准与频率工程项目:路基工程
公路工程检测试验项目标准与频率工程项目:路基工程
工程项目:排水工程
第3页共21页
工程项目:排水工程
第4页共21页
工程项目:排水工程
第5页共21页
工程项目:路面工程
第6页共21页
工程项目:路面工程
第7页共21页
工程项目:路面工程
第8页共21页
工程项目:路面工程
第9页共21页
工程项目:路面工程
第10页共21页
工程项目:路面工程
第11页共21页
工程项目:路面工程
第12页共21页
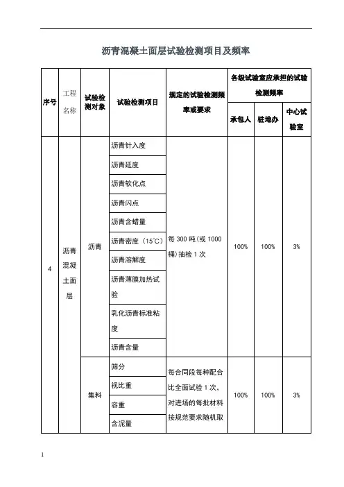
公路工程检测试验项目标准与频率工程项目:路面工程
第13页共21页
工程项目:路面工程
第14页共21页
工程项目:路面工程
第15页共21页
公路工程检测试验项目标准与频率工程项目:路面工程
第16页共21页
公路工程检测试验项目标准与频率工程项目:桥梁、涵洞工程
公路工程检测试验项目标准与频率工程项目:桥梁、涵洞工程
公路工程检测试验项目标准与频率工程项目:桥梁、涵洞工程
公路工程检测试验项目标准与频率工程项目:桥梁、涵洞工程
公路工程检测试验项目标准与频率工程项目:桥梁、涵洞工程
注:带★号的检测项目和验收试验的检测项目,必须送监理代表处中心试验室进行检验。
道路工程质量检测标准及频率
1.1 路基土石方工程
1.1.1土方路基
土方路基允许偏差及检查频率
1.1.2石方路基
石方路基允许偏差及检查频率
1.1.3砂垫层
砂垫层允许偏差及检查频率
注:(1)纵断高程、宽度检查频率为全幅路每一检查段内的检查量。
1.2 排水工程
1.2.1管道基础及管节安装
管道基础及管节安装允许偏差及检查频率
1.2.2检查(雨水)井砌筑
1.2.3浆砌排水沟、边沟、截水沟
浆砌排水沟、边沟、截水沟允许偏差及检查频率
1.3 挡土墙防护及其它砌石工程1.3.1砌体和混凝土挡土墙
砌体和混凝土挡土墙允许偏差及检查频率
1.3.2护坡、护面墙
护坡、护面墙允许偏差及检查频率
1.3.3浆砌砌体
浆砌砌体允许偏差及检查频率
1.3.4干砌片石
1.4 路面工程
注:表面压实度带*者按试验路压实度为准。
注:当设计值≥6cm时,按厚度面分率控制:设计厚度小于6cm时,按厚度不足毫米数控制。
1.4.3水泥稳定粒料基层和底基层
水泥稳定粒料基层和底基层允许偏差及检查频率
1.4.4级配碎(砾)石基层和底基层
级配碎(砾)石基层和底基层允许偏差及检查频率
1.4.5路缘石铺设
路缘石铺设允许偏差及检查频率
1.4.6 路肩
路肩允许偏差及检查频率
1.4.7照明设施安装。