CAD输出高清晰JPG图纸,含图例
- 格式:doc
- 大小:920.50 KB
- 文档页数:12
CAD中的图纸页面设置技巧图纸页面是CAD设计中非常重要的一部分,它决定了图纸的尺寸、比例和布局等方面。
在使用CAD软件进行设计时,学会合理设置图纸页面是必不可少的技巧。
本文将介绍一些关于CAD中图纸页面设置的技巧,帮助大家更好地使用CAD软件进行设计。
一、设置图纸尺寸和比例在创建新的图纸页面时,我们首先需要设置图纸的尺寸和比例。
一般来说,我们可以根据具体需求选择常用的尺寸,如A4、A3、A2等。
在CAD软件中,通常会提供预设的标准尺寸供我们选择,也可以自定义图纸尺寸。
设置图纸比例是为了使图纸的比例与实际设计尺寸保持一致。
一般来说,我们可以根据具体需求选择1:1的比例,即图纸上的长度和实际设计尺寸一致。
如果设计的物体较大,我们也可以选择适当的缩小比例,以便完整地显示在图纸上。
二、设置图纸边界和视口CAD软件中的图纸页面通常是一个矩形区域,我们需要在页面上设置边界和视口。
边界是图纸的边框,用于界定图纸的范围和显示区域。
我们可以通过绘制矩形或使用CAD软件提供的工具设置边界。
在边界内部,我们可以设置一个或多个视口。
视口是用于显示CAD设计内容的窗口,可以在图纸上选择不同的位置和大小。
在设置视口时,我们需要确保其与边界相互对应,并且能够完整地显示设计内容。
三、添加标注和图例在图纸页面上添加标注和图例是提高设计可读性和沟通效果的重要手段。
标注可以包括图纸的标题、尺寸、比例、日期等信息,以及设计内容的详细说明和注释。
图例可以用于展示设计中使用的符号、图标和比例等内容。
在CAD软件中,我们可以通过直接绘制文字和图形的方式添加标注和图例,也可以使用CAD软件提供的工具来自动生成标注和图例。
当然,我们还可以根据自己的需要进行进一步的编辑和调整,以符合设计要求。
四、打印和输出图纸当图纸设计完成后,我们就可以进行打印和输出。
在进行打印之前,我们需要设置打印机和纸张的参数,如打印分辨率、纸张尺寸、打印比例等。
在CAD软件中,我们可以通过打印和输出设置来进行参数的调整和优化。
在CAD中导出清晰的JPG图像的方法第一类:打印法。
(以打印设置为核心,之后转存图片格式)方法之一:添选postscript level 1打印机,输出eps文件,Photoshop 转存为图片格式。
使用指数:★★★★★具体步骤:如下a、下拉菜单“文件”>>“打印机管理器”>>弹出窗口里双击“添加打印机向导”>>“简介”下一步>>“开始”下一步>>“打印机型号”默认(生产商Adobe型号postscript level 1)下一步>>“输入PCP或PC2”下一步>>“端口”里把右上面的点为“打印到文件”下一步>>“打印机名称”下一步>>“完成”。
b、然后准备画好的CAD图进行打印,在“打印设备”里下拉选择“Postscript Level 1”,在右下面勾选“打印到文件”,并选择要保存的EPS文件路径。
c、确认其它打印设置,内容、颜色、线宽等,之后确定。
d、用Photoshop打开导出的EPS文件,设置相应的分辨率。
文件打开后,根据自己的需要调整、修改,最后合并图层,另存为想要的图片格式就OK啦。
自我评价:目前最“专业”的方法。
可以得到线条的颜色、粗细,可调分辨率等,十分OK。
方法之二:用PbulishToWeb JPG.pc3打印机,直接打印输出JPG 文件。
使用指数:★☆☆☆☆具体步骤:如下a、准备画好的CAD图,之后点“打印图标”,弹出对话框。
b、在“打印设备”里点下拉,选择“PbulishToWeb JPG.pc3”打印机。
c、在“打印设置”里下拉选择其中一个尺寸,最后点确定。
OK。
自我评价:虽说简便,但输出的文件质量不是很理想。
方法之三:将打印出的CAD图纸,用扫描仪扫描成图片。
使用指数:★★★☆☆具体步骤:(略)自我评价:此法虽显笨,也常有用者(我以前就是这样)。
需要强调的是结果还算比较理想。
AutoCAD做完的图怎么才能保存为图片格式
AutoCAD做完的图怎么才能保存为图片格式呢?一般使用CAD软件做好的图都是DWG格式,只有装CAD软件后才能打开,非常的麻烦,那么如何将CAD文件保存为图片JPG格式呢?下面给大家介绍CAD文件保存为JPG图片格式的方法。
解决方法:
1、在桌面上找到CAD的快捷图标,双击打开CAD这款软件,进入CAD的操作界面,如图所示:
2、在该界面内按下快捷键Ctrl+O键弹出选择文件对话框,在该对话框内找到我们的图形文件,如图所示:
3、打开文件后在上面找到打印选项,如图所示:
4、点击打印选项,在弹出的对话框内找到打印机绘图仪名称选项,在其内选择PublishToWeb jpg.pc3选项,如图所示:。
制作专业CAD图例的技巧与方法CAD图例在设计和工程领域起着至关重要的作用。
它们是传达设计意图和技术细节的关键工具。
本文将介绍一些制作专业CAD图例的技巧与方法,帮助读者更好地理解和应用CAD软件。
1. 设计有目的的层次结构在CAD软件中,使用层次结构对图例进行组织非常重要。
为了增强可读性和易用性,图例应根据不同元素的功能和类型进行分组。
例如,建筑图例可以按照墙体、门窗、家具等进行分类。
在图例中,可以通过命名和颜色编码来标识不同层次的元素,使其更易于识别和操作。
2. 使用正确的线型和线宽在绘制CAD图例时,使用正确的线型和线宽能够准确地传达设计信息。
例如,在建筑图例中,使用不同的线型来表示不同的材料或构造细节,如实线表示墙体,虚线表示柱子等。
此外,根据实际需要选择合适的线宽,以确保图例清晰可见,并在打印或输出时保持良好的质量。
3. 注意图例比例和尺寸在CAD软件中,绘制图例时要注意比例和尺寸的准确性。
图例应该符合实际设计图纸的比例,以便在需要时能够准确地代表设计意图。
同时,图例的尺寸也需要考虑到实际使用情况,以确保在打印或查看时不会出现模糊或模糊的情况。
4. 添加必要的文字说明和标注为了让CAD图例更加清晰和易懂,添加必要的文字说明和标注是必不可少的。
文字说明可以提供设计元素的具体信息,如尺寸、材料等。
标注可以帮助读者快速理解和解释图例中的各个部分。
在CAD软件中,可以使用文本工具和标注工具来添加这些信息。
5. 利用图例库和模板为了提高制作效率和一致性,利用图例库和模板是非常重要的。
图例库是一组预定义的设计元素和符号,可以在绘制图例时直接使用。
模板是已经设置好页面尺寸、比例、层次结构等参数的文件,可以帮助用户快速开始绘制图例。
CAD软件通常提供了图例库和模板功能,用户可以根据自己的需要进行配置和使用。
6. 定期优化和更新图例为了确保CAD图例始终保持专业和准确,定期进行优化和更新是必要的。
随着设计流程和要求的变化,图例中的元素和信息可能需要进行调整和更新。
cad初学者简单图纸教程CAD(计算机辅助设计)是一种在计算机上进行设计和制图的工具。
它使用计算机上的软件,可以帮助工程师、设计师和建筑师等专业人士创建精确、准确的图纸和模型。
对于CAD初学者来说,以下是一个简单的图纸教程,以帮助你入门:1. 安装CAD软件:首先,你需要选择一款适合你的CAD软件,并将其安装在你的计算机上。
一些常见的CAD软件包括AutoCAD、SolidWorks和CATIA等。
2. 设定绘图单位:在开始绘图之前,你需要设置你的绘图单位。
这可以通过选择合适的测量单位(如英寸、毫米或厘米)来完成。
3. 绘制基本几何形状:现在,你可以开始绘制图纸的基本几何形状,如线段、圆、矩形等。
你可以使用CAD软件中的工具栏或命令行来绘制这些形状。
4. 使用绘图命令:CAD软件通常提供了许多绘图命令,如线段、圆弧、多边形等。
你可以使用这些命令来创建更复杂的图形。
5. 进行编辑操作:在完成基本形状绘制后,你可以对图形进行编辑操作,如移动、旋转、缩放等。
CAD软件通常提供了许多编辑工具,可以帮助你修改和调整图形。
6. 添加文本和标注:在图纸上添加文本和标注是非常重要的,因为它可以帮助他人理解图纸的含义。
CAD软件通常提供了添加文本和标注的工具,你可以选择合适的位置和字体样式。
7. 图层和图例:为了使图纸更加清晰和易于理解,你可以使用图层和图例。
图层可以帮助你将不同的图形元素组织在一起,而图例可以标识和说明图纸中的各个部分。
8. 打印和输出:完成图纸设计后,你可以选择将其打印出来或者以电子文件的形式输出。
CAD软件通常提供了打印和输出功能,可以帮助你将图纸保存为常见的文件格式,如PDF、JPEG等。
总结起来,CAD是一种非常强大和实用的工具,可以帮助你创建精确和准确的图纸。
通过这个简单的图纸教程,你可以了解到CAD的基本操作和功能,为你今后的学习和实践奠定基础。
记住,实践是掌握CAD技能的关键,所以不要害怕尝试新的图纸设计和制图任务。
把CAD图纸打印成TIF格式图片(可设置纸张大小及打印分辨率)
我们知道CAD软件本身提供的打印机可以直接打印jpg 或是png等网络格式图片文档,但是是图片的大小只能是像素的,要打印某种规格纸张及特定打印分辨率的话,就得算出此分辨率下此纸张尺寸下的长宽像素,然后自定义相应纸张。
才能打印出我们所要的图片。
此方法是利用Office 自带的文档虚拟打印机“Microsoft Office Document Image Writer.pc3”,来打印出tif格式的图片文档,优点是又多种自带标准纸张可选,也可以方便的选择打印分辨率。
并且图片格式更为清晰。
1。
执行mv命令,选f选项,创建一个布满打印区域的视口。
2。
把视口框线放到单独的一个图层如“视口框线”图层,关掉“灯泡”,隐藏框线。
隐藏视口框线
3。
在页面设置中,选择打印机如下图打印机。
4。
图纸尺寸选A4,横向,质量选最大,即300dpi。
5。
打开打印设备选项卡,在所有的打印机后单击“特性”,打开打印机特性设置对话框。
选择打印分辨率为“超精细300DPI”。
CAD施工图制图规范在建筑、室内设计、机械制造等众多领域,CAD 施工图扮演着至关重要的角色。
它是设计师与施工人员之间沟通的重要桥梁,准确清晰的施工图能够确保项目的顺利进行,减少误解和错误,提高工作效率和质量。
为了实现这一目标,遵循一套严格的 CAD 施工图制图规范是必不可少的。
一、图纸设置1、图纸幅面应根据项目的规模和复杂程度选择合适的图纸幅面,常见的有A0、A1、A2、A3、A4 等。
一般来说,大型项目多采用 A0、A1 幅面,小型项目则可选用 A2、A3 甚至 A4 幅面。
2、图框与标题栏图框应采用标准格式,包括边框线、会签栏等。
标题栏应包含项目名称、图纸名称、比例、绘图日期、绘图人员等必要信息。
3、比例根据实际情况选择合适的比例,如 1:50、1:100、1:200 等,确保图纸上的图形能够清晰准确地反映实际尺寸。
二、图层设置1、图层分类合理设置图层,如墙体层、门窗层、家具层、标注层等,便于对不同元素进行管理和编辑。
2、图层特性为每个图层设置不同的颜色、线型、线宽等特性,以增强图纸的可读性。
例如,墙体层可以用粗实线表示,门窗层用中实线,标注层用细实线。
三、图形绘制1、线条线条应清晰、准确,避免出现断线、重线等情况。
直线应笔直,曲线应光滑。
2、尺寸标注尺寸标注应完整、清晰,包括尺寸线、尺寸界线、箭头和尺寸数字。
尺寸数字应大小适中,位置准确。
3、文字说明文字说明应简洁明了,字体统一,高度适中,避免使用生僻字体或艺术字。
四、符号与图例1、常用符号应遵循行业标准绘制各种常用符号,如电气符号、给排水符号、门窗符号等。
2、图例对于图纸中使用的特殊符号或图形,应在图例中进行说明,以便读者理解。
五、打印输出1、打印设置在打印前,应根据图纸大小和比例设置打印参数,如纸张类型、打印范围、打印质量等。
2、颜色设置根据需要选择黑白打印或彩色打印,若为黑白打印,应确保不同图层的线条在打印后仍能清晰区分。
六、文件管理1、文件名文件名应能够清晰反映图纸的内容和版本,如“项目名称_楼层_图纸类别_版本号dwg”。
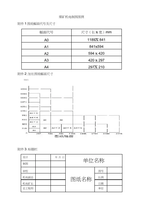
煤矿机电制图图例附件1图纸幅面代号及尺寸附件2:加长图纸幅面尺寸S523 l附件3:标题栏地面、井下变配电设备设施图形符号附件6:开关、起动器和保护装置图形符号注:1和2的图形符号,当需要分交直流时,在字线下方加限定符号〜或-附件8井下运输机械设备图形符号附件9:附件10:管道及管路设施图形符号附件11:附件12:附件13:矿井安全监测监控系统图图例传感器的种类标注在弧形框内CH —甲烷传感器;Q —氧气传感器传 咸 煤矿井下监测监控用传感器器KD —馈电传感器;V —风速传感器KB —风门开关传感器;KT-开停传感器;在光纤上标注型号,线宽0.577主通讯电缆线在电缆上标注型号,线宽0.5方框:长30宽15,线宽0.5设备名称图例符号 图例尺寸(mrh分站(干线扩展器) 方框:长12宽4,线宽0.5 (注型号和模、开数)井下设备分站(干线扩展器)电源箱 方框:长12宽4,线宽0.5断电仪 直径8,线宽0.5风、电、瓦斯闭锁装置直径8,线宽0.5传感器电缆 ------ 在电缆上标注型号,线宽0.3防雷器(通讯、电源)方框:长12宽4,线宽0.5CQ-—氧化碳传感器;2—二氧化碳传感器;F —负压传感器;T —温度传感器光纤监测中心矿井安全监测监控系统图图例机电运输图纸主要包括:1.矿井供电系统图(井上、下供电系统);2.井下机电设备布置图;3.提升运输系统图(原煤、矸石、材料运输系统); 4.压风(自救)系统图;5.矿井排水系统图;6.井下供水(防尘)管路系统图;7.安全监测监控系统图;8.瓦斯抽放系统图;9.矿井通讯系统图;10.人员定位系统图等。
CAD建筑装饰制图标准在建筑装饰领域,CAD(计算机辅助设计)制图已经成为不可或缺的重要工具。
准确、规范的 CAD 建筑装饰制图不仅能够清晰地表达设计意图,还能为施工过程提供可靠的依据,确保项目的顺利进行。
那么,究竟什么是 CAD 建筑装饰制图标准呢?让我们一起来深入了解一下。
一、图纸幅面与格式首先,图纸幅面的选择要根据项目的规模和复杂程度来确定。
常见的幅面有 A0、A1、A2、A3 和 A4 等。
A0 幅面最大,适用于大型项目的总体规划;A4 幅面较小,常用于局部细节的展示或备忘录。
在格式方面,图纸的边框线、标题栏和会签栏都有严格的规定。
边框线的粗细要根据图纸的用途和重要性有所区分,一般外边框线较粗,内边框线较细。
标题栏应包含项目名称、图纸名称、比例、绘图日期、绘图人员等关键信息。
会签栏则用于相关专业人员的签字确认。
二、比例与字体比例的选择要能够准确反映物体的实际尺寸和形状。
常用的比例有1:50、1:100、1:200 等。
在同一张图纸中,尽量保持比例的统一,除非有特殊需要。
字体的使用也有明确要求。
一般来说,汉字应采用长仿宋体,字高不应小于 35mm;数字和字母通常采用斜体,字高应与汉字协调一致。
字体的大小要根据图纸的幅面和内容的重要程度进行调整,以保证清晰可读。
三、图层管理图层是 CAD 制图中的重要概念。
通过合理设置图层,可以将不同类型的图形元素(如墙体、门窗、家具等)分别放置在不同的图层中,便于管理和编辑。
每个图层应具有明确的名称和属性(如颜色、线型、线宽等),以便区分和识别。
在绘制过程中,要注意保持图层的整洁和规范,避免出现混乱和重叠的情况。
当完成绘图后,应将不需要的图层关闭或删除,以减小文件大小和提高绘图效率。
四、图形绘制1、墙体墙体的绘制要符合建筑规范,厚度和材质要准确表达。
一般用双线表示墙体,其中实线表示外墙,虚线表示内墙。
在标注墙体尺寸时,要注明墙厚、轴线距离等关键信息。
2、门窗门窗的样式和尺寸应根据实际需求进行绘制,要注意开启方向和位置的标注。
CAD技术图纸格式规范在当今的工程和设计领域,CAD(计算机辅助设计)技术的应用已经十分广泛。
CAD 技术图纸作为设计成果的重要呈现形式,其格式规范的重要性不言而喻。
一套清晰、准确、规范的 CAD 技术图纸,不仅能够提高设计效率,减少误解和错误,还能为后续的生产制造、施工安装等环节提供可靠的依据。
首先,让我们来了解一下 CAD 技术图纸的基本组成部分。
一般来说,CAD 技术图纸包括图框、标题栏、图形区域、尺寸标注、文字说明、图例等。
图框是图纸的边界,规定了图纸的有效绘图范围。
标题栏通常位于图纸的右下角,包含了图纸的名称、编号、比例、设计单位、设计人员、审核人员、日期等重要信息。
图形区域则是展示设计对象的具体形状、结构和尺寸的部分。
尺寸标注用于明确图形中各个部分的大小和位置关系,文字说明则对图形中不易表达清楚的内容进行补充解释,图例则用于说明图纸中使用的各种符号、线型、图案等的含义。
在图框的设置上,需要遵循一定的标准。
图框的大小应根据图纸的幅面尺寸来确定,常见的幅面尺寸有 A0、A1、A2、A3、A4 等。
图框的线条粗细也有规定,外框线一般较粗,内框线相对较细。
同时,图框的格式应保持统一,在同一套图纸中,图框的样式、尺寸和标注方式应一致。
标题栏的内容必须填写完整、准确。
图纸的名称应简洁明了,能够准确反映设计对象的特征。
编号应具有唯一性,便于图纸的管理和检索。
比例应根据实际绘图情况选择合适的比例,如 1:1、1:2、1:5 等。
设计单位、设计人员、审核人员的姓名和日期等信息也应如实填写,以明确责任和设计时间。
图形区域的绘制是 CAD 技术图纸的核心部分。
在绘制图形时,应遵循以下原则:一是准确性。
图形应准确地反映设计对象的形状、尺寸和结构,不得有任何偏差。
二是清晰性。
线条的粗细、颜色、线型应根据不同的用途进行合理选择,以区分不同的元素。
例如,轮廓线一般较粗,中心线、虚线等辅助线相对较细。
同时,图形的布局应合理,避免出现过于拥挤或空旷的情况。
史上最全CAD图例集,收藏了!线型及其含义:比例:水、汽管道代号:工艺管道施工图常用图例:水、汽管道阀门和附件图例:给排水、采暖常用图例:通风空调工程常用图例:风道代号:风道、阀门及附件图例:风口和附件代号:暖通空调设备图例:调控装置及仪表图例:各种执行机构可与风阀、水阀组合表示相应功能的控制阀门。
消防工程基本图形符号:消防工程辅助符号:消防工程灭火器符号:消防管路及配件符号:消防工程固定灭火器系统符号:消防工程灭火设备安装处符号:消防设施:消防工程自动报警设备符号:管道图例:管道附件:管道连接:管件:常见阀门:给水配件:小型给水排水构筑物:给水排水设备:仪表:管道和设备布置平面图、剖面图示例:管道和设备布置平面图应按假象除去上层板后俯视规则绘制,其相应的垂直剖面图应在平面图中表明剖切符号。
标准层平面图平、剖面示例平面图、剖面图索引符号的画法:平面图、剖面图中的局部需另绘详图时,应在平、剖面图上标注索引符号。
索引符号的画法见下图。
索引符号的画法内视符号画法:当表示局部位置的相互关系,在平面图上应标注内视符号。
内视符号画法系统编号:1、一个工程设计中同时有供暖、通风、空调等两个及以上的不同系统时,应进行系统编号。
2、暖通空调系统编号、入口编号,应由系统代号和顺序号组成。
3、系统代号用大写拉丁字母表示,顺序号用阿拉伯数字表示。
当一个系统出现分支时,可采用下图的画法。
系统代号:立管号的画法:竖向布置的垂直管道系统,应标注立管号,在不一致引起误解时,可只标注序号,但应与建筑轴线编号有明显区别。
立管号的画法管道相对标高的画法:1、在无法标注垂直尺寸的图样中,应标注标高。
标高应以m为单位,并应精确到cm或mm。
2、标高符号应以直角等腰三角形表示。
当面标准层较多时,可只标注与本层楼(地)板面的相对标高。
3、水、汽管道所标高未予说明时,应表示为管中心标高。
4、水、汽管道标注管道外底或顶标高时,应在数字前加“底”或“顶”字样。
cad常用图标图例大全CAD常用图标图例大全。
在CAD设计中,图标图例是非常重要的辅助工具,它们可以帮助我们更快速、准确地完成设计工作。
本文将为大家详细介绍CAD中常用的图标图例,希望能够对大家的设计工作有所帮助。
1. 线型图例。
线型图例是CAD中常用的图标之一,它用来表示不同类型的线型,如实线、虚线、点线等。
在CAD设计中,线型图例可以帮助我们清晰地表达设计意图,提高设计效率。
2. 尺寸标注图例。
尺寸标注图例用来表示CAD设计中的尺寸标注,包括水平尺寸、垂直尺寸、半径尺寸等。
尺寸标注图例的准确使用可以帮助我们更好地控制设计尺寸,确保设计的精度和准确度。
3. 图层图例。
图层图例是CAD中非常重要的一部分,它用来表示不同图层的显示状态,包括可见图层、冻结图层、锁定图层等。
通过图层图例,我们可以更好地管理设计中的各个元素,使设计更加清晰易懂。
4. 标题栏图例。
标题栏图例用来表示CAD设计中的标题栏,包括设计图纸的名称、图纸编号、设计者姓名等信息。
标题栏图例的准确使用可以帮助我们更好地管理设计文件,方便后续的查阅和使用。
5. 图符图例。
图符图例用来表示CAD设计中的图符,包括各种构件、设备、符号等。
图符图例的准确使用可以帮助我们更好地表达设计意图,使设计更加直观清晰。
6. 图标图例。
图标图例是CAD中常用的一种辅助工具,它用来表示各种操作命令的图标,如绘制命令、修改命令、查看命令等。
图标图例的准确使用可以帮助我们更快速地完成各种操作,提高工作效率。
7. 图形图例。
图形图例用来表示CAD设计中的各种图形,包括直线、圆弧、多边形等。
图形图例的准确使用可以帮助我们更好地控制设计图形,确保设计的准确度和美观度。
8. 材质图例。
材质图例用来表示CAD设计中的各种材质,包括金属材质、木材材质、玻璃材质等。
材质图例的准确使用可以帮助我们更好地表达设计意图,使设计更加生动和具有真实感。
总结。
以上就是CAD常用图标图例大全的详细介绍,希望能够对大家的CAD设计工作有所帮助。
CAD绘图中的图像处理技巧在CAD软件中,图像处理是一项非常重要的技术,它可以帮助我们准确地表达和展示设计意图。
本文将为大家介绍一些CAD绘图中的图像处理技巧,帮助提高绘图效果和工作效率。
1. 图像的导入和调整在CAD绘图中,我们经常需要导入一些外部图像,如设计图纸、地形图、卫星图像等。
在导入图像前,我们可以先确保图像的分辨率足够高,以确保绘图时不会模糊失真。
导入图像后,可以使用CAD软件提供的图像调整功能,如旋转、缩放、翻转等,来使图像适应绘图需求。
2. 清晰的轮廓线为了让绘图更具有清晰度和可读性,我们可以使用CAD软件中的轮廓线操作进行加粗处理。
选中需要加粗的线段或多段线,修改线条的线型、宽度或色彩属性,使其在绘图中更加醒目突出。
3. 图像的裁剪和镜像有时候,导入的外部图像可能包含一些无用的部分,这时候我们可以使用CAD软件提供的裁剪功能,将不需要的部分进行裁剪,只保留需要的内容。
另外,如果需要将图像进行反转对称,可以使用CAD软件的镜像功能,将图像进行水平或垂直方向的镜像处理。
4. 图像的复制和移动在CAD绘图中,我们经常需要对图像进行复制和移动的操作。
在复制图像时,可以使用CAD软件的复制功能,选择图像进行复制,并设置复制的数量和间距,快速地生成多个相同的图像。
在移动图像时,可以使用CAD软件的移动功能,选择图像进行移动,并设置移动的距离和方向,快速地改变图像的位置。
5. 图像的填充和阴影为了突出图像的层次感和质感,我们可以在CAD绘图中使用填充和阴影效果。
CAD软件提供了多种填充样式和渐变效果,可以选择图像进行填充,使其更加丰富多样。
另外,通过设置图像的灯光和阴影效果,可以为图像增加逼真感和立体感。
6. 图像的修饰和标注为了更好地表达设计意图,我们可以对图像进行修饰和标注。
CAD软件提供了多种图形修改工具,如线条、圆角、修剪等,可以对图像进行精细的修饰。
另外,通过添加文本、标签、图例等标注工具,可以对图像进行详细解释和说明,帮助他人理解设计意图。
CAD中常用图形注释与图例的绘制方法在CAD软件中,图形注释和图例是非常重要的元素,它们能够提供对图纸内容的解释和说明。
本文将介绍CAD中常用的图形注释与图例的绘制方法,帮助读者更好地掌握这些技巧。
一、图形注释的绘制方法1. 常用的图形注释符号图形注释符号有很多种类,比如箭头、线条、文字等。
在CAD软件中,可以通过线条工具绘制箭头和标注线,通过文本工具绘制文字注释。
2. 绘制箭头绘制箭头通常用于指示方向或者标注某个特定点。
在CAD软件中,可以使用线条工具绘制箭头,具体步骤如下:1) 选择线条工具,在绘图区域点击起点,拖动鼠标绘制线条;2) 在线条终点附近点击鼠标右键,选择“属性”;3) 在属性对话框中选择箭头类型,可以选择不同的箭头样式。
3. 绘制标注线标注线通常用于连接注释文字和注释对象,以便于阅读和理解。
在CAD软件中,可以使用线条工具绘制标注线,具体步骤如下:1) 选择线条工具,在绘图区域点击起点,拖动鼠标绘制线条;2) 在线条终点附近点击鼠标右键,选择“属性”;3) 在属性对话框中设置线条样式和粗细,以及是否显示箭头。
4. 添加文字注释文字注释是对图纸内容进行解释和说明的重要方式。
在CAD软件中,可以使用文本工具添加文字注释,具体步骤如下:1) 选择文本工具,在绘图区域点击鼠标,输入需要添加的文字;2) 在右侧的属性工具中设置字体、大小和对齐方式等属性。
二、图例的绘制方法图例用于对不同元素或对象进行分类和标识,便于查找和理解图纸内容。
在CAD软件中,可以使用表格工具和图形工具绘制图例。
1. 绘制表格表格是一种常用的图例形式,能够清晰地显示不同元素或对象的属性。
在CAD软件中,可以使用表格工具绘制表格,具体步骤如下:1) 选择表格工具,在绘图区域点击鼠标,拖动鼠标绘制表格的大小;2) 在右侧的属性工具中设置表格的行数、列数和样式等属性;3) 单击表格中的单元格,输入相应的文字和数据。
2. 绘制图形标识图形标识是另一种常用的图例形式,通过图形的形状和颜色来标识不同元素或对象。
CAD中的图纸注释和图例技巧CAD软件是一种广泛应用于工程领域的计算机辅助设计软件,它提供了丰富的工具和功能,使得工程师和设计师可以快速准确地制作图纸。
在CAD中,图纸注释和图例起到非常重要的作用,可以提供更多的信息,帮助人们理解和使用图纸。
本文将介绍一些CAD中的图纸注释和图例技巧,希望对读者有所帮助。
首先,让我们看一下图纸注释的技巧。
图纸注释是为了对图纸中的各个元素进行解释和说明,使得其他人可以准确理解图纸内容。
在CAD软件中,我们可以通过添加文字和尺寸标注来实现图纸注释。
在添加文字时,我们可以选择合适的字体和字号,确保文字清晰可读。
另外,在进行注释时,应尽量简洁明了,不要出现冗长的句子。
对于一些关键信息,如尺寸、材料等,可以使用加粗或斜体等方式强调。
尺寸标注是图纸中常用的一种注释方式,可以标注出图纸中各个物体的尺寸大小。
在进行尺寸标注时,应注意以下几点:首先,尺寸标注应与图纸比例一致,大小适宜,不要太大或太小。
其次,尺寸标注应准确无误,避免出现错误的尺寸标注。
最后,尺寸标注应采用一致的标注风格,如箭头的形状、字体的选择等.除了图纸注释外,图例在CAD中也扮演着重要的角色。
图例是对图纸中使用的符号、颜色、线型等进行解释和说明的一种方式,可以帮助人们更好地理解图纸内容。
在制作图例时,我们可以根据实际需要选择合适的符号和颜色,并进行标注和说明。
例如,假设我们需要制作一个机械零件图纸的图例,我们可以将不同类型的机械零件分成几个类别,如螺栓、螺母、轴等,然后为每个类别选择一个特定的符号,并在图例中进行标注,说明其含义和尺寸要求。
此外,我们还可以使用颜色来区分不同的元素。
在CAD软件中,我们可以为不同的图层设置不同的颜色,使得每个元素在图纸中有明显的区分效果。
为了避免过多的颜色使图纸看起来杂乱无章,我们应尽量选择少量的颜色,同时确保颜色的鲜明度和对比度。
总结一下,在CAD中的图纸注释和图例技巧,我们应注重文字和尺寸标注的清晰和准确,尽量简洁明了;图例的设计要符合实际需求,选择合适的符号和颜色,并进行标注和说明。
cad国家标准图例CAD国家标准图例。
CAD国家标准图例是指根据国家相关标准规范,利用CAD软件绘制的符合国家标准要求的图纸图例。
CAD国家标准图例的制作对于工程设计、建筑施工、产品制造等领域具有重要意义,能够规范和统一图纸图例的表达方式,提高工作效率和准确性。
本文将介绍CAD国家标准图例的相关内容,包括制作要求、应用范围和意义等方面。
首先,CAD国家标准图例的制作要求包括但不限于以下几个方面,一是符合国家相关标准规范,包括图纸格式、线型、文字标注、尺寸标注等要求;二是图例内容准确清晰,能够准确表达设计意图和技术要求;三是图例应具有通用性和标准性,能够适用于不同的工程项目和行业领域;四是图例制作应符合CAD软件的操作规范,保证图纸的准确性和完整性。
其次,CAD国家标准图例的应用范围非常广泛。
在工程设计领域,CAD国家标准图例可以用于绘制建筑、机械、电气、管道等各类工程图纸,为工程设计提供准确的图形表达和技术支持;在建筑施工领域,CAD国家标准图例可以作为施工图纸的依据,指导施工过程,保证施工质量;在产品制造领域,CAD国家标准图例可以用于产品设计和制造过程中的图形表达和工艺指导。
可以说,CAD国家标准图例在工程设计、建筑施工、产品制造等领域都具有重要的应用意义。
最后,CAD国家标准图例的制作意义重大。
一方面,CAD国家标准图例的制作能够规范和统一图纸图例的表达方式,提高图纸的准确性和标准性,有利于减少图纸误差和提高工作效率;另一方面,CAD国家标准图例的制作能够促进工程设计、建筑施工、产品制造等领域的信息共享和技术交流,有利于推动行业标准化和规范化发展;此外,CAD国家标准图例的制作还能够提高工程设计和施工的质量和安全性,为工程建设和产品制造提供可靠的技术支持。
综上所述,CAD国家标准图例的制作对于工程设计、建筑施工、产品制造等领域具有重要意义,其制作要求严格,应用范围广泛,意义重大。
希望各行各业的相关人员能够重视CAD国家标准图例的制作和应用,共同推动行业的标准化和规范化发展,为我国工程建设和产品制造提供更加可靠的技术支持。
CAD高清输出已不是新鲜事,相信很多人都知道。
相信也有一部分人,不想麻烦直接交给其他人处理,做平面的朋友这个一定要会。
工作中多多少少会用到,重在分享,方法多样,我只会这一种,如果有更简单的方法,欢迎指教。
CAD有自带的输出JPG的命令,但不够清晰无法满足印刷需求。
可以导出很大分辨率的图但是文字多半看不清。
本教程以CAD2006为例,导出的图将会是黑白的(当然也可以彩色)。
第一步:"文件"——"绘图仪管理器" 将弹出如下图文件夹
第二步:双击"添加绘图仪向导"
不用想了,点"下一步"
"下一步"
"下一步"
"下一步"
选中"⊙打印到文件" (因为是用虚拟打印机输出,打印的时候是弹出保存文件的对话框,所以叫打印到文件)
接着点"下一步"
给绘图仪取个名字.点"下一步"
点"编辑绘图仪配置" 弹出如下框
选中"源和大小" 在下方选择你要输出文件的大小 ,这里选择 "ISO A3" 接下来选择"矢量图形" 和"TrueType 文字"
"矢量图形"对话框, 选单色就是黑白色的,这里还可以设置分辨率这里默认300DPI,抖动不用管,默认就好.
"光栅图形"是设置输出JPG格式的选项,这里不作详细介绍.因为并不能输出高清JPG.
"TrueType 文字" 对话框,选"TrueType 字体作为图形",这样输出文字就不会错位,重叠在一起了.
好了,点确定(其它选项不是很重要),再点完成.
配置完成后,会多出一个EPS的绘图仪.配置完成,进入CAD出图
ctrl+p 打印对话框选项如下图(如果之前没有配置打印,会弹出一个对话框警告,别管他,点确定).
名称:选择刚刚命名的绘图仪"" ——勾选"打印到文件" ——选择“图纸尺寸”——然后打印范围选择“窗口”模式,再点窗口,框选你要输出的部分。
点“确定”——弹出保存对话框,选择要保存的路径 OK。
输出的是EPS,你可以直接用AI,CDR,PS打开。
PS 用”置入“这样进去的EPS 文件是”智能矢量对象“,可以自由缩放,不会模糊,剩下的大家可以搞定了。
=====================================分割线纠结
=====================================
有很多朋友反应上面的方法太烦琐。
下面这种方法相对比较简单,输出的是TIFF。
我们需要用到CAD插件是TIFF-XChang,这个其实是个虚拟打印机。
不止对CAD 有用,针对所有可打印文件的文件都有效。
安装方法:双击 ,然后到安装目录下替换掉完成完装及破解。
打开CAD,ctrl+P打印,打印机选:TIFF-XChang 点“特性”可修改参数,具体方法见方法一。
如果不想打印彩色的,就添加打印样式。
或者直接编辑样式。
添加打印样式表,点打印样式表名称,下拉列表有个新建,下一步,下一步~~。
就好了。
然后点右侧的编辑样式表修改参数。
选中第一个颜色,拖动滚动条到最后一个颜色。
然后按住SHIFT,再单击最后一个颜色,这样就全选中了所有颜色。
然后在右侧的颜色全部改为黑色(很多素材也用蓝色)。
样式表就完成了。
其它选项自己琢磨,比如线宽,线型。
这样打印出来就是TIFF 的了。
记得勾选那个打印到文件。