09自动控制原理期中考试答案
- 格式:doc
- 大小:105.00 KB
- 文档页数:8
一、填空题(每空 1 分,共15分)1、反馈控制又称偏差控制,其控制作用是通过 给定值 与反馈量的差值进行的。
2、复合控制有两种基本形式:即按 输入 的前馈复合控制和按 扰动 的前馈复合控制。
3、两个传递函数分别为G 1(s)与G 2(s)的环节,以并联方式连接,其等效传递函数为()G s ,则G(s)为G 1(s)+G 2(s)(用G 1(s)与G 2(s) 表示)。
4、典型二阶系统极点分布如图1所示,7系统 稳定 。
判断一个闭环线性控制系统是否稳定,在时域分析中采用劳斯判据;在频域分析中采用 奈奎斯特判据。
4、传递函数是指在 零 初始条件下、线性定常控制系统的 输出拉氏变换 与 输入拉氏变换 之比。
5、设系统的开环传递函数为2(1)(1)K s s Ts τ++; 相频特性为arctan 180arctan T τωω--(或:2180arctan 1T T τωωτω---+) 。
6、频域性能指标与时域性能指标有着对应关系,开环频域性能指标中的幅值穿越频率c ω对应时域性能指标调整时间s t ,它们反映了系统动态过程的快速性 .1、对自动控制系统的基本要求可以概括为三个方面,即: 稳定性 、快速性和 准确性 。
2、控制系统的 输出拉氏变换与输入拉氏变换在零初始条件下的比值 称为传递函数。
一阶系统传函标准形式是1()1G s Ts =+ ,二阶系统传函标准形式是 222()2n n nG s s s ωζωω=++(或:221()21G s T s T s ζ=++。
3、在经典控制理论中,可采用 劳斯判据 、根轨迹法或奈奎斯特判据等方法判断线性控奈奎斯特判据 等方法。
5、设系统的开环传递函数为12(1)(1)K s T s T s ++,则其开环幅频特性为()A ω=,相频特性为 01112()90()()tg T tg T ϕωωω--=--- 。
6、最小相位系统是指S 右半平面不存在系统的开环极点及开环零点。
《自动控制原理》习题解答(教学参考用书)自动控制原理教学组西北工业大学自动化学院2009年7月前言这本《自动控制原理习题解答》与西北工业大学自动化学院自动控制原理教学组编写(卢京潮主编)、西北工业大学出版社出版的国家教委“十一五”规划教材《自动控制原理》配套使用。
供任课教师在备课和批改作业时参考。
新的“十一五”规划教材是在原《自动控制原理》教材基础上经修改完成的,新教材基本保留了原教材的体系结构,主要在具体内容上作了进一步的完善和充实,习题也做了相应调整。
这本习题解答的内容主要由负责各章编写任务的老师提供。
为方便教学,在习题解答之后编入了课程进程表和教学大纲(96学时),供任课教师参考查阅。
对教材或习题解答中发现的错误和不妥之处,恳请各位读者及时记录,并转告编者,以便尽快纠正。
谢谢!。
联系人:卢京潮电 话:88431302 (办公室)135******** (手机)Email: lujc0129@编者2009.5目录一.习题解答 (1)第1章习题及解答 (1)第2章习题及解答 (10)第3章习题及解答 (32)第4章习题及解答 (64)第5章习题及解答 (86)第6章习题及解答 (133)第7章习题及解答 (157)第8章习题及解答 (181)二.课程进程表 (208)三.自动控制原理教学大纲 ( 96时) (210)一、 习 题 及 解 答第1章习题及解答1-1 根据图1-15所示的电动机速度控制系统工作原理图,完成:(1) 将a ,b 与c ,d 用线连接成负反馈状态;(2) 画出系统方框图。
解 (1)负反馈连接方式为:,d a ↔c b ↔;(2)系统方框图如图解1-1 所示。
1-2 图1-16是仓库大门自动控制系统原理示意图。
试说明系统自动控制大门开、闭的工作原理,并画出系统方框图。
图1-16 仓库大门自动开闭控制系统解 当合上开门开关时,电桥会测量出开门位置与大门实际位置间对应的偏差电压,偏差电压经放大器放大后,驱动伺服电动机带动绞盘转动,将大门向上提起。
(完整版)⾃动控制原理试题答案∑??=i i i s s Q s H )()(1)(zidpngkongzhi1 闭环系统(或反馈系统)的特征:采⽤负反馈,系统的被控变量对控制作⽤有直接影响,即被控变量对⾃⼰有控制作⽤。
2 典型闭环系统的功能框图。
⾃动控制在没有⼈直接参与的情况下,通过控制器使被控对象或过程按照预定的规律运⾏。
⾃动控制系统由控制器和被控对象组成,能够实现⾃动控制任务的系统。
被控制量在控制系统中.按规定的任务需要加以控制的物理量。
控制量作为被控制量的控制指令⽽加给系统的输⼊星.也称控制输⼊。
扰动量⼲扰或破坏系统按预定规律运⾏的输⼊量,也称扰动输⼊或⼲扰掐⼊。
反馈通过测量变换装置将系统或元件的输出量反送到输⼊端,与输⼊信号相⽐较。
反送到输⼊端的信号称为反馈信号。
负反馈反馈信号与输⼈信号相减,其差为偏差信号。
负反馈控制原理检测偏差⽤以消除偏差。
将系统的输出信号引回插⼊端,与输⼊信号相减,形成偏差信号。
然后根据偏差信号产⽣相应的控制作⽤,⼒图消除或减少偏差的过程。
开环控制系统系统的输⼊和输出之间不存在反馈回路,输出量对系统的控制作⽤没有影响,这样的系统称为开环控制系统。
开环控制⼜分为⽆扰动补偿和有扰动补偿两种。
闭环控制系统凡是系统输出端与输⼊端存在反馈回路,即输出量对控制作⽤有直接影响的系统,叫作闭环控制系统。
⾃动控制原理课程中所讨论的主要是闭环负反馈控制系统。
复合控制系统复合控制系统是⼀种将开环控制和闭环控制结合在⼀起的控制系统。
它在闭环控制的基础上,⽤开环⽅式提供⼀个控制输⼊信号或扰动输⼊信号的顺馈通道,⽤以提⾼系统的精度。
⾃动控制系统组成闭环负反馈控制系统的典型结构如图1.2所⽰。
组成⼀个⾃动控制系统通常包括以下基本元件.给定元件给出与被控制量希望位相对应的控制输⼊信号(给定信号),这个控制输⼊信号的量纲要与主反馈信号的量纲相同。
给定元件通常不在闭环回路中。
2.测量元件测量元件也叫传感器,⽤于测量被控制量,产⽣与被控制量有⼀定函数关系的信号。
自动控制原理试题及答案一、单项选择题(每题2分,共20分)1. 自动控制系统中,开环系统与闭环系统的主要区别在于()。
A. 是否有反馈B. 控制器的类型C. 系统是否稳定D. 系统的响应速度答案:A2. 在控制系统中,若系统输出与期望输出之间存在偏差,则该系统()。
A. 是闭环系统B. 是开环系统C. 没有反馈D. 是线性系统答案:B3. 下列哪个是控制系统的稳定性条件?()A. 所有闭环极点都位于复平面的左半部分B. 所有开环极点都位于复平面的左半部分C. 所有闭环极点都位于复平面的右半部分D. 所有开环极点都位于复平面的右半部分答案:A4. PID控制器中的“P”代表()。
A. 比例B. 积分C. 微分D. 前馈答案:A5. 在控制系统中,超调量通常用来衡量()。
A. 系统的稳定性B. 系统的快速性C. 系统的准确性D. 系统的鲁棒性答案:C6. 一个系统如果其开环传递函数为G(s)H(s),闭环传递函数为T(s),则闭环传递函数T(s)是()。
A. G(s)H(s)B. G(s)H(s)/[1+G(s)H(s)]C. 1/[1+G(s)H(s)]D. 1/G(s)H(s)答案:B7. 根轨迹法是一种用于()的方法。
A. 系统稳定性分析B. 系统性能分析C. 系统设计D. 系统故障诊断答案:B8. 一个系统如果其开环传递函数为G(s)H(s),闭环传递函数为T(s),则T(s)的零点是()。
A. G(s)的零点B. H(s)的零点C. G(s)和H(s)的零点D. G(s)和H(s)的极点答案:A9. 一个系统如果其开环传递函数为G(s)H(s),闭环传递函数为T(s),则T(s)的极点是()。
A. G(s)的零点B. H(s)的零点C. 1+G(s)H(s)的零点D. G(s)和H(s)的极点答案:C10. 一个系统如果其开环传递函数为G(s)H(s),闭环传递函数为T(s),则系统的稳态误差与()有关。
自动控制原理试题及答案【简介】自动控制原理是电子信息工程专业中的一门基础课程,主要涉及控制系统的基本概念、数学模型、传递函数、稳定性分析、根轨迹、频率响应等内容。
本文针对自动控制原理的试题及答案进行了整理和解答,共计1500字。
【第一部分:选择题】1. 控制系统的基本组成部分是()。
A. 感受器B. 控制器C. 执行器D. 以上选项都正确答案:D2. 传递函数的定义是()。
A. Y(s)/X(s)B. X(s)/Y(s)C. X(t)/Y(t)D. Y(t)/X(t)答案:A3. 控制系统的稳定性分析常使用()方法。
A. 根轨迹B. 频率响应C. 传递函数D. 线性回归答案:A【第二部分:填空题】4. __________是控制系统的核心部分,是控制器。
答案:比例控制器、积分控制器、微分控制器或PID控制器5. 在频率域中,传递函数的模为__________,相位角为__________。
答案:增益,相位【第三部分:解答题】6. 简述控制系统的开环和闭环控制的原理及区别。
解答:开环控制是指控制器的输出信号不受反馈信号的影响,仅仅由输入信号决定,因此开环控制系统是非自动调节的。
闭环控制是指控制器的输出信号受到反馈信号的调节,通过与预期输出进行比较,使输出信号逐渐接近预期输出,即使系统发生干扰也能够进行修正。
开环控制适用于要求不高、易实现的系统,闭环控制则更适用于要求较高、对系统稳定性和精度要求较高的系统。
7. 根据控制系统的传递函数D(s)与输入信号X(s)之间的关系,推导出控制系统的输出信号Y(s)与输入信号X(s)之间的关系。
解答:根据传递函数的定义,传递函数D(s)表示系统输出信号与输入信号之间的关系,即D(s) = Y(s)/X(s)。
将Y(s)独立解出,则Y(s) =D(s) * X(s)。
因此,控制系统的输出信号Y(s)与输入信号X(s)的关系为Y(s) = D(s) * X(s)。
【第四部分:编程题】8. 使用MATLAB编程,求解以下控制系统的根轨迹,并分析系统的稳定性。
∑∆∆=i i i s s Q s H )()(1)(zidpngkongzhi1 闭环系统(或反馈系统)的特征:采用负反馈,系统的被控变量对控制作用有直接影响,即被控变量对自己有控制作用 。
2 典型闭环系统的功能框图。
自动控制 在没有人直接参与的情况下,通过控制器使被控对象或过程按照预定的规律运行。
自动控制系统 由控制器和被控对象组成,能够实现自动控制任务的系统。
被控制量 在控制系统中.按规定的任务需要加以控制的物理量。
控制量 作为被控制量的控制指令而加给系统的输入星.也称控制输入。
扰动量 干扰或破坏系统按预定规律运行的输入量,也称扰动输入或干扰掐入。
反馈 通过测量变换装置将系统或元件的输出量反送到输入端,与输入信号相比较。
反送到输入端的信号称为反馈信号。
负反馈 反馈信号与输人信号相减,其差为偏差信号。
负反馈控制原理 检测偏差用以消除偏差。
将系统的输出信号引回插入端,与输入信号相减,形成偏差信号。
然后根据偏差信号产生相应的控制作用,力图消除或减少偏差的过程。
开环控制系统 系统的输入和输出之间不存在反馈回路,输出量对系统的控制作用没有影响,这样的系统称为开环控制系统。
开环控制又分为无扰动补偿和有扰动补偿两种。
闭环控制系统 凡是系统输出端与输入端存在反馈回路,即输出量对控制作用有直接影响的系统,叫作闭环控制系统。
自动控制原理课程中所讨论的主要是闭环负反馈控制系统。
复合控制系统 复合控制系统是一种将开环控制和闭环控制结合在一起的控制系统。
它在闭环控制的基础上,用开环方式提供一个控制输入信号或扰动输入信号的顺馈通道,用以提高系统的精度。
自动控制系统组成 闭环负反馈控制系统的典型结构如图1.2所示。
组成一个自动控制系统通常包括以下基本元件 .给定元件 给出与被控制量希望位相对应的控制输入信号(给定信号),这个控制输入信号的量纲要与主反馈信号的量纲相同。
给定元件通常不在闭环回路中。
2.测量元件 测量元件也叫传感器,用于测量被控制量,产生与被控制量有一定函数关系的信号。
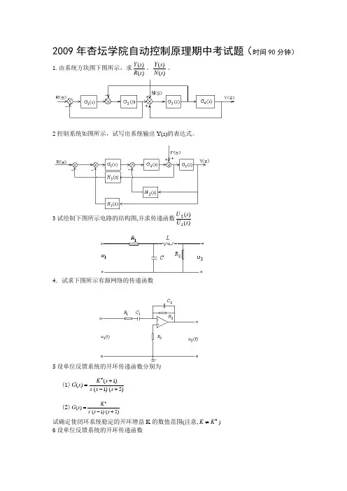
2009年杏坛学院自动控制原理期中考试题(时间90分钟)1.由系统方块图下图所示,求)()(s R s Y 、)()(s N s Y 。
2控制系统如图所示,试写出系统输出Y(s)的表达式。
3试绘制下图所示电路的结构图,并求传递函数)()(12s U s U4.试求下图所示有源网络的传递函数5设单位反馈系统的开环传递函数分别为 (1))5()1()1()(+-+=∙s s s s K s G (2))5()1()(+-=∙s s s K s G 试确定使闭环系统稳定的开环增益K 的数值范围(注意,∙≠K K )6设单位反馈系统的开环传递函数)11.0(100)(+=s s s G 试求当输入信号221)(t t t r ++=时,系统的稳态误差.7.设系统如下图所示.要求:(1) 当0=a 时,确定系统的阻尼比ξ,自然频率n ω和单位斜坡函数输入时的系统的稳态误差;(2) 当7.0=ξ时,确定参数a 值及单位斜坡函数输入时系统的稳态误差;(3) 在保证7.0=ξ和25.0=ss e 条件下,确定参数α及前向通道增益K 。
8.已知控制系统的单位阶跃响应为t t e e t h 10602.12.01)(---+=试求:(1) 系统闭环传递函数表达式;(2) 系统的阻尼比ξ和自然频率n ω.9. 设单位负反馈系统开环传递函数为 1)1()(2+++=∙s s s K s G试用解析法证明∙K 从零变化到无穷大时,根轨迹的复数部为圆弧,并绘制系统闭环跟轨迹图。
10. 若系统闭环传递函数为Φ(s)=31+s 试求系统在r(t)=sint-2cos(3t)作用下的稳态输出C ss (t)。
11.设单位反馈控制统的开环传递函数为: G(s)=814710023+++s s s (1).用劳斯稳定判据判断系统是否稳定;(2).画出系统的开环幅相频率特性的大致图形,并用奈魁斯特稳定判据判断系统是否稳定。
12. 已知最小相位系统Bode 图如图3所示 ,试求系统传递函数。
自动控制原理习题答案1. 请计算以下系统的开环传递函数,并画出相应的极点图和零点图。
系统一:$$。
G(s) = \frac{10(s+1)}{s(s+2)(s+5)}。
$$。
系统二:$$。
G(s) = \frac{5(s+3)}{(s+1)(s+4)}。
$$。
系统三:$$。
G(s) = \frac{20}{s(s+2)(s+3)}。
$$。
2. 请计算以下系统的闭环传递函数,并判断系统的稳定性。
系统一:$$。
G(s) = \frac{10}{s(s+1)}。
$$。
系统二:$$。
G(s) = \frac{5}{s^2+4s+3}。
$$。
系统三:$$。
G(s) = \frac{20(s+2)}{s(s+1)(s+3)}。
$$。
3. 请利用根轨迹法分析以下系统的稳定性,并画出根轨迹图。
系统一:$$。
G(s) = \frac{10}{s(s+1)(s+2)}。
$$。
系统二:$$。
G(s) = \frac{5(s+3)}{s(s+1)(s+4)}。
$$。
系统三:$$。
G(s) = \frac{20(s+1)}{s(s+2)(s+3)}。
$$。
4. 请利用Nyquist稳定性判据分析以下系统的稳定性,并画出Nyquist图。
系统一:$$。
G(s) = \frac{10(s+1)}{s(s+2)(s+5)}。
$$。
系统二:$$。
G(s) = \frac{5(s+3)}{(s+1)(s+4)}。
$$。
系统三:$$。
G(s) = \frac{20}{s(s+2)(s+3)}。
$$。
5. 请利用频率响应法分析以下系统的稳定性,并画出Bode图。
系统一:$$。
G(s) = \frac{10}{s(s+1)}。
$$。
系统二:$$。
G(s) = \frac{5}{s^2+4s+3}。
$$。
系统三:$$。
G(s) = \frac{20(s+2)}{s(s+1)(s+3)}。
自动控制原理试卷与答案一、填空题1、反应控制又称偏差控制,其控制作用是经过稳固性与反应量的差值进行的2、在水箱水温控制系统中,受控对象为水箱,被控量为水温。
3、自动控制系统有两种基本控制方式,当控制装置与受控对象之间只有顺向作用而无反向联系时,称为开环控制系统;;当控制装置与受控对象之间不只有顺向作用并且还有反向联系时,称为闭环控制系统;含有测速发电机的电动机速度控制系统,属于闭环控制系统。
4、对自动控制系统的基本要求能够归纳为三个方面,即:稳固性、迅速性和正确性。
5、能表达控制系统各变量之间关系的数学表达式或表示方法,叫系统的数学模型,在古典控制理论中系统数学模型有微分方程、函数等6.闭环控制系统又称为反应控制系统。
7.一线性系统,当输入是单位脉冲函数时,其输出象函数与传达函数同样8.控制系统线性化过程中,线性化的精度和系统变量的时间常数T相关。
9、.PID 调理中的“ P”指的是比率控制器10.对控制系统的首要要求是系统拥有稳固性。
11.反应控制原理是检测偏差并纠正偏差的原理12.依据采纳的信号办理技术的不一样,控制系统分为模拟控制系统和数学控制系统。
13、由控制器(含丈量元件)和被控制对象构成的有机整体称为自动控制系统。
14、闭环系统是指系统输出量直接或地参加系统的控制的作用。
15、开环控制系统与闭环系统互相联合的控制方式是复合控制16 只有一个反应通道的系统是单回路系统。
17、描绘系统各个物理量之间关系的数学表达式或图形称为系统的数学模型18、过渡过程的三因素是开端值、稳固值、时间常数19 从一个状态进入另一个稳态的中间过程叫做过渡过程或动向过程20、换路定律表示了换路前与换路后瞬时电路的工作状态之间的关系。
二、选择题1、采纳负反应形式连结后,则( D )A、必定能使闭环系统稳固;B、系统动向性能必定会提升;C、必定能使扰乱惹起的偏差渐渐减小,最后完整除去;D、需要调整系统的构造参数,才能改良系统性能。
内蒙古工业大学2009-2010(1)自动控制原理A期中考试key内蒙古工业大学2009—2010学年第一学期《自动控制原理A》期中试卷答案及评分标准试卷审核人:考试时间:注意事项:1.本试卷适用于2007级本科学生使用。
2.本试卷共7页,满分100分,答题时间120分钟。
一、简答题(本大题10分)下图为一个水位自动控制系统,试说明其工作原理并画出系统原理方框图。
解:①工作原理为:当水位变化时,通过水位检测变送仪表检测到当前水位的值,它与水位给定值的差不为零,经控制器运算产生控制信号作用于执行器进而作用于进水管阀门来调节水位重新回到给定值。
当水位降低时,则进水管阀门开大,反之阀门关小。
②系统的原理方框图为:(6分)(4分)二、计算题(本大题10分)已知有源电网络如下图所示,试求传递函数()()o i u s u s解:根据理想运算放大器的特性和复阻抗概念可以得到:12()()1i ou s u s R R Cs=-+整理得传递函数为:211()1()()o i u s R u s R R Cs=-+(5分)(5分)三、计算题(本大题10分)系统的结构图如下图所示,求传递函数C(s)/R(s)。
解:有两个回路:135l G G =-;2234l G G G =-;无两两不接触回路,所以:352341G G G G G ?=++ 有两条前向通路: 12341 , 1p G G G =?=;2142 , 1p G G =?=根据梅逊增益公式得传函为:2341435234()()1G G G G G C s R s G G G G G +=++(2分)(2分)(2分)(4分)四、计算题(本大题15分)已知系统的单位阶跃响应为:601()10.21.2t tc t e e --=+-(1)求系统的脉冲响应)(t g 和传递函数)()(s R s C 。
(2)求系统的阻尼比ζ,自然振荡频率n ω。
解:(1)由于系统的脉冲响应为系统阶跃响应的导数,则有:6010()()1212t t g t ct e e --==-+ 又因为:6010()[()][1212]()t tC s L g t L e e R s --==-+ 21212600601070600s s s s -=+=++++所以传递函数为:2()600()70600C s R s s s =++ (2)与二阶系统的标准形式对比有:2600n ω=,270n ζω=所以可以求得:n ωζ==(4分)(6分)(5分)五、计算题(本大题15分)已知系统的输入t t r =)(,扰动()1()f t t =,计算系统总的稳态误差。
试题编号:重庆邮电大学2009学年2学期《自动控制原理》试卷(期中)(A 卷)(闭卷)一、简答题(本大题共5小题,每小题4分,共20分) 1. 传递函数定义及其主要性质。
答:线性定常系统在零初始条件下,输出量的拉氏变换与输入量的拉氏变换之比,称为传递函数。
(2分)主要性质:(每回答正确2个1分,全部正确2分)1)传递函数只适用于线性定常系统:由于传递函数是基于拉氏变换,将原来的线性常系数微分方程从时域变换到复域,故只适用于线性定常系统。
2)传递函数是在零初始条件下定义的。
如果系统为非零初始条件,非零初始值V(s),则系统新的输入、输出关系为:Y(s)=G(s).U(s)+ V(s)3)传递函数只表示了系统的端口关系,不明显表示系统内部部件的信息。
因此对于同一个物理系统,如果描述的端口不同,其传递函数也可能不同;而不同的物理系统,其传递函数可能相同。
4)传递函数是复变量S 的有理真分式函数,分子多项式的次数n 低于或等于分母多项的次数m ,所有系数均为实数。
2. 线性控制系统的稳定性定义。
答:如果线性控制系统在初始扰动的影响下,其动态过程随时间的推移逐渐衰减并趋于零或原平衡点,则称系统渐进稳定,简称稳定(3分),反之,如果在初始扰动下,系统的动态过程随时间的推移而发散,则不稳定。
(1分)3. 闭环系统的零、极点位置对于时间响应性能的超调量、调节时间的有何影响? 答:(1)超调量主要取决于闭环复数主导极点的衰减率21//ξξωσ-=d ,与其他闭环零、极点接近坐标原点的程度有关;(2分)(2)条件时间主要取决于靠近虚轴的闭环复数极点的实部绝对值ξωσ=,如果实数极点距离虚轴最近,并且它附近没有实数零点,则调节时间主要取决于该实数极点的模值。
(2分)4. 对于一个给定的开环增益为o k 最小相位系统,说明采用频率方法和根轨迹法判断稳定性的统一性。
答:频率法判断系统稳定性时,当o k 较小时,其副相曲线在)(ωj Go 平面不包围(-1,j0)这点,系统稳定,随着o k 的增加,副相曲线包围(-1,j0)这点,系统不稳定。
09级自动控制原理期中试卷参考答案一、求图1所示无源网络的运动方程和传递函数,图中电压1()u t 和2()u t 分别为输入量和输出量。
(10分)()t图1 题一图解:设电阻R 1上电流为i 1,电容C 上的电流为i 2,则电阻R 2上的电流i=i 1+i 2。
由图得:1122221211121()R i i dt C u R i R i i u R i u⎧=⎪⎪==+⎨⎪=+⎪⎩⎰ 于是1211u u i R -=, 1122111()1di d u u i R C R C dt R dt-== 从而1212222111()1u u d u u u R i R R C R R dt ⎡⎤--==+⎢⎥⎣⎦整理,由上述方程组可得无源网络的运动方程为:21121221221()du duR R CR R u R R C R u dt dt++=+ 对上述方程中各项求拉氏变换得:12212212121()()()()()R R CsU s R R U s R R CsU s R U s ++=+所以,无源网络的传递函数为:22111212()(1)()()()U s R R Cs G s U s R R Cs R R +==++二、用结构图简化方法或信号流图法求图2所示闭环传递函数()()C s R s 。
(10分)图2 题二图解:132121()()()1G G G C s R s G G H +=+ 或解:11211L G G H ∆=-=+∑1121(1),11P G G L =∆=+= ,2322(1),11PG G L =∆=+= 1223112212()()1G G G G P P C s P R s G G H+∆+∆===∆+三、在零初始条件下,系统在单位阶跃输入()1()r t t =的输出响应为2()1t t c t e e --=-+,试求系统的传递函数和脉冲响应。
(10分) 解:()1()r t t =,1()R s s=2()1ttc t ee --=-+, 211142()21(1)(2)s s C s s s s s s s ++=-+=++++系统的传递函数:2()42()(1)(2)C s s s R s s s ++=++ 于是,系统的脉冲响应为:21112()4212()1()(1)(2)12 ()2 (0)t t C s s s g t L L L R s s s s s t e e t δ-----⎡⎤⎡⎤++⎡⎤===-+⎢⎥⎢⎥⎢⎥++++⎣⎦⎣⎦⎣⎦=-+≥四、单位负反馈系统的开环传递函数为10()(0.11)(0.51)o G s s s s =++。
自动控制原理期中考试参考答案及评分标准①②③④⑤⑥⑦⑧⑨⑩⑾⑿⒀⒁⒂⒃⒄⒅⒆为该题某一部分的得分1、列写下图所示RLC 网络的微分方程和传递函数,其中u r 为输入变量,u c 为输出变量。
(10分)解:令流过电感的电流为i , 则有:R U dt dU C i U U dt di L c c r c +==+, ④分 所以有:r c c c U U dtdU R L dt U d LC =++2 ②分 传递函数为: RLs RLCs R s U s U s G r c ++==2)()()( ④分2、已知系统结构图如下,试简化该结构图并求系统传递函数C(s)/R(s).(10分)解: (1)拆分相加点,得下图:④(2)分别合并前向通道,反馈通道,如下图所示:2*② = ④分可得系统传递函数为:32211)()()(G G G G s R s C s G ++==。
②分 3、控制系统结构图如下图所示。
要求系统单位阶跃响应的超调量10%p σ=,峰值时间1p t s =。
试确定1K 与τ的值。
(20分)解:运用梅森公式可以得到系统的闭环传递函数为:210)310(21021010210)310(10)()()(12111121++++++=++++==K s s K K K K s s K s R s C s G ττ ④分由二阶系统指标要求:11%,1021/2=-===--ζωπσζπζn p p t e ④分可得:86.3,59.0==n ωζ ④分所以有:90.14210,56.4310212=+==+=K n n ωτζω ④分可得:.29.1,156.01==K τ ④分4、已知单位负反馈系统的开环传递函数为2328(346)() (312)s s G s s s s ++=++ 用劳斯判据判断系统稳定性,如果不稳定,求出系统s 右半平面根的个数及虚根值。
(20分) 解:系统闭环特征方程为:0483224123)643(8)123()(2345223=+++++=+++++=s s s s s s s s s s s D ④分 列出劳斯表为:4848242j.s ,04812s 481216448243321210122345s s s s s s ±==+对应的解为:辅助方程: 2*④=⑧分 所以,系统不稳定(临界稳定),④分 右半平面没有根,但纯虚根有两个,为.2j s ±=④分5、已知单位负反馈系统的开环传递函数如下试求其静态位置误差系数、静态速度误差系数、静态加速度误差系数、,并求当输入信号r (t ) = 1(t ) + 3t 时系统的稳态误差。
南京高等职业技术学校
2009年~2010年第一学期期中考试
班级 507211、502212 、507213 自动控制原理期中考试题(闭卷)系电气系班级姓名学号
一、填空题(每格1分,共32分)
1、古典控制理论只涉及单输入、单输出系统,对于多输入、多输出系统就无能为力了。
由于具有多输入和多输出的现代设备变得愈来愈复杂,所以需要大量方程来描述现代控制系统。
2、扰动是一种对系统的输出产生不利影响的信号。
如果扰动产生在系统内部称为内扰;扰动产生在系统外部,则称为外扰。
外扰是系统的输入量。
3、反馈控制系统是一种能对输出量与参考输入量进行比较,并力图保持两者之间的既定关系的系统,它利用输出量与输入量的偏差来进行控制。
4、当自动调整系统的输出量是温度、压力、流量、液面或PH值(氢离子浓度)等这样一些变量时,就叫过程控制系统。
5、对自动控制系统性能的基本要求
可以归结为稳定性(长期稳定性)、准确性(精度)和快速性(相对稳定性)。
稳定性:对恒值系统要求当系统受到扰动后,经过一定时间的调整能够回到原来的期望值。
对随动系统,被控制量始终跟踪参据量的变化。
稳定性是对系统的基本要求,不稳定的系统不能实现预定任务。
稳定性,通常由系统的结构决定与外界因素无关。
快速性:对过渡过程的形式和快慢提出要求,一般称为动态性能。
稳定高射炮射角随动系统,虽然炮身最终能跟踪目标,但如果目标变动迅速,而炮身行动迟缓,仍然抓不住目标。
准确性:用稳态误差来表示。
如果在参考输入信号作用下,当系统达到稳态后,其稳态输出与参考输入所要求的期望输出之差叫做给定稳态误差。
显然,这种误差越小,表示系统的输出跟随参考输入的精度越高。
6、系统最基本的数学模型是它的微分方程式。
建立微分方程的步骤如下:①确定系统的输入量和输出量②将系统划分为若干环节,从输入端开始,按信号传递的顺序,依据各变量所遵循的物理学定律,列出各环节的线性化原始方程。
③消去中间变量,写出仅包含输入、输出变量的微分方程式。
7、拉氏变换定义设函数f(t)满足①t<0时 f(t)=0
② t>0时,f(t)分段连续
∞
<⎰∞-dt
e
t
f st
)(
则f(t)的拉氏变换存在,其表达式记作
dt
e t
f t f L s F st ⎰∞
-==0
)()]([)(
8、拉氏变换基本定理
·线性定理 )()()]()([22112211s F a s F a t f a t f a L +=+
·位移定理
)()]([a s F t f e L at +=- ·延迟定理
)()]([s F e t f L s ττ-=- ·终值定理 )
(lim )(lim 0
s sF t f s t −→−∞−→−
= ·初值定理 )
(lim )(lim 0s sF t f s t ∞
−→−−→−
=
·微分定理
)0()(])
([
f s sF dt t df L -=
)0()0()(])(['22
2f sf s F s dt t f d L --=
9、是在用拉氏变换求解线性常微分方程的过程中引申出来的概念。
微分方程是在时域中
描述系统动态性能的数学模型,在给定外作用和初使条件下,解微分方程可以得到系统的输出响应。
系统结构和参数变化是分析较麻烦。
用拉氏变化法求结微分方程时,可以得到控制系统在复数域的数学模型-传递函数。
定义:线性定常系统的传递函数,定义为零初始条件下,系统输出量的拉氏变换与输入量的拉氏变换之比。
10、典型环节及其传递函数
任何一个复杂系统都是由有限个典型环节组合而成的。
典型环节通常分为
以下六种:
1 比例环节 K s G =)(,
2 惯性环节
1
1
)(+=TS s G
3 微分环节
理想微分 KS s G =)( 一阶微分 1)(+=S s G τ
二阶微分 12)(22++=S S s G ξττ
4 积分环节
S
s G 1)(=
第 1 页(共4 页)
二、作图题:(20分)
1、画出一阶单位反馈系统动态结构图
2、写下图的传递函数。
3、试简化图中的系统结构图,并求传递函数C(s)/R(s )和C(s)/N(s)。
三、计算题(48分)
1、设系统的微分方程式如下:0.04 c (t) + 0.24c (t) + c(t) = r(t)试求系统的单位阶跃响应h(t)。
2、设图是简化的飞行控制系统结构图,试选择参数K1和Kt,使系统ωn=6、ζ=1。
3、由运算放大器组成的控制系统模拟电路如图所示,试求闭环传递函数Uc(s)/Ur(s)。
4、已知下列拉氏变换F(s),求出时间表达式f(t)。
5、
求时间函数f (t)的拉氏变换F (s)。