河海大学水力学2000年至2013年考研真题试卷
- 格式:doc
- 大小:26.13 MB
- 文档页数:48
河海大学2007年攻读硕士学位研究生入学考试试题解析考试科目名称:水力学一、是非题(每题2分,共20分) 1. √【参考答案】快层对慢层作用着与流动方向一致的切力,促使慢层加速;慢层对快层作用着与流动方向相反的切力,使快层减速。
2. ×【参考答案】根据C D C C I y y y A =+,一般来言,C C Iy A>0,则D y >C y ,即压力中心D 点在受压面积的形心点以下,这是压强分布规律导致的必然结果;只有在受压面为水平面的情况下,平面上的压强分布时均匀的,压力中心D 与形心C 重合。
【点 评】对于公式的特殊情况一定要牢记。
3. √【参考答案】定义:如果原型与模型上相应点上作用的同名力方向相同,大小成某一固定比例,则称为动力相似。
【点 评】力学相似的条件:①几何相似:原型和模型所有相应线段的长度维持一定比例。
②运动形似:原型和模型所有相应点的速度,加速度的大小维持一定比例,方向相同。
③运力相似:原型和模型所有相应点上各种作用力方向相同,大小成比例。
三者的关系:几何相似时前提和依据,动力相似一定运动相似,运动相似是其它相似的具体表现和后果。
(动力相似⇒牛顿相似定律)4. √【参考答案】根据粘性底层厚度0δ与绝对粗糙度∆的对比可将紊流壁面分为以下三类: ①∆<0δ, 紊流光滑面;②0δ<∆<0δ+1δ, 紊流过渡粗糙面; ③∆>0δ+1δ , 紊流粗糙面。
对固定管道,绝对粗糙度∆是确定的;但粘性底层厚度0δ和过渡层1δ的厚度随e R 变化。
5. ×【参考答案】根据通过泄水建筑物的几个不同的流量计算相应的co h 、2co h ,并确定t h ,使2()co t h h -为最大值所对应的流量作为计算消力池深度d 的设计流量,而消力池长度则取最大流量作为设计流量。
6. × 【参考答案】 A 2水平线CC可做如下分析:2A 形水面曲线,c h h >⇒为缓流⇒0dEsdh> 2A 形水面曲线,降水曲线0dh ds <⇒0dEs dEs dh ds dh ds=⋅<即为沿程减小的。
1.选择题部分(一)在平衡液体中,质量力与等压面()a、重合;b、平行c、相交;d、正交。
答案:d(二)在水力学中,单位质量力是指()a、单位面积液体受到的质量力;b、单位体积液体受到的质量力;c、单位质量液体受到的质量力;d、单位重量液体受到的质量力。
答案:c(3)液体中某点的绝对压强为100kN/m2,则该点的相对压强为a、1 kN/m2b、2 kN/m2c、5 kN/m2d、10 kN/m2答案:b(4)水力学中的一维流动是指()a、恒定流动;b、均匀流动;c、层流运动;d、运动要素只与一个坐标有关的流动。
答案:d(5)有压管道的管径d与管流水力半径的比值d /R=()a、8;b、4;c、2;d、1。
答案:b(6)已知液体流动的沿程水力摩擦系数 与边壁相对粗糙度和雷诺数Re都有关,即可以判断该液体流动属于a、层流区;b、紊流光滑区;c、紊流过渡粗糙区;d、紊流粗糙区答案:c(7)突然完全关闭管道末端的阀门,产生直接水击。
已知水击波速c=1000m/s,水击压强水头H = 250m,则管道中原来的流速v0为a、1.54m b 、2.0m c 、2.45m d、3.22m答案:c(8)在明渠中不可以发生的流动是()a、恒定均匀流;b、恒定非均匀流;c、非恒定均匀流;d、非恒定非均匀流。
答案:c(9)在缓坡明渠中不可以发生的流动是()。
a、均匀缓流;b、均匀急流;c、非均匀缓流;d、非均匀急流。
答案:b(10)底宽b=1.5m的矩形明渠,通过的流量Q =1.5m3/s,已知渠中某处水深h = 0.4m,则该处水流的流态为a、缓流;b、急流;c、临界流;答案:b(11)闸孔出流的流量Q与闸前水头的H()成正比。
a、1次方b、2次方c、3/2次方d、1/2次方答案:d(12)渗流研究的对象是()的运动规律。
a、重力水;b、毛细水;c、气态水;d、薄膜水。
答案:a(13)测量水槽中某点水流流速的仪器有a、文丘里计b、毕托管c、测压管d、薄壁堰答案:b(14)按重力相似准则设计的水力学模型,长度比尺λL=100,模型中水深为0.1米,则原型中对应点水深为和流量比尺为a、1米,λQ =1000;b、10米,λQ =100;c、1米,λQ =100000;d、10米,λQ=100000。
河海大学2003年攻读硕士学位研究生入学考试试题考试科目名称:水力学一、是非题(每题2分,共20分)1.紊流过渡粗糙区的沿程水头损失系数λ与雷诺数无关。
( ) 2.断面单位能量s E 沿流程总是减小的。
( ) 3.计算消力池池深和池长时,设计流量一般选择使池深和池长最大的流量。
( ) 4.渗流的达西定律既适用于层流也适合于紊流。
( ) 5.在恒定均匀流中,沿程水头损失与速度的平方成正比。
( ) 6.两个液流在重力作用下的动力相似条件是它们的弗劳德数r F 相等。
( ) 7.因为各并联支管的长度、直径及粗糙度可能不同,因此在各支管的水头损失也不同。
( ) 8.均匀流可以是恒定流,也可以是非恒定流。
( ) 9.流体质点做圆周运动不一定是有旋运动。
( ) 10.相对压强可以大于、等于或小于零。
( ) 二、选择题(每题2分,共20分)1.当水流流态从层流转变为紊流后,过水断面上水流动能校正系数α和动量校正系数β将 ( ) (1)均增大 (2)均减小(3)α增大、β减小 (4)α减小、β增大2.溢流坝下泄水流收缩断面水深的跃后水深为,此时下游水深为,则形成远离水跃的条件是 ( ) (1)2t co h h = (2)2t co h h > (3)2t co h h < (4)无法确定3.渗流模型流速与实际渗流流速相比较 ( ) (1)前者大于后者 (2)二者相等 (3)前者小于后者 (4)无法比较4.明渠的临界水深决定于 ( ) (1)流量和底坡 (2)断面形状、尺寸和底坡(3)流量和糙率 (4)流量和断面形状、尺寸5.均匀流断面和渐变流断面上的动水压强 ( ) (1)均按静水压强规律分布(2)前者按静水压强规律分布,后者不静水压强规律分布 (3)前者不静水压强规律分布,后者静水压强规律分布 (4)均不按静水压强规律分布6.下列哪个条件满足时,明渠水流是缓流 ( ) (1)1r F > (2)1r F = (3)1r F < (4)无法确定7.毕托管可以用来测 ( ) (1)脉动流速(2)时均流速(3)脉动流速(4)脉动压强8.满足/0s dE ds =条件的流动是 ( ) (1)非均匀渐变缓流 (2)非均匀渐变急流 (3)均匀流 (4)临界流9.有压管流,管轴线水平,管径逐渐增大且通过的流量不变,其总水头线沿流向应( ) (1)逐渐升高(2)逐渐降低(3)与管轴线平行(4)无法确定10.雷诺数的物理意义是 ( ) (1)重力与惯性力之比 (2)重力与粘滞力之比 (3)粘滞力与惯性力之比 (4)惯性力与粘滞力之比 三、作图题(每题5分,共10分)1.绘出下列两段不同糙率棱柱形渠道的水面曲线。
河海大学历年攻读硕士学位研究生入学考试试题Ddaaa aa 2河海大学2000年攻读硕士学位研究生入学考试试题名称:材料力学一、概念题1.图示梁的四种截面形状,固定剪力沿铅垂方向。
横截面上最大剪应力(或剪应力铅垂分量的最大值)的位置,有四种答案:(5分) (A )全部在中性轴处; (B )全部不在中性轴处;(C )a 和b 在中性轴处,c 和d 不在中性轴处; (D )a 和b 不在中性轴处,c 和d 在中性轴处。
正确答案是:2.直径为d 的圆柱放在直径为D=3d 、厚为t 的圆形基座上,地基对 基座的支反力均匀分布,圆柱承受轴向压力P ,则基座剪切面的剪 力Q= (5分)3.图示车轴,n--n 截面周边上任一点处交变应力中的=m axσ=min σ循环特征r= (5分) 4.定性画出图示等截面梁的挠曲线形状(5分))(a )(b )(dz胶缝)(a )(b2.已知胶的许用剪应力][τ是许用正应力][σ的一半,问 ɑ为何值时,胶缝处的剪应力和正应力同时达到各自的 许用应力。
(10分)3.图(a )、(b )表示同一材料的两个单元体。
材料的屈 服极限MPa s 275=σ。
试根据第三强度理论求两个单元 体同时进入屈服极限时的拉应力σ与剪应力τ的值。
若σ>τ。
(10分)4.图示拐轴位于水平面内,受铅垂荷载1P 和水平荷载2P 试按第四强度理论确定圆轴AB 的直径。
已知:,kN P 201=, kN P 102=,mm l 1501=,mm l 1402=,MPa 160][=σ。
(155.图示1、2杆截面均为方形,边长分别是a 和a/3。
已知l =5a ,两杆材料相同,弹性模量为E 。
设材料能采用欧拉公式的临界柔度为100,试求2杆失稳时均布荷载q 的临界值。
(15分)6.AB 梁支承在两悬臂梁的端点,有重Q 的物体自H 高处自由下落在AB 梁的中点,三根梁的长度和刚度EI 均相同,AB 梁的抗弯截面系数为W ,求AB 梁的最大动应力m ax d 。
河海大学2004年攻读硕士学位研究生入学考试试题解析考试科目名称:水力学一、是非题(每题2分,共20分) 1. ×【参考答案】快层对慢层作用着与流动方向一致的切力,促使慢层加速;慢层对快层作用着与流动方向相反的切力,使快层减速。
根据以上分析可知B 水体底面的切应力方向与水流方向相反,如图所示。
2. ×【参考答案】根据C D C C I y y y A =+,一般来言,C C Iy A>0,则D y >C y ,即压力中心D 点在受压面积的形心点以下,这是压强分布规律导致的必然结果;只有在受压面为水平面的情况下,平面上的压强分布时均匀的,压力中心D 与形心C 重合。
3. √【参考答案】定义:如果原型与模型上相应点上作用的同名力方向相同,大小成某一固定比例,则称为动力相似。
【点 评】力学相似的条件:①几何相似:原型和模型所有相应线段的长度维持一定比例。
②运动形似:原型和模型所有相应点的速度,加速度的大小维持一定比例,方向相同。
③运力相似:原型和模型所有相应点上各种作用力方向相同,大小成比例。
三者的关系:几何相似时前提和依据,动力相似一定运动相似,运动相似是其它相似的具体表现和后果。
(动力相似⇒牛顿相似定律)4. √【参考答案】根据粘性底层厚度0δ与绝对粗糙度∆的对比可将紊流壁面分为以下三类:①∆<0δ, 紊流光滑面;②0δ<∆<0δ+1δ, 紊流过渡粗糙面; ③∆>0δ+1δ , 紊流粗糙面。
对固定管道,绝对粗糙度∆是确定的;但粘性底层厚度0δ和过渡层1δ的厚度随e R 变化。
5. ×【参考答案】按堰顶厚度δ与堰前水头H 之比Hδ,将堰分为三类: ①0.67Hδ<, 薄壁堰;②0.67 2.5Hδ<<, 实用堰;③2.510Hδ<<, 宽顶堰。
根据题干由22.50.6Hδ=>,故属于宽顶堰。
6. ×【参考答案】M 3CCNN由22221[1()]1()1c c dEs Fr dh k dEs i k ds k dh k i ds Fr ⎫=-⎪⎪⇒=-⎬-⎪=⎪-⎭当,1c c k h h k >< 即,c dEs h h ds ⇒>↑;同理,c dEsh h ds⇒<↓ 分析3M 型水面曲线,,c dEsh h ds⇒<↓ 【点 评】本题还有一种解题方法:结合下图h c急流区缓流区Es-hEsEs mino h可做如下分析:3M 型水面曲线,ch h <⇒为缓流⇒0dEsdh< 3M 形水面曲线,降水曲线0dh ds >⇒0dEs dEs dh ds dh ds=⋅<即为沿程减小的。
河海大学2003年攻读硕士学位研究生入学考试试题考试科目名称:水力学一、是非题(每题2分,共20分)1.紊流过渡粗糙区的沿程水头损失系数λ与雷诺数。
( )2.断面单位能量s E 沿流程总是减小的。
( )3.计算消力池池深和池长时,设计流量一般选择使池深和池长最大的流量。
( )4.渗流的达西定律既适用于层流也适合于紊流。
( )5.在恒定均匀流中,沿程水头损失与速度的平方成正比。
( )6.两个液流在重力作用下的动力相似条件是它们的弗劳德数r F 相等。
( )7.因为各并联支管的长度、直径及粗糙度可能不同,因此在各支管的水头损失也不同。
( )8.均匀流可以是恒定流,也可以是非恒定流。
( )9.流体质点做圆周运动不一定是有旋运动。
( )10.相对压强可以大于、等于或小于零。
( )二、选择题(每题2分,共20分)1.当水流流态从层流转变为紊流后,过水断面上水流动能校正系数α和动量校正系数β将 ( )(1)均增大 (2)均减小(3)α增大、β减小 (4)α减小、β增大2.溢流坝下泄水流收缩断面水深的跃后水深为,此时下游水深为,则形成远离水跃的条件是 ( )(1)2t co h h = (2)2t co h h >(3)2t co h h < (4)无法确定3.渗流模型流速与实际渗流流速相比较 ( )(1)前者大于后者 (2)二者相等(3)前者小于后者 (4)无法比较4.明渠的临界水深决定于 ( )(1)流量和底坡 (2)断面形状、尺寸和底坡(3)流量和糙率 (4)流量和断面形状、尺寸5.均匀流断面和渐变流断面上的动水压强 ( ) (1)均按静水压强规律分布(2)前者按静水压强规律分布,后者不静水压强规律分布 (3)前者不静水压强规律分布,后者静水压强规律分布 (4)均不按静水压强规律分布6.下列哪个条件满足时,明渠水流是缓流 ( ) (1)1r F > (2)1r F = (3)1r F < (4)无法确定7.毕托管可以用来测 ( ) (1)脉动流速(2)时均流速(3)脉动流速(4)脉动压强8.满足/0s dE ds =条件的流动是 ( ) (1)非均匀渐变缓流 (2)非均匀渐变急流 (3)均匀流 (4)临界流9.有压管流,管轴线水平,管径逐渐增大且通过的流量不变,其总水头线沿流向应( ) (1)逐渐升高(2)逐渐降低(3)与管轴线平行(4)无法确定10.雷诺数的物理意义是 ( ) (1)重力与惯性力之比 (2)重力与粘滞力之比 (3)粘滞力与惯性力之比 (4)惯性力与粘滞力之比 三、作图题(每题5分,共10分)1.绘出下列两段不同糙率棱柱形渠道的水面曲线。
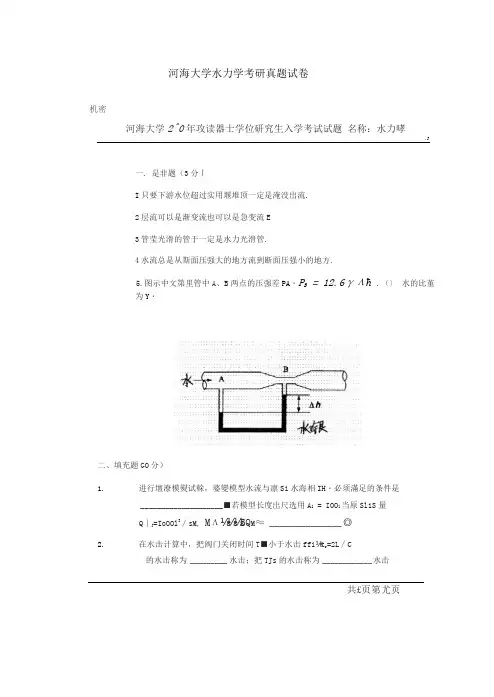
共£页第尤页河海大学水力学考研真题试卷机密河海大学2^0年攻读器士学位研究生入学考试试题 名称:水力哮.J一. 是非题(3分丿I 只要下游水位超过实用堰堆顶一定是淹没出流. 2层流可以是渐变流也可以是急变流E 3管莹光滑的管于一定是水力光滑管.4水流总是从斯面压强大的地方流到断面压强小的地方.5.图示中文第里管中A 、B 两点的压强差PA ・P B = 12.6γΛħ .(〉 水的比堇为Y ・二、填充题GO 分) 1.进行壇潦模熨试榦,婆變模型水流与凛Si 水海相IH ・必须滿足的条件是 ____________________ ■若模型长度岀尺选用A 1 = IOO 1当原SliS 量 Q∣J =IoOOl 3∕sM, MΛ⅛⅛⅛BQ M ≈ ______________ ◎2. 在水击计算中,把阀门关闭时间T ■小于水击ffi ⅛t r =2L∕C的水击称为 _________ 水击;把TJs 的水击称为 ____________水击3.渗潦權塑流谨与真实渗潦流速的关系是__________________________________ ___4.泄水建筑物下游谧常有_____________________ ____________________ ____............ 寻三种消能措施。
5.缓谎时,h _______ he.V __________ VO , Fr __________dE∙∕dh _______________ O e(填写 > .=:或〈)6.矩形断面渠道,水深h=lιs,单宽流量q≡=5'∕s.∙,则该水涼的弗劳徳数Fr= ■一•属于….潦。
7.秦潦粗糙区的沿程水头损失h(与断面平均涼速▼的_■次方成正比,其沿程水头损失系数入与__________________ 有关。
8.岡管均匀层涼过水断面上的潦速分布符合 _______________ 規律,其*大漁速为断面平均流速的一.■倍。
河海大学2013年硕士研究生入学考试初试试题(A 卷)科目代码: 814 科目名称: 水力学 总分: 150 分 注意:①认真阅读答题纸上的注意事项;②所有答案必须写在答题纸上,写在本试题纸或草稿纸上均无效;③本试题纸须随答题纸一起装入试题袋中交回!一、是非题(正确打“√”,错误打“×”,所有答案必须写在答题纸上,写在本试题纸或草稿纸上均无效。
每小题2分,共30分)1. 牛顿液体的切应力与剪切变形速度呈线性关系。
( )2. 明渠水流总是从位置搞得地方向位置低的地方流动。
( )3. 应用恒定总流能量方程计算某点的动水压强时,计算结果与基准面的选择无关。
( )4. 二元流一定是非均匀流。
( )5. 紊流的沿程水头损失与断面平均流速的平方成正比。
( )6. 因水流边界附近流速较小,因而切应力也较小。
( )7. 有压流和明渠水流都可分缓流和急流。
( )8. 渗流中有层流也有紊流,其计算公式为kJ v =或者kAJ Q =。
( )9. 雷诺试验是研究沿程水头损失系数规律的试验。
( ) 10. 并联管道中各支管水流的总机械能损失相等。
( ) 11. 液体处于平衡状态时,其等压面为水平面。
( ) 12. 在平坡棱柱形明渠中的水流,其断面单位能量沿程可以增大,也可以减小。
( ) 13. 当实用堰堰上水头大于其设计水头时,流量系数大于其设计流量系数。
( ) 14. 利用底流消能时,以略有淹没的水跃消能为宜。
( ) 15. 有一溢流堰,堰顶厚度为4m ,堰上水头为2m ,则该堰属于宽顶堰。
( )二、填空题(所有答案必须写在答题纸上,写在本试题纸或草稿纸上均无效。
每小题2分,共30分)1. 经测量水流某处的真空高度为7m ,当地大气压强为10m 水柱高,则该处压强用相对压强表示为 2/m kN 。
则在5s 时,该点紊动附加切应力为 /m N 。
3. 有一管道均匀流,管长L =100m ,直径d =20cm ,水力坡度J =0.002,则边界切应力0τ为 2/m N 。
机密★启用前 秘密★启用后 请将所有答案写在报考点提供的答题纸上河海大学2006年攻读硕士学位研究生入学考试试题考试科目名称:水力学一、是非题(每题2分,共26分)1.液体流层之间的摩擦力与液体所承受的压力有关。
( ) 2.紊流可以是均匀流,也可以是非均匀流。
( ) 3.液体作层流运动时,相对粗糙度越大,沿程水头损失系数λ也越大。
( ) 4.陡坡上出现均匀流必为急流,缓坡上出现均匀流必为缓流。
( ) 5.当下游水位高于搏壁堰顶时,一定时淹没出流。
( ) 6.有压管道中水流作均匀流动时,总水头线、测压管水头线和管轴线三者必定平行。
( ) 7.在底流消能设计中,取最大流量作为设计流量时,消力池的深度也一定最大。
( ) 8.在无压渗流的自由表面线上,各点的压强相等,所以它是一根等水头线。
( ) 9.水击波传播的一个周期为C L /2。
( ) 10.将物理量压强p ∆、密度ρ、流速v 组成的无量纲数为v p ρ/∆。
( ) 11.明渠的临界水深与底坡无关。
( ) 12.当液体中发生真空时,其相对压强必小于零。
( ) 13.均匀流时过水断面流速均匀分布的水流。
( ) 二、选择题(每题2分,共24分)1.粘滞底层厚度0δ比绝对粗糙度∆小得多的壁面称为 ( ) (1)光滑面(2)粗糙面(3)粗糙面(4)以上答案均不对2.有压管道的测管水头线 ( ) (1)只能沿流上升 (2)只能沿流下降 (3)可以沿流上升,也可以沿流下降 (4)只能沿流不变3.影响水的运动粘滞系数的主要因素为 ( ) (1)水的温度 (2)水的密度 (3)当地气压 (4)水的流速4.静止液体中同一点各方向的压强 ( ) (1)数值相等 (2)数值不等 (3)仅水平方向数值相等 (4)铅直方向数值最大5.当等直径管道的管轴线高程沿流向下降时,管轴线的动水压强沿流向 ( ) (1)增大(2)减小(3)不变(4)不定6.明渠均匀流的断面单位能量中,单位势能与单位动能相等,则可判定此水流为 ( ) (1)缓流(2)急流(3)临界流(4)无法判定7.当实用堰水头H 大于设计水头d H 时,其流量系数m 与设计流量系数d m 的关系是( ) (1)d m m = (2)d m m > (3) d m m < (4)不能确定8.试验表明,消力池中淹没水跃的长度s L 与平底渠道中自由水跃长度j L 相比 ( ) (1)s j L L =(2)s j L L <(3)s j L L >(4)无法确定9.达西定律适用于 ( ) (1)层流渗流(2)层紊流渗流 (3)紊流渗流(4)急变渗流10.液体重力相似准则要求 ( ) (1)原型和模型水流的雷诺数相等 (2)原型和模型水流的弗劳德数相等 (3)原型和模型水流的牛顿数相等 (4)原型和模型水流的重力相等11.上临界雷诺数是 ( ) (1)从紊流转变为层流的判别数 (2)从层流转变为紊流的判别数 (3)从缓流转变为急流的判别数 (4)从紊流转变为急变流的判别数12.直接水击是指有压管道末端阀门处的最大水击压强 ( ) (1)不受来自上游水库反射波的影响 (2)受来自上游水库反射波的影响 (3)受阀门反射波的影响(4)不受管道长度的影响 三、填空题(每题2分,共20分)1.作用于静止(绝对平衡)液体上的面积力有 ,质量力有 。
机密★启用前 秘密★启用后 请将所有答案写在报考点提供的答题纸上河海大学2007年攻读硕士学位研究生入学考试试题 考试科目名称:水力学一、是非题(每题2分,共20分)1.图为管道流速分布图,从其对应部位所取出水体B ,则水体B 底面的切应力方向与水流流动方向相同。
( )2.不论平面在静止液体内如何放置,其静水总压力的作用点永远在平面形心之下。
( )3.如果两个液流中作用于相应点上的相同性质的力的大小成一定比例,且方向一致,则两个液流就是动力相似的。
( )4.同一种管径和粗糙度的管道,雷诺数不同时,可以在管中形成紊流光滑区、粗糙区或过渡粗糙区。
( )5.在底流消能设计中,要求最大的池深和池长的流量作为消力池的设计流量。
( )6.棱柱形明渠中形成2A 型水面曲线时,其断面单位能量s E 沿程增大。
( )7.因为各并联支管的长度、直径及粗糙度可能不同,因此在各支管上的水头损失也不相同。
8.当下游水位高于薄壁堰顶时,一定是淹没出流。
( )9.当雷诺数e R 很大时,在紊流核心区中,切应力中的粘滞切应力可以忽略。
( )10.图示的A 、B 两测压管,B 管中的液面必然高于A 管中的液面。
( ) ρ2ρ1二、选择题(每题2分,共20分)1.在恒定流中 ( )(1)流线一定互相平行(2)断面平均流速必定沿程不变(3)不同瞬时流线有可能相交(4)同一点处不同时刻的动水压强相等2.同一渠道中有1、2两个渠段,其糙率1n <2n ,其他参数均相同。
当通过一定流量时,则两渠段的临界水深1c h 、2c h 和正常水深01h 、02h 的关系分别为 ( )(1)1c h =2c h ,01h =02h (2)1c h =2c h ,01h <02h(3)1c h >2c h ,01h >02h (4)1c h =2c h ,01h >02h3.按普朗特动量传递理论,紊流的断面流速分布规律符合 ( )(1)对数分布 (2)椭圆分布 (3)抛物线分布 (4)直线分布4.在明渠恒定均匀流过水断面上1、2两点安装两根测压管,如图所示,则两测压管高度1h 与2h 的关系为 ( )(1)1h >2h (2)1h <2h (3)1h =2h (4)无法确定 215.有一溢流堰,堰顶高度为2m ,堰上水头为2m ,则该堰流属于 ( )(1)薄壁堰流 (2)宽顶堰流(3)实用堰流 (4)明渠堰流6. 渠道中出现2S 型水面曲线,则水流为 ( )(1)缓流 (2)均匀流(3)急流 (4)急交流7.若测得两根管道的下临界雷诺数相等,则必须两管的 ( )(1)管径d 相等 (2)液体的粘性系数ν相等(3)管径d 和ν均相等 (4)以上答案均不对8.闸坝下有压渗流流网的形状与下列哪个因素有关 ( )(1)上游水位 (2)渗流系数(3)上下游水位等 (4)边界的几何形状9.明渠均匀流的断面单位能量中,单位势能与单位动能相等,则可判定此水流为 ( )(1)缓流 (2)急流 (3)临界流 (4)无法判定10.流线 ( )(1)在恒定流中是固定不变的 (2)只存在于均匀流中(3)总是与质点的运动轨迹相重合 (4)是与速度向量正交的线三、填空题(每题2分,共20分)1. 紊流粗糙区的沿程水头损失f h 与断面平均流速的 次方成正比,其沿程水头损失系数λ与 有关。
专业课复习资料(最新版)封面水力学练习题及参考答案一、是非题(正确的划“√”,错误的划“×)1、理想液体就是不考虑粘滞性的实际不存在的理想化的液体。
(√)O重合。
(×)3、园管中层流的雷诺数必然大于3000。
(×)4、明槽水流的急流和缓流是用Fr判别的,当 Fr>1为急流。
(√)5、水流总是从压强大的地方向压强小的地方流动。
(×)6、水流总是从流速大的地方向流速小的地方流动。
(×)6、达西定律适用于所有的渗流。
(×)7、闸孔出流的流量与闸前水头的1/2次方成正比。
(√)8、渐变流过水断面上各点的测压管水头都相同。
(√)9、粘滞性是引起液流运动能量损失的根本原因。
(√)10、直立平板静水总压力的作用点就是平板的形心。
(×)11、层流的沿程水头损失系数仅与雷诺数有关。
(√)12、陡坡上出现均匀流必为急流,缓坡上出现均匀流必为缓流。
(√)13、在作用水头相同的条件下,孔口的流量系数比等直径的管嘴流量系数大。
(×)14、两条明渠的断面形状、尺寸、糙率和通过的流量完全相等,但底坡不同,因此它们的正常水深不等。
(√)15、直立平板静水总压力的作用点与平板的形心不重合。
(√)16、水力粗糙管道是表示管道的边壁比较粗糙。
(×)17、水头损失可以区分为沿程水头损失和局部水头损失。
(√)18、牛顿内摩擦定律适用于所有的液体。
(×)19、静止液体中同一点各方向的静水压强数值相等。
(√)20、明渠过流断面上各点的流速都是相等的。
(×)21、缓坡上可以出现均匀的急流。
(√)22、静止水体中,某点的真空压强为50kPa,则该点相对压强为-50 kPa。
(√)24、满宁公式只能适用于紊流阻力平方区。
(√)25、水深相同的静止水面一定是等压面。
(√)26、恒定流一定是均匀流,层流也一定是均匀流。
(×)27、紊流光滑区的沿程水头损失系数仅与雷诺数有关。
机密★启用前 秘密★启用后 请将所有答案写在报考点提供的答题纸上河海大学2004年攻读硕士学位研究生入学考试试题考试科目名称:水力学一、是非题(每题2分,共20分)1.图为管道流速分布图,从其对应部位取出水体B ,则水体B 底面的切应力方向与水流流动方向相同。
( )2.不论平面在静止液体内如何放置,其静水总压力的作用点永远在平面形心之下。
( )3.如果两个液流中作用于相应点上的相同性质的力的大小成一定比例,且方向一致,则两个液流就是动力相似的。
( )4.同一种管径和粗糙度的管道,雷诺数不同时,可以在管中形成紊流光滑区、粗糙区或过渡粗糙区。
( )5.当2H m =,0.6m δ=,如图所示的建筑物为实用堰。
( ) δ6.棱柱形明渠中形成3M 型水面曲线时,其断面单位能量S E 沿程增大。
( )7.因为各并联支管的长度、直径及粗糙度可能不同,因此在各支管上的水头损失也不相同。
( )8.均匀流的动能校正系数1α=。
( )9.用毕托管测定水槽中某点的流速,实测的应是时均流速u 。
( )10.在平面流动中,两流线之间通过的单宽流量等于该两流线的流函数值之差。
( )二、选择题(每题2分,共20分)1.某一恒定流处于紊流阻力平方区,其沿程水头损失系数λ随雷诺数的增大而 ( )(1)增大 (2)减小 (3)不变 (4)不定2.同一渠道中有1、2两个渠段,其糙率1n <2n ,其他参数均相同。
当通过一定流量时,则两渠段的临界水深1c h 、2c h 和正常水深01h 、02h 的关系分别为 ( )(1)1c h =2c h ,01h =02h (2)1c h =2c h ,01h <02h(3)1c h >2c h ,01h >02h (4)1c h =2c h ,01h >02h3.按普朗特动量传递理论,紊流的断面流速分布规律符合 ( )(1)对数分布 (2)椭圆分布 (3)抛物线分布 (4)直线分布4.在明渠恒定均匀流过水断面上1、2两点安装两根测压管,如图所示,则两测压管高度1h 与2h 的关系为 ( )(1)1h >2h (2)1h <2h (3)1h =2h (4)无法确定 215.设某一平面流动的流函数为233x y y ψ=-,则其流速势函数ϕ为 ( )(1)323x xy ϕ=+ (2)326x xy ϕ=-(3)323x xy ϕ=- (4)ϕ 不存在6. 渠道中出现1S 型水面曲线,则水流为 ( )(1)缓流 (2)均匀流(3)急流 (4)急交流7.若测得两根管道的下临界雷诺数相等,则必须两管的 ( )(1)管径d 相等 (2)液体的粘性系数ν相等(3)管径d 和ν均相等 (4)以上答案均不对8.闸坝下有压渗流流网的形状与下列哪个因素有关 ( )(1)上游水位 (2)渗流系数(3)上下游水位等 (4)边界的几何形状9.明渠均匀流的断面单位能量中,单位势能与单位动能相等,则可判定此水流为 ( )(1)缓流 (2)急流 (3)临界流 (4)无法判定10.平底矩形棱柱渠中闸孔出流下游有一水跃,闸后收缩断面C —C 处水深为01c h ,水流弗劳德数1Fr =012.5t c h h =,该水跃的形式为 ( )(1)临界水跃 (2)淹没水跃 (3)远离式水跃 (4)波状水跃三、作图题(每题5分,共10分)1.定性绘出图示管道的总水头线和测压管水头线(管径为d 常数)。
河海大学2003年攻读硕士学位研究生入学考试试题 考试科目名称:水力学一、是非题(每题2分,共20分)1.紊流过渡粗糙区的沿程水头损失系数λ与雷诺数。
( )2.断面单位能量s E 沿流程总是减小的。
( )3.计算消力池池深和池长时,设计流量一般选择使池深和池长最大的流量。
( )4.渗流的达西定律既适用于层流也适合于紊流。
( )5.在恒定均匀流中,沿程水头损失与速度的平方成正比。
( )6.两个液流在重力作用下的动力相似条件是它们的弗劳德数r F 相等。
( )7.因为各并联支管的长度、直径及粗糙度可能不同,因此在各支管的水头损失也不同。
( )8.均匀流可以是恒定流,也可以是非恒定流。
( )9.流体质点做圆周运动不一定是有旋运动。
( )10.相对压强可以大于、等于或小于零。
( )二、选择题(每题2分,共20分)1.当水流流态从层流转变为紊流后,过水断面上水流动能校正系数α和动量校正系数β将 ( )(1)均增大 (2)均减小(3)α增大、β减小 (4)α减小、β增大2.溢流坝下泄水流收缩断面水深的跃后水深为,此时下游水深为,则形成远离水跃的条件是 ( )(1)2t co h h = (2)2t co h h >(3)2t co h h < (4)无法确定3.渗流模型流速与实际渗流流速相比较 ( )(1)前者大于后者 (2)二者相等(3)前者小于后者 (4)无法比较4.明渠的临界水深决定于 ( )(1)流量和底坡 (2)断面形状、尺寸和底坡(3)流量和糙率 (4)流量和断面形状、尺寸5.均匀流断面和渐变流断面上的动水压强 ( ) (1)均按静水压强规律分布(2)前者按静水压强规律分布,后者不静水压强规律分布 (3)前者不静水压强规律分布,后者静水压强规律分布 (4)均不按静水压强规律分布6.下列哪个条件满足时,明渠水流是缓流 ( ) (1)1r F > (2)1r F = (3)1r F < (4)无法确定7.毕托管可以用来测 ( ) (1)脉动流速(2)时均流速(3)脉动流速(4)脉动压强8.满足/0s dE ds =条件的流动是 ( ) (1)非均匀渐变缓流 (2)非均匀渐变急流 (3)均匀流 (4)临界流9.有压管流,管轴线水平,管径逐渐增大且通过的流量不变,其总水头线沿流向应( ) (1)逐渐升高(2)逐渐降低(3)与管轴线平行(4)无法确定10.雷诺数的物理意义是 ( ) (1)重力与惯性力之比 (2)重力与粘滞力之比 (3)粘滞力与惯性力之比 (4)惯性力与粘滞力之比 三、作图题(每题5分,共10分)1.绘出下列两段不同糙率棱柱形渠道的水面曲线。
(渠道每段都充分长)(>2)i>i cNNNS 2C C2.绘出下列二向曲面的水平压强分布图和压力体图。
四、计算题(本题6小题,共100分)1.粘度测量仪由两个圆筒组成,两筒的间隙充满某种液体。
外筒与转轴连接,其半径为2r ,旋转角速度为ω。
内筒悬挂于一扭丝上,其半径为1r ,扭丝所受的力矩M 可以测出。
外筒与内筒底面间隙为a ,内筒高为H ,如图所示。
试推出该液体的动力粘滞系数μ的计算式。
aωH2.有一锥形容器如图所示,在容器的底部A 处接一U 形水银测压计,当容器没有水时,在A 以下注水后测压计压差读书为19cm ,当容器充满水后,测压计的压差读书又为多少?A19c m3.1mρm水φ2.5mp a3.一泄洪管道直径4d m =,管长2l km =,上游水箱水面管道中心的水头25H m =,沿程水头损失系数0.02λ=,局部水头损失不计,出口用锥形阀控制流量,锥形阀顶角260α= ,如图所示,当锥形阀全开时,求水流对锥形阀的作用力。
(取动能和动量校正系数1αβ==)m4.为了测定AB 管段的沿程水头损失系数λ或糙率n ,可采用如图所示装置。
已知AB 管段长10l m =,管径50d mm =。
今测得实验数据:(1)A ,B 两测压管的水头差为0.8m ;(2)通过管道的流量 2.74/Q l s =;试求该管道的沿程水头损失系数值,并用曼宁公式求其糙率n 。
BA△h5.当流场流速为x u y =,y u x =-时,试判断该流场:(1)是否存在线变形率;(2)是否存在角变形率;(3)是否满足不可压缩液体连续方程;(4)是否存在流函数和势函数若存在请求之。
6.有一长管从水池引水,管长1000L m =,管径0.6d m =,糙率0.012n =,末端与一长面直的矩形棱柱体水力最佳断面渠道相接,如图所示。
渠道糙率0.02n =,底坡0.0016i =,求管道的水头和明渠产生均匀流时的底宽b 和水深h 。
BA1.5河海大学2004年攻读硕士学位研究生入学考试试题考试科目名称:水力学一、是非题(每题2分,共20分)1.图为管道流速分布图,从其对应部位取出水体B ,则水体B 底面的切应力方向与水流流动方向相同。
( )2.不论平面在静止液体内如何放置,其静水总压力的作用点永远在平面形心之下。
( ) 3.如果两个液流中作用于相应点上的相同性质的力的大小成一定比例,且方向一致,则两个液流就是动力相似的。
( ) 4.同一种管径和粗糙度的管道,雷诺数不同时,可以在管中形成紊流光滑区、粗糙区或过渡粗糙区。
( ) 5.当2H m =,0.6m δ=,如图所示的建筑物为实用堰。
( )δ6.棱柱形明渠中形成3M 型水面曲线时,其断面单位能量S E 沿程增大。
( ) 7.因为各并联支管的长度、直径及粗糙度可能不同,因此在各支管上的水头损失也不相同。
( ) 8.均匀流的动能校正系数1α=。
( ) 9.用毕托管测定水槽中某点的流速,实测的应是时均流速u 。
( ) 10.在平面流动中,两流线之间通过的单宽流量等于该两流线的流函数值之差。
( ) 二、选择题(每题2分,共20分)1.某一恒定流处于紊流阻力平方区,其沿程水头损失系数λ随雷诺数的增大而 ( )(1)增大 (2)减小 (3)不变 (4)不定2.同一渠道中有1、2两个渠段,其糙率1n <2n ,其他参数均相同。
当通过一定流量时,则两渠段的临界水深1c h 、2c h 和正常水深01h 、02h 的关系分别为 ( ) (1)1c h =2c h ,01h =02h (2)1c h =2c h ,01h <02h(3)1c h >2c h ,01h >02h (4)1c h =2c h ,01h >02h3.按普朗特动量传递理论,紊流的断面流速分布规律符合 ( ) (1)对数分布 (2)椭圆分布 (3)抛物线分布 (4)直线分布4.在明渠恒定均匀流过水断面上1、2两点安装两根测压管,如图所示,则两测压管高度1h 与2h 的关系为 ( )(1)1h >2h (2)1h <2h (3)1h =2h (4)无法确定215.设某一平面流动的流函数为233x y y ψ=-,则其流速势函数ϕ为 ( ) (1)323x xy ϕ=+ (2)326x xy ϕ=-(3)323x xy ϕ=- (4)ϕ 不存在6. 渠道中出现1S 型水面曲线,则水流为 ( ) (1)缓流 (2)均匀流(3)急流 (4)急交流7.若测得两根管道的下临界雷诺数相等,则必须两管的 ( ) (1)管径d 相等 (2)液体的粘性系数ν相等 (3)管径d 和ν均相等 (4)以上答案均不对8.闸坝下有压渗流流网的形状与下列哪个因素有关 ( ) (1)上游水位 (2)渗流系数 (3)上下游水位等 (4)边界的几何形状9.明渠均匀流的断面单位能量中,单位势能与单位动能相等,则可判定此水流为 ( ) (1)缓流 (2)急流 (3)临界流 (4)无法判定10.平底矩形棱柱渠中闸孔出流下游有一水跃,闸后收缩断面C —C 处水深为01c h ,水流弗劳德数1Fr =012.5t c h h =,该水跃的形式为 ( )(1)临界水跃 (2)淹没水跃 (3)远离式水跃 (4)波状水跃 三、作图题(每题5分,共10分)1.定性绘出图示管道的总水头线和测压管水头线(管径为d 常数)。
2.定性绘图示棱柱形明渠的水面曲线,并注明曲线名称。
(渠道每段都充分长,糙率沿程不变)i 3<i ci 2>i ci 1<ic四、计算题(本题7小题,共100分)1. 有一很窄间隙,高为h ,如图所示,其间被一平板隔开。
平板向右拖动速度为u 。
一边液体的动力粘性系数为1μ,另一边液体动力粘性系数为2μ,计算板放置的位置y 。
要求:(1)平板两边切应力相同;(2)要求拖动平板时的阻力最小。
(10分)μ2μ12. 有一压力储油箱如图所示,其宽度(垂直于纸面方向)2b m =,箱内油层厚1 1.9h m =,油的密度为30980/kg m ρ=,油层下有积水,厚度20.4h m =,箱底有一U 型水银压差计,所测之值如图所示,试求作用在半径1R m =的圆柱面AB 上的总压力(大小和方向)。
(15分)O水油Hg3. 如图所示一管道,当管道通过的流量100/Q l s =,压差计中水银的密度3013600/k g m ρ=,管道的直径由1300d mm =变为2100d mm =,不计水头损失。
求U型水银压差计中的读数h 。
4. 如图所示,将一平板放置在自由射流之中,并且垂直于射流轴线,该平板截去射流流量的一部分1Q 射流的其余部分偏转一角度θ,已知30/v m s =,36/Q l s =,112/Q l s =,不计摩擦力。
试求:(1)射流的偏转角度θ;(2)射流对平板的作用力。
(15分)5. 做沿程水头损失试验的管道直径 1.5d cm =,量测段长度4l m =,水温5T C =(此时水的运动粘性系数20.01519/cm s ν=),试求:(1)当流量0.03/Q l s =时,管中水流的流态;(2)此时的沿程水头损失系数λ; (3)量测段的沿程水头损失f h ;(4)为保持管中水流为层流,量测段的最大测压管水头差12()/p p g ρ-为多少?(20分)6. 设流场224x u x x y =+-,22y u xy y =--,0z u =试问:(1)该流场是否符合不可压缩液体连续方程? (2)旋转角速度ω为多少? (3)流函数的表达式如何? (4)驻点位置的坐标值?(15分)7. 一梯形断面明渠均匀流,已知梯形底宽3b m =,水深0.8H m =,边坡系数 1.5m =,糙率系数0.03n =,底坡0.005i =,水温20T C =(相应的运动粘滞系数),试判断此水流为层流或紊流,急流或缓流?(10分)河海大学2005年攻读硕士学位研究生入学考试试题考试科目名称:水力学一、是非题(每题2分,共20分)1.当液体中发生真空时,其绝对压强必小于1个大气压强。