110KV隔离开关装施工方案0001
- 格式:docx
- 大小:10.71 KB
- 文档页数:4
i贵州云盛矿业有限责任公司110kV开关站工程施工组织设计编制单位:贵州卓源电力工程有限责任公司二○一三年三月批准:年月日审核:年月日编写:年月日目录第一章工程概况 (5)一、工程简介及工程规模 (5)二、工程承包范围 (5)三、工程建筑及结构概况 (5)四、工程特点 (5)第二章编制说明 (5)一、编制依据 (5)二、编制范围 (6)三、工程管理目标 (7)第三章施工部署 (7)一、施工指挥系统 (8)二、资源配置 (10)三、施工准备工作 (11)四、施工总体安排 (12)第四章主要分部分项工程施工方法 (12)一、工程测量及放线 (12)二、基础工程 (14)三、主体结构 (15)四、砌体工程 (18)五、脚手架工程 (19)六、屋面防水工程 (20)七、楼地面工程 (21)八、门窗工程 (22)九、装饰工程 (23)第十节、外饰工程 (25)一、外墙面砖施工 (25)二、电缆沟工程 (26)三、铁件预埋工程 (28)四、构筑物工程 (29)五、开关站预留预埋施工方案及配合设备安装 (29)六、开关站电气设备安装工程 (31)七、重点难点部位施工 (32)八、工程成本控制所采取的措施 (33)第五章施工进度计划与技术组织措施 (33)一、施工进度计划表 (34)第六章施工现场平面布置 (36)第七章达标投产质量保证措施 (37)一、强化工程施工的质量 (37)二、质量保证体系 (38)三、质量管理组织及职责 (38)四、施工过程质量的控制措施 (40)五、本工程施工质量检验的标准 (42)第八章安全生产保证措施 (43)一、安全生产保证体系 (43)二、安全生产制度及安全生产教育 (43)三、安全生产总体管理措施 (44)四、专业(阶段)施工安全技术措施 (45)五、机电设备安全技术措施 (46)第九章文明施工与环境保护措施 (47)一、文明施工管理措施 (47)二、环境污染预防措施 (47)第十章季节施工措施 (48)第十一章工程协调配合 (48)一、土建与安装的内部协调管理 (48)二、与监理工程师的密切配合 (49)三、与业主的密切配合 (50)四、与设计单位的配合 (50)第十二章降低成本措施 (50)一、施工管理措施 (50)二、信息化管理措施 (50)三、技术计划与软件资料管理措施 (51)第十四章善后服务 (51)第一章工程概况一、工程简介及工程规模贵州云盛矿业有限责任公司110kV开关站,本工程位于贵州省镇远县黔东工业园青溪镇,施工单位为贵州卓源电力工程有限责任公司,由贵州天地通科技有限公司、湖南友源工程监理咨询贵州分公司进行工程建设监理。
110kV双柱水平旋转式隔离开关安装施工方案一、工程前期准备1、勘察和设计1.1、地勘在施工前,必须进行详细的地勘工作。
这包括对施工区域的地质、地貌、水文等方面的勘察,以获取相关地质信息,确保施工的安全性和稳定性。
1.2、设计审查对110kV双柱水平旋转式隔离开关的设计方案进行仔细审查,确保其符合国家标准和项目要求。
与设计单位进行沟通,解决可能存在的设计问题,确保施工过程顺利进行。
2、材料准备2.1、材料清单制定详细的110kV双柱水平旋转式隔离开关安装所需的主要材料清单,包括开关设备、电缆、支架、螺栓等。
确保材料的质量符合国家标准,并满足项目的技术要求。
2.2、采购计划制定材料采购计划,明确每一项材料的采购时间、数量、供应商等信息。
与供应商建立有效的沟通渠道,确保材料的及时供应,不影响施工进度。
2.3、供应商选择经过综合评估,选择符合质量、价格和服务要求的合适供应商。
签订合同,明确双方的责任和权利,确保材料的质量和供应的稳定性。
二、地基处理1、地面清理在施工现场进行彻底的地面清理工作,清除杂草、垃圾等障碍物,保持施工区域的整洁。
清理后,对地面进行平整处理,确保地基施工的平稳进行。
2、地基勘测进行详细的地基勘测,获取地基的土质和承载能力等信息。
根据勘测结果,制定合理的地基处理方案,确保地基的稳定性和承载能力满足110kV双柱水平旋转式隔离开关的安装要求。
3、地基加固根据地基勘测结果,对需要加固的地基进行处理。
采用合适的加固措施,例如灌浆、搅拌桩等方式,提高地基的承载能力,确保开关设备安装后的稳定性。
4、基础标高控制进行基础标高的控制,确保基础的高程符合设计要求。
通过精确的测量和调整,保障110kV双柱水平旋转式隔离开关的主体结构安装后的水平和垂直度。
5、地基验收在地基处理完成后,进行地基的最终验收。
通过地基质量检测,确保地基处理的效果符合相关标准和设计要求,为后续的基础施工提供可靠的基础支撑。
三、基础施工1、浇筑混凝土基础进行混凝土基础浇筑前,确保模板的正确搭建,符合设计要求。
目录1.工程概况 (1)2.施工前应具备的条件 (1)3.施工机械及工器具的配置 (2)4.劳动力配置 (2)5.质量目标 (2)6.施工工序及施工方法 (3)7.工序质量及工艺标准 (4)8.职业健康安全目标 (5)9.作业危险点分析及控制措施 (6)10.文明施工及环境保护目标 (7)11.环境因素分析及控制措施 (8)12.成品保护保护措施 (9)13.施工技术资料和质量检查验证 (9)1.工程概况1.1工程名称、施工地点和施工范围本作业指导书适用于伊吾天润淖毛湖一期49.5MW风电工程110kV升压站内隔离开关的安装与调整。
施工范围为全站110kV区域GW4A型隔离开关安装调整。
1.2工程特点本工程中110kV配电装置区隔离开关采用GW4A-126IIDW, GW4A-126IDW型两种型号。
1.3编制依据1.3.1《建设工程项目管理规范》(GB/T 50326-2006)。
1.3.2《输变电工程建设标准强制性条文实施管理规程》(Q/GDW248-2008)1.3.3《电气装置安装工程高压电器施工及验收规范》(GB 50147-2010)1.3.4《国家电网公司十八项电网重大反事故措施》(2012年版)1.3.5《国家电网公司基建安全管理规定》国家电网基建[2010]1020号1.3.6《输变电工程安全文明施工标准》(QGDW-250)(2009年版)1.3.7《电力建设安全工作规程》(变电所部分)(DL 5009.3-2013)1.3.8《施工现场临时用电安全技术规范》(JGJ 46-2005)。
1.3.9《国家电网公司输变电工程施工危险点辨识及预控措施》(试行)(2005年版)1.3.10施工图《110kV配电装置安装》(65-NA02021S-D0102)。
1.4主要工作量安装位置隔离开关型号单位数量110kV配电装置区GW4-126ID(W)/1250A型,单接地组 3 GW4-126IID(W)/1250A型,双接地组 22.施工前应具备的条件2.1隔离开关构支架已交接验收。
隔离开关安装施工方案一、编制依据1、本工程220kV XXXX变电站电气安装工程的有关设计图纸;2、《电气装置安装工程高压电气施工及验收规范》(GBJ147-90);3、XXXXXXXX公司颁发的《质量保证手册》及《程序文件汇编》;4、制造厂提供的《隔离开关安装使用说明书》;5、《电力建设安全工作规程》(变电所部分DL5009.1-2002);6、本工程编制的《施工组织设计》。
7、《110kV~500kV送变电工程质量检验及评定标准》(Q/CSG 1 0017.3-2007)二、作业准备条件1、施工准备(1)技术准备:参与施工的人员必须先熟悉隔离开关有关资料经及产品安装使用说明所书,由技术人员对其进行技术培训,质检员组织考试,成绩合格后方可上岗。
(2)人员准备:成立隔离开关安装小组,每一小组由4人组成,技术员、质检员各1名,熟练技工2人,(3)工器具准备:(4)施工现场清理及布置:清理施工现场杂物,平整好施工车辆施工及设备组装场地。
2、基础复核用经纬仪、钢尺复测隔离开关构架基础中心距离及高程是否与设计一致,并填写技术复核记录表。
由质检员对基础质量进行检查,质量合格方可进行下道工序施工。
基础质量标准:(1)设备支柱中性线位置误差不大于10mm。
(2)设备支柱倾斜度不大于2%。
(3)设备支柱相对高差不大于10mm。
3、开箱检查在厂方、业主、监理及施工单位四方人员同时在场时,对设备进行开箱检查,主要检查如下项目:(1)首先清点包装件数与到货清单是否相符,产品包装是否完整无损,隔离开关所有部件、附件、备件齐全,无损伤变形及锈蚀;(2)瓷件无裂纹及破损;(3)技术资料、图纸以及专用工具是否齐全;(4)填写设备开箱检查记录表格,开箱记录表格附后。
三、隔离开关安装调试及工艺要求1、底座安装(1)检查每组隔离开关上的每个下部座安置,驱动座应在中间,从动座应在两侧。
(2)用水平仪检验所有的转动盘,特别是下转动盘,确认绝缘子的支架在两个直角方向都为水平。
高压隔离开关施工方案1 依据的标准及技术文件1.1 《电气装置安装工程高压电器施工及验收规范》GBJ147-90。
1.2 《电气装置安装工程电气设备交接试验标准》GB 50150-91。
1.3 《电力建设安全工作规程》(变电所部分)DL5009—3—97。
1.4 《电力生产事故调查规程DL558—94》。
1.5 国家电力公司《电力建设安全健康与环境管理工作规定》。
1.6 供方提供的产品说明书。
1.7 设计图纸。
2 项目实施策划2.1 项目实施前应确认2.1.1 确认项目范围(隔离开关台数、安装位置)。
2.1.2 确认供方提供产品的技术参数、性能、特点的符合性。
2.1.3 确定项目实施日期、进度控制计划(横道图或网络图)。
2.1.4 确认顾客及相关方的其他要求。
3 项目实施资源配置3.1 人力资源3.1.1 确定作业组织单位、人员职责。
3.1.2 过程操作应由经过培训、持证的技术工人担任,其工作负责人应由技术人员或高级技术工人担任。
3.1.3 作业人员数量配置应保证该项目有效实施。
3.2 技术资源3.2.1 过程应获得表述产品特性的信息(隔离开关安装说明书)。
3.2.2 过程应获得表述产品安装的信息(设计安装图纸)。
3.2.3 项目质量计划。
3.2.4 作业指导书。
3.2.5 作业技术交底273.2.5.1 项目技术交底应在作业前3天进行。
3.2.5.2 项目技术交底应具有实施证据。
3.2.6 安全措施3.2.6.1 进入现场作业区的人员必须正确佩带安全帽,正确使用个人劳动防护用品。
3.2.6.2 对参加项目施工的作业人员,在作业前必须进行安全技术交底。
3.2.6.3 所使用的工器具,都应符合技术标准,并应在使用前进行外观检查,不合格者严禁使用。
3.2.6.4 施工前由技术负责人或施工负责人填写安全工作票,安全负责人审查,队长签发。
施工负责人必须每日在开始工作前宣讲安全工作票,安全负责人监督执行。
工程名称:纳雍电厂4×300MW机组新建工程名称:110KV配电装置隔离开关安装编制单位:电自工程处编制人:专职工程师:施工管理科:质量管理科:安全管理科:总工程师:贵州电力建设第一工程公司纳雍电厂项目分公司编制时间2002 年 4 月12 日-目录1.编制依据2.概况和特点、范围3.施工进度计划4.作业条件5.劳动力计划6.机工具配备7.材料、设备要求8.操作工艺流程9.施工作业程序、施工方10.质量标准。
11.安全措施12.记录表格及附表1.编制依据1.1.贵州电力设计院施工图52-F067S-D0201《110KV屋外配电装置》。
1.2.《火电施工质量检验及评定标准》第五篇:电气装置。
1.3.《电气装置安装工程高压电器施工及验收规范》GBJ147-90。
1.4.《纳电厂项目工程电气专业施工组织设计》。
1.5.《电力建设安全工作规程》。
1.6.《安全文明施工手册》。
1.7.《贵州电力公司关于实现安全文明施工的若干意见》二、概况和特点、范围。
本工程110KV配电装置内共设计有10组隔离开关,其中GW4-126ⅣD(W)/1250 1250A 组,GW4-1250ⅣⅡD(W)/1250 1250A 组。
其分布情况为:GW4-126ⅣD(W)/1250 1250A :滥坝Ⅰ回;2组。
滥坝Ⅱ回;2组。
内桥间隔;2组。
GW4-126ⅣⅡD(W)/1250 1250A :滥坝Ⅰ回;2组。
滥坝Ⅱ回;2组。
3.施工进度计划。
4.作业条件。
4.1.110KV配电装置土建工作结束,并已进行中间移交。
4.2.进出110KV配电装置的道路通畅,起重及运输车辆能顺利通过。
4.3.设备开箱清点,零部件齐全,机械部分无严重损伤锈蚀,瓷部件无掉瓷裂纹。
技术资料齐全。
5.劳动力计划。
6.机工具配备。
6.1.铁水平尺:500㎜一把6.2.线锤一付6.3.型材切割机;400㎜一台6.4.电焊机;交流一台6.5.钢皮尺:20米一把6.6.台虎钳:转盘式一台6.7.钢卷尺:3米两把6.8.台钻;30㎜一台6.9.梅花扳手:17*19,20*22 各二把6.10.扳手:10寸,12寸各二把6.11.一字螺丝刀:100㎜,200㎜各二把6.12.撬棍五根6.13.圆头锤二把6.14.磨光机:100㎜一台6.15.钢锯一把6.16.砂轮机;200㎜一台6.17.火焊割刀一付7.材料、设备要求。
110kV变电站电气隔离开关安装施工技术摘要:变电站的电气隔离开关作为变电站设备的重要构筑,对于提高电力运行的质量,保证电力安全具有十分重要的意义。
基于此,本文作者简单介绍了110kV变电站电气隔离开关安装施工技术存在的问题以及相应的改进措施,希望能够为变电站隔离开关的安装提供相应参考。
关键词:变电站;电气隔离开关;安装引言由于人们生活水平的提高,对于日常电力的需求也变得更大,因此只有充分保证供电的高效性和稳定性,才能保证城市的高效运作,进而保证我国经济的快速发展。
在电力供应的同时,保证供电安全以及供电的稳定性是电力企业必需重视的问题,当前社会对供电需求在逐渐增大,有效保证供电网络的安全是电力企业应该重视的。
变电站是电力网络中重要的一部分,而电气隔离开关同样是变电站运行中不能缺少的重要部件,其在变电站运行中所发挥的作用是其他部件都不能替代的,电气隔离开关也直接影响着整个电网的稳定运行,所以在安装电气隔离开关的时候要将各种因素都考虑在其中,采用科学合理的安装技术,提高安装施工质量,让变电站能够安全运行。
1 110kV变电站电气隔离开关安装施工由于变电站电气开关的内部构造较为复杂,且其受到环境的影响较大,因此只有科学合理进行设置才能有效保证隔离开关的质量。
本文作者以GW16型隔离开关为例,通过对变电站隔离开关的施工工艺进行分析。
图1 变电站电气安装施工图2 GW16型隔离开关1.1母线触头的安装悬挂母线是一种常用于电气隔离开关的母线。
根据其本身的适用范围将其分成 A型、B型。
一般来说,A型只能应用于双排母线的安装过程,B型适用于双排型母线的安装过程中,同时其本身也适应于单排母线的安装。
A型触点的选择确保了静态接触杆的水平状态在设备运行期间得以保持,但安装过程相对麻烦,需要四个单T形夹具和两根电线进行压接,同时只有B型触点需要压接1个夹子。
同时,B型静触头的静触头长度较大,需要设置成梯形,以保证触头在重复操作后能保持位置稳定。
110KV屋外配电装置安装方案
1、本期110KV为1回出线,采用单母线接线方式,屋外软母线半高型布置,选用LGJ-185/30钢芯铝绞线,本期安装,主变压器,间隔布置SF6断路器各1台,隔离开关各1组,进线采用LGJ-185钢芯铝绞线架空至线路。
2、由于110KV本配电装置为屋外半高型布置,故设备的吊装可用汽车吊进行吊装。
3、隔离开关基础采用薄铁片找正垫平,安装采用倒装法,三相连杆(水平杆)根据现场实际尺寸制作,隔离开关的调整按厂家说明书要求进行,并达到产品的技术规定及规范要求。
4、F6断路器的吊装方式采用自下而上分件吊装,断路器的调整按厂家说明书要求进行,并达到产品的技术要求及规范要求。
安装前核对断路器,隔离开关中心线及标高,所有的设备支架及予埋件的基础尺寸,土建尺寸是否与电气安装图纸相符,如误差较大,需要对基础进行修正后,方能施工。
5、隔离开关安装程序:
施工准备→核对土建尺寸→开箱检查→主体安装→操作机构安装→操作连杆安装→静触头安装开关调整→整体操作→电气试验。
6、SF6断路器安装程序:
施工准备→核对土建尺寸→开箱检查→底座及机构箱安装→支持瓷套及绝缘拉杆安装→灭弧室安装→均压电容器安装液压机构安装→SF6气体检漏→断路器调整→电气试验。
7、钢芯铝绞架空线安装程序:
施工准备→测量、放线、下料→压接→组合安装→引下线安装。
我们编制本作业指导书基本思路是:“瞄准一个目标,抓好两个关键,建立三个网络,强化四个程序”。
瞄准一个目标:创优质工程;抓好两个关键:工程安全、质量控制关键和工程进度控制关键;建立三个网络:施工组织网络、安全控制网络和质量保证网络;强化四个程序:施工工序管理程序、技术和工艺管理程序、材料设备监督检查程序和工程信息管理程序;2、施工人员及施工工机具配备2.1施工人员组织∶2.1.1现场负责: 1人2.1.2现场技术员 1人2.1.3安装负责: 1 人2.1.4起重指挥: 1 人2.1.5材料工具员: 1 人2.1.6现场安全员: 1 人2.1.7安装技工: 4人2.1.8起重工: 2 人2.1.9辅助工: 8人2.2工器具及辅助材料配备:2.2.1 隔离开关安装工器具清单见附录13、隔离开关安装准备工作3.1施工准备3.1.1由技术负责人编制作业指导书,报公司总工批准以后执行。
3.1.2根据作业指导书、设计图纸、三明电业局关于110kV隔离开关安装间隔的相关资料对施工人员进行安全及技术交底。
3.1.3根据工程现场具体情况,合理布置现场,确定工机具、附件等堆放位置。
3.1.4核算吊装方案,选择抱杆等相关参数,其安全系数应符合《电力建设安全工作规程》规定。
3.1.5明确专业负责人及施工人员,落实岗位责任及权利范围。
3.1.6组织施工人员学习产品说明书、图纸及有关资料,熟悉产品结构尺寸及安装要求。
3.1.7 准备好施工安装记录、试验报告表格。
3.1.8 复核基础水平误差及中心线位置,应与设计相符。
3.1.9安装工作应在晴好的天气的环境中进行。
3.2准备施工工器具、仪器仪表及辅助材料(见附录清单)。
3.3 隔离开关设备及附件开箱检查验收应对备品备件等进行清点,作好记录并妥善保管,如有缺损,及时上报解决。
3.3.1隔离开关所有部件在装卸时注意避免猛烈撞击。
3.3.2按装箱单检查实际运到的零部件是否齐全,有无发现异常并作开箱验收报告。
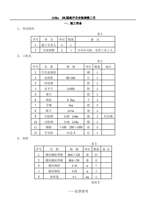
110kv GW隔离开关安装调整工艺4一、施工准备1、劳动组织2、工机具3、续表3二、操作程序①按产品的技术规定调整好开关的相间距离,并保证各单极开关的底架相互平行、各接地刀转轴同心。
②检查各支柱绝缘子是否垂直于底架,否则应用制造厂提供的垫片进行调整,调整后的支柱绝缘子,在开关合闸后,其动触头与触指间的距离应符合产品规定。
③调整各交叉连杆的长度及分合闸止钉的位置,使各开关的分合闸角度均达到产品的技术规定。
(4)主刀装配调整①将开关全部置于合闸位置,安装可调连接头,并将其螺母拧至螺杆的中间位置,如图-2所示。
②分别测量各相间水平连杆长度,下料后连杆两端分别焊上正、反向螺纹连接头。
③装上水平连杆,进行推拉操作,检查三相分合闸角度及同期;不符合规定时,可分别调整水平连杆及交叉连杆的长度,直至满足要求,调好后打开开口销。
④由开关分合闸拐臂转轴中心引出一铅垂线,检查调整操动机构转轴与拐臂转轴同心,拧紧机构固定螺栓。
⑤分别在两个转轴上安装轴套,轴套距转轴根部的距离不应小于10 mm。
拧紧轴套后,作出标记,测量垂直连杆长度并下料。
图-2 110kv GW4隔离开关配CS14(⑥卸下拐臂转轴和操动机构,分别在各主轴与轴套销钉孔对应处配钻φ铆死。
⑦先将拐臂侧轴套与垂直连杆焊好,然后装回拐臂转轴(带连杆)和操动机构,⑧将开关及操动机构置于合闸位置,先用点焊把垂直连杆与机构侧轴套焊牢;然后操作机构手柄进行分合闸检查,并调整有关连杆长度,使分合闸角度及同期达到要求,然后焊牢机构侧轴套。
反之,则应敲开点焊处重调。
(5)主刀传动调整①进行分合闸操作,细调相间水平连杆及合闸传动杆,以及相关的交叉连杆,在刀闸的分合闸角度及同期符合要求后,拧紧所有可调连接头的锁紧螺母,撇开开口销。
②分别在刀闸处于分位或合位状态下,调整分合闸止钉,使之符合规定。
③用0.05mm×10mm塞尺检查触头与触指两侧的接触压力,正常情况下应塞不进去,且两侧压力均匀。
110kV某某站110kV17组隔离开关常规检修(规范化检修专项)-等3个项目110kV某某站110kV3组隔离开关、2组断路器、#2主变B修(2016年5月停电计划)施工单位;某某公司编制日期:2016年5月110kV某某站110kV3组隔离开关、2组断路器、#2主变B修方案审批表风险等级:IV级施工单位、监理初步审批表施工方案及安全风险评估报告审批表(一)目录一、概述 (3)1.编制依据 (3)2.施工执行标准 (3)3.工程概况 (3)3.1. 工程的必要性 (3)3.2. 土建部分 (4)3.3. 电气施工部分 (4)4.主要风险概述 (4)二、风险评估及控制 (4)1.作业风险分析与控制 (4)1.1. 风险分析与控制 (4)2.2.2环境与职业健康风险分析与控制 (7)三、施工组织 (9)1.项目人员组织架构 (9)1.1. 业主单位管理组织 (9)1.2. 现场施工人员组织 (9)2.职责划分 (9)2.1. 业主单位管理组织职责 (9)2.2. 施工单位现场人员职责 (10)四、施工总体计划 (11)1.施工进度计划安排 (11)1.1. 工程总体进度计划图及施工步骤 (12)2.施工工器具清单 (12)五、施工技术措施、过程控制及验收要求 (16)1.施工技术、资料准备 (16)2.具体施工方法(专项技术措施及现场施工过程控制) (15)3.质量控制措施及检验标准 (17)3.1. 质量控制措施 (32)4.通用技术措施 (41)5.验收标准 (42)六、施工安全及技术措施 (42)1.1.通用安全措施 (42)1.2.专项安全及技术措施.................................. 错误!未定义书签。
1.2.1. 停电设备安全措施................................ 错误!未定义书签。
停电工作内容:110K V仁都线17021刀闸B修. (43)1.3.特殊工种安全措施 (44)1.3.1. 高空作业特种作业工: (44)1.4.施工用电安全措施 (44)2. 现场文明施工与环境保护 (44)3. 事故应急处置要求 (45)3.1.总则 (45)3.1.1. 编制的目的: (45)1.1. 编制的依据: (45)1.2. 事件的处置原则: (45)3.2.组织机构和职责 (46)3.3.应急响应 (47)3.4.应急保障措施 (49)3.5.应急物质保障 (49)3.6.应急教育、培训和演习 (50)3.7.应急后期处置 (50)一、概述1.编制依据根据广东电网有限责任公司某某供电局变电管理所2016年修理工程中对工程项目管理的相关要求,及110kV某某站110kV17组隔离开关常规检修(规范化检修专项)等3个项目施工工程施工设计的相关要求,为缩短停电时间、确保该工程能有序开展,按期、安全完成,我公司特拟定本施工方案,整个施工过程将严格按本施工方案进行。
目录1.工程概况2.施工前应具备的必要条件3.施工机械及工器具配置4.劳动力配置5.质量目标6.施工工序及施工方法7.工序质量及工艺标准8.职业健康安全目标9.作业危险点分析及控制措施10.安全文明施工及环境保护目标11.环境因素分析及控制措施12.成品保护措施13.施工完成后应交付的资料1.工程概况1.1施工地点及名称、范围本作业指导书适用于大唐柴窝堡风电场一期49.5MW工程110kV升压站中的隔离开关的安装与调整。
施工范围为本工程110kV:GW4-126/1250A型、GW4-126/630A隔离开关安装调整。
1.2工程特点本工程中110kV隔离开关采用GW4-126型;隔离开关针对不同的使用位置,隔离开关设计选用的形式亦不同。
1.3编制依据1.3.1《大唐柴窝堡风电场一期49.5MW工程110kV升压站施工组织设计》1.3.3 施工图《110kV屋外配电装置安装》1.3.5《新疆电力建设公司质量体系文件》(Q/XDJ—1-GCB-ZLCX-2005)1.3.6《电气装置安装工程高压电器施工及验收规范》(GBJ 147)1.3.7《电力建设安全施工管理规定》2005年版1.3.8《输变电工程达标投产考核标准》(2005年版)1.4主要工作量2.1隔离开关构支架已交接验收。
2.2设备基础槽钢安装完毕、槽钢上底座眼、孔已全部完成。
2.3施工工机具已准备妥当,施工场地清理满足安装施工条件。
2.4设备已运达现场,经监理、等多方开箱检查,附件清点合格。
2.5进行技术及安全交底。
2.6检查隔离开关型号及台数应符合设计。
3.施工机械及工器具及人员的配置5.1 隔离开关分项工程检验项目合格品率100%。
5.2工序检验项目质量标准5.2.1底座水平误差≤2mm,5.2.2底座中心距离误差(三相)≤5mm,5.2.3底座中心距离误差(分相)≤10mm;5.2.4底座相间高度误差(三相)≤2mm;5.2.5底座相间高度误差(分相)≤5mm;5.2.6基座与基础垫铁片数≤3mm;5.2.7传动部分检查灵活无卡阻;5.2.8瓷绝缘外观检查清洁无损伤;5.2.9传动装置定位螺钉间隙检查防止拐背过死点;5.2.10防松件外观检查螺帽拧紧开口销打开;5.2.11导电部分可挠连接检查无折损;5.2.12分闸角度或开闸距离测量值符合厂家技术要求;5.2.13导体接触面外观检查符合规范;5.2.14设备连线及接地检查符合规范;5.2.15三相连动的同期误差值符合规范;5.2.16合闸后触头相对位置符合厂规;5.2.17合闸后触头备用行程值符合厂规;5.2.18加热装置检查完好无损;5.2.19闭锁装置检查牢固、可靠;5.2.20等级评定应合格。
1. 工程概况1.1工程(系统或设备)概况本工程为110kV锦屏变扩建变电站工程,工作内容包括:设备开箱及附件清点、单相安装、操动机构箱安装、连杆等附件安装、隔离开关调整、接线及试验等。
为了确保安装工作的质量和安全,特制定本方案。
本方案为110kV隔离开关安装施工方案。
2. 编制依据2.1《电气装置安装工程高压电器施工及验收规范》2.2《电业安全工程规程(发电厂及变电所电气部分)》2.3《电力建设安全工作规程(变电所部分)》2.4《变电站安健环设施标准》2.5《电力设备预防性试验规程》2.6《110kV~500kV送变电工程质量检验及评定标准第2部分:变电电气安装工程》2.7《南方电网工程施工工艺控制规范》2.8《中国南方电网公司十项重点反事故措施》2.9本次工程施工承包合同3.作业流程4.安全风险辨析及预控4.1工作前安全风险辨析及预控措施表5.作业准备5.2主要工器具及仪器仪表配置6. 作业方法6.1施工准备6.1.1技术准备:按规程、生产厂家安装说明书、图纸、设计要求及施工措施对施工人员进行技术交底,交底要有针对性。
6.1.2人员组织:技术负责人、安装负责人、安全质量负责人和技术工人。
6.1.3机具的准备:按施工要求准备机具,并对其性能及状态进行检查和维护。
6.1.4施工的材料准备:槽钢、钢板、螺栓等。
6.2设备开箱检查设备开箱应会同监理、业主及厂家代表根据装箱清单清点设备的各组件、附件、备件及技术资料是否齐全,检查设备外观是否有缺损,发现的缺件及缺陷应做好记录并通知厂家处理。
6.3单相安装6.3.1垂直断口隔离开关安装,先将底座装配用螺栓固定在基础上,固定时应注意放置好斜垫圈,且将带铭牌的底座装配放在中间相,将主刀闸用吊机吊起,然后用人工扶起上节支柱瓷绝缘子和旋转瓷绝缘子,用螺栓固定,组装完上节绝缘子后再将下节瓷绝缘子扶起组装,全部组装完毕后吊装在底座装配水平上,用螺栓紧固。
6.3.2双柱式水平断口隔离开关则分相吊装至安装位置。
110kV桂花变电站扩建工程隔离开关安装施工方案批准:审核:编写:广州南方电力建设集团有限公司日期:二零零六年三月概述一、目的:刀闸安装施工方案是在根据《电气装置安装工程施工及验收规范》的技术项目和实践经验并结合本公司实际安装工程项目和桂花站刀闸有新设备和旧设备而制定。
二、设备安装的注意事项:1、在设备安装过程是应遵守《电业安全工作规程》和有关《电气装置安装工程施工及验收规范》的规定。
2、在工作前应对参与此工作的相关人员交待安全注意事项做好足够的安全技术措施及小心设备的碰损。
三、隔离开关的安装作业流程、注意事项及验收项目:(1)、刀闸安装流程:首先土建已经竣工,隔离开关的基础已完成;吊装前定好各相在基础的位置(按图纸设计要求定位)。
第一、支柱绝缘子和底座组装及调整:吊装前,把各相刀闸支柱绝缘子装到轴承底座的转台上固定;组装后用吊车把各相刀闸安装到已定好的基础上,测量各相间距离满足设计要求,之后用水平尺观测各相可在基础底下垫薄片使其达到水平,水平调完后复测相与相之间距离始终满足;同时用铅锤法调节绝缘子,可通过在绝缘子底下塞垫片使其保护垂直。
(而220kV 的瓷瓶有上、下两节用螺栓连接起来;中间瓷瓶为旋转瓷瓶把旋转瓷瓶装开转台上,而支撑瓷瓶装到底座两端;把触头导电杆及配件安装到三相旋转瓷瓶上固定;而静触头及配件分别安装到每极底座两端的支撑瓷瓶上固定。
如果带接地刀,则把静触头配件换上带接地刀的静触头的触架)第二、主刀操动机构、地刀操作机构安装:在主刀操作拐臂转轴吊一个小圆锥,调整主刀操动机构方位使机构输出轴与主刀拐臂出轴垂直成一直线;地主刀操作机构定位后用槽钢通过烧焊固定箱体;地刀操作机构箱的安装方法与主刀机构箱一样不再叙述。
在安装机构箱过程要保证其水平和垂直,可通过水平尺观测;机构箱一般安装高度是离地面1~1.3米。
第三、转轴、接地刀闸组装:在装前应先拉线调整支架的三相同轴度,调整后将支架上紧螺丝固定;安装时在转动部位、地刀触头部位涂润滑脂,接着就把地刀转轴装到支架上,把接地闸刀装到转轴的部件的夹件中。
110kV刀闸技改施工安全技术组织措施一、工程概况:1。
1 工程名称:110kVXX变110kVⅡ段刀闸技改1.2 工程规模:①由于#2主变17B1刀闸、#2主变中性点刀闸17B8、内桥17M1刀闸、110KvⅡ段PT刀闸17M4 共四组刀闸非完善化产品,且经常出现发热,此次安排对这两组刀闸进行技改本次隔离开关技改的内容是:隔离开关所有安装的零部件拆除,端子箱更换及部分二次回路改造(含敷设电缆)等。
拆下110kV旧隔离刀闸运往指定场地摆放1。
3 设计技术交底①本次大修的隔离开关为户内布置,其基础槽钢应采用不少于两根—60*6扁钢在不同地点与主接地网相连接。
②本设计的安装图系由厂家提供的电子版图纸绘制,安装单位在现场施工时应对到货设备与设备安装图进行核对尺寸后方可进行安装。
③本工程为技改工程,新装的电缆在经过老电缆沟,原有防火设施可能被破坏,届时必须予以修复。
④本期施工时需要认真核对现场,若设计图纸中出现某些与现场不符的情况,则请现场施工时施工单位需注意各图纸说明并结合现场实际情况认真核对后接线。
施工单位在现场施工时如对设计图纸中的接线有改动,则请做好记录并及时联系设计单位。
二、施工组织措施(1)施工组织机构的设置2.1。
1 筹建单位:供电有限公司项目负责人:2。
1。
2施工管理单位:电力工程有限公司项目负责人:施工班组:工程队项目负责人:工作负责人:安全员:工作班人员:2.1.3 现场监理:监理咨询有限公司2.1。
4 设计单位:设计院2。
2。
1施工技术资料准备本工程电气部分图纸由建设单位提供3份图纸,用于施工组技术负责人1份,施工班组1份,竣工图1份。
2。
2.2施工技术工作准备施工前技术人员必须预先熟悉电气安装施工图,审核图纸,发现问题应及时与建设、监理沟通,必要时通过工程联系单通知设计院;参加施工图会审,并对施工人员进行技术交底。
开工前工程施工技术管理组必须对全体人员进行安全及技术交底,熟悉设备现场状况、安全措施、带电部位及危险点。
110kV 桂花变电站扩建工程
隔离开关安装施工方案
批准:
审核:
编写:
广州南方电力建设集团有限公司
日期:二零零六年三月
概述
目的:
刀闸安装施工方案是在根据《电气装置安装工程施工及验收规范》的技术项目和实践经验并结合本公司实际安装工程项目和桂花站刀闸有新设备和旧设备而制定。
设备安装的注意事项:1、在设备安装过程是应遵守《电业安全工作规程》和有关《电气装置安装工程施工及验收规范》的规定。
2、在工作前应对参与此工作的相关人员交待安全注意事项做好足够的安
全技术措施及小心设备的碰损。
三、隔离开关的安装作业流程、注意事项及验收项目:1)、刀闸安装流
程:
首先土建已经竣工,隔离开关的基础已完成;吊装前定好各相在基础的位置(按图纸设计要求定位)。
第一、支柱绝缘子和底座组装及调整:
吊装前,把各相刀闸支柱绝缘子装到轴承底座的转台上固定;组装后用吊车把各相刀闸安装到已定好的基础上,测量各相间距离满足设计要求,之后用水平尺观测各相可在基础底下垫薄片使其达到水平,水平调完后复测相与相之间距离始终满足;同时用铅锤法调节绝缘子,可通过在绝缘子底下塞垫片使其保护垂直。
(而220kV 的瓷瓶有上、下两节用螺栓连接起来;中间瓷瓶为旋转瓷瓶把旋转瓷瓶装开转台上,而支撑瓷瓶装到底座两端;把触头导电杆及配件安装到三相旋转瓷瓶上固定;而静触头及配件分别安装到每极底座两端的支撑瓷瓶上固定。
如果带接地刀,则把静触头配件换上带接地刀的静触头的触架)第二、主刀操动机构、地刀操作机构安装:
在主刀操作拐臂转轴吊一个小圆锥,调整主刀操动机构方位使
机构输出轴与主刀拐臂出轴垂直成一直线;地主刀操作机构定位后
用槽钢通过烧焊固定箱体;地刀操作机构箱的安装方法与主刀机构箱一样不再叙述。
在安装机构箱过程要保证其水平和垂直,可通过水平尺观测;机构箱一般安装高度是离地面1~1.3 米。
第三、转轴、接地刀闸组装:
在装前应先拉线调整支架的三相同轴度,调整后将支架上紧螺丝固定;安装时在转动部位、地刀触头部位涂润滑脂,接着就把地刀转轴装到支架上,把接地闸刀装到转轴的部件的夹件中。
(而220kV 刀闸把接地刀配件装到隔离开关底座两端)第四、主刀、地刀调试:
1)主刀调试:先把主刀三相的插入深度调节产品所要求的范围:110 kV 要求(10士2mm)、(220kV 要求(70士2mm)),可通过调节触指导电管的长短实现,调节中要用水平尺观测保持触头、触指导电管的水平;用主刀操动杆把操作相与主刀操动拐臂连接, 把主刀操作相接触调节良好, 调节操作的灵活性, 可调节主刀操动杆的长短实现,使主刀操动杆和主刀操动拐臂分、合闸符合产品的分、合闸要求, 可调节主刀操动杆的长短实现;最后用镀锌水管把主刀操作动拐臂输出轴与主刀机构箱出轴连接以及用主刀三相连杆把三相连接起来,调节主刀三相同期,使其符合产品的同期要求,可调节主刀三相连杆、单极连杆以及在瓷瓶底下垫垫片达到三相同期。
(相对于220kV 刀闸调节导电杆支架的螺母调整导电杆的整体高度,使触头与触指能接触到位;三相连杆同样安装在三相转动瓷瓶,但传动是经中间旋转瓷瓶底座内的拐臂、连杆与机构的主轴连接带动转动瓷瓶而转动。
)
地刀调试:把主刀分开,在地刀三相还没有连接前,先调节各相地刀分、合灵活性,用手推动地刀杆使之合闸,留意分、合是否过松或过紧;用地
刀操动杆把操作相与地刀操动拐臂连接, 使地刀操动杆和地刀操动拐臂分、合闸符合产品的分、合闸要求,可调节地刀操动杆的长短实现;地刀动触头插入触指深度为10士2m(m220kV 刀闸的接地的地刀触头插入触指的深度为40mm (40+10)mr)最后用地刀三相连杆把各相地刀连接起来, 调试操作灵活性及三相的期;在地刀调节地刀同时调节地刀的分合闸限位机构限位间隙留
1~2mm。
2)、刀闸注意事项:1、在开关、刀设备比较重,吊装时吊臂下不准站立任何人,检查所用的吊具是否安全可靠,还须设专门监护人监视吊装情况。
2、吊装前应仔细检查元器件是否齐全及损伤。
3、在搬动或吊装设备时,应注意设备的摆动以免碰损设备,特别是薄弱而又重要部位。
4、在调试刀闸时,应注意限位间隙不要调得过大或过小,造成机构过死点合闸后不能分闸或合不了闸,不能保持在合闸状态。
5、在安装部件和紧螺丝过程中要注意拿紧工具,避免碰损瓷瓶。
6、在雨水及大雾天气时不应进行开关,刀闸设备的吊装。
7、刀闸安装完毕后,还要对各相刷相应的标志色。
3)、刀闸验收项目:1、油漆应完整无漏刷,相色标志正确,接地良好。
2、刀闸表面应清洁、完好无损。
3、螺丝应紧固无松动,紧固后螺丝凸出至少3 扣。
4、底座与基础间的垫片数不超过3 片。
5、刀闸合闸时三相不同期。
6、机械闭锁装置是否可实现相互闭锁,灵活灵活可靠。
7、有烧焊的地方,焊接是否稳固并应有刷油漆。
8、主闸刀、接地闸刀在合闸位置应接触良好,合闸后的位置应满足产品要求。
9、操作机构、传动装置进行分合闸操作时应灵活无卡阻。
10、导体接触面应接触良好,用0.05 X 10mm的塞尺检查,线接触
的应塞不进去;面接触的塞尺塞入深度不超过4mm (接触面为50mm及以下者)或6 mm (接触面为60mm及以上者)。
11、分闸、合闸位置指示应正确,刀闸底架明显位置装有铭牌。
12、所有轴销及有相对运动的部位应涂合气候的润滑脂。
13、主闸刀在分闸时,分开距离应满足产品要求。
14、地刀三相联杆、地刀闸刀杆、垂直连杆应涂以黑色油漆。
110KV 桂花变电站项目部
二OO六年三月。