2j-x柱塞式计量泵
- 格式:pdf
- 大小:155.73 KB
- 文档页数:1
液体药剂自动配比设备时间:2011-02-15 10:49YG—LM系列液体药剂自动配比设备,是我公司生产的一种智能化、全自动、连续式一体化的液体药剂自动溶配设备。
该设备主要应用于矿山浮选、水处理和化工等行业。
适用两种液体的比例混合、浓缩药剂的自动稀释。
一、该设备由以下几部分组成:1、定量进水单元2、定量加药单元3、一体化组合箱体(溶药槽、成药槽)4、搅拌单元5、智能控制及操作单元我公司还可根据您的实际工况条件,为客户量身定制您需要的产品。
全自动加药设备全自动加药设备-计量泵是一种符合各种工艺流程要求,可进行调节,定量输送各种化工液体的高精度输送设备,计量精度达到±1%,适用于传送温度-30℃-200℃,粘度在0.3-800mm2/s,不含固体颗粒的液体,流量在1.25L-8000L 的范围内任意调节,压力为0.2-50Mpa,150余种规格,特殊性泵适用于输送含有少量固体颗粒,粒度在0.01mm以下的悬浮液体,该系列产品执行API675标准。
重复精度在10:1调节范围内为1%;再现精度在10:1调节范围内为3%;线性精度在10:1调节范围内为3%。
还可根据用户的需要进行相同机座或或不同机座的串联组合,可按不同或相同的比例输送多种液体,液缸体可按不同液体的腐蚀性运行,按液力端的结构型式可分为柱塞式和隔膜式两大类。
按行程调节方式可分为手动调节,电动调节和气动调节三大类。
柱塞式结构的液力端适用于范围广泛的高压工艺过程,它所输送的液体是无毒,无腐蚀性,无挥发性的。
隔膜式结构的液力端适用于附着力很强的泥浆,易燃,易爆,易挥发,剧毒和放射性液体,因滞留易变质的工作液,以及粘度较高的工作液。
它能保证泵的无泄漏运行。
保温式结构的液力端适用于高熔点液体,泵壳和填料箱用夹套保温,防止液体凝固。
液力端的材料通常采用1Cr18Ni9Ti 根据输送介质的不同也可采用PTFE,PVC和1Cr18Ni12Mo2Ti 等其它材料计量泵按泵头分类有柱塞型和隔膜型两种基本形式,柱塞泵具有结构合理,操作简单,计量精确、维修方便,价格低廉等特点。
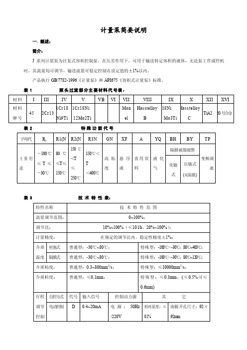
计量泵简要说明一. 概述:简介:J系列计量泵为往复式容积控制泵,在压差作用下,可用于输送特定体积的液体,无论泵工作或停机时,其流量均可调节,输送流量可稳定控制在设定值的±1%以内。
产品执行GB/7782-1996《计量泵》和API675《容积式计量泵》标准。
表1 泵头过流部分主要材料代号表:表2 特殊功能代号表3 技术特性表:3. 泵的结构及工作原理:J系列计量泵由动力端和液力端两部份组成。
动力端通过曲柄连杆机构促使柱塞作往复运动,通过N 形轴调节机构来改变行程流量大小;液力端通过吸入、排出阀组起到输送液体的作用。
1). 动力端结构:动力端传动机构由电动机、电机托架、传动箱(内含蜗轮付、N形轴曲柄连杆机构、行程调节机构) 、泵头托架等组成(见图1)。
N形轴曲柄连杆机构传动平稳、可靠、结构紧凑、精度高、承载能力强,而且是闭式全封闭结构,在室内、外的条件下均能正常工作。
蜗杆轴上装有螺旋油轮,其排出的润滑油流入上套筒,润滑N形轴、调节螺母、端面轴承和偏心块等。
2). N形轴工作原理:柱塞的往复运动是由电机带动蜗杆旋转,通过蜗杆、下套筒,将动力传动给N形轴,N形轴与偏心块所形成的偏心,带动曲柄连杆机构和十字头运动。
当N形轴在下限位置时行程为0%,当N形轴在上限时行程为100%(见图2)。
N形轴与偏心块的中心轴线与斜轴线呈同一夹角,其偏心值为S/4(全行程S的1/4),当N型轴与偏心块的中心轴线重合时(此时N轴处于下限位置),其偏心量为0;当N型轴被提升处于上限位置时,N 型轴与偏心块的偏心量处于最大值(S/2),其行程长度为2倍偏心值,即全行程S。
随着N形轴位置从下限向上限位置提升(调节),柱塞行程将从0~100%呈线性变化。
3). 行程调节机构及调量表的使用:泵的行程调节机构用于调节N形轴的上下移动,位于传动箱的上部。
当调节转盘顺时针旋转时,小螺旋齿轮带动大螺旋齿轮、调节螺杆转动,拖动调节螺母和N形轴上下移动,改变了偏心距,从而达到流量调节的目的。
柱塞式计量泵型号及使用范围一、柱塞式计量泵产品概述:
流量范围:0-4150 L/H
压力范围:0-50 Mpa
驱动系统:两相、三相电机或防爆电机
流量控制:手动控制,自动控制
防护等级:IP55,IP54
材料
泵头:SUS304,SUS316,SUS304+PTFE,SUS316+PTFE 隔膜:PTFE
单向阀:SUS304,SUS316,PVC,PTEF
阀球:氧化锆,SUS304,SUS316,陶瓷,二氧化硅
工作条件
环境温度:-30℃--- 90℃
二、柱塞式计量泵产品原理:
1. 通过柱塞的往复运动,直接将工作介质吸入或排出。
由于柱塞和密封都直接接触介质,选择合造的柱塞材质和密封形式,可保证泵在运转过程中具有更理想的性能。
2. 柱塞泵头结构简单、经济、计量精度高,需要选择和维护好密封,柱塞和密封之间横向自动对中性,确保两者之间的磨损小。
柱塞的材质有不锈钢、氧化陶瓷,氧化陶瓷具有耐腐蚀和硬度高耐磨的特点。
柱塞式计量泵的常见故障计量泵常见问题解决方法柱塞式计量泵有以下的常见故障,附解决方案:1)计量泵吸液不正常旋转到冲程长度100%位置。
这样可以使整套部件旋转至背板漏液排出孔与泵的底端对齐。
在泵运行过程中调整液力端和隔膜至合适的位置。
对反应时间来说,脉冲持续时间可能不充分长。
相对于标准的脉冲宽度80msec,流量监视器脉冲宽度扩展可以被激活,加添脉冲宽度至300msec。
激活智能转换开关,取下固定电路板的护盖,移走跳线X—1、这样就激活了扩展功能,在故障指示之前允许有更多的时间。
计量泵安装自排气泵头,接受自灌式吸液。
保持吸液管线尽可能短。
2)拆换计量泵隔膜在拆去旧的隔膜时,常碰到麻烦。
就如何拆下旧的隔膜供应一些额外的建议。
在泵头松动之后,取下泵头之前,调整冲程长度到10%位置。
可以保证电磁轴有充分的压力,保持其连接稳固,这样就可以旋下隔膜。
向外拉液力端使螺丝从插孔内脱离。
捉住液体端逆时针旋转。
稍有些阻力,可以旋下隔膜。
计量的化学药品可能在液力端结晶,致使单向阀阀球和阀座不能正常工作。
在计量泵的吸入端可能有气体泄漏。
液力端吸入侧连接件可能缺少O型圈或吸入阀连接松动。
3)如何防止计量泵冲程定位马达烧毁取下固定泵头的4个螺丝。
螺丝位置在计量泵的背面。
看是否安装了排泄管并且排泄阀闭合?在计量泵引液阶段排泄阀需要打开。
注意:并不是全部的计量泵都有排泄阀。
在隔膜安装完毕、并且背板漏液排出孔置于垂直位置之后,安装泵头。
确保吸液阀与漏液排出孔对齐,液力端的螺丝与相应的4个孔对齐。
5)液压计量泵流量变小或不精准?拧开三阀中的放气阀。
4)用流量监视计量一种高粘度介质,在引液过程中收到了流量故障指示信号,怎么做可以解决这个问题?通过松开4个泵头螺丝,移动液力端。
旋转冲程长度到10%并捉住液力端,然后从螺丝孔滑出,那么螺丝不与它们接触,但是还把持着背板和隔膜。
然后逆时针旋转此部件,稍有些阻力,隔膜会从电磁轴松动下来。
假如隔膜还没有松动,在隔膜和电磁轴的接触表面用些润滑油。
1.柱塞式计量泵柱塞式计量泵(图2)与普通往复泵的结构基本一样,其液力端由液缸、柱塞、吸入和排出阀、密封填料等组成,除应满足普通往复泵液力端设计要求外,还应对影响泵的计量精度的吸入阀、排出阀、密封等部件进行精心的设计与选择。
图2柱塞式计量泵结构示意图柱塞式计量泵的特点:(1)价格较低;(2)流量可达76mVh,流量在10%~100%范围内,计量精度可达±1%,压力最大可达350MPa o出口压力变化时,流量几乎不变;(3)能输送高黏度介质,不适于输送腐蚀性浆料及危险性化学品;(4)轴封为填料密封,有泄漏,需周期性调节填料。
填料与柱塞易磨损,需对填料环作压力冲洗和排放;(5)无安全泄放装置。
液压隔膜式计量泵是工业生产中应用最广泛的计量泵。
液压隔膜式计量泵通常称隔膜计量泵,图3所示为单隔膜计量泵,在柱塞前端装有一层隔膜(柱塞与隔膜不接触),将液力端分隔成输液腔和液压腔。
输液腔连接泵吸入、排出阀,液压腔内充满液压油(轻质油),并与泵体上端的液压油箱(补油箱)相通。
当柱塞前后移动时,通过液压油将压力传给隔膜并使之前后挠曲变形引起容积的变化,起到输送液体的作用及满足精确计量的要求。
图3隔膜式计量泵结构示意图液压隔膜式计量泵有单隔膜和双隔膜两种。
单隔膜计量泵的隔膜一旦破裂,被输送的液体与液压油混合,对某些介质容易发生事故。
双隔膜泵在两层隔膜之间填充惰性液体,如软水、酒精、芳香煌及脂肪煌等,并要求惰性液体与被输送的介质或液压油混合时不会引起有害的反应(公众号:泵管家)。
当其中一片隔膜破裂时可以通过压力表、声光装置或化学检验等方法及时报警。
当不允许输送液体与任何惰性液体接触时,两层隔膜之间一般可采用抽真空的方式。
SH/T3142-2004规定危险介质、有害介质或与液压油会发生反应的介质应使用双隔膜计量泵。
为增加泵的可靠性,其他场合也推荐使用双隔膜计量泵。
(1)无动密封,无泄漏,有安全泄放装置,维护简单;(2)出口压力可达IOOMPa;在10:1的调节比范围内,计量精度可达±1%;(3)价格较高.3.机械隔膜式计量泵机械隔膜式计量泵的隔膜与柱塞机构连接,无液压油系统,柱塞的前后移动直接带动隔膜前后挠曲变形,如图4所示。
柱塞计量泵安全操作及保养规程前言柱塞计量泵是一种常用的化工装置,广泛用于不同领域的计量、输送、混合等工艺过程中,具有计量准确、稳定、可靠等优点。
但同时,由于该设备涉及到化学品的输送,操作时必须严格按照规程进行,以确保装置的安全性能。
本文将重点介绍柱塞计量泵的安全操作及保养规程,以供使用者参考。
安全操作规程1. 设备检查在每次使用柱塞计量泵前,应仔细检查设备是否完好,特别是管道、阀门和管接头等部分是否漏油、漏气、渗漏,并排除故障。
同时,还应检查设备的电源是否正常、可靠。
2. 工作前准备在使用柱塞计量泵进行操作前,应先将设备预热,并确保设备内部无杂质。
操作前还应确保操作人员已了解设备的结构和操作方法,以便快速准确地进行操作。
3. 物料准备在进行柱塞计量泵操作时,应先准备好待输送的物料,并确保物料符合设备的使用要求。
同时,在输送前应先进行样品分析,了解物料是否稳定、安全。
4. 操作步骤在进行柱塞计量泵操作时,应按照以下步骤进行操作:1.开启泵体和调节阀后压力表;2.打开原料箱门,取出相应的原料;3.将原料放进料斗中,调整排料阀门,调整原料的滴流,从而获得合适的工作流量;4.开始输送,当输送量达到设备泵进口的容积时,停止操作并关闭调节阀;5.完成操作后关闭泵体、调节阀和原料箱门,将设备清洗干净并定期维护。
5. 操作注意事项在进行柱塞计量泵操作时,应注意以下事项:1.操作人员必须具有相关专业知识,严格遵循操作规程;2.操作过程中,应保持操作场地的整洁,防止杂物进入设备内部;3.进行操作前应注意检查设备的配件及相关装置是否牢靠、准确,以确保设备的正常工作;4.操作时应注意防护措施,戴防护手套、护目镜等安全装备。
设备保养规程为保证柱塞计量泵长期稳定、可靠的工作,应定期对设备进行保养。
以下是柱塞计量泵的保养规程:1. 润滑油更换定期更换润滑油,控制换油周期,保持润滑油的清洁度和品质,确保设备正常、长期稳定工作。
中国最好的计量泵气动柱塞计量泵厂家排名前十1、上海沈泉泵阀制造有限公司上海沈泉泵阀制造有限公司是一家专业生产,销售管道泵,排污泵,消防泵,化工泵等给排水设备的厂家,产品涉及工矿企业、农业、城市供水、石油化工、电站、船舶、冶金、高层建筑、消防供水、工业水处理和纯净水、食品、制药、锅炉、空调循环系统等行业领域。
上海沈泉泵阀制造有限公司是集研究、开发、生产、销售和服务为一体的泵阀生产企业。
产品涉及工矿企业、农业、城市供水、石油化工、电站、船舶、冶金、高层建筑、消防供水、工业水处理和纯净水、食品、制药、锅炉、空调循环系统等行业领域。
2、浙江绿邦泵业有限公司绿邦泵业有限公司坐落在素有“泵阀之乡”美称的温州永嘉县瓯北镇,是一家集开发、生产、销售、服务于一体的多元化企业。
公司拥有完善的生产、制造、检测设备,技术人员以及科学的管理,并提供定制优良的流体输送方案、个性化方案。
3、浙江扬子江泵业有限公司浙江扬子江泵业有限公司(A级纳税人)是专业从事各类水泵及附属产品生产和销售的企业,公司落座于具有"泵阀之乡"美称的温州瓯北。
公司实力雄厚,注册资金2000万元,积国内水泵大企业的技术、人才、管理等资源优势,进行有效合理的整合,并辅以现代企业管理模式、科学高效的公司管理体制制度,通过近几年的快速发展,已成为国内大型水泵生产厂家之一。
公司实施先进的人才储备战略,引进了大批具有专业和中高级职称的技术与管理人才,加快了企业的发展进程。
依靠雄厚的科技实力和扎实的管理基础,通过ISO9001-2000国际标准质量体认证。
4、安徽腾龙泵阀制造有限公司安徽腾龙泵阀制造有限公司是国内化工泵阀设计、生产和销售的专业性厂商。
公司位于安徽省宣城市泾县经济开发区。
产品广泛应用于化工、医药、环保、冶金、造纸、电子、钢铁等领域。
自创立以来不断完善资源和优化整合,具有进口品质国内价格,采用国际制造标准,邀请江苏大学流体机械研究所量身设计了TPA电脑检测系统。
用户使用手册柱塞式计量泵分册在使用本产品前请仔细阅读本手册,本将其放在设备附近以备将来参阅。
!特别提醒1、计量泵使用前请加220#蜗轮蜗杆油或50#齿轮油至油标。
2、计量泵电机接线一定要按照电机铭牌的电压接线(380V或220V)3、计量泵开机之前一定要确保出口管路通畅(阀门全开)。
4、不锈钢管路接头焊接时,切不可把焊渣或杂物掉入管路或阀体内(从而会造成计量泵不出水、压力变小或流量变小)计量泵要停止工作时先关闭计量泵,再关闭出口阀门。
5、出口管路压力一定要高于进口管路压力,如果低于进口压力,一定要加装背压阀,防止产生虹吸。
6、出口管路口径一定要大于或等于,相应计量泵的标配口径。
计量泵标准按装图(供参考)加药桶搅拌器安全阀脉冲阻尼器背压阀至加药点取样或排气计量泵型过滤器球阀目录一、概述 (4)二、结构原理和特性 (4)2.1泵的结构 (4)2.2工作原理 (4)2.3流量调节特性 (5)三、技术数据 (5)3.1参数 (5)3.2流量调节曲线特性图 (5)四、泵的使用 (5)5.1泵运转前的检查及其准备工作 (5)5.2启动 (5)5.3带负荷运转 (5)5.4停机 (6)五、泵的维护保养 (6)6.1泵的日常维护 (6)6.2维修保养解拆及装配顺序 (6)六、安装 (7)4.1泵的安装 (7)4.2管路安装 (7)4.3特殊液体对管路通量增加 (8)4.4安装规范(按装图) (8)七、各系列产品装配图 (10)八、故障原因分析及排除方法 (13)一、概述J系列计量泵主要是往复式柱塞泵、活塞泵,按泵的缸数可分为单缸、双缸、三缸等多种类型。
该泵可广泛用于石油、化工、纺织、食品、造纸、原子能技术、电厂、塑料、制药、水厂、环保等工业和科技部门。
用来向加压或常压容器及管道内精确定量输送不含固体颗粒的液体。
其流量可以开机(或定机)时从0-100%范围内无级调节。
(根据计量泵的特性,最少行程一般不小于总行程的10%)单缸泵适用于单一液体的场合;双缸泵可作比例泵使用,也可并联使用;三缸泵可作为三比例泵使用,也可三缸并联,以达到较大排量,增高了液体的脉冲频率,促使液体连续顺畅加入;六缸泵可达三缸泵二倍效果。
1.上海阳光泵业制造有限公司上海阳光泵业是集设计/生产/销售泵、给水设备及泵用控制设备于一体的大型综合性泵业集团,是中国泵行业的龙头企业。
总资产达38亿元,在上海、浙江、河北、辽宁、安徽等省市拥有7家企业,5个工业园区,占地面积67万平方米,建筑面积35万平方米。
上海阳光获得了“上海市质量金奖”、“上海市科技百强企业”、“上海市名牌产品”、“中国质量信用AAA级”、“全国合同信用等级AAA 级”、“质量、信誉、服务三优企业”、“中国最具竞争力的商品商标”、“五星级服务认证”等荣誉,连续多年入选全国机械500强。
高端人才和高素质的员工队伍是阳光发展的动力。
集团现有员工4500余人,其中工程技术人员500多名,主要由国内知名水泵专家教授、博士硕士、中高级工程师、高级工艺师组成,形成了具有创新思维的梯队型人才结构。
科技创新,是阳光基业长青的生命之源。
集团是上海市高新技术企业、上海市知识产权示范企业和上海市专利示范企业。
上海市级的“企业技术中心”,每年以销售总额的5%,用于技术创新和新产品研发。
2.石家庄石水工矿泵业有限公司石家庄石水工矿泵业有限公司成立于2002年,位于河北省石家庄市装备制造基地,占地面积2.16万平方米,建筑面积1万余平方米,注册资金5000万。
是一家集研发、生产、销售、维修和服务于一体的专业化渣浆泵生产厂家。
石水泵业设有模具车间,铸造车间,热处理,锻焊,机加工车间,装配车间及耐磨材料研究所。
AAAAA级泵试验站,铸件采用树脂砂造型和消失模铸造,炉前成分检验采用直读光谱分析仪,结合先进的耐磨合金冶炼技术,铸造工艺和热处理工艺,保证铸件表面光洁,铸件内部组织精密,质量可靠。
大大提高了耐磨铸件的精确度和使用寿命。
公司产品有十几个系列,100多个品种,主要产品有渣浆泵,泡沫泵,泥浆泵,衬胶泵,砂砾泵,液下渣浆泵,脱硫泵,挖泥泵,污水泵,及配套备件。
公司拥有一批高素质、高水平、经验丰富的技术和管理精英。
DALIAN- LAURELJ型系列计量泵使用说明书中国本溪劳雷石油化工设备成套有限公司大连劳雷通用设备有限公司一、概述本系列计量泵(以下简称泵)适用于输送温度-300C-1000C,(保温型泵适用输送1000C-5000C贴度0.3-8/s的不含固态颗粒之腐蚀或非腐蚀液体)。
(特殊型泵适用输送含有少量固体颗粒,粒度在0.5mm以下的悬浮液体)。
根据需要可选用单缸或多缸,柱塞式或隔膜式,多缸计量泵可同时输送一种或多种液体。
手动调节的泵在最大工况下计量精度在士1%以内(10:1)。
泵的流量可在0-100%内进行无级调节,建议在流量的30%-100%内使用。
二、结构说明本系列计量泵分三种机座:小(JX)、中(JZ)、大(JD)。
泵由传动机构、液力端、托架、联轴器等主要部分组成。
小机座的传动机构采用弓形凸轮式;中、大机座的传动机构采用N型轴式,三种机座的液力端均有柱塞式、隔膜式、保温式。
根据需要,流量可实现手动和自动控制。
1、弓形凸轮式传动机构电动机通过蜗杆蜗轮带动偏心轴旋转,经过弓形架使十字头、柱塞作直线往复运动,调节手轮可改变调节螺杆与偏心轴之间的距离,两者之间的距离越小泵行程越大,反之则越小。
2、N形轴式传动机构电动机通过蜗杆蜗轮带动偏心块旋转,经过连杆使十字头、柱塞作直线往复运动,调节手轮经N型轴可调节偏心距,偏心距越大泵行程越大,反之泵行程越小。
3、液力端液力端是液体的输送部分,其结构有柱塞式、隔膜式二种。
根据输送介质的要求液力端可选用不同的材料,如定货时未注明材料,按4类材料制造。
(1)柱塞式液力端液缸中装有不锈钢制成的双层吸入和排出阀,或单层吸入排出阀。
柱塞处的密封是根据使用要求来选择结构和材料的,有方形、V形等结构;有填充四氟,碳素纤维等多种材料,密封性能可靠,使用寿命长。
(2)隔膜式液力端隔膜式液力端装有隔膜、补油阀组等。
隔膜可使液缸后部隔膜腔的油与输送的液体分开,确保输送的液体绝对不漏。
计量泵的基本工作原理计量泵是一种用于输送精确流量的设备,广泛应用于化工、石油、食品、制药等行业。
它通过一系列的工作原理来实现准确的流量控制和输送。
1. 工作原理之容积变化法计量泵的容积变化法是指通过改变泵腔的容积来实现流量控制。
常见的容积变化法有柱塞泵和齿轮泵。
柱塞泵是一种通过柱塞在泵腔内上下运动来改变容积的泵。
当柱塞向上运动时,泵腔内的容积减小,压力增加,液体被推出泵腔;当柱塞向下运动时,泵腔内的容积增大,压力降低,液体被吸入泵腔。
通过控制柱塞的运动速度和行程,可以实现精确的流量控制。
齿轮泵是一种通过齿轮的转动来改变容积的泵。
齿轮泵由一个驱动齿轮和一个被驱动齿轮组成,两个齿轮之间形成一定的容积。
当齿轮转动时,容积随之改变,从而实现液体的输送。
通过控制齿轮的转速和齿轮的尺寸,可以实现精确的流量控制。
2. 工作原理之压力差法计量泵的压力差法是指通过控制泵入口和出口之间的压力差来实现流量控制。
常见的压力差法有螺杆泵和离心泵。
螺杆泵是一种通过螺杆的旋转来产生压力差的泵。
螺杆泵由一个主螺杆和一个从螺杆组成,两个螺杆之间形成一定的容积。
当螺杆旋转时,容积随之改变,从而产生压力差,推动液体流动。
通过控制螺杆的转速和螺杆的尺寸,可以实现精确的流量控制。
离心泵是一种通过离心力来产生压力差的泵。
离心泵通过转子的旋转来产生离心力,将液体从入口吸入泵内,然后通过离心力将液体推出泵腔。
通过控制转子的转速和泵的设计参数,可以实现精确的流量控制。
3. 工作原理之电磁驱动法计量泵的电磁驱动法是指通过电磁力来驱动泵的工作。
电磁驱动泵通常由一个电磁驱动器和一个泵头组成。
电磁驱动器通过电磁力将驱动力传递给泵头,从而实现泵的工作。
电磁驱动泵的流量可以通过控制电磁驱动器的电流或电压来实现精确的控制。
4. 工作原理之气动驱动法计量泵的气动驱动法是指通过气动力来驱动泵的工作。
气动驱动泵通常由一个气动驱动器和一个泵头组成。
气动驱动器通过气动力将驱动力传递给泵头,从而实现泵的工作。
1.上海阳光泵业制造有限公司上海阳光泵业制造有限公司是国内一家著名的集研制、开发、生产、销售、服务于一体的大型多元化企业,注册资本1100万元。
主导产品包括:螺杆泵、隔膜泵、液下泵、磁力泵、排污泵、化工泵、多级泵、自吸泵、齿轮油泵、计量泵、卫生泵、真空泵、潜水泵、转子泵等类别。
产品以优越的性能,精良的品质已获得各项专业认证证书及客户的认可。
公司拥有多名水泵专家和各类中高级工程师,不断的开发制造,升级换代产品年年都有问世。
公司拥有国内高水准的水泵性能测试中心,产品全部采用CAD设计软件和CFD计算流体力学软件等先进设计手段,产品经过精密铸造、热锻压、焊接、热处理、精加工、装配等十多道工序。
使用先进的数控加工中心、等离子焊接机、全自动气体保护、半自动真空熔焊机、超频真空热处理设备、高效加工专机、理化和探伤设备等各类高精密加工检测设备。
齐全的加工检测设备,于同行业中处领先地位,更加充分保证了产品的质量。
公司产品达二十大系列,一万多种规格。
产品广泛应用于:工业生产,建筑城镇供水,环保污水处理,市政工程,食品制药,水利电力,石油船舶等多种领域。
客户包括大庆油田、胜利油田、中国水利水电、浦项集团等世界知名企业。
2.广州标宝泵业有限公司公司是一家专业生产井用潜水泵的广东民营科技企业,通过引进了国内外先进的电泵技术和设备,竭尽所能的把一切资源投在产品开发上。
力求高效,质优,价廉,款佳。
迎合市场所需,满足客户需求。
公司生产各种规格型号的 200 多种井用潜水泵。
具有井径小,流量大,适应性强,抗沙耐磨,寿命长,节能省电的优越特性,是工业用水,民用饮用水,农田排灌抽水,地质水文钻井工程等的理想给水设备。
3.上海康大泵业制造有限公司上海康大泵业制造有限公司创建于七十年代末期,是国内著名的专业化研发、生产各种水泵、给排水成套设备的企业。
公司集设计、生产、销售、服务于一体,多年来,上海康大本着“用户满意是工作的最高标准”的经营理念,以执着的专业精神致力于电力、冶金、石化、市政、环保、建筑等行业的专业泵类的供水设备的设计与研发。
计量泵是流体输送机械的一种,其突出特点是可以保持与排出压力无关的恒定流量。
使用计量泵可以同时完成输送、计量和调节的功能,从而简化生产工艺流程。
使用多台计量泵,可以将几种介质按准确比例输入工艺流程中进行混合。
由于其自身的突出,计量泵如今已被广泛地应用于石油化工、制药、食品等各工业领域中。
面对这样优秀的一款水泵,自然会让那些有需求的用户想要去购买。
但是由于市面上的水泵品牌厂家众多,且质量参差不齐,也就让大量的用户在面对水泵品牌的选择上有了烦恼。
他们时常会问“哪家的计量泵最耐用”、“计量泵什么牌子性价比比较高”、“国内有什么牌子的计量泵可以推荐”“计量泵什么牌子的质量好又耐用”等等。
面对这样的问题,大家可以跟着小编一起来看看下面的内容。
计量泵品牌十大排名柱塞计量泵生产厂家有哪些1、上海沈泉泵业优秀水泵制造商-上海沈泉泵阀制造有限公司是一家专业生产,销售隔膜泵、螺杆泵、磁力泵、管道泵,排污泵,消防泵,计量泵,转子泵,自吸泵,多级泵,离心泵,化工泵等给排水设备的厂家,产品涉及工矿企业、农业、城市供水、石油化工、电站、船舶、冶金、高层建筑、消防供水、工业水处理和纯净水、食品、制药、锅炉、空调循环系统等行业领域。
上海沈泉泵阀制造有限公司是集研究、开发、生产、销售和服务为一体的大型泵阀生产企业。
产品涉及工矿企业、农业、城市供水、石油化工、电站、船舶、冶金、高层建筑、消防供水、工业水处理和纯净水、食品、制药、锅炉、空调循环系统等行业领域。
2、广东本川泵业广东本川泵业有限公司创建于1978年,座落广东省佛山市顺德区,占地面积1.5万平方米,是以研发制造水泵、阀门等流体输送设备、电气控制设备的多元化的大型企业。
公司被认定为“广东省高新技术企业”,本川商标被评为“广东省著名商标”,本川品牌被国家技术监督局评为“中国质量过硬放心品牌”,本川公司被中国制造网评为认证供应商。
3、安徽安泵泵业安徽安泵泵业有限公司坐落于长江之滨的皖东明珠——天长市,东与风景秀丽历史名城扬州毗邻,南与六朝古都南京相接,西连滁州,北通淮安,多条高速公路贯穿境内,交通十分便捷,为企业的创新研发、拓展市场提供了优越的创业和发展环境。
柱塞式计量泵工作原理
柱塞式计量泵是一种常见的流体输送设备,其工作原理如下:
1. 原液进入泵体:原液从外部进入柱塞式计量泵的泵体。
2. 柱塞运动:当柱塞向后移动时,泵体内的体积增大,形成一个低压区域。
原液被吸入泵体。
3. 柱塞压缩:当柱塞向前移动时,泵体内的体积减小,形成一个高压区域。
原液被通过出口阀门排出。
4. 排液阀关闭:当柱塞向后移动时,出口阀门关闭,避免原液倒流。
5. 循环重复:柱塞来回运动,不断地将原液吸入和排出,实现流体的输送和计量。
柱塞式计量泵的工作原理基于柱塞的来回运动,利用容积的变化来实现液体的吸入和推出。
它具有结构简单、体积易于调节和流量稳定的优点,被广泛应用于化学、医药、石油等行业的流体输送和计量领域。
2j-x柱塞式计量泵
2j-x柱塞式计量泵保养常识
使用2j-x柱塞式计量泵的日常保养知识。
2j-x柱塞式计量泵的保养知识不仅是技术人员要掌握的,只要是使用的客户,在日常使用中注意以下基本的简单知识,就可以避免很多疑难问题的发生,维护好了2j-x柱塞式计量泵的使用价值,延长其使用寿命。
若出项一些大的问题,建议您及时咨询相关厂家技术问题。
安徽赛科环保科技供应计量泵产品,另有电磁阀等仪器仪表。
2j-x柱塞式计量泵日常维护的基本点:
1、2j-x柱塞式计量泵的润滑油最初运行250小时后需更换。
以后每2500小时或六个月更换一次润滑油。
2.每六个月检查一次单向止回阀和隔膜,根据实际使用情况决定是否更换。
更换计量泵隔膜注意维护:通过松开4个泵头螺丝,移动液力端。
旋转冲程长度到0%并抓住液力端,然后从螺丝孔滑出,那么螺丝不与它们接触,但是还把持着背板和隔膜。
然后逆时针旋转此部件,稍有些阻力,隔膜会从电磁轴松动下来。
如果隔膜还没有松动,在隔膜和电磁轴的接触表面用些润滑油。
放置几分钟后,用一塑胶小锤轻轻敲打隔膜。
然后在按照以上描述再次进行。
3.环境温度低于10℃时,应更换冬季润滑油。
定期检查管线与阀的连接处是否有泄漏情况产生,而阀件应每3个月清洁一次,以免造成阻塞。
清洗药剂根据实况来采用。
4、2j-x柱塞式计量泵出口没有压力的情况下,泵的实际流量比额定流量大很多,而且调节流量时,流量基本没有变化。
此时应在在计量泵出口增加背压阀,背压阀在稳定管路压力的同时,可以稳定计量泵的流量,保证计量精度。
5、开泵后,出口管路震动比较厉害。
此时应在计量泵出口安装脉冲阻尼器。
如果计量泵出口没有压力,最好和背压阀同时使用;排出端流体由于惯性阻力,在泵运行开始瞬间,会对管路产生脉动撞击力。
这是往复式泵的特有现象,是由于管道内液体受到突然加速而引起的。
脉冲阻尼器能够有效防止脉冲引起的管路震动。
以上为计量泵日常遇到的基本简单维护知识,保养更多还请注意后期使用后的细节注意,因为定期清洗是必不可少的,检查整个操作系统装置的整体性能,是否还能达到之前的测量精度等,都需在计量泵基本构造上和使用环境中查找问题。