电梯技术参数及规格
- 格式:ppt
- 大小:3.40 MB
- 文档页数:85
电梯的主参数和基本规格电梯是一种垂直运输设备,广泛应用于各种建筑物和设施中。
它的主要功能是在建筑物内部垂直运输乘客和货物,以提高人员和物品的运输效率。
电梯的主要参数和基本规格包括载重量、速度、停靠层数、尺寸和能耗等。
1. 载重量:电梯的载重量是指电梯能够承载的最大重量。
根据使用场所的不同,电梯的载重量可以有所不同。
一般情况下,住宅电梯的载重量较小,大约在400kg到1000kg之间;商用电梯的载重量较大,可以达到2000kg以上。
2.速度:电梯的速度是指电梯从一层到另一层的运行速度。
速度的选择取决于建筑物的高度和使用需求。
一般来说,住宅电梯的速度较慢,大约在1m/s到2m/s之间;商用电梯的速度较快,可以达到4m/s以上。
3.停靠层数:电梯的停靠层数是指电梯能够停靠的楼层数量。
根据建筑物的高度和需求,电梯可以设置不同的停靠层数。
一般来说,住宅电梯的停靠层数较少,一般在5层到15层之间;商用电梯的停靠层数较多,可以达到30层以上。
4.尺寸:电梯的尺寸是指电梯的外观尺寸和内部空间尺寸。
外观尺寸是指电梯的宽度、深度和高度,需要根据建筑物的空间限制进行设计。
内部空间尺寸是指电梯内部的有效空间大小,包括门厅、座舱和门洞等。
尺寸的选择取决于建筑物的需求和使用人数。
5.能耗:电梯的能耗是指电梯在运行过程中消耗的能量。
电梯的能耗主要与电机的效率、控制系统和运行模式等因素有关。
现代电梯通常采用节能设计和智能控制技术,以提高能源利用效率和降低能耗。
除了以上主要参数和基本规格外,电梯还有一些其他的重要参数和规格,如安全装置、故障保护、运行平稳性、声音和振动等。
这些参数和规格对于保证电梯的安全性、可靠性和舒适性都非常重要。
总之,电梯的主要参数和基本规格包括载重量、速度、停靠层数、尺寸和能耗等。
这些参数和规格的选择需要根据建筑物的需求和使用场所的要求进行合理设计和配置,以提供高效、安全和舒适的垂直运输服务。
电梯规格及技术参数表一、引言电梯是一种现代交通工具,为了确保电梯的运行安全和性能稳定,需制定详细的规格和技术参数。
本文将对电梯的规格及技术参数进行详细阐述。
二、基本规格1. 电梯类型:载货电梯2. 使用环境:室内3. 电梯控制方式:集中控制4. 电梯装潢方式:不锈钢5. 电梯驱动方式:电动6. 电梯额定载重量:1000kg三、技术参数1. 电梯速度:- 额定速度:1.0m/s- 最高速度:1.6m/s2. 电梯层数:- 最高层数:15层- 最低层数:-3层3. 停站时间:- 开门时间:1.5s- 关门时间:1.0s4. 电梯驱动功率:11kW5. 电梯电源:- 电源电压:380V±10%- 电源频率:50Hz6. 故障自诊断系统:具备7. 电梯制动方式:电磁制动8. 电梯制动距离:- 紧急制动距离:≤0.50m- 正常制动距离:≤0.35m9. 操作方式:按钮和触摸屏双重操作四、安全参数1. 门锁保护:具备2. 门锁嵌入式保护:具备3. 限制开门保护:具备4. 超载保护:具备5. 电源保护:具备6. 楼层接合器:具备7. 救援系统:具备五、控制系统1. 控制方式:微处理器控制2. 电梯调度方式:集中调度、智能调度3. 电梯门机构:- 门机型式:中心开式- 开门方式:自动门- 闭合方式:自动闭合4. 轿厢照明:LED灯照明5. 电梯报警装置:具备六、维保参数1. 维保周期:每半年2. 维保人员:专业电梯维保人员3. 维保电话:XXXXXXX七、总结本文对电梯的规格及技术参数进行了详细描述,从基本规格、技术参数、安全参数、控制系统和维保参数等方面进行了全面说明。
通过严格按照规格和参数要求的生产和维护,可以确保电梯的安全运行,提供便捷的垂直交通。
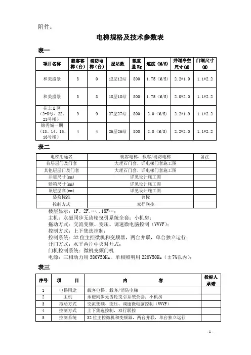
附件:电梯规格及技术参数表表一表二主机:永磁同步无齿轮曳引系统全套;小机房;拖动方式:交流变频、变压、调速微电脑控制(VVVF);控制方式:上下集选控制;控制系统:32位主控微机和变频器,两台并联,单台独立运行;开门方式:水平两片中央对开式;门机控制系统:微机变频门机电源:三相动力用380V50Hz,单相照明用220V50Hz(±7%以内);表三1、规格说明1)轿厢轿厢尺寸:详细尺寸见施工图;井道尺寸(图纸设计尺寸宽mm×深mm):详细尺寸见施工图;轿厢壁:发纹不锈钢;轿门:发纹不锈钢双扇中分自动门;所有发纹不锈钢厚度不低于1.0mm;轿厢天花板:普通标准;轿厢地板:防火防滑耐磨地板;通风装置:轴流式风扇轿箱操纵板:A、数字型楼层显示器;B、具有与停靠层同数之楼层按扭;C、上升与下降方向指示;D、紧急呼叫按扭;E、开门与关门按扭各一付,并以图形表示;F、隐蔽式对讲机一付;G、标识厂牌、用途、乘人数、限载重及操作说明;H、一个以钥匙操作之开关,箱内有停止照明、停止风扇开关。
2)入口设计出口尺寸:800mm、900mm宽×2100mm高(具体项目见设计图纸和要求)门套:详见电梯外装饰图;出入口指示器:按扭指示一体型。
2. 电梯应符合的技术标准2.1中华人民共和国承认的国际标准、ISO国际标准化组织标准、中华人民共和国颁布的标准2.2 制造安装有关标准和规范《电梯制造及安装安全规范》GB7588—2003。
《电梯技术条件》、GB10058《电梯试验方法》GB10059《电梯安装验收规范》GB10060及现行有关标准和规范。
请在投标书中说明采用的安全标准和设计标准,但不低于我国现行标准的要求。
3. 功能要求表。
电梯的技术规格和要求1、电梯技术规格表(具体以设计为准)注:1)上述电梯技术规格表中的速度、载重指标如与图纸不符的以表中内容为准;2)其余指标参考图纸有关说明,如图纸无说明则由投标人根据相关指标自行确定;3)如电梯技术规格表中或图纸设计指标不能满足电梯门洞尺寸、基坑深度要求等,投标人应通过认真踏勘现场,了解工程场地、相关的周边环境及工程进度情况,自行确定梯型及指标。
中标后,中标人可与设计单位协商联系变更设计,若无法进行变更,其风险由中标人承担,由此产生的设备更换及相关费用增加由中标人承担。
2、电梯一般技术要求2.1投标人提供的产品及服务须适应本招标文件第四章中第一条“总体要求”所有条款,并运转顺利、正常、可靠。
2.2可靠性要求:①电梯设备及各主要部件在每天正常连续运行20小时基础上,设计寿命要求在10万小时以上;②在供电电压波动≤±7%,供电频率波动≤±3%时仍能正常工作;③电梯在额定载荷时允许起、制动循环次数≥240次/小时。
2.3配置要求a)梯型要求:要求提供投标品牌中技术先进且安全可靠、市场使用较成熟的梯型,符合相关技术标准规范和节能环保要求;b)控制方法:应采用电脑集散控制系统,单、群控可选,微机模块化结构进行控制和故障诊断;c)开门机系统:采用VVVF门机系统;2.5电梯基本功能:投标人提供的电梯应包括(但不仅限于)下列基本功能配置,保证电梯安全、可靠、高效稳定运行。
(1)有/无司机操作(2)独立运行选择(3)提前开门功能(4)门光幕保护装置(5)轿厢/机房/轿顶检修(6)开/关门按钮(7)轿内紧急照明(8)照明、风扇及空调控制(9)轿厢强制通风(10)超载不启动(11)满载直驶(12)轿厢警铃(13)轿内位置和方向指示(14)厅位置和方向指示(15)厅门和轿厢呼梯按钮(16)驻停开关(17)开门时间保护(18)关门时间保护(19)火灾运行管理和紧急消防服务(20)五方对讲(21)远程监控接口(22)防恶意扰乱设计(23)配置随行视频电缆。
电梯基本参数汇总电梯是现代城市建设中不可或缺的交通工具,其基本参数是设计和安装电梯时必须考虑的重要因素。
以下是电梯的一些基本参数的汇总,帮助理解和选择合适的电梯。
1. 载重量:电梯的载重量是指电梯能够承载的最大重量。
一般来说,载重量越大,电梯的承载能力越强大。
常见的载重量有630kg、800kg、1000kg等。
选用适当的载重量是根据电梯在使用场所的需求而确定的。
2.速度:电梯的速度是指电梯在运行中的垂直速度。
速度越快,乘坐电梯的时间越短。
电梯的速度通常以米每秒(m/s)为单位,常见的速度有1.0m/s、1.5m/s、2.0m/s等。
速度的选择要考虑到使用场景的需求和楼层高度。
3.停站数:电梯设计中需要考虑的一个重要参数是停站数。
停站数是指电梯在一次上行或下行过程中需要停靠的楼层数量。
停站数的多少会影响电梯的运营效率和使用体验,需要综合考虑使用场所的需求和电梯运行的时间成本。
4.开闭门时间:电梯开闭门时间是指电梯门从完全开启到完全关闭所需的时间。
开闭门时间的长短会影响电梯的运行效率和乘客通行的速度。
通常情况下,开闭门时间应该尽量缩短,提高电梯的运行效率。
5.井道尺寸:井道是指电梯在运行时所占用的空间。
井道尺寸的大小对于安装电梯来说非常重要,必须与电梯的尺寸相适应。
同时,井道尺寸的设计也需要考虑到电梯维修和维护的需求。
6.机房尺寸:部分电梯需要设置机房来安装电梯的主机和控制设备。
机房尺寸的大小需要根据电梯的型号和规格进行设计,以满足电梯设备的安装和维护需求。
7.电梯超载保护:电梯的载重量是有限的,因此需要设置超载保护装置,以确保电梯在超载情况下不会运行或继续运行。
超载保护装置一般是通过传感器来监测电梯的载重情况,当载重超过限制时会触发报警或停机。
8.安全门:电梯的安全门是保障乘客安全的重要设备。
安全门一般分为外门和内门,外门用于封闭井道,内门用于封闭轿厢。
安全门的设计应符合相关安全规范,并具备防夹手和防夹脚等功能。
电梯的主参数和基本规格电梯,作为现代城市交通运输的重要设施,具有安全、快捷、方便的特点,广泛应用于各类建筑物。
本文将介绍电梯的主要参数和基本规格,以便更好地了解和使用电梯。
一、电梯的主要参数1.载重量:电梯的载重量是指电梯能够承载的最大重量,通常以公斤为单位进行表示。
不同类型的电梯具有不同的载重量,一般较小的家用电梯的载重量在300-500公斤之间,而大型商用电梯的载重量可达到几吨甚至更高。
2.速度:电梯的速度是指电梯上升或下降的速度,通常以米/秒为单位进行表示。
家用电梯的速度一般较低,通常在0.5-1.5米/秒之间,而大型商用或高层建筑中的电梯速度较快,可达到3米/秒以上。
3.行程:电梯的行程是指电梯能够行驶的最大垂直距离,也就是电梯可以上升或下降的楼层范围。
行程通常以层数或楼层高度来表示,例如10层、20层或50米、100米等。
4.开门尺寸:电梯开门的尺寸是指电梯门的宽度和高度,这与电梯能够容纳的物品和乘客的大小有关。
通常,电梯门高度在2-2.2米之间,门宽度则根据需要而定,如家用电梯门宽度一般为0.8-1米,而商用电梯则要更宽一些。
5.电梯井尺寸:电梯井尺寸是指电梯在建筑物内部所占的垂直空间大小。
它通常由电梯井的高度和宽度来表示,以确保电梯的安全运行和维护。
二、电梯的基本规格1.载客量:电梯的载客量是指电梯能够容纳的最大乘客数量,通常以人数来表示。
不同类型的电梯具有不同的载客量,一般较小的家用电梯的载客量在2-6人之间,而大型商用电梯的载客量可达到20人以上。
2.气候条件:电梯的工作环境和气候条件对其正常运行和使用寿命有很大影响。
一般来说,电梯应能够适应各种气候条件,包括温度、湿度、风力等。
3.安全性能:电梯的安全性能是使用电梯时最重要的考虑因素之一、电梯应具备多重安全保护装置,如安全门、紧急制动装置、紧急通话装置等,以确保乘客和货物在乘坐过程中的安全。
4.节能环保:随着节能和环保意识的提高,电梯的节能性能和环保指标也越来越重要。
1、电梯的类别定义为:一类为运送乘客而设计的电梯二类主要为运送乘客同时亦可运送货物而设计的电梯三类为运送病床而设计的电梯一类、二类电梯与三类电梯的主要区别在于轿厢内的装饰。
住宅楼用电梯与非住宅楼用电梯都是乘客电梯,住宅楼用电梯宜采用二类电梯四类为运送通常有人伴随的货物而设计的电梯五类杂物电梯因液压电梯已制定专门标准本标准取消原标准中液压电梯的相关内容2、电梯的主参数:电梯的主参数是指电梯的额定载重量和额定速度。
电梯的额定载重量:320,400,630,800,1000,1250,1600,2000,2500 kg额定速度:0.63,1.00,1.60,2.50 m/s3、轿厢、井道、机房的型式与尺寸:一类电梯:非住宅楼电梯的轿厢、井道、机房的型式与尺寸见表三类电梯:病床电梯的轿厢、井道、机房的型式与尺寸见表二类电梯的轿厢、井道、机房的型式与尺寸应从一类和三类电梯的尺寸中选择。
4、轿厢有关规定:在各种类型建筑物中,至少应配置一台能使残疾人乘轮椅进出的电梯,这类用于残疾人的电梯必须满足这种用途要求的各种条件(尺寸控制装置的位置等)并用符号表示。
5、住宅电梯:额定载重量为320kg和400kg的电梯,轿厢只允许运送人.额定载重量为630kg的电梯,轿厢允许运送童车和残疾人员乘坐的轮椅.定载重量为1000kg的电梯,轿厢还能运送家具和手把可拆卸的担架.6、病床电梯:额定载重量为1600kg和2000kg的电梯,轿厢应能满足大部分疗养院和医院的需要.额定载重量为2500kg的电梯,轿厢应能将躺在病床上的人连同医疗救护设备一齐运送.7、井道有关规定:规定的电梯井道水平尺寸是用铅锤测定的最小净空尺寸。
允许偏差值为:当高度小于等于30m的井道:0/+25mm;当高度大于30m小于60m的井道:0/+35mm;当高度大于60m小于90m的井道:0/+50mm。
以上偏差仅适用于对重装置使用刚性金属导轨的电梯。
如果电梯对重装置装有安全钳时,则根据需要,井道的宽度和深度尺寸允许适当增加。
电梯参数规范篇一:电梯参数及技术要求电梯货物清单及技术要求一、电梯参数表1、自动扶梯:要求角度:30°,运行速度:0.5米/秒,输送能力:9000人/小时,梯级宽度:1000mm, 运行方式:变频低速待机2、货梯:载重量:2000KG,运行速度:1.0米/秒,一层为双方向开门,其余层为单方向开门3、客梯:消防电梯兼客梯:载重量:825KG,运行速度:1.75米/秒,轿厢尺寸要求宽度≥1400mm,深度≥1350mm;担架电梯兼无障碍电梯:载重量≥1000KG,运行速度:1.75米/秒,轿厢尺寸要求宽度≥1100mm,深度≥2100mm;注:以上所述尺寸均须依现场实测核对后方可进行电梯装配施工,要求电梯厂家开放五方通话协,设计院设计电梯的消防智能点:迫降与求助功能,电梯控制箱内主要设电梯运行状态、故障报警、上/下运行方向、楼层信息的辅助触点二、客梯要求1、品牌要求(1)外商独资、中外合资均可。
投标设备及所有部件需列明生产品牌及产地2、电梯一般技术要求(一)可行性要求1、要求连续工作每天24小时,全年365天。
2、正常使用寿命期要求15年以上。
3、在确认认可的材质工艺要求前提下,其外观质量和舒适感应有可比性的优越。
(二)控制方式1、客梯:应采用VVVF微电脑控制,开门方式为中分门。
2、自动扶梯:变频功能(低速待机)(三)操作方法供应商提供的电梯操作方法应符合:控制管理系统应在最短的时间内在电梯现在位置的基础上选择回应电梯。
为了提供高效服务,运行指挥应使电梯在任何条件下使轿厢召唤等待最少时间。
假如主要电脑出错,每个电梯应提供备用系统功能单独为层间服务,并能同时继续进行。
(四)系统要求:投标设备及所有部件需列明清单。
整机:要求产品采用国际统一商标主机:采用永磁同步无齿轮曳引机,采用原品牌,整机国内组装。
机房形式:上置机房控制柜:控制系统主要部件电脑主板、信号输出入基板采用原品牌。
门机系统:交流变频变压调速。
电梯技术规格、功能配置一办公楼有机房乘客电梯一台(一)技术规格1.1技术规格产品型号额定载重1050kg额定速度 1.5m/s层/站/门8层7站7门(二层不开门)驱动方式微机控制交流变频调压调速(要求报价时约定品牌及厂家) 操纵系统交流集选控制(JXW)(要求报价时约定品牌及厂家)运行方式单控制作标准GB7588-2003《电梯制造与安装安全规范》动力电源三相 380V 50HZ(提供动力设备的品牌及厂家)照明电源单相 220V 50HZ(约定品牌及厂家,并使用LED灯)开门尺寸宽1000×高2100(mm)轿厢尺寸宽1600 ×深1500 ×高2350(mm)井道尺寸宽2400 ×深2200(mm)地坑深度≥1650 mm 以实际测量为准请提供井道及机房设计图纸顶层高度≥ mm 以实际测量为准请提供井道及机房设计图纸门机系统变频门机开门方式自动中分双开门机房位置井道正上方1.2轿厢装饰及厅门装饰轿厢前壁发纹不锈钢,材料:厚度不低于1.5mm ,304不锈钢(含镍量不小于8)轿厢侧壁发纹不锈钢, 材料:厚度不低于1.5mm ,304不锈钢(含镍量不小于8)轿厢后壁发纹不锈钢,材料:厚度不低于1.5mm ,304不锈钢(含镍量不小于8)轿厢门发纹不锈钢,材料:厚度不低于1.5mm ,304不锈钢(含镍量不小于8)门灯横梁发纹不锈钢,材料:厚度不低于1.5mm ,304不锈钢(含镍量不小于8)吊顶标准型轿门保护红外线光幕感应(带儿童防夹\儿童锁)轿厢地板天然黑金砂花岗岩地板操纵箱数码形式轿厢位置显示及运行方向箭头(↑↓)显示,发纹不锈钢厅门各层均为304发纹不锈钢,厚度不低于1.5毫米,含镍量不低于8.门套各层均为304发纹不锈钢,厚度不低于1.5毫米,并要求下1米内衬厚度不低于1毫米的镀锌板,门套外包饰不小于门洞(左上右三侧)300毫米宽.并折扣边收口(要求使用镀锌角铁或铝合金作龙骨安装,不得使用木夹板打底).层站召唤发纹不锈钢面板,微动控钮,登记带辉光显示地坎硬质铝合金,包含安装门坎长约1100毫米,宽约250毫米,厚度不低于8毫米的铝(304不锈钢)花纹板(含做氧化处理).注:各相关尺寸以双方确认的建筑图为准。
电梯招标技术参数一、引言电梯作为现代建造中不可或者缺的交通工具之一,其安全性、可靠性和舒适性对于建造物的使用者至关重要。
为了确保电梯的质量和性能符合需求,本文将详细介绍电梯招标技术参数的标准格式。
二、电梯基本信息1. 电梯类型:本次招标项目为乘客电梯。
2. 电梯数量:招标项目需要提供的电梯数量为5台。
3. 电梯载分量:每台电梯的额定载分量为1000千克。
4. 电梯速度:每台电梯的额定速度为1.0米/秒。
5. 电梯停站数:每台电梯的最大停站数为12层。
三、电梯技术参数1. 电梯尺寸:每台电梯的轿厢尺寸为2000毫米(宽)×2200毫米(深)×2400毫米(高)。
2. 电梯井道尺寸:每台电梯的井道尺寸为2200毫米(宽)×2400毫米(深)×2600毫米(高)。
3. 电梯门尺寸:每台电梯的门尺寸为800毫米(宽)×2000毫米(高)。
4. 电梯驱动方式:每台电梯采用变频调速及VVVF驱动方式。
5. 电梯控制方式:每台电梯采用集中控制方式。
6. 电梯照明:每台电梯的轿厢内部应配备照明设施,照明光源应采用LED灯。
7. 电梯门开启方式:每台电梯的门开启方式应为中心开门。
四、电梯安全要求1. 电梯制动系统:每台电梯应配备紧急制动系统,以确保在紧急情况下能够迅速住手电梯运行。
2. 电梯救援系统:每台电梯应配备救援系统,以确保在电梯发生故障时能够安全疏散乘客。
3. 电梯安全装置:每台电梯应配备安全装置,包括超载保护装置、上下限制器、门锁装置等,以确保乘客的安全。
4. 电梯紧急通信:每台电梯应配备紧急通信装置,以便乘客在紧急情况下与外界进行通讯。
五、电梯环境要求1. 电梯噪音:每台电梯在额定负荷条件下的噪音水平应低于60分贝。
2. 电梯振动:每台电梯在额定负荷条件下的振动水平应符合国家相关标准。
3. 电梯照明:每台电梯的轿厢内部照明应璀璨且均匀,不应有刺眼的光线。
电梯技术规格参数表1. 基本信息1.1 电梯型号:____________1.2 电梯品牌:____________1.3 电梯安装位置:____________1.4 电梯使用环境:____________2. 电梯载重能力2.1 额定载重:____________2.2 最大承载人数:____________3. 电梯速度参数3.1 额定速度:____________3.2 最大提升高度:____________4. 电梯尺寸4.1 井道尺寸:高度______m,宽度______m,深度______m4.2 电梯门尺寸:高度______m,宽度______m4.3 电梯内部尺寸:高度______m,宽度______m,深度______m5. 电梯电源参数5.1 供电电压:____________5.2 电源频率:____________6. 电梯功率与能耗6.1 电器功率:____________6.2 照明功率:____________6.3 电梯起重机功率:____________6.4 平均能耗:____________7. 安全参数7.1 紧急停车按钮:有/无7.2 紧急通话装置:有/无7.3 防止超载装置:有/无7.4 防止意外移动装置:有/无8. 控制系统8.1 控制方式:____________8.2 电梯控制器:____________9. 检验标准9.1 国家标准:____________9.2 相关行业标准:____________10. 维保要求10.1 保养周期:____________10.2 保养人员:____________10.3 保养内容:____________11. 技术支持与售后服务11.1 厂家技术支持:电话____________,邮箱____________11.2 售后服务:电话____________,邮箱____________12. 备注:____________以上是电梯技术规格参数表的内容,根据实际需求进行填写即可。
电梯招标技术参数一、引言电梯作为现代建筑中不可或缺的交通工具,其安全性、可靠性和舒适性对于建筑物的使用效果和居住环境起着重要作用。
为了确保电梯的设计、制造和安装符合相关标准和要求,本文将详细描述电梯招标技术参数。
二、电梯类型根据使用场所和功能要求,本次招标需要提供以下类型的电梯:1. 客梯:用于乘客垂直运输的电梯。
2. 货梯:用于货物垂直运输的电梯。
3. 医用电梯:用于医院等医疗机构内运送病人的电梯。
4. 自动扶梯:用于人员水平运输的电梯。
三、技术参数要求1. 承载能力:客梯承载能力不低于800kg,货梯承载能力不低于1000kg,医用电梯承载能力不低于1000kg,自动扶梯承载能力不低于9000人/小时。
2. 速度:客梯速度不低于1.0m/s,货梯速度不低于0.5m/s,医用电梯速度不低于1.0m/s,自动扶梯速度不低于0.5m/s。
3. 停站层数:客梯停站层数不少于6层,货梯停站层数不少于4层,医用电梯停站层数不少于6层,自动扶梯停站层数不少于2层。
4. 开门方式:客梯和货梯采用中心开门方式,医用电梯采用两侧开门方式,自动扶梯采用连续开门方式。
5. 电梯井尺寸:根据不同电梯类型,电梯井尺寸应满足相关标准要求,确保电梯的安装和维修工作能够顺利进行。
6. 电梯控制系统:电梯控制系统应采用先进的微机控制技术,确保电梯的运行平稳、安全可靠。
7. 安全装置:电梯应配备完善的安全装置,包括电梯门锁、紧急停止按钮、超载保护装置等,确保乘客和货物的安全。
8. 节能性能:电梯应具备较高的节能性能,采用节能型电机、变频器等技术,降低能耗,减少对环境的影响。
四、技术标准和认证要求1. 电梯的设计、制造和安装应符合国家标准《电梯制造与安装安全规范》(GB 7588-2003)的要求。
2. 电梯制造商应具备相关的生产许可证和质量管理体系认证,如ISO9001质量管理体系认证。
3. 电梯应符合国家强制性产品认证要求,如中国强制性产品认证(CCC认证)等。
电梯技术标准和要求1、技术规格及基本要求1.1货物需求一览表电梯技术参数(以图纸为准)电梯产品清单【对开式】电梯进户单门电梯1.2交货时间:3个月。
安装工期:自设备到场后45天内完成。
1.3交货地点:1.4招标货物总体要求1.4.1投标范围包括:电梯的供应、安装、调试、报验收和检测等工作。
1.4.2投标设备必须满足全天候使用要求,还应保证与安防、消防系统的有效连接及接口有效。
1.4.3投标货物、设备满足安全使用的同时,必须考虑防火、防尘、耐用、节能、容易清洁及便于日常维修。
1.4.4投标的所有部件、配件的制造日期不能比整机出厂日期提前10个月以上。
1.4.5 外观质量要求:轿厢、轿门、层门、操纵盘、钥匙开关、操纵盘上舱门、按钮、厅外召唤盒、轿内及厅外数字楼层显示器等所有可见部分都不得有划痕,不得有凹进或凸出部分,连接处不得有可见的缝隙。
1.4.6所有使用的不锈钢材质应耐酸、碱、盐等化学介质腐蚀。
1.4.7轿厢门、轿厢四壁、厅门、门套所采用的不锈钢板厚度应≧1.0毫米。
1.4.8供货合同签订后7日内,卖方须向买方提供依据买方已有的井道、机房图纸和目前建筑的现状而设计的每台电梯井道、机房等相关土建布置图,供买方确认。
卖方提供的电梯土建布置图不能偏离买方提供图纸所反映的建筑设计尺寸和目前建筑的现状,并应利用目前已施工的孔洞。
1.4.9电梯的使用寿命不低于20年。
1.4.10卖方所提供的货物必须符合中国国家及北京市的有关法律、法规、条例、标准、规范等相关规定。
1.4.11供电系统:保护线(地线)的接地电阻值:≤4 欧姆;动力电源:交流380V、3相、50HZ;照明电源:220V单相、50HZ;电梯在供电电压波动±10%及供电频率波动≤±2%时仍能正常工作。
1.4.12温度及湿度:适应在北京地区温、湿度条件下使用。
所有设备应允许在较高或较低温度和较高湿度的恶劣环境条件下作短暂性的正常操作。
电梯技术规格及配置(1)电梯主要技术规格要求1 电梯种类:乘客电梯2 载重量 800公斤3 提升速度 1.0M-1.75M/秒4 总提升高度(m)(具体尺寸见施工图)6 电梯运行层站运行服务1F、4F—7F7 电梯停靠层站经停7层(5站)8电梯主服务层 1F10 井道尺寸(m)净尺寸(长X宽)(具体尺寸见施工图)11 机房尺寸(m)净尺寸(长X宽)(具体尺寸见施工图)12 机房尺寸(m)高度(具体尺寸见施工图)13 机房位置井道上置14 各层层高(m)(具体尺寸见施工图)15 冲顶高度(m)具体尺寸见施工图16底坑深度(m)(具体尺寸见施工图)17 开门方式及尺寸中分两扇门(具体尺寸按井道尺寸设定)18工作环境工作温度–10℃——45℃工作湿度≦90%RH电源要求动力电源--交流三相380V,50HZ;照明电源——单相220V,50HZ19噪音控制(最低标准)机房噪音抵于75dB(A);轿内噪音低于53dB(A);开关门噪音低于60dB(A)(2)电梯主要技术配置要求1 曳引机永磁同步无齿轮曳引机2 主控制系统 32位全电脑模块化智能控制3 变频系统先进的矢量变化技术4 通讯传输方式串行传输5 门机系统 16位变频门系统,安全装置采用光幕6 轿厢门、轿门发纹不绣钢7 门套各层均采用不绣钢门,小门套8 轿内、各楼层运行方向和楼层显示各楼层运行方向、轿内和楼层显示采用数字点阵显示9 停电应急装置使用可靠(3)电梯功能配置要求1 紧急电动运行当允许的部分安全回路短开时,使用该组按钮可移动轿厢。
2 修正运行电梯因电源扰动、断电或对电梯系统的通信干扰导致电梯停在两层之间,当电源恢复或干扰消失后,驱动系统会把电梯运行到最近楼层。
3 电源相位故障监测在电梯供电电源中一厢或几厢电压过低或断厢时使电梯停止运行;供电电源正常时电梯恢复正常运行。
4 运行时间监察当控制系统检测到因电梯的轿厢、对重或其它任何运动部件卡滞而产生的曳引机运转时间超过了设定的时间,会使曳引机停止运转。
电梯主参数及基本规格电梯作为现代城市中不可或缺的一部分,其安全性和性能指标一直备受关注。
本文将介绍电梯的主要参数和基本规格,以期帮助读者更好地了解电梯的技术特点和选购要点。
一、载重量电梯的载重量是指电梯能够承载的最大重量。
根据国际标准,常见的载重量有630kg、800kg、1000kg、1250kg等,在选购电梯时需要根据使用场所的需求进行选择。
一般情况下,住宅电梯的载重量为630kg 至1000kg,商用电梯和高层建筑的载重量要相应增大。
二、速度电梯的速度是指电梯在运行过程中的垂直运动速度。
根据使用场所的不同,电梯的速度也有所区别。
一般情况下,住宅电梯的速度为1m/s至1.5m/s,商用电梯和高层建筑的速度要更高,可达到2m/s至4m/s。
在选购电梯时,需要根据建筑物的高度和日常使用的人流量来确定适当的速度。
三、行程电梯的行程是指电梯能够达到的最大行程高度。
根据建筑物的楼层数和电梯的使用需求,行程也有所不同。
例如,一般住宅楼的行程为30m至60m,商业综合体和高层建筑的行程则要更长。
四、开门尺寸电梯的开门尺寸是指电梯门的宽度和高度。
开门尺寸的大小直接影响到电梯的进出口通行能力,同时也要考虑到使用者的需求。
一般住宅电梯的开门尺寸为800mm×2000mm,而商业综合体和高层建筑的开门尺寸要更大一些,可达到900mm×2100mm或更大。
五、驱动方式电梯的驱动方式分为液压驱动和机械驱动两种。
液压驱动技术简单、成本较低,适用于低层建筑;机械驱动技术复杂,但其运行更加平稳且能满足高层建筑的需求。
在选择电梯时,需要根据建筑物的高度和使用需求来确定合适的驱动方式。
六、安全系统电梯作为一种特殊的运输工具,安全性是最重要的考虑因素之一。
在选购电梯时,需要确保其具备完善的安全系统,如紧急制动装置、防坠落保护装置、电梯门锁检测装置等。
这些安全系统能够保障乘客的人身安全,预防意外事故的发生。
七、节能性能随着人们对节能环保的要求增加,电梯的节能性能也成为了选购时的重要指标之一。