沟槽管件尺寸对照表
- 格式:xls
- 大小:37.50 KB
- 文档页数:5
学习材料一:沟槽式管接件一、沟槽管件发展史及其用途:沟槽式管道连接件起源上世纪二战时期的美国,其创始人是总部设在宾夕法尼亚州的Victaulic(唯特利)公司,唯特利公司始建于1925年,现已成为一家全球性的跨国企业。
沟槽式管道连接件最早是用于军事的,俗话说“兵马未动、粮草先行”,为了战事的需要,同时也为了防止敌方有意破坏饮用水水源,所以需要将洁净的水输送至前方。
而战争结束后,输送洁净水的管道若能重复利用将会节约大量的费用,随着战事地点的不断变更,就需要有一种快捷的管道拆、装方法,沟槽式管道连接件连接就是在这种背景下研制而成的。
战争结束后,这种快捷、方便的连接方式被广泛的运用到各种建筑工程及其他领域中,成为金属管道连接方式的首选。
随后这种连接方式逐步被世界各国普遍采用,成为除焊接、螺纹连接、法兰连接后的又一种新型金属管道连接方式。
到目前为止,这种连接方式在欧美等发达国家已经成功运用了六七十年。
这种技术于上世纪八十年代末、九十年代初引入我国,进入二十一世纪,特别是自2002年以后得到迅猛、快速发展。
到目前为止,潍坊地区已成为全国最大的沟槽管件生产基地。
由于该产品主要应用于建筑工程的消防系统,所以人们习惯称它为消防管件。
其实它的应用范围是很多的,如建筑物的给水系统(包括冷、热水)、排水系统、空调系统、中水系统、消防系统;水产养殖中的海水引灌;石油;化工;污水处理;采矿业的地下水抽取等等(见附表),可以说只要有金属管道连接的地方均可用到,目前除输气管道尚未被广泛采用外,其他管道系统,特别是中大口径(DN80~DN400)管道的连接已广泛采用沟槽这种连接方式。
二、金属管道的连接方式及未来发展前景:前面说到,沟槽连接方式出现之前,金属管道的连接方式经历了焊接、螺纹连接、法兰连接等连接方式。
焊接和法兰连接需要采用电焊的方式进行连接,对电焊操作工的要求比较高,否则焊接部位容易出现漏焊点而造成渗漏,而且焊接工艺相对耗工费时,长距离连接还要每相隔一段距离就要增加一个伸缩弯用来解决热胀冷缩的问题,而且存在施工周期长、雨天室外无法施工等诸多弊端。
沟槽管件是一种用于连接管道的装置,其尺寸标准对于保证管道连接质量和安全性至关重要。
本文将从沟槽管件的分类、尺寸要求、测量方法等方面进行详细介绍。
一、沟槽管件的分类根据不同的用途和结构形式,沟槽管件可以分为以下几类:1. 卡箍式沟槽管件:由两个半圆形的卡箍组成,通过螺栓紧固连接管道。
2. 法兰式沟槽管件:由一个法兰盘和一个带有凸缘的管道组成,通过螺栓紧固连接管道。
3. 螺纹式沟槽管件:由一个带有内螺纹的管道和一个带有外螺纹的螺母组成,通过螺纹连接管道。
4. 焊接式沟槽管件:由一个带有凸缘的管道和一个带有凹槽的管道组成,通过焊接连接管道。
二、沟槽管件的尺寸要求1. 卡箍式沟槽管件的尺寸要求:卡箍的内径应与管道的外径相匹配,卡箍的长度应大于管道的直径。
2. 法兰式沟槽管件的尺寸要求:法兰盘的直径应与管道的直径相匹配,法兰盘的厚度应符合设计要求。
3. 螺纹式沟槽管件的尺寸要求:螺纹的长度应大于管道的直径,螺纹的螺距应符合设计要求。
4. 焊接式沟槽管件的尺寸要求:焊接接头的形式应符合设计要求,焊接接头的位置应位于管道的中心线上。
三、沟槽管件的测量方法1. 卡箍式沟槽管件的测量方法:将卡箍套在管道上,用卡尺测量卡箍的长度和内径。
2. 法兰式沟槽管件的测量方法:将法兰盘放在平面上,用游标卡尺测量法兰盘的直径和厚度。
3. 螺纹式沟槽管件的测量方法:将螺纹放在平面上,用游标卡尺测量螺纹的长度和螺距。
4. 焊接式沟槽管件的测量方法:将焊接接头放在平面上,用游标卡尺测量焊接接头的位置和大小。
四、沟槽管件的使用注意事项1. 在使用沟槽管件之前,应先检查其尺寸是否符合设计要求,如有不合格应及时更换。
2. 在安装沟槽管件时,应注意保持管道的水平度和垂直度,避免出现倾斜或弯曲现象。
3. 在紧固螺栓时,应注意控制力度,避免过度紧固导致管道变形或破裂。
4. 在使用过程中,应注意定期检查沟槽管件的状态,如有松动或损坏应及时维修或更换。
莱德沟槽管件尺寸标准1. 引言莱德沟槽管件是一种用于排水系统的重要组件。
它们被广泛应用于工业、农业、城市等领域,用于排放、转移和处理液体、气体和固体废物。
莱德沟槽管件的尺寸标准对于确保系统的正常运行和流量控制至关重要。
本文将介绍莱德沟槽管件尺寸标准的相关要点。
2. 莱德沟槽管件尺寸类型莱德沟槽管件的尺寸标准通常包含以下几个方面:2.1 内径尺寸莱德沟槽管件的内径尺寸是指管件内部空间的直径。
它对于管道系统的流量和排放能力起着关键性的作用。
通常采用公制或英制单位来表示内径尺寸,如毫米(mm)或英寸(inch)。
常见的莱德沟槽管件的内径尺寸有:25mm、32mm、40mm等。
2.2 外径尺寸莱德沟槽管件的外径尺寸是指管件外部的最大直径。
它对于莱德沟槽管件的安装和连接起着重要作用。
外径尺寸通常也采用公制或英制单位来表示,如毫米(mm)或英寸(inch)。
常见的莱德沟槽管件的外径尺寸有:50mm、75mm、110mm等。
2.3 壁厚尺寸莱德沟槽管件的壁厚尺寸是指管道壁的厚度。
壁厚尺寸对于管件的强度和耐压能力至关重要。
通常使用公制单位来表示壁厚尺寸,如毫米(mm)。
常见的莱德沟槽管件的壁厚尺寸有:2mm、3mm、4mm等。
2.4 长度尺寸莱德沟槽管件的长度尺寸是指管件的整体长度。
长度尺寸对于管道系统的安装和布局具有重要意义。
通常使用公制单位来表示长度尺寸,如毫米(mm)。
常见的莱德沟槽管件的长度尺寸有:1000mm、2000mm、3000mm等。
3. 莱德沟槽管件尺寸标准的确定方法莱德沟槽管件的尺寸标准通常根据实际需求和行业标准来确定。
下面是一些确定莱德沟槽管件尺寸标准的常见方法:3.1 国家标准不同国家有不同的标准和规范来定义莱德沟槽管件的尺寸。
例如,中国国家标准GB标准和美国国家标准ANSI标准等。
根据所在国家的标准,确定合适的莱德沟槽管件尺寸标准。
3.2 行业标准除了国家标准外,还存在一些行业标准和规范,它们更加细化和具体化。
沟槽标准深度及公差(mm)公称直径沟槽深(mm)公差(mm)DN80以内2.20 +0.3DN100~DN150 2.20 +0.3DN200~DN250 2.50 +0.3DN300 3.00 +0.5焊管及镀锌管重量表(按GB/T3091—2001标准执行)钢的密度为:7.85g/cm3钢材理论重量计算的计量单位为公斤(kg )。
其基本公式为:W(重量,kg )=F(断面积mm2)×L(长度,m)×ρ(密度,g/cm3)×1/1000各种钢材理论重量计算公式如下:名称(单位)计算公式符号意义计算举例圆钢盘条(kg/m)W= 0.006165 ×d×dd = 直径mm直径100 mm 的圆钢,求每m 重量。
每m 重量= 0.006165 ×1002=61.65kg螺纹钢(kg/m)W= 0.00617 ×d×dd= 断面直径mm断面直径为12 mm 的螺纹钢,求每m 重量。
每m 重量=0.00617 ×12 2=0.89kg方钢(kg/m)W= 0.00785 ×a ×aa= 边宽mm边宽20 mm 的方钢,求每m 重量。
每m 重量= 0.00785 ×202=3.14kg扁钢(kg/m)W= 0.00785 ×b ×db= 边宽mmd= 厚mm边宽40 mm ,厚5mm 的扁钢,求每m 重量。
每m 重量= 0.00785 ×40 ×5= 1.57kg六角钢(kg/m)W= 0.006798 ×s×ss= 对边距离mm对边距离50 mm 的六角钢,求每m 重量。
每m 重量= 0.006798 ×502=17kg八角钢(kg/m)W= 0.0065 ×s ×ss= 对边距离mm对边距离80 mm 的八角钢,求每m 重量。
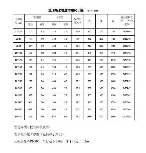
直埋热水管道沟槽尺寸表单位:mm
管道沟槽开挖及回填要求:
管顶最小覆土厚度(包括沙子厚度):
公称直径≥DN800,车行道下1.6m,非车行道下1.3m
公称直径≥DN600,车行道下1.4m,非车行道下1.1m 公称直径≥DN450,车行道下1.2m,非车行道下0.9m 公称直径≥DN350,车行道下1.2m,非车行道下0.8m 公称直径≥DN250,车行道下1.0m,非车行道下0.7m 公称直径≥DN150,车行道下1.0m,非车行道下0.6m 公称直径≥DN100,车行道下0.8m,非车行道下0.6m
直埋热水管道沟槽尺寸表单位:mm
管道沟槽开挖及回填要求:
管顶最小覆土厚度(包括沙子厚度):
公称直径≥DN800,车行道下1.6m,非车行道下1.3m
公称直径≥DN600,车行道下1.4m,非车行道下1.1m
公称直径≥DN450,车行道下1.2m,非车行道下0.9m
公称直径≥DN350,车行道下1.2m,非车行道下0.8m
公称直径≥DN250,车行道下1.0m,非车行道下0.7m
公称直径≥DN150,车行道下1.0m,非车行道下0.6m
公称直径≤DN125,车行道下0.8m,非车行道下0.6m。