交通灯控制逻辑电路设计
- 格式:doc
- 大小:52.50 KB
- 文档页数:9
一.问题提出
图 1 是十字路口交通信号灯示意图。
信号灯的动作受开关总体控制,按一下起动按钮,信号灯系统开始工作,并周而复始地循环动作;按一下停止按钮,所有信号灯都熄灭。
信号灯控制的具体要求如表 1 所示。
图 1 交通灯示意图
表 1 交通灯控制要求
二、硬件及外围元器件
根据信号灯的控制要求,本模块所用的器件有:起动按钮SB 1 ,停止按钮SB 2 ,红黄绿色信号灯各四只,输入/ 输出端口接线如图 2 所示。
三、软件设计
根据十字路口交通信号灯的控制要求,可作出信号灯的控制时序图如图3所示。
图 3 交通信号灯控制的时序图
本模块我们采用基本逻辑的编程实现信号灯的控制。
灯亮采用编程软件定时器实现,灯闪采用由定时器组成的脉冲发生器实现。
工作时,可编程控制器处于运行状态,按动起动按钮SB 1 ,则辅助继电器M100 得电并自锁,由梯形图可知,首先接通输出继电器Y6 ,及Y0 ,使得南北方向的红灯亮、东西方向的绿灯亮。
根据梯形图的文字说明及图 3 的时序图,分析交通信号灯的整个周期工作过程。
按停止按钮SB 2 ,则辅助继电器M100 断电并解除自锁,整个系统停止运行,所有信号灯熄灭。
图 6 交通信号灯控制的梯形图。
数电课程设计简易交通灯控制逻辑电路数电课程设计简易交通灯控制逻辑电路交通灯是在公路交通中起到非常重要作用的设施之一,控制着交通的流动,保证了交通的安全顺畅。
而现代交通灯的实现和控制依赖于计算机技术,而其中的控制逻辑电路就是数电课程设计中可以涉及到的内容。
在本篇文章中,我们将会详细地介绍设计简易交通灯控制逻辑电路。
一、设计思路首先,我们需要了解交通灯的基本控制逻辑:红灯亮时,车辆和行人要停止前进;黄灯亮时,表示灯将要变为绿灯,车辆和行人要注意;绿灯亮时,车辆和行人可以前进。
基于这样的控制逻辑,在数电课中我们可以使用基本的逻辑门电路以及时序电路来实现交通灯的控制。
具体而言,我们可以使用以下电路元件:1. 555 定时器2. 开关3. 七段数码管4. LED 灯5. 逻辑门我们使用555 定时器实现时序控制,通过开关控制电路的启动和停止。
当电路启动时,第一组LED 灯亮起,表示绿灯,车辆和行人可以通行;在绿灯亮起后一段时间后,第二组LED 灯亮起,表示黄灯,此时车辆和行人应注意并减速。
最后,当黄灯持续一段时间后,第三组LED 灯亮起,表示红灯,此时车辆和行人应停止前进。
在逻辑电路设计方面,我们使用74LS08 门电路,构建逻辑电路。
使用开关控制定时器和LED 灯的工作,通过逻辑电路控制LED 灯的亮灭,从而实现交通灯的控制。
二、电路设计1. 定时器电路我们使用555 定时器构建定时器电路,该电路的具体实现如下:其中,R1、R2、C1 分别控制定时器的电路,R3 控制LED 灯的电流,R4 是保护电路。
在此基础上,我们可以控制定时器的启动和停止,从而控制交通灯的控制。
2. 逻辑电路我们使用74LS08 门电路构建逻辑电路,其中包括了与门、非门、或门等基本电路。
我们可以使用这些基本电路组成复杂的逻辑运算。
3. LED 灯我们使用LED 灯作为交通灯的信号灯,对应着绿灯、黄灯和红灯。
对于LED 灯的电路连接,我们可以通过实验发现,使用三极管可以有效地控制LED 灯的亮灭。
交通灯控制逻辑电路设计————————————————————————————————作者:————————————————————————————————日期:交通灯控制逻辑电路设计一、组成分析和工作原理1组成分析如下:为了确保十字路口的车辆顺利、畅通的通过,往往都利用自动控制的交通信号等来进行指挥。
其中红灯(R)亮,表示该条道路禁止通行;黄灯(Y)亮表示停车;绿灯(G)亮表示允许通行。
交通灯控制器的系统框图如图1.1所示东西方向EW 东西方向NSG Y R G Y R系统控制电路≥1手动、单步分频时标图1.1交通灯控制器系统框图2工作原理如下:(1)要有如图1.2顺序工作流程图中设南北方向的红、黄、绿灯分别为NSR、NSY、NSG东西方向的红、黄、绿灯分别为EWK、EWY、EWG。
它们的工作方式,有些必须是并行进行的,即南北方向绿灯亮,东西方向红灯亮;南北方向黄灯亮,东西方向红灯亮;南北方向红灯亮,东西方向绿灯亮;南北方向红灯亮,东西方向黄灯亮。
(2) 应有两个方向的工作时序,即东西方向亮红灯时间应等于南北方向亮黄、绿灯时间之和,南北方向亮红灯时间应等于东西方向亮黄、绿灯时间之和。
时序工作流程图见图1.3所示。
图1.3,采用每个单位时间为4秒,则南北、东西方向绿、黄、红时间分别为16秒、4秒、20秒,一次循环40秒。
其中红灯亮的时间为绿灯、黄灯的时间之和,黄灯是间歇闪耀。
0 1 2 3 4 5 6 7 8 9 0 1 2 3 4 5tNSGNSYNSREWREWGEWY图1.3(3)十字路口要有数字显示,作为时间,以便人们更直观地把握时间。
具体为:当某方向绿灯亮时,置显示器为某值,然后以每秒减1计数方式,直至减到数为“0”,十字路口红、绿灯交换,一次工作循环结束,而进入下一步某方向的工作循环。
例如:当南边方向从红灯转换成绿灯时,置南北方向数字显示为20,并使数显计数器开始减“1”计数,当减到绿灯灭而黄灯亮(闪耀)时,数显的值应为4,当减到“0”时,此时黄灯灭,而南北方向的红灯亮;同时,使得东西方向的绿灯亮,并置东西方向的数显为20。
数字电子课程设计_____交通信号灯控制器学校:河南大学专业:自动化班级: 07自动化姓名:张利学号:目录一、设计任务书与要求 (3)二、方案设计与论证 (3)三、单元电路设计 (4)四、总原理图与单元清单 (8)五、结论与心得 (8)六、参考文献 (9)简易交通灯控制逻辑电路设计一、设计任务与要求1.东西方向绿灯亮,南北方向红灯亮,时间15s。
2.东西方向与南北方向黄灯亮,时间5s。
3.南北方向绿灯亮,东西方向红灯亮,时间l0s。
4.如果发生紧急事件,可以手动控制四个方向红灯全亮,禁止该道路的车辆通行,特殊情况过后能恢复正常。
二、方案设计与论证根据设计任务与要求,我们可以知道这个交通灯的设计是分主次干道的,两个方面的时间是不同的,东西方向通行15s,南北方向10s,这就要求我们要有两个计数器,根据我自己的经验,东西方向通行15s完,倒计时数字显示器会显示到0,然后切换到南北方向通行10s完之后, 倒计时数字显示器也会显示到0之后然后切换到南北方向,这样如此循环,这样的话我们就要设计一个16进制和一个11进制的计数器,根据我们所学和知识,可以用两片74192芯片来构成对应进制的计数器,由于是15和10之间循环切换,我们可以用利用JK触发器的翻转功能来实现两种进制计数器之间的切换;当然还有每个方向倒计时只有5s时,黄灯闪,一直到0为止,由于黄灯是当两个计数器倒计时到5时开始闪,我们就可以在这时发出一个脉冲然后一直保持到0,或者是接收0~5这段时间的脉冲都可以控黄灯只在到了这段时间才亮;还有就是一个紧急开关,我们可以控制在出现紧急情况时使用清零端使之清零,并且红灯直接接到电源,使之一直处于亮的状态。
方案一:交通灯控制原理图:图11)正常运行时倒计数首先倒计时预置数,通过秒脉冲源给器发送秒脉冲,倒计时器开始倒计时,驱动时间显示器显示,并且交通灯也正常运行,当倒计时器计到5s时,我们当然同时可以在时间显示器上看到,这时倒计时器驱动黄灯控制器,使正在亮绿灯方向的黄灯闪烁,当倒计时器计到0时,驱动计数进制转换器,使倒计时器预置为另一个进制,并同时控制和改变交通灯的显示,其实就是计数进制转换器既可以完成进制转换,也同时充当了交通灯的转换功能.如此往复循环.2)紧急情况时当按下紧急开关时,倒计时器一直处于清零状态,车辆通行的交通灯四个方向的红灯同时亮起.并且在出现紧急情况后恢复正常时通过紧急开关可以切换哪个方向先通行.1)正常运行时由555定时器计时,驱动交通灯选择器控制交通灯的显示,当一个方向的计数完成之后会产生一个脉冲,给通道选择器, 然后通道选择器驱动计数进制转换器转换到另一个进制,由计数进制转换器预置555定时器的定时时间,然后再驱动交通灯选择器控制交通灯的显示,如此往复,其中555定时器是由电阻和电容来控制定时时间,其中的计数进制转换器就可用一个数据分配器74138来选择所需电阻的大小来控制,通道择器就可用两个JK触发器构成一个四进制的计数器,其中两个输出端就可以来作为计数进制转换器74138的输入,并且这两个输出端还可作为交通灯选择器74138的输入2)紧急情况时当按下紧急开关时,使交通灯选择器的使能端为0,各个方向的红灯直接接到电源,这样可以使车辆通行的交通灯四个方向的红灯同时亮起.选择:通过这两个方案的对比,由第二个方案用的是555定时器来计时,所以无法显示倒计时的时间, 并且在出现紧急情况后恢复正常时也不能通过紧急开关切换哪个方向先通行.我觉得第一个方案更符合我们的实际要求,所以我选择了第一个方案. 三、单元电路设计1.倒计时计数器这里是采用两片74192两片芯片构成16和11进制计数器,控制个位数字的74192的减计数控制端接1HZ的脉冲输入,其中输入端A、C是接在一起并接在进制控制器的输出端。
放风筝小学生二年级作文7篇放风筝是清明时节人们所喜爱的一项活动,此时的气候风向也非常适宜放风筝。
下面是小编为大家整理的放风筝小学生二年级作文7篇,仅供参考,欢迎大家阅读借鉴。
放风筝小学生二年级作文1星期天下午,阳光明媚,微风吹拂,天气格外温暖,我的心情也很好,因为叔叔要带我去放风筝。
我和叔叔一路走一路说笑着,不知不觉就来到了广场。
广场上的人可真多呀!很多人都在放风筝。
天上的风筝一个比一个飞得高,像鸟儿一样在空中自由地盘旋。
看着一个个高高飞起的风筝,我的心痒痒的,已经有些迫不及待了。
我是第一次放风筝,所以需要身为高手的叔叔示范一次。
只见叔叔拉着风筝线边跑边慢慢放线,不一会儿,风筝便高高地飞了起来。
看着叔叔的示范,我觉得我会放风筝了。
于是,我学着叔叔的样子慢慢放线。
因为我总站在原地,风一停,风筝就会掉下来。
这时,叔叔对我喊:“跑,跑起来!”听了这话,我立马在广场上跑起来,风筝果然如叔叔说的那样飞了起来。
但是广场上放风筝的人太多了,我一放开跑,风筝线就和别人的风筝线缠在一起。
叔叔赶紧过来帮我解开风筝线,并教了几种方法避开别的风筝。
我又重新开始放,这次很顺利,风筝飞得很高。
我仰望我的风筝,它像鸟儿一样在湛蓝的天空中飞翔,和其他风筝一起,让这场空中舞会变得热闹非凡。
望着天空飞舞的风筝,我不禁想到,有时我们就像那风筝,总想飞得更高更远,可总被拿着风筝线的父母紧紧拽着,可换个角度想,没有了父母的帮助,我们怎会高高飞起?放风筝小学生二年级作文2星期天下午,秋高气爽,微风习习,我兴高采烈地和妈妈去太子山公园放风筝我的风筝是金鱼形状的,它有一双圆溜溜的眼睛、淡蓝色的鱼鳞、金色的脑袋和金黄色的尾巴,非常惹人喜爱!我们来到太子山公园,看道人们三个一群五个一伙的在放风筝。
天上无颜六色、形态各异的风筝让人眼花缭乱,有展翅高飞的老鹰,有精美别致的脸谱,有喜气洋洋的猪八戒,还有拖着长长尾巴的蜻蜓……我一边欣赏,一边和妈妈找了一个空旷的地方放风筝。
交通灯逻辑控制电路设计
交通灯逻辑控制电路设计是一项必要的交通管理技术,用于控制十字路口的交通流量和秩序。
设计交通灯逻辑控制电路需要充分考虑交通流量、车速、车辆类型等因素,以保证交通流畅和安全。
交通灯逻辑控制电路设计的原理通常是通过安装在各个路口的
传感器、控制器和信号灯来实现的。
传感器用于检测车辆和行人的流量,控制器根据传感器采集的数据来控制信号灯的亮度和颜色,信号灯则会告知驾驶员和行人当前路口的通行状态。
交通灯逻辑控制电路的设计需要考虑多个因素,例如信号灯的时长、颜色切换频率、车辆和行人通行优先级等。
通常,设计师会使用电子控制器或微控制器来实现交通灯逻辑控制电路,以确保电路的可靠性和高效性。
在设计交通灯逻辑控制电路时,需要考虑交通安全和畅通的原则,严格按照交通法规的规定进行操作,以确保驾驶员和行人的安全。
同时,还需要考虑到节能和环保的理念,最大限度地减少能源浪费和环境污染。
总结起来,交通灯逻辑控制电路设计是一项复杂的技术工作,需要依据科学依据和实践经验来进行,以确保交通流畅和安全。
电工学(少学时)课程设计中国人民公安大学交通灯控制逻辑电路设计设计要求和技术指标1、技术指标:设计一个十字路口的交通灯控制电路,每条道路上各配有一组红、黄、绿交通信号灯,其中红灯亮,表示该道路禁止通行;黄灯亮表示该道路上未过停车线的车辆禁止通行,已过停车线的车辆继续通行;绿灯表示该道路允许通行。
该电路自动控制十字路口两组红、黄、绿交通灯的状态转换,实现十字路口自动化。
2.、设计任务与要求一.基本功能1.设计一个十字路口的交通灯控制电路,要求甲车道和乙车道两条交叉道路上的车辆交替运行,每次通行时间都设为25秒;2.要求黄灯先亮5秒,才能变换运行车道;3.黄灯亮时,要求每秒钟闪亮一次。
二.基本扩展功能1.信号灯的倒计时2.进行数字显示三.特色扩展功能1.定时控制信号周期。
实际应用:我们灯控路口的每天都存在着低峰时段(如夜间),不需要设置信号灯的周期,以便节省能源。
我们设计在一个周期的某一时间段内,将交通信号灯自动关闭。
(第8个周期运行,第1-7个周期停止运行)实现手动对关闭周期的时间控制。
(周期在20和40之间通过开关控制)2.定时控制信号周期,实现在一个时段内的不对称周期。
实际应用:我们灯控路口的每天都存在着某时段(如两个车道中的一个车道需要长周期),便于交通。
我们设计在一个周期的某一时间段内,将交通信号灯变为不对称的信号(A车道为70秒,B车道为30秒)。
暂时设置为(第8个的半个周期(30秒)(自动设置为半个周期)运行,加第7个的上半周期(70秒),形成一个不对称周期。
第7个下半周期和1-6个周期正常运行)目录一、交通灯的组成 (4)二、单元电路的设计 (7)1、秒脉冲发生器 (7)2、定时器 (8)3、控制信号发发生器 (10)4.控制绿灯显示器 (13)5.控制器 (14)6、附加功能(1) (17)7、附加功能(2) (18)三、体会总结...................................................................... .. (14)四、鸣谢...................................................................... . (16)五、参考文献...................................................................... .. (17)一.交通灯的组成交通灯控制系统的原理框图如图12、1所示。
简易交通灯控制电路的设计交通灯控制电路是现代城市交通管理的重要组成部分,其设计方案的合理性和可靠性对保障人民出行的安全和畅通至关重要。
在本文中,我将介绍一个简单的交通灯控制电路的设计方案,涉及到所需材料、电路设计、电路连接和电路测试等方面,旨在提供一种可行的设计思路及实现方法。
一、所需材料1. PCB板2. AT89C2051单片机3. LCD12864液晶显示屏4. DS1302时钟模块5. 7段LED数码管6. 红绿黄LED发光二极管7. 继电器8. 12V电源适配器9. 74HC595芯片10. 电容、电阻、连接线等二、电路设计本次交通灯控制电路采用单片机AT89C2051作为控制核心,通过LCD12864液晶显示屏展示交通灯状态,并且控制红绿黄三色LED灯。
还采用DS1302时钟模块来实现交通灯的定时控制,以确保交通灯的安全和准确性。
具体的电路设计如下:1.电源模块本电路采用12V电源适配器作为供电来源,将电源接入100uf电解电容并接入AT89C2051芯片VCC引脚,以确保芯片工作电压稳定。
2.时钟模块DS1302时钟模块通过连接到P1.0、P1.1和P1.2引脚来实现对交通灯的定时控制。
还需将时钟模块的CLK、DIO和RST引脚分别连接到AT89C2051芯片的P1.4、P1.5和P1.6引脚来实现数据传输和控制信号输出。
3.LCD显示模块将LCD显示屏的RS、RW和E引脚连接到AT89C2051芯片的P3.0、P3.2和P3.1引脚,将LCD数据引脚DB0-DB7连接到AT89C2051芯片的P2.0-P2.7引脚,以在交通灯控制过程中显示交通灯状态。
4.7段LED数码管模块将74HC595芯片、CD4511译码器和7段LED数码管连接在一起,将74HC595芯片的SER、SRCLK和RCLK引脚连接到AT89C2051芯片的P1.7、P1.5和P1.6,将CD4511译码器的A、B、C、D和O引脚分别连接到74HC595芯片的Q0-Q3和74HC595芯片的Q4引脚,将7段LED数码管的公阴极连接到CD4511译码器的O引脚,在交通灯控制过程中实现倒计时显示。
交通灯逻辑电路
交通灯逻辑电路是用于控制交通灯的电路系统。
它通常包括三个灯,即红灯、黄灯和绿灯。
交通灯逻辑电路根据交通信号灯的状态来控制灯的亮灭,以实现交通指示的功能。
交通灯逻辑电路通常使用逻辑门和时序电路来实现。
其中,逻辑门包括与门、或门和非门等。
它们根据输入信号的状态来产生输出信号,从而控制交通灯的状态。
时序电路用于控制交通灯的切换时间间隔,以确保交通流畅。
交通灯逻辑电路的工作原理如下:
1. 当交通灯处于红灯状态时,红灯接收到的信号为高电平,黄灯和绿灯接收到的信号为低电平。
此时,与门的输出为高电平,控制红灯亮起,与门的输出为低电平,控制黄灯和绿灯熄灭。
2. 当交通灯处于黄灯状态时,黄灯接收到的信号为高电平,红灯和绿灯接收到的信号为低电平。
此时,与门的输出为高电平,控制黄灯亮起,与门的输出为低电平,控制红灯和绿灯熄灭。
3. 当交通灯处于绿灯状态时,绿灯接收到的信号为高电平,红灯和黄灯接收到的信号为低电平。
此时,与门的输出为高电平,控制绿灯亮起,与门的输出为低电平,控制红灯和黄灯熄灭。
交通灯逻辑电路根据交通信号灯的状态和交通流量等条件来改变不同灯的亮灭,从而提供正确的交通指示,确保交通安全和顺畅。
交通灯逻辑电路设计
交通灯逻辑电路设计是利用数字电路实现对交通信号灯的控制。
一般来说,交通灯逻辑电路包括三个部分:红灯、黄灯和绿灯。
首先,我们需要确定每个灯的状态转换条件。
例如,当交通灯处于红灯状态时,如果检测到车辆或行人通过,则应将状态转换为黄灯;当黄灯状态持续一段时间后,如果没有检测到车辆或行人通过,则应将状态转换为绿灯;当交通灯处于绿灯状态时,如果检测到车辆或行人通过,则应将状态转换为黄灯。
其次,我们需要选择合适的数字电路元件来实现这些状态转换条件。
常用的数字电路元件包括触发器、计数器、译码器等。
根据具体需求,我们可以将这些元件组合起来形成一个完整的交通灯逻辑电路。
最后,我们需要进行仿真测试以确保交通灯逻辑电路的正确性。
通过模拟不同的场景和情况,我们可以验证交通灯逻辑电路是否能够正确地控制交通信号灯的状态转换。
总之,交通灯逻辑电路设计需要考虑多个因素,包括状态转换条件、数字电路元件选择和仿真测试等。
只有在充分考虑这些因素的基础上才能设计出高效可靠的交通灯逻辑电路。
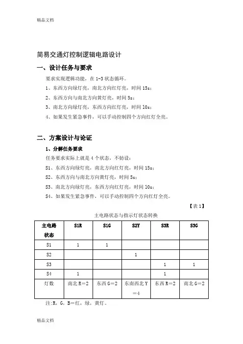
简易交通灯控制逻辑电路设计一、设计任务与要求要求实现逻辑功能,在1-3状态循环。
1、东西方向绿灯亮,南北方向红灯亮,时间15s;2、东西方向与南北方向黄灯亮,时间5s;3、南北方向绿灯亮,东西方向红灯亮,时间l0s;4、如果发生紧急事件,可以手动控制四个方向红灯全亮。
二、方案设计与论证1、分解任务要求任务要求实际上就是4个状态,不妨设:S1、东西方向绿灯亮,南北方向红灯亮,时间15s;S2、东西方向与南北方向黄灯亮,时间5s;S3、南北方向绿灯亮,东西方向红灯亮,时间l0s;S4、如果发生紧急事件,可以手动控制四个方向红灯全亮。
【表1】主电路状态与指示灯状态转换注:R,G,B=红,绿,黄灯。
根据【表1】可知,设计电路只需要5组输出端控制指示灯,指示灯都是以2个或4个一组。
总计需要1234=⨯个灯。
2、输出指示灯状态设计(显示电路)【图1】显示电路设计▲3、主电路设计①、主电路实现S1→S2→S3状态的转换,↑ ↓②、另外可以在任何一个状态进入S4,并能恢复正常工作状态。
实现①、②可以用触发器,也可以用锁存器或使能电路。
③、实现S1=15S ,S2=5S ,S3=10S 方案一①、S1-S3使用2个SR 锁存器,设置00,01,10三个状态。
②、S4使用触发器,当出现紧急情况,触发器由“0”进入S4状态“1”后,在解除紧急时,恢复“0”,进入S1状态。
③、使用4个JK触发器,实现16位计数。
方案二①、S1-S3使用2个7473替代的T触发器。
【图2】1个7473替代的T触发器▲JK触发器包含SR触发器和T触发器的功能,J=K=T,则得到T触发器。
②、S4使用或门、非门实现,从【表1】可知:=S+R11S4SS∙=(不能出现红绿同时亮的情况)GS411SS∙=(不能出现红黄同时亮的情况)Y24S2S=S+R43S3SS∙=(不能出现红绿同时亮的情况)G3S3S4③、使用74192同步可逆10进制计数器(8421码)2个方案对比【表2】综合考虑,为使电路简化、运行稳定,选用方案二。
交通信号灯控制逻辑电路设计交通信号灯控制逻辑电路设计一、引言交通信号灯是交通管理系统中至关重要的一部分,它能够有效地控制车辆和行人的安全通行。
本文旨在设计一个具有高可靠性和可扩展性的交通信号灯控制逻辑电路,以实现以下目标:1.确保交通信号灯在正确的时间点亮和熄灭;2.实现多种交通模式的控制,如日常、高峰和紧急模式;3.具备故障检测和恢复功能,提高系统的可靠性。
二、系统设计1.硬件设计交通信号灯控制逻辑电路主要由以下几个部分组成:(1)微控制器:选择具有丰富I/O端口和强大处理能力的微控制器,如STM32。
它负责处理外部输入和控制信号灯的点亮和熄灭。
(2)交通信号灯:包括红、绿、黄三种颜色的LED灯,通过微控制器的GPIO 端口控制其点亮和熄灭。
(3)传感器:包括车辆检测传感器和行人检测传感器,用于检测车辆和行人的通行情况。
(4)存储器:存储交通信号灯的状态、故障信息和交通模式等。
(5)故障检测与恢复模块:实时监测交通信号灯的工作状态,一旦发现故障,立即进行恢复。
2.软件设计(1)操作系统:选择一个适用于微控制器的实时操作系统,如FreeRTOS。
它能够实现多任务管理和优先级调度。
(2)控制算法:根据车辆和行人的通行需求,设计控制算法来确定交通信号灯的点亮和熄灭时间。
(3)通信协议:实现与上位机或其他交通管理设备的通信,传输交通信号灯的状态、故障信息和交通模式等信息。
(4)故障检测与恢复程序:在软件层面实现故障检测与恢复功能,确保系统的可靠性。
三、逻辑电路设计1.日常模式:根据预设的时间表控制交通信号灯的点亮和熄灭,同时考虑车辆和行人的通行需求。
2.高峰模式:在高峰时段,延长绿灯时间,缩短红灯时间,提高车辆通行效率。
同时确保行人安全通过。
3.紧急模式:在紧急情况下,如交通事故或火灾,开启应急闪烁模式,以提醒车辆和行人注意安全。
同时,将相关信息传输给上位机和其他交通管理设备。
4.故障检测与恢复:实时监测交通信号灯的工作状态,一旦发现故障,立即进行恢复。
目录一、设计目的及意义 (2)二、设计方案原理与分析 (2)1、分析系统的逻辑功能及其框图 (2)2、交通灯控制器的工作流程 (3)3、总体设计思路 (4)三、模块说明 (4)1、秒脉冲发生器 (5)2、定时器 (5)3、控制器 (6)4、译码电路 (8)四、总系统电路图 (8)五、主要元件管脚及其功能介绍 (9)1、555芯片 (9)2、74LS163 (10)3、74LS153 (11)4、74LS74 (11)5、74LS00 (12)6、7段数码管 (12)六、心得体会及分析 (13)七、附录(参考文献) (14)摘要:交通信号灯常用于交叉路口,用来控制车辆的流量,提高交叉路口车辆的通行能力,减少交通事故。
本交通灯设计主要由秒脉冲发生器、定时器、控制器、译码显示电路组成。
秒脉冲发生器由 555构成的多谐振荡器产生秒脉冲,定时器由74LS163实现,控制器由74LS153四选一数据选择器和74LS74双D触发器组成,译码电路采用74LS48和七段数码管来显示,红黄绿灯显示电路由逻辑组合电路组成。
控制器通过ST信号对定时器进行控制,从而显示红黄绿灯的转换。
关键字:交通灯控制器秒脉冲发生器定时器译码器一、设计目的及意义交通信号灯常用于交叉路口,用来控制车辆的流量,提高交叉路口车辆的通行能力,减少交通事故。
交通灯的颜色有红、黄、绿三种,当红灯亮时,表示该方向道路上的车辆或行人禁止通行;黄灯亮时,表示该方向道路上的行人禁止通行以及未过停车线的车辆停止通行,已过停车线的车辆继续通行;绿灯亮时,表示该方向道路上的车辆或行人允许通行;交通灯控制电路自动控制十字交叉路口两组红、黄、绿交通灯的状态转换,有序的指挥各种车辆和行人安全通行。
二、设计方案原理与分析1、分析系统的逻辑功能及其框图交通灯控制系统的原理框图如图所示。
它主要由控制器、定时器、译码器和秒脉冲信号发生器等部分组成。
秒脉冲信号发生器是系统中定时器的标准时钟信号源,译码器输出两组信号灯的控制信号,经驱动电路后驱动信号灯工作,控制器是系统的的主要部分,由它控制定时器和译码器的工作。
交通灯控制逻辑电路设计课程设计一、引言随着城市化进程的不断加快,交通流量的急剧增加给交通系统的管理带来了巨大挑战。
其中,交通灯作为交通系统中最为重要的组成部分之一,对于交通流量的控制起着至关重要的作用。
为了能够更加高效地控制交通灯的运行,交通灯控制逻辑电路设计成为了一个重要的课题。
二、交通灯的原理交通灯通常由红灯、黄灯和绿灯组成,通过控制各个灯的亮灭顺序来指示交通参与者的行驶状态。
一般情况下,红灯表示停车,黄灯表示准备行驶,绿灯表示可以行驶。
交通灯的亮灭顺序需要按照一定的时序规律来进行控制,以确保交通流畅和交通安全。
三、交通灯控制逻辑电路设计的原理交通灯控制逻辑电路设计的目标是根据交通流量的情况来控制交通灯的亮灭顺序,以实现交通流畅和交通安全。
其基本原理是根据输入信号的变化来控制输出信号的状态。
常见的交通灯控制逻辑电路设计方法有计时器控制、车辆检测控制和信号交叉控制等。
1. 计时器控制计时器控制是一种简单且常用的交通灯控制方法。
通过设置固定的时间间隔,按照固定的顺序循环切换红灯、黄灯和绿灯的亮灭状态。
这种方法适用于交通流量相对较小且稳定的情况,但对于交通流量波动较大的路口效果不佳。
2. 车辆检测控制车辆检测控制是一种基于传感器技术的交通灯控制方法。
通过安装车辆检测器,在检测到车辆存在时及时切换交通灯的状态。
这种方法能够根据实际交通流量的变化来动态地控制交通灯的亮灭顺序,提高交通的效率和流畅度。
3. 信号交叉控制信号交叉控制是一种通过交通信号控制器来实现交通灯控制的方法。
交通信号控制器是一个复杂的系统,它能够根据交通流量和信号配时参数进行智能化的交通灯控制。
这种方法能够根据实际交通情况进行灵活的调整,提高交通的安全性和效率。
四、交通灯控制逻辑电路设计的实现交通灯控制逻辑电路设计的实现需要考虑以下几个方面:1. 输入信号的获取:可以通过传感器或者计时器来获取交通流量和时间信息。
2. 信号处理和判断:根据输入信号的变化和预设的控制逻辑,判断当前应该亮灭哪个灯。
交通灯控制逻辑电路设计与总结报告第一篇:交通灯控制逻辑电路设计与总结报告交通灯控制逻辑电路设计与总结报告一、设计任务用CPLD设计路口交通灯控制器二、设计要求1、满足一下时序要求:南北方向红灯亮,东西方向绿灯亮;南北方向绿灯亮,东西方向红灯亮;2、每一方向的红(绿)黄灯总共维持30秒;3、十字路口要有时间显示,具体为:当某一方向绿灯亮时,置显示器为30秒,然后以每秒减一技术方式工作,直至减到数为4秒时,红绿灯熄灭,黄灯开始间隙闪耀4秒,减到0时,红绿灯交换,一次工作循环结束,进入下一步另一方向的工作循环;4、红绿灯均采用发光二极管;5、设计由晶振电路产生1Hz标准秒信号的单元电路(实际秒脉冲由开发箱提供);6、要求对整体电路进行仿真,观察并记录下仿真波形;7、选作部分:a、手动调整和自动控制,夜间为黄灯闪耀;b、白天黄灯亮时,以2Hz的速度闪烁点亮四秒;c、红绿灯循环点亮时间可以自由修改。
三、设计设备含有Quartus软件的电脑一台,可下载的试验台;四、设计方法使用VHDL语言进行程序的设计运行和仿真,以及波形的运行仿真,最后进行下载仿真;五、方案论证方案1:把整个流程分成几个进程来做;方案2:每个进程都使用if和case语句实现功能的实现;方案3:使用状态机来实现状态间的转换;方案论证:1、要实现整个流程,需要做的输出内容类型不同,如果放在一个进程里面就比较容易混淆,产生混乱。
而采用分成几个进程来做的方式就明确了每个模块的内容和分工,使其调理清晰,一目了然;2、if语句是条件语句,是VHDL语言中常用的基本语句。
该流程中的变量比较繁多,而使用case语句分情况列出来,简洁明了。
3、状态机的使用格式简洁,使用简单方便,特别是在进行状态的转换时候。
并行的状态转换不易出错,可将状态转换、赋值、计数等多个功能封装在某一个状态中,并且更加便于为系统添加新的状态功能。
方案选定:通过以上分析,确定用以上方案为本次设计的方案。
黑龙江工业学院数字电子技术课程设计报告院系:电气与信息工程系专业班级:14电气本八姓名:耿振学号:005指导教师:黄睿报告成绩:1.设计目的为了确保十字路口的车辆顺利、畅通地通过,往往都采用自动控制的交通信号灯来进行指挥。
其中红灯(R)亮表示该条道路禁止通行;黄灯(Y)亮表示停车;绿灯(G)亮表示允许通行。
设计一个十字路口的交通灯控制电路,要求甲车道和乙车道两条交叉道路上的车辆交替运行,每次通行时间都设为25秒;要求黄灯先亮5秒,才能变换运行车道;黄灯亮时,要求每秒钟闪亮一次2.设计任务要求要求东西方向的红、黄、绿灯和南北方向的红、黄、绿灯按照上面的工作时序进行工作,黄灯亮时应为闪烁状态;1)南北和东西车辆交替进行,各通行时间24秒2)每次绿灯变红灯时,黄灯先闪烁4秒,才可以变换运行方向3)十字路口要有数字显示作为时间提示,以倒计时按照时序要求进行显示;4)可以手动调整和自动控制,夜间为黄灯闪耀状态(选作:通行时间和黄灯闪亮时间可以在0-99秒内任意设)3.设计方案选取与论证依据功能要求,交通灯控制系统应主要由秒脉冲信号发生器、倒计时计数器电路和信号灯转换器组成,原理框图如图1所示。
秒脉冲信号发生器是该系统中倒计时计数电路和黄灯闪烁点控制电路的标准时钟信号源。
倒计时计数器输出两组驱动信号T5和T0,分别为黄灯闪烁和变换为红灯的控制信号,这两个信号经信号灯转换器控制信号灯工作。
倒计时计数电路是系统的主要部分,由它控制信(1(2)夜晚工作模式东西南北各方向黄灯亮,且每秒闪动一次,其他灯不亮。
因此总设计图如下图所示:成。
振荡器是计时器的核心,振荡器的稳定度和频率的进度决定了计时器的准确度,可由石英晶体振荡电路或555定时器与RC组成的多谐振荡器构成。
一般来说,振荡器的频率越高,计时的精度就越高,但耗电量将增大,故在设计时,一定根据需要设计出最佳电路。
石英晶体振荡器具有频率准确、振荡稳定、温度系数小的特点,但如果精度要求不高的时候可以采用555构成的多谐振荡器。
振荡周期与频率的计算公式为:T=(R1+2R2)Cln2=(R1+2R2)C,电源电压为Vcc=12V,其中电路图中C1的作用是防止电磁干扰对振荡电路的影响,课程设计中要求输出T=1S,选取电容为C=10nF,R1=Ω,根据振荡周期计算,选择电阻R2=Ω。
用multisim进行仿真,仿真图如图所示:555构成的多谐振荡器此电路就可以产生脉冲频率为1赫兹的脉冲。
以下对555定时器进行简介:NE555是一种应用特别广泛作用很大的的集成电路,属于小规模集成电路,在很多电子产品中都有应用。
NE555的作用是用内部的定时器来构成时基电路,给其他的电路提供时序脉冲。
555定时器内部逻辑电路信号灯转化器信号灯状态与车道运行状态如下:S0:东西方向车道的绿灯亮,车道通行;南北方向车道的红灯亮,车道禁止通行;S1:东西方向车道的黄灯亮,车道缓行;南北方向车道的红灯亮,车道禁止通行;S2:东西方向车道的红灯亮,车道禁止通行;南北方向车道的绿灯亮,车道通行;S3:东西方向车道的红灯亮,车道禁止通行;南北方向车道的黄灯亮,车道缓行。
用以下6个符号来分别代表东西(A)、南北(B)方向上个灯的状态:GA=1: 东西方向车道绿灯亮;YA=1:东西方向车道黄灯亮;RA=1:东西方向车道红灯亮;GB=1:南北方向车道绿灯亮;YB=1:南北方向车道黄灯亮;RB=1:南北方向车道红灯亮。
实现信号灯的转换有多种方法,现采用比较典型的方法进行设计,实现信号灯的转换工作。
若选用JK触发器,则原理如下。
JK触发器设状态编码为S0=00,S1=01,S2=11,S3=10,其输出为Q1,Q2,则其与信号灯状态关系如表3—1所示。
状态编码与信号灯关系表现态次态输出Q0 Q10 0 0 1 1 11 0Q0*Q1* 0 1 1 1 1 0 0 0 GA YA RA GB YB RB 1 0 0 0 0 10 1 0 0 0 10 0 11 0 0 0 0 10 1 0 可以得出信号灯状态的逻辑表达式:GA =Q1’Q0’ YA =Q1’Q0 RA =Q1GB =Q1Q0 YB =Q1Q0’ RB=Q1’JK 触发器的输出状态是与J 输入端的状态相同的,同时分析表3-1,触发器0的现态与触发器1的次态相同,触发器1的现态与触发器0的次态相反,因此可以将触发器0的输出端Q 、Q ’(现态)分别接触发器1的J 、K 输入端(次态),触发器1的输出端Q 、Q ’(现态)分别接触发器0的K 、J 端(次态),取触发器0为 、触发器1为 ,连接后的电路如下图所示:JK 触发器连接的电路倒计时计数器十字路口要有数字显示作为倒计时提示,以便人们更直观的把握时间。
具体工作方式为:当某方向绿灯亮时,置显示器为某值,然后以每秒减1,计数方式工作,直至减到数位“4”和“0”。
十字路口绿、黄、红灯变换,一次工作循环结束,而进入下一步某方向的工作循环。
在倒计时过程中计数器还向信号灯转换器供模4的定时信号T4和模0的定时信号T0,用以控制黄灯的闪烁和黄灯向红灯的变换。
倒计时显示采用七段数码管作为显示,它由计数器驱动并显示计数器的输出值。
根据要求,采用两片74190芯片构成计数器,因为74190是十进制同步可逆计数器,它具有异步并行置数功能、保持功能。
采用两片74190芯片可设计成00~99的百进制计数器,再根据线路连接的改变将其连接成24进制计数器。
74190没有专用的清零输入端,但可以借助QD 、QC 、 QB 、 QA 的输出数据间接实现清零功能。
其功能表如下图所示: CTEND/U CLK LOAD A B C D QA QB QC QD0 A B C D 0 1 1 减计数 0 0 1 加计数 11 0 0 0 0要实现24s 的倒计时,需选用两个74190芯片级联成一个从99到00的计数器,其中作为个位数的74190芯片的CLK 接秒脉冲发生器,再把个位数74190芯片输出端QD 用一个与门连起来,再接在十位数74190芯片的CLK 端。
当个位数减到0时,再减1就会变成9,0(0000)和9(1001)之间的QA 、QD 同时由0变为1,把QA 、QD 起来接在十位数74190芯片的CLK 端,此时会给十位数74190芯片一个脉冲数字减1,相当于借位。
则又74190芯片的功能性质可知,当个位数74190的C 管脚和十位数74190的B 管脚同时置1,CTEN 端接低电频,加/减计数控制端D/U 接高电频实现减计数,预置端LOAD 接高电频时计数,接低电频时预置数。
因此,工作开始时,LOAD 为0,计数器预置数,置完数后,LOAD 变为1,计数器开始倒计时,当倒计时减为00时,LOAD 又变为0,计数器又预置数,如此循环下去。
则连接后的电路如下图所示:倒计时计数器电路倒计时计数器与信号灯转化器的连接倒计时计数器向信号灯转换器提供定时信号T4和定时信号T0以实现信号灯的转换。
TO 表示倒计时减到数“00”时(即绿灯的预置时间,因为到“00”时,计数器重新置数),此时给信号灯转换器一个脉冲,使信号灯发生转换,一个方向的绿灯亮,另一个方向的红灯亮。
接法为:把个位、十位计数器的输出端QA 、QB 、QC 、QD 分别用一个4输入或非门连起来,再把这两个4输入或非门的输出用一个与门连起来。
T4表示倒计时减到数“04”时,给信号灯转换器一个脉冲,使信号灯发生转换,绿灯的变为黄灯,红灯不变。
接法为:当减到数为“04”(0000 0100)时,把十位计数器的输出端QA 、QB 、QC 、QD 用一个4输入或非门连起来,个位计数器的输出端QB 、QD 用一个两输入或非门连起来,再把这两个或非门与个位计数器的的输出端QA 、QC ’用一个4输入与门连接起来。
最后将T4和T0两个定时信号用或门连接接入信号灯转换器的时钟端。
则连接图如下图所示:交通灯信号控制器电路图黄灯闪烁控制要求黄灯为闪烁状态,即黄灯秒亮,秒灭,故用一个频率为1赫兹的脉冲与控制黄灯的输出信号用一个与门连接至黄灯。
在中已用555定时器连接成了频率为1赫兹的多谐振荡器。
白天夜间模式的转换根据任务书的要求,要用一个手动开关来控制白天模式与晚上模式的改变。
由经过修改之后的组合逻辑电路输出与输入的表达式可以看出,白天与夜间模式的转换由单刀双掷开关与与门或或门控制。
当开关接上边时为白天工作模式,开关接地时为夜晚工作模式。
则电路连接如下图3-5所示:白天夜间的切换开关在实际生活中,手动开关电路毕竟不方便,因此实际应用中可设计自动开关电路。
用光敏电阻或光敏二极管、光敏三极管组成光亮度检测电路,光亮度检测电路检测的电信号送入滞回电压比较器,滞回电压比较器根据光亮度输出高低电平信号,这个信号经延时电路后(可用单稳态电路实现),作为白天与夜间的自动转换开关。
这样当天黑以后经一段延时,系统自动转成夜间工作方式。
第二天天量后经一段延时,系统自动转换成白天工作方式。
在本次课程设计中选择使用手动切换白天与夜晚模式的选择。
四.仿真过程及仿真结果白天工作模式交通灯从点亮要求可以看出,有些输出是并行的:如南北方向绿灯亮时,东西方向红灯亮;南北方向黄灯亮时,东西方向红灯亮;南北方向红灯亮时,东西方向绿灯亮;南北方向红灯亮时,东西方向黄灯亮。
信号灯采用红、绿、黄发光二灯模拟。
在实际电路中,开关J2和J7闭合,使个位74190的C管脚接高电平,A、B、D接低电平;十位74190的B管脚接高电平,A、C、D接低电平,并且白天夜间的切换开关不接地。
计数器的开关如下图所示:置数法的开关连接方法白天的工作状态结果如下图3-7所示:白天工作状态夜间工作模式南北东西各方向黄灯亮,且每秒闪动一次,其它灯不亮,将设置的手动开关,拨动到接地状态。
电路图工作结果如下图3-7所示:夜间工作状态仿真电路图五.结论故障分析及总结经过一周的努力,我终于完成关于交通灯控制电路的电子课程设计,通过一周不断的查各种资料让我积累了许多实际操作经验,已初步掌握了数电的应用技术,以及数字电路的知识和有关器件的应用,我深刻体会到了数子电路技术对当今现代社会的重要性。
经过这次设计,我学会了很多的东西,学会了,构想及如何思考,怎样把计划付诸于实际行动之中。
同时与社会的不断高速发展的步伐相比,我认识到自己所学的知识和技能还远远不足,有些实际性的问题还不能够解决,缺少很多有实际运用价值的知识储备,缺乏应有的动手解决实际问题的能力,缺少高效利用及筛选大量资料的能力,缺少应有的团队合作精神,有待进一步提高,我应当学好自己的专业知识以适应不断发展的社会。
在这次课程设计中,我学会了如何有效的利用网络资源,找到了几个很不错的专业网站,为以后的查阅专业方面的信息和相互之间的交流打下了坚实的基础,学会了如何看电路图,识别电路图,提高了自己的专业技能,同时也培养了自己独立解决实际问题的能力,也培养了自己认真和严谨的科学态度,收到了很大的启发,为以后的工作积累了些宝贵的经验。