招标基本情况表(有填表说明)
- 格式:docx
- 大小:18.45 KB
- 文档页数:1
1.《企业基本情况调查表》填表说明一、调查范围、调查对象和调查内容1.调查范围:企业景气调查覆盖八个主要行业,即工业(含采矿业,制造业,电力、燃气和水的生产和供应业),建筑业,交通运输、仓储和邮政业,批发和零售业,房地产业,信息传输、计算机服务和软件业,住宿和餐饮业,社会服务业(含租赁和商务服务业,环境和公共设施管理业,居民服务业和其他服务业)等行业。
2.调查对象:上述调查范围内的各法人企业以及依照法人单位进行统计的产业活动单位。
根据国家统计局《关于企业改组重组后统计报表上报问题的通知》(国统办字\[2000\]70号)的要求,对重组后不具有法人资格的单位,政府统计部门仍按对法人企业的要求对其进行统计调查,其统计报表仍按在地原则进行报送。
这些单位应向当地技术监督部门代码管理中心申报领取分支机构代码,并按此代码及原渠道上报各种统计报表。
3.调查内容:企业的基本情况,包括法人单位名称、法人单位代码、法定代表人、联系电话、详细地址、行政区划代码、邮政编码、企业登记注册类型、国有控股情况、企业规模、行业代码、2006年主营业务收入、2006年年末从业人员和企业主要业务活动等。
二、指标解释1.法人单位名称:指经各级工商行政管理部门核准,进行企业法人登记的名称。
在填写时要求使用规范化汉字全称,即与企业公章所使用的名称一致。
凡经登记主管机关核准或批准的具有两个或两个以上名称的单位,要求填写法人名称,同时用括号注明其余的名称。
2.法人单位代码:采用国家统一规定的企业法人单位代码。
法人单位代码由八位无属性的数字和一位校验码组成。
在填写时,要按照技术监督部门颁发的《法人单位代码证书》上的代码填写。
3.法定代表人:指企业工商注册登记时的法定代表人姓名。
4.联系电话:指企业对外联系使用的电话号码。
在填报法人单位的联系电话时,还应包括企业所在地的区号。
5.详细地址:指邮电部门认可的企业所在地地址。
应包括街道(乡、镇)、村名称和门牌号码,不要填写通讯信箱号码。
招标报名表样本
介绍
招标报名表是供企业或个人填写的一种报名表格,用于向招标方表达参与招标的意愿并提供相关信息。
本文档提供了一个招标报名表的样本,用于参考和填写。
招标报名表样本
注意事项
- 请确保填写的信息准确无误。
- 如有需要,可以附上相关的资质证明或文件。
- 请按照招标方要求填写报名表。
- 请在报名截止日期前提交报名表。
- 如有疑问或需要进一步信息,请联系招标方。
以上是招标报名表的样本,希望对您有所帮助。
如有其他问题,请随时联系我们。
谢谢!。
投标人基本情况登记表
投标人基本情况登记表填表须知:投标人须完整填写本表,而且保证所有填写内容是真实和准确的。
一、投标人组织机构和法律地位:1.投标人名称:2.
成立(注册)日期及地点:3.投标人组织机构代码证编号:4.投标人法定代表人:姓名职务电话5.业务联系人:姓名职务电话手机传真6.邮政编码:7.通信地址:二、投标人财务状况:1.注册资本:2.实收资本:3.近期资产负债表:(1)固定
资产:原值:净值:(2)流动资金:(3)长期负债:(4)短期负债:三、投标人目前涉及的诉讼案或仲裁的情况(如有如实填写)涉及的另一方或另几方争端的原因涉及的金额投标人(公章):法定代表人(或主要负责人)或被授权人签名:日期:
年月日。
东莞市房屋建筑和市政基础设施工程招标投标情况报告备案表招标编号:项目名称:招标单位: (公章)东莞市住房和城乡建设局印制填表说明:1、根据《东莞市建设工程招标投标管理规定》第十五条规定,招标人在招标文件(包括资格审查文件、技术标评定标准文件、补充文件、修改文件、答疑文件等)发出的同时,将招标文件送市住建局;在确定中标人的2个工作日前,将招标公告、资格审查结果(如有)、有关评标资料送市住建局.(已按前一环节要求提交过的资料可不再重复提交)。
2、招标人自确定中标人之日起15日内,将招标投标情况按本表要求填写并携带下列资料复印件送市住建局:(1)招标公告或投标邀请书;(2)投标报名汇总表(如有);(3)招标文件;(4)资格预审文件;(5)开标、唱标、评标、定标记录;(6)委托招标代理合同;(7)中标通知书.(已按第一条要求提交过的资料可不再重复提交)。
3、凡无需填写处,均需划“/”。
4、本表一式三份,备案后招标单位、招标代理机构、市住建局各执一份.招标代理机构(公章):填报日期:200年月日填表说明:1、本表根据《关于填报中标工程造价数据的通知》(东建价〔2008〕3号)的要求填报;2、建筑类别:在相应栏内打√,或在“其它”栏下填具体名称;3、基础结构形式、上部结构形式:在相应栏内打√,或填相应名称,并在其下方栏内打√;4、主要承包项目:系指各单项工程,如房屋建筑工程中的土建工程、给水排水、强(弱)电工程、幕墙工程等;5、中标浮动率:由中标价与最高报价值比较计算得出;6、预算价与最高报价值、单列费的关系为:前者系后二者之和;7、主要装修标准:系指房屋建筑工程中的装修情况,如地面装修标准为50*50抛光砖、外墙面装修标准为玻璃幕墙(或刷防水建筑外墙涂料)等,如表中未列出者可另加页.招标代理机构(公章):填报日期:200年月日填表说明:1、本表根据《关于填报中标工程造价数据的通知》(东建价〔2008〕3号)的要求填报;2、专业:系指房屋建筑以外的其它专业,如市政、园林建筑、园林绿化、公路、水利等;3、主要承包项目:系指各单项工程,如市政工程中的道路工程、给水工程、排水工程等;4、中标浮动率:由中标价与最高报价值比较计算得出;5、预算价与最高报价值、单列费的关系为:前者系后二者之和;6、工程技术参数及规模:各承包项目的技术参数和规模应详列,如市政工程中的道路工程应注明总长度、总面积、基层结构(如200厚5%水泥石屑底层、300厚10%水泥石屑基层)、面层结构(如35厚C30砼面层)等,排水工程应注明总长度,各类管道长度及参数(如200MΦ500钢筋砼管等)附表4:中标工程主要材料价格明细表中标单位(公章):填报日期:200年月日本表共页,第页填表说明1、本表根据《关于填报中标工程造价数据的通知》(东建价〔2008〕3号)的要求填报;2、本表仅填报中标工程所涉及的主要材料及其编制价,应与投标文件中的相关内容相符;3、材料编码:系指广东省相关定额或计价办法中对各类材料的编定的号码;4、编制价:系指编制投标文件文件时的所认定的材料价格;5、有需要时,可用“备注”对所列材料及其编制价格进行补充表述;6、本表一页不够时,可另加页。
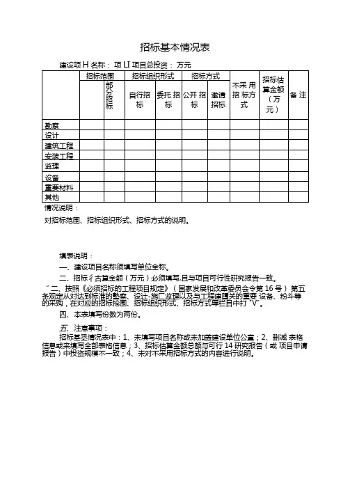
招标基本情况表
情况说明:
对招标范围、招标组织形式、招标方式的说明。
填表说明:
—、建设项目名称须填写单位全称。
二、招标彳古算金额(万元)必须填写,且与项目可行性硏究报告一致。
“ 二、按照《必须招标的工程项目规定》(国家发展和改革委员会令第16号)第五条观定从对达到标准的塾察、设辻-施匚监理以及与工程建墮关的重要设备、粉斗等的采购,在对应的招标抢围、招标组织形式、招标方式辱栏目中打 "V"。
四、本表填写份数为两份。
五、注意事项:
招标基丞情况表中:1、未填写项目名称或未加盖建设单位公童;2、删减表格信息或来填写全部表格信息;3、招标估算金额总额与可行14硏究报告(或项目申请报告)中投资规模不一致;4、未对不采用招标方式的内容进行说明。
建设工程施工投标报名表项目名称:xx建设工程项目地点:xx市招标单位:xx公司一、招标单位基本信息1. 公司名称:xx公司2. 注册资金:xx万元3. 统一社会信用代码:xxxxxxxxxxxxxxxx4. 地址:xx市xx区xx街道xx号5. 联系人:xx6. 联系电话:xxxxxxxxxxx二、招标项目概况1. 项目名称:xx建设工程2. 项目地点:xx市3. 招标内容:包括但不限于xx工程、xx工程、xx工程等4. 工程规模:总建筑面积xx平方米,地上xx层,地下xx层,xx座5. 施工周期:xx个月6. 投标截止时间:xxxx年xx月xx日三、投标人基本信息1. 公司名称:2. 注册资金:3. 统一社会信用代码:4. 地址:5. 联系人:6. 联系电话:7. 历史业绩:具体项目名称、工程规模、施工内容等8. 资质证书:承包资质证书、安全生产许可证等9. 企业信用报告:最近一年内的信用状况四、投标报价及说明1. 施工报价:xx万元(人民币,含税)2. 缴纳保证金:xx万元(人民币)3. 付款方式:xx%的合同金额作为预付款,并在工程完工后支付剩余款项4. 报价有效期:自投标截止日期起xx个月内有效5. 其他要求:(1)投标人需提供相关资料真实有效,不得提供虚假信息(2)投标人需具备相关资质和能力,能够按时保质保量完成项目(3)投标人需遵守招标文件的规定,不得私自调整报价或施工方案(4)招标单位有权根据投标情况进行评选,最终结果将以招标单位的通知为准五、签署投标人(盖章):法定代表人(签字):日期:xxxx年xx月xx日以上是对建设工程施工投标报名表的基本内容及要求说明。
希朥广大有施工能力的企业认真填写并按时提交投标文件,以便参与竞标,争取项目的施工机会。
祝各位合作愉快,谢谢!。
招标情况说明引言概述:招标是指企业或政府机构为了采购某种产品或服务而向公众发布的需求信息,以便吸引供应商提供报价和竞标。
招标过程中的情况说明对于供应商和投标人来说非常重要,因为它能够提供关于招标项目的详细信息,帮助他们做出准确的决策和准备。
本文将详细介绍招标情况的五个方面,包括招标项目的背景、需求描述、投标要求、评标标准和投标截止日期。
一、招标项目的背景1.1 项目目的和目标:详细描述招标项目的目的和目标,包括为什么需要进行招标以及期望达到的效果。
1.2 项目规模和预算:说明招标项目的规模和预算范围,以便供应商能够根据实际情况评估是否有能力参与。
1.3 项目时间表:列出招标项目的关键时间节点,包括招标开始时间、截止时间以及评标和中标公示的时间安排。
二、需求描述2.1 产品或服务的详细描述:清楚地描述需要采购的产品或服务的特点、规格和数量要求,以便供应商能够准确理解需求。
2.2 技术要求和标准:说明对产品或服务的技术要求和标准,包括质量、性能、安全等方面的要求,以确保供应商能够提供符合要求的产品或服务。
2.3 交付要求:说明产品或服务的交付时间和地点要求,以便供应商能够合理安排生产和配送计划。
三、投标要求3.1 投标资格:明确列出供应商需要具备的资格条件,如注册资本、经验要求、相关证书等,以筛选出符合要求的投标人。
3.2 投标文件:详细说明供应商需要提交的投标文件内容和格式要求,包括企业资质证明、产品样品、技术方案等,以确保投标人能够提供准确、完整的文件。
3.3 投标保证金:说明投标人需要缴纳的保证金金额和缴纳方式,以确保投标人的诚意和履约能力。
四、评标标准4.1 技术评审:说明技术评审的标准和权重,包括产品或服务的质量、性能、可靠性等方面的评估指标,以便评标委员会能够客观、公正地评估各个投标人的技术能力。
4.2 价格评审:说明价格评审的标准和权重,包括投标价格的合理性、竞争力等方面的评估指标,以确保选择到性价比最高的供应商。
投标人基本情况登记表-标准化文件发布号:(9456-EUATWK-MWUB-WUNN-INNUL-DDQTY-KII第五章投标人基本情况登记表、投标函、法定代表人身份证明书及授权委托书(格式)投标人基本情况登记表(格式)填表须知:投标人应完整填写本表,而且保证所有填写内容是真实和准确的。
一、投标人组织机构和法律地位:1、企业名称:2、企业(注册)日期及地点:3、企业组织机构代码证编号:4、企业法定代表人:姓名职务电话5、政府采购业务联系人:姓名职务电话6、邮政编码:7、通信地址:二、投标人财务状况:1、注册资本:2、实收资本:3、近期资产负债表:1)固定资产:原值:净值:2)流动资金:3)长期负债:4)短期负债:投投标人(公章):法定代表人或委托代理人签名:投标函(格式)致:柳州市财政局政府采购管理办公室、广西云龙招标有限公司根据贵方柳州市静兰片区规划路网电缆沟工程项目招标文件,项目编号LZG11-239,正式授权下述委托代理人(姓名和职务)代表投标人(投标人单位名称),提交下述文件(一至五项正本一份,副本四份,共五份:二至四项电子文档一份):一、投标人资格证明文件;(按须知第12条要求提供)二、投标报价明细表;(按第六章要求格式填写)三、项目实施方案;(按招标文件第六章要求格式填写)四、服务承诺书;(按招标文件第六章要求格式填写)五、投标人服务合格证明文件。
(按须知弟13条要求提供)据此函,代理人兹宣布同意如下:1、按招标文件项目要求和开标一览表(报价表),投标总造价(大写)人民币¥元),施工日期:自中标通知书要求签订合同之日起天(日历天)内全部材料进场,签订合同之日起天(日历天)内完成总工程量的50%,签订合同之日起天(日历天)内验收合格交付使用。
2、我方同意在投标人须知规定的开标日期起遵循本招标文件,并在投标人须知第14条规定的投标人有效期满之前均具有约束力,并有可能中标。
3、我方承诺已具备《中华人民共和国政府采购法》中规定的参加政府采购活动的供应商应具备的条件:1)具有独立承担民事责任的能力;2)具有良好的商业信誉和健全的财务会计制度;3)具有履行合同所必需的设备和专业技术能力;4)有依法缴纳税收和社会保障资金的良好记录;5)参加此项采购活动前三年内,在经营活动中没有重大违法记录。
招标基本情况表
建设项目名称:项目
填表说明:
一、建设项目名称须填写单位全称。
二、招标估算金额(万元)必须填写,且与项目可行性研究报告一致。
三、按照《必须招标的工程项目规定》(国家发展和改革委员会令第16号)第五条规定,对达到标准的勘察、设计、施工、监理以及与工程建设有关的重要设备、材料等的采购,在对应的招标范围、招标组织形式、招标方式等栏目中打“√”。
四、本表填写份数为两份。
五、注意事项:
招标基本情况表中:1、未填写项目名称或未加盖建设单位公章;2、删减表格信息或未填写全部表格信息;3、招标估算金额总额与可行性研究报告(或项目申请报告)中投资规模不一致;4、未对不采用招标方式的内容进行说明。
附件2、采购项目基本信息表
填表人: 联系方式: 审核人:
填表说明:
1、关于“项目类别”,采购项目类别的界定按照《中国移动通信集团山东有限公司采购实施办法》的有关规定分为1.工程;2.货物;3.服务;
2、关于“采购类型”,为“一集集采”、“二级集采”、“非集采”等三类;
3、关于“开支类型”,CAPEX是指资本性支出项目,OPEX是指费用性支出项目;
4、关于“采购方式”,按照《中国移动通信集团山东有限公司采购实施办法》的有关规定分为1. 公开招标;2.邀请招标;3. 比选; 4.询价;5. 竞争性谈判;6. 单一来源采购;7.法律、法规认定的其他采购方式;
5、关于“组织形式”,按照《招标投标法实施条例》的有关规定分为1.自行;2.委托;
6、关于“决策形式”,按照《中国移动通信集团山东有限公司采购实施办法》的有关规定分为1.签报;2.决策委员会;
7、“是否完成备案”,指是否在OA“采购项目备案管理”系统或电子邮件完成了采购项目的备案;
8、关于“监督方式”、“发现问题数”、“提出建议数”,由本单位监察部门填写。
并需对问题和建议进行文字说明(可另附文)。
投标报名表示例
投标报名示例
背景信息
我们是一家拥有丰富经验的律师事务所,现在我们将为您提供
一份投标报名示例文档,以帮助您顺利参与投标过程。
公司介绍
在投标报名之前,首先需要对公司进行介绍。
请提供以下信息:
- 公司名称
- 公司成立时间
- 公司所属行业
- 公司规模
- 公司的核心竞争力
- 公司的成功案例或合作伙伴
投标项目信息
接下来,需要提供具体的投标项目信息。
请提供以下内容:
- 投标项目的名称
- 投标项目的背景和目标
- 投标项目的时间要求
- 投标项目的预算范围
公司能力和经验
在投标报名中,公司的能力和经验是评估标准之一。
请提供以下信息:
- 公司的核心团队成员及其背景
- 公司在类似项目中的经验和成果
- 公司拥有的专业技能和资源
- 公司的质量管理和风险控制措施
投标报名材料
最后,提供投标报名所需的材料清单。
请列出以下内容:
- 公司营业执照副本
- 公司税务登记证明
- 公司近期财务报表
- 公司的资质证明和相关许可证书
- 公司的组织结构和人员配备情况
- 公司的参考客户或合作伙伴名单
结束语
以上是投标报名示例文档的基本内容,您可以根据实际情况进行修改和补充。
请确保材料的真实性和准确性,遵守投标规则和法律要求。
祝您投标成功!。
招标基本情况表
建设项目名称:
注:在表中对应栏中划“√”。
填表说明:
(一)招标范围:1、大型基础设施、公用事业等关系社会公众利益、公众安全的项目;2、全部或者部份使用国有资金或者国家融资的项目(1)使用预算资金200 万元人民币以上,并且该资金占投资额10%以上的项目;(2)使用国有企业事业单位资金,并且该资金占控股或者主导地位的项目;3、使用国际组织或者外国政府贷款、援助资金的项目(1)使用世界银行、亚洲开发银行等国际组织贷款、援助资金的项目;(1)使用外国政府及其机构贷款、援助资金的项目。
(二)招标规模标准:1、施工单项合同估算价在400万元人民币以上的;2、重要设备、材料等货物的采购,单项合同估算价在200万元人民币以上的;3、勘察、设计、监理等服务的采购,单项合同估算价在100万元人民币以上的;
(三)申请自行招标的应当具有编制招标文件和组织评评标的能力,并报送下列相关材料:1、项目法营业执照、法人证书或者项目法人组建文件;2、与招标项目适应的专业技术力量情况;3、内设的招标代理机构或者专职招标业务人员的基本情况;4、拟使用的专家库情况;5、其他材料。
(四)全部使用国有资金投资或者国有资金投资占控股或者主导地位的必须招标项目应当公开招标,有下列情形之一的,经核准可以采用邀请招标:1、因技术复杂或者有特殊要求,只有少数潜在投标人可供选择的;2、受自然地域限制的;3、涉及国家安全、国家机密的;4、采用公招标的费用占项目总投资的比例过大的;5、法律、法规、规章规定不宜公开招标的。
委托单位基本情况表委托单位(签章)年月日填表说明(不打印)1.用人单位:营业执照上单位全称或是公章上单位全称。
2.所属区域详细地址: 营业执照上单位详细地址或营业执照上住所地址。
3.联系人、联系电话:填写职业卫生负责相关人员或法人信息。
4.组织机构代码:营业执照上统一社会信用代码。
6.行业类别,指用人单位所从事的职业活动类型。
参照《国民经济行业分类》(GB/T 4754-2011)大类,并结合职业病危害程度进行划分。
建设项目有关7.企业规模:参照工业和信息化部、国家统计局、国家发展改革委、财政部《关于印发中小企业划型标准规定的通知》(工信部联企业〔2011〕300号)进行规模分类。
部分行业统计上大中小微型企业划分标准说明:大型、中型和小型企业须同时满足所列指标的下限,否则下划一档;微型企业只须满足所列指标中的一项即可。
8.职工总数、女工人数,指用人单位的所有职工总数,包括正式工、合同工、临时工和劳务派遣工。
数据统计节点为填表当时。
9.生产工人总数/女工人数:是指一线生产工人及一线管理人员总数。
10.接触有毒有害总人数/女工人数,指用人单位接触各种职业病危害的总人数/女工人数。
由于一个人可能接触多种职业病危害因素,总人数/女工人数不能由接触粉尘、化学毒物、放射性物质、物理有害因素和生物有害因素的人数简单相加,同时接触多种职业病危害因素的劳动者按实际人数算,不能重复统计,例如,某工作场所内既触粉尘又接触噪声的1个劳动者,按接触职业病危害1人统计。
接触职业病危害总人数,可采用工作场所内在岗职工人数减去不接触职业病危害人数的简单计算方式获得。
11.主要职业病危害因素,依据《职业病危害因素分类目录》进行填写;主要含盖粉尘类、化学因素、物理因素、放射性因素、生物因素和其他因素等六大类共计459种(详见附件1)。
附件1职业病危害因素分类目录一、粉尘二、化学因素。