Eterm学习笔记
- 格式:docx
- 大小:697.02 KB
- 文档页数:18
Eterm常用指令介绍Eterm常用指令介绍2010-07-28密码的修改(AN)每一个工作号都有密码,除营业员自己外,其他人员无从得知其他人的密码。
一般讲,计算机系统记录了每一个工作人员输入的内容,并且是通过其工作号记录的,换句话讲,一旦操作出现问题,将追究该工作号对应的工作人员的责任。
因此,每个工作人员应注意更改密码,避免工作号被他人盗用。
密码由最多5个数字及1个字母组成,如12345A,123B,9T等均是有效保密号,而123,ABC,12BB,1W2E等均不是有效密码。
保密号的修改方法如下:1.进入系统,输入工作号(SI,使用原保密号,假设为12345A);2.用AN指令进行修改;3.退出系统(SO);4.重新进入系统(SI,使用新保密号)。
指令格式AN:旧保密号/新保密号例1.假定有工作号11111,原保密号为123A,现欲改为888F。
1.进入系统:SI:11111/123A/412.用AN指令进行修改:AN:123A/888F3.退出系统:SO4.重新进入系统(SI,使用新保密号):SI:11111/888F/41可以看出,在下次再进入系统时,已改为新保密号888F。
PNR姓名组(NM)姓名组是组成旅客订座记录(PNR)必不可少的组项,它记录了旅客姓名、所订座位数、称谓、特殊旅客代码等内容。
姓名组的建立指令格式NM:该姓名的订座总数旅客姓名特殊旅客代码【格式说明】1.姓名组由英文字母或汉字组成;2.若输入英文字母的姓名,姓与名之间需用斜线分开中文姓名无此限制;)3.旅客姓名均应由英文26个字母组成,每个旅客姓名最多只能有1个斜线(/;)4.对于输入英文字母的姓名,姓不得少于两个字母;5.旅客名单按照姓氏的字母顺序排列;6.旅客姓名长度最大为55个字符;7.散客记录最大旅客数为9人,旅客数大于9人的记录为团体旅客记录。
下面介绍旅客姓名的输入方法例1.英文(拼音)姓名的输入。
输入REINHARD/HAETTI、STEFAN/PLETZER、ZHU/QI的姓名。
Eterm全部操作系统注册1.进入系统:>$$OPEN TIP C32.输入工作号 >SI:工作号/密码/级别3.查看PID状态 >DA4.退出系统 >SO5.临时退出 >AO6.恢复临时退出 >AI:工作区/工作号/密码7.修改密码 >AN:旧密码/新密码8.随时查看SIGN-IN信息 >SIIF:9.指令使用帮助 >HELP: 指令10.屏幕向上一页 >PB11.屏幕向下一页 >PN12.最前页 >PF13.最后页 >PL14.清屏指令 >CP15.重复显示当前页 >PG16.一屏显示所有内容 >PN117.查看可销售某航空公司客票权限:DDI: (航空公司代号前显示#则可以销售如: #JR)查询(未包含国外航班查询)1.航班座位可利用及相关情况显示 >AV: 选择项(P、A、E)/城市对/日期/时间/ 航空公司代码(或GDS代码)/经停标识(D,N)/座位等级※座位可利用情况标识:A 可利用座位数在9或9个以上;1~9 可利用座位个数数字显示;L 没有座位(只能候补);Q 只能申请(需向其他航空公司申请且待答复);C 航班完全关闭;X 航班取消(不允许候补或申请);S 限制销售;N 表示无位1.1直接看到航班所有座位情况 >AV: H/城市对/日期1.2在已有AV下查询回程航班 >AV:RA/日期1.3已有AV下查询“*”子舱位 >AV:C/航班序号1.4查询其他某天 >AV:+天数1.5查询当天航班 >AV: 城市对/“.”“+”“–”1.6指定日期某航班的所有舱位 >AV:航班号/日期1.7显示直达航班 >AV:城市对/日期/D1.8显示无经停航班 >AV:城市对/日期/N2. 最早有座位航班查询 >FV: 选择项(P、A、E)/城市对/日期/起飞时间/座位数/航空公司代码(或GDS代码)/经停标识/ 舱位(仅限中国民航航班信息)3. 航班飞行周期的查询 >SK: 选择项(P、A、E)/城市对/日期/时间/航空公司代码/ 舱位 (显示指定时间和前后三天共一周时间)4. 指定日期内所有固定航班查询 >DS:选择项(P、A、E)/城市对/日期/时间/航空公司代码/ 舱位5. 航班经停点和起降时间,机型的显示指令 >FF: 航班号/日期6. 指定日期的航段上的航班详细信息显示 >DSG:C/航班号/座位等级/日期/航段或RT之后, >DSG: 航班序号7. 票价信息查询(国内段) >FD: 起止城市/日期/承运人/选项已有AV中查询 >FD: 序号建立PNR一、航段组1)直接建立航段组 SS>SS:航班号/舱位/日期/航段/行动代码/订座数/起飞时间到达时间行动代码 NN :座位申请;LL:座位候补;RR:准备直接出票(可省)2)间接建立航段组 SD 先使用>AV查询,>SD:航班序号/舱位等级/日期/行动代码/订座数3)不定期航段(OPEN航段)的建立 SN>SN:航空公司代码/舱位/日期/城市对4)到达情况不明航段(ARNK段)的建立 SA (也成为地面运输)>SA:(航班/舱位)/(日期)/起止城市/状态代码状态代码DK/KK/KL/TK/HK/GK/PK:占位状态LL/DW/US/TL/HL/GL/PL:候补状态NN/UU/TN/HN:申请状态XX/HX/NO/UC/UN:删除状态5)旅客行程提示>SA MU5119Y1OCT SHAPEK HK6)调整航段顺序 CS>CS 2/1二、姓名组成人及儿童 >NM:该姓名的订座总数/旅客姓名(特殊旅客代码)婴儿 >XN:IN/婴儿姓名INF(婴儿出生年月)/ 婴儿跟随旅客代号1)英文/拼音姓名的输入 >NM:1STEPHEN/HAETTI 1ZHU/QI2)同姓旅客英文名的输入 >NM:2ZHANG/JIAN/QIANG (只适用于英文字母)3)中文姓名的输入 >NM:1杨振振 1马永4)无人陪伴儿童姓名输入 >NM:1马晓涌(UM4)5)儿童等其他特殊旅客 >NM:1马晓涌CHD6)带一个婴儿的成人输入姓名 >NM:1马永 >XN:IN/马晓涌INF(MAR01)P17)团队旅客PNR建立 >GN:团队订座人数/团名12CHANGYOU※姓名组的修改>旅客姓名序号/所需修改的旅客人数旅客姓名(特殊旅客代码)三、联系组CT (代理人联系信息、旅客联系信息)>CT:城市代码/自由格式文本/旅客标识如>CT:城市/T 电话;电话/P#;T 电话/P#四、出票组TK TL >TK:类型(TL,T)/时间/日期/出票部门/旅客标识五、特殊服务组>SSR:服务类型代码/航空公司代码/行动代号需要该项服务的人数/航段/自由格式文本/旅客标识需要该项服务的航段序号1、证件信息输入1) 国内旅客 >SSR:FOID 承运人HK/证件代码及号码/Pn (证件种类代码:NI-身份证;PP-护照;ID-其他证件)2) 国际旅客 >SSR PSPT 承运人护照号码/国籍/旅客生日/旅客姓/旅客名/性别及婴儿标识/持有人标识/Pn 注:下划线部分为必输项2、常旅客信息输入 >SSR:FQTV 承运人 HK/公司代码卡号/Pn3、特殊服务申请a)特殊餐食申请 >SSR:餐食代码 YY NN1/城市对航班号舱位航班起飞日期/文本/Pn/Snb)儿童申请 >SSR:CHLD YY NN1 儿童出生日期/Pn>SSR:UMNR YY NN1/(城市对航班号舱位航班起飞日期)/文本/Pn/Snc)婴儿 (不占座) >SSR: INFT 航空公司代码 NN1/ 婴儿姓名/BABY 出生日期(DDMMMYY)/ 旅客序号/ 航段序号(占座) >SSR: INFT航空公司代码NN1/BABY 出生日期(DDMMMYY)OCCUPYING SEAT /旅客序号常用特殊服务代码:机位申请NSSA:无烟靠走廊的座位NSSW:无烟靠窗的座位具 NSST:无烟座位SMSA:吸烟靠走廊的座位 SMSW:吸烟靠窗的座位 SMST:吸烟座位特殊餐食AVML:亚洲素食BLML:流食 CHML:儿童餐DBML:糖尿病患者餐FPML:水果拼盘 SFML:海洋餐 HFML:高纤维餐 HNML:印度餐BBML:婴儿餐KSML:犹太教餐 LCML:低卡路里餐LFML:低胆固醇、低脂肪餐LSML:无盐餐MOML:穆斯林餐 VLML:素食(含糖、鸡蛋) VGML:素食(无糖)其他PETC:宠物(需要详细说明) XBAG:额外行李(须说明数量、重量和尺寸)BSCT:摇篮车/吊床/婴儿摇篮 FRAG:易碎行李(须说明数量、重量和尺寸)BIKE:自行车(须说明数量) MEDA:健康状况(需要旅客医疗状况证明)SLPR:机舱内床铺(不包括担架) SPEQ:体育设施(须指明设备类型、数量、重量和尺寸) DEPA:被驱逐出境(有人陪伴) STCR:担架旅客DEPU:被驱逐处境(无人陪伴) UMNR:无人陪伴儿童4、其他特殊服务组5、付款方式组 FP >FP:CASH,CNY 现金>FP:CHECK,CNY 或>FP:CHEQUE,CNY 支票>FP:CHECK,CNY/CA8635-20 航空公司要求代理人输入的特殊代码 >FP:CC/卡号信用卡>FP:MS/卡号杂费证>FP:IN/CASH,CNY 婴儿票6、签注信息组 EI >EI:自由格式内容7、旅游代码组 TC >TC:F/自由格式内容(一般按照航空公司要求输入)8、票价计算组 FC单程>FC:始发城市或机场三字代码两字代码到达城市或机场三字代码该航段票价及票价类别整个PNR中航程的票价及货币代号+END结束标志联程>FC:始发城市或机场三字代码两字代码到达城市或机场三字代码第一航段票价及票价类别两字代码到达城市或机场三字代码第二航段票价及票价类别整个PNR中全航程的票价及货币代号+END结束标志9、票价组国内客票>FN:FCNYxxxx.xx/SCNYxxxx.xx/Cx.xx国际客票>FN:FCNYxxxx.xx/SCNYxxxx.xx/Cx.xx/TCNYx.xxXX/TCNYx.xxXX/TCNYxxx.xxXT 10、自动生成FN/FC/FP项PAT国内BSP客票 >PAT:选项 >PAT:A 选项国际客票 >QTE/XS FSQ, 自动生成FN/FC项: >DFSQa)手工票号输入 TKT>TKT/783-2203752149/P1b)选择制定航段进行票价计算或打票SEL>SEL: 指定航段序号c)打票预览 TKTV>TKTV: 打票机序号d)票号自动传输 STN>STN: 票号/Pn/指定航段序号e)DZ 打印PNR中所有人的客票>DZ:1 仅打印第一个成人所携带的婴儿客票>DZ:1/P1,INF 仅打印第一个成人的客票>DZ:1/P1, ADL 打印PNR中所有婴儿客票>DZ:1,INF 打印PNR中所有成人客票>DZ:1, ADL构成PNR的其他组项1、其他服务情况组OSI >OSI:航空公司代码自由格式文本/ 旅客标识2、备注组 RMK 手工加入 >RMK:自由格式文本/ 旅客标识自动加入 >RMK:航空公司代码/航空公司相对应的记录编号3、邮寄地址组 MA4、开帐地址组 BA5、选择处理组 OPPNR提取,修改,封口,取消一、PNR提取1)根据记录编号提取PNR >RT:记录编号2)根据旅客姓名提取PNR >RT:旅客姓名/航班号/日期/航段(可省略)3)根据旅客名单提取 >ML:选择项/航班号/座位等级/日期/航段或 >RT:序号4)提取完整PNR ① >RT:C/记录编号② >RT:记录编号,RT:C5)提取PNR的历史部分 >RT:U x(x为数字,表示第几次封口)6)返回到PNR的现行部分 >RT:A7)团体旅客订座记录提取 >RT:N/记录编号② >RT:记录编号,RT:N8)提取本部门在该航班的所有订座记录(RR、HK、HN、HL、HX)>ML C/CA1321/7OCT9)提取所有团体PNR记录 >ML G/CA1321/7OCT10)提取所有订妥座位的记录 >ML B/CA1321/7OCT11)提取所有未证实座位的记录 >ML U/CA1321/7OCT12)提取所有非团体PNR记录 >ML NG/CA1321/7OCT13)航空公司记录的提取和转换 >RRT: V/航空公司记录编号/航班号/日期> RRT:OK二、国内航空公司记录的提取和转换 >RRT: V/航空公司记录编号/航班号/日期>RRT: OK(@OK)三、记录分离SP >SP 1/3四、记录修改,取消1)旅客姓名修改>旅客姓名序号/所需修改的旅客人数旅客姓名(特殊旅客代码)2)删除姓名组以外的内容 >XE 序号3)取消 PNR >XEPNR@五、记录封口@正常封口 >@或\使用@K封口 >@Ka)将KK,KL或TK变为HKb)将UU,US或TL变为HLc)将TN变为HNd)将带有NI,UC,UN的项移到PNR的历史部分使用@I封口 >@Ia)航段不连续b)有航班变更标识c)两个连接航段的停留时间小于最小连接时间Q信箱处理Q代号(信箱种类)KK座位证实回复电报SR特殊服务电报TL出票时限RP各部门的联系SC航班变更{未经允许,不得随意提取} RE旅客重复订座TC机票更改GQ综合1.显示信箱种类和信件数量>QT : 信箱/工作号2.信箱开始处理指令>QS: ①信箱②工作号③信箱/工作号3.信箱延迟处理指令>QD:4.信箱释放指令>QN:5.重新显示当前信箱指令>QR :6.信箱转移指令>QC : 信箱的种类/部门代号/优先权选择(P) / E7.信箱发送指令>QE:RP自由格式内容信箱的种类/部门代号/PNR/日期/时间/优先级控制8.结束信箱处理>QD: E >QN: E翻页指令: 存Q翻页QD不存Q翻页QN存Q退出QDE不存Q退出QNE公共信息查询及辅助功能一、查询中文信息(初登陆系统的公告中)YI1)显示所有静态信息的目录 >YI2)显示不含副标题的公告 >YI标题3)显示有副标题的公告 >YI I/某标题一、24小时城市天气预报WF >WF:城市三字代码二、机场转机信息查询 DSM >DSM: PEK三、机场、国家、航空公司代码查询CNTD/CD1)查询城市/机场三字代码 >CNTD:T/城市名称(BEIJING)2)查询城市名称 >CD:三字代码(PEK)3)查询一个国家所有城市 >CNTD:A/CN4)查询国家全称 >CNTD:C/ 国家两字代码(CN)5)查询国家两字码 >CNTD:N/ 国家全称(CHINA)6)查询航空公司信息 >CNTD:D/航空公司两字代码(CA)7)查询航空公司两字代码 >CNTD:M/航空公司名称(AIR CHINA)8)查询三字代码 >CNTD:A/城市名称前几个字母四、计算CO1)四则运算 >CO:四则运算表达式2)计算两城市的时差 >CO:T/ 城市对3)显示某城市时间的GMT标准时间 >CO:T/城市代码/日期/时间4)英里换算成公里 >CO:K/英里数5)公里换算成英里 >CO:M/公里数五、日期查询 >DATE:日期/天数/天数…1)显示当前日期和星期几 >DATE:2)显示10天,90天后的日期 >DATE:10/903)显示2014年1月1日的前2天,及后20天的日期 >DATE:1JAN04/-2/20六、时间查询TIME1)显示当前时间 >TIME: 城市/日期/时间/城市/城市2)北京时间2014年1月1日零点的巴黎时间 >TIME:1JAN14/0000/CDG3)纽约时间2014年1月1日零点的北京、巴黎时间 >TIME:NYC/1JAN/0000/PEK/CDG七、长度、重量、温度换算 >CV: 符号(+,-)、数字、单位(英里MI,公里KM,摄氏度C,华氏度F,英镑LB,千克KG1)100公里换算成英里 >CV 100KM2)100英里换算成公里 >CV 100MI3)摄氏35度转化为华氏度 >CV 35C4)华氏95度转化为摄氏度 >CV 95F5)10英镑转化为公斤 >CV 10LB6)10公斤转化为英镑-磅 >CV 10KG八、翻页功能1.屏幕向上一页 >PB2.屏幕向下一页 >PN3.最前页 >PF4.最后页 >PL5.重复显示当前页 >PG6.一屏显示所有内容 >PN:1九、旅游信息查询TIM1)查询签证信息 >TIM:TIFV2)查询健康检疫信息 >TIM:TIFH3)同时查询签证、健康检疫信息 >TIM:TIFA4)查询与出入境有关的信息 >TIM :TIDFT/城市/章节/小标题/页码5)显示TIM帮助功能 >TIM:TIHELP6)显示TIM中有关规则 >TIM:TIRULES7)显示综合旅游信息新闻 >TIM:TINEWS8)显示下一页 >TIPN9)显示上一页 >TIPBBSP打票1.显示打票机工作状态 >DI:打票机序号2.建立打票机控制 >EC: 打票机序号3. 输入正确票号的流程 >XO: 打票机序号 >TN: 打票机序号X /起始票号检查位-结束票号 >TO: 打票机序号4.清除积票的流程 >DI: 打票机序号 >TE:1/X >DQ: 打票机序号 >TE: 打票机序号/U5. 将积压客票打印出来的流程 >DI: 打票机序号 (检查积票情况和票号) >XO: 打票机序号 >TO: 打票机序号以上全部为本票操作指令。
MBA英语词汇课堂笔记(F to M)(By 陈雪峰 2011-04-24)103.Fabric n. 纺织物imported ~104.Fabricate v. 编造~ an excuse/a will (遗书)105.Facilitate = boost v. 有助于106.Faculty = staff n.全体职工the faculty of law school 法学院factory n. 工厂manufacture v. 制造107.Fade (废的) ~ away 逐渐消失~ing memory/ voices/ flowers 衰退的记忆/逐渐减弱的声音/逐渐枯萎的花朵(根据形容词褒贬词性翻译)108.Faint = feeble(非抱) adj. 虚弱的、E.g Faint heart never won fair lady.a ~ hope/ action 渺茫的希望/毫无用处的行动109.Faith = confidence n. 信念110.Fake = artificial adj/v./n. 假的111.Familiar adj. 熟悉的be ~ with = acquaint112.Famine (饭民) n. 饥荒Pollution can bring about ~.113.Fancy (←fans ) n. 一时的爱好have a ~ / an appetite / a taste / a liking for sth~ women / man 小三/ 情夫114.Fantastic adj. ①极好的;②不切实际的115.Fare n. (车、船、飞机等)费,E.g I don't care about ~. 我不差钱。
allowance n. 津贴/补贴tuition n. 学费fee n. 费→ forfeit n. 罚款→ counterfeit n. 假币tariff n.关税;duty n. 税;tax n. 税×(很少考)revenue n. 收入(指国家收入);payment n. 付费116.Fascinate = appeal v. 吸引117.Fashionablecome into fashion 进入时尚;out of fashion/ date 过时118.Fatal = deadly (详见fate)150.Fatiguefatiguing adj. 令人疲惫的;fatigued adj. 感到疲惫的151.Faulty (←fault = blunder)152.Favor in ~ of = support 支持;~ sb's flavor 迎合某人的口味153.Favorable (褒义)~ weather/ condition/winds (根据褒贬词性翻译) infavorable (贬义)154.Favourite (阅读中出题点,通常隐晦最高级)155.Fear = awe = dread (阅读中×)156.Feasible = practical adj. 可行的 a ~ plan/ boy (褒义属性)feast(V.) one's eyes / ears / mouth 大饱眼福、耳福、口福158.Featdefeat = beat159.Feature = characteristic160.Federal (不出题) FBI = Federal Bureau of Investigation161.Federation = ally = league = fellowship = association162.Fertile = productive adj. 多产的;infertile adj. 贫瘠的163.Fiction n. 小说;fictious adj. 虚构的;science fiction 科幻小说164.Fierce adj. a ~ dog/ competition 一条恶狗/激烈的竞争pierce v. 刺穿= penetrate v. 刺穿;看穿~ eyes/ sb's motive 犀利的眼神/看穿某人的动机have one's ears pierced 打耳洞165.Figure v. 认为,以为(唯一的考法,并不多见)166.File = document n. 档案167.Filter ~ out / through e.g Sunlight ~ through the leaves. 阳光透过树叶。
航空售票ETERM操作指令操作手册1.航班信息查询AV:城市对/日期/起飞时间/航空公司代码/经停标志/座位等级“+”表示明天“N”表示经停“D”表示直达2.航班经停点及起降时间的显示FF:航班号/日期例:FF:1321/19MAY3.票价查询 FD:城市对/航空公司代码例:FD:PEKSHA/CA从已有的AV中查询票价 FD:序号4.订票:(注:请一次性封口)(成人)SD1(航段)Y(舱位)/1(人数)(回车)NM1计算1管理(名字中间用数字1隔开)(回车)TKTL(预定时间)/1200/19MAY/SIA000(回车)SSR FOID MU HK/NI545123152(身份证)(回车)CT4524545(联系电话)(回车)@或\ F12(输入)(儿童)SD1(航段)Y(舱位)/1(人数)(回车)NM1计算CHD1管理CHD(名字中间用数字1隔开,在名字后面加上CHD标志)(回车)TKTL(预定时间)/1200/19MAY/SIA000(回车)CT4524545(联系电话)(回车)@或\ F12(输入)(婴儿)与大人在同一个记录,但是婴儿不占座位(回车)SD1(航段)Y(舱位)/1(人数)(回车)NM1计算1管理(名字中间用数字1隔开)(回车)TKTL(预定时间)/1200/19MAY/SIA000(回车)XN:IN/名字INF(出生月和年)/P1(回车)SSR FOID MU HK/NI545123152(身份证)(回车)CT4524545(联系电话)(回车)@或\ F12(输入)5.订票:(成人)SD1(航段)Y(舱位)/1(人数)(F12)NM1计算1管理(名字中间用数字1隔开)(F12)TKTL(预定时间)/1200/19MAY/SIA000(F12).SSR FOID MU HK/NI545123152(身份证)(F12)CT4524545(联系电话)(F12)@或\ F12(输入)(儿童)SD1(航段)Y(舱位)/1(人数)(F12)NM1计算CHD1管理CHD(名字中间用数字1隔开,在名字后面加上CHD标志)(F12)TKTL(预定时间)/1200/19MAY/SIA000(F12)CT4524545(联系电话)(F12)@或\ F12(输入)(婴儿)与大人在同一个记录,但是婴儿不占座位(F12)SD1(航段)Y(舱位)/1(人数)(F12)NM1计算1管理(名字中间用数字1隔开)(F12)TKTL(预定时间)/1200/19MAY/SIA000(F12)XN:IN/名字INF(出生月和年)/P1(F12)SSR FOID MU HK/NI545123152(身份证)(F12)CT4524545(联系电话)(F12)@或\ F12(输入)6.做假RRRTSKIKS(记录编号)(输入)XE(出票时限项)(回车)TKT/999-0000000000(假票号)(回车)2RR(把航程项做RR) 输入7.PNR取消整个记录:XEPNR@SKSKI(加记录编号)取消记录中的一个人:XEP1(1代表所取消的第几个人)PNR的历史记录.,先提记录,RTU1要往下翻页:RTC|记录|PN如果是记录往下翻只能翻两次:第一次:RT记录|PN 第二次:RT 记录|PN|PN8.团队定位(注请一次性封口)例: AV查询航班(输入)SD1(航段)Y(舱位)/25(人数)(回车)GN:25kxun (回车)TKTL(预定时间)/1200/19MAY/SIA000(回车)CT4524545(联系电话)(回车)@或\ F12(输入)生成记录后再输入名单(注在输入名单的时候最多只能输入一行,然后穿入,不能回车接着输入)团队取消:XEG 取消一人 XEGP1(1是指第几个人)RTN团队记录里已入的名单9.团队订票(独占30秒订票,必须在规定时间内完成订票)10.用短信方法通知客人定票信息首先提出记录编号(输入)RMK MP 电话号码(输入)SMS I/记录编号(输入)11航班时刻显示SK:选择项/城市对/日期/时间/航空公司代码/舱位例:SK PEKCAN/19MAY 指定日期前后三天内航班信息12 0查询三字代码 CNTD:T/BEIJING查询城市名称 CD:PEK13特殊服务信息(OSI/SSR)国航知音卡SSR FQTV CA HK/NN………/P1特殊餐食的输入法例:SSR SPML CA NN1 LOW SALT/P1例:SSR VGML CA NN1 P1/S2或:SSR SPML CA NN1 PEKSHA CA1501 Y 19MAY LOW SALT/P1 餐食代码:SPML 特殊餐食申请 VGML 素食(不含奶,蛋制食品)AVML 亚洲素食 VLML 素食(专门牛奶,蛋)LSML 低盐餐 MOML 穆斯林餐ORML 东方餐 BBML 婴儿,儿童餐CHML 儿童餐申请定位SSR OTHS MU(航空公司代码)KK,V(舱位)THANKS计算功能CO加数天气预报WF加所查城市例:WFSIA14儿童,婴儿及豁免的外交官免税输入方法FM:FC NY…../SCNY…../C…../TEXEMPTCN15.国际票定座(注请一次性封口)SD1(航段)Y(舱位)/1(人数)(回车)NM1计算1管理(名字中间用数字1隔开)(回车)TKTL(预定时间)/1200/19MAY/SIA000(回车)SSR FOID MU HK/NI545123152(身份证)(回车)CT4524545(联系电话)(回车)@或\ F12(输入)16国际运价RT记录QTE: 输入注:1.QTE指令最多可以计算16个航段的运价,当航程段超过8段时,QTE后,系统不能立即算出其结果,而是给出一个编码,然后再使用XS FSI/编码,找到其结果2.如果使用XS FSI/编码依然没有结果时,2分钟之后再使用XS FSI/编码提取结果QTE指令的实质是XS FSP或XS FSI指令国际运价NFI显示运价附加规则:XS FSG2 2是QTE中票价的序号17.注共享出来的帐号,可以出电子客票!指令:1.RT记录编号 PAT:A F12输入2.TXE(预出票时限前的序号) F12输入3.ETDZ:2(打票机号) F12输入4.航段RR F12输入先出票在做“RR”18.PID共享出来的帐号可以支持纵横中国的票价及其它指令指令:PAT:#YZZS PAT:#3UZZ 儿童价格输入:PAT:*CH TKTV:打票机号独占30秒指令:30LOCK 永久独占指令:MXLOCK 释放独占:UNLOCK F12输入销售日子查询指令:tsl:c/打票机号翻页:PN做假RR后的出票指令rt记录编号|票号序号at/城市对/./bjs001(代号)|etdz: 打票机号PID服务器共享用户,支持虚拟支付账户,通过eterm在线支付出票虚拟帐户余额查询 fare F12 输入虚拟帐户在线出票指令:1.RT记录编号 PAT:A F12输入2.*记录编号支付指令(如果PID共享里有多个航信配置时,*记录编号&指定office号) F12输入19.大记录转换小记录指令:rrt:v/记录/航班号/日期|rrt:ok20.如果PAT:A穿出来没有票价或是需要修改的票价的,PAT:A穿入不能出来新的FN FC FP,得手工输入FN FC FP1:直接pn:fd tsl nfd nfi tktv qt2:限制xe: 在共享帐号的指令限制里选择LXE,该帐号就只能xe 本office号的记录。
第一部分:基本培训资料1.…………………………………………………………..操作认识(基本常识)2.…………………………………………………………..黑屏认识(基本常识)3.…………………………………………………………..系统查询(基本常识)第二部分:航空基础业务附图解实例目录第一章航空基础知识.......................................一航空公司中星期与月的表示...........................第二章基础操作指令.......................................一指令:AVH..........................................二指令:FF...........................................三城市查询指令.......................................四翻页、帮助指令.....................................五 FD指令 ............................................第三章旅客订座记录PNR ...................................一订座PNR的构成.....................................二 PNR的提取RT指令 ..................................第四章电子客票状态.......................................一 DETR:TN指令 ......................................二 DETR TN/票号,F指令 ...............................三 DETR TN/票号,S 指令................................四 DETR NI提证件号指令 ...............................五 DETR NM提乘客姓名指令 .............................六 PAT:A价格指令 .....................................基本资料一、操作认识1、键盘清屏键:CTRL+A 或 CP输入键:数字键盘回车键或者 F12 (确定键)换行:大键盘回车键上页:F6 PB下页:F5 PN全屏显示:PG12、携带免费行李头等舱:免费随身携带40公斤行李商务舱:………… 30公斤……经济舱:………… 20公斤……3、办理登机牌必须携带有效身份证件方可办理:如:身份证、儿童户口、婴儿出生证、军官证、士兵证、护照、回乡证、港澳通行证、台胞证、临时身份证。
指令关系结构状态及行动代码:DA指令显示营业员的工作号和本台终端的pidOffice号是pek099 改变office号uc:pek001 修改成功会提是accepted改变airline ual:cz 修改成功没有提示,等待其他输入,修改不成功,提示数据说明: office号决定主控区域1-5行(A-E):五个工作区,用于使用者输入专用工作号的显示.其后面的英文AVAIL(或者UNAVAIL)表示工作区的状态为可用(不可用),在pid建立时定义。
6行PID:当前配置在系统中的设备号。
每一个E-TERM的黑屏,在进入系统后都有一个固定的PID编号。
在账号建立时就分配好的HARDCOPY:当前PID相连的打印机设备号。
一般定义为1112,在用户需要使用自己的航信系统打印机配置时,才定义其他号。
7行TIME:输入da指令时的系统时间DATE:输入da指令时的系统日期HOST:代理人分销系统名CAAC 如果是,表示所在主机分区“A”,航信分销系统将会进入系统的pid分配不同的处理主机,因此还可能显示B,C 。
8行AIRLINE: 如果是1E表示代理人分销系统,1Es是代理分销系统的通用两字代码。
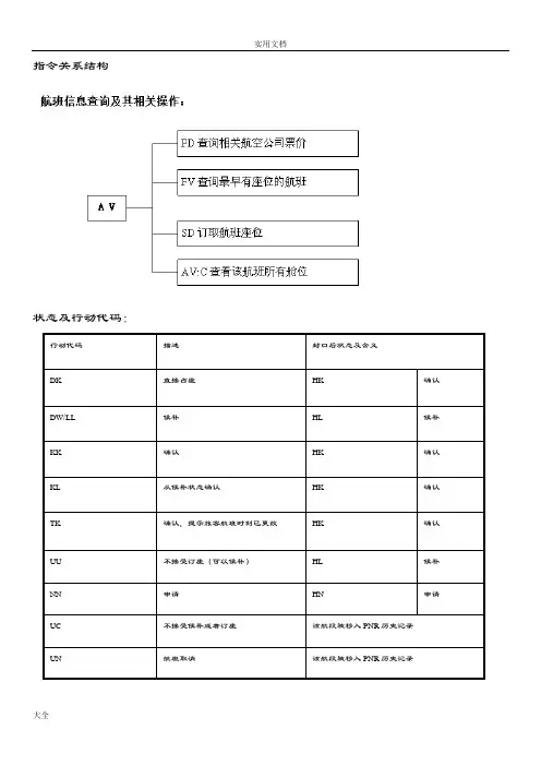
也有可能使航空公司的两字代码SYSTEM:系统版本号APPLICATION:主机分区情况登陆系统:$$open tipdxX=1 表示进入ics系统X=2 表示进入离港系统X=3 表示进入crs系统Eterm c 系统代理人系统Eterm b 系统航空公司系统Eterm j 系统离港系统1 AV指令:AV指令用于查询航班座位可利用情况,及其相关航班信息,如航班号、舱位、起飞时间、经停点等,是一个非常重要的指令。
指令格式:AV:选择项/城市对(两个城市的三字代码)/日期/起飞时间/航空公司代码(二字代码)/经停标识/座位等级上述各项中只用城市对必须写其他各项都是可选的选择项有三种:(默认是p)p 显示结果按照起飞时间先后顺序排列a 显示结果按照到达时间先后顺序排列e 显示结果按照飞行时间由短到长排列查询结果中如果航班号前面有*,则表示是代码共享2 FV指令:FV功能提供了最早有座位的航班信息,它显示容与AV相似。
值机eterm指令一、工号级别设定控制室:81(最高级别)、82(普通控制)、96(建立航班,T-CARD)值机:91(普通值机员)、86(值班主任,可以改名字)配载:102(普通)、101(控制)二、ETKD TN/票号(13位数字)ETKD NI/身份证号或者其他号码ETKD PP/护照号三、如何接候补1、看候补的航班是否开放2、看是否放候补3、看是否有剩余载量4、看是否还有座位ETKD查询票面PACA4402/.YCTU1QIUTING,ET1,URESPA是固定格式(接收的意思)CA4402是接收候补的航班号/是固定格式“.”点是代表日期“-”减号是昨天“.”点是今天“+”是明天Y是舱位等级CTU是候补的目的地(注意旅客所买的客票目的地和候补航班的目的地必须一致)1QIUTING是旅客姓名“,”逗号是固定格式ET1是候补电子客票段数 1是第一段“,”逗号是固定格式URES是固定格式附:接收候补简化形式1、已经缺省候补航班2、ETKD查询票面3、PAYCTU1QIUTING,ET1,URES接候补经常出现的代码:STL 座位分配原因 URES GS限额限制 CAP 座位数不够PAD 超过ID人数限制 WTL 业载限制 LM 超过登机人数限制例题:2019年4月22日张三旅客买了一张拉萨飞往成都CA4402航班成人经济舱全价票,客票号999457246512 身份证号123321.因误机,候补至CA4442航班上,写出指令流程?接收CHD,VIP,GM候补:接收CHDPA航班号/日期舱位目的地姓名CHD,ET段数,URES接收VIPPA航班号/日期舱位目的地姓名VIP,ET段数,UERS接收GMPA航班号/日期舱位目的地姓名GM,ET段数,URES例题:1、接收候补旅客到CA4406拉萨成都姓名王大伟电子客票段数为1段证件号110232,此人为军残,写出候补指令。
2、接收南航儿童候补到CZ3464拉萨重庆姓名王晓电子客票段数为1段,证件号20060504,写出流程?四、航班概况显示 SYCL0955:值机中间关闭时间 NAM以姓名方式办理CWT 航班总业载 UWT 仍可利用CWTCAW 配载允许业载(航班总业载扣除货油业载后的值机允许业载)UAW 值机仍可利用CAWWTN:重量表号 KG:重量单位公斤GT:登机口 POS/GATE:飞机停靠位置 BN:最大登机号AK:航班控制员(此表未设置) CD:航班控制终端(此表未设置)BDT:登机时间 SD:计划离港时间 ED:预计离港时间CI:值机初始关闭时间CNF:各等级座位布局 CAP:各等级最大载客量AV:各等级仍可利用座位数R:各等级订座人数 C:各等级已办理值机手续的旅客人数B:行李件数/重量 UB:速运行李件数/重量 I:婴儿CHD:儿童 SB:各等级候补旅客人数 SA:利用剩余吨位的旅客人数BAG:转机行李件数/重量 RET:各等级电子客票旅客人数五、座位图显示:SECA4401/.*CTULXA六、显示旅客名单PDPDCA4112 /.*CTULXA,选择项或 PD*,选择项ACC 已接受旅客NACC 未接受旅客VIP 要客PSM 特殊服务旅客INF 带有婴儿旅客CHD 儿童GRP 团体NGRP 不包括团名AEC AEC换飞机后未确定座位的旅客AECX AEC换飞机后,座位号与原座位号不同的旅客I 进港旅客,转港旅客O 联程旅客ASR 预留座位的要客VIPCRS 值机留座的旅客RES 预留座位的团体旅客WCH 轮椅旅客BLND 盲人DEAF 耳聋旅客STCR 担架旅客DEL 被删除的旅客EXBG 行李超重的旅客UPG 升舱的旅客DNG 降舱的旅客EXST 额外占座的旅客FF 常旅客URES 候补旅客SBY 候补状态旅客Z 转换航班旅客BN 按登机号显示BAG/ALL 所有有行李的旅客AGT/500 看工作号500办理的旅客SIP 看代码共享航班旅客七、提取旅客详细纪录PRRL:记录编号 BN:登机号 Z:舱位ASR:预留座位的要客ACC 接受MOD 修改BAG 行李牌放出或重新放出DEL 被删除,包含DEL之前的信息RES 订座留座SBY 候补状态R 重新打印行李牌SEA 重新分配座位的旅客,自动换飞机Z 转换航班的旅客ASR 所占座位为预定VIP座位XBT 不打印行李牌BC 重新打印登机牌八、提取旅客记录的几种简化格式 RL/RN/FB/FSNRL RN FB FSN>RL:JJJJJ 根据记录编号提取旅客记录>RN:NAME 根据姓提取旅客记录>FB:BN 根据登机号提取旅客记录>FSN:SEAT 根据座位号提取旅客记录九、接收旅客 PA信息列表:(一)申请座位类别:R..→普通申请 SNR..→特殊申请W--窗口 I--走道 C--中间座 Q--安静座 E--临近出口F--靠前 A--靠后 M—看电影 S--吸烟座 N--不吸烟座L--靠左 R--靠右PA1-4 接收四名旅客PA1,1/20;3,CHD1;4;6 接收团体内几名旅客 ; 隔开不同序号PA1,UM1 接收无人陪伴PA1,EXST 接收额外占座,占用一个GO-SHOW限额PAY1LI/LI,URES(,ET1) 接收候补旅客PA:仓位1 姓名,URES 接收GO-SHOW旅客。
状态及行动代码:DA指令显示营业员的工作号和本台终端的 pidOffice 号是 pek099 改变 office 号 uc:pek001 修改成功会提是 accepted改变 airline ual:cz 修改成功没有提示,等待其他输入,修改不成功,提示数据说明 : office 号决定主控区域1-5行(A-E):五个工作区,用于使用者输入专用工作号的显示.其后面的英文AVAIL(或者UNAVAIL表示工作区的状态为可用(不可用),在pid建立时定义。
6行PID :当前配置在系统中的设备号。
每一个 E-TERM帐号的黑屏,在进入系统后都有一个固定的PID编号。
在账号建立时就分配好的HARDCOPY!前PID相连的打印机设备号。
一般定义为 1112,在用户需要使用自己的航信系统打印机配置时,才定义其他号。
7行TIME:输入da指令时的系统时间DATE: 输入 da 指令时的系统日期HOST:代理人分销系统名CAAC如果是,表示所在主机分区“ A”,航信分销系统将会进入系统的 pid 分配不同的处理主机,因此还可能显示 B, C 。
8行AIRLINE:如果是1E表示代理人分销系统,1Es是代理分销系统的通用两字代码也有可能使航空公司的两字代码SYSTEM :系统版本号APPLICATION :主机分区情况登陆系统: $$open tipdxX=1 表示进入 ics 系统X=2 表示进入离港系统X=3 表示进入 crs 系统Eterm c 系统代理人系统Eterm b 系统航空公司系统Eterm j 系统离港系统1AV 指令 :AV指令用于查询航班座位可利用情况,及其相关航班信息,如航班号、舱位、起飞时间、经停点等,是一个非常重要的指令。
指令格式:AV:选择项/城市对(两个城市的三字代码”日期/起飞时间/航空公司代码(二字代码)/ 经停标识 / 座位等级上述各项中只用城市对必须写其他各项都是可选的选择项有三种:(默认是 p)p 显示结果按照起飞时间先后顺序排列a 显示结果按照到达时间先后顺序排列e 显示结果按照飞行时间由短到长排列查询结果中如果航班号前面有 * ,则表示是代码共享2FV 指令:FV功能提供了最早有座位的航班信息,它显示内容与AV相似。
Eterm电子客票V掉票号,不能再恢复,切忌V的时候,要确认清楚。
1. 航班信息查询AV:城市对/日期/起飞时间/航空公司代码/经停标志/座位等级“”表示当天“+”表示明天“-”表示昨天“N”表示经停“D”表示直达2.航班经停点及起降时间的显示 FF:航班号/日期例:FF:1321/19MAY3.票价查询 FD:城市对/航空公司代码例:FD:PEKSHA/CA从已有的AV中查询票价 FD:序号4.订票:(注:请一次性封口)(成人)SD1(航段)Y(舱位)/1(人数)(回车)NM1计算1管理(名字中间用数字1隔开)(回车)TKTL(预定时间)/1200/19MAY/SIA000(回车)SSR FOID MU HK/NI545123152(身份证)(回车)CT4524545(联系电话) (回车)@或\ F12(输入)(儿童)SD1(航段)Y(舱位)/1(人数)(回车)NM1计算CHD1管理CHD(名字中间用数字1隔开,在名字后面加上CHD标志)(回车) TKTL(预定时间)/1200/19MAY/SIA000(回车)XN:IN/名字INF(出生月和年)/P1(回车)CT4524545(联系电话) (回车)@或\ F12(输入)(婴儿)与大人在同一个记录,但是婴儿不占座位(回车)SD1(航段)Y(舱位)/1(人数)(回车)NM1计算1管理(名字中间用数字1隔开)(回车)TKTL(预定时间)/1200/19MAY/SIA000(回车)XN:IN/名字INF(出生月和年)/P1(回车)SSR FOID MU HK/NI545123152(身份证) (回车)CT4524545(联系电话) (回车)@或\ F12(输入)5.做假RRRTSKIKS(记录编号)(输入)XE(出票时限项) (回车)TKT/999-0000000000(假票号) (回车)2RR(把航程项做RR) 输入6.PNR取消整个记录:XEPNR@SKSKI(加记录编号)取消记录中的一个人:XEP1(1代表所取消的第几个人)PNR的历史记录.,先提记录,在RTU1要往下翻页:RTC|记录|PN如果是记录往下翻:RT记录|PN7.团队定位(注请一次性封口)例: AV查询航班(输入)SD1(航段)Y(舱位)/25(人数)(回车)GN:25kxun (回车)TKTL(预定时间)/1200/19MAY/SIA000(回车)CT4524545(联系电话) (回车)@或\ F12(输入)生成记录后在输入名单(注在输入名单的时候最多只能输入一行,然后穿入,不能回车接着输入)团队取消:XEG 取消一人 XEGP1(1是指第几个人)RTN团队记录里已入的名单8.用短信方法通知客人定票信息首先提出记录编号(输入)RMK MP 电话号码(输入)SMS I/记录编号(输入)9航班时刻显示 SK:选择项/城市对/日期/时间/航空公司代码/舱位例:SK PEKCAN/19MAY 指定日期前后三天内航班信息10查询三字代码 CNTD:T/BEIJING查询城市名称 CD:PEK11特殊服务信息(OSI/SSR)国航知音卡 SSR FQTV CA HK/NN………/P1特殊餐食的输入法例:SSR SPML CA NN1 LOW SALT/P1例:SSR VGML CA NN1 P1/S2或:SSR SPML CA NN1 PEKSHA CA1501 Y 19MAY LOW SALT/P1餐食代码:SPML 特殊餐食申请 VGML 素食(不含奶,蛋制食品)AVML 亚洲素食 VLML 素食(专门牛奶,蛋)LSML 低盐餐 MOML 穆斯林餐ORML 东方餐 BBML 婴儿,儿童餐CHML 儿童餐申请定位SSR OTHS MU(航空公司代码)KK,V(舱位)THANKS计算功能CO加数天气预报WF加所查城市例:WFSIA12儿童,婴儿及豁免的外交官免税输入方法FM:FCNY…../SCNY…../C…../TEXEMPTCN13.国际票定座(注请一次性封口)SD1(航段)Y(舱位)/1(人数)(回车)NM1计算1管理(名字中间用数字1隔开)(回车)TKTL(预定时间)/1200/19MAY/SIA000(回车)SSR FOID MU HK/NI545123152(身份证) (回车)CT4524545(联系电话) (回车)@或\ F12(输入)14国际运价RT记录QTE: 输入注:1.QTE指令最多可以计算16个航段的运价,当航程段超过8段时,QTE后,系统不能立即算出其结果,而是给出一个编码,然后再使用XS FSI/编码,找到其结果2.如果使用XS FSI/编码依然没有结果时,2分钟之后再使用XS FSI/编码提取结果QTE指令的实质是XS FSP或XS FSI指令国际运价NFI显示运价附加规则:XS FSG2 2是QTE中票价的序号15.注EAS服务器不支持ES指令不支持TRFD退票指令16、查看票样:Tktv:16/p1 (注:16为打票机端口号。
eterm操作集合登录查询信息查询及辅助功能建立PNR特殊服务SSRPNR提取和修改公布运价的查询BSP打票、退票、统计国际运价查询电子客票常用指令Q信箱处理手工输入API信息查询一、航班座位可利用显示>AV:H/城市对/日期/时间/航空公司代码(或GDS代码)1)显示10月10日北京至上海航班座位情况>AV:PEKSHA/10OCT2)显示当天北京至上海航班座位可利用情况>AV:PEKSHA3)显示北京广州15OCT国航航班座位>AV:PEKCAN/15OCT/CA4)显示上海成都10DEC11点左右航班座位情况>AV:SHACTU/10DEC/11005)显示上海成都西南航空公司座位情况>AV:SHACTU/10DEC/1100/SZ6)往返程查询>AV:PEKPVG/11DEC显示北京浦东11DEC航班座位可利用情况>AV:RA/21DEC显示21DEC回程航班座位情况7)显示1DEC CA983各舱位座位可利用情况>AV:CA983/1DEC8)按照飞行时间顺序显示航班座位情况>AV:E/PEKCAN/1DEC9)显示北京至法兰克福1DEC直达航班信息>AV:PEKFRA/1DEC/D10)显示上海至法兰克福4DEC不经停航班>AV:SHAFRA/4DEC/N11)显示伦敦至法兰克福5DEC1A系统中航班座位可利用情况>AV:LONFRA/5DEC/1A二、最早有座位航班查询>FV:城市对/日期/起飞时间/座位数/航空公司代码(或GDS代码)/经停标志/舱位1)显示北京至上海最早有座位的航班>FV:PEKSHA2)显示从本地至上海20OCT之后最早有座位的航班>FV:SHA/20OCT3)显示北京至上海Y舱最早有座位的航班>FV:PEKSHA/Y4)显示北京至上海最早有5个座位的航班>FV:PEKSHA/55)显示北京至上海20OCT11点最早有座位的航班>FV:PEKSHA/20OCT/11006)指定国航最早有座位的航班>FV:PEKSHA/20OCT/1100/CA7)指定时间座位数航空公司舱位最早有座位的航班>FV:PEKSHA/20OCT/1100/5/CA/F8)显示北京广州飞行时间最短最早有座位的航班>FV:E/PEKCAN三、航班飞行周期的查询>SK:城市对/日期/时间/航空公司代码/舱位1)按照到达时间的顺序显示从本地到广州10DEC,并且有一个连接点的航班时刻>SK:A/CAN/10DEC/C12)显示北京南宁15OCT航班周期、时刻>SK:PEKNNG/15OCT3)显示指定时间、航空公司航班周期>SK:PEKCAN/20DEC/1100/CA4)显示北京上海所有班机的飞行周期、时刻>SK:PEKSHA5)显示本地至广州20NOV航班周期、时刻>SK:CAN/20NOV6)显示指定航空公司日期的航班周期、时刻>SK:SHACTU/15OCT/MU7)显示直达航班周期、时刻>SK:PEKCDG/10OCT/D8)显示不经停航班的周期、时刻>SK:PEKNRT/20OCT/N9)显示含有F舱的航班周期、时刻>SK:PEKCSX/14OCT/F10)显示指定航空公司舱位的航班周期、时刻>SK:PEKSHA/MU/F四、航班经停点和起降时间的显示指令>FF:航班号/日期五、指定日期的航段上的航班详细信息显示>DSG: C/航班号/座位等级/日期/航段或RT之后,>DSG: 航班序号返回目录信息查询及辅助功能一、24小时北京天气预报WF >WF城市三字代码二、机场转机信息查询DSM >DSM:PEK三、机场、国家、航空公司代码查询CNTD/CD1)查询城市三字代码>CNTD T/BEIJING2)查询城市名称>CD PEK3)查询一个国家所有城市>CNTD A/CN4)查询国家全称>CNTD C/CN5)查询国家两字码>CNTD N/CHINA6)查询航空公司信息>CNTD D/CA7)查询航空公司两字代码>CNTD M/AIR CHINA四、计算CO1)四则运算>CO 100+22)计算北京和巴黎的时差>CO T/PEKCDG3)显示巴黎10月1日0点的GMT标准时间>CO T/CDG/1OCT/004)英里换算成公里>CO K/英里数5)公里换算成英里>CO M/公里数五、日期查询DATE1)显示当前日期和星期几>DATE2)显示10天,90天后的日期>DATE 10/903)显示2004年1月1日的前2天,及后20天的日期>DATE 1JAN04/-2/20六、时间查询TIME1)显示当前时间>TIME2)北京时间2004年1月1日零点的巴黎时间>TIME 1JAN04/00/CDG3)纽约时间2004年1月1日零点的北京、巴黎时间>TIME NYC/1JAN/00/PEK/CDG七、长度、重量、温度换算CV1)100公里换算成英里>CV 100KM2)100英里换算成公里>CV 100MI3)摄氏35度转化为华氏度>CV 35C4)华氏95度转化为摄氏度>CV 95F5)10英镑转化为公斤>CV 10LB6)10公斤转化为英镑-磅>CV 10KG八、查询中文信息YI1)显示所有静态信息的目录>YI2)显示不含副标题的公告>YI标题3)显示有副标题的公告>YI I/某标题九、旅游信息查询TIM1)查询签证信息>TIM TIFV2)查询健康检疫信息>TIM TIFH3)同时查询签证、健康检疫信息>TIM TIFA4)查询与出入境有关的信息>TIM TIDFT/city/sect/subsect/page5)显示TIMATIC国际组织>TIM TIRGL6)显示某一国际组织>TIM TIRGL/NATO7)按照国家查询城市>TIM TILCC/COUNTRY NAME8)显示所有城市名称>TIM TIRCC9)按照城市所在国列出所有城市名称>TIM TIRCC/CTY10)查询与出入境有关的信息>TIM TIDFT/城市/章节/小标题/页码11)显示TIM帮助功能>TIM TIHELP12)显示TIM中有关规则>TIM TIRULES13)显示综合旅游信息新闻>TIM TINEWS14)显示下一页>TIPN15)显示上一页>TIPB16)显示最前页>TIPF17)显示当前页>TIPG18)显示最后页>TIPL返回目录建立PNR一、航段预订1)直接建立航段组SS>SS CA1537/Y/1OCT/PEKNKGNN1/1225 14002)间接建立航段组SD>AV PEKCAN>SD 1Y13)OPEN航段的建立SN>SN YY/F/PEKCAN>SN CZ/F/PEKCAN4)ARNK段的建立SA >SA TSNPEK5)旅客行程提示>SA MU5119Y1OCT SHAPEK HK6)调整航段顺序CS>CS 2/1二、姓名输入NM1)英文姓名的输入>NM 1STEPHEN/HAETTI 1ZHU/QI2)同姓旅客英文名的输入>NM 2ZHANG/JIAN/QIANG3)中文姓名的输入>NM 1杨振振1马永4)无人陪伴儿童姓名输入>NM 1马晓涌(UM4)5)带一个婴儿的成人输入姓名>NM 1马永>XN IN/马晓涌INF(MAR01)P16)建立一个团名为CHANGYOU的12人的团体PNR>GN 12CHANGYOU三、联系方式CT >CT PEK/四、证件信息输入SSR (注意:CA表示相应的航空公司代码)1)国内旅客>SSR FOID CA HK/证件代码及号码/Pn证件种类代码:NI-身份证;PP-护照;ID-其他证件2)国际旅客>SSRPSPTCAHK/护照号码/国籍/旅客生日/旅客姓/旅客名/性别及婴儿标识/持有人标识/Pn注:下划线部分为必输项五、出票时限TKTL>TK:TL/1200/01OCT/BJS123六、手工票号输入TKT>TKT/49/P1七、票价信息的简易输入FC/FN八、选择制定航段进行票价计算或打票SEL>SEL:指定航段序号九、国内BSP客票自动生成FN/FC/FP项:>PAT:十、国际客票经过QTE/XS FSQ,自动生成FN/FC项:>DFSQ:十一、付款方式组FP>FP:CASH/ CHECK,CNY十二、签注信息组EI十三、旅游代码组TC (一般按照航空公司要求输入)十四、RMK项>RMK MP/8SMS:I/记录编号手机短信SMS十五、打票预览TKTV>TKTV:打票机序号十六、票号自动传输STN>STN:票号/Pn/指定航段序号十七、客票打印DZ打印PNR中所有人的客票>DZ:1仅打印第一个成人所携带的婴儿客票>DZ:1/P1, INF 仅打印第一个成人的客票>DZ:1/P1, ADL打印PNR中所有婴儿客票>DZ:1,INF打印PNR中所有成人客票>DZ:1, ADL注:订座或手工出票PNR的构成>NM (GN)姓名组(团名)>SS、SD、SN、SA航段组>CT联系组>TK票号组>RMK备注组>SSR特殊服务组>OSI其它服务组>@封口生效自动出票PNR的构成NM(GN)姓名组(团名)SS、SD、SN、SA航段组CT联系组FC票价计算组FN票价组FP付款方式组>DZ:1封口并打票返回目录特殊服务SSR一、查看航班座位图ADM>ADM:航段序号/航段二、进行机上座位预订ASR>ASR:航段序号/座位号三、里程输入>SSR FQTV承运航空公司代码HK1/发卡航空公司代码卡号/Pn四、其他特殊服务的申请>SSR特殊服务代码航空公司NN数量/Pn/Sn常用特殊服务代码:机位申请NSSA:无烟靠走廊的座位NSSW:无烟靠窗的座位NSST:无烟座位SMSA:吸烟靠走廊的座位SMSW:吸烟靠窗的座位SMST:吸烟座位特殊餐食AVML:亚洲素食BLML:流食CHML:儿童餐DBML:糖尿病患者餐FPML:水果拼盘SFML:海洋餐HFML:高纤维餐HNML:印度餐BBML:婴儿餐KSML:犹太教餐LCML:低卡路里餐LFML:低胆固醇、低脂肪餐LSML:无盐餐MOML:穆斯林餐VLML:素食(含糖、鸡蛋) VGML:素食(无糖)其他PETC:宠物(需要详细说明) BSCT:摇篮车/吊床/婴儿摇篮BIKE:自行车(须说明数量) SLPR:机舱内床铺(不包括担架)BLND:盲人旅客(如果有导盲犬或其他动物陪伴,须详细说明) BULK:超大行李(须说明数量、重量和尺寸)CBBG:放置机舱行李(购买了额外座位,须说明数量,重量及尺寸)DEAF:聋哑旅客(如果有助听狗或其他动物陪伴,须详细说明) DEPA:被驱逐出境(有人陪伴) DEPU:被驱逐处境(无人陪伴)XBAG:额外行李(须说明数量、重量和尺寸)FRAG:易碎行李(须说明数量、重量和尺寸)MEDA:健康状况(需要旅客医疗状况证明)SPEQ:体育设施(须指明设备类型、数量、重量和尺寸) STCR:担架旅客UMNR:无人陪伴儿童返回目录PNR提取和修改一、PNR提取1)记录编号提取PNR >RT记录编号2)根据旅客名单提取PNR >RT旅客姓名/航班号/日期3)提取完整PNR >RT C/记录编号4)提取PNR的历史部分>RT U5)返回到PNR的现行部分>RT A二、ML旅客订座记录的提取1)显示该航班上所有订座>ML:C/CA1321/7OCT2)显示该航班Y舱上所有HK的订座>ML:B/CA1321/Y/7OCT3)显示该航班所有取消的订座>ML:X/CA1321/7OCT4)显示该航班所有团体订座>ML:G/CA1321/7OCT5)显示该航班未订妥座位的记录>ML:U/CA1321/7OCT6)显示该航班上所有RR的订座>ML:R/CA1321/7OCT7)显示该航班上所有未RR的订座>ML:NR/CA1321/7OCT8)显示该航班所有非团体订座PNR>ML:NG/CA1321/7OCT9)显示该航班上团体HK的订座PNR>ML:GBNR/CA1321/7OCT三、国内航空公司记录的提取和转换>RRT:V/航空公司记录编号/航班号/日期>@OK四、记录分离SP >SP 1/3五、记录修改1)旅客姓名修改>1/1杨振2)删除姓名组以外的内容>XE序号3)取消PNR>XEPNR@六、记录封口@1)正常封口>@2)以下几种情况可使用@K封口>@Ka)将KK,KL或TK变为HKb)将UU,US或TL变为HLc)将TN变为HNd)将带有NI,UC,UN的项移到PNR的历史部分3)以下情况可使用@I封口>@Ia)航段不连续b)有航班变更标识c)两个连接航段的停留时间小于最小连接时间返回目录公布运价的查询一、国内公布运价查询:1).查询城市对间当前可用票价FD>FD:城市对/日期/航空公司代码/查询选项(S排序由低到高;L最低价) 2).运价限制条件信息查询PFN>PFN:规则号/承运人或在FD的基础上>PFN:运价序号3).查询运价的航线限制PFR在FD基础上有航线限制标识的情况下>PFR:运价序号二、航空公司净价查询:(需要航空公司授权)1.查询运价总则>NFN:GR00/CA2.按城市对查询票价信息:>NFD:PEKLON/CA3.指定旅行日期查询:>NFD:PEKLON/21MAY04/CA4.查询单程票价>NFD:PEKLON/CA*OW5.查询M舱票价>NFD:PEKLON/CA#M6.查询运价基础为HIT的票价>NFD: PEKLON/CA@HIT7.查询学生票价>NFD:PEKLON/CA*SD8.查询团队票价>NFD:PEKLON/CA*GC9.显示第3条票价的规则限制>NFN:310.显示第3条票价的航线规定>NFR:311.显示第4条票价的签注信息>NFE:412.修改查询条件,快速重新查询票价:>NFC:13.指定航线查询>NFQ:PEK15MAY04LONPEK/CA14.按协议查询>NFL:/CA15.显示第2条协议的内容>NFL:216.显示第2条协议中的所有票价>NFL:2*ALL操作流程示例:某北京旅客要在5月1日去新加坡或吉隆坡,5月7日回北京,希望获得最便宜的往返客票。
eterm系统培训指令e t e r m系统培训指令集团标准化工作小组#Q8QGGQT-GX8G08Q8-GNQGJ8-MHHGN#ETERM指令培训一.登录、退出DCS系统1.登录:指令说明:SI输入格式:SI:10263/61227A/91/LAX0012.退出:指令说明:SO二.修改密码1.指令说明: AN:输入格式:AN 旧密码/新密码举例:AN 12345A/67890B三.页面控制指令PG:当前页半屏显示(12 行)PG1:全屏显示 (24 行)PF:首页PN:后页PB:前页PL:末页四.设置缺省航班1.指令说明:FT输入格式:FT:MU583/01SEP五.航班状态显示1.指令说明:SY输入格式:SY:航班号/日期/城市/选项举例:SY:MU583/./PVG/Z选项:Z: 分区显示S: 分销售舱位显示E: EDI实际情况显示六.航班座位图显示1.指令说明:SE输入格式:SE:航班号/日期/舱位/航段举例:SE:MU583*SE:*(已设置缺省航班)七.显示旅客名单1.指令说明:PD输入格式PD:FLT/DATE/CLASS/CITY,ITEM1,ITEM2,……PD:FLT/DATE/CLASS/CITY,ITEM1;ITEM2;……PD *,ITEM1,ITEM2,……(设置缺省航班后)PD *,ITEM1;ITEM2;……(设置缺省航班后)逗号表示多个条件同时满足;分号表示满足其中一个条件既可。
举例:显示所有未接收旅客 (还未办理值机的): PD*, NACC显示所有已接收旅客并且有特殊餐食的旅客:PD*, ACC, SPML显示所有未接收姓LI的旅客和所有姓CHEN的旅客:PD*, NACC, 1LI; 1CHEN举例:显示所有INF名单:PD *,INF显示所有儿童名单: PD *,CHD显示所有有联程航班旅客名单: PD *,O显示所有有预留座位旅客名单: PD *,RES显示旅客名单举例:按团名显示所有团体旅客:PD*, GRP举例:显示团号为J的团体旅客:PD*, GRIJ此时不能用序号1-10接收旅客,因为序号1是团号。
EIMBook1Unit13travellerstales单元知识要点Unit 13 Travellers’ talesPart 1 (p96-97)New Wordtale [te?l] n. (尤指充满惊险的)故事,历险记bump [b?mp] v. (无意地)碰,撞express [?k?spres] v. 表达situation [?s?t?u?e??n] n. 情况,形势,局面accept [?k?sept] v. 接受role [r??l] n. 角色embarrassing [?m?b?r?s??] adj. 令人尴尬的,使窘迫的culture [?k?lt??(r)] n. 文化queue [kju?] n. 队,行列;v. 排队involved [?n?v?lvd] adj. 参与,有关联offer [??f?(r)] v. 主动提供project [?pr?d?ekt , pr??d?ekt] n. 项目,方案annoyed [??n??d] adj. 恼怒,生气,烦恼ring [r??] v. 响铃To be understoodQatar [k??tɑ?] n. 卡塔尔Word Form1.annoyed [??n??d] adj. 恼怒的---annoying adj. 令人恼怒的---annoy v. 使恼怒2.embarrassing [?m?b?r?s??] adj. 令人尴尬的,使窘迫的---embarrassed [?m?b?r?st] adj. 尴尬的,窘迫的---embarrass [?m?b?r?s] v. 使尴尬,使窘迫---embarrassment [?m?b?r?sm?nt] n. 窘迫,愧疚3.involved [?n?v?lvd] adj. 参与其中的,有关联---involve [?n?v?lv] v. 包含,牵涉4.express [?k?spres] v. 表达---expression [?k?spre?n] n. 表达,表情5.culture [?k?lt??(r)] n. 文化---cultural [?k?lt??r?l] adj. 文化的,和文化有关的6.explain [?k?sple?n] v. 解释,说明---explanation [?ekspl??ne??n] n. 解释,阐述7.invite [?n?va?t] v. 邀请---invitation [??nv??te??n] n. 邀请,请柬Phrases and Sentences1.bump into sb. 无意撞到...They bump into each other and get injured.2.at the dinner table 在餐桌旁3.My biggest challenge is to learn how to behave well at the dinner table.4.be/get involved in... 被卷入...中The parents are involved in this discussion.5.do sth. by accident =do sth. accidentally =do sth. by chance 偶然做...I met my idol at the airport by accident.6.mean to do sth. =do sth. on purpose 故意做...Jerry didn’t mean to do anything wrong.The boy broke the window on purpose.7.at the front of... 在...前面The teacher is writing on the blackboard at the front of the classroom.8.take off... 脱下,起飞; put on... 穿上; land 着陆.9.have sth. in your mouth 嘴里含着...Don’t talk when you have something in your mouth.10.cover sth. with 用...覆盖cover your cup with a lid(盖子) please.11.accept an invitation接受邀请: Thanks for accepting my wedding invitation.receive an invitation收到邀请: I received the invitation, but I’m afraid I can’t make it.12.before(prep.) doing: Before going to the museum, I looked it up on the Internet.before(conj.) sb. do...: Before I went to the museum, I looked it up on the Internet.13.After (prep.) doing: You can have a rest after finishing your homework.After (conj.) sb. do...: You can have a rest after you finish your homework.14.stand in a queue 排队; queue for sth. 为... 排队; queue to do sth. 排队做某事.15.be annoyed with sb. 生某人的气16.offer to do sth. 主动提出做某事Unit 13 Part 2 (p98-99)New Wordhonest [??n?st] adj. 诚实的,老实的organized [ɡ?na?zd] adj. 有组织的,有条理的cheerful [?tfl] adj. 快乐的,高兴的unkind [??n?ka?nd] adj. 不友善的,不亲切的miserable [?m?zr?bl] adj. 痛苦的,非常难受的nervous [?n??v?s] adj. 焦虑的,担忧的disorganized [d?sɡ?na?zd] adj. 计划不周的,缺乏组织的trainer [?tre?n?(r)] n. 运动鞋,教练员dreadful [?dredfl] adj. 糟糕透顶的,讨厌的(修饰事物)dull [d?l] adj. 枯燥无味的,无聊的easy-going [?i?zi ?ɡ] adj. 随和的outgoing [?a?tɡ]adj. 外向的To be understoodbad-tempered [b?d ?temp?d] adj. 脾气坏的thoughtful [?θ??tfl] adj. 深思熟虑的thoughtless [?θ??tl?s] adj. 欠考虑的sympathetic [?s?mp??θet?k] adj. 有同情心的unsympathetic [??n?s?mp??θet?k] adj. 无同情心的,冷漠的modest [?m?d?st] adj. 谦虚的,谦逊的arrogant [??r?ɡ?nt] adj. 傲慢的,自大的shy [?a?] adj. 羞怯的,腼腆的Word Form1.honest [??n?st] adj. 诚实的,老实的---dishonest [d?s??n?st] adj. 不诚实的---honesty [??n?sti] n. 诚实,老实,正直---honestly [??n?stli] adv. 诚实地,老实地/doc/3e12653391.html,anized [ɡ?na?zd] adj. 有组织的,有条理的disorganized [d?sɡ?na?zd] adj. 缺乏组织的,杂乱无章的---organize [ɡ?na?z]v. 组织,安排---organization [ɡ?na??ze??n] n. 组织,团体,机构---organizer [ɡ?na?z?(r)] n. 组织者3.cheerful [?tfl] adj. 快乐的,高兴的---cheer [t(r)] v. 欢呼,喝彩4.unkind [??n?ka?nd] adj. 不友善的---kind [ka?nd] adj. 友好的,体贴的5.nervous [?n??v?s] adj. 焦虑的,担忧的---nervously [?n??v?sli] adv. 神经质地,焦急地6.rude [ru?d] adj. 粗鲁的,无礼的---rudely [?ru?dli] adv. 粗鲁地,无礼地---rudeness [?ru?dn?s] n. 粗鲁,无礼7.polite [p??la?t] adj.礼貌的---impolite [??mp??la?t] adj. 不礼貌的8.politely [p?'la?tli] adv. 礼貌地---politeness [p?'la?tn?s] n. 礼貌9.awful [fl] adj. 很坏的,极讨厌的,非常的---awfully adv. 非常,极其Phrases and Sentences1.What’s sth./sb. like? 用于询问某人对某物或者某人的看法①询问天气:what’s the weather like? ---It is windy.①要求对方对特写事物进行描述:What was the exam like? ---It was very difficult.①用于人时,即可指人的外表也可以指人的性格、品质:What is she like? ---She is very beautiful./She is very kind.2.be rude to sb. 对某人粗鲁3.be polite to sb. 对某人有礼貌4.keep sth. in order 使某物井然有序5.be nervous about/ of sth. 对某事焦虑6.It is adj. for sb. to do sth. =Doing/To do sth. is adj. for sb. 对某人来说做某事怎么样。
[原创]TechMark学习心得之二[原创]TechMark学习心得之二 (入选推荐日志,加10币) 昨晚详细有时间把学习情况作了一个回顾,心得如下:TechMark - Real-time learning Real-time results - 告则忘,授则忆,行则悟!现代企业的挑战在于:在快速变化的市场环境下,抓住机会;在动态竞争状况下,解决问题。
课程知识点例举TechMark 管理实战模拟涵盖了以下知识点,我们可以根据公司的具体需要调整课程的侧重:(一)战略架构设计1 企业内部因素分析2 企业外部环境分析–产业结构分析–市场竞争分析3 企业战略制定–战略定位–特定战略制定–经营计划制定–经营计划的执行和执行进度的控制4 战略评估和控制/战略改进–竞争要素变化情况监控分析–运营结果评估–战略方向的调整(二)财务1 投资收益分析–杜邦分析方法–资本结构的优化以及资产管理2 财务分析–熟悉损益表和资产负债表的主要内容–财务比率分析3 预算管理–收入、成本/费用预算的编制–损益表、资产负债表和现金流量表之间的实质的相互关系(三)生产与供应链管理1 产品成本与利润的计算2 汇率和通货膨胀率对成本的影响3 库存管理(四)研发1 新产品开发的关键因素分析–市场的产品特性需求分析–产品设计对市场需求的领先程度–新产品开发成本与市场潜力的比较2 新产品开发的策略选择(五)营销1 产品竞争分析2 产品定价策略–当前产品组合价格分析–产品价格弹性分析3 销售队伍管理4 市场推广策略(六)团队合作1 团队(公司)组建2 领导团队–如何形成团队工作流程–如何承担团队的领导角色3 团队常见问题处理–团队目标–团队精神–管理冲突、领导风格–绩效问题4 团队沟通技巧团队目标:2 平均ROE>=9%;2 平均ROA>=7%2 期末D/A<=25%2 期末I/A>4%,I/A<9%在以上前提下,同等情况下比较股票价格。
离港系统实训复习笔记1.实训教室的使用制度,包括离港实训教室的使用要求和模拟候机楼使用要求。
在此略。
2.计算机离港控制系统(Departure Control System),简称DCS,主要包括旅客值机控制模块(CKI),航班配载平衡模块(LDP),航班数据控制模块(FDC),登机控制模块(BCS)四大部分。
CKI和LDP可单独使用,也可同时使用。
它们在使用过程中由FDC(Flight Data Control)系统进行控制。
BCS中数据来自CKI。
※CKI=Check-in,LDP=Load-planning,BCS=Boarding control system.※现代机场现代化以后,在离港中的计算机运用更加明细化,在以上三个模块外另有:登机口控制系统,行李查询系统,安检管理系统等。
3.中航信的离港系统是基于大型主机的集中式系统,分为前端和后台两部分。
前端系统(客户终端,包括字符界面、图形界面)→使用中航信离港系统的各个机场。
后台(中航信离港主机)→中航信北京总部的主机系统。
长途通讯设备通信线路(路由器)是两者数据交换的媒介。
主机→中航信负责维护。
通信线路→网络运营商。
前端系统→机场或航空公司。
4.离港系统支持主机模式和本地备份模式。
日常运营采用的是主机模式。
在特殊情况下(如网络故障等原因),可支持本地备份模式进行值机操作。
5.在办理值机前,订座系统ICS向离港系统DCS传送旅客名单报PNL和旅客增减名单报ADL。
值机结束后,DCS向ICS传送最后销售报PFS,向ICS提供详细的最后登机人数、头等舱旅客名单、GO-SHOW人数、NO-SHOW人数,以便订座部门控制人员了解航班实际使用情况。
※RQL:名单申请报,航班初始化时自动发送。
PNL:旅客名单报,ICS向DCS发送。
ADL:名单增减报,初始化后实时发送。
PFS:最终销售报,含GO-SHOW、NO-SHOW 旅客人数。
FTL:常旅客服务报。
指令关系结构状态及行动代码:行动代码描述封口后状态及含义DK 直接占座HK 确认DW/LL 候补HL 候补KK 确认HK 确认KL 从候补状态确认HK 确认TK 确认,提示旅客航班时刻已更改HK 确认UU 不接受订座(可以候补)HL 候补NN 申请HN 申请UC 不接受候补或者订座该航段被移入PNR历史记录UN 航班取消该航段被移入PNR历史记录DA 指令显示营业员的工作号和本台终端的pidOffice 号是pek099 改变office 号uc:pek001 修改成功会提是accepted改变airline ual:cz 修改成功没有提示,等待其他输入,修改不成功,提示数据说明: office 号决定主控区域1-5 行(A-E):五个工作区,用于使用者输入专用工作号的显示.其后面的英文AVAIL(或者UNAVAIL表)示工作区的状态为可用(不可用),在pid 建立时定义。
6 行PID:当前配置在系统中的设备号。
每一个E-TERM帐号的黑屏,在进入系统后都有一个固定的PID编号。
在账号建立时就分配好的HARDCOP:Y当前PID相连的打印机设备号。
一般定义为1112,在用户需要使用自己的航信系统打印机配置时,才定义其他号。
7 行TIME:输入da 指令时的系统时间DATE:输入da 指令时的系统日期HOST代:理人分销系统名CAAC如果是,表示所在主机分区“A”,航信分销系统将会进入系统的pid 分配不同的处理主机,因此还可能显示B,C 。
8 行AIRLINE: 如果是1E 表示代理人分销系统,1Es是代理分销系统的通用两字代码。
也有可能使航空公司的两字代码SYSTEM:系统版本号APPLICATIO:N主机分区情况登陆系统:$$open tipdxX=1 表示进入ics 系统X=2 表示进入离港系统X=3 表示进入crs 系统Eterm c 系统代理人系统Eterm b 系统航空公司系统Eterm j 系统离港系统1 AV 指令:AV 指令用于查询航班座位可利用情况,及其相关航班信息,如航班号、舱位、起飞时间、经停点等,是一个非常重要的指令。
指令格式:AV:选择项/城市对(两个城市的三字代码)/日期/起飞时间/航空公司代码(二字代码)/经停标识/座位等级上述各项中只用城市对必须写其他各项都是可选的选择项有三种:(默认是p)p 显示结果按照起飞时间先后顺序排列a 显示结果按照到达时间先后顺序排列e 显示结果按照飞行时间由短到长排列查询结果中如果航班号前面有* ,则表示是代码共享2 FV 指令:FV 功能提供了最早有座位的航班信息,它显示内容与AV 相似。
它会对选定日期以后的航班进行检索,知道找到最早可能提供座位的航班。
该指令只能查询中国民航航班信息。
指令格式:FV:选择项/城市对/日期/起飞时间/座位数/ 航空公司/舱位选择项:同av 一样城市对是必填项,其他项也是可选项1) 格式指令的顺序要求座位数必须在航空公司和舱位前面,当座位数确定后,航空公司和舱位的顺序可以改变2) 如果查询的起飞城市和目的城市相同,则自动忽略3) 如果查询的起飞城市和目的城市是相同,但是起飞机场和目的机场不同,也忽略。
4) 如果查询的起飞城市和目的城市在同一个省,会正常显示,但是一般是只显示该省所拥有航空公司的航班,如海南省的海口和三亚之间的航班就只有海南航空公司的航班3 SK 指令Sk指令可以查询一城市对在特定周期内所有航班的信息,包括航班号,出发和到达时间,舱位,机型,周期和有效期限。
指令格式SK:选择项/城市对/日期/时间/航空公司代码/舱位/1) sk 指令显示出的航班信息的时间段是指定时间和前后三天共一周的时间;2) 选择项同av,城市对必选,其他项可选3) 航空公司代码和舱位的顺序不能颠倒,否则出错4) 各种指令当格式输入错误时,解决方法:第一:在错误的地方输入正确的值,第二:清屏重新输入否则在下面不管输入什么指令,都会显示格式错误5) Eterm 默认本地就是北京4 ds 指令DS功能用于显示指定日期内所有固定航班情况,其格式与sk完全相同。
指令格式:ds:选择项/城市对/日期/时间/航空公司代码/舱位1) 与av 指令相同,城市对为必选项,其余为可选项5 FF 指令FF功能用于查询航班的经停城市,起降时间和机型。
指令格式FF:航班号/日期二者顺序不可颠倒,并且必须两者都是必选项由图可见只输入航班不输入日期会提示格式不正确6 DSG指令Dsg指令可以显示指定日期的航段上的航班信息,包括:航班的起飞降落城市,起飞降落时间,航班的空中飞行时间,航班的空中飞行距离,经停点数,航班机型,餐食等,而且还包括注释号,AD hoc 修改标识以及航班信息标识。
该功能便于旅客掌握旅行中的航班动态。
它可以直接显示出旅客pnr 中涉及到的全部航班航段信息。
1) 指令格式 1 DSG完:整显示项/航班号/座位等级/日期/航段航班号:Ca1501 舱位等级 F (时间)日期(SUN)16SEP出发城市pek 出发时间0830 机型333到达时间1040 到达地点sha 飞行时间2:10飞行距离676m2) 指令格式 2 DSG完:整显示项/pnr 中所选航段的数字1/pnr 中所选航段的数字2/若当前已存在一PNR,可通过格式 2 查询7 FD 指令FD指令可以查询国内航空公司国内段票价。
需要查询国际票价,要用其他指令,如qte 和xs fsd等指令。
指令格式1:FD:城市对/日期/航空公司代码指令格式2:从已有的AV 中查询票价FD:序号如下先用av 再用fd Av:PEKSHA 如果有5 条数据要看第二条FD:2即可如果要看指定航空公司的则后面加上航空公司代码如fd:2ca这里需要注意的是8 ML 指令ML 指令可以提取本部门在一个指定航班,某一日期和一航段上的旅客名单。
指令格式:ML:选择项/航班号/座位等级/日期/航段/1) 选择项说明B 提取定妥作为的旅客(HK和RR的PNR)C 提取所有旅客记录X 提取取消的旅客G 提取团体旅客记录U 提取未证实的旅客(HL,US,UU,HN)解释:DR 再确认RR 再确认DK 直接占座HK 确认DW 候补HL 候补KK 确认HK 确认KL 从候补状态确认HK 确认SS 已销售HK 确认TK 确认,提示旅客航班时刻已更改HK 确认TL 候补,提示旅客航班时刻已更改HL 候补TN 申请,提示旅客航班时刻已更改HN 申请NN 申请HN 申请NO 航空公司不允许销售该航段被移入PNR的历史部分UC 不接受候补或订座,航班已关闭(不接受申请)该航段被移入PNR的历史部分UN 航班取消该航段被移入PNR的历史部分US 不接受订座(航班已关闭,可以候补)HL 候补UU 不接受订座(可以申请)HN 申请XL 取消候补该航段被移入PNR的历史部分XX 取消确认或申请该航段被移入PNR的历史部分2) 城市对、日期为必选项,其余为可选项测试时的一个小问题:ml:h/CA101/26SEP 提取团体名包括成员信息但是现实总数是30,却没有输出团内人员的信息,这是因为该团体pnr 还没有输入姓名,可以rt 一下,查看一下该团体的详细信息。
第四章旅客订座记录1 PNR 指令:passenger name record即旅客订座记录,它反映了旅客的航程,航班座位占用的数量和旅客信息。
作用:最主要作用是订座,还可以打票,建立常客信息,订旅馆以及其它相关信息。
PNR的构成:1)手工出票活订座PNR包括以下几项:姓名组NM(GN) 姓名是按照字母顺序排列的,英文名字也是姓在前,名在后。
如果姓相同,则按照名的字母顺序排序,而不是按照输入顺序排列航段组S S、S D、S N、SA联系组CT票号组TK还可以包含备注组RMK、特殊服务组SSR、其他服务信息OSI 等项2)自动出票PNR包括以下几项姓名组NM航段组SS、SD、S N、SA联系组CT票价组FN票价计算组FC付款方式组FP还可以包含:RMK、SSR、OSI、旅游代码组T C、签注信息组 E I、婴儿姓名组XN等项2 NM 指令:格式:nm:1name1 1name2 1name3如果多个姓名中姓相同,则也可以用下面这种格式输入:nm:3xing/ming1/ming2/ming3( 这种格式只适用于字母,不适用于汉字,xing 前面的3 表示三个同姓的旅客)3 航段组(ss sd sa sn)①可采取行动的航段组(actionable)ss 、sd②信息航段组(Information )或到达情况不明航段组(arnk)sa③不定期航段组(open)sn其中ss 表示直接建立航段组sd 表示间接建立航段组4.1 )ss 直接建立航段组格式ss: 航班号/ 舱位/ 日期/ 航段/ 行动代码/ 订座数/ 起飞时间到达时间4.2 )sd 间接建立航段组格式sd: 航线序号舱位等级日期行动代码订座数到达情况标识其实sd 和ss 的输出结果是一样的,ss 是一个指令便可以建立航段组,而sd 需要两部来完成:先使用av,在使用sd4.3 )sa 到达情况不明航段的建立格式:sa: 日期始发城市目的地城市Sa航段的行动代码不跟具体的座位数和时间4 sn 不定期航段的建立格式sn:航空公司代码/舱位/城市对其中舱位和城市对必选,航空公司代码可选5)ct 联系组格式:ct:城市代码/自由格式文本旅客标识6)TK 出票组在代理人系统pnr 中,出票类型有两种情况:未出票即pnr 中输入出票时限tk:tl已出票,输入票号第一手工出票TK:T/ 第二自动出票:自动产生票号出票时限的输入:格式Tk:tl/时间/日期/出票部门/旅客标识序号7 Ssr 特殊服务组指令格式:ssr:服务类型代码航空公司代码行动代码需要该项服务的人数航段自由格式文本需要该项服务的航段序号第七节pnr 的提取1 要提取旅客的订座记录,有以下几种方式:1) 根据记录编号提取rt:xxxxx每个订录编号,它是由 5 位数字或字录在封口后都有一个记座记随机给出来的算机系统成,计母组2) 根据旅客姓名提取rt:姓名/航班号/日期入中文,而是输入拼音如果姓名中有中文,不能直接输3)根据旅客名单提取ml:选择项(c,b⋯)/航班/日期Rt:序号中选择第几条记录录首先将记些记录全部输出,然后再在这4)根据航空公司记录编号提取:rrt:v/记录编号/ 航班号/日期(crs)中订的票,在代理人的系统(ics) 如果旅客在航空公司的系统,就用rrt 命令。
分为录中是没有记录的,如果代理人想要提取记两部分:示在屏幕上;第一:rrt:v 将所要提取的pnr显第二:rrt:ok 使pnr 在crs 系统生成,并生效号/航班/日期录编格式:rrt:v/记Rrt:ok5)查看pnr 完整的内容:rt:c/xxxxxPnr 在建立过程zhogn,可能要经历多次修改,即包括现行部分,行部分。