FANUC 系统操作面板功能键及 开关地使用方法
- 格式:doc
- 大小:325.00 KB
- 文档页数:16
FANUC数控系统面板介绍与编程操作一、基本面板FANUC0i Mate—TD数控系统得操作面板可分为:LCD显示区、MDI键盘区(包括字符键与功能键等)、软键开关区与存储卡接口。
图4—1 FANUC 0i Mate—TD 主面板1)MDI键盘区上面四行为字母、数字与字符部分,操作时,用于字符得输入;其中“EO B"为分号(;)输入键;其她为功能或编辑键。
2)POS键:按下此键显示当前机床得坐标位置画面;3)PROG键:按下此键显示程序画面;4)OFS/SET键:按下此键显示刀偏/设定(SETTING)画面;5)SHIFT键:上档键,按一下此键,再按字符键,将输入对应右下角得字符;6)CAN键:退格/取消键,可删除已输入到缓冲器得最后一个字符;7)INPUT键:写入键,当按了地址键或数字键后,数据被输入到缓冲器,并在CRT屏幕上显示出来;为了把键入到输入缓冲器中得数据拷贝到寄存器,按此键将字符写入到指定得位置;8)SYSTEM键:按此键显示系统画面(包括参数、诊断、PMC与系统等);9)MSSAGE键:按此键显示报警信息画面;10)CSTM/GR键:按此键显示用户宏画面(会话式宏画面)或显示图形画面;11)ALTER键:替换键;12)INSERT键:插入键;13)DELETE键:删除键;14)PAGE键:翻页键,包括上下两个键,分别表示屏幕上页键与屏幕下页键;15)HELP键:帮助键,按此键用来显示如何操作机床;16)RESET键:复位键;按此键可以使CNC复位,用以消除报警等;17)方向键:分别代表光标得上、下、左、右移动;18)软键区:这些键对应各种功能键得各种操作功能,根据操作界面相应变化;19)下页键(Next):此键用以扩展软键菜单,按下此键菜单改变,再次按下此键菜单恢复;20)返回键:按下对应软键时,菜单顺序改变,用此键将菜单复位到原来得菜单。
二、操作面板各按键功能说明:方式选择键1)〖EDIT〗键:编辑方式键,设定程序编辑方式,其左上角带指示灯。
FANUC系统数控机床MDI操作面板按键的详细说明
1.电源开关:用于启动或关闭数控机床的电源。
2.急停按钮:在紧急情况下按下此按钮将立即停止数控机床的运行。
3.重置按钮:用于重置数控系统,消除故障并恢复正常运行。
4.程序选择按钮:用于选择不同的数控程序或程序组。
5.零点设定按钮:用于设定工件的零点坐标。
6.轴选择按钮:用于选择控制的轴,可以单独控制X、Y、Z轴等。
7.手动模式按钮:切换至手动模式,手动控制机床移动。
8.进给率选择按钮:用于选择进给速度,通常为百分比。
9.速度选择按钮:用于选择运动速度,通常为百分比。
10.回零按钮:将机床回到初始零点位置。
11.MDI模式按钮:切换至MDI(手动数据输入)模式,可以手动输入指令运行。
13.停止按钮:停止当前的操作或程序运行。
14.启动按钮:启动当前选定的程序或操作。
15.保存按钮:保存当前的程序或数据。
16.开始/停止按钮:根据实际情况用于开始或停止运行机床。
17.确认按钮:确认输入的数据或指令。
18.清除按钮:清除输入的错误数据或指令。
以上是FANUC系统数控机床MDI操作面板上常见的按键及其功能。
这些按键的操作简单明了,但在实际操作中需要注意按键的正确使用方式,以免误操作导致机床故障或安全事故发生。
同时,熟练掌握这些按键的功能可以提高操作效率,提升数控机床的生产效率和质量。
希望以上内容对您有所帮助。
FANUC Oi B数控系统操作面板说明一、机床操作面板结构及功能说明机床操作面板由大小两块组成,小面板上安装有主轴负载表及控制器电源通断按钮,大操作面板位于操作下部,装有各种按钮,指示灯及操作部件,以下主要对人操作面板进行说明。
二、操作面板说明1.CYCLE START 程序执行启动按钮(带灯)自动操作方式时,选择所要执行的程序,按下此按钮自动操作开始,执行自动操作执行期间,按钮内指示灯点亮。
2.FEED HOLD进给保持按钮(带灯)自动执行程序期间,按下此按钮,机床运动轴即减速停止。
3.MODE SELECT方式选择开关,选择机床的工作方式1)EDIT:编辑方式2)AUTO:自动方式3)MDI:手动数据输入方式4)JOG:点动进给方式5)HANDLE:手摇脉冲发生器进给方式6)RAPID:手动快速进给方式7)ZRN:手动返回机床参考零点方式8)DNC:DNC工作方式9)TEACH.H:手轮示教方式4,FEEDRATE OVERRIDE进给速率修调开关以给定的F指令进给时,可在0—150%的范围内修改进给率。
JOG方式时,亦可用其改变JOG速率。
5.BDT程序段跳步功能按钮(带灯)自动操作时此按钮接通,程序中有“\”的程序段将不执行。
6.SBK单程序段执行按钮(带灯)自动操作执行程序时,每按一下CYCLESTART按钮,只执行一个程序段。
7.DRN空运行功能按钮(带灯)自动或MDI方式时,此按钮接通,机床按空运行方式执行程序。
8.Z AXIS LOCK Z轴锁定功能按钮(带灯)自动执行程序时,此按钮接通,可禁止Z轴方向的移动9. MLK机床锁定按钮(带灯)自动,MDI或JOG操作时,此按钮接通,即禁止所有轴向运动已(进给的轴将减速停止)但位置显示仍将更新M,S,T功能不受影响。
10. OPS程序段选择停功能按钮(带灯)此按钮接通,所执行的程序在遇有M01指令处,自动停止执行。
11. E-STOP急停按钮机床操作过程中,出现紧急情况时按下此按钮伺服进给及主轴运行立即停止,CNC 进入急停状态。
FANUC绻统面板功能说明一、操作面板数控机床的操作面板由数控绻统面板和机床操作面板两部分组成。
数控绻统面板用途是通过绻统面板上的各种按键对数控绻统各方面进行相关操作,如程序的编辑、参数的输入、相关信息的查看等操作。
机床操作面板用途是通过机床操作面板上的各种按键实现对机床各种相关动作的操作,如回零、自动加工、移动工作台、启动主轴等各种动作指令操作。
二、FANUC Oi-M数控绻统面板表1-4 绻统操作面板各按键名称及功能说明编号名 称功能说明1复位键按下这个键可以使 CNC复位或者取消报警等。
2帮助键当对MDI键的操作不明白时,按下这个键可以获得帮助。
3软键根据不同的画面,软键有不同的功能。
软键功能显示在幏幕的底端。
4地址和数字键按下这些键可以输入字母,数字或者其它字符。
共26个字母、10个数字、13符号5上档键在键盘上的某些键具有两个功能。
按下<SHIFT>键可以在这两个功能之间进行切换。
6输入键当按下一个字母键或者数字键时,再按该键数据被输入到缓冲区,并且显示在幏幕上。
要帆输入缓冲区的数据拷贝到偏置寄存器中等,请按下该键。
这个键与软键中的[INPUT]键是等效的。
7取消键取消键,用于删除最后一个进入输入缓存区的字符或符号。
8程序功能键:替换键 :插入键 :删除键9功能键:坐标显示 :程序编辑:偏置 :绻统:报警信息 :图形显示按下这些键,切换不同功能的显示幏幕。
10光标移动键有四种不同的光标移动键。
这个键用于帆光标向右或者向前移动。
这个键用于帆光标向左或者往回移动。
这个键用于帆光标向下或者向前移动。
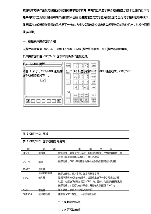
数控机床的操作面板对触控面板的性能要求相对较高具有交互式显示特点的触控显示技术迅速扩张,不再是单纯的设定为我们提供终端产品的技术创新,而是更注重与实际应用的紧密结合,为对于控制面板来说不同品牌的变频器操作面板的风格是不一样的, FANUC系统数控机床是车间里常见的数控机床,其操作面板简洁易懂。
一、数控铣床操作面板介绍以数控铣床型号XK5032,选用FANUC 0-MD 数控系统为例,介绍数控铣床的操作。
机床操作面板由CRT/MDI 面板和两块操作面板组成。
1. CRT/MDI 面板如图1 所示,CRT/MDI 面板有一个9〞CRT 显示器和一个MDI 键盘组成,CRT/MDI面板各键功能见表1。
图1 CRT/MDI 面板表1 CRT/MDI 面板各键功用说明键名称功能说明RESET OUTPT START INPUTCAN CURSOR 复位键输出启动键地址和数字键输入键取消键光标移动键按下此键,复位CNC 系统。
包括取消报警、主轴故障复位、中途退出自动操作循环和输入、输出过程等按下此键,CNC 开始输出内存中的参数或程序到外部设备按下这些键,输入字母、数字和其它字符除程序编辑方式以外的情况,当面板上按下一个字母或数字键以后,必须按下此键才能到CNC 内。
另外,与外部设备通讯时,按下此键,才能启动输入设备,开始输入数据到CNC 内按下此键,删除上一个输入的字符用于在CRT 页面上,一步步移动光标↑:向前移动光标↓:向后移动光标PAGEPOS PRGRMMENUOFSET DGNOS 页面变换键位置显示键程序键自诊断的参数用于CRT 屏幕选择不同的页面↑:向前变换页面↓:向后变换页面在CRT 上显示机床现在的位置在编辑方式,编辑和显示在内存中的程序在MDI 方式,输入和显示MDI 数据刀具偏置数值和宏程序变量的显示的设定设定和显示参数表及自诊断表的内容键PRARMOPRALARM AUXGRAPH 报警号显示键图象按此键显示报警号图象显示功能2. 下操作面板如图2 所示,面板上个按钮、旋钮、指示灯功用说明见表2。
法兰克加工中心操作面板各按键的意思比如DELETE删除RESET复位POS 当前坐标值PROG 程序 OFFSET刀补偏置FANUC系列操作面板各按键:RESET(复位键):按下此键,复位CNC系统。
包括取消报警、主轴故障复位、中途退出自动操作循环和中途退出输入、输出过程等。
CURSOR(光标移动键):移动光标至编辑处PAG E(页面转换键):显示器画面向前变换页面,显示器画面向后变换页面。
地址和数字键:按下这些键,输入字母、数字和其它字符POS(位置显示键):在CRT上显示机床现在的位置。
PRGRM(程序键):在编辑方式,编辑和显示内存中的程序。
在MDI 方式,输入和显示M D I数据。
在自动方式,指令值显示。
MENU OFFSET(偏置值设定和显示)。
DGNOSPARAM(自诊断参数键)。
参数设定和显示,诊断数据显示OPR ALARM(报警号显示键):报警号显示及软件操作面板的设定和显示AUX GRAPH(图形显示键):图形显示功能INPUT(输入键):用于参数或偏置值的输入;启动I/O设备的输入;MDI方式下的指令数据的输入。
OUTPTSTART(输出启动键)。
ALTER(修改键):修改存储器中程序的字符或符号。
INSRT(插入键):在光标后插入字符或符号。
CAN(取消键):取消已键入缓冲器的字符或符号。
DELET(删除键):删除存储器中程序的字符或符号。
A 坐标字绕X轴旋转。
B坐标字绕Y轴旋转。
C坐标字绕Z轴旋转。
D 补偿号刀具半径补偿指令。
E 第二进给功能。
F 进给速度进给速度的指令。
G 准备功能指令动作方式。
H 补偿号补偿号的指定。
I 坐标字圆弧中心X轴向坐标。
J 坐标字圆弧中心Y轴向坐标。
K 坐标字圆弧中心Z轴向坐标。
FANUC数控系统面板介绍与编程操作一、根本面板FANUC 0i Mate-TD数控系统的操作面板可分为:LCD显示区、MDI键盘区〔包括字符键和功能键等〕、软键开关区和存储卡接口。
图4-1 FANUC 0i Mate- TD 主面板1〕MDI键盘区上面四行为字母、数字和字符局部,操作时,用于字符的输入;其中“EOB〞为分号〔;〕输入键;其他为功能或编辑键。
2〕POS键:按下此键显示当前机床的坐标位置画面;3〕PROG键:按下此键显示程序画面;4〕OFS/SET键:按下此键显示刀偏/设定〔SETTING〕画面;5〕SHIFT键:上档键,按一下此键,再按字符键,将输入对应右下角的字符;6〕CAN键:退格/取消键,可删除已输入到缓冲器的最后一个字符;7〕INPUT键:写入键,当按了地址键或数字键后,数据被输入到缓冲器,并在CRT 屏幕上显示出来;为了把键入到输入缓冲器中的数据拷贝到存放器,按此键将字符写入到指定的位置;8〕SYSTEM键:按此键显示系统画面〔包括参数、诊断、PMC和系统等〕;9〕MSSAGE键:按此键显示报警信息画面;10〕CSTM/GR键:按此键显示用户宏画面〔会话式宏画面〕或显示图形画面;11〕ALTER键:替换键;12〕INSERT键:插入键;13〕DELETE键:删除键;14〕PAGE键:翻页键,包括上下两个键,分别表示屏幕上页键和屏幕下页键;15〕HELP键:帮助键,按此键用来显示如何操作机床;16〕RESET键:复位键;按此键可以使CNC复位,用以消除报警等;17〕方向键:分别代表光标的上、下、左、右移动;18〕软键区:这些键对应各种功能键的各种操作功能,根据操作界面相应变化;19)下页键〔Next〕:此键用以扩展软键菜单,按下此键菜单改变,再次按下此键菜单恢复;20〕返回键:按下对应软键时,菜单顺序改变,用此键将菜单复位到原来的菜单。
二、操作面板各按键功能说明:方式选择键1〕〖EDIT〗键:编辑方式键,设定程序编辑方式,其左上角带指示灯。
;k;lm/n部分面板按键功能说明(FANUC)一、FANUC0系统MDI面板:
FANUC0系统MDI面板各键功能说明表
*表示尚未开发的功能键
二、FANUC0系统车床标准面板
FANUC0系统车床标准面板功能说明表
START JOG FEEDRATE OVERRIDE
置有效。
三、FANUC0系统宝鸡机床厂SK50型车床面板:
FANUC0系统宝鸡机床厂SK50型车床面板功能说明表
四、FANUC0系统xx机床厂车床面板:
FANUC0系统xx机床厂车床面板功能说明表模式选择旋钮
五、FANUC0-PM0系统MDI面板
FANUC0-PM0系统MDI面板各键功能说明表
六、FANUC-PM0系统车床标准面板:
FANUC-PM0系统车床标准面板功能说明表
七、FANUC0I系统MDI面板:
FANUC0I系统MDI面板各键功能说明表
八、FANUC0I系统JOHNFORD VMC-850型立式加工中心面板:
FANUC0I系统JOHNFORD VMC-850型立式加工中心面板功能说明表
程序运行开始;模式选择旋钮在“”或“行暂停。
按“。
(完整版)FANUC系统部分操作⾯板简介;k;lm/n 部分⾯板按键功能说明(FANUC)⼀、FANUC0系统MDI⾯板:FANUC0系统MDI⾯板各键功能说明表键名称功能说明RESET 复位键按下此键,复位CNC系统,包括取消报警、主轴故障复位、中途退出⾃动操作循环和输⼊、输出过程等。
OUTPTSTART输出启动键按下此键,CNC开始输出内存中的参数或程序到外部设备。
地址和数字键按下这些键,输⼊字母、数字和其它字符。
INPUT 输⼊键除程序编辑⽅式以外的情况,当⾯板上按下⼀个字母或数字键以后,必须按下此键才能输⼊到CNC内。
另外,与外部设备通信时,按下此键,才能启动输⼊设备,开始输⼊数据到CNC内。
CURSOR 光标移动键⽤于在CRT页⾯上,移动当前光标。
PAGE 页⾯变换键⽤于CRT屏幕选择不同的页⾯。
POS 页⾯切位置显⽰键在CRT上显⽰机床当前的坐标位置。
PRGRM 程序键在编辑⽅式,编辑和显⽰在内存中的程序。
在MDI⽅式,输⼊和显⽰MDI数据。
MENUOF SET换键参数设置键⼑具偏置数值和宏程序变量的显⽰的设定。
DGNOSPRGRM⾃诊断的参数键设定和显⽰参数表及⾃诊表的内容*OPRALARM 报警号显⽰键按此键显⽰报警号*AUXGRAPH 辅助图形图形显⽰功能,⽤于显⽰加⼯轨迹。
ALTER编辑键替代键⽤输⼊域内的数据替代光标所在的数据。
DELET 删除键删除光标所在的数据。
INSRT 插⼊键将输⼊域之中的数据插⼊到当前光标之后的位置上。
CAN 取消键取消输⼊域内的数据。
EOB 回车换⾏键结束⼀⾏程序的输⼊并且换⾏。
*表⽰尚未开发的功能键⼆、FANUC0系统车床标准⾯板FANUC0系统车床标准⾯板功能说明表按钮名称功能说明MODE(模式选择旋钮)EDIT 编辑模式⽤于直接通过操作⾯板输⼊数控程序和编辑程序。
AUTO ⾃动模式进⼊⾃动加⼯模式。
REF 回零模式机床回零;机床必须⾸先执⾏回零操作,然后才可以运⾏。
FANUC 系列操作面板各按键:RESET(复位键):按下此键,复位CNC系统。
包括取消报警、主轴故障复位、中途退出自动操作循环和中途退出输入、输出过程等。
CURSOR(光标移动键):移动光标至编辑处PAGE(页面转换键):显示器画面向前变换页面,显示器画面向后变换页面。
地址和数字键:按下这些键,输入字母、数字和其它字符POS(位置显示键):在CRT上显示机床现在的位置。
PRGRM(程序键):在编辑方式,编辑和显示内存中的程序。
在MDI方式,输入和显示MDI数据。
在自动方式,指令值显示。
MENU OFFSET(偏置值设定和显示)。
DGNOS PARAM(自诊断参数键)。
参数设定和显示,诊断数据显示OPR ALARM(报警号显示键):报警号显示及软件操作面板的设定和显示AUX GRAPH(图形显示键):图形显示功能INPUT (输入键):用于参数或偏置值的输入;启动I/O设备的输入;MDI 方式下的指令数据的输入。
OUTPT START(输出启动键)。
ALTER (修改键):修改存储器中程序的字符或符号。
INSRT(插入键):在光标后插入字符或符号。
CAN(取消键):取消已键入缓冲器的字符或符号。
DELET(删除键):删除存储器中程序的字符或符号。
A 坐标字绕X轴旋转。
B 坐标字绕Y 轴旋转。
C 坐标字绕Z轴旋转。
D 补偿号刀具半径补偿指令。
E 第二进给功能。
F 进给速度进给速度的指令。
G 准备功能指令动作方式。
H 补偿号补偿号的指定。
I 坐标字圆弧中心X轴向坐标。
J 坐标字圆弧中心Y轴向坐标。
K 坐标字圆弧中心Z轴向坐标。
L 重复次数固定循环及子程序的重复次数。
M 辅助功能机床开关指令。
N 顺序号顺序段序序号。
O 顺序号顺序号、子程序顺序号的指定。
P 暂停或程序中某功能的开始使用的程序号。
Q 固定循环终止段号或固定循环中的定距。
R 坐标字固定循环中的定距离或圆弧半径的指定。
S 主轴功能主轴转速指令。
FANUCT oi 系统操作控制面板一、地址/数字键功能用于输入数据到输入区域,系统将自动判别区分字母和数字。
通过键切换输入。
二、功能键主要负责程序编辑、坐标系和刀具补偿录入、参数的设定、警报的记录、图形确认等。
1、(1位置显示页面键。
用以显示坐标位置屏幕。
位置屏幕有三种方择所需要的坐标系。
(2程序显示与编辑页面键。
用以显示程序屏幕,并可以对显示(3参数输入页面键。
按第一次进入坐标系设置页面;按第二次(4用以显示系统参数屏幕。
(5信息页面键。
用以显示屏幕中的信息,如“报警”信息。
(6图形参数设置页面键。
用以显示用户宏程序屏幕和图形显示屏幕。
2(1换挡键。
在具有两个功能的键上用以切换功能。
(2消除键入区内的数据,按下一次,消除当前光标前一个。
(3输入键。
按下一次,输入数据到缓冲区,并显示在屏幕上;[输入]键。
(4(5可以把输入区中的数据插入到当前光标之后位置。
(6删除键。
删除一个程序或删除全部程序,或删除光标所在的数据。
(7分号输入键。
用于结束一行程序的输入。
与组合3(1复位键。
按下该键,可以实现以下操作功能:①使CNC复位,MDI方式下编辑的程序清除。
(2系统帮助键。
按下该键可获得对未知操作的帮助。
三、面板操作按键功能1、机床运行方式键功能(1按下该键进行编辑运行方式。
(2按下该键进入自动运行方式。
(3按下该键进入MDI运行方式。
(4按下该键进入手动操作方式。
(5按下该键进入手摇操作方式,手摇柄操作有效。
2、操作选择键功能(1按下该键进入单段运行方式(2按下该键机床内照明灯亮。
(3按下该键进行返回机床参考点操作。
3、主轴旋转键(1按下该键主轴正转启动。
(2按下该键主轴停止转动。
(3按下该键主轴反向转动。
4、循环启动/停止键自动加工运行和MDI运行时用以开启和关闭程序。
5、主轴倍率键通过旋转该按钮来调节主轴旋转倍率。
在MDI或自动方式下,当S代码的主轴速度偏高或偏低时,可以用来修调程序中编制的主轴速度。
FANUC系统加工中心面板各键使用方法FANUC 系统各键使用1 ALTER 修改程序及代码2 INSRT 插入程序3 DELET 删除程序4 EOB 完成一句 (END OF BLOCK)5 CAN 取消(EDIT 或 MDI MODE 情况下使用)6 INPUT 输入程序及代码7 OUTPUT START 输出程序及指令8 OFFSET 储存刀具长度、半径补当值9 AUX GRAPH 显示图形10 PRGRM 显示程序内容11 ALARM 显示发生警报内容或代码12 POS 显示坐标13 DGONS PARAM 显示自我诊断及参数功能14 RESET 返回停止15 CURSOR 光标上下移动16 PAGE 上下翻页17 O 程序号码由 O0001~O999918 N 顺序号码由N0001~N999919 G 准备功能代码20 X 坐标轴运动方向指令21 Y 坐标轴运动方向指令22 Z 坐标轴运动方向指令23 H 长度补偿功能代码24 F 进给(FEED)指令25 R 圆弧半径指令26 M 辅助功能指令27 S 主轴指速指令28 T 刀具号码29 D 半径补偿功能代码30 I . J .K 圆弧起点至圆弧中心距离(分别在X,Y,Z轴上)31 P 子程序调用代码32 PROGRAM PROTECT 程序记忆保护开关33 MEMORY 自动执行程序34 EDIT 编辑35 MDI 手动编辑36 SINGL BLOCK 单句执行37 BLOCK DELET 指定不执行单句程序 (与 / 键共享)38 OPT STOP 选择性停止 (与M01码共享)39 DRY RUN 空运行40 PRG TEST 不执行M.S.T.码指令41 CYCLE START 循环动(执行程序)42 CYCLE STOP 循环停止(暂停程序)43 PRG STOP 程序停止(与M00共享)44 HOME 返回X.Y.Z.各轴机械原& #59843;45 JOG 手动进给(行位或切削)46 MPG 手动驱动器50 HIGH 手动快速进给51 SPDL DEC 主轴(RPM)速52 SPDL 100% 执行程序中S指令速53 SPDL CW 主轴顺时钟转动54 SPDL STOP 主轴停止55 SPDL CCW 主轴逆时钟转动56 SPDL INC 主轴(RPM)增速57 Z+,Y+,X+ 机床X.Y.Z.轴往正方向移动58 Z-,Y-,X- 机床X.Y.Z.轴往负方向移动59 4-,4+ 机床第四轴60 TRVRS 执行机床各轴移动指令61 CLNT ON 供应切削液62 CLNT OFF 停止供应切削液63 CLNT AUTO 自动执行供应切削液64 OVERRIDE 切削速度随控 0--150%65 EMERGENCY STOP 紧急停止66 THERMAL ALARM 主轴负荷过热报警67 LUB ALARM 润滑油不足报警68 X_MIRROR IMAGE X轴镜像加工功能69 Y_MIRROR IMAGE Y轴镜像加工功能70 RAPID OVERRIDE 快速行程?控71 DNC 直接数控:数控编程指令代码的区别及技巧1.G04暂停指令G04 X(U)_/P_ 是指刀具暂停时间(进给停止,主轴不停止),地址P或X 后的数值是暂停时间。
发那科系统操作方法
发那科系统是指Fanuc控制系统,以下是Fanuc控制系统的一些常用操作方法:
1. 开机和关机:按下控制面板上的“电源”按钮开机,长按“电源”按钮可以关闭系统。
2. 选择程序:在机器上选择要运行的程序。
通常使用“MDI”模式可以直接输入和修改程序。
3. 机床坐标系设置:通过“机床坐标系设定”功能来设置零点和坐标系,确保机床与程序的坐标一致。
4. 程序编辑:使用Fanuc系统的编辑器来编写、修改和存储程序。
系统支持G 代码和M代码。
5. 手动模式:在手动模式下,可以使用手轮、按钮和机器上的控制杆来手动控制机床的运动。
6. 自动模式:在自动模式下,机床将按照预设的程序自动运行。
7. 调整刀具:在准备好刀具和工件后,使用系统中的工具管理功能来调整和管理刀具。
8. 运行程序:在机器上选择要运行的程序,并确保机床的运动和工件的位置正确。
9. 监控和报警:Fanuc系统可以监控机床的运行状态,并在出现故障或错误时发出警告或报警信息。
10. 安全操作:遵循Fanuc系统的安全操作规程,确保操作人员和机床的安全。
以上仅为Fanuc系统操作的基本方法,具体操作可能会根据不同的机床型号和系统版本有所差异。
在操作发那科系统时,请参考相关的用户手册和操作指南,确保正确和安全地操作机床。
FANUC Oi B数控系统操作面板说明FANUC Oi B数控系统操作面板说明一、机床操作面板结构及功能说明机床操作面板由大小两块组成,小面板上安装有主轴负载表及控制器电源通断按钮,大操作面板位于操装有各种按钮,指示灯及操作部件,以下主要对人操作面板进行说明。
二、操作面板说明1.CYCLE START 程序执行启动按钮(带灯)自动操作方式时,选择所要执行的程序,按下此按钮自动操作开始,执行自动操作执行期间,按钮内指2.FEED HOLD进给保持按钮(带灯)自动执行程序期间,按下此按钮,机床运动轴即减速停止。
3.MODE SELECT方式选择开关,选择机床的工作方式1)EDIT :编辑方式2)AUTO :自动方式3)MDI :手动数据输入方式4)JOG :点动进给方式5)HANDLE :手摇脉冲发生器进给方式6)RAPID :手动快速进给方式?)ZRN :手动返回机床参考零点方式8)DNC :DNC 工作方式9)TEACH.H :手轮示教方式4,FEEDRATE OVERRIDE进给速率修调开关以给定的F 指令进给时,可在0—150%的范围内修改进给率。
JOG 方式时,亦可用其改变JOG 速率。
5.BDT 程序段跳步功能按钮(带灯)自动操作时此按钮接通,程序中有“\”的程序段将不执行。
6.SBK 单程序段执行按钮(带灯)自动操作执行程序时,每按一下CYCLESTART 按钮,只执行一个程序段。
7.DRN 空运行功能按钮(带灯)自动或MDI 方式时,此按钮接通,机床按空运行方式执行程序。
8.Z AXIS LOCK Z轴锁定功能按钮(带灯)自动执行程序时,此按钮接通,可禁止Z 轴方向的移动9. MLK机床锁定按钮(带灯)自动,MDI 或JOG 操作时,此按钮接通,即禁止所有轴向运动已(进给的轴将减速停止) 但位置显示仍将S ,T 功能不受影响。
10. OPS程序段选择停功能按钮(带灯)此按钮接通,所执行的程序在遇有M01指令处,自动停止执行。
加工中心FANUC 系统操作面板功能键及开关的使用方法2010年01月21日星期四03:29第一课加工中心FANUC 系统操作面板功能键及开关的使用方法一、FANUC 系统操作面板功能键的含义三、开关的使用方法:设定自动运行方式 .:设定程序编辑方式 .:设定MDI方式: 设定DNC 运行方式 .: 单程序段运行方式 .: 可选程序段跳过运行方式, 跳过程序段开头带有/ 的程序 .: 程序停止 .: 手动示教( 手轮示教) 方式 .: 程序重启 .: 机床机械锁住 .: 空运行方式 .: 循环停止 .( 自动操作停止).: 循环启动 .( 自动操作开始).: 程序停 .( 进给保持).: 返回参考点方式 .:手动进给方式 .: 手轮进给方式 .: 手轮进给倍率: 手动进给轴选择 .: 快速进给 .: 移动方向选择 .: 主轴, 正转, 停止, 反转 .: 进给倍率 .:主轴转速倍率: 紧急停止: 程序保护开关六、小结:加工中心慨况及面板操作七、作业:操作面板,熟练面板各个功能键第二课加工中心加工工件的安装、对刀与换刀加工中心加工定位基准的选择:1.选择基准的三个基本要求:(1)所选基准应能保证工件定位准确装卸方便方便可靠。
(2)所加工精度。
2.选择定位基准6原则:(1)尽量选择设计基准作为定位基准;(2)定位基准与设计基准不工件需两次以上装夹加工时,所选基准在一次装夹定位能完成全部关键精度部位的加工;(4)所加工时,零件定位基准应尽可能与建立工件坐标系的对刀基准重合;(6)需要多次装夹时,基准加工中心夹具的确定:1.对夹具的基本要求:(1)夹紧机构不得影响进给,加工部位要敞开;(2)夹具在机床上能实2.常用夹具种类:(1)通用夹具:如虎钳、分度头、卡盘等;(2)组合夹具:组合夹具由一套件所构成;(3)专用夹具:专为某一项或类似的几项加工设计制造的夹具;(4)可调整夹具:装夹更具灵活性;(5)多工位夹具:可同时装夹多个工件的夹具;(6)成组夹具:专门用于形似的工件的装夹。
3.加工中心夹具的选用原则:(1)在保证加工精度和生产效率的前提下,优先选用通用夹具;(2)批量加工可考虑采用简单专用夹具;(3)大批量加工可考虑采用多工位夹具和高效的气压、液压等专用夹具;(4)采用成组工艺时应使用成组夹具;4.工件在机床工作台上的最佳装夹位置:工件装夹位置应保证工件在机床各轴的加工行程范围内刚性。
加工中心加工的对刀与换刀对刀:对刀也就是工件在机床上找正加紧后,确定工件坐标(编程坐标)原点的机床坐标(确定G54的换刀:根据工艺需要,要用不同参数的刀具加工工件。
在加工中按需要更换刀具的过程叫换刀。
对刀点与换刀点的确定:对刀点:对刀点是工件在机床上找正夹紧后,用于确定工件坐标系在机床坐标系中位置的基准点对刀点可选在工件上或装夹定位元件上,但对刀点与工件坐标点必须有准确、合理、简单的位置件坐标点的机床坐标)。
对刀点最好能与工件坐标点重合。
换刀点:加工中心有刀库和自动换刀装置,根据程序的需要可以自动换刀。
换刀点应在换刀时工涉的位置上,加工中心的换刀点往往是固定的。
对刀方法:水平方向对刀(x、y坐标):(1) 杠杆百分表对刀:对刀点为圆柱孔中心;(2) 采用寻边器对刀:圆孔或基准边(3) 采用碰刀或试切方式对刀。
Z向对刀(z坐标):(1)机上对刀:采用z向坐标对刀。
(2)机外刀具预调+机上对刀。
机外对刀仪对刀:测量刀具的直径、长度、刀刃形状和刀角。
(4) 卧式加工中心多工位加工中的对刀问题第三课加工中心加工工艺二:选择走刀路线与确定工艺参数加工工序的划分(5分钟)在数控机床上特别是在加工中心上加工零件,工序十分集中,许多零件只需在一次装卡中就能完成全部工序。
但的加工应在普通机床上完成之后,再装卡到数控机床上进行加工。
这样可以发挥数控机床的特点,保持数控机床的精数控机床上加工零件其工序划分的方法有:1、刀具集中分序法即按所用刀具划分工序,用同一把刀加工完零件上所有可以完成的部位,在用第二把刀、第三把刀完成它们可以完减少不必要的定位误差。
2、粗、精加工分序法这种分序法是根据零件的形状、尺寸精度等因素,按照粗、精加工分开的原则进行分序。
对单个零件或一批零件一段时间,以使粗加工后零件的变形得到充分恢复,再进行精加工,以提高零件的加工精度。
3、按加工部位分序法即先加工平面、定位面,再加工孔;先加工简单的几何形状,再加工复杂的几何形状;先加工精度比较低的部位总之,在数控机床上加工零件,其加工工序的划分要视加工零件的具体情况具体分析。
许多工序的安排是综合了选择走刀路线(5分钟)走刀路线是数控加工过程中刀具相对于被加工件的的运动轨迹和方向。
走刀路线的确定非常重要,因为它与零件(1)保证零件的加工精度和表面粗糙度;(2)方便数值计算,减少编程工作量;(3)缩短走刀路线,减少进退刀时间和其他辅助时间;(4)尽量减少程序段数。
另外,在选择走刀路线时还要充分注意以下所讲解的几个方面的内容。
避免引入反向间隙误差(5分钟)数控机床在反向运动时会出现反向间隙,如果在走刀路线中将反向间隙带入,就会影响刀具的定位精度,增加工置精度要求较高,因此安排镗孔路线的问题就显得比较重要,安排不当就有可能把坐标轴的反向间隙带入,直接影响方案b如图16-1b)所示。
从图中不难看出,方案a中由于Ⅳ孔与Ⅰ、Ⅱ、Ⅲ孔的定位方向相反,X向的反向间隙会使定位误差增加,而影响Ⅳ孔处定位,而是多运动了一段距离,然后折回来在Ⅳ孔处定位。
这样Ⅰ、Ⅱ、Ⅲ孔与Ⅳ孔的定位方向是一致的,就可距精度。
图16-1 镗铣加工路线图切入切出路径(5分钟)在铣削轮廓表面时一般采用立铣刀侧面刃口进行切削,由于主轴系统和刀具的刚度变化,当沿法向切入工件时,外表面轮廓形状时,应安排刀具沿零件轮廓曲线的切向切入工件,并且在其延长线上加入一段外延距离,以保证零件切向延长线上切出。
如图16-2a)所示。
当铣切内表面轮廓形状时,也应该尽量遵循从切向切入的方法,但此时切入无法外延,最好安排从圆弧过渡到圆16-2b)所示。
当实在无法沿零件曲线的切向切入、切出时,铣刀只有沿法线方向切入和切出,在这种情况下,切入要避免停顿。
图16-2铣削圆的加工路线为了消除由于系统刚度变化引起进退刀时的痕迹,可采用多次走刀的方法,减小最后精铣时的余量,以减小切削在切入工件前应该已经完成刀具半径补偿,而不能在切入工件时同时进行刀具补偿,如图16-2a)所示,这样会产作为完成刀具半径补偿点,如图16-2b)所示。
图16-3 切入切出路径例如,16-3所示零件的切入切出路线应当考虑注意切入点及延长线方向。
顺、逆铣及切削方向和方式的确定(5分钟)在铣削加工中,若铣刀的走刀方向与在切削点的切削分力方向相反,称为顺铣;反之则称为逆度较高,并且可以减少机床的“颤振”,所以在铣削加工零件轮廓时应尽量采用顺铣加工方式。
若要铣削内沟槽的两侧面,就应来回走刀两次,保证两侧面都是顺铣加工方式,以使两侧面具有加工中心铣削加工工艺参数的确定(5分钟)确定工艺参数是工艺制定中重要的内容,采用自动编程时更是程序成功与否的关键。
(一)用球铣刀加工曲面时与切削精度有关的工艺参数的确定1、步长l(步距)的确定步长l(步距)——每两个刀位点之间距离的长度,决定刀位点数据的多少。
曲线轨迹步长l的确定方法:直接定义步长法:在编程时直接给出步长值,根据零件加工精度确定间接定义步长法:通过定义逼近误差来间接定义步长2、行距S(切削间距)的确定行距S(切削间距)——加工轨迹中相邻两行刀具轨迹之间的距离。
影响:行距小:加工精度高,但加工时间长,费用高行距大:加工精度低,零件型面失真性较大,但加工时间短。
两种方法定义行距:(1)直接定义行距算法简单、计算速度快,适于粗加工、半精加工和形状比较平坦零件的精加工的刀具运动轨迹的(2)用残留高度h来定义行距残留高度h——被加工表面的法矢量方向上两相邻切削行之间残留沟纹的高度。
h大:表面粗糙度值大h小:可以提高加工精度,但程序长,占机时间成倍增加,效率降低选取考虑:粗加工时,行距可选大些,精加工时选小一些。
有时为减小刀峰高度,可在原两行之间加密行切实际效果更好些。
(二)与切削用量有关的工艺参数确定1、背吃刀量ap与侧吃刀量ae背吃刀量ap——平行于铣刀轴线测量的切削层尺寸。
侧吃刀量ae——垂直于铣刀轴线测量的切削层尺寸。
从刀具耐用度的角度出发,切削用量的选择方法是:先选取背吃刀量ap或侧吃刀量ae,其次确定进给速度,最后确定切削速度。
如果零件精度要求不高,在工艺系统刚度允许的情况下,最好一次切净加工余量,以提高加工度,只好采用多次走刀。
2、与进给有关参数的确定在加工复杂表面的自动编程中,有五种进给速度须设定,它们是:(1)快速走刀速度(空刀进给速度)为节省非切削加工时间,一般选为机床允许的最大进给速度,即G00速度。
(2)下刀速度(接近工件表面进给速度)为使刀具安全可靠的接近工件,而不损坏机床、刀具和工件,下刀速度不能太高,要小于或等于类或铸铁类一般为50mm/min。
(3)切削进给速度F切削进给速度应根据所采用机床的性能、刀具材料和尺寸、被加工材料的切削加工性能和加工余一般原则是:工件表面的加工余量大,切削进给速度低;反之相反。
切削进给速度可由机床操作者根据被加工工件表面的具体情况进行手工调整,以获得最佳切削状算所允许的进给速度。
建议值:加工塑料类制件:1500 mm/min加工大余量钢类零件:250 mm/min小余量钢类零件精加工:500 mm/min铸件精加工:600 mm/min(4)行间连接速度(跨越进给速度)行间连接速度——刀具从一切削行运动到下一切削行的运动速度。
该速度一般小于或等于切削进给速度。
(5)退刀进给速度(退刀速度)为节省非切削加工时间,一般选为机床允许的最大进给速度,即G00速度。
3、与切削速度有关的参数确定(1)切削速度υc切削速度υc的高低主要取决于被加工零件的精度和材料、刀具的材料和耐用度等因素。
(2)主轴转速n主轴转速n根据允许的切削速度υc来确定:n=1000υc/πd理论上,υc越大越好,这样可以提高生产率,而且可以避开生成积屑瘤的临界速度,获得较低的使用国内机床、刀具时允许的切削速度常常只能在100~200m/min范围内选取。
二、小结:1、在数控机床上特别是在加工中心上加工零件,工序十分集中,许多零件只需在一次装卡中就能2、走刀路线的确定非常重要,因为它与零件的加工精度和表面质量密切相关。
确定走刀路线首先值计算,减少编程工作量。
3、选择走刀路线时还要特别注意不要引入反向间隙误差、切入切出路径不要发生过切、尽量采用。