高压计量接线图
- 格式:doc
- 大小:194.50 KB
- 文档页数:5
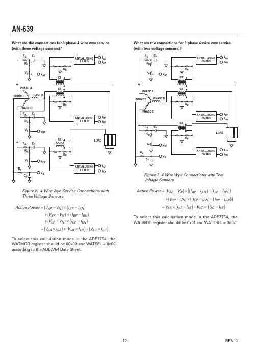
–12–AN-639What are the connections for 3-phase 4-wire wye service(with three voltage sensors)?Figure 6. 4-Wire Wye Service Connections with Three Voltage SensorsActive Power V V I I V V I I V V I I V I V I V I AP N AP AN BP N BP BN CP N CP CN A A B B C C=−()×−()+−()×−()+−()×−()=×()+×()+×()To select this calculation mode in the ADE7754, the WATMOD register should be 00x00 and WATSEL = 0x00 according to the ADE7754 Data Sheet.What are the connections for 3-phase 4-wire wye service (with two voltage sensors)?Figure 7. 4-Wire Wye Connections with T wo Voltage SensorsActive Power V V I I I I V V I I I I V I I V I I AP N AP AN BP BN CP N CP CN BP BN A A B C C B=−()×−()−−()()+−()×−()−−()()=×−()+×−()To select this calculation mode in the ADE7754, the WATMOD register should be 0x01 and WATTSEL = 0x07.REV. 0–13–AN-639What are the connections of the analog inputs in 3-phase 3-wire delta service?For 3-phase 3-wire systems, only two voltage inputs are connected to the ADE7754. One phase is used as a refer-ence (connected to V N of the ADE7754) and the other two phases are referred to this phase. In 3-phase 3-wire connection, you cannot get V AB and I C directly. For mea-suring I C , you need an additional CT. For V AB , the ADE7754 actually measures V BC and V AC . V AB can bec alculated from these two values assuming a constant phase difference between the three phases (120Њ). To select this calculation mode in the ADE7754, the WATTMOD register should be 0x00 and WATTASEL = 0x3, 0x5, or 0x6.Figure 8. 3-Wire Delta ConnectionsActive Power V V I I V V I I V V I V V I AP N AP AN BP N BP N A B A B C B=−()×−()+−()×−()=−()×+−()×What are the connections for 3-phase 4-wire delta service?Figure 9. 4-Wire Delta ConnectionsTo select this calculation mode in the ADE7754, the WATTMOD register should be 0x02 and WATTSEL = 0x07.Active Power V V I I V I V V I I V I I V I AP N AP AN BP BN CP N CP N A A B C C=−()×−()−()()+−()×−()=×()+×––Is there a time delay between the zero crossing on analog inputs of the voltage channel and the falling of IRQ at 50 Hz?The zero-crossing detection has an inherent time delay from the low-pass fi lter. T his time delay is approximately 0.6 ms as stated in the ADE7754 Data Sheet.What is the error and dynamic range of the rms measurement (registers) in the ADE7754?The error on the rms measurement depends on the level and type of input (current or voltage). On the voltage side, we recommend synchronizing the Vrms reading with the zero crossing of this phase to reduce the ripple noise in the VRMS register. By doing that, you can get errors below 1% in the range of FS to FS/20 with offset correc-tion. On the current channel, the error can be below 1% in the range of FS to FS/100 with offset correction.REV. 0。
10kv高压计量箱接线图_杆上高压计量安装图_35kv杆上高压计量箱接线图陕西泰开高压开关制造有限公司(简称“泰开高压开关”)是一家专业从事高压真空开关及相关高压产品的研发、生产及销售于一体的重点高新技术企业,高压电器设备骨干企业,从事高压电力设备生产已有三十余年,拥有宽敞的净化生产区,拥有先进的生产设备和完善的高压试验、检测设施,以其优越的性能、技术、精湛的工艺、可靠的质量、优质的服务赢得了广大用户的赞誉,并跟多家合资企业、外资企业建立了长期稳定的合作伙伴关系,我厂专业生产12-40.5KV户内外高压断路器,永磁真空断路器,智能、预付费、小型化、双电源、看门狗等真空断路器,六氟化硫断路器,负荷开关,隔离开关,高压熔断器,避雷器,变压器,高低压成套,电缆分支箱,充气柜,自动化设备电器等高低压电器。
自创建以来一直本着“服务至上“的经营宗旨。
不折不扣做好售前,售中,售后,服务各处细节之点,本顾客之所想,为在电气行业中而努力奋斗不止。
陕西泰开高压开关厂是中国高压开关行业定点生产厂家,已成为我国高压开关设备的研发和生产基地,特别在城网、农网改造和电站改造中一站式供应单位,是国家经贸委城乡电网建设、改造所需设备***的生产企业,坚持走高新技术之路,坚持高新技术产品的研发,近年来陆续开发了10KV智能永磁快速真空断路器,高压智能双电源自动转换装置等,并针对智能电网的新要求,高压断路器本体能更快速地动作,具有更小的分散性、更高的可靠性,终达到同步关合的要求,而随着我国电网不断扩大及用电负荷的迅猛增长,原有10KV电压等级配电网难以满足供电要求,公司适时开发出了24KV户外永磁快速真空断路器,特别是在小型化断路器上有全新的发展,针对35KV真空断路器取得了突破性的成功。
公司将结合对电力设备市场导向的分析,继续并努力开发高新产品。
10kV油式户外高压计量箱电能表故障。
仪表箱内的感应式有功或无功电能表的电压线圈烧毁,或多功能电子表烧毁,无液晶显示,此现象一般因雷击或电路短路引起的,发现这种情况应给予更换电能表。
第二章高压计量接线第一节高压计量箱一次多变比高压计量箱电压互感器做V/V形接线(二次四电流桩头回线分开)安装时应注意以下几点:1、首先要辨别清楚高压计量箱就是单变比还就是多变比,如果就是多变比还要弄清就是一次多变比还就是二次多变比2、一次侧电源线应接P1桩头,单变比计量箱出线应接P2桩头,一次多变比计量箱应接所要使用得变比桩头。
3、A相电流互感器二次侧aS1端子应接电能表电流回路A相得进线端(第1孔)4、A相电流互感器二次侧aS2端子应接电能表电流回路A相得出线端(第3孔)5、C相电流互感器二次侧cS1端子应接电能表电流回路C相得进线端(第7孔)6、C相电流互感器二次侧cS2端子应接电能表电流回路A相得出线端(第9孔)7、电流回路不允许开路8、A、C相电流回路二次侧S2端子应接地、9、电压回路二次侧A相端子应接入电能表电压回路A相得端子(第2孔)10、电压回路二次侧B相端子应接入电能表电压回路B相得端子(第5孔)11、电压回路二次侧C相端子应接入电能表电压回路C相得端子(第8孔)12、电压回路不允许短路13、电压回路B相应接地14、接线图如下:高压计量箱电压互感器做V/V形接线接线图(二次四电流桩头回线分开)高压计量箱电压互感器做V/V形接线(二次三电流桩头回线共用)安装时应注意以下几点:1、首先要辨别清楚高压计量箱就是单变比还就是多变比,如果就是多变比还要弄清就是一次多变比还就是二次多变比2、一次侧电源线应接P1桩头,单变比计量箱出线应接P2桩头,一次多变比计量箱应接所要使用得变比桩头。
3、二次侧S1端子应接电能表电流回路A相得进线端(第1孔)4、二次侧S2端子应接电能表电流回路A相得出线端,并与电能表C相电流回路得出线端并联。
(第3孔与第9孔)5、二次侧S3端子应接电能表电流回路C相得进线端(第7孔)6、电流回路不允许开路7、电流回路二次侧S2端子应接地、8、电压回路二次侧A相端子应接入电能表电压回路A相得端子(第2孔)9、电压回路二次侧B相端子应接入电能表电压回路B相得端子(第5孔)10、电压回路二次侧C相端子应接入电能表电压回路C相得端子(第8孔)11、电压回路不允许短路12、电压回路B相应接地13、接线图如下:高压计量箱电压互感器做V/V形接线接线图(二次三电流桩头回线共用)。
很多电工不清楚的高压计量柜,今天从原理图和接线图来分析关于计量这块,我是放在算是KYN28这个系列最后的,因为计量这块通常供电局把控比较严格。
简单说下计量的方案,一般有高供高计和高供低计,而我们今天要讲的也是比较常见的高供高计。
一,什么是计量柜?计量柜,安装专用计量表(装置)的柜体,称为计量柜。
在我国计量柜一般指的是电能计量柜。
KYN28柜如图是一台进线带计量柜,也有单独成柜的计量柜,我们今天主要讲单独成柜的计量柜。
二,计量柜的配置?主要元器件:电压互感器、电流互感器、避雷器、高压熔断器、带电显示器等。
同时计量柜也可以采用计量手车,即将电压互感器和电流互感器装于手车。
计量手车注意:电能表、电压电流互感器一般供电局提供或需要进行校验。
三,原理图。
如图,这里没有一次系统图。
(只是拿来分析学习之用。
)原理图如图,大致回路给标注出来了,我们一个个来分析:(1)材料清单:材料清单如图,我们需要了解其型号和数量,同时需要注意这里有未列出来的。
(2)电流回路:电流回路如图,有几个点给大家说明下:①这里利用了2个电流互感器做一个电流回路。
②这里用的是计量手车,所以这里对应出来的是航空插座上的点如XP:3 。
(和真空断路器类似。
)③接线盒,接线盒的好处我提一点就是因为一般电度表是供电局提供,所以我们只需要接线至接线盒就行,后面的预留起来就行,比较方便。
(图纸连片有啥作用?欢迎讨论。
)接线盒④电度表和无功表后面接线图分析。
(3)电压回路:电压回路这里只需要说明一点哦,也是我之前有分享过得内容,你看这里是几个电压互感器采用的什么接法呢?一样欢迎讨论,不明白的可以私信我或者留言,我会晚一点评论告诉大家。
(4)带电显示器回路以及小车闭锁回路:带电显示器回路以及小车闭锁回路以下几点需要注意:①电源问题:这里采用了直流屏提供的KM,比较稳定可靠。
②带电显示器DXN和DSN电磁锁。
(之前也讲过一般有接地刀的配置T型带电显示器无电磁锁,无接地刀的一般配置Q型带电显示器配置电磁锁。
高压计量接线图精选.第二章高压计量接线第一节高压计量箱一次多变比高压计量箱电压互感器做V/V形接线(二次四电流桩头回线分开)安装时应注意以下几点:1、首先要辨别清楚高压计量箱是单变比还是多变比,如果是多变比还要弄清是一次多变比还是二次多变比2、一次侧电源线应接P1桩头,单变比计量箱出线应接P2桩头,一次多变比计量箱应接所要使用的变比桩头。
3、A相电流互感器二次侧aS1端子应接电能表电流回路A相的进线端(第1孔)4、A相电流互感器二次侧aS2端子应接电能表电流回路A相的出线端(第3孔)5、C相电流互感器二次侧cS1端子应接电能表电流回路C相的进线端(第7孔)6、C相电流互感器二次侧cS2端子应接电能表电流回路A相的出线端(第9孔)7、电流回路不允许开路8、A、C相电流回路二次侧S2端子应接地。
9、电压回路二次侧A相端子应接入电能表电压回路A相的端子(第2孔)10、电压回路二次侧B相端子应接入电能表电压回路B相的端子(第5孔)11、电压回路二次侧C相端子应接入电能表电压回路C相的端子(第8孔)12、电压回路不允许短路13、电压回路B相应接地14、接线图如下:高压计量箱电压互感器做V/V形接线接线图(二次四电流桩头回线分开)高压计量箱电压互感器做V/V形接线(二次三电流桩头回线共用)安装时应注意以下几点:1、首先要辨别清楚高压计量箱是单变比还是多变比,如果是多变比还要弄清是一次多变比还是二次多变比2、一次侧电源线应接P1桩头,单变比计量箱出线应接P2桩头,一次多变比计量箱应接所要使用的变比桩头。
3、二次侧S1端子应接电能表电流回路A相的进线端(第1孔)4、二次侧S2端子应接电能表电流回路A相的出线端,并与电能表C相电流回路的出线端并联。
(第3孔和第9孔)5、二次侧S3端子应接电能表电流回路C相的进线端(第7孔)6、电流回路不允许开路7、电流回路二次侧S2端子应接地。
8、电压回路二次侧A相端子应接入电能表电压回路A相的端子(第2孔)9、电压回路二次侧B相端子应接入电能表电压回路B相的端子(第5孔)10、电压回路二次侧C相端子应接入电能表电压回路C相的端子(第8孔)11、电压回路不允许短路12、电压回路B相应接地13、接线图如下:高压计量箱电压互感器做V/V形接线接线图(二次三电流桩头回线共用)最新文件仅供参考已改成word文本。
第二章高压计量接线第一节高压计量箱一次多变比高压计量箱电压互感器做V/V形接线(二次四电流桩头回线分开) 安装时应注意以下几点:1、首先要辨别清楚高压计量箱是单变比还是多变比,如果是多变比还要弄清是一次多变比还是二次多变比2、一次侧电源线应接P1桩头,单变比计量箱出线应接P2桩头,一次多变比计量箱应接所要使用的变比桩头。
3、A相电流互感器二次侧aS1端子应接电能表电流回路A相的进线端(第1孔)4、A相电流互感器二次侧aS2端子应接电能表电流回路A相的出线端(第3孔)5、C相电流互感器二次侧cS1端子应接电能表电流回路C相的进线端(第7孔)6、C相电流互感器二次侧cS2端子应接电能表电流回路A相的出线端(第9孔)7、电流回路不允许开路8、A、C相电流回路二次侧S2端子应接地。
9、电压回路二次侧A相端子应接入电能表电压回路A相的端子(第2孔)10、电压回路二次侧B相端子应接入电能表电压回路B相的端子(第5孔)11、电压回路二次侧C相端子应接入电能表电压回路C相的端子(第8孔)12、电压回路不允许短路13、电压回路B相应接地14、接线图如下:高压计量箱电压互感器做V/V形接线接线图(二次四电流桩头回线分开)高压计量箱电压互感器做V/V形接线(二次三电流桩头回线共用) 安装时应注意以下几点:1、首先要辨别清楚高压计量箱是单变比还是多变比,如果是多变比还要弄清是一次多变比还是二次多变比2、一次侧电源线应接P1桩头,单变比计量箱出线应接P2桩头,一次多变比计量箱应接所要使用的变比桩头。
3、二次侧S1端子应接电能表电流回路A相的进线端(第1孔)4、二次侧S2端子应接电能表电流回路A相的出线端,并与电能表C相电流回路的出线端并联。
(第3孔和第9孔)5、二次侧S3端子应接电能表电流回路C相的进线端(第7孔)6、电流回路不允许开路7、电流回路二次侧S2端子应接地。
8、电压回路二次侧A相端子应接入电能表电压回路A相的端子(第2孔)9、电压回路二次侧B相端子应接入电能表电压回路B相的端子(第5孔)10、电压回路二次侧C相端子应接入电能表电压回路C相的端子(第8孔)11、电压回路不允许短路12、电压回路B相应接地13、接线图如下:高压计量箱电压互感器做V/V形接线接线图(二次三电流桩头回线共用)。
三相三线两元件电能表ABC 8种接线1、接线方式为U AB I A U CB I C解:此接线的相量图,如图1—1(b )所示。
从相量图1—1(b )可看出,电能表第I 元件所加电压为ABU •通过电流为A I •,ABU•与A I •的夹角为φ′I=30°+φ;第II 元件所加为CB U •,通过电流为C I •,CB U •与C I •的夹角为φ′II=30°-φ,所以可列出如下计量有功功率表达式。
第I 元件计量功率为:P ′I =U AB I A cos φ′I=UI cos (30°+φ)第II 元件计量功率为:P ′II=U CB I C cos φ′II=UI cos (30°-φ)电能表计量出的功率为:P ′= P ′I+ P ′II= UI cos (30°+φ)+ UI cos (30°-φ) =UI ()sin cos ()sin cos 21232123ϕϕϕϕ++- =ϕcos 3UI功率系数为:3UIcos φ 更正系数为:1(b ).相量图图1-—1用户计费电能表AB U •A U •A I •C U •C I •B U •ϕ︒30ϕA BC2、接线方式为U AB I C U CB I A解:此接线的相量图,如图1—2(b )所示。
从相量图1—2(b )可看出,电能表第I 元件所加电压为ABU •通过电流为C I •,ABU•与C I •的夹角为φ′I=90°-φ;第II 元件所加为CB U •,通过电流为A I•,CB U •与A I •的夹角为φ′II=90°+φ,所以可列出如下计量有功功率表达式。
第I 元件计量功率为:P ′I =U AB I C cos φ′I=UI cos (90°-φ)第II 元件计量功率为:P ′II=U CB I A cos φ′II=UI cos (90°+φ)电能表计量出的功率为:P ′= P ′I+ P ′II= UI cos (90°-φ)+ UI cos (90°+φ) =UIsin φ- UIsin φ =0实际三相负荷所消耗的有功功率为P=3UIcon φ电能表计量出的功率为0,电能表不转,应按P=3UIcon φ计量功率。
第二章高压计量接线
第一节高压计量箱一次多变比
高压计量箱电压互感器做V/V形接线(二次四电流桩头回线分开)安装时应注意以下几点:
1、首先要辨别清楚高压计量箱是单变比还是多变比,如果是多变
比还要弄清是一次多变比还是二次多变比
2、一次侧电源线应接P1桩头,单变比计量箱出线应接P2桩头,
一次多变比计量箱应接所要使用的变比桩头。
3、A相电流互感器二次侧aS1端子应接电能表电流回路A相的
进线端(第1孔)
4、A相电流互感器二次侧aS2端子应接电能表电流回路A相的
出线端(第3孔)
5、C相电流互感器二次侧cS1端子应接电能表电流回路C相的进
线端(第7孔)
6、C相电流互感器二次侧cS2端子应接电能表电流回路A相的出
线端(第9孔)
7、电流回路不允许开路
8、A、C相电流回路二次侧S2端子应接地。
9、电压回路二次侧A相端子应接入电能表电压回路A相的端子
(第2孔)
10、电压回路二次侧B相端子应接入电能表电压回路B相的端子
(第5孔)
11、电压回路二次侧C相端子应接入电能表电压回路C相的端子
(第8孔)
12、电压回路不允许短路
13、电压回路B相应接地
14、接线图如下:
高压计量箱电压互感器做V/V形接线接线图(二次四电流桩头回线
分开)
高压计量箱电压互感器做V/V形接线(二次三电流桩头回线共用)安装时应注意以下几点:
1、首先要辨别清楚高压计量箱是单变比还是多变比,如果是多变
比还要弄清是一次多变比还是二次多变比
2、一次侧电源线应接P1桩头,单变比计量箱出线应接P2桩头,
一次多变比计量箱应接所要使用的变比桩头。
3、二次侧S1端子应接电能表电流回路A相的进线端(第1孔)
4、二次侧S2端子应接电能表电流回路A相的出线端,并与电能
表C相电流回路的出线端并联。
(第3孔和第9孔)
5、二次侧S3端子应接电能表电流回路C相的进线端(第7孔)
6、电流回路不允许开路
7、电流回路二次侧S2端子应接地。
8、电压回路二次侧A相端子应接入电能表电压回路A相的端子
(第2孔)
9、电压回路二次侧B相端子应接入电能表电压回路B相的端子
(第5孔)
10、电压回路二次侧C相端子应接入电能表电压回路C相的端子
(第8孔)
11、电压回路不允许短路
12、电压回路B相应接地
13、接线图如下:
高压计量箱电压互感器做V/V形接线接线图(二次三电流桩头回线
共用)。