关于落地式脚手架力学计算说明书:
- 格式:doc
- 大小:46.00 KB
- 文档页数:7
扣件式脚手架计算书计算依据:1、《建筑施工扣件式钢管脚手架安全技术规范》JGJ130-20112、《建筑地基基础设计规范》GB50007-20113、《建筑结构荷载规范》GB50009-20124、《钢结构设计规范》GB50017-20031、脚手架参数2、荷载设计计算简图:立面图侧面图3、纵向水平杆验算纵、横向水平杆布置q=1.2×(0.03+Gkjb ×lb/(n+1))+1.4×Gk×lb/(n+1)=1.2×(0.03+0.35×0.8/(2+1))+1.4×3×0.8/(2+1)=1.27kN/m正常使用极限状态q'=(0.03+Gkjb ×lb/(n+1))+Gk×lb/(n+1)=(0.03+0.35×0.8/(2+1))+3×0.8/(2+1)=0.92kN/m计算简图如下:1、抗弯验算Mmax =0.1qla2=0.1×1.27×1.32=0.21kN·mσ=Mmax/W=0.21×106/4120=52.02N/mm2≤[f]=205N/mm2 满足要求!2、挠度验算νmax =0.677q'la4/(100EI)=0.677×0.92×13004/(100×206000×98900)=0.876mmνmax =0.876mm≤[ν]=min[la/150,10]=min[1300/150,10]=8.67mm满足要求!3、支座反力计算承载能力极限状态Rmax =1.1qla=1.1×1.27×1.3=1.81kN正常使用极限状态Rmax '=1.1q'la=1.1×0.92×1.3=1.32kN4、横向水平杆验算由上节可知F1=Rmax=1.81kNq=1.2×0.03=0.036kN/m 正常使用极限状态由上节可知F1'=Rmax'=1.32kNq'=0.03kN/m1)、抗弯验算计算简图如下:弯矩图(kN·m) σ=Mmax/W=0.48×106/4120=116.76N/mm2≤[f]=205N/mm2 满足要求!2)、挠度验算计算简图如下:变形图(mm)νmax =1.178mm≤[ν]=min[lb/150,10]=min[800/150,10]=5.33mm满足要求!3)、支座反力计算承载能力极限状态Rmax=1.83kN5、扣件抗滑承载力验算扣件抗滑承载力验算:纵向水平杆:Rmax =1.81/2=0.91kN≤Rc=0.85×8=6.8kN横向水平杆:Rmax =1.83kN≤Rc=0.85×8=6.8kN满足要求!6、荷载计算立杆静荷载计算1)、立杆承受的结构自重标准值N G1k单外立杆:N G1k =(gk+l a ×n/2×0.03/h)×H=(0.129+1.3×2/2×0.03/1.7)×17.6=2.68kN 单内立杆:N G1k =2.68kN 2)、脚手板的自重标准值N G2k1 单外立杆:N G2k1=(H/h+1)×la ×l b ×G kjb ×1/2/2=(17.6/1.7+1)×1.3×0.8×0.35×1/2/2=1.03kN 1/2表示脚手板2步1设 单内立杆:N G2k1=1.03kN 3)、栏杆与挡脚板自重标准值N G2k2单外立杆:N G2k2=(H/h+1)×la ×G kdb ×1/2=(17.6/1.7+1)×1.3×0.17×1/2=1.25kN 1/2表示挡脚板2步1设 4)、围护材料的自重标准值N G2k3单外立杆:N G2k3=G kmw ×la ×H=0.01×1.3×17.6=0.23kN 构配件自重标准值N G2k 总计单外立杆:N G2k =N G2k1+N G2k2+N G2k3=1.03+1.25+0.23=2.52kN 单内立杆:N G2k =N G2k1=1.03kN 立杆施工活荷载计算外立杆:N Q1k =la ×l b ×(n jj ×G kjj +n zj ×G kzj )/2=1.3×0.8×(1×3+1×2)/2=2.6kN 内立杆:N Q1k =2.6kN组合风荷载作用下单立杆轴向力:单外立杆:N=1.2×(N G1k + N G2k )+0.9×1.4×N Q1k =1.2×(2.68+2.52)+ 0.9×1.4×2.6=9.51kN 单内立杆:N=1.2×(N G1k + N G2k )+0.9×1.4×N Q1k =1.2×(2.68+1.03)+ 0.9×1.4×2.6=7.73kN7、立杆稳定性验算1)、立杆长细比验算立杆计算长度l=Kμh=1×1.5×1.7=2.55m长细比λ=l/i=2.55×103/16=159.38≤210 轴心受压构件的稳定系数计算:立杆计算长度l=kμh=1.155×1.5×1.7=2.95m长细比λ=l/i=2.95×103/16=184.08查《规范》表A得,φ=0.211满足要求!2)、立杆稳定性验算不组合风荷载作用单立杆的轴心压力设计值N=(1.2×(NG1k +NG2k)+1.4×NQ1k)×(hx1+(1-Kf)×(Hx顶-hx1)+max[2.9,(1-Kf)×hj顶])/H=(1.2×(2.68+2.52)+1.4×2.6)×(14+(1-0.8)×(14-14)+max[2.9,(1-0.8)×3.6])/17.6=9.48kNσ=N/(φA)=9477.74/(0.211×384)=116.97N/mm2≤[f]=205N/mm2满足要求!组合风荷载作用单立杆的轴心压力设计值N=(1.2×(NG1k +NG2k)+0.9×1.4×NQ1k)×(hx1+(1-Kf)×(Hx顶-hx1)+max[2.9,(1-Kf)×hj顶])/H=(1.2×(2.68+2.52)+0.9×1.4×2.6)×(14+(1-0.8)×(14-14)+max[2.9,(1-0.8)×3.6])/17.6=9.13kNMw =0.9×1.4×Mwk=0.9×1.4×ωklah2/10=0.9×1.4×0.34×1.3×1.72/10=0.16kN·mσ=N/(φA)+Mw/W=9128.22/(0.211×384)+160990.02/4120=151.74N/mm2≤[f]=205N/mm2 满足要求!8、连墙件承载力验算N lw =1.4×ωk ×2×h ×2×l a =1.4×0.45×2×1.7×2×1.3=5.6kN 长细比λ=l 0/i=600/158=3.8,查《规范》表A.0.6得,φ=0.99(N lw +N 0)/(φAc)=(5.6+3)×103/(0.99×489)=17.72N/mm 2≤0.85 ×[f]=0.85 ×205N/mm 2=174.25N/mm 2 满足要求!扣件抗滑承载力验算:N lw +N 0=5.6+3=8.6kN ≤0.8×12=9.6kN 满足要求!9、立杆地基承载力验算单立杆的轴心压力标准值N=((N G1k +N G2k )+N Q1k )×(h x1+(1-K f )×(H x 顶-h x1)+max[2.9,(1-K f )×h j 顶])/H=((2.68+2.52)+2.6)×(14+(1-0.8)×(14-14)+max[2.9,(1-0.8)×3.6])/17.6=7.48kN立柱底垫板的底面平均压力p =N/(m f A)=7.48/(1×0.25)=29.93kPa ≤f g =140kPa 满足要求!。
脚手架的设计计算书1.本脚手架计算依据:《建筑施工扣件式钢管脚手架安全技术规范》(JGJ130—2001)(以下简称规范) 《建筑施工手册》第三版(以下简称手册)2,计算时所用的基本数据:基本风压为0.45KN/m 2。
施工荷载Q k =3KN/m 2。
木脚手板自重标准值Q p1=0.35 KN/m 2,栏木、挡脚板自重标准值Q p2=0.14 KN/m 。
3.计算项目:一).纵向、横向水平杆的强度计算1.纵向水平杆的强度计算(1)抗弯强度计算横向水平杆向内侧挑出距离为300mm ,按200mm 计算 F=2121)1(bb l a ql +=0.5×3.465×1.05×(1+05.12.0)2 =2.578KNM max 0.175Fl a =0.175×2.578×1.5=0.677KN ∙m 抗弯强度 σ=WM max =361008.510677.0⨯⨯=133.27 N/mm 2 < f=205N/mm 2 满足要求(2)挠度计算υ=EI Fl a 100146.13=45331019.121006.2100150010578.2146.1⨯⨯⨯⨯⨯⨯⨯=3.97mm<1501500=10mm 满足要求(3)纵向水平杆与立杆连接扣件的抗滑承载力计算:2.15×2.578=5.5427KN<R c =8KN满足要求2.横向水平杆的强度计算(1)抗弯强度计算作用于横向水平杆弯矩设计值:M=1.2GK M +1.4∑Q K M则: M max =1.282b Gk l q ∙+1.482b Qk l q ∙ =805.1)75.034.175.035.02.1(2⨯⨯⨯+⨯⨯ =0.478KN ∙m查规范得:截面模量W=5.08cm 3Q235钢抗弯强度设计值σ =WM max =361008.510478.0⨯⨯=94.09N/mm 2 < f=205N/mm 2 满足要求(2)挠度计算查规范得:弹性模量E=2.06×105 N/mm 2惯性矩I=12.19cm2 作用于横向水平杆线荷载设计值:q=1.2×0.35×0.75+1.4×3×0.75=3.465 N/m则挠度为:υ =EI ql b 38454=4541019.121006.23841050465.35⨯⨯⨯⨯⨯⨯=2.18mm<1501050=7mm 同时也小于10mm满足要求二).立杆的稳定性计算1.长细比计算:查规范得:k=1.155u=1.50i =1.58cm立杆计算长度o l =kuh=1.155×1.5×1.8=3.1185m长细比λ=i l o =58.1101185.32⨯=197.37<210(《冷弯薄壁型钢结构技术规范》) 满足要求2.风荷载产生的立杆弯矩:(1)密目安全网挡风系数计算安全网ϕ=wn A A 2.1=100)0013.02300100(2.1⨯-=0.841 查规范得敞开双排扣件钢管脚手架挡风系数脚手架ϕ=0.089则:ϕ=安全网ϕ+脚手架ϕ=0.841+0.089=0.868(2)风荷载标准值计算查规范得z μ=1.35s μ=1.3ϕ=1.1284则:k w =0.7z μs μo w =0.7×1.35×1.1284×0.45=0.48KN/m(3)风荷载产生的立杆弯矩:w M =0.85×1.4wk M =104.185.02h l w a k ⨯ =108.15.148.04.185.02⨯⨯⨯⨯ =0.278KN ∙m3.立杆段轴向力设计值N 计算:(1)组合风荷载时:查规范得脚手架结构自重标准值:K g =0.1248KN/m木脚手板自重标准值(按满铺二层计算):∑1P Q =2×0.35=0.7 N/M 2 栏杆、挡脚板自重标准值:2P Q =0.14 KN/m施工均布活荷载标准值:K Q =3KN/m则:脚手架结构自重标准值产生的轴向力:K G N 1=S H K g =20×0.1248 =2.496 KN构配件自重标准值产生的轴向力:K G N 2=21(b l +0.3)∑1P a Q l +2P Q a l =21(1.05+0.3)×1.5×0.7+0.14×1.5 =0.919 KN施工荷载标准值产生的轴向力总和:∑Q K N =21(b l +0.3)K a Q l =21(1.05+0.3)×1.5×3 =3.038KN组合风荷载时立杆段轴向力设计值:N=1.2(K G N 1+K G N 2)+0.85×1.4∑Q K N=1.2×(2.496+0.919)+1.4×3.038=7.713KN4.组合风荷载时立杆稳定性计算:查规范得:轴心受压构件的稳定系数ϕ=0.186立杆截面面积A=4.89cm2 截面模量W=5.08cm 3则:A N ϕ+W M W =231089.4186.01013.7.7⨯⨯⨯+3331008.51010278.0⨯⨯⨯ =139.53N/mm 3<f=205 N/mm 3满足要求5.不组合风荷载时立杆稳定性计算: A N ϕ=231089.4186.010351.8⨯⨯⨯ =91.82 N/mm 3<f=205 N/mm 3满足要求三).连墙件的强度、稳定性、连接强度计算1.扣件的抗滑承载力计算每个连墙件覆盖的脚手架面积:w A =a l h 32∙=2×1.8×3×1.5=16.2 m 2由风荷载产生的连墙件的轴向力设计值:lw N =1.4w k A w =1.4×0.48×16.2=10.89KN查规范得:o N =5连墙件的轴向力设计值:l N =lw N +o N =10.89+5=15.89KN抗滑计算:查规范得:每个直角扣件抗滑承载力设计值:C R =8 KN由于采用双扣件设置故:l N =15.89 KN<2C R =2×8=16 KN满足要求2.连墙件的稳定性计算由于连墙件用直角扣件分别连与脚手架和框架柱上的附加钢管上, 因此:o l =0.6+0.3+1.05=1.95m查规范得回转半径i =1.58 cm长细比验算:λ=i l o =58.11095.12⨯=123<[λ]=150(《冷弯薄壁型钢结构技术规范》) 满足要求查规范得轴心受压构件的稳定系数 ϕ=0.434钢管截面积A=4.89 cm 2连墙件稳定性验算:A N l ϕ=231089.4434.01089.15⨯⨯⨯=74.87N/mm 2<205 N/mm 2 满足要求四).立杆的地基承载力计算1.计算基础面积:每块垫板长4米,可放置3根立杆。
落地式脚手架计算书计算依据:1、《建筑施工扣件式钢管脚手架安全技术规范》JGJ130—20112、《建筑地基基础设计规范》GB50007-20113、《建筑结构荷载规范》GB50009-20124、《钢结构设计规范》GB50017-2003一、脚手架参数二、荷载设计计算简图:立面图侧面图三、纵向水平杆验算纵、横向水平杆布置方式纵向水平杆在上横向水平杆上纵向水平杆根数n 2横杆抗弯强度设计值[f](N/mm2)205 横杆截面惯性矩I(mm4)107800横杆弹性模量E(N/mm2)206000 横杆截面抵抗矩W(mm3) 4490纵、横向水平杆布置承载能力极限状态q=1。
2×(0。
033+G kjb×l b/(n+1))+1。
4×G k×l b/(n+1)=1。
2×(0.033+0.1×1。
05/(2+1))+1。
4×3×1。
05/(2+1)=1。
55kN/m正常使用极限状态q'=(0.033+G kjb×l b/(n+1))+G k×l b/(n+1)=(0.033+0.1×1。
05/(2+1))+3×1.05/(2+1)=1.12kN/m计算简图如下:1、抗弯验算M max=0。
1ql a2=0。
1×1。
55×1。
52=0.35kN·mσ=M max/W=0.35×106/4490=77.77N/mm2≤[f]=205N/mm2满足要求!2、挠度验算νmax=0。
677q'l a4/(100EI)=0.677×1.12×15004/(100×206000×107800)=1.726mm νmax=1。
726mm≤[ν]=min[l a/150,10]=min[1500/150,10]=10mm 满足要求!3、支座反力计算承载能力极限状态R max=1。
落地式扣件钢管脚手架计算书钢管脚手架的计算参照《建筑施工扣件式钢管脚手架安全技术规范》(JGJ130-2001) o 计算的脚手架为双排脚手架,搭设高度为11・6米,立杆釆用单立管。
搭设尺寸为:立杆的纵距1・2米,立杆的横距1. 05米.立杆的步距1. 20米。
釆用的钢管类型为①48X3.5,连墙件采用2步2跨,竖向间距2. 4米,水平间距2・4米。
施工均布荷載为2kN/m^同时施工2层,脚手板共铺设3层。
一、大横杆的计算:大横杆按照三跨连续梁进行强度和挠度计算,人横杆在小横杆的上而。
按照人横杆上而的脚手板和活荷载作为均布荷载计算人横杆的最人弯矩和变形。
1.均布荷载值计算大横杆的自重标准值P1=O. 038kN/m脚手板的荷载标准值P:=0. 15X1. 05/3=0. 053kN/m活荷载标准值0=2X1. 05/3=0. 7kN/m静荷载的计算值q】=l・ 2X0. 038+1. 2X0. 053=0. 109N/m活荷载的计算值q:=l・ 4X0. 7=0. 98kN/m—tt人横杆计算荷载组合简图(跨中最人弯矩和跨中最人挠度)环@2........... i rm 山丄Lqj丄山~~t一——t大横杆计算荷载组合简图(支座最人弯矩)2.强度计算最人弯矩考虑为三跨连续梁均布荷载作用下的弯矩跨中最大弯矩计算公式如下:M圖= 0.0込尸十0 10血广跨中最大弯矩为Mi= (0. 08X0. 109+0. 10X0. 98)X1. 2士0・ 154kN.m支座最大弯矩计算公式如下:陆呗=-0.10^/2-0.117^/2支座最大弯矩为脚手板的荷载荷载的M:=-(0. 10X0. 109+0. 117X0. 98) X1.2:=-0. lSlkN.m我们选择支座弯矩和跨中弯矩的最人值进行强度验算:^•=0. 181 X 1075080=35. 63N/mm:大横杆的计算强度小于205.0N/mm\满足要求!3.挠度计算最人挠度考虑为三跨连续梁均布荷载作用下的挠度计算公式如下:=0・677宜一乜・990鱼一100^2 100 因静荷载标准值qi=0・ 038+0. 053=0. 091kN/m活荷载标准值q:=0・ 7kN/m三跨连续梁均布荷载作用下的最大挠度V=(0. 677X0. 091+0. 990X0. 7)X12007(100X2. 06 X 105X 121900)=0. 623mm大横杆的最大挠度小于1200/150或10mm.满足要求!二、小横杆的计算:小横杆按照简支梁进行强度和挠度计算,人横杆在小横杆的上而。
落地式扣件钢管脚手架计算书依据规范:《建筑施工扣件式钢管脚手架安全技术规范》JGJ130-2011《建筑结构荷载规范》GB50009-2012《钢结构设计规范》GB50017-2003《建筑地基基础设计规范》GB50007-2011计算参数:钢管强度为205. 0 N∕mm2,钢管强度折减系数取1. 000双排脚手架,搭设高度18.0米,立杆采用单立管。
立杆的纵距1.50米,立杆的横距0.80米,内排架距离结构L 05米,立杆的步距1.80米。
钢管类型为Φ48X3∙0,连墙件采用2步3跨,竖向间距3. 60米,水平间距4. 50米。
施工活荷载为3. OkN/步,同时考虑2层施工。
脚手板采用竹笆片,荷载为O.lOkN/mz,按照铺设io层计算。
栏杆采用木板,荷载为0. 17kN∕m,安全网荷载取0∙0100kN∕m20脚手板下大横杆在小横杆上面,且主结点间增加一根大横杆。
基本风压0.65kN∕ι∏2,高度变化系数L 0000,体型系数0.8680。
地基承载力标准值170kN∕πΛ基础底面扩展面积O.25O∏Λ地基承载力调整系数0.50。
卸荷钢丝绳采取1段卸荷,吊点卸荷水平距离2倍立杆间距。
卸荷钢丝绳的换算系数为0.85,安全系数K=10.0,上吊点与下吊点距离3∙ 0m。
钢管惯性矩计算采用1=兀(D&d4)/64,抵抗距计算采用W=π (D4-d4)∕32D0一、大横杆的计算:大横杆按照三跨连续梁进行强度和挠度计算,大横杆在小横杆的上面。
按照大横杆上面的脚手板和活荷载作为均布荷载计算大横杆的最大弯矩和变形。
1.均布荷载值计算大横杆的自重标准值P1=0. 038kN∕m脚手板的荷载标准值P2=0. 100×0. 800/2=0. 040kN∕m静荷载的计算值q i=l. 2×0. 038+1. 2×0. 040=0. 094kN∕m活荷载的计算值q2≡1.4×l. 200=1. 680kN∕m大横杆计算荷载组合简图(跨中最大弯矩和跨中最大挠度)4 的大横杆计算荷载组合简图(支座最大弯矩)2.抗弯强度计算最大弯矩考虑为三跨连续梁均布荷载作用下的弯矩跨中最大弯矩计算公式如下:% =0.08^2÷0.10^√2跨中最大弯矩为M1= (0. 08 X 0. 094+0. 10×l. 680) × 1. 5002=0.395kN. m支座最大弯矩计算公式如下:场吨=-o.ιo^2-o.ι¾∕2支座最大弯矩为M2=-(0. 10 X 0. 094+0. 117X 1. 680) X 1. 5002=-0.463kN. m我们选择支座弯矩和跨中弯矩的最大值进行强度验算:3.挠度计算最大挠度考虑为三跨连续梁均布荷载作用下的挠度计算公式如下:= 0,677-^- + 0.990-^-100£21005/静荷载标准值q i=0. 038+0. 040=0. 078kN∕m活荷载标准值q2=l. 200kN∕m三跨连续梁均布荷载作用下的最大挠度V= (0. 677×0. 078+0. 990 ×1. 200) × 1500. 01∕( 100X2. 06 × 105× 107780.0)=2. 830mm大横杆的最大挠度小于1500. 0/150与lOmm,满足要求!小横杆的计算小横杆按照简支梁进行强度和挠度计算,大横杆在小横杆的上面。
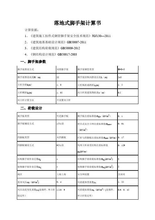
落地式脚手架计算书落地式脚手架计算书计算依据:1、《建筑施工扣件式钢管脚手架安全技术规范》JGJ130-20112、《建筑地基基础设计规范》GB50007-20113、《建筑结构荷载规范》GB50009-20124、《钢结构设计规范》GB50017-2003一、脚手架参数二、荷载设计地区上海上海安全网设置全封闭基本风压ω0(kN/m2) 0.4风荷载体型系数μs1.25风压高度变化系数μz(连墙件、单立杆稳定性) 1.2,0.9风荷载标准值ωk(kN/m2)(连墙件、单立杆稳定性)0.6,0.45计算简图:立面图侧面图三、纵向水平杆验算纵、横向水平杆布置方式纵向水平杆在上横向水平杆上纵向水平杆根数n 2横杆抗弯强度设计值[f](N/mm2) 205横杆截面惯性矩I(mm4)107800横杆弹性模量E(N/mm2) 206000横杆截面抵抗矩W(mm3)4490纵、横向水平杆布置承载能力极限状态q=1.2×(0.033+G kjb×l b/(n+1))+1.4×G k×l b/(n+1)=1.2×(0.033+0.1×1.05/(2+1))+1.4×3×1.05/( 2+1)=1.55k N/m正常使用极限状态q'=(0.033+G kjb×l b/(n+1))+G k×l b/(n+1)=(0.033+0.1×1.05/(2+1))+3×1.05/(2+1)=1.12kN/m 计算简图如下:1、抗弯验算M max=0.1ql a2=0.1×1.55×1.52=0.35kN·mσ=Mmax/W=0.35×106/4490=77.77N/mm2≤[f]=205N/mm2满足要求!2、挠度验算νmax=0.677q'la4/(100EI)=0.677×1.12×15004/(100×206000×107800)=1.726m mνmax=1.726mm≤[ν]=min[l a/150,10]=min[1500/150,10]=10mm满足要求!3、支座反力计算承载能力极限状态R max=1.1ql a=1.1×1.55×1.5=2.56kN正常使用极限状态R max'=1.1q'l a=1.1×1.12×1.5=1.85kN 四、横向水平杆验算承载能力极限状态由上节可知F1=R max=2.56kNq=1.2×0.033=0.04kN/m正常使用极限状态由上节可知F1'=R max'=1.85kNq'=0.033kN/m1、抗弯验算计算简图如下:弯矩图(kN·m)σ=Mmax/W=0.89×106/4490=198.79N/mm2≤[f]=205N/mm2满足要求!2、挠度验算计算简图如下:变形图(mm)νmax=3.421mm≤[ν]=min[l b/150,10]=min[1050/150,10]=7mm满足要求!3、支座反力计算承载能力极限状态R max=2.58kN五、扣件抗滑承载力验算扣件抗滑承载力验算:纵向水平杆:R max=2.56/2=1.28kN≤R c=0.85×8=6.8kN横向水平杆:R max=2.58kN≤R c=0.85×8=6.8kN满足要求!六、荷载计算立杆静荷载计算1、立杆承受的结构自重标准值N G1k单外立杆:N G1k=(gk+l a×n/2×0.033/h)×H=(0.129+1.5×2/2×0.033/1.8)×22=3.45kN 单内立杆:N G1k=3.45kN2、脚手板的自重标准值N G2k1单外立杆:N G2k1=(H/h+1)×la×l b×G kjb×1/1/2=(22/1.8+1)×1.5×1.05×0.1×1/1/2=1.04kN 1/1表示脚手板1步1设单内立杆:N G2k1=1.04kN3、栏杆与挡脚板自重标准值N G2k2单外立杆:N G2k2=(H/h+1)×la×G kdb×1/9=(22/1.8+1)×1.5×0.17×1/9=0.37kN 1/9表示挡脚板9步1设4、围护材料的自重标准值N G2k3单外立杆:N G2k3=G kmw×la×H=0.01×1.5×22=0.33kN构配件自重标准值N G2k总计单外立杆:N G2k=N G2k1+N G2k2+N G2k3=1.04+0.37+0.33=1.75kN单内立杆:N G2k=N G2k1=1.04kN立杆施工活荷载计算外立杆:N Q1k=la×l b×(n jj×G kjj+n zj×G kzj)/2=1.5×1.05×(1×3+1×2)/2=3.94kN内立杆:N Q1k=3.94kN组合风荷载作用下单立杆轴向力:单外立杆:N=1.2×(N G1k+ N G2k)+0.9×1.4×N Q1k=1.2×(3.45+1.75)+0.9×1.4×3.94=11.19kN单内立杆:N=1.2×(N G1k+ N G2k)+0.9×1.4×N Q1k=1.2×(3.45+1.04)+0.9×1.4×3.94=10.35kN七、立杆稳定性验算1、立杆长细比验算立杆计算长度l0=Kμh=1×1.5×1.8=2.7m。
落地式扣件钢管脚手架计算书钢管脚手架的计算参照?建筑施工扣件式钢管脚手架平安技术标准?〔JGJ130-2001〕。
计算的脚手架为双排脚手架,搭设高度为11.6米,立杆采用单立管。
搭设尺寸为:立杆的纵距米,立杆的横距米,立杆的步距米。
采用的钢管类型为Φ48×,连墙件采用2步2跨,竖向间距米,水平间距米。
施工均布荷载为2kN/m2,同时施工2层,脚手板共铺设3层。
一、大横杆的计算:大横杆按照三跨连续梁进展强度与挠度计算,大横杆在小横杆的上面。
按照大横杆上面的脚手板与活荷载作为均布荷载计算大横杆的最大弯矩与变形。
1.均布荷载值计算大横杆的自重标准值P1=kN/m脚手板的荷载标准值P2=×/3=kN/m活荷载标准值Q=2×/3=kN/m静荷载的计算值q1××=N/m活荷载的计算值q2×=kN/m大横杆计算荷载组合简图(跨中最大弯矩与跨中最大挠度)大横杆计算荷载组合简图(支座最大弯矩)2.强度计算最大弯矩考虑为三跨连续梁均布荷载作用下的弯矩跨中最大弯矩计算公式如下:跨中最大弯矩为M1××)×2=支座最大弯矩计算公式如下:支座最大弯矩为M2××)×2=我们选择支座弯矩与跨中弯矩的最大值进展强度验算:=×106/5080=N/mm2大横杆的计算强度小于2,满足要求!3.挠度计算最大挠度考虑为三跨连续梁均布荷载作用下的挠度计算公式如下:静荷载标准值q1=+=kN/m活荷载标准值q2=kN/m三跨连续梁均布荷载作用下的最大挠度V=(××)×12004/(100××105×121900)=mm大横杆的最大挠度小于1200/150或10mm,满足要求!二、小横杆的计算:小横杆按照简支梁进展强度与挠度计算,大横杆在小横杆的上面。
用大横杆支座的最大反力计算值,在最不利荷载布置下计算小横杆的最大弯矩与变形。
落地式脚手架计算1、荷载计算:取钢管38.4N,扣件15N/个,脚手板350N/㎡,按20搭设高度计算(搭设12步),按装修施工时两步架同时作业,施工荷载2KN/㎡,恒载分项系数1.2,活载取1.4,取纵向1.5M 为一个计算单元。
(1)一步架(1.8M)脚手架荷载标准值:立杆:1.8*38.4=69.12N水平杆:1.5*38.4*2=115.2N扣件:15*4=60N木脚手板:1.5*1*350=525N安全网:1.8*1.5*3=8.1N剪刀撑等:100N合计:877.42N(2)一步施工荷载标准值:5*1*2000*2=6000N(3)每根立杆所承受的荷载(搭设12步架)P=1/2(877.42*12*1.2)+6000*1.4=14.72KN2、水平杆计算(按三步边梁):脚手板:350N施工荷载:2000N挠度计算: q1=350+2000=2350N/m弯距计算:q=0.5*(350*1.2+2000*1.4)*1.5=2415N/m(1)抗弯强度计算:M=0.175qL2=0.175*2.415*1.52=0.85KN/mΣ=M/W=0.85*106/5080=167N/㎜2∠f=205N/㎜2 满足要求。
(2)挠度验算γ=1.146q1L3/100EI=1.146*2.35*103*1500*103/100*206*103*1.219*105=4.04*109/2.51*1012=1.61*10-3㎜∠[γ]=1500/150=10㎜满足要求。
(3)扣件抗滑移计算:R=2.15q=5.19KN∠[R]=8.5KN(4)立杆计算:按不组合风载形式计算:风载由附墙边件承受。
N/ØA≤fcN=14.72KNL1=1.85*1.8=3.33Mλ= L1/I=3330/15.8=211查表:Ø=0.163 A=48.9㎜2得:14.72*103/0.163*48.9=184N/㎜2∠fc=205 N/㎜2 满足要求。
落地式脚手架规范要求计算的内容1. 纵向和横向水平杆(大小横杆)等受弯构件的强度和挠度计算;2. 扣件的抗滑承载力计算;3. 立杆的稳定性计算;4. 连墙件的强度、稳定性和连接强度的计算;5. 立杆的地基承载力计算。
*计算强度和稳定性时,要考虑荷载效应组合,永久荷载分项系数1.2;可变荷载分项系数1.4;受弯构件要根据正常使用极限状态验算变形,采用荷载短期效应组合。
【说明】立杆的稳定性计算规范中为保证扣件式钢管模板支架的稳定性,支架立杆的计算长度借鉴英国标准,规定稳定性计算长度l=h+2a,其中a为立杆上都伸出的悬臂段,这是为限制施工现场任意增大钢管伸出长度,保证支架的稳定性,并没有理论上的依据。
例如:伸出长度为0.3m,则计算长度为l0=h+2×0.3=h+0.6;当步距h=1.8时,l0=2.4m。
其计算长度系数u=2.4/1.8=1.33,比通常的u=1.0值提高了33.3%,有利于支架的整体稳定性。
但是上面的规定是针对于一般多高层浇筑其层间高度不高的楼屋面混凝土结构的模板支架,反映影响支架稳定有诸多因素,很多专家认为这个计算长度公式对用于高、大、重的模板支架适用性值得探讨。
有专家认为考虑公式l=kuh比较合适。
杜荣军在《施工技术》2002.3《扣件式钢管模板高支撑架设计和使用安全》也增加了高度安全系数等等。
这些可以补充做为参考。
落地式扣件钢管脚手架计算书钢管脚手架的计算参照《建筑施工扣件式钢管脚手架安全技术规程》JGJ130-2001.计算的脚手架为双排脚手架,搭设高度为78.0m。
48.0m以下采用双管立杆,48.0m 以上采用单管立杆。
搭设尺寸为:立杆的纵距1.50m,立杆的横距1.05m,立杆的步距1.40m。
采用的钢管类型为Φ48×3.5,连墙件采用2步2跨,竖向间距2.80m,水平间距3.00m。
施工均布荷载3.0kN/m2,同时施工1层,脚手板共铺设4层。
落地式扣件钢管脚手架计算书一、依据规范:《建筑施工扣件式钢管脚手架安全技术规范》JGJ130-2021 《建筑结构荷载规范》GB50009-2021 《钢结构设计规范》GB50017-2021 《建筑地基基础设计规范》GB50007-2021二、计算参数:钢管强度为205.0 N/mm2,钢管强度折减系数取1.00。
双排脚手架,考虑上部的工字钢悬挑架在结构砼未达到设计强度前,悬挑梁及斜拉钢丝绳未发挥作用,上两层悬挑架荷载均落在下层架体上,故落地架计算高度按落地架最高搭设高度16.8m上加两层的高度(4步架高7.2m)进行计算,计算高度为16.8+7.2=24m。
立杆采用单立管。
立杆的纵距1.50米,立杆的横距0.90米,内排架距离结构0.30米,立杆的步距1.80米。
钢管类型为φ48×3.0,连墙件采用2步3跨,竖向间距3.60米,水平间距4.50米。
施工活荷载为2.5kN/m2,同时考虑2层施工。
脚手板采用钢筋网片,荷载为0.15kN/m2,按照铺设8层计算。
栏杆采用冲压钢板,荷载为0.16kN/m,安全网荷载取0.0100kN/m2。
脚手板下大横杆在小横杆上面,且主结点间增加一根大横杆。
基本风压0.30kN/m2,高度变化系数0.8800,体型系数1.1200。
地基承载力标准值145kN/m2,基础底面扩展面积0.250m2,地基承载力调整系数0.40。
钢管惯性矩计算采用 I=π(D4-d4)/64,抵抗距计算采用 W=π(D4-d4)/32D。
一、大横杆的计算:大横杆按照三跨连续梁进行强度和挠度计算,大横杆在小横杆的上面。
按照大横杆上面的脚手板和活荷载作为均布荷载计算大横杆的最大弯矩和变形。
1.均布荷载值计算大横杆的自重标准值 P1=0.038kN/m脚手板的荷载标准值P2=0.150×0.900/2=0.068kN/m 活荷载标准值Q=2.500×0.900/2=1.125kN/m 静荷载的计算值q1=1.2×0.038+1.2×0.068=0.127kN/m1/9落地式扣件钢管脚手架计算书活荷载的计算值q2=1.4×1.125=1.575kN/m大横杆计算荷载组合简图(跨中最大弯矩和跨中最大挠度)大横杆计算荷载组合简图(支座最大弯矩)2.抗弯强度计算最大弯矩考虑为三跨连续梁均布荷载作用下的弯矩跨中最大弯矩计算公式如下:跨中最大弯矩为M1=(0.08×0.127+0.10×1.575)×1.5002=0.377kN.m 支座最大弯矩计算公式如下:支座最大弯矩为M2=-(0.10×0.127+0.117×1.575)×1.5002=-0.443kN.m 我们选择支座弯矩和跨中弯矩的最大值进行强度验算:σ=0.443×106/4491.0=98.689N/mm2 大横杆的计算强度小于205.0N/mm2,满足要求!3.挠度计算最大挠度考虑为三跨连续梁均布荷载作用下的挠度计算公式如下:静荷载标准值 q1=0.038+0.068=0.106kN/m2/9落地式扣件钢管脚手架计算书活荷载标准值 q2=1.125kN/m三跨连续梁均布荷载作用下的最大挠度V=(0.677×0.106+0.990×1.125)×1500.04/(100×2.06×105×107780.0)=2.703mm 大横杆的最大挠度小于1500.0/150与10mm,满足要求!二、小横杆的计算:小横杆按照简支梁进行强度和挠度计算,大横杆在小横杆的上面。
落地式双排脚手架计算书计算依据:1、J GJ130—20012、施工手册3、J GJ80—91二、条件:双排脚手架采用密目网全封闭,搭设高度H=23米,立杆横距b(架宽)=1.2米,立杆纵距L=1.5米,大横杆步距h=0.9米,铺下脚手板2层,施工荷载Qk=2KN/㎡(装修架)连墙杆布置为两步三跨,计算脚手架整体稳定性,及扣件承载力,连墙杆计算;本工程采用外径48mm,壁厚3.5mm的焊钢管其力学特征如下:1、A —立杆截面面积为4.89cm2I —惯性矩为12.19cm4W —截面模量为5.08cm3i —回转半径i为1.58cm钢管—3.84kg/mf —钢材抗压强度为205N/ mm2三、计算立杆的整体稳定:1、按组合风荷载时验算公式N/ΦA +Mw/W≤f(1)N —组合风荷载的轴向力公式N=1.2(N G1k+N G2K)+0.85×1.4∑N QK(2)Mw —风荷载产生的弯矩公式Mw=0.85×1.4MwkW=截面模量5.08 cm3(3)计算N①N G1k(一步一纵距自重×全高)双排脚手架步距 1.8米,立杆纵距 1.5米,查表3得每米立杆承受的结构g k=0.1248KN/m,但在每步中间均增加一道护身栏杆,脚手架全高23米折合H/h=23/1.8=13步求N G1k=0.1248×13+0.0015×8+0.0384×1.5×8=2.0952KN(为外侧立杆的承重)②N G2k=机配件自重产生的轴向力脚手板自重0.35KN/㎡密目网自重0.003 KN/㎡扣件自重0.132KN/个挡脚板自重0.08KN/m栏杆+挡脚板自重0.14KN/m钢管自重0.0384KN/ma、手板长度为立杆纵距,宽度为b架宽满铺,铺设2层,计算式:b×1.5×0.35×2=1.2×1.5×0.35×2=1.26KNb、小横杆及扣件:由于铺脚手板所以还要在原有小横杆中间再加1根计算式:小横杆×小横杆自重+扣件数×单个重=0.6×0.0384×2+2×0.132=0.073KNc、挡脚板:2层作业层设置挡脚板,计算时用2层×立杆纵距L×挡脚板自重计算式:2×1.5×0.08=0.24KNd、密目网计算式:23×0.003×1.5=1.035KN求N G2K=1.26+0.73+0.24+1.035=2.61KN③N QK(施工荷载)N QK=2KN/㎡×1.5×1.2/2=1.8KN③各值代入公式求NN=1.2(N G1k+N G2K)+1.4∑N QK=1.2(2.0952+2.61)+1.4×1.8=8.2KN(4)求A=单根立根截面=4.89cm2=489mm2(5)求Φ①先计算入=kuh/ii=1.58㎝k=1.155u=计算长度系数为1.55h=1.8米=180cm代入公式:入=1.155×1.55×180/1.58=204查附表4,求Φ当入=204时,Φ=0.174(6)计算轴力N产生的应力N/ΦA已求N=8.2KN=8200N则N/ΦA=8200/0.174×489=96.3N/mm2(7)计算风荷载产生的应力Mw/WMw=0.85×1.4Wk·L·h2/10Wk=0.7us ×uz×W① us (体型系数),本工程为框架us=1.3Φ,Φ为密目网挡风系数Φ=0.4,则us=1.3Φ=1.3×0.4=0.52② uz (风压高度变化系数)按郊区(B类)20m高取值,查表2得uz=1.25W(基本风压)取0.35KN/㎡求Wk=0.7×0.52×1.25×0.35=0.15925L(脚手架立杆纵距)=1.5米h(步距)=1.8米求Mw=0.85×1.4×Wk·L·h/10=0.85×1.4×0.15925×1.5×1.82/10=0.92KN·m=92000N·㎜即Mw/W=92000/5080=18.11N㎜2立杆轴力与风荷载叠加N/ΦA+Mw/W=96.3+18.11=115N/㎜2<f=205N/㎜2结论:立杆安全。
落地式脚手架受力计算书一、工程概况本工程为_____,建筑高度为_____m,结构形式为_____。
为满足施工要求,需在建筑物周边搭设落地式脚手架。
二、脚手架设计参数1、脚手架搭设高度:_____m。
2、立杆横距:_____m。
3、立杆纵距:_____m。
4、步距:_____m。
5、内立杆距建筑物距离:_____m。
三、荷载计算1、恒载标准值(G1k)每米立杆承受的结构自重标准值:_____kN/m。
脚手板自重标准值:_____kN/m²。
栏杆与挡脚板自重标准值:_____kN/m。
安全网自重标准值:_____kN/m²。
2、活载标准值(Q1k)作业层施工均布荷载标准值:_____kN/m²。
3、风荷载标准值(ωk)基本风压:_____kN/m²。
风压高度变化系数:_____。
风荷载体型系数:_____。
四、纵向水平杆计算1、荷载计算恒载:_____kN/m。
活载:_____kN/m。
2、强度验算最大弯矩:_____kN·m。
弯曲应力:_____N/mm²< f = 205 N/mm²,满足要求。
3、挠度验算最大挠度:_____mm < v = l/150 与 10 mm,满足要求。
五、横向水平杆计算1、荷载计算集中荷载(恒载+活载):_____kN。
2、强度验算最大弯矩:_____kN·m。
弯曲应力:_____N/mm²< f = 205 N/mm²,满足要求。
3、挠度验算最大挠度:_____mm < v = l/150 与 10 mm,满足要求。
六、扣件抗滑力计算1、纵向水平杆单扣件抗滑承载力:_____kN >纵向水平杆传递的最大支座反力,满足要求。
2、横向水平杆单扣件抗滑承载力:_____kN >横向水平杆传递的最大支座反力,满足要求。
七、立杆稳定性计算1、不组合风荷载时轴向压力:_____kN。
落地式脚手架计算书1. 引言脚手架是在建筑施工过程中常用的工具,用于提供工人操作和进行施工的平台。
其中,落地式脚手架是一种常见且广泛应用的类型,它依靠地面支撑,为工人提供安全可靠的工作平台。
本文将介绍落地式脚手架的计算方法,并提供实例来说明具体的计算过程。
2. 落地式脚手架的基本构成落地式脚手架由立杆、横杆、纵杆、斜杆、脚杆以及连接件等部分组成。
其中,立杆是主要的承重构件,负责支撑整个脚手架的荷载。
横杆和纵杆则用于连接立杆,以增强整个脚手架的稳定性。
斜杆和脚杆则起到支撑作用,并将荷载传递到地面。
3. 落地式脚手架的计算方法落地式脚手架的计算主要涉及荷载计算和结构稳定性计算两个方面。
3.1 荷载计算落地式脚手架需要能够承受工人和施工材料的重量,因此荷载计算是非常重要的。
荷载主要分为活载和静载两种。
3.1.1 活载计算活载指的是人员等在脚手架上活动时施加在脚手架上的荷载。
根据国家标准,每平方米的活载荷载为300kg。
假设脚手架的有效宽度为2m,则每米长度的活载荷载为600kg。
3.1.2 静载计算静载指的是施工材料等静止在脚手架上时施加在脚手架上的荷载。
根据国家标准,每平方米的静载荷载按800kg计算。
3.2 结构稳定性计算脚手架的结构稳定性是指脚手架在使用过程中保持平衡和稳定的能力。
结构稳定性计算主要包括抗拉稳定性和抗压稳定性两个方面。
3.2.1 抗拉稳定性计算抗拉稳定性计算主要考虑立杆在脚手架上端的稳定性。
根据国家标准,立杆在脚手架高度与水平支撑间距之比不超过33.3时,立杆的抗拉稳定系数为1。
实际计算中,根据具体的脚手架高度和支撑间距计算抗拉稳定系数。
3.2.2 抗压稳定性计算抗压稳定性计算主要考虑脚杆或支撑间的稳定性。
根据国家标准,脚杆或支撑间的结构高度与水平支撑间距之比不超过25时,抗压稳定系数为1。
实际计算中,根据具体的脚手架高度和支撑间距计算抗压稳定系数。
4. 落地式脚手架计算实例为了更好地理解落地式脚手架的计算方法,下面将通过一个实例来进行说明。
扣件式落地双排脚手架计算书计算依据《建筑施工扣件式钢管脚手架安全技术规范》(JGJ130-2011)、《建筑地基基础设计规范》(GB 50007-2002)、《建筑结构荷载规范》(GB 50009-2001)、《钢结构设计规范》(GB 50017-2003)等编制。
250¸ÖîÌõÀ¸800脚手架搭设体系剖面图18½1500脚手架搭设体系正立面图1500脚手架搭设体系平面图一、参数信息1.脚手架搭设参数脚手架从地面开始搭设,搭设高度H :12.4m ; 顶步栏杆高:1.3m ;内立杆距离墙长度a :0.25m ; 立杆步距h :1.8m ;总步数:6步; 立杆纵距la :1.5m ;立杆横距lb :0.8m ;1800250800小横杆伸出内立杆长度a1 :0.1m ;扫地杆距地:0.3m ; 采用大横杆在上布置,搭接在小横杆上的大横杆根数为1根; 采用的钢管类型为Φ48 × 3;连墙件布置方式为二步三跨,连接方式为扣件连接;连墙件扣件连接方式为双扣件,扣件抗滑承载力折减系数为1; 脚手架沿墙纵向长度l :150m ;2.荷载参数(1)活荷载参数装修脚手架均布活荷载:2kN/m ;装修脚手架同时施工层数:2层; (2)风荷载参数本工程地处广东广州市,基本风压Wo :0.3kN/m ; 地面粗糙度类别为:B 类(城市郊区); (2)静荷载参数 1)脚手板参数选用钢筋条栏,步步满铺脚手板;脚手板自重:0.15kN/m ;铺设层数:7层; 2)挡脚板参数选用竹串片脚手板(275×50×3000),第2步开始步步设挡脚板 挡脚板自重:0.017kN/m ;挡脚板铺设层数:6层; 3)防护栏杆第2步开始步步设防护栏杆,每步防护栏杆根数为2根,总根数为12根; 4)围护材料2300目/100cm2,A0=1.3mm2密目安全网全封闭。
落地式扣件钢管脚手架计算书依据《建筑施工扣件式钢管脚手架安全技术规范》(JGJ130-2001)一、参数1.脚手架参数计算的脚手架为双排脚手架,搭设高度为17.85m,立杆采用双管立杆;搭设尺寸为:立杆的纵距为1.2m,立杆的横距为1.05m,立杆的步距为1.5m;外立杆外挑小横杆长 0.15m;内立杆外挑小横杆长 0.3m小横杆在上,大横杆上主节点间小横杆根数为 2根;采用的钢管类型为Φ48×3.5;连墙件采用2步2跨,竖向间距3m,水平间距2.4m,连墙件钢管计算长度为0.36m,采用扣件连接;扣件抗滑承载力系数 0.8;脚手架沿墙纵向长度为 150m;长杆的平均长度为 6m外立杆双管段高度:6m内立杆双管段高度:6m双管截面积计算方法:取两倍截面积按0.7折减单管段荷载变化:脚手板层数:1层;挡脚板层数:0层;栏杆根数:0根2.静荷载参数脚手板类别:冲压钢脚手板;内立杆外挑脚手板类别:冲压钢脚手板;栏杆挡脚板类别: 栏杆竹串片;脚手板自重标准值: 0.3kN/m2;内立杆外挑脚手板自重标准值:0.3kN/m2;栏杆、挡脚板自重标准值: 0.14kN/m2;安全设施与安全网: 0.005kN/m2;网目密度:2300目/100cm2,每目孔隙面积:1.3mm2脚手板层数 2层;挡脚板层数 2层;栏杆根数 2根;3.活荷载参数脚手架用途: 装修脚手架;均布荷载标准值: 2kN/m2;同时施工层数: 2层;4.风荷载参数本工程地处北京,基本风压为 0.45kN/m2;地面粗糙程度:C类(有密集建筑群市区)全封闭脚手架背靠封闭墙脚手架计算中考虑风荷载作用;5.地基参数地基承载力标准值: 105kN/m2;基础底面扩展面积: 0.25m2地基承载力降低系数:碎石土、砂土、回填土 0.4二、小横杆的计算小横杆按照简支梁进行强度和挠度计算,小横杆在大横杆的上面。
按照小横杆上面的脚手板和活荷载作为均布荷载计算小横杆的最大弯矩和变形。
双排扣件钢管脚手架计算书依据规范:《建筑施工扣件式钢管脚手架安全技术规范》JGJ130-2011《建筑结构荷载规范》GB50009-2012《钢结构设计规范》GB50017-2003《建筑地基基础设计规范》GB50007-2011计算参数:钢管强度为205.0 N/mm2,钢管强度折减系数取1.00。
双排脚手架,搭设高度24.8米,立杆采用单立管。
立杆的纵距1.50米,立杆的横距0.80米,内排架距离结构0.30米,立杆的步距1.80米。
钢管类型为φ48.3×2.8,连墙件采用2步3跨,竖向间距3.60米,水平间距4.50米。
施工活荷载为2.0kN/m2,同时考虑2层施工。
脚手板采用冲压钢板,荷载为0.30kN/m2,按照铺设4层计算。
栏杆采用冲压钢板,荷载为0.16kN/m,安全网荷载取0.0100kN/m2。
脚手板下小横杆在大横杆上面,且主结点间增加一根小横杆。
基本风压0.30kN/m2,高度变化系数1.0000,体型系数0.6000。
地基承载力标准值170kN/m2,基础底面扩展面积0.250m2,地基承载力调整系数0.40。
钢管惯性矩计算采用 I=π(D4-d4)/64,抵抗距计算采用 W=π(D4-d4)/32D。
一、小横杆的计算:小横杆按照简支梁进行强度和挠度计算,小横杆在大横杆的上面。
按照小横杆上面的脚手板和活荷载作为均布荷载计算小横杆的最大弯矩和变形。
1.均布荷载值计算小横杆的自重标准值 P1=0.036kN/m脚手板的荷载标准值 P2=0.300×1.500/2=0.225kN/m活荷载标准值 Q=2.000×1.500/2=1.500kN/m荷载的计算值 q=1.2×0.036+1.2×0.225+1.4×1.500=2.413kN/m小横杆计算简图2.抗弯强度计算最大弯矩考虑为简支梁均布荷载作用下的弯矩计算公式如下:M=2.413×0.8002/8=0.193kN.mσ=M/W = 0.193×106/4305.0=44.833N/mm2小横杆的计算强度小于205.0N/mm2,满足要求!3.挠度计算最大挠度考虑为简支梁均布荷载作用下的挠度计算公式如下:荷载标准值 q=0.036+0.225+1.500=1.760kN/m简支梁均布荷载作用下的最大挠度V=5.0×1.760×800.04/(384×2.06×105×103966.5)=0.438mm小横杆的最大挠度小于800.0/150与10mm,满足要求!二、大横杆的计算:大横杆按照三跨连续梁进行强度和挠度计算,小横杆在大横杆的上面。
稳定承载计算落地式双排扣件钢管脚手架计算书一、基本参数:立杆纵距la =1.5 m立杆横距lb =0.9 m脚手架形式落地式双排脚手架的步距h = 0.9 m脚手架搭设高度H =24 m脚手板类型木脚手板栏杆,档板类型栏杆、木脚手板挡板连墙件扣件类型单扣件脚手板的铺设层数nj = 3 层同时施工层数ns = 1 层二、扣件的抗滑承载力计算:横杆的自重标准值P1 = 0.03×(1.5 +0.9) =0.07kN脚手板的荷载标准值P2 = 0.35×0.9×1.5÷2 =024kN活荷载标准值Q = 2×0.9×1.5÷2 =135kN荷载的计算值R = 15×(0.07+0.24)+1.4×1.8 =3kN纵向或横向水平杆与立杆连接时,扣件的抗滑承载力按照下式计算:其中: Rc 扣件抗滑承载力设计值Rc=8kNR 纵向或横向水平杆传给立杆的竖向作用力设计值R=3kN扣件的抗滑承载力不大于单扣件抗滑承载力设计值8kN,满足要求!三、脚手架计算:1、荷载计算:单立杆部分承受的结构自重标准值NG1=0.1248×24=2.99 kN脚手板的自重标准值NG2=0.35×2×1.5×(0.9+0.8)÷2=0.9 kN栏杆与挡脚板自重标准值NG3=0.14×1.5×2÷2=0.21 kN吊挂的安全设施荷载:NG4=0.005×1.5×24 =0.18kN静荷载标准值NG=2.99+0.9+0.21+0.18=4.28 kN活荷载标准值NQ=2×1×0.9×1.5÷2=1.4 kN风荷载标准值Wk=0.7×1×1.5×0.3=032 kN/m2不考虑风荷载时,立杆的轴向压力设计值N=1.5×1.41+1.4×1.8=4.64 kN考虑风荷载时,立杆的轴向压力设计值N=15×1.41+0.85×1.4×1.8=4.26 kN 风荷载标准值产生的立杆段弯矩:Mwk=0.25×1.2×1.5^2÷10=0.07 kN.m 风荷载设计值产生的立杆段弯矩:Mw=0.85×1.4×0.07=0.08 kN.m构配件自重标准值产生的轴向力:NG2k=0.9+0.21+0.07=1.18 kN2、立杆的稳定性计算:(1)、立杆的长细比计算:其中: lo 立杆的计算长度lo = 1.155×1.55×0.9=1.61mI 立杆的回转半径I = 1.58 cm经过计算,立杆的长细比λ=1.61÷1.58×100=102mm(2)、单立杆的稳定性计算不考虑风荷载时,立杆的稳定性计算公式其中:A 立杆净截面面积;取A=3.57 cm2N 不考虑风荷载时,立杆的轴向压力设计值;取N=4.64 kNφ轴心受压立杆的稳定系数,由长细比λ的结果查表得到φ=0.573不考虑风荷载时立杆的稳定性σ=4.64×1000÷(0.573×(3.57×100))=22.68N/mm2考虑风荷载时,立杆的稳定性计算公式其中:A 立杆净截面面积;取A=3.57 cm2W 立杆净截面模量(抵抗矩);取W=3.86 cm3N 考虑风荷载时,立杆的轴向压力设计值;取N=4.26 kNMw 计算立杆段由风荷载设计值产生的弯矩;取Mw=0.08 kN.mφ轴心受压立杆的稳定系数,由长细比λ的结果查表得到φ=0.573考虑风荷载时立杆的稳定性σ=4.26×1000÷(0.573×(3.57×100))+(0.08×1000000)÷(3.86×1000)=41.56 N/mm2不考虑风荷载时,立杆稳定性不大于205N/mm2,满足要求考虑风荷载时,立杆稳定性不大于205N/mm2,满足要求没有双立杆四、连墙件的计算:(1)、风荷载产生的连墙件轴向力设计值按照下式计算:其中:wk 风荷载基本风压值,wk=0.3kN/m2Aw 每个连墙件的覆盖面积内脚手架外侧的迎风面积;Aw=12.15m2经计算得到:风荷载产生的连墙件轴向力设计值Nlw=1.4×0.3×12.15=5.103 kN(2)、连墙件的轴向力计算值应按照下式计算:其中No 连墙件约束脚手架平面外变形所产生的轴向力;取No=5 kN Nlw 风荷载产生的连墙件轴向力设计值Nlw=5.10kN经计算得到:连墙件轴向力计算值Nl=5.10+5=10.1 kN(3)、连墙件轴向力设计值其中:φ轴心受压立杆的稳定系数,由长细比λ查表得到φ=0.849 A 立杆净截面面积A = 3.57 cm2[f] 钢管的强度设计值[f] = 205 N/mm2经过计算得到Nf=0.849×(3.57×100)×205÷1000=62.13 kN长细比λ计算:其中: l 计算长度l = 0.8 mI 钢管回转半径I = 1.58 cm经过计算,立杆的长细比λ=0.8×100÷1.58=51连墙件轴向力计算值不大于连墙件的轴向力设计值;满足要求连墙件轴向力计算值不大于扣件抗滑承载力,满足要求五、立杆的地基承载力计算:1、立杆基础底面的平均压力其中:N 上部结构传至基础顶面的轴向力设计值N=4.64 kNA 基础底面面积A=0.2 m2经计算得到立杆的地基承载力p=4.64÷0.2=23.2 kPa2、地基承载力设计值应按下式计算:其中:kc 脚手架地基承载力调整系数;取kc=0.4fgk 地基承载力标准值;取fgk=200 kPa经计算得到地基承载力设计值fg=0.4×200=80 kPa计算结果:立杆基础底面的平均压力不大于地基承载力设计值80 kPa;满足要求。
关于落地式脚手架力学计算说明书:1、外墙脚手架内外立杆受力计算(以立杆搭设的纵距1.5M为一个计算单元计算底层最不利因素)明细如下:1)内外立杆所受到永久荷载的重量:钢管立杆重:2.8×14×2×3.84kgf/m = 314.74kgf大横杆重:1.5×2×23(步架)×3.84kgf/m =264.96kgf钢管搁栅重:1.5×4×23×3.84kg/m=529.92kgf小横杆重:1.5M×1×23×3.84kgf/m=132.48kgf钢管扣件重:8只/步架×23×1.32kgf/只=242.88竹脚手片重:1.5M2/步架×22×6kgf/M2=198kgf木踢脚板:1.5m×3×3.6kgf/m=16.2kgf钢管栏杆重:1.5m×2×23×3.84kgf/M =264.96kgf木踏脚板:1.5M×6×3.6kgf/m=32.4kgf钢管剪刀撑重:平均折合2.7m/根×4×3.84kgf/m=414.748kgf剪刀撑、栏杆扣件重:1.46kgf/只×[4+2×22]=70.08kgf密目安全网重:1.5×1.8×0.3kg/M2×23 = 18.63kgf小计汇总后为:2126.72kgf2)内外立杆所受到的施工荷载重量:2×200kg/M2×1M×1.5M=600kg 结构阶段脚手架上原则不设置荷载,即使有也一定要求荷载不超过300kg/m2,并只允许一个施工层;装饰阶段允许有二个施工层;但每个施工层的荷载不超过:200kg/m2。
根据JGJ130-2001规范5.3.2条公式中及其条文说明,内外立杆可按一纵距内施工荷载总和的1/2取值,故底层内外脚手架立杆受到的轴力:N=1/2(1.2×2126.72+1.4×600)=1696.032kgf上部杆件架体因符合JGJ130-2001规范中表61111-1的常用敞开式双排脚手架尺寸,所以仅需验算底层立杆稳定性及连墙杆。
根据公式(5.3.3)并套用二步三跨连墙杆布置得μ=1.5公式l 0 =kuh; k-计算长度附加系数,取值:1.155 。
μ=1.5;h—立杆步距为1.8m 得:l 0=1.155×1.5×1.8 =3.119mλ= l 0/i=3.119/1.58=197.4<210(容许)查得附录C,表C得Ф=0.186;由公式f=N/Ф A 得(N=1696.03kgf;Ф=0.186;A=4.89cm2)f=1696.03/0.186×4.89×102 =18.67kgf/mm2=186.5N/mm2<f标=205N/mm2。
所以该落地式脚手架的架体是安全的。
地基承载力计算:根据公式:p≤fg P2=N/A; N取1696.03kgfA=1.5×1M2;则P=1696.03/1.5=1130.686kg/M2 = 11.3KN/M2而fg =kc×fgk(因kc取1系数;fg k为20kN/M2)故fg=20KN/M2;P<fg 可以承受。
连墙杆受力计算:本工程连墙件采取Ф12圆钢与顶撑钢管焊接钢性连接方式;其抗拉能力计算如下:Ф12圆钢抗拉强度性能:f=210N/mm2;公式:F=f×SS= Л×122/4=113.04(mm2);F=210×113.04 = 23738.4N≈23.74kN»连墙件的轴向设计值8kN(指30M以下扣件防滑设计值;当30M以上考虑风压因素,查JGJ-130-2001中表A-3及5、4、1及5、4、2公式连墙件的设计值为:11.46KN).故采用Ф12圆钢(予理)刚性连接是安全的。
上海峥宸建筑工程有限公司万荣阳光苑项目部二零零二年十月二十九日槽钢悬挑式钢管外脚手架搭设方案:1、两榀槽钢三角型支架的中心间距(注:其中心间距是指施工作业面1M宽脚手板中心线上两榀槽钢之间的距离,而不得以槽钢根部予埋件中心间距进行计算)宜控制在1、5M左右;当局部地方遇外挑阳台、楼梯间及外墙转角处时,则应增设转角加强支架,使槽钢支架的受力范围控制在1、5M-1、8M以内,以确保外脚手架的安全使用,见附图。
2、外脚手架的步架宽度为1M,其内立杆离外墙的的距离一般控制在0、4M左右。
当遇到空调板时,可放宽到离外墙0、9M,详见附图;外立杆应在0、6M及1、2M处各设一道栏杆,并用0、18M高的踢脚板和密目网进行安全封闭围护。
外脚手架必须每隔一根立杆与楼层结构刚性拉结。
(通过在楼层内的予埋钢板、钢管、钢筋等,用短钢管与外架连接。
)刚性连接宜采用梅花型交叉布置,并在外脚手架拆除之前,未经现场安全技术负责人同意,不得擅自拆除,以确保整个外脚手架的稳定性。
3、槽钢三角形支架的水平抗拉弯构件12.6型钢必须与楼板内-8*200*200予埋铁板(或予埋14MM插销或16MM螺栓拉环可靠固定,以确保牢固或稳定.三角形支架的斜撑底部应按附图(见后附图)与楼面砼内予埋的-8*200*200铁板(或予埋14MM钢筋头子,L=400,外露100,将钢管套入14钢筋内)进行固定,(或可通过在梁内予埋O48短钢管等进行固定),以确保三角形支架的受力稳定.4、当槽钢三角形支架的搭设在遇到砼剪力墙体时,应在剪力墙的跟部予埋-8*200*200予埋钢板(4012MM,L=200MM),并将12.6的槽钢沿四周全长与予埋钢板满焊,焊缝厚度不小于6MM,以确保槽钢良好的承受拉弯和抗剪应力.下部的双斜撑可通过在剪力墙内埋设的014短钢筋,头(L=400,外露100MM),将斜撑套入钢筋内加以固定,确保受力牢固可靠.斜杆采用2根048钢管脚手架时,每根斜撑的上部均须采用双扣件加固.;斜杆采用1根12.6槽钢做脚手架时,用电焊在上下两端均应满焊,焊接应符合规范要求.5、槽钢悬挑外脚手架搭设前,现场技术管理人员必须利用设计院提供的楼层平面图复印后,按本方案的原则详细绘制槽钢支架排列平面图,注明各槽钢支架的具体位置,尺寸,长度,数量,埋件等内容,并对操作班组全体人员作好全面的技术,质量,安全交底和履行签字手续,才能进行施工.外脚手架搭设完毕后,必须有专职安全员会同质安科和现场技术负责人共同验收合格,才能挂牌投入使用,以确保槽钢悬挑脚手架的安全.在主体结构施工阶段,随着建筑物的不断上升,脚手架内严禁有超载的现象发生,确保架体的安全.关于悬挑式脚手架力学计算说明书:(备注:以一个挑架次最大值为9个步距纵距为1.5M一个计算单元进行计算)1、外墙脚手架内外立杆受力计算1)内外立杆所受到永久荷载的重量:钢管立杆重:2.8×6×2×3.84kgf/m = 129.024kgf大横杆重:1.5×2×9(步架)×3.84kgf/m =103.68kgf钢管搁栅重:1.5×4×9×3.84kg/m=207.36kgf小横杆重:1.5M×1×9×3.84kgf/m=51.84kgf钢管扣件重:8只/步架×9×1.32kgf/只=95.06 kgf竹笆脚手片重:1.5M2/步架×9×6kgf/M2=81kgf木踢脚板:1.5m×9×3.6kgf/m=48.6kgf钢管栏杆重:1.5m×2×9×3.84kgf/M =103.73kgf木踏脚板:1.5M×3×3.6kgf/m=16.2kgf钢管剪刀撑重:平均折合2.7m/根×4×3.84kgf/m=41.5kgf剪刀撑、栏杆扣件重:1.46kgf/只×(4+2×9) =32.12kgf密目安全网重:1.5×1.8×0.3kg/M2×9= 7.29kgf小计汇总后为:917.404kgf2.内外立杆受到的施工荷载重量为:2×200 kg/M ×1.5M=600 kg kg (注:悬挑式外架在结构阶段主要起安全围档作用,不得堆放钢筋,模板等大宗材料,所以可不按3KN/M的结构脚手架施工荷载考虑).上部架体部分因符合JGJ130-2001规范中表6.11-1的常用敞开式双排脚手架尺寸,所以仅需验算底层立杆及连墙杆.3.三角架槽钢拉弯构件AB杆和斜撑压杆BC杆的稳定性验算:三角形外架受力计算简图(附图一))NA=649.02NB=1291.86N=724.36三角形外架受力计算简图 (附图三)由ΣMB=0得1.57×RA-N 内立杆×1.05=0; 1.57RA=1.05N 内立杆 所以RA=1.05N 内立杆/1.57=1.05×970.44/1.57=649.02 kgf由ΣY=0得RB=N 内立杆-RA=970.44-649.02=321.42 kgf注意:此时AB 杆按两端完全铰支时所受到的最大弯距M0=RA ×0.52M=649.02×0.52=337.49 kgf2.)分解后的三角架受力计算简图如图三所示:其中节点B 上的作用力为:321.42+970.44=1291.86 kgf3.)斜撑压杆BC 杆的内力计算:由附图三得:NB/BC 杆=COS27.62о,所以BC 杆=1291.86/0.87224=1481.08 kgf斜撑压杆的长细比为:λ=3.21M/I =321/1.58=203.16<250(按表5.1.9规定值)查表JGJ130-2001附录C 中稳定系数Ф=0.175考虑到斜撑压杆有53MM 的偏心力矩作用,所以斜撑压杆BC 杆受到的实际应力:σ=N/A×Ф+M/WN-斜撑受到的应力,为740.54 kgf;Ф-稳定系数,为0.175。
A-钢管截面积,取4.89CM2;M-偏心力矩,按740.54×5.3CM进行计算;W-截面模量,取5.08CM3。
代入得:σ=740.54 kgf/0.175×4.89 CM2+740.54×5.3CM/5.08 CM3=865.37+772.61=1637.98 kgf/M2=163.8N/MM2<205 N/MM2(备注:在本工程中,考虑了偏心力矩的影响后,斜撑压杆的承载能力实际上降低了,772.6/1638=47.2%,是一项不容忽视的不利因素,但在挑架宽度不大的情况下能满足稳定要求),所以斜压杆是稳定的。