30mT梁预应力钢绞线计算程序(最终)2017-10
- 格式:xls
- 大小:41.00 KB
- 文档页数:1
30mT梁预应力钢绞线张拉计算书摘要:桥梁预应力施工时,后张法预应力筋都采用张拉应力和伸长量双控,实际伸长值与理论伸长值的差值一般控制在6%以内。
本文以内遂高速公路龙门坨大桥为例,对30m预制T梁预应力钢绞线的张拉伸长量以及预应力损失进行相应分析和计算。
关键词:30mT梁;预应力;钢绞线;张拉一、工程概况龙门坨大桥位于四川省内遂高速公路内江市市中区靖民镇高阳村,中心桩号为K3+961,本桥为跨越水沟而设,桥梁全长158.06m。
全桥共2联:3×30+2×30;桥梁上部结构采用预应力砼T梁,先简支后桥面连续;下部结构采用柱式墩、柱式台、肋板台、桩基础。
二、结构设计形式本桥预制T梁共50片,梁高2.0m,混凝土设计标号为C50。
采用YM15系列锚具,配套千斤顶采用YCW150B或YCW250B。
预应力管道采用镀锌金属波纹管。
预应力钢束采用符合《预应力混凝土用钢绞线》(GB/T 5224-2003)规定的低松弛高强度钢绞线,其抗拉强度标准值为fpk=1860MPa,弹性模量Ep=1.95x105MPa,公称直径Φs15.2mm。
预应力钢束N1、N2、N3采用两端张拉,锚下张拉控制应力为δk=0.75fpk。
三、后张法钢绞线理论伸长量计算公式及说明后张法预应力钢绞线在张拉过程中,主要受到以下两方面的因素影响:一是管道弯曲影响引起的摩擦力,二是管道偏差影响引起的摩擦力,导致钢绞线张拉时,锚下控制应力沿着管壁向梁跨中逐渐减小。
《公路桥涵施工技术规范》(JTG/T F50-2011)中关于预应筋伸长值的计算按照以下公式:式中:ΔL—各分段预应力筋的理论伸长值(mm);Pp—各分段预应力筋的平均张拉力(N)(当预应力筋为直线时取Pp=P);L—预应力筋的分段长度(mm);Ap—预应力筋的截面面积(mm2);Ep—预应力筋的弹性模量(MPa);P—预应力筋张拉端的张拉力(N),(钢绞线分段计算时,为每分段的起点张拉力,即为前段的终点张拉力);θ—从张拉端至计算截面曲线孔道部分切线的夹角之和,分段后为每分段中各曲线段的切线夹角和(rad);x—从张拉端至计算截面的孔道长度,整个分段计算时x等于L(m);k—孔道每束局部偏差对摩擦的影响系数(1/m);μ—预应力筋与孔道壁之间的磨擦系数。
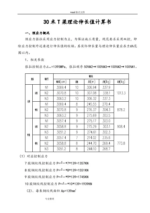
30米T梁理论伸长值计算书一、预应力概况预应力张拉采用应力控制为主,为保证施工质量,规范要求采用双控,即除应力控制外还要进行伸长值的校核。
其实际伸长量与理论伸长量应在±6%范围以内。
1、相关参数张拉控制应力conδ=1395MPa,张拉顺序50%N2→100%N3→100%N2→100%N1。
(1)对应控制应力δ*7*139=1357KN7股钢绞线控制应力P=conδ*8*139=1551KN8股钢绞线控制应力P=conδ*9*139=1745KN9股钢绞线控制应力P=conδ*10*139=1939KN10股钢绞线控制应力P=con(2)、每束钢绞线面积Ap=139mm2(3)、弹性模量Ep=1.95*105MPa(4)、孔道影响系数K取0.0013, 取0.2333。
2、使用相应的公式计算预应力张拉时,理论伸长量△L计算公式△L=PpL/ApEpPp=P[1-e-(kx+μθ)]/ (kx+μθ)式中:Pp—预应力钢绞线平均张拉力,N;P—预应力钢绞线张拉端的张拉力,NX—从张拉端到计算截面的孔道长度,m;θ—从张拉端到计算截面曲线孔道部分切线的夹角之和,rad;K—孔道每米局部偏差对摩擦的影响系数;μ—预应力钢筋与孔道壁的摩擦系数;Eg—预应力钢筋弹性模量,MPa;L-预应力钢绞线长度,cm;Ay—预应力钢筋截面面积,mm2二、理论伸长量计算1、30米T梁边跨边梁N1束N1预应力钢绞线张拉伸长量△L计算。
计算图式如下(分三段,D为梁中心线)说明:(1)、第一段线段为工作长度 60mm(2)、第二段为直线段AB L1=4215=4215mm (3)、第三段为曲线段BC L2=9774mm(4)、第四段为直线段CD L3=818mm2、30米T梁边跨边梁N2束说明:(1)、第一段为直线段工作长度 60mm (2)、第二段为直线段AB L1=2357=2357mm(3)、第三段BC为曲线段 L2=5236mm(4)、第四段为直线段CD L3=7221mm说明:(1)、第一段为直线段工作长度 60mm (2)、第二段为直线段AB L1=1981=1981mm(3)、第三段为曲线段BC L2=3665mm(4)、第四段为直线段CD L3=9130mm说明:(1)、第一段为直线段工作长度 60mm (2)、第二段为直线段AB L1=4215=4215mm(3)、第三段为曲线段BC L2=9774mm(4)、第四段为直线段CD L3=818mm5、30米T梁边跨中梁N2束说明:(1)、第一段为直线段工作长度 60mm (2)、第一段为直线段AB L1=2357=2357mm(3)、第二段BC为曲线段 L2=5236mm(4)、第三段为直线段CD L3=7221mm说明:(1)、第一段为直线段工作长度 60mm(2)、第一段为直线段AB L1=1981=1981mm(3)、第二段为曲线段BC L2=3665mm(4)、第三段为直线段CD L3=9130mm说明:(1)、第一段为直线段工作长度 60mm(2)、第一段为直线段AB L1=4215=4215mm(3)、第二段为曲线段BC L2=9774mm(4)、第三段为直线段CD L3=698mm8、30米T梁中跨边梁N2束说明:(1)、第一段为直线段工作长度 60mm(2)、第二段为直线段AB L1=2357=2957mm(3)、第二段为曲线段 BC L2=5236mm(4)、第三段为直线段CD L3=7101mm说明:(1)、第一段为直线段工作长度 60mm(2)、第一段为直线段AB L1=1981=1981mm(3)、第二段为曲线段BC L2=3665mm(4)、第三段为直线段CD L3=901mm10、30米T梁中跨中梁N1束说明:(1)、第一段为直线段工作长度 60mm(2)、第一段为直线段AB L1=4215=4215mm(3)、第二段为曲线段BC L2=9774mm(4)、第三段为直线段CD L3=698mm11、30米T梁中跨中梁N2束说明:(1)、第一段为直线段工作长度 60mm(2)、第一段为直线段AB L1=2357=2357mm(3)、第二段为曲线段BC L2=5236mm(4)、第三段为直线段CD L3=7101mm12、30米T梁中跨中梁N3束说明:(1)、第一段为直线段工作长度 60mm(2)、第一段为直线段AB L1=1981=1981mm(3)、第二段为曲线段BC L2=3665mm(4)、第三段为直线段CD L3=901mm。
预制梁钢绞线张拉伸长量计算一、计算公式及有关参数(依据)1、本计算依照《公路桥涵施工技术规范》JTJ041—2000;2、预应力钢绞线的伸长值△L(mm)计算公式及说明:△L=P p L/A p E p (12.8.3-1)式中:P p—预应力筋的平均张拉力(N),直线筋取张拉端的拉力,两端张拉的曲线筋计算方法见附录6—8式.P p=P[1-e-(kx+µθ)]/(kx+µθ) P=σ控×A p所以△L= P[1-e-(kx+µθ)]×L/(kx+µθ)A p E p=[1-e-(kx+µθ)]σ控L/ (kx+µθ)E p =ησ控L/E p 式中: L—预应力筋的长度(计算长度);A p—预应力筋的截面面积;E p—预应力筋的弹性模量(N/mm2),钢绞线E=195±10Gpa;P—预应力筋的张拉端至张拉力p=σ控A p;X—从张拉端至计算截面的孔道长度;θ—从张拉端至计算截面曲线孔道部分切线的夹角之和(rad);k—孔道每米局部偏差对摩擦的影响系数;对于预埋合金螺旋管道:k=0.0015;µ—预应力筋于孔道壁的摩擦系数µ=(0.2+0.25)/2=0.225二、论伸长量(梁长30米)的计算:N1束 L=3113.37cm k=0.0015 x=L/2=1556.686cm µ=0.225 θ=0.122171rad (1度=0.017453 rad)η=[1-e-(kx+µθ)]÷(kx+µθ)=[1-e-(0.0015×15.56686+0.225×0.087265)]÷(0.0015×15.56686+0.225x0.087265) =(1-e-0.050838765)/0.050838765=0.9750△L=ησ控L/E p=0.9750×1395×106Pa×31133.7mm/(195x109Pa)=217.16mm N2束 L=3117.98cm k=0.0015 x=L/2=1558.99cm µ=0.225 θ=0.122171radη=[1-e-(kx+µθ)]/(kx+µθ)=0.97499△L=ησ控L/E p=0.97499×1395×106Pa×31179.8mm/(195×109Pa)=217.48mm N3、N4束 L=3114.14cm k=0.0015 x=L/2=1557.07cm µ=0.225θ=0.034906radη=[1-e-(kx+µθ)]/(kx+µθ)=0.98456△L=ησ控L/E p=0.98456×1395×106Pa×31141.4mm/(195×109Pa)=219.34mm三、预应力钢绞线张拉伸长量值的修正计算:取前述N1~N4钢绞线平均伸长率作为:每延米伸长量作为值修正参数.N1伸长率:217.16/31133.7=6.98‰N2伸长率:217.48/31179.8=6.98‰N3、N4伸长率:219.34/31141.4=7.04‰平均伸长率:( 6.98‰+6.98‰+7.04‰+7.04‰)/4=7.01‰四、实测伸长量值计算与修正:1.实测伸长量值计算(计算长度=孔道长+千斤顶内预应力筋长度,按每端0.5米计)△L实测=(σ控下张拉伸长值之和-σ初始张拉伸长值之和-A)/0.9式中:A—锚具回缩(在σ控与σ初始之间的锚具回缩,含夹片回缩)2.千斤顶内钢绞线伸长量BB=2×500×7.01‰=7mm3.张拉伸长量修正值(计算长度=孔道长)C=△L实测-B五、张拉精度评价|(C/△L)×100%—100%| ≤ 6%六、各束伸长量(单位mm):N1 :210.16 N2:210.48 N3 :210.34N4 :210.34。
30m T梁预应力钢绞线张拉计算书一、张拉力的计算30mT梁钢绞线采用φs15.2mm高强度低松弛钢绞线,抗拉强度标准值为f pk=1860Mpa,张拉控制应力为σcon=0.75f pk=1395Mpa,单股张拉控制力P=193.9KN。
则中跨中梁预应力筋N1的张拉力为P9=P×9=193.9×9=1745.1KN,N2、N3张拉力为P8=P×8=193.9×8=1551.2KN;中跨边梁预应力筋N1的张拉力为P10=P×10=193.9×10=1939KN,N2、N3张拉力为P9=P ×9=193.9×9=1745.1KN;边跨中梁预应力筋的张拉力为P9=P×9=193.9×9=1745.1KN;边跨边梁预应力筋N1的张拉力为P11=P×11=193.9×11=2132.9KN,N2、N3张拉力为P10=P×10=193.9×10=1939KN。
二、张拉顺序按照设计要求:预应力钢束应两端对称、均匀张拉,采用张拉力和引伸量双控。
30mT梁张拉顺序为50%N2 →100%N3 →100%N2→100%N1。
30m T梁张拉程序:N1、N3张拉程序为0 →0.1 P8→0.2 P8→P8(持荷5min)→锚固。
N2张拉程序为0 →0.1 P8→0.2 P8→0.5 P8,待N3张拉后再进行0.5 P8→P8(持荷5min)→锚固。
三、实际预应力张拉计算1.中跨中梁N1张拉控制力P9=1745.1KN,N2、N3张拉控制力P8=1551.2KN;中跨边梁N1张拉控制力P10=1939KN,N2、N3张拉控制力P9= 1745.1KN;边跨中梁张拉控制力P9=1745.1KN;边跨边梁张拉控制力P11= 2132.9KN,N2、N3张拉控制力P10= 1939KN。
30米T梁预应力张拉伸长量计算书一、设计伸长量复核(一)计算公式及参数:1、预应力平均张拉力计算公式及参数:Pp =p(1-e-(kx+uθ))/(kx+uθ)式中:Pp—预应力筋平均张拉力(N)P—预应力筋张拉端的张拉力(N)X—从张拉端至计算截面的孔道长度(m)θ—从张拉端至计算截面的曲线孔道部分切线的夹角之和(rad)k—孔道每米局部偏差对摩檫的影响系数,取0.0015μ—预应力筋与孔道壁的摩檫系数,取0.252、预应力筋的理论伸长值计算公式及参数:△l= PpL/( ApEp)式中:Pp—预应力筋平均张拉力(N)L—预应力筋的长度(mm)Ap—预应力筋的截面面积(mm2),取140 mm2Ep—预应力筋的弹性模量(N/ mm2),取1.95×105 N/ mm2(二)伸长量计算:1、N1束一端的伸长量:单根钢绞线初张拉的张拉力10%P=0.1×1860×140=26040NX1=3.261mθ=0kx+μθ=0.0015×3.261=0.00489Pp=26040×(1-e-0.00489)/0.00489=25976NΔL= PpL/(Ap Ep)=25976×3261/(140×195000)=3.1mmX2=10.472mθ=7.5×π/180=0.1309radkx+μθ=0.0015×10.472+0.25×0.1309=0.04843Pp=26040×(1-e-0.04843)/0.04843=25419NΔL= PpL/(Ap Ep)=25419×10472/(140×195000)=9.75mm X3=1.0255mθ=0kx+μθ=0.0015×1.0255=0.00154Pp=26040×(1-e-0.00154)/0.00154=26020NΔL= PpL/(Ap Ep)=26020×1025.5/(140×195000)=0.98mm N1束初张拉一端总伸长量:3.1+9.75+0.98=13.8mm单根钢绞线张拉的张拉力P=0.75×1860×140=195300NX1=3.261mθ=0kx+μθ=0.0015×3.261=0.00489Pp=195300×(1-e-0.00489)/0.00489=194823NΔL= PpL/(Ap Ep)=194823×3261/(140×195000)=23.27mm X2=10.472mθ=7.5×π/180=0.1309radkx+μθ=0.0015×10.472+0.25×0.1309=0.04843Pp=195300×(1-e-0.04843)/0.04843=190646NΔL= PpL/(Ap Ep)=190646×10472/(140×195000)=73.13mm X3=1.0255mθ=0kx+μθ=0.0015×1.0255=0.00154Pp=195300×(1-e-0.00154)/0.00154=195149NΔL= PpL/(Ap Ep)=195149×1025.5/(140×195000)=7.33mm N1束一端总伸长量:23.27+73.13+7.33=103.7mm3、N2束一端的伸长量:单根钢绞线初张拉的张拉力10%P=0.1×1860×140=26040NX1=4.682mθ=0kx+μθ=0.0015×4.682=0.00702Pp=26040×(1-e-0.00702)/0.00702=25949NΔL= PpL/(Ap Ep)=25949×4682/(140×195000)=4.45mm X2=3.272mθ=7.5×π/180=0.1309radkx+μθ=0.0015×3.272+0.25×0.1309=0.0376Pp=26040×(1-e-0.0376)/0.0376=25557NΔL= PpL/(Ap Ep)=2557×3272/(140×195000)=3.06mmX3=6.795mθ=0kx+μθ=0.0015×6.795=0.0102Pp=26040×(1-e-0.0102)/0.0102=25908NΔL= PpL/(Ap Ep)=25908×6795/(140×195000)=6.45mm N2束初张拉一端总伸长量:4.45+3.06+6.45=13.96mm单根钢绞线张拉的张拉力P=0.75×1860×140=195300NX1=4.682mθ=0kx+μθ=0.0015×4.682=0.00702Pp=195300×(1-e-0.00702)/0.00702=194616NΔL= PpL/(Ap Ep)=194616×4682/(140×195000)=33.38mm X2=3.272mθ=7.5×π/180=0.1309radkx+μθ=0.0015×3.272+0.25×0.1309=0.0376Pp=195300×(1-e-0.0376)/0.0376=191674NΔL= PpL/(Ap Ep)=191674×3272/(140×195000)=22.97mm X3=6.795mθ=0kx+μθ=0.0015×6.795=0.0102Pp=195300×(1-e-0.0102)/0.0102=194307NΔL= PpL/(Ap Ep)=194307×6795/(140×195000)=48.36mm N2束一端总伸长量:33.38+22.97+48.36=104.71mm4、N3束一端的伸长量:单根钢绞线初张拉的张拉力10%P=0.1×1860×140=26040NX1=1.234mθ=0kx+μθ=0.0015×1.234=0.00185Pp=26040×(1-e-0.00185)/0.00185=26016NΔL= PpL/(Ap Ep)=26016×1234/(140×195000)=1.18mm X2=3.272mθ=7.5×π/180=0.1309radkx+μθ=0.0015×3.272+0.25×0.1309=0.0376Pp=26040×(1-e-0.0376)/0.0376=25557NΔL= PpL/(Ap Ep)=25557×3272/(140×195000)=3.06mmX3=10.2135mθ=0kx+μθ=0.0015×10.2135=0.0153Pp=26040×(1-e-0.0153)/0.0153=25842NΔL= PpL/(Ap Ep)=25842×10213.5/(140×195000)=9.67mm N2束初张拉一端总伸长量:1.18+3.06+9.67=13.91mm单根钢绞线张拉的张拉力P=0.75×1860×140=195300NX1=1.234mθ=0kx+μθ=0.0015×1.234=0.00185Pp=195300×(1-e-0.00185)/0.00185=195119NΔL= PpL/(Ap Ep)=195119×1234/(140×195000)=8.82mm X2=3.272mθ=7.5×π/180=0.1309radkx+μθ=0.0015×3.272+0.25×0.1309=0.0376Pp=195300×(1-e-0.0376)/0.0376=191674NΔL= PpL/(Ap Ep)=191674×3272/(140×195000)=22.97mm X3=10.2135mθ=0kx+μθ=0.0015×10.2135=0.0153Pp=195300×(1-e-0.0153)/0.0153=193814NΔL= PpL/(Ap Ep)=193814×10213.5/(140×195000)=72.51mm N2束初张拉一端总伸长量:8.82+22.97+72.51=104.3mm二、张拉时理论伸长量计算(一)计算参数:1、K—孔道每米局部偏差对摩檫的影响系数:取0.00152、μ—预应力筋与孔道壁的摩檫系数:取0.253、Ap—预应力筋的实测截面面积:140 mm24、Ep—预应力筋实测弹性模量:1.95×105 N/ mm25、锚下控制应力:σk=0.75Ryb=0.75×1860=1395 N/ mm26、锚圈口摩阻损失:3.3%σk7、单根钢绞线张拉端的张拉控制力:P=103.3%×σk×Ap=201745N,单根钢绞线初张控制力:P=13.3%×σk×Ap=25975N。
30米T梁预应力钢绞线伸长量计算式标准跨径:30m△预应力筋计算式: L=P P L/A P E P式中: P P─预应力筋的平均张拉力(N),直线筋取张拉端的拉力,两端张拉的曲线筋,计算方法为上式;L─预应力筋的长度(mm);A P─预应力筋的截面面积(mm2);E P─预应力筋的弹性模量(N/mm2);其中: P P=P(1-e-(kx+uθ))/kx+uθ△式中: P P─预应力筋的平均张拉力(N);△P─预应力筋张拉端张拉力(N);X─从张拉端至计算截面孔道的长度(m);θ─从张拉端至计算截面曲线孔道部分切线的夹角之和(rad);K─孔道每米局部偏差对摩擦的影响系数,波纹管管道常值0.0015;U─预应力筋与孔道壁的摩擦系数;常量R b y=1860MPa , 设计取控制应力бcon= R b y×75%=1395MPaP=бco n×A=1860 MP a×75%×140 mm2=195300NK=0.0015u=0.2两端同时张拉,首先计算钢铰线一半的伸长量N1束直线L=5579mmΔL直=195300×5579/(140×195000)=39.91mmX=9.774mkx+uθ=0.0015×9.774+0.2×0.122173047=0.039095609(1-e-0.039095609)/0.039095609=0.980704469P P=195300×0.980704469=191531.5829 NΔL曲=191531.5829×9744/(140×195000)=68.36mmΔL=(ΔL直+ΔL曲) =108.27 mmN2束L2直=8007mmΔL2直=195300×8007/(140×195000)=57.28mmX=7.33mkx+uθ=0.0015×7.33+0.2×0.122173407=0.035429681(1-e-0.035429681)/0.035429681=0.982492529P P=195300×0.982492529=191880.7911 NΔL2曲=191880.7911×7330/(140×195000)=51.52mmΔL2=(ΔL2直+ΔL2曲)=108.8 mm N3束L3直=11653 mmΔL3直=195300×11653/(140×195000)=83.36mm计算:张庆峰复核:X=3.665mkx+uθ=0.0015×3.665+0.2×0.122173407=0.029932181(1-e-0.029932181)/0.029932181=0.985182121P P=195300×0.985182121=192406.0683 NΔL3曲=192406.0683×3665/(140×195000)=25.83mmΔL3=(ΔL3直+ΔL3曲)=109.19mm计算:复核:。
30m T梁预应力钢绞线张拉计算书一、张拉力的计算30mT梁钢绞线采用φs15.2mm高强度低松弛钢绞线,抗拉强度标准值为f pk=1860Mpa,张拉控制应力为σcon=0.75f pk=1395Mpa,单股张拉控制力P=193.9KN。
则中跨中梁预应力筋N1的张拉力为P9=P×9=193.9×9=1745.1KN,N2、N3张拉力为P8=P×8=193.9×8=1551.2KN;中跨边梁预应力筋N1的张拉力为P10=P×10=193.9×10=1939KN,N2、N3张拉力为P9=P ×9=193.9×9=1745.1KN;边跨中梁预应力筋的张拉力为P9=P×9=193.9×9=1745.1KN;边跨边梁预应力筋N1的张拉力为P11=P×11=193.9×11=2132.9KN,N2、N3张拉力为P10=P×10=193.9×10=1939KN。
二、张拉顺序按照设计要求:预应力钢束应两端对称、均匀张拉,采用张拉力和引伸量双控。
30mT梁张拉顺序为50%N2 →100%N3 →100%N2→100%N1。
30m T梁张拉程序:N1、N3张拉程序为0 →0.1 P8→0.2 P8→P8(持荷5min)→锚固。
N2张拉程序为0 →0.1 P8→0.2 P8→0.5 P8,待N3张拉后再进行0.5 P8→P8(持荷5min)→锚固。
三、实际预应力张拉计算1.中跨中梁N1张拉控制力P9=1745.1KN,N2、N3张拉控制力P8=1551.2KN;中跨边梁N1张拉控制力P10=1939KN,N2、N3张拉控制力P9= 1745.1KN;边跨中梁张拉控制力P9=1745.1KN;边跨边梁张拉控制力P11= 2132.9KN,N2、N3张拉控制力P10= 1939KN。
伸长量
计算公
-CAL-FENGHAI.-(YICAI)-Company One 1
30mT梁预应力钢绞线的理论伸长值计算
一、理论伸长值的计算公式
△ L二PpL/ApEp
Pp二p(l_e(kx+"°))/(kx+u 0)
式中:Pp--预应力筋平均张拉力(N);
L——预应力筋的长度(mm);
A p---预应力筋的截面面积(mn?);
E P——预应力筋的弹性模量(N/mn?);
P-_预应力筋张拉端的张拉力(N);
x—一一从张拉端到计算截而的孔道长度(m);
0--从张拉端至计算截而曲线孔道部分切线的夹角之和(rad);
k-一孔道每米局部偏差对摩擦的影响系数;
U --预应力筋与孔道壁的摩擦系数。
二、各种计算参数的确定:
以30mT梁直线段内梁为例:
钢绞线型号7 4),单根截面面积A y=140mm2
钢束截而而积:A p=140mm2 X 7=980mm2钢绞线弹性模量试验数据:Ep=X105MPa
张拉控制应力:Nl、N3钢束,6con=1395MPa
N2 钢束,6 con=1325MPa
波纹管道影响系数:K=卩二三、理论伸长值计算:
将半个曲线预应力钢绞线分为AB. BC、CD三段(分段见图),分别计算:。
30mT梁预应力钢绞线的理论伸长值计算
一、理论伸长值的计算公式
△L=P p L/A p E p
P p=P(1-e-(kx+μθ))/(kx+μθ)
式中:P p----预应力筋平均张拉力(N);
L-----预应力筋的长度(mm);
A p-----预应力筋的截面面积(mm2);
E p-----预应力筋的弹性模量(N/mm2);
P-----预应力筋张拉端的张拉力(N);
x-----从张拉端到计算截面的孔道长度(m);
θ----从张拉端至计算截面曲线孔道部分切线的夹角之和(rad);
k-----孔道每米局部偏差对摩擦的影响系数;
μ----预应力筋与孔道壁的摩擦系数。
二、各种计算参数的确定:
以30mT梁直线段内梁为例:
钢绞线型号7φs15.24,单根截面面积A y=140mm2
钢束截面面积:A p=140mm2×7=980mm2钢绞线弹性模量试验数据:E p=1.93×105MP a
张拉控制应力:N1、N3钢束,бcon=1395MPa
N2钢束,бcon=1325MPa
波纹管道影响系数: K=0.0015 μ=0.25
三、理论伸长值计算:
将半个曲线预应力钢绞线分为AB、BC、CD三段(分段见图),分别计算:。
30mT 梁预应力钢绞线张拉计算30m T 梁预应力钢绞线共3束,采用Φj15.24预应力钢绞线,边梁1~10,中梁2~9张拉控制应力, k σ=0.75×by R =0.75×1860 Mpa =1395 Mpa 单根张拉控制力F=1395×140=195.3KN 。
一、100%con σ理论伸长量计算 1、伸长量计算公式如下:⊿L=PpLApEp ;Pp=()(1)kx p e kx θθ-+μ-+μ其中:Pp —预应力筋平均张拉力(N ); P —预应力筋张拉端张拉力(N ); L —从张拉端至计算截面的孔道长度(m ); Ep —预应力筋弹性模量(MPa ),取1.983×105; Ap —预应力筋的截面面积(mm 2)θ—从张拉端到计算截面曲线孔道部分切线的夹角之和(rad );对于圆曲线,为该段圆心角,如果孔道在竖平面和水平面内同时弯曲,则θ角为双向弯曲之矢量和。
k —孔道每米局部偏差对摩擦的影响系数,取0.0015 μ—预应力筋与孔道的摩擦系数,取0.25; 2、30mT 梁预应力钢绞线张拉计算(1)、30mT 梁半跨预应力钢绞线伸长量参数计算(见表1)30mT 梁半跨预应力钢绞线伸长量参数示意图30mT梁半跨边梁1~10,中梁2~9预应力钢绞线参数表表 1(2)、伸长量计算如下:N1钢束工作长度L4△L4=(195.3×103×450)/(140×1.983×105)=3.16mmL1段△L1=(191.53×103×4738)/(140×1.983×105)=32.69mmL2段:△L2=(185.27×103×9014)/(140×1.983×105)=60.16mmL3段:△L3=(182.75×103×1025)/(140×1.983×105)=6.75mmN2钢束工作长度L4△L4=(195.3×103×450)/(140×1.983×105)=3.16mmL1段△L1=(191.61×103×3732)/(140×1.983×105)=25.76mmL2段:△L2=(185.88×103×5012)/(140×1.983×105)=33.50mmL3段:△L3=(182.98×103×6000)/(140×1.983×105)=39.55mmN3钢束工作长度L4△L4=(195.3×103×450)/(140×1.983×105)=3.16mmL1段△L1=(192.05×103×706)/(140×1.983×105)=4.88mmL2段:△L2=(186.63×103×4010)/(140×1.983×105)=26.96mmL3段:△L3=(183.06×103×10000)/(140×1.983×105)=65.94mm30mT梁半跨边梁1、10,中梁2~9预应力筋张拉伸长量总汇说明上表中的L4工作长度是指工作锚到工具锚之间的距离,设计伸长量不包括此长度的伸长量.二、张拉力计算边梁1、10张拉采用两端对称张拉,张拉过程中设定大里程端为张拉甲,小里程端为张拉乙,张拉所使用的千斤顶及配套压力表如下:各行程甲、乙端张拉力、压力表、伸长量如下:张拉力计算中梁2~9张拉采用两端对称张拉,张拉过程中设定大里程端为张拉甲,小里程端为张拉乙,张拉所使用的千斤顶及配套压力表如下:各行程甲、乙端张拉力、压力表、伸长量如下:各行程甲、乙端张拉力、压力表、伸长量如下:25mT 梁预应力钢绞线张拉计算25m T 梁预应力钢绞线共3束,采用Φj15.24预应力钢绞线,边梁1、10,中梁2~9张拉控制应力, k σ=0.75×by R =0.75×1860 Mpa =1395 Mpa 单根张拉控制力F=1395×140=195.3KN 。
宜巴高速xx 合同段 30米T 梁张拉计算书一、工程概况1#预制场负责生产xxx1号特大桥共110片30m T 梁。
预应力钢铰线采用专业厂家生产的ΦS 15.2mm ,钢铰线公称面积A=139mm2,标准强度f pk =1860MPa ,弹性模量Ep=1.95X105 Mpa 。
预制T 梁锚具采用M15型锚具及其配套设备,管道采用钢波纹管,钢铰线锚下控制应力为σk =0.75f pk =1395MPa ,张拉采用双控,以钢束伸长量进行校核。
1片30米T 梁预应力钢铰线设计工程数量项目名称 边跨边梁中梁 钢束端点 N1 N2 N3 N1 N2 N3 下料长度(mm ) 30644 30672 30596 30644 30672 30596 数量(束数) 11 10 10 9 9 9 张拉长度(mm ) 2944429472 29396294442947229396项目名称 中跨边梁中梁 钢束端点 N1 N2 N3 N1 N2 N3 下料长度(mm ) 30574 30602 30526 30574 30602 30526 数量(束数) 10 9 9 9 8 8 张拉长度(mm )293742940229326293742940229326二、30mT 梁钢铰线张拉计算(一)、钢绞线理论伸长值计算 1、计算公式及参数(1)、预应力筋的理论伸长量计算公式及参数μθμθ+-=∆+-kx e AE L P L kx p P )1()( 式中: L —计算段预应力筋的长度(mm );A—预应力筋的截面积(mm2),取139mm2;Ep—预应力筋的弹性模量(N/mm2),取1.95×105N/mm2。
PP—预应力筋终点力(N);x—从张拉端至计算截面的孔道长度(m);θ—从张拉端至计算截面的曲线孔道部分切线的夹角之和(rad);k—孔道每米局部偏差对摩擦的影响系数:取0.0015;u—预应力筋与孔道壁的磨擦系数,取0.25。
预应力钢绞线的计算方法范本 1:预应力钢绞线的计算方法预应力钢绞线的计算方法1. 引言预应力钢绞线作为一种重要的结构材料,在现代建造工程中起着至关重要的作用。
本文将介绍预应力钢绞线的计算方法,包括计算参数、计算公式以及计算步骤等内容。
2. 预应力钢绞线的基本知识2.1 预应力钢绞线的定义和特点2.2 预应力钢绞线的分类2.3 预应力钢绞线的材料力学性能3. 预应力钢绞线的计算参数3.1 预应力钢绞线的强度等级3.2 预应力钢绞线的直径和截面积3.3 预应力钢绞线的屈服强度和抗拉强度3.4 预应力钢绞线的弹性模量和线膨胀系数4. 预应力钢绞线的计算公式4.1 预应力钢绞线的抗拉能力计算4.2 预应力钢绞线的挠度计算4.3 预应力钢绞线的疲劳寿命计算5. 预应力钢绞线的计算步骤5.1 确定工程需求和设计参数5.2 计算所需的预应力钢绞线数量5.3 进行预应力钢绞线的截面设计5.4 进行预应力钢绞线的力学计算5.5 进行预应力钢绞线的稳定性计算6. 示例计算本章节将通过一个具体的工程案例,展示预应力钢绞线计算方法的应用。
7. 结论通过本文的介绍,我们了解了预应力钢绞线的计算方法及其应用。
准确的计算方法能够保证工程结构的稳定性和安全性。
1、罗列出本所涉及附件如下:附件1:预应力钢绞线的强度等级表附件2:预应力钢绞线的抗拉计算示例2、罗列出本所涉及的法律名词及注释:1)预应力:通过在材料受力前施加预先创造的应力,提高材料的承载能力和耐久性。
2)抗拉强度:材料在受拉应力作用下承受的最大应力值。
------------------------------------------------------------------范本 2:预应力钢绞线的计算方法预应力钢绞线的计算方法1. 前言预应力钢绞线是现代建造工程中广泛应用的一种重要结构材料。
本文将详细介绍预应力钢绞线的计算方法,包括步骤、公式以及参数等内容。
T型梁预应力钢束张拉程序和伸长值计算浙江省某高速公路大桥长600米,上部构造设计(上、下行线)均为19孔30米T 型连续梁桥,此桥平面上位于R=1000m平曲线上,立面位于R=6000m凸曲线内。
T 梁共有228片,由先简支后连续形成,六孔一联,共五联。
T型梁有两端连续(C型)和一端连续一端简支(B型)两种形式。
每片T梁预应力钢绞线均为3束,每束有9根钢绞线。
锚下控制张拉力P=1757.7KN,锚下控制应力为σk=1395 Mpa。
预制T梁施加预应力后,跨中上拱度边梁2.4cm,中梁2.5cm。
一、钢绞线型号:采用美国标准ASTMA416-87a270级标准高强度低松驰预应力钢绞线。
公称直径15.24mm,公称面积140mm2,标准强度R b y=1860Mpa,弹性模量Ep=1.95×105Mpa,张拉控制应力采用σk=0.75R b y=1395 Mpa。
二、钢束布置图预应力钢束布置图及钢束编号详见《连续端预制T形梁预应力钢束布置图》,其图附后。
梁肋预应力钢束在立面上一律以圆弧弯起,同时2号、3号钢束在平面上也以圆弧弯起。
梁体负弯矩区预应力钢束设计为平弯与竖弯方式,以配合桥面线形。
三、张拉器具和锚具:千斤顶(YDC2500-200A):2台高压油泵(2YBZ-80):2台压力表(Y-150):4个(2个主表与千斤顶配套标定)锚具采用OVM锚固体系,其中,梁肋预应力采用OVM15-9型锚具,钢束孔道采用波纹管成型。
波纹管外径为φ87mm,内径为φ80mm,梁体负弯矩区采用KBM 型锚具,波纹管尺寸为60×19mm。
-1-四、油压表读数计算:根据张拉设备标定试验报告,在配套千斤顶荷载作用下,其油压表读数如下:五、张拉程序:按照设计规定和《公路桥涵施工技术规范》要求,当预制T型梁混凝土强度达到80%设计强度后方可张拉,本梁体两端同时对称张拉,实行张拉吨位和引伸量双控制。
张拉顺序为:①号束②号束控制力的60% ③号束②号束至控制力。
30m后张法T梁预应力计算书一、预应力配套张拉机具阐明1、张拉机具选用:根据设计文献给定旳圆锚张拉数据,采用每个钢绞线根数最多旳圆锚进行计算。
查设计文献得:钢绞线张拉控制应力σk=1395MPa;钢绞线截面积:Ay=139㎜2;钢绞线最多根数:n=8。
计算张拉力:Ny=σk×Ay×n=1395×139×8=1551240(N)据此:我部选用规格为200t旳油压千斤能满足施工规定。
2、张拉机具数量表:3、千斤顶旳标定和压力表读数旳拟定①千斤顶旳标定:千斤顶、压力表(1块进油表、1块回油表)、高压油泵三者必须固定配套使用。
我部对其已经进行标定,标定报告附后。
②张拉:在张拉过程中,实际伸长量与理论伸长量差值控制在±6%之内,钢束理论伸长量暂以设计为准。
二、张拉程序及张拉力阐明1、查《公路桥涵施工技术规范》,对于夹片式具有自锚性能旳锚具,采用旳是低松弛力钢绞线,其张拉程序:0 初应力 δcon (持荷2min 锚固) (δcon 是指张拉时旳控制应力,涉及预应力损失值)。
设计图纸规定δcon=1395Mpa ,钢绞线面积A=139mm2,弹性模量Ey=1.95×105Mpa,原则强度1860 Mpa ,2、张拉应力控制(1)预应力筋旳张拉控制应力应符合设计规定。
当施工中预应力筋需要超张拉或计人锚圈口预应力损失时,可比设计规定提高5%,但在任何状况下不得超过设计规定旳最大张拉控制应力。
(2)预应力筋采用应力控制措施张拉时,应以伸长值进行校核,实际伸长值与理论伸长值旳差值应控制在6%以内,否则应暂停张拉,待查明因素并采用措施予以调节后,方可继续张拉。
(3)预应力筋旳理论伸长值L ∆ (mm)可按下式计算:P P P E A LP L =∆式中:P P ——预应力筋旳平均张拉力(N)L ——预应力筋旳长度(mm);A P ——预应力筋旳截面面积(mm2);E P ——预应力筋旳弹性模量(N /mm2)。