实验室土工试验原始记录表解析
- 格式:doc
- 大小:765.50 KB
- 文档页数:34
土工击实检验检测原始记录项目名称:xxxx日期:xxxx年xx月xx日1.项目背景本项目为土工击实检验检测,旨在评估土壤抗压能力和击实程度,为土地开发、基础工程设计提供参考数据。
2.实验设备和材料2.1设备-土工工具箱-松动度计-土壤密度计-钻孔设备(包括钻机、钻桶、钻头等)-压实仪器2.2材料-土样:从实验区域采集的土壤样品3.实验过程3.1土壤采样根据设计要求,在实验区域进行钻孔取样。
选取标准钻孔位置,在钻孔深度的不同位置采集土样。
每个位置采集的土样数量为3个,并取平均值作为该位置的土壤样品。
3.2土样处理将采集的土样放入土工工具箱中,并封存。
在实验室中,对每个土样进行筛分、干燥等操作,以准备后续实验。
3.3松动度测试取一部分分析土样,按照标准操作步骤,使用松动度计进行测试。
记录每次测试的松动度值,并计算平均值。
3.4土壤密度测试取一部分分析土样,在土壤密度计上进行测试。
严格按照设备说明书操作,计算每次测试的土壤密度,并计算平均值。
3.5压实试验选取一部分土样进行压实试验。
参照标准操作流程,使用压实仪器进行试验,计算得到不同荷载条件下的压实度。
4.数据处理与分析收集所有实验数据,并进行整理和统计分析。
计算出土壤的松动度、土壤密度和压实度,可以评估土壤的击实程度。
5.结果与讨论根据实验数据-土壤松动度为XX,说明土壤在压实过程中的适度-土壤密度为XX,符合设计要求范围内-压实度达到XX,土壤击实程度良好6.结论与建议根据实验结果,可得出以下结论:-本实验区域土壤的击实程度符合设计要求,可满足后续工程需要-建议在施工过程中进行合理的压实控制,以确保土壤的稳定性和承载能力7.实验总结本次土工击实检验检测结果准确,符合设计要求。
通过实验可以获得土壤的击实程度和力学性质等重要参数,为后续工程提供了有价值的参考数据。
在实验过程中,我们严格按照操作规程进行实验,确保了实验结果的可靠性。
以上为土工击实检验检测原始记录,总字数XXXX字。
土工试验报告表1. 前言本报告书对土工试验结果进行综合分析和总结,以提供关于土壤力学性质和稳定性的基本信息。
试验结果对于工程设计和土地利用具有重要的参考价值。
2. 试验目的本次土工试验的目的是对所选土壤样本进行力学性质测试,包括颗粒分析试验、液塑性极限试验、压缩试验和剪切试验,以了解土壤的力学性质和稳定性。
3. 试验方法和仪器本次试验采用了以下方法和仪器: - 颗粒分析试验:采用筛网分析法,使用细筛和粗筛进行分级。
- 液塑性极限试验:采用塑限法,使用塑限仪进行测定。
- 压缩试验:采用压缩试验仪,对土壤样本进行压缩性能测试。
- 剪切试验:采用直剪试验法,使用剪切仪进行剪切参数测试。
4. 试验结果与分析4.1 颗粒分析试验结果根据颗粒分析试验,得到了土壤样本的粒径分布曲线。
根据曲线分析可知,土壤样本主要由粉砂和细砂组成,粉砂占总质量的40%,细砂占总质量的35%。
粗砂和粘土的含量较低,分别占总质量的20%和5%。
根据颗粒分布特点,土壤样本属于多孔介质,并具有一定的含水量。
4.2 液塑性极限试验结果液塑性极限试验结果显示,土壤样本的液限为35%,塑限为20%,塑性指数为15%。
根据塑性指数的计算,土壤样本属于可塑性土,表明土壤在水分作用下具有较强的变形能力。
4.3 压缩试验结果压缩试验结果显示,土壤样本的压缩性能较好。
经过快速压缩试验,土壤样本的压缩指数为0.2,表明压缩变形速度较快。
经过固结试验,土壤样本的固结指数为0.1,表明固结速度较慢,土壤样本在一定荷载下可能会有较大的沉降变形。
4.4 剪切试验结果剪切试验结果显示,土壤样本的剪切参数较为稳定。
剪切强度参数为15MPa,剪切角为30度,表明土壤样本的抗剪性能较好。
剪切试验数据还提供了土壤的强度衰减曲线,用于工程设计时的应力计算。
5. 结论综合以上试验结果和分析可得出以下结论:- 土壤样本主要由粉砂和细砂组成,具有一定的含水量。
- 土壤样本属于可塑性土,具有较强的变形能力。
土工试验、水质分析原始记录表式编制审核批准江苏常州地质工程勘察院检测中心土工试验记录表式目录CKCS-JL-TG-01-2015开样记录、密度试验记录(环刀法)□1.《土工试验方法标准》GB/T50123-1999 □2.《土工试验规程》SL237-1999 □3.《公路土工试验规程》JTG E40-2007 □4.《铁路工程土工试验规程》TB 10102-2010注:1、使用仪器设备:电子天平;2、检定/校准合格,检查正常方参与试验。
记录: 检查:CKCS-JL-TG-02-2013含水率试验记录(烘干法)□1.《土工试验方法标准》GB/T50123-1999 □2.《土工试验规程》SL237-1999□3.《公路土工试验规程》JTG E40-2007 □4.《铁路工程土工试验规程》TB 10102-2010 工程名称: 工程编号:环境温度: ℃湿度: % 试验日期:注:1、使用仪器设备:烘箱、电子天平;2、检定/校准合格,检查正常方参与试验。
试验: 检查:CKCS-JL-TG-03-2013液、塑限联合测定记录□1.《土工试验方法标准》GB/T50123-1999 □2.《土工试验规程》SL237-1999□3.《公路土工试验规程》JTG E40-2007 □4.《铁路工程土工试验规程》TB 10102-2010 工程名称: 工程编号:注:1、使用仪器设备:电子天平、烘箱、液塑限联合测定仪;2、检定/校准合格,检查正常方参与试验。
试验: 检查:CKCS-JL-TG-04-2013固结试验记录(快速法)□1.《土工试验方法标准》GB/T50123-1999 □2.《土工试验规程》SL237-1999 □3.《公路土工试验规程》JTG E40-2007 □4.《铁路工程土工试验规程》TB 10102-2010注:仪器编号指固结仪各联的实验室编号,仪器状态栏正常打√,不正常打×。
试验: 检查:CKCS-JL-TG-04-2013固结试验记录□1.《土工试验方法标准》GB/T50123-1999 □2.《土工试验规程》SL237-1999 □3.《公路土工试验规程》JTG E40-2007 □4.《铁路工程土工试验规程》TB 10102-2010注:仪器编号指固结仪各联的实验室编号,仪器状态正常方参与试验。
土工击实试验检验原始记录实验目的:本实验旨在通过土工击实试验来研究土壤的击实性能,并通过检验原始记录进行进一步分析和验证。
实验原理:土工击实试验是一种常见的土壤力学试验方法,用于研究土壤的击实性能。
在试验过程中,通过利用落锤的冲击力作用于土层,从而提高土壤的密实度,进一步改善土壤的工程性质。
实验中采用击实规范指导实施试验,以确保数据的准确性和可靠性。
实验设备:实验中所需的设备有落锤、击实针、土柱、刻度尺、天平、室内水桶等。
实验步骤:1.准备土柱:将土壤样品装入环形模具中,保证土柱的高度和直径满足规范要求。
2.落锤冲击:将落锤从一定高度自由下落,冲击击实针,使其插入土柱中。
3.记录击实次数:记录击实针插入土柱的深度,以及每次冲击后击实针的回弹高度。
4.重复冲击:依次重复上述步骤,直到击实针插入土柱的深度不再发生明显变化。
实验数据记录:冲击次数,深度1 (mm) ,深度2 (mm) ,深度3 (mm) ,深度4 (mm) ,深度5 (mm)--------,------------,------------,------------,------------,------------1,10,12,8,11,92,19,21,17,20,183,25,26,24,27,254,30,33,29,32,315,34,36,33,35,34数据分析和讨论:根据实验数据的记录,可以观察到每次冲击后击实针插入土壤的深度逐渐增加,并在一定次数后趋于稳定。
由此可以得出结论,土壤在经过一定次数的冲击后,已经较为密实,难以继续增加密实度。
进一步通过计算平均深度和回弹高度,可以得到更加具体的数据:平均深度,平均回弹高度------------,-----------------27mm , 7mm通过分析平均深度和回弹高度,可以评估和比较不同试验条件下的击实性能差异。
深度的增加代表了冲击的力度和击实效果,而回弹高度则反映了土壤的弹性恢复情况。
土工试验、水质分析原始记录表式编制审核批准地质工程勘察院检测中心土工试验记录表式目录CKCS-JL-TG-01-2015开样记录、密度试验记录(环刀法)□1.《土工试验方法标准》GB/T50123-1999 □2.《土工试验规程》SL237-1999 □3.《公路土工试验规程》JTG E40-2007 □4.《铁路工程土工试验规程》TB 10102-2010注:1、使用仪器设备:电子天平;2、检定/校准合格,检查正常方参与试验。
记录:检查:CKCS-JL-TG-02-2013含水率试验记录(烘干法)□1.《土工试验方法标准》GB/T50123-1999 □2.《土工试验规程》SL237-1999□3.《公路土工试验规程》JTG E40-2007 □4.《铁路工程土工试验规程》TB 10102-2010 工程名称:工程编号:环境温度:℃湿度:% 试验日期:试验:检查:CKCS-JL-TG-03-2013液、塑限联合测定记录□1.《土工试验方法标准》GB/T50123-1999 □2.《土工试验规程》SL237-1999□3.《公路土工试验规程》JTG E40-2007 □4.《铁路工程土工试验规程》TB 10102-2010 工程名称:工程编号:注:1、使用仪器设备:电子天平、烘箱、液塑限联合测定仪;2、检定/校准合格,检查正常方参与试验。
试验:检查:固结试验记录(快速法)□1.《土工试验方法标准》GB/T50123-1999 □2.《土工试验规程》SL237-1999 □3.《公路土工试验规程》JTG E40-2007 □4.《铁路工程土工试验规程》TB 10102-2010试验: 检查:固结试验记录□1.《土工试验方法标准》GB/T50123-1999 □2.《土工试验规程》SL237-1999 □3.《公路土工试验规程》JTG E40-2007 □4.《铁路工程土工试验规程》TB 10102-2010记录: 检查:CKCS-JL-TG-05-2013剪切试验记录表□1.《土工试验方法标准》GB/T50123-1999 □2.《土工试验规程》SL237-1999 □3.《公路土工试验规程》JTG E40-2007 □4.《铁路工程土工试验规程》TB 10102-2010 工程名称:工程编号:环境温度:℃湿度:% 试验日期:试验:检查:CKCS-JL-TG-06-2013颗粒分析试验记录表□1.《土工试验方法标准》GB/T50123-1999 □2.《土工试验规程》SL237-1999 □3.《公路土工试验规程》JTG E40-2007 □4.《铁路工程土工试验规程》TB 10102-2010注:1、所用仪器设备:电子天平、烘箱、密度计;2、检定/校准合格、检查正常方参与试验。
混凝土试验结果原始记录混凝土试验是一种评估混凝土材料性能的标准化方法。
试验结果的原始记录非常重要,因为它们提供了准确和详细的数据,以揭示混凝土的材料特性和结构行为。
以下是一个混凝土试验结果原始记录的示例,包括各种试验参数和测量结果。
试验编号:CON-001试验日期:2024年8月15日试验目的:评估混凝土的抗压强度和抗拉强度试验样品:混凝土试块1.材料和配合比信息:混凝土标号:C30配合比:1:2:4(水泥:砂子:骨料)水灰比:0.52.试验操作和环境条件:试验室温度:25℃相对湿度:50%试验员:张工3.抗压强度试验:试件编号直径(mm)高度(mm)抗压强度(MPa)110020035210020032310020034平均值:33.674.抗拉强度试验:试件编号宽度(mm)厚度(mm)长度(mm)抗拉强度(MPa)1100502002.12100502002.33100502002.0平均值:2.135.其他参数:含气量:3%骨料类型:碎石水泥种类:普通硅酸盐水泥6.结论:根据试验结果,混凝土试件的抗压强度为33.67MPa,抗拉强度为2.13MPa,符合C30混凝土的标准要求。
含气量达到了设计要求的3%。
备注:试验过程中未出现任何异常情况,试验结果可靠。
补充说明:以上示例仅仅用于演示目的,并不是一个真实的混凝土试验结果原始记录。
实际的混凝土试验原始记录可能会包含更多的参数和测量结果,具体的格式和内容可能因试验目的和标准要求而有所不同。
在编写混凝土试验结果原始记录时,请根据实际情况和标准要求进行适当的调整和修改。
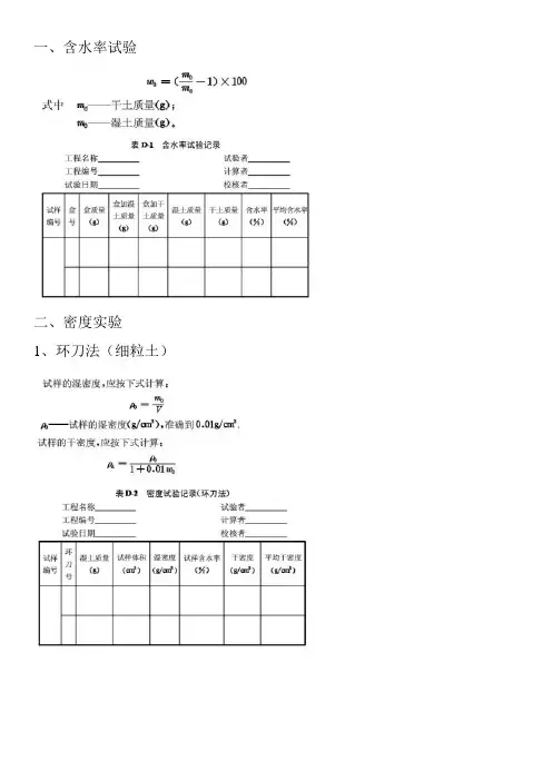
一、含水率试验
二、密度实验
1、环刀法(细粒土)
2、灌水法(现场,粗粒土)
3、灌砂法(现场,粗粒土)
三、土粒比重试验
1、比重瓶法(粒径小于5mm)
2、浮称法(粒径≥5mm)
四、颗粒分析试验
1、筛分法(0.075mm<粒径≤60mm)
2、密度计法(粒径<0.075mm)GB50123-1999第32页
3、移液管法(粒径<0.075mm)
五、界限含水率
1、液、塑限联合测定法
2、滚搓法塑限试验
六、砂的相对密度试验
1、砂的最小干密度试验
2、砂的最大干密度试验
七、击实试验
八、回弹模量试验(杠杆压力仪法)
九、渗透试验
2、常水头渗透试验
1、常水头渗透试验
十、固结试验(标准固结试验)
2、应变控制连续加荷固结试验
十一、黄土湿陷试验1、湿陷系数试验
2、自重湿陷系数
3、溶滤变形系数试验
4、湿陷起始压力试验
十二、直接剪切试验。
土工试验原始记录试验目的:通过土工试验,对土壤的物理力学性质进行初步测定,为土地利用和工程设计提供参考依据。
试验时间:2024年5月1日试验地点:实验室试验设备:1.土壤含水量测定仪2.杨氏模量仪3.压缩试验仪试验材料:1.取自实际工程现场的土壤样本2.砂子试验过程:1.土壤含水量测定1.取土样本约100g,放入烘箱中以100℃烘干至恒重。
2.取出烘干的土样本,冷却至室温。
3.称取烘干土样本的质量,记录为m14.将称取好的土样本置于密闭器中,加入一定量的甲苯。
5.震动4小时,使土壤充分饱和。
6.取出土样本,将多余的甲苯通过纸巾吸干。
7.称取饱和土样本的质量,记为m28.将土样本放入烘箱中以100℃烘干至恒重。
9.得到烘干后的土样本质量,记为m310.计算土壤含水量:w=(m2-m3)/(m3-m1)。
2.杨氏模量测定1.取一小块土样本,放入池中加水饱和。
2.用细砂填充钢管,在钢管的顶部和底部各放置一个负载传感器,上面负载传感器的负荷不超过500N。
3.通过读数器记录水平刚度随应力的变化。
4.根据杨氏模量的定义,计算杨氏模量。
3.压缩试验1.准备一个圆筒形土样,直径为5厘米,高度为10厘米。
2.在加重机上加载土样,使负荷为0.1MPa。
3.使用千斤顶继续加载土样,记录负荷和变形的关系。
4.根据结果绘制一条压缩曲线。
试验结果:1.土壤含水量:w=15%2.杨氏模量:E=5GPa3.压缩曲线如下:负荷(MPa),变形(mm)------------,-----------0.1,0.20.2,0.40.3,0.60.4,0.80.5,1.0结论:通过本次土工试验,我们初步测定了土壤的物理力学性质。
土壤含水量为15%,属于一定含水量下的标准土壤。
杨氏模量为5GPa,说明土壤的紧密度较高,具有较好的承载能力。
压缩试验中的曲线显示了土壤的压缩性能,随着负荷的增加,土壤的变形也在增加。
以上结果仅为本次试验的初步测定,仍需进一步的试验和分析,以得到更准确的土壤性能参数。
⼟⼯试验公式及原始记录表格⼀、含⽔率试验
⼆、密度实验
1、环⼑法(细粒⼟)
2、灌⽔法(现场,粗粒⼟)
3、灌砂法(现场,粗粒⼟)
三、⼟粒⽐重试验
1、⽐重瓶法(粒径⼩于5mm)
2、浮称法(粒径≥5mm)
四、颗粒分析试验
1、筛分法(0.075mm<粒径≤60mm)
2、密度计法(粒径<0.075mm)GB50123-1999第32页
3、移液管法(粒径<0.075mm)
五、界限含⽔率
1、液、塑限联合测定法
2、滚搓法塑限试验
六、砂的相对密度试验
1、砂的最⼩⼲密度试验
2、砂的最⼤⼲密度试验
七、击实试验
⼋、回弹模量试验(杠杆压⼒仪法)
九、渗透试验
2、常⽔头渗透试验
1、常⽔头渗透试验
⼗、固结试验(标准固结试验)
2、应变控制连续加荷固结试验
⼗⼀、黄⼟湿陷试验1、湿陷系数试验
2、⾃重湿陷系数
3、溶滤变形系数试验
4、湿陷起始压⼒试验
⼗⼆、直接剪切试验。
细粒土和巨粒土最大干密度原始记录带数据近年来,土壤工程领域的研究变得越来越重要,因为土壤是基础设施建设的基本材料之一。
在土壤力学和地基工程中,最大干密度是一个重要的指标,它能够帮助工程师们更好地了解土壤的力学性质和工程行为。
在本篇文章中,我将从不同角度来探讨细粒土和巨粒土最大干密度原始记录带数据,以便帮助读者更全面、深刻地理解这一主题。
1. 数据来源和样本信息在探讨细粒土和巨粒土最大干密度原始记录带数据之前,我们需要了解数据的来源和样本信息。
这些数据通常是通过野外取样和实验室测试得到的,样本信息包括土壤的类型、地质成分、水分含量等。
这些信息对于后续的数据分析和结果解读非常重要。
在这里,我们通过实验室试验得到了细粒土和巨粒土的最大干密度原始记录带数据。
细粒土通常包括粘土、壤土等,而巨粒土则包括砂、砾石等。
这两种土壤在工程中有着不同的应用和影响,因此对它们的最大干密度数据的了解是非常必要的。
2. 数据处理和分析接下来,我们将对这些数据进行处理和分析。
在进行数据处理时,我们需要考虑到实验误差、数据的有效性和可靠性等因素。
通过对数据进行统计学分析和图表展示,我们可以更直观地了解细粒土和巨粒土最大干密度的分布特点、变异程度等信息。
在进行数据分析时,我们还需要结合土壤的物理性质和工程行为来解读这些数据。
我们可以通过最大干密度数据来推断土壤的土工特性,如抗剪强度、压缩性能等。
这将有助于工程师们在实际工程中更好地选择土壤材料并评估其工程行为。
3. 结论和个人观点通过对细粒土和巨粒土最大干密度原始记录带数据的全面评估和分析,我们得出了一些结论和个人观点。
在实际工程中,我们发现细粒土的最大干密度通常较大,而巨粒土的最大干密度相对较小。
这是由于它们的颗粒大小和结构特点所决定的。
个人认为在工程实践中,我们需要根据具体工程要求和土壤条件来合理选择和应用这些土壤材料,以确保工程的安全和可靠性。
细粒土和巨粒土最大干密度原始记录带数据是非常重要的工程信息,在土壤力学和地基工程中具有广泛的应用价值。
土工合成材料厚度试验原始记录在我们日常生活中,有些事情总是让人感到“不可思议”。
就拿土工合成材料的厚度试验来说吧,这个听起来高深莫测的东西,其实跟我们身边的生活息息相关。
大家可能会想,厚度试验到底有什么神秘之处呢?其实嘛,厚度试验就像给一块蛋糕切片,切得厚薄适中,才能让每个人都吃得满意。
试验的原始记录就像是这块蛋糕的配方,记载着每一个细节,确保我们的材料能够“安然无恙”地服务于各种工程项目。
说到这厚度试验,首先得准备好材料。
我们需要那种土工合成材料,哦,大家别觉得这是个什么外星科技。
其实就是一些能在土里帮我们工作的东西,比如土工布、土工膜,听起来简单,但在工程中可是个“大人物”。
要进行试验,我们得用上各种工具,这些工具就像是我们的“战友”,缺一不可。
厚度测量仪、卡尺,甚至小小的游标卡尺都是我们工作中的好帮手。
当一切准备就绪,我们开始进行厚度测量。
哦,真是紧张又刺激的时刻!我们把材料放在测量仪上,眼睛瞪得溜圆,手心冒汗。
测量仪上那数字跳动,就像在考验我们的心跳,心里想着:“这可不能出错啊!”每一次测量,都是一次小小的冒险,数据记录下来后,心里才稍稍放下了一口气。
可别小看这数字,它们可是关系到整个工程的“命脉”,一旦出错,可是得“大事情”呢。
就是对测量结果的分析。
这就像拆盲盒,拆开后总是充满期待。
不少人看到这些数据,可能会觉得“哎呀,没啥特别”,其实这里面有大文章。
每一个数值的波动,都意味着材料的性能变化。
比如,材料太薄,抗压强度就不行,像纸片一样,轻轻一捏就容易变形;太厚,又可能增加成本,性价比不高。
简单来说,找到一个“黄金厚度”,就像是在调配药水,得恰到好处。
此外,记录这些数据的时候,可得小心翼翼。
要写清楚每一步的过程,不能马虎。
这就像写日记,记录下每一个开心的瞬间。
我们常常会笑着说:“如果不记录,今天的感动,明天就成了忘却。
”每一份原始记录,不仅仅是数字的堆砌,它们背后都有我们辛苦的汗水与付出。
土工检测原始记录土工检测是指对土壤和岩石等地质材料进行测试和分析,确定其力学性质、物理性质和工程性能的过程。
它是建筑、公路、铁路、水利工程等的基础,对工程建设的安全可靠性起着至关重要的作用。
本文将对土工检测的基本流程和常用的测试方法进行详细介绍。
土工检测的基本流程一般包括野外取样、室内试验和数据分析三个阶段。
首先,野外取样是指在工程现场采集土样,并按照一定的要求进行标识和保存。
野外取样可以采取钢筒取样、取心取样和草皮取样等方法,选择合适的取样方法取决于地质条件和实际需要。
在取样过程中需要注意保证取样的代表性,避免现场扰动和污染。
野外取样完成后,就需要将取回的土样送到实验室进行室内试验。
室内试验是指对土样进行一系列物理性质、力学性质和工程性能的测试和分析。
常用的室内试验包括颗粒分析、含水率测定、比重测定、沉降性试验、压缩性试验、剪切性试验等。
这些试验可以用来确定土壤的粒径组成、含水性、密实性、压缩性、剪切性等基本特性,从而为工程设计和构造安排提供必要的依据。
室内试验完成后,就需要对试验结果进行数据分析和处理,以获得可靠的工程参数。
数据分析一般包括统计学分析、回归分析、变异系数分析、失效概率分析等方法。
通过数据分析可以得到土壤的力学参数、承载力、变形特性等重要参数,为工程设计和施工提供科学依据。
同时,通过对数据的分析,可以对土壤性质的可变性和风险进行评价,从而为工程安全性的评估提供参考。
在实际应用中,土工检测常用的测试方法有很多,下面列举几种常见的测试方法。
首先,颗粒分析是土工检测中最常用的测试方法之一、颗粒分析是通过筛分实验,确定土壤中各种粒径颗粒的含量和分布情况。
它可以用来确定土壤的颗粒组成、分级曲线、孔隙比等重要参数,对于土壤的分类和工程性质的评估具有重要意义。
其次,含水率测定是土工检测中另一个重要的测试方法。
含水率是指土壤单位质量中所含水分的重量比,它是土壤工程性能的重要指标之一、常用的含水率测定方法有干燥法、重量法和压榨法等,选择合适的测定方法需要根据土壤类型和实际需要进行判断。
土的含水率试验记录(一)(烘干法:标准方法,适用于各类土)样品编号记录编号委托编号委托日期取样地点试验日期仪器设备及环境条件仪器设备名称型号管理编号示值范围分辨力温度(℃)相对湿度(%)样品状态描述采用标准土样描述试样编号称量盒号称量盒质量(g)盒加湿土质量(g)盒加干土质量(g)湿土质量m0(g)干土质量m d(g)含水率ω=(m0/m d-1)×100(%)单个值平均值附注:试验计算复核土的含水率试验记录(二)(酒精燃烧法:适用于含有机质的砂类土、粉土和黏性土)样品编号记录编号委托编号委托日期取样地点试验日期仪器设备及环境条件仪器设备名称型号管理编号示值范围分辨力温度(℃)相对湿度(%)样品状态描述采用标准土样描述试样编号称量盒号称量盒质量(g)盒加湿土质量(g)盒加干土质量(g)湿土质量m0(g)干土质量m d(g)含水率ω=(m0/m d-1)×100(%)单个值平均值附注:试验计算复核土的含水率试验记录(三)(碳化钙减量法:适用于各类土)样品编号记录编号委托编号委托日期取样地点试验日期仪器设备及环境条件仪器设备名称型号管理编号示值范围分辨力温度(℃)相对湿度(%)样品状态描述采用标准土样描述试样编号反应容器与研杵的质量m1(g)反应前反应后产生乙炔气体质量m C2H2=m A-m B(g)含水率ω=[(m C2H2×1.385)/(m-m C2H2×1.385)]×100(%)反应容器与研杵加湿土样总质量m2(g)湿土样质量m=m2-m1(g)反应容器与研杵加湿土样和碳化钙粉末总质量m A(g)碳化钙粉末质量m3=m A-m2(g)反应容器与研杵和混合物总质量m B(g)单个值平均值附注:试验计算复核土的密度试验记录样品编号记录编号委托编号委托日期取样地点试验日期仪器设备及环境条件仪器设备名称型号管理编号示值范围分辨力温度(℃)相对湿度(%)样品状态描述采用标准(1)环刀法(适用于粉土和黏性土)试样编号环刀号环刀质量(g)环刀容积V(cm3)环刀加湿土质量(g)湿土质量m0(g)试样湿密度ρ(g/cm3)含水率ω(%)⑷试样干密度ρd(g/cm3)⑸=⑶/[1+0.01⑷]⑴⑵⑶=⑵/⑴单值均值(2)蜡封法(适用于环刀难以切削并易碎裂的土。
土工试验、水质分析原始记录表式编制审核批准江苏常州地质工程勘察院检测中心土工试验记录表式目录CKCS-JL-TG-01-2015开样记录、密度试验记录(环刀法)□1.《土工试验方法标准》GB/T50123-1999 □2.《土工试验规程》SL237-1999 □3.《公路土工试验规程》JTG E40-2007 □4.《铁路工程土工试验规程》TB 10102-2010注:1、使用仪器设备:电子天平;2、检定/校准合格,检查正常方参与试验。
记录:检查:CKCS-JL-TG-02-2013含水率试验记录(烘干法)□1.《土工试验方法标准》GB/T50123-1999 □2.《土工试验规程》SL237-1999□3.《公路土工试验规程》JTG E40-2007 □4.《铁路工程土工试验规程》TB 10102-2010 工程名称:工程编号:环境温度:℃湿度:% 试验日期:注:1、使用仪器设备:烘箱、电子天平;2、检定/校准合格,检查正常方参与试验。
试验:检查:CKCS-JL-TG-03-2013液、塑限联合测定记录□1.《土工试验方法标准》GB/T50123-1999 □2.《土工试验规程》SL237-1999□3.《公路土工试验规程》JTG E40-2007 □4.《铁路工程土工试验规程》TB 10102-2010 工程名称:工程编号:注:1、使用仪器设备:电子天平、烘箱、液塑限联合测定仪;2、检定/校准合格,检查正常方参与试验。
试验:检查:CKCS-JL-TG-04-2013固结试验记录(快速法)□1.《土工试验方法标准》GB/T50123-1999 □2.《土工试验规程》SL237-1999 □3.《公路土工试验规程》JTG E40-2007 □4.《铁路工程土工试验规程》TB 10102-2010注:仪器编号指固结仪各联的实验室编号,仪器状态栏正常打√,不正常打×。
试验: 检查:CKCS-JL-TG-04-2013固结试验记录□1.《土工试验方法标准》GB/T50123-1999 □2.《土工试验规程》SL237-1999 □3.《公路土工试验规程》JTG E40-2007 □4.《铁路工程土工试验规程》TB 10102-2010注:仪器编号指固结仪各联的实验室编号,仪器状态正常方参与试验。
记录: 检查:CKCS-JL-TG-05-2013剪切试验记录表□1.《土工试验方法标准》GB/T50123-1999 □2.《土工试验规程》SL237-1999 □3.《公路土工试验规程》JTG E40-2007 □4.《铁路工程土工试验规程》TB 10102-2010 工程名称:工程编号:环境温度:℃湿度:% 试验日期:备注:1、所用仪器设备:直剪仪、预压仪;2、检定/校准合格、检查正常方参与试验。
试验:检查:CKCS-JL-TG-06-2013颗粒分析试验记录表□1.《土工试验方法标准》GB/T50123-1999 □2.《土工试验规程》SL237-1999 □3.《公路土工试验规程》JTG E40-2007 □4.《铁路工程土工试验规程》TB 10102-2010注:1、所用仪器设备:电子天平、烘箱、密度计;2、检定/校准合格、检查正常方参与试验。
试验:检查:CKCS-JL-TG-07-2013渗透试验记录(变水头法)□1.《土工试验方法标准》GB/T50123-1999 □2.《土工试验规程》SL237-1999□3.《公路土工试验规程》JTG E40-2007 □4.《铁路工程土工试验规程》TB 10102-2010 工程名称:工程编号:环境温度:℃湿度:% 试样高度:mm 试样直径:mm 试验日期:试验:检查:CKCS-JL-TG-08-2013三轴压缩试验(UU)记录□1.《土工试验方法标准》GB/T50123-1999 □2.《土工试验规程》SL237-1999□3.《公路土工试验规程》JTG E40-2007 □4.《铁路工程土工试验规程》TB 10102-2010工程名称:工程编号:三轴仪仪器号:钢环系数:N/0.01mm 使用前设备情况□使用后设备情况□游标卡尺号:状态:电子天平号:状态:环境温度: ℃湿度: %备注:1.仪器使用情况检查中,正常打√,否则打×。
2.试样状态栏中,如试样适合试验打√,否则打×。
试验:检查:CKCS-JL-TG-09-2013无侧限抗压强度试验记录□1.《土工试验方法标准》GB/T50123-1999 □2.《土工试验规程》SL237-1999□3.《公路土工试验规程》JTG E40-2007 □4.《铁路工程土工试验规程》TB 10102-2010 工程名称:工程编号:仪器编号:状态:环境温度:℃湿度:% 试验日期:注:试样状态栏中,如试样适合试验打√,否则打×试验:检查:CKCS-JL-TG-10-2013固结系数试验记录□1.《土工试验方法标准》GB/T50123-1999 □2.《土工试验规程》SL237-1999 □3.《公路土工试验规程》JTG E40-2007 □4.《铁路工程土工试验规程》TB 10102-2010 工程名称:工程编号:环境温度:℃湿度:% 试验日期:注:仪器设备状态正常方参与试验。
试验:检查:CKCS-JL-TG-11-2013比重试验记录表(比重瓶法)□1.《土工试验方法标准》GB/T50123-1999 □2.《土工试验规程》SL237-1999 □3.《公路土工试验规程》JTG E40-2007 □4.《铁路工程土工试验规程》TB 10102-2010 工程名称:工程编号:环境温度:℃湿度:% 电子天平编号:状态:试验日期:注:仪器设备状态正常打√,不正常打×。
试验:检查:CKCS-QR-5.6-01江苏常州地质工程勘察院土样送样单□1.《土工试验方法标准》GB/T50123-1999 □2.《土工试验规程》SL237-1999 □3.《公路土工试验规程》JTG E40-2007 □4.《铁路工程土工试验规程》TB 10102-2010工程名称:项目编号:送样单位:常规项包括:含水率(烘干法);液塑限(联合测定法);比重(比重瓶法);密度(环刀法);固结(快速法、标准法);剪切(快剪、固快);砂类土加做颗分(筛分法、密度计法)。
送样人:送样日期:收样人:收样日期:CKCS-QR--5.6-03CKCS-JL-TG-12-2013静止侧压力系数测试记录表□1.《土工试验方法标准》GB/T50123-1999 □2.《土工试验规程》SL237-1999□3.《公路土工试验规程》JTG E40-2007 □4.《铁路工程土工试验规程》TB 10102-2010 工程名称:工程编号:备注:仪器状态检查正常方参与试验。
试验:检查:CKCS-JL-TG-13-2013全自动三轴压缩试验记录□1.《土工试验方法标准》GB/T50123-1999 □2.《土工试验规程》SL237-1999□3.《公路土工试验规程》JTG E40-2007 □4.《铁路工程土工试验规程》TB 10102-2010 工程名称:工程编号: 电子天平号:状态:备注:仪器设备状态正常方参与试验。
试验类型包括UU、CU、CD。
试验:检查:CKCS-JL-TG-14-2013比热容测试记录表1.《城市轨道交通岩土工程勘察规范》GB 50307-20122.《铁路工程土工试验规程》TB 10102-2010工程名称:工程编号:备注:1.采用仪器设备:BRR比热容测试仪,电热恒温干燥箱;2. 所用仪器设备状态正常方参与试验。
试验:检查:CKCS-JL-TG-15-2013导热系数测试记录表□1.《城市轨道交通岩土工程勘察规范》GB 50307-2012□2.《铁路工程土工试验规程》TB 10102-2010工程名称:工程编号:备注:1. 采用仪器:DRPL-I 导热系数测试仪;2. 所用仪器设备状态正常方参与试验。
试验:检查:CKCS-JL-SZ-01-2013水质(土壤腐蚀性)分析原始记录表□1.《土工试验方法标准》GB/T 50123-1999 □2.《土工试验规程》SL237-1999□3.《铁路工程水质分析规程》TB 10104-2003 □4.《水电水利工程地质勘察水质分析规程》DL/T 5194-2004工程名称:工程编号:注:1.水质分析时直接取水样试验;土壤腐蚀性分析时取过2mm筛下的风干土试样,按土水比1:5浸泡、过滤得到试样浸出液用于试验2.仅使用检定合格、状态正常的仪器设备:电子天平-TP6、酸度计-1、分光光度计-1、电导率仪-1、电热干燥箱。
分析:校对:CKCS-QR-5.6-02江苏常州地质工程勘察院水样送样单1. 《铁路工程水质分析规程》TB 10104-2003 2.《水电水利工程地质勘察水质分析规程》DL/T 5194-2004 工程名称:送样单位:送样人:送样日期:收样人:收样日期:CKCS-JL-TG-05-2013剪切试验记录表□1.《土工试验方法标准》GB/T50123-1999 □2.《土工试验规程》SL237-1999 □3.《公路土工试验规程》JTG E40-2007 □4.《铁路工程土工试验规程》TB 10102-2010 工程名称:工程编号:环境温度:℃湿度:% 试验日期:备注:1、所用仪器设备:直剪仪、预压仪;2、检定/校准合格、检查正常方参与试验。
试验:检查:。