钢结构刚接柱脚计算表格
- 格式:xls
- 大小:344.00 KB
- 文档页数:3
50个钢结构计算表格excel版钢结构计算是建筑工程中非常重要的一部分,对于保证结构的安全性和稳定性起着至关重要的作用。
为了方便工程师进行钢结构计算,通常会使用计算表格来进行基本的计算。
在这篇文章中,我将介绍一些常见的钢结构计算表格,并提供一个包含50个钢结构计算表格的Excel版供读者参考。
1.钢梁计算表格:用于计算钢梁在静力荷载下的弯曲强度和承载力。
2.钢柱计算表格:用于计算钢柱在静力荷载下的抗压强度和承载力。
3.钢板计算表格:用于计算钢板在静力荷载下的弯矩和剪力。
4.节点连接计算表格:用于计算节点连接在静力荷载下的强度和稳定性。
5.焊接连接计算表格:用于计算焊接连接在静力荷载下的强度和稳定性。
6.螺栓连接计算表格:用于计算螺栓连接在静力荷载下的强度和稳定性。
7.钢桥计算表格:用于计算钢桥在静力荷载下的强度和稳定性。
8.钢塔计算表格:用于计算钢塔在静力荷载下的强度和稳定性。
9.钢拱计算表格:用于计算钢拱在静力荷载下的强度和稳定性。
10.钢筋计算表格:用于计算钢筋在静力荷载下的强度和承载力。
这些计算表格也可以根据具体工程的需要进行修改和扩展。
通常,计算表格中包括了输入数据、计算公式、计算结果等内容,以便于工程师进行计算和分析。
在下面,我将给出一个包含50个钢结构计算表格的Excel文件供读者参考。
该文件包含了上述提到的各种计算表格,并经过了编排和整理,方便读者使用。
这些表格的内容非常丰富,包括了静力荷载、材料性能、截面特性、计算公式等。
读者可以根据自己的需要使用这些表格,并根据实际情况进行修改和扩展。
总之,钢结构计算是建筑工程中不可或缺的一部分。
通过使用计算表格,可以方便快捷地进行结构的计算和分析。
希望这个包含50个钢结构计算表格的Excel文件对读者有所帮助,能够在实际工程中发挥作用。
2-5 钢结构计算2-5-1 钢结构计算用表为保证承重结构的承载能力和防止在一定条件下出现脆性破坏,应根据结构的重要性、荷载特征、结构形式、应力状态、连接方法、钢材厚度和工作环境等因素综合考虑,选用合适的钢材牌号和材性。
承重结构的钢材宜采用Q235钢、Q345钢、Q390钢和Q420钢,其质量应分别符合现行国家标准《碳素结构钢》GB/T 700和《低合金高强度结构钢》GB/T 1591的规定。
当采用其他牌号的钢材时,尚应符合相应有关标准的规定和要求。
对Q235钢宜选用镇静钢或半镇静钢。
承重结构的钢材应具有抗拉强度、伸长率、屈服强度和硫、磷含量的合格保证,对焊接结构尚应具有碳含量的合格保证。
焊接承重结构以及重要的非焊接承重结构的钢材还应具有冷弯试验的合格保证。
对于需要验算疲劳的焊接结构的钢材,应具有常温冲击韧性的合格保证。
当结构工作温度等于或低于0℃但高于-20℃时,Q235钢和Q345钢应具有0℃C冲击韧性的合格保证;对Q390钢和Q420钢应具有-20℃冲击韧性的合格保证。
当结构工作温度等于或低于-20℃时,对Q235钢和Q345钢应具有-20℃冲击韧性的合格保证;对Q390钢和Q420钢应具有-40℃冲击韧性的合格保证。
对于需要验算疲劳的非焊接结构的钢材亦应具有常温冲击韧性的合格保证,当结构工作温度等于或低于-20℃时,对Q235钢和Q345钢应具有0℃冲击韧性的合格保证;对Q390钢和Q420钢应具有-20℃冲击韧性的合格保证。
当焊接承重结构为防止钢材的层状撕裂而采用Z向钢时,其材质应符合现行国家标准《厚度方向性能钢板》GB/T 5313的规定。
钢材的强度设计值(材料强度的标准值除以抗力分项系数),应根据钢材厚度或直径按表2-77采用。
钢铸件的强度设计值应按表2-78采用。
连接的强度设计值应按表2-79至表2-81采用。
钢材的强度设计值(N/mm2)表2-77注:表中厚度系指计算点的钢材厚度,对轴心受力构件系指截面中较厚板件的厚度。
结构设计计算书系统(根据新规范编写)土建类钢结构
矩形截面单双筋--抗弯抗剪验算支撑系统---ST梁,墙面斜撑,风拉杆计算
单筋T形截面--抗弯验算工型拉(压)弯构件强度及稳定性校核计算
深梁与短梁--抗弯验算箱形拉(压)弯构件强度及稳定性校核计算
矩形截面受弯剪扭--抗扭验算工字型、T型、箱型截面斜撑计算
框架柱计算长度(有侧移及无侧移)
砼-钢组合梁计算
钢梁(工字型、箱型)受扭计算
工型梁加劲肋计算
荷载统计表简支钢梁计算
墙体荷载计算高强度螺栓连接计算
楼面荷载计算端板厚度计算系统
端板连接节点计算
吊车反力/牛腿受力 计算
吊车梁整体稳定性计算
柱脚计算
报价系统。
刚接柱脚(E轴GZ5)---Mmax工程名称:1输入柱脚尺寸500x400x8.x16输入弯矩M34.07Ton-m输入轴力N20.46Ton输入剪力V 6.46Ton估计锚栓大小M36锚栓材料Q235输入d1105.00mm输入d290.00mm输入d390.00mm输入d490.00mm输入d590.00mm输入d690.00mm计算得底板宽D750.00mm计算得底板长L860.00mm底板材料Q345输入混凝土基长L11010.00mm输入混凝土基宽L2900.00mm输入混凝土强度C252. 检验基础受压和锚栓受拉计算得偏心距e=M/N 1.67m混凝土基面积Ab=L1*L2909000.00mm^2柱底板面积Ae=D*L645000.00mm^2混凝土强度放大系数q1=SQRT(Ab/Ae) 1.19混凝土承压强度Fcc12.50混凝土弹性模量E28000.00计算得受拉锚栓面积Aa=4*Ae3268.0mm^2偏心量:e>L/6+Lt/3混凝土所受最大压力6.81N/mm^2Fc<q1*Fcc=14.84OK!计算受拉锚栓总拉力Tp =N*(e-L/2+Xn/3)/(L-d5-Xn/3)387650.09N柱间支撑处的竖向分力N1=50180N锚栓强度f140.00N/mm^2计算锚栓所受拉力s=(Tp+N1)/Aa133.97N/mm^2OK!3. RC柱头抗剪:水平抗剪承载力Vtb=0.4*(N+(Tp/9800))24.01OK!4. 计算板厚t底板强度s1295.00N/mm^2 A.对于两边支撑计算a1=SQRT((d1+d2)^2+(d5+d6)^2)265.38mm计算b1=(d1+d2)*(d5+d6)/a1132.26mm计算b1/a1=b1/a10.50由b1/a1用插值法得q20.06计算弯矩M1=q2*fc*a1^2计算板厚t=SQRT(6*m1/s1)B.对于三边支撑计算a2=d3+d4180.00mm计算b2=d5+d6180.00mm计算b2/a2=b2/a2 1.00由b2/a2用插值法得q30.11计算弯矩M2=q3*fc*a2^2计算板厚t=SQRT(6*m2/s1)C.对于锚栓的拉力计算一个锚栓所受拉力T=(Tp+N1)/4109457.52N锚栓孔径d42.00mm计算板厚t =sqrt((6*T*d6)/((d+2 *d6)*s1)D.结论:5、加劲肋的计算:由底板下混凝土的分布力得到的剪力Vi1=aRi*lai*fc220.73KNVi2=Nta109.46KNVi=MAX(Vi1,Vi2)=220.73KN取加劲肋的高度和厚度为:hRi=250.00mmtRi=14.00mm加劲肋的剪力VtR=Vi/(hRi*tRi)63.07N/mm^2<125.00OK!宽厚比bRi/tRi=10.71<14.86OK!取角焊缝的焊角尺寸:hf=10.00mmlw=225.00mm角焊缝的抗剪强度:Vi/0.7*(hf*lw)140.15N/mm^2<200.00OK!。
软件主要针对型钢混凝土埋入式刚性柱脚节点,计算主要遵循《钢结构连接节点设计手册》(第二版)及《钢骨混凝土结构设计规程》(YB 9082-2006)中的相关条文及规定。
《钢结构连接节点设计手册》(第二版)中埋入式柱脚相关技术内容,主要针对钢柱做埋入式柱脚节点。
设计注意事项刚性固定埋入式柱脚时直接将钢柱埋入钢筋混凝土基础或基础梁的柱脚。
其埋入办法:一是预先将钢柱脚按要求组装固定在设计标高上,然后浇灌基础或基础梁的混凝土;另一种是预先按要求浇灌基础或基础梁的混凝土,在浇灌混凝土时,按要求留出安装钢柱脚用的插入杯口,待安装好钢柱脚后,再用混凝土强度等级比基础高一级的混凝土灌实。
通常情况下,前一种方法对提高和确保钢柱脚和钢筋混凝土基础或基础梁的组合效应或整体刚度有利,所以在工程实际中多被采用。
在埋入式柱脚中,钢柱的埋入深度是影响柱脚的固定度、承载力和变形能力的重要因素,而且有时对于中柱、边柱和角柱,其埋入深度也不尽相同,这就需要选择易于进行钢筋混凝土补强的埋入深度来处理。
为防止钢柱的局部压屈和局部变形,在钢柱向钢筋混凝土基础或基础梁传递水平力处压应力最大值的附近,设置水平加劲肋是一个有效的补强措施;对箱型截面柱和圆管形截面柱处设置水平加劲肋的环形横隔板外,在箱内和管内浇灌混凝土也将获得良好的效果。
为防止基础或基础梁中混凝土早期的压坏和剪坏,应配置补强钢筋,合理地确定钢柱周边的钢筋混凝土保护层厚度及其配筋是很重要的。
在中柱、边柱和角柱中,其钢筋混凝土保护层厚度有时是不尽一致,特别在边柱和角柱的柱脚中,对没有设置基础梁的一侧,钢柱翼缘面处的钢筋混凝土保护层厚度;中柱不得小于180mm;边柱、角柱的外侧不宜小于250mm。
配置在钢柱埋入部分中的钢筋,出基础或基础梁应有的配筋外,尚应在钢柱周边增设补强垂直纵向主筋、架立筋、箍筋、顶部加强箍筋、基础梁主筋在钢柱埋入部分水平方向弯折处的加强箍筋。
在整体框架的内力分析时,对柱脚部分的刚度和刚度区域应留有一定的富裕量,刚度区域的高度应比基础或基础梁混凝土顶面高出1.2倍的钢柱截面高度。
CF-700a钢柱脚计算二、柱脚细部设计柱脚形式为刚性固定露出式柱脚。
钢柱材质为Q345B钢,柱脚底板及支承加劲肋采用Q345B钢,锚栓采用Q345B钢。
底板下混凝土强度等级按C35考虑。
砼局部抗压强度:βc f c= 1.67kN/cm2钢材抗弯强度:f=25.0kN/cm2钢材抗剪强度:f v=15.5kN/cm2一个锚栓抗拉承载力:N t a=316.4kN锚栓直径:d=52mm一个锚栓有效截面面积:A e a=17.58cm21、柱脚底板尺寸L=130.0cmB=128.0cml t=15.0cml=L-l t=115.0cm2、底板下混凝土最大压应力计算1)偏心类型判断2)底板下混凝土最大压应力0.30kN/cm 2<βc f c ,满足。
0.22kN/cm 2<βc f c ,满足。
0.22kN/cm 2<βc f c,满足。
对于σc1:确定受压区长度:-0.29 0.004 查《节点设计手册》得,x n /l=0.9 则底板受压区长度为:x n =0.9l =103.5cm 则0.64kN/cm 2<βc f c,满足。
对于σc2:确定受压区长度:-0.22 0.004 查《节点设计手册》得,x n /l=0.68 则底板受压区长度为:x n =0.68l =78.2cm 则0.67kN/cm2<βc f c,满足。
对于σc4:确定受压区长度:-0.16 0.004 查《节点设计手册》得,x n /l=0.6 则底板受压区长度为:x n =0.6l =69cm 则0.54kN/cm 2<βc f c,满足。
ρ=A e a/LB=σc1=2N(e+L/2-l t )/Bx n (L-l t -x n /3)=对于a类偏心:对于c类偏心:x/l=(e-L/2)/l=ρ=A e a /LB=σc3=N(1+6e/L)/LB=σc5=N(1+6e/L)/LB=σc6=N(1+6e/L)/LB=σc4=2N(e+L/2-l t )/Bx n (L-l t -x n /3)=x/l=(e-L/2)/l=ρ=A e a /LB=σc2=2N(e+L/2-l t )/Bx n (L-l t -x n /3)=x/l=(e-L/2)/l=对于σc7:确定受压区长度:-0.24 0.004 查《节点设计手册》得,x n /l=0.76 则底板受压区长度为:x n =0.76l =87.4cm 则0.64kN/cm 2<βc f c,满足。
柱脚计算一、GZ1柱脚计算(5-17轴):查得节点处的最不利内力组为:M=227.51KN ·MN=381.1KN柱底最大剪力为:V=64.34KN ,所对应的轴力为:N=175.6KN,则,柱底板与混凝土柱之间产生的磨擦力为F=0.4N=70.24KN>V=64.34KN,柱底抗剪满足!柱脚计算简图如附图二所示假定砼柱的强度等级为C20,则 fc=10N/mm 2按构造要求,底板尺寸取为:B ×L=310x900则底板所受的最反力为:2291.765.62632max min/10/28.763.09003101048.3046900310106.1756mm N f mm N BL M BL N c =<=±=⨯⨯⨯±⨯⨯=+=-σ经计算,砼柱抗压强度满足!如图所示,经计算,底板各区格所受的反力为:2221/67.4,/29.6mm N mm N ==σσ底板所受的最大弯矩为:1.对三边简支板:b 1=100,a 1=250b 1/a 1=0.40查得β2=0.04392221max 23/2170325091.70439.0mm N a M =⨯⨯==σβ2.对四边支承板b 1=250,a 1=100b 1/a 1=2.5查得α=0.1103222114/693810029.61103.0mm N a M =⨯⨯==ασ3.对四边支承板b 1=500,a 1=125b 1/a 1=4查得β2=0.12502221223/912112567.41250.0mm N a M =⨯⨯==σβ则:mm t mm f M t 25,213002170366max min ==⨯==取 靴梁计算:靴梁所承担的均布线荷载为:q=155×7.91=1226N/mm 2,则:Nql V mm N ql M 2452002001226/1052.24200122621212622=⨯==⨯=⨯⨯== 取-500x12x900,则:2222262/175/3.61500122452005.15.1/300/41500121052.2455mm N f mm N th V mm N f mm N th M V =<=⨯⨯===<=⨯⨯⨯==τσ 靴梁与柱底板采用双面角焊缝:mmh mm t h mmt h f f f 125.7255.15.14.14122.12.1max min min max ===≥=⨯=≤取施焊时不采用引弧板,则焊缝计算长度为:l W =200-10=190mm22/200/8.761902127.02452007.0mm N f mm N l h V w f w f =<=⨯⨯⨯==τ 靴梁与柱翼缘板采用h f =12mm 的单面角焊缝,其焊缝计算长度为:l W =500-10=490mm22/200/60490127.02452007.0mm N f mm N l h V w f w f =<=⨯⨯==τ 柱底板加劲肋计算:柱底板加劲肋所承担的均布线荷载为:q=6.29x100=629N/mm 2则:N ql V mm N ql M 786252506292121/1091.425062981812622=⨯⨯==⨯=⨯⨯== 取-250x10x500则:2222262/175/6.2350010786255.15.1/300/82.9500101091.455mm N f mm N th V mm N f mm N th M V =<=⨯⨯===<=⨯⨯⨯==τσ 底板加劲肋与底板连接时采用h f =8mm 的单面角焊缝,其计算长度为: l W =250-10=240mm22/200/5.5824087.0786257.0mm N f mm N l h V w f w f =<=⨯⨯==τ 底板加劲肋与靴梁连接时采用h f =6mm 的单面角焊缝,其计算长度为: l W =500-10=490mm22/200/2.3849067.0786257.0mm N f mm N l h V w f w f =<=⨯⨯==τ 锚栓计算:受压区计算长度:mm x 48965.691.791.7900=+⨯=底板形心到受压区合力线的距离为:mm a 28734892900=-= 锚栓轴线到受压区合力线的距离为:mm y 6373489100900=--= 则锚栓所受的最大拉力为: KN y Na M N t 399637287106.175105.30436=⨯⨯-⨯=-= 采用2M48-Q235钢锚栓,查得其单个锚栓所能承担的最大拉力为:[N t ]=206.2KN>N t =399/2=200KN锚栓支承加劲肋计算:每个锚栓支承加劲肋所承受的剪力为:V=400/4=100KN取-195x10x400 则:22/175/5.37400101000005.15.1mm N f mm N th V V =<=⨯⨯==τ 锚栓支承加劲肋与靴梁采用h f =6mm 的双面角焊缝连接,其计算长度为: l W =400-10=390mm 则:22222223222/200/4.486.30)22.18.45(/6.30239067.0101007.0/8.45239067.05.971000067.06mm N f mm N mm N l h V mm N l h Ve w f f f f w f f w f f =<=+=+⎪⎪⎭⎫ ⎝⎛=⨯⨯⨯⨯===⨯⨯⨯⨯⨯==τβστσ 锚栓支承加劲肋与顶板的连接采用h f =6mm 双面角焊缝,其计算长度为: l W =195-10=185mm 则:22/200/4.64218567.01000007.0mm N f mm N l h V w f w f =<=⨯⨯⨯==τ 锚栓支承垫板的计算:mm N Qa M ∙⨯=+⨯⨯==4105.152)556(22004141 采用-100x25x160则:22432/300/24452082.1105.152;520825)50100(61mm N f mm N W M mm W n n =<==⨯⨯===⨯-⨯=γσ经计算,柱脚安全二、GZ1柱脚计算(4轴):查得节点处的最不利内力组为:M=376.32KN ·MN=109.53KN柱底最大剪力为:V=64.34KN ,所对应的轴力为:N=175.6KN,则,柱底板与混凝土柱之间产生的磨擦力为F=0.4N=70.24KN>V=64.34KN,柱底抗剪满足!柱脚计算简图如附图三所示假定砼柱的强度等级为C20,则 fc=10N/mm 2 按构造要求,底板尺寸取为:B ×L=310x900则底板所受的最反力为:2238.960.82632max min/10/99.839.09003101032.37669003101053.1096mm N f mm N BL M BL N c =<=±=⨯⨯⨯±⨯⨯=+=-σ经计算,砼柱抗压强度满足!如图所示,经计算,底板各区格所受的反力为:2221/38.5,/38.7mm N mm N ==σσ底板所受的最大弯矩为:1.对三边简支板:b 1=100,a 1=250b 1/a 1=0.40查得β2=0.04392221max 23/2573625038.90439.0mm N a M =⨯⨯==σβ2.对四边支承板b 1=250,a 1=100b 1/a 1=2.5查得α=0.1103222114/814010038.71103.0mm N a M =⨯⨯==ασ3.对四边支承板b 1=500,a 1=125b 1/a 1=4查得β2=0.12502221223/1050812538.51250.0mm N a M =⨯⨯==σβ则:mm t mm f M t 25,233002573666max min ==⨯==取 靴梁计算:靴梁所承担的均布线荷载为:q=155×9.38=1454N/mm 2,则:Nql V mm N ql M 2908002001454/101.29200145421212622=⨯==⨯=⨯⨯== 取-500x12x900,则:2222262/175/7.72500122908005.15.1/300/4950012101.2955mm N f mm N th V mm N f mm N th M V =<=⨯⨯===<=⨯⨯⨯==τσ 靴梁与柱底板采用双面角焊缝:mmh mm t h mmt h f f f 125.7255.15.14.14122.12.1max min min max ===≥=⨯=≤取施焊时不采用引弧板,则焊缝计算长度为:l W =200-10=190mm22/200/1.911902127.02908007.0mm N f mm N l h V w f w f =<=⨯⨯⨯==τ 靴梁与柱翼缘板采用h f =12mm 的单面角焊缝,其焊缝计算长度为:l W =500-10=490mm22/200/71490127.02908007.0mm N f mm N l h V w f w f =<=⨯⨯==τ 柱底板加劲肋计算:柱底板加劲肋所承担的均布线荷载为:q=7.38x100=738N/mm 2 则:N ql V mm N ql M 922502507382121/1077.525073881812622=⨯⨯==⨯=⨯⨯== 取-250x10x500则:2222262/175/2850010922505.15.1/300/54.11500101077.555mm N f mm N th V mm N f mm N th M V =<=⨯⨯===<=⨯⨯⨯==τσ 底板加劲肋与底板连接时采用h f =8mm 的单面角焊缝,其计算长度为: l W =250-10=240mm22/200/6924087.0922507.0mm N f mm N l h V w f w f =<=⨯⨯==τ 底板加劲肋与靴梁连接时采用h f =6mm 的单面角焊缝,其计算长度为: l W =500-10=490mm22/200/4549067.0922507.0mm N f mm N l h V w f w f =<=⨯⨯==τ 锚栓计算:受压区计算长度:mm x 4706.838.938.9900=+⨯=底板形心到受压区合力线的距离为:mm a 29334702900=-= 锚栓轴线到受压区合力线的距离为:mm y 6433470100900=--= 则锚栓所受的最大拉力为: KN y Na M N t 5356432931053.1091032.37636=⨯⨯-⨯=-= 采用2M56-Q235钢锚栓,查得其单个锚栓所能承担的最大拉力为:[N t ]=284.2KN>N t =535/2=267.5KN锚栓支承加劲肋计算:每个锚栓支承加劲肋所承受的剪力为:V=535/4=134KN取-195x10x400 则:22/175/3.50400101340005.15.1mm N f mm N th V V =<=⨯⨯==τ 锚栓支承加劲肋与靴梁采用h f =6mm 的双面角焊缝连接,其计算长度为: l W =400-10=390mm 则:22222223222/200/6541)22.161(/41239067.0101347.0/61239067.05.9713400067.06mm N f mm N mm N l h V mm N l h Ve w f f f f w f f w f f =<=+=+⎪⎪⎭⎫ ⎝⎛=⨯⨯⨯⨯===⨯⨯⨯⨯⨯==τβστσ 锚栓支承加劲肋与顶板的连接采用h f =8mm 双面角焊缝,其计算长度为: l W =195-10=185mm 则:22/200/22.86218587.01340007.0mm N f mm N l h V w f w f =<=⨯⨯⨯==τ 锚栓支承垫板的计算:mm N Qa M ∙⨯=+⨯⨯==4105.224)562(22684141 采用-160x25x160则:22432/300/176106252.1105.224;1062525)58160(61mm N f mm N W M mm W n n =<==⨯⨯===⨯-⨯=γσ经计算,柱脚安全三、GZ2柱脚计算:查得节点处的最不利内力组为:M=340.63KN ·MN=594.54KN柱脚计算简图如附图四所示假定砼柱的强度等级为C20,则 fc=10N/mm 2按构造要求,底板尺寸取为:B ×L=360x1050则底板所受的最反力为:2272.658.32632max min/10/15.557.110503601063.34061050360105.5946mm N f mm N BL M BL N c =<=±=⨯⨯⨯±⨯⨯=+=-σ经计算,砼柱抗压强度满足!如图所示,经计算,底板各区格所受的反力为:2221/76.4,/74.5mm N mm N ==σσ底板所受的最大弯矩为:1.对三边简支板:b 1=100,a 1=300b 1/a 1=0.330查得β2=0.03552221max 23/4.2147030072.60355.0mm N a M =⨯⨯==σβ2.对四边支承板b 1=300,a 1=100b 1/a 1=3.0查得α=0.1189222114/682510074.51189.0mm N a M =⨯⨯==ασ3.对四边支承板b 1=650,a 1=150b 1/a 1=4.3查得β2=0.12502221223/1338815076.41250.0mm N a M =⨯⨯==σβ则:mm t mm f M t 25,213004.2147066max min ==⨯==取 靴梁计算:靴梁所承担的均布线荷载为:q=180×6.72=1210N/mm 2,则:Nql V mm N ql M 2420002001210/102.24200121021212622=⨯==⨯=⨯⨯== 取-500x12x1050,则:2222262/175/61500122420005.15.1/300/4050012102.2455mm N f mm N th V mm N f mm N th M V =<=⨯⨯===<=⨯⨯⨯==τσ 靴梁与柱底板采用双面角焊缝:mmh mm t h mmt h f f f 125.7255.15.14.14122.12.1max min min max ===≥=⨯=≤取施焊时不采用引弧板,则焊缝计算长度为:l W =200-10=190mm22/200/761902127.02420007.0mm N f mm N l h V w f w f =<=⨯⨯⨯==τ 靴梁与柱翼缘板采用h f =12mm 的单面角焊缝,其焊缝计算长度为:l W =500-10=490mm22/200/59490127.02420007.0mm N f mm N l h V w f w f =<=⨯⨯==τ 柱底板加劲肋计算:柱底板加劲肋所承担的均布线荷载为:q=5.74x100=574N/mm 2 则:N ql V mm N ql M 861003005742121/1046.630057481812622=⨯⨯==⨯=⨯⨯== 取-300x10x500则:2222262/175/83.2550010861005.15.1/300/92.12500101046.655mm N f mm N th V mm N f mm N th M V =<=⨯⨯===<=⨯⨯⨯==τσ 底板加劲肋与底板连接时采用h f =8mm 的单面角焊缝,其计算长度为: l W =300-10=290mm22/200/5329087.0861007.0mm N f mm N l h V w f w f =<=⨯⨯==τ 底板加劲肋与靴梁连接时采用h f =6mm 的单面角焊缝,其计算长度为: l W =500-10=490mm22/200/4249067.0861007.0mm N f mm N l h V w f w f =<=⨯⨯==τ 锚栓计算:受压区计算长度:mm x 68558.372.672.61050=+⨯=底板形心到受压区合力线的距离为:mm a 297368521050=-= 锚栓轴线到受压区合力线的距离为:mm y 72236851001050=--= 则锚栓所受的最大拉力为: KN y Na M N t 2277222971054.5941063.34036=⨯⨯-⨯=-= 采用2M42-Q235钢锚栓,查得其单个锚栓所能承担的最大拉力为:[N t ]=156.9KN>N t =227/2=114KN锚栓支承加劲肋计算:每个锚栓支承加劲肋所承受的剪力为:V=227/4=57KN取-190x10x400 则:22/175/2140010570005.15.1mm N f mm N th V V =<=⨯⨯==τ 锚栓支承加劲肋与靴梁采用h f =6mm 的双面角焊缝连接,其计算长度为: l W =400-10=390mm 则:22222223222/200/2717)22.125(/17239067.010577.0/25239067.0955700067.06mm N f mm N mm N l h V mm N l h Ve w f f f f w f f w f f =<=+=+⎪⎪⎭⎫ ⎝⎛=⨯⨯⨯⨯===⨯⨯⨯⨯⨯==τβστσ 锚栓支承加劲肋与顶板的连接采用h f =6mm 双面角焊缝,其计算长度为: l W =190-10=180mm 则:22/200/38218067.0570007.0mm N f mm N l h V w f w f =<=⨯⨯⨯==τ 锚栓支承垫板的计算:mm N Qa M ∙⨯=+⨯⨯==41023.81)552(21144141 采用-100x25x160则:22432/300/11658332.11023.81;583325)44100(61mm N f mm N W M mm W n n =<==⨯⨯===⨯-⨯=γσ经计算,柱脚安全三、GZ3,3a,4,4a 柱脚计算:查得节点处的最不利内力组为:M=539.34KN ·MN=800.2KN柱脚计算简图如附图五所示假定砼柱的强度等级为C20,则 fc=10N/mm 2 按构造要求,底板尺寸取为:B ×L=380x1050则底板所受的最反力为:2273.971.52632max min/10/72.701.210503801034.53961050380102.8006mm N f mm N BL M BL N c =<=±=⨯⨯⨯±⨯⨯=+=-σ经计算,砼柱抗压强度满足!如图所示,经计算,底板各区格所受的反力为: 2221/79.6,/26.8mm N mm N ==σσ底板所受的最大弯矩为:1.对三边简支板:b 1=100,a 1=320b 1/a 1=0.32查得β2=0.03062221max 23/3048832073.90306.0mm N a M =⨯⨯==σβ2.对四边支承板b 1=320,a 1=100b 1/a 1=3.2查得α=0.1201222114/992010026.81201.0mm N a M =⨯⨯==ασ3.对四边支承板b 1=650,a 1=160b 1/a 1=4.1查得β2=0.12502221223/2172816079.61250.0mm N a M =⨯⨯==σβ 则:mm t mm f M t 32,1.252903048866max min ==⨯==取 靴梁计算:靴梁所承担的均布线荷载为:q=190×9.73=1849N/mm 2,则:Nql V mm N ql M 3698002001849/1037200184921212622=⨯==⨯=⨯⨯== 取-500x12x1050,则:2222262/175/5.92500123698005.15.1/300/6250012103755mm N f mm N th V mm N f mm N th M V =<=⨯⨯===<=⨯⨯⨯==τσ 靴梁与柱底板采用双面角焊缝:mmh mm t h mmt h f f f 125.7255.15.14.14122.12.1max min min max ===≥=⨯=≤取施焊时不采用引弧板,则焊缝计算长度为:l W =200-10=190mm22/200/1161902127.03698007.0mm N f mm N l h V w f w f =<=⨯⨯⨯==τ 靴梁与柱翼缘板采用h f =12mm 的单面角焊缝,其焊缝计算长度为:l W =500-10=490mm22/200/90490127.03698007.0mm N f mm N l h V w f w f =<=⨯⨯==τ 柱底板加劲肋计算:柱底板加劲肋所承担的均布线荷载为:q=8.26x100=826N/mm 2 则:N ql V mm N ql M 1321603208262121/106.1032082681812622=⨯⨯==⨯=⨯⨯== 取-320x10x500则:2222262/175/40500101321605.15.1/300/2.2150010106.1055mm N f mm N th V mm N f mm N th M V =<=⨯⨯===<=⨯⨯⨯==τσ 底板加劲肋与底板连接时采用h f =8mm 的单面角焊缝,其计算长度为:l W =320-10=310mm22/200/7631087.01321607.0mm N f mm N l h V w f w f =<=⨯⨯==τ底板加劲肋与靴梁连接时采用h f =6mm 的单面角焊缝,其计算长度为: l W =500-10=490mm22/200/2.6449067.07.0mm N f mm N l h w f w f =<=⨯⨯==τ锚栓计算: 受压区计算长度:mm x 66271.573.973.91050=+⨯=底板形心到受压区合力线的距离为:mm a 304366221050=-= 锚栓轴线到受压区合力线的距离为:mm y 72936621001050=--= 则锚栓所受的最大拉力为:KN y Na M N t 406729304102.8001034.53936=⨯⨯-⨯=-= 采用2M52-Q235钢锚栓,查得其单个锚栓所能承担的最大拉力为:[N t ]=246.1KN>N t =406/2=203KN锚栓支承加劲肋计算:每个锚栓支承加劲肋所承受的剪力为:V=406/4=102KN取-188x10x400 则:22/175/38400101020005.15.1mm N f mm N th V V =<=⨯⨯==τ 锚栓支承加劲肋与靴梁采用h f =6mm 的双面角焊缝连接,其计算长度为: l W =400-10=390mm 则:22222223222/200/4831)22.145(/31239067.0101027.0/45239067.0941*******.06mm N f mm N mm N l h V mm N l h Ve w f f f f w f f w f f =<=+=+⎪⎪⎭⎫ ⎝⎛=⨯⨯⨯⨯===⨯⨯⨯⨯⨯==τβστσ锚栓支承加劲肋与顶板的连接采用h f =6mm 双面角焊缝,其计算长度为:l W =190-10=180mm 则:22/200/68217867.07.0mm N f mm N l h w f w f =<=⨯⨯⨯==τ锚栓支承垫板的计算:mm N Qa M ∙⨯=+⨯⨯==41033.157)557(22034141采用-100x32x160则:22432/295/16778512.11033.157;785132)54100(61mm N f mm N W M mm W n n =<==⨯⨯===⨯-⨯=γσ经计算,柱脚安全。
2-5钢结构计算2-5-1钢结构计算用表为保证承重结构的承载能力和防止在一定条件下出现脆性破坏,应根据结构的重要性、荷载特征、结构形式、应力状态、连接方法、钢材厚度和工作环境等因素综合考虑,选用合适的钢材牌号和材性。
承重结构的钢材宜采用0235钢、Q345钢、Q390钢和Q420钢,其质量应分别符合现行国家标准《碳素结构钢》GB/T700和《低合金高强度结构钢》GB/T1591的规定。
当采用其他片卑号的钢材时,尚应符合相应有尖标准的规定和要求。
对Q235钢宜选用镇静钢或半镇静钢。
承重结构的钢材应具有抗拉强度、伸长率、屈服强度和硫、磷含量的合格保证,对焊接结构尚应具有碳含量的合格保证。
焊接承重结构以及重要的非焊接承重结构的钢材还应具有冷弯试验的合格保证。
对于需要验算疲劳的焊接结构的钢材,应具有常温冲击韧性的合格保证。
当结构工作温度等于或低于0 C但高于・20 C时,Q235钢和Q345钢应具有0 C C冲击韧性的合格保证;对Q390钢和Q420钢应具有・20 C冲击韧性的合格保证。
当结构工作温度等于或低于・20 C时,对Q235钢和Q345钢应具有・20 C冲击韧性的合格保证;对Q390钢和Q420钢应具有・40 C冲击韧性的合格保证。
对于需要验算疲劳的非焊接结构的钢材亦应具有常温冲击韧性的合格保证,当结构工作温度等于或低于・20 C时,对Q235钢和Q345钢应具有0 C冲击韧性的合格保证;对Q390钢和Q420钢应具有・20 C冲击韧性的合格保证。
当焊接承重结构为防止钢材的层状撕裂而采用Z向钢时,其材质应符合现行国家标准《厚度方向性能钢板》GB/T 5313的规定。
钢材的强度设计值(材料强度的标准值除以抗力分项系数),应根据钢材厚度或直径按表2-77采用。
钢铸件的强度设计值应按表2-78采用。
连接的强度设计值应按表2・79至表Z81采用。
钢材的强度设计值(N/m命表2-77注:表中厚度系指计算点的钢材厚度,对轴心受力构件系指截面中较厚板件的厚度。
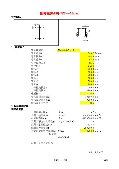
刚接柱脚(E轴GZ5)---Mmax
工程名称:
1
输入柱脚尺寸500x400x8.x16
输入弯矩M34.07Ton-m
输入轴力N20.46Ton
输入剪力V 6.46Ton
估计锚栓大小M36
锚栓材料Q235
输入d1105.00mm
输入d290.00mm
输入d390.00mm
输入d490.00mm
输入d590.00mm
输入d690.00mm
计算得底板宽D750.00mm
计算得底板长L860.00mm
底板材料Q345
输入混凝土基长L11010.00mm
输入混凝土基宽L2900.00mm
输入混凝土强度C25
2. 检验基础受压和锚栓受拉
计算得偏心距e=M/N 1.67m
混凝土基面积Ab=L1*L2909000.00mm^2
柱底板面积Ae=D*L645000.00mm^2
混凝土强度放大系数q1=SQRT(Ab/Ae) 1.19
混凝土承压强度Fcc12.50
混凝土弹性模量E28000.00
计算得受拉锚栓面积Aa=4*Ae3268.0mm^2
偏心量:
e>L/6+Lt/3
混凝土所受最大压力
6.81N/mm^2
Fc<q1*Fcc=14.84
OK!
计算受拉锚栓总拉力Tp=N*(e-L/2+Xn/3)/(L-d5-Xn/3)
387650.09N
柱间支撑处的竖向分力N1=50180N
锚栓强度f140.00N/mm^2
计算锚栓所受拉力s=(Tp+N1)/Aa133.97N/mm^2
OK!
3. RC柱头抗剪:水平抗剪承载力Vtb=0.4*(N+(Tp/9800))2
4.01OK!
4. 计算板厚t
底板强度s1295.00N/mm^2 A.对于两边支撑
计算a1=SQRT((d1+d2)^2+(d5+d6)^2)
265.38mm
计算b1=(d1+d2)*(d5+d6)/a1132.26mm
计算b1/a1=b1/a10.50
由b1/a1用插值法得q20.06
计算弯矩M1=q2*fc*a1^2
计算板厚t=SQRT(6*m1/s1)
B.对于三边支撑
计算a2=d3+d4180.00mm
计算b2=d5+d6180.00mm
计算b2/a2=b2/a2 1.00
由b2/a2用插值法得q30.11
计算弯矩M2=q3*fc*a2^2
计算板厚t=SQRT(6*m2/s1)
C.对于锚栓的拉力
计算一个锚栓所受拉力T=(Tp+N1)/4109457.52N
锚栓孔径d42.00mm
计算板厚t
D.结论:
5、加劲肋的计算:
由底板下混凝土的分布力得到的剪力
Vi1=aRi*lai*fc220.73KN
Vi2=Nta109.46KN
Vi=MAX(Vi1,Vi2)=220.73KN
取加劲肋的高度和厚度为:
hRi=250.00mm
tRi=14.00mm 加劲肋的剪力VtR=Vi/(hRi*tRi)63.07N/mm^2
<125.00
OK!
宽厚比bRi/tRi=10.71<14.86
OK!
取角焊缝的焊角尺寸:
hf=10.00mm
lw=225.00mm 角焊缝的抗剪强度:
Vi/0.7*(hf*lw)140.15N/mm^2
<200.00
OK!。