板式家具加工工艺及检验标准
- 格式:doc
- 大小:46.50 KB
- 文档页数:22
板式家具加工工艺流程
一、备料
1. 除尘:为了使板材表面光滑无尘,必须进行除尘处理。
通常使用吸尘器或压缩空气进行除尘。
2. 分选:根据所需板材的厚度、尺寸和等级,将原材料进行分选。
3. 切割:将原材料切割成适当的大小和形状,以便后续的加工流程。
4. 封边条粘贴:如有需要,在板材的边缘粘贴封边条,以提高美观度和保护性。
二、成型
1. 铣型:使用铣床对板材进行铣削,以形成所需的形状和图案。
2. 磨边:对板材的边缘进行磨削,使其平滑并符合设计要求。
3. 钻孔:在板材上钻孔,以满足后续装配的需求。
三、装配
1. 组装:将加工好的板材部件按照设计图纸进行组装。
2. 调整:检查装配好的家具是否符合设计要求,并进行必要的调整。
3. 固定:确保家具部件牢固连接,以提高稳定性和耐用性。
四、包装
1. 清洁:在包装前,彻底清洁家具表面,确保无尘、无污渍。
2. 包装:根据运输和存储需求,选择适当的包装材料对家具进行包装。
3. 标识:在包装上注明家具的名称、规格、数量等信息,以便于管理和识别。
五、储存与运输
1. 储存:将包装好的家具存放在干燥、通风的地方,避免阳光直射和潮湿环境。
2. 运输:根据客户需求,将家具运输到指定地点,确保运输过程中家具的完好无损。
板式家具加工流程及作业标准1.开料1.2板料无空心、气泡、松散、发霉、虫蛀以及破烂等现象;1.3板面平整度应≤0.2mm,三聚氢胺板开料后,表面应无刮花、碰伤等现象;1.4开料后部件切面应垂直,不允许有明显的崩缺(0.5mm内)、锯痕等现象;附表(电子锯)2.压板(冷压)设备:冷压机加工标准:◎压胶后的骨架两对角线长度之差≤2mm。
◎压胶后的部件表面胶合要牢固、平整和结实;无明显骨架形、破损、刮花、碰伤、压痕、凹凸不平以及变形(程度为小于+1mm)、开胶现象。
上下板材接口牢固、移位偏差为+3mm;◎部件边缘垂直,变形度为<1mm,板件无凹凸不平、潮湿膨胀、缺烂等现象;◎有弧度的板件,弧度应符合图纸要求,无开裂等现象。
◎※:拼架空心板的加工规定(见表1)。
表1:※:实心加厚板的加工规定(见表2)。
表2:板件类型冷压时间(分钟)冷压压力(Mpa)用胶量(g/m2)冷压胶水备注实心加厚板6012Mpa185401胶水(按体积加5%木胶粉)1:检查设备是否正常。
2:冷压前检查压机垫板是否平整。
3:过胶前板件表面必须清扫干净。
4:过胶后检查胶水是否有漏胶或不均匀现象。
5:过胶后必须在10分钟内上机冷压。
※:弧形板的加工规定◎冷压弧形板的胶水调制比列为:(1):按重量比为:木胶粉:水=2:1(2):按体积比为:木胶粉:水=3.5:1.0◎冷压弧形板混合胶水在常温的适用时间为:自然温度(℃)101520253035快干胶从调胶到上机时间(分钟)201515131010慢干胶从调胶到上机时间(分钟)6050453020以上数据为现用木胶粉(永特耐)的使用要求。
◎冷压弧形板材料相关规定:注意:1:15-25mm厚,半径R≤200mm的弧形板冷压面料必须每隔15mm拉深0.5mm,宽4mm的槽,以使冷压弯曲定形。
2:如弧度对装配要求较高的弧形板,在一次冷压的数量只能冷压1块。
弧板厚度(mm)在以下弧度半径(R)范围内一次冷压弧形板的块数R≤150200≥R>150400≥R>200500≥R>400700≥R>500900≥R>700R>9006mm以下骨料宽度mm2块3块3块4块4块5块6块无骨料无骨料无骨料无骨料无骨料无骨料无骨料9-12mm骨料宽度mm1块2块2块3块3块3块12 mm12mm12mm16mm16mm16mm16mm15-18mm骨料宽度mm 1块1块2块2块2块2块3块12 mm12 mm16mm16mm16mm16mm16mm25mm以上骨料宽度mm 1块1块1块2块2块2块2块12 mm12 mm12 mm16mm16mm16mm注意:1:15-25mm厚,半径R≤200mm的弧形板冷压面料必须每隔15mm拉深0.5mm,宽4mm的槽,以使冷压弯曲定形。
板式家具的生产工艺流程
《板式家具的生产工艺流程》
板式家具是现代家居装饰的主要组成部分,其生产工艺流程经过多道工序,需要精细的加工和精湛的工艺技术。
以下是板式家具的生产工艺流程:
1.设计规划:首先,根据客户需求和设计师的设计图纸,确定家具的尺寸、款式和材料。
设计师根据客户需求进行规划,并确定家具的生产工艺流程。
2.板材选料:在设计规划确定后,需要选择合适的板材进行生产。
常见的板材有刨花板、密度板、胶合板等,根据家具的规格和要求选择合适的板材。
3.切割加工:将选好的板材进行切割,根据设计图纸和规格要求,采用锯床或数控切割机进行精确的切割,保证家具的尺寸精准。
4.平整打磨:将切好的板材进行平整打磨,使表面光滑,去除毛刺和瑕疵,为接下来的组装和涂装做好准备。
5.组装加工:根据设计图纸,将打磨好的板材进行组装,采用榫卯连接或螺钉固定等方式,组装成家具的整体结构。
6.涂装工艺:对组装好的家具进行表面涂装处理,采用喷涂或刷涂的方式,使家具表面色泽均匀,增加家具的光泽和质感。
7.装饰加工:根据设计图纸和客户的需求,进行家具的装饰加工,如喷绘图案、贴面饰面、雕刻花纹等,提升家具的装饰效果。
8.包装出厂:完成家具的所有加工工序后,进行包装和出厂。
包装要求牢固耐用,包装严密,以免在运输中受损。
通过以上生产工艺流程,板式家具经过了精密的加工和细致的装饰,最终成为了一件精美的家居装饰产品。
在生产过程中,需要注意质量控制和工艺技术,确保家具的品质和耐用度。
板式家具通用工艺标准一、引言。
板式家具作为现代家居生活中不可或缺的一部分,其设计和制作工艺标准对于产品的质量和性能至关重要。
本文旨在探讨板式家具的通用工艺标准,为家具制造商和设计师提供参考,以确保产品的质量和可靠性。
二、材料选择。
1.板材,板式家具的主要原料为各种板材,包括刨花板、中密度纤维板(MDF)、颗粒板等。
在选择板材时,应考虑其密度、强度、表面平整度以及环保性能,确保符合国家标准和行业规范。
2.胶水,板式家具制作中需要使用各种胶水,如乙烯基胶、酚醛胶等。
胶水的选择应符合环保要求,且具有良好的粘接性能和耐久性。
三、结构设计。
1.连接结构,板式家具的连接结构应设计合理,确保稳固可靠。
常用的连接方式包括榫卯结构、螺钉连接、接口连接等,应根据具体产品的设计要求进行选择。
2.边封工艺,板式家具的边封工艺应考虑美观性和耐久性,常见的边封方式包括PVC封边、ABS封边、铝合金封边等,应根据产品的使用环境和要求进行选择。
四、加工工艺。
1.开料,在板式家具制作过程中,开料工艺是关键的一环。
开料要求尺寸精准、切割平整,确保各个零部件的加工精度。
2.封边,封边工艺是保证板式家具外观质量的重要环节,要求封边平整、牢固,无开裂、起泡等现象。
3.打孔,板式家具在组装过程中需要进行打孔加工,要求孔位准确、孔径一致,保证零部件的互换性和稳固性。
五、表面处理。
1.烤漆,板式家具的表面处理常采用喷涂烤漆工艺,要求漆膜平整、无色差、无气泡、耐磨耐腐蚀。
2.贴面,部分板式家具需要进行贴面处理,要求贴面平整、粘接牢固、无起泡、无开裂。
六、品质检测。
1.尺寸检测,对板式家具的各个零部件尺寸进行检测,确保符合设计要求。
2.外观检验,对板式家具的表面质量进行检验,包括封边质量、漆面质量等。
3.结构稳定性检测,对板式家具的连接结构进行稳定性检测,确保产品在使用过程中不会出现松动、变形等现象。
七、结语。
板式家具通用工艺标准的制定和执行,对于保障产品质量、提升行业形象具有重要意义。
板式家具的生产工艺板式家具是指以人造板材为基础材料,采用一系列工艺进行零件加工、拼接和组装而成的家具。
板式家具的生产工艺主要包括原材料准备、板材加工、板件拼接和家具组装几个阶段。
首先是原材料准备阶段。
板式家具的主要原材料是人造板材,常用的有刨花板、中纤板、胶合板等。
在生产过程中需要根据家具设计效果和要求选择合适的板材,并对板材进行检查和准备工作,确保其质量符合标准。
接下来是板材加工阶段。
首先,将原材料板材按照设计要求进行切割和加工成需要的尺寸和形状。
常用的加工设备有锯床、平刨机、钻孔机等。
在加工过程中需要注意对板材的切割精度和质量进行控制,确保板件的尺寸和形状精准。
然后是板件拼接阶段。
将板材加工成的板件按照设计要求进行拼接,常用的拼接方式有胶合拼接和榫卯拼接。
胶合拼接是将两个板件用胶水粘合在一起,然后通过加压和加热使其固化。
榫卯拼接是将两个板件雕刻出凸凹形状,然后相互嵌合。
在拼接过程中需要注意对拼接质量进行控制,确保拼接的牢固和结实。
最后是家具组装阶段。
将拼接好的板件按照设计图纸进行组装,常用的组装方式有钉接、螺丝和胶合等。
在组装过程中需要注意对家具的稳固性和结构强度进行检查,确保家具的使用寿命和安全性。
除了以上几个基本工艺,板式家具的生产过程中还可能包括其它一些工艺,比如边封工艺、木工涂装工艺、家具配件安装等。
边封工艺是将板件四周的边缘进行封边处理,常用的封边材料有PVC封边条、防撞封边条等。
木工涂装工艺是将家具进行染色、喷漆等并进行表面处理,使其更加美观和耐用。
家具配件安装则是将家具所需的配件如五金件、门铰链、把手等进行安装,以便家具的正常使用和功能实现。
总结起来,板式家具的生产工艺主要包括原材料准备、板材加工、板件拼接和家具组装几个阶段。
通过这些工艺将人造板材加工成所需尺寸和形状的板件,并通过拼接和组装形成最终的家具产品。
同时,还可能包括边封工艺、木工涂装工艺、家具配件安装等其它工艺,以提高家具的美观性、耐用性和功能性。
板式家具生产工艺1. 引言板式家具是现代家居装饰中常见的家具类型之一。
它具有结构简单、造型多样、价格较为经济等特点,在市场上有着广泛的应用。
本文将介绍板式家具的生产工艺流程,包括材料准备、切割加工、拼装固定、饰面处理等环节。
2. 材料准备板式家具的主要材料是人造板和装饰板材。
人造板一般有刨花板、中密度纤维板〔MDF〕和胶合板等,装饰板材那么包括木质饰面和塑料饰面等。
在生产过程中,需要根据设计需求,选择适宜的材料,并进行材料的切割和加工。
同时,还需准备一些辅助材料,如油漆、助剂、工装等。
3. 切割加工切割加工是板式家具生产工艺中的关键环节之一,它直接影响到家具的尺寸精度和质量。
一般情况下,切割加工采用数控切割机进行,根据设计图纸进行切割,并进行边修、倒角等处理,以确保板材的平整度和美观度。
4. 拼装固定在板式家具的生产过程中,拼装固定是关键的一步。
它通过组合和固定不同零部件,实现家具的整体结构。
拼装固定的方式有很多种,常见的有热熔胶固定、螺丝固定和榫卯结构等。
根据不同的家具设计和要求,选择适宜的固定方式,并保证固定牢固,结构稳定。
5. 饰面处理饰面处理是板式家具的最后一道工序,它直接影响到家具的外观和质感。
饰面处理主要包括涂装、贴面和雕刻等。
涂装是常见的饰面处理方式,使用喷涂或刷涂等方法,将家具外表涂上适当的颜色和漆膜,增加家具的美观度和耐用性。
贴面那么是使用各种装饰板材,如木质饰面或塑料饰面,将其粘贴在家具外表。
雕刻可以通过机器雕刻或手工雕刻等方式进行,以满足设计需求。
6. 包装和出厂生产完成的板式家具需要进行包装,以保证产品运输过程中的平安性和完整性。
通常采用纸箱包装,根据不同产品的形状和尺寸,进行合理的包装。
包装完成后,家具被运输至仓库或销售渠道,最终出厂销售。
7. 结论板式家具生产工艺的每个环节都非常重要,各个环节的精确操作和协调配合,决定了最终产品的质量和市场竞争力。
生产过程中需要合理规划,保证材料的选择和加工质量,同时保证生产效率和产品质量的平衡。
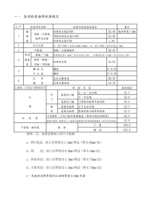
一、各项检查通用标准规定a、PVC胶边: 加工后厚度为1.3mm/两边(即0.65mm/边)b、纸边: 加工后厚度为0.8mm/两边(即0.4mm/边)c、科技木皮: 加工后厚度为1.5mm/两边(即0.75mm/边)d、天然木皮: 加工后厚度为1.5mm/两边(即0.75mm/边)e、木皮封边带厚度均以采购厚度0.6mm为准②、所有零部件图规格尺寸均不含封边带厚度尺寸。
二、产品外观等级规定A级规定1、表面平整, 表面缺陷点规定每0.5平方米不超过一处, 缺陷点直径≤0.5mm。
2、表面崩边处连续修补长度不超过封边长度的约3%。
3、表面不能有划痕、碰伤、爆裂。
4、封边胶合紧密平直, 不能有松脱、缺损现象。
5、站在0.5-0.8米远处, 不可见修补痕。
正常规定视力≥1.0。
表面颜色均匀, 无明显色差。
修补后, 单个的瑕疵规定直径小于0.5mm。
B级规定1、表面平整, 表面缺陷点规定每0.5平方米不超过三处, 缺陷点直径≤0.5mm。
2、表面崩边处连续修补长度不超过封边长度的约5%。
3、表面不能有划痕、碰伤、爆裂。
4、封边胶合紧密平直, 不能有松脱、缺损现象。
5、站在0.5-0.8米远处, 不可见修补痕。
正常规定视力≥1.0。
表面颜色均匀, 无明显色差。
修补后, 单个的瑕疵规定直径小于0.5mm。
C级规定1、表面平整, 表面缺陷点规定每0.5平方米不超过四处, 缺陷点直径≤0.5mm。
2、表面崩边处连续修补长度不超过封边长度的约10%。
3.表面允许有轻微划痕、但不允许有碰伤、爆裂现象。
4、封边胶合紧密平直, 不能有松脱、缺损现象。
D级规定表面平整, 不允许有碰伤、爆裂现象。
边沿平齐, 不能有崩裂现象。
三、产品检查区域(通常分为A.B.C三区)A区:通常指产品使用时常处在视野范围内前方, 面对视野, 容易看到的区域;1、如: 面板、门板、抽面板、高屏背板前面、低屏背板前面、各类脚类及层板、侧板、底板等部件的前面部位。
电子锯、台锯须经培训合格,熟练掌握设备操作、性能、安全防护措施和注意事项。
1、板料1) 板件中间严重分层开裂,涂胶面贴合面不密切,凹凸不平,粘压移位等板件不可投入本工序生产。
2) 饰面板面纸起皱、严重刮伤、纸与板面分层、纸纹方向不正确的板件不可投入本工序生产。
2、对来件每20 件抽检2-4 件,发现不良品,再次抽检,发现有10%以上不良品,退回上工序全检,问题严重时,应填写《产品质量事故报告单》向上汇报。
1 、所开板件须与图纸开料单和有关技术参数中规格、纹路颜色一致。
2、产品板件锯(切)面须平直、平整、光滑并与板面成直角90°,加工面无黑边、无爆边、无分层、无开裂、无脱纸、无气泡、无明显崩口现象.3、板件切(锯)面锯齿痕允许在0.1mm 内、锯面斜度≤1º。
1、各种规格、位置必须符合图纸和有关技术参数误差≤0.5mm 要求。
2 、要求拉槽无崩裂、烂纸、顺畅、平整光滑。
3、深度误差比图纸尺寸深0.5mm,宽度允许比图纸尺寸宽0.2mm,不能超过0.3mm。
1 、所有加工板件不能直接接触地面,要求叠放在地台板。
2 、堆叠板面(特殊注意双面板)叠面不能有任何易刮(划)伤表面的硬残存物,要使用纸条隔开,严禁贴纸面与面直接堆叠,以免板面与板面互刮。
3 、产品(板件)要求不能堆(停)放在易受潮的地方。
品检责任人:质检首件确认与巡检、作业员全数自检。
编制/日期:王红平/2022-4- 10 审核/日期:核准/日期:开料工序每批的第 1 件(块)板件每生产 10-30 件每生产 50-100 件每 20 件中间每 50 件之间1 件2—6 件6—8 件2—4 件6—8 件质检员操作者质检员操作者质检员检验工具:图纸(料单)、卷尺、角尺检验方法:工具测量、目视开料质量标准来料或者加工未达工艺图纸要求检验数量内,不良率超 10%检验中发现有一个或者一个以上的不良品时由操作者按图纸要求自检无误后方可批量生产。
板式家具加工工艺板式家具加工工艺是一种现代家具生产的加工方式。
在这种工艺中,家具的基本骨架以及框架都是由板材拼接而成。
在整个家具制造的生产流程中,板式家具加工工艺占据着相当重要的位置。
下面将对板式家具加工工艺做一些详细的介绍。
一、板式家具加工工艺的概述板式家具是指那些家具产品的制造过程中需要使用大量板材进行加工的家具。
通常来说,板式家具的结构比较简单,不太需要雕刻和构形。
因此,在加工工艺和生产成本上,板式家具的制造方式比传统的手工制作家具更具有优势,可以更快速、更精准地完成一些薄板家具的制作。
二、板式家具加工中的板材选择板材的选择对于板式家具加工工艺非常重要。
板材种类上有B级毛边板、三聚氰胺木质板、贴面板等。
不同材料的板材之间在加工时的基础条件上都各有特殊的注意点。
1.毛边板:毛边板的原材料来自于裁剪后没有经过优选处理的板材。
优点是价格相对贴面板等材质要低一些,而且在加工方面上有较强的可塑性。
缺点是打磨和漆面上需要花费相对较多的时间。
2.三聚氰胺木质板:三聚氰胺木质板的优势在于使用这种板材可以让板式家具制品的使用寿命更加长久。
缺点是价格较高且不能用油漆直接进行喷漆,在颜色选择上也相对较为有限。
3.贴面板:贴面板选用的板材大多是中纤板及刨花板,外侧贴了一层饰面。
具有表面平整,柔软,含水量高,收缩少,易于加工的优点。
贴面板可以通过贴面机进行喷胶和贴膜。
三、板式家具加工的饰面处理在板式家具的加工和制造中,饰面处理工艺更是非常重要的一环。
一般来说,制作板式家具的饰面需要在中纤板、刨花板等基础材料上覆盖上一层饰面材料。
这个过程通常需要用辊压机、涂胶机、剪板机、端铣机、齿轮式卡板机等设备来完成。
四、板式家具加工的统一规范对于板式家具加工制作来说,统一的规范和标准也是非常重要的。
这些标准可以帮助家具制造厂商确定加工用具和工艺。
其中,工艺流程的规范、加工设备的选择和维护、以及成品质量的标准等要素都需要符合统一标准。
板式家具工序质量标准及检验规范板式家具工序质量标准及检验规范随着现代科技的发展,板式家具作为一种新型的家具产品,在市场上得到了广泛的应用和推广,成为了人们生活中必不可少的一部分。
作为消费者,我们购买板式家具时常关注的是产品的质量和性能。
然而,作为制造板式家具的厂家和工人,了解和掌握板式家具工序质量标准及检验规范则显得更为重要。
1.板式家具生产工序及检验要点1.1 前期准备工作前期准备工作是板式家具生产的重要环节,决定了产品后期性能和质量。
生产前,首先需要对板材进行挑选和检验。
板材应该符合国家标准,并不存在裂痕、划痕或者缺陷等情况。
板材的厚度、长度和宽度也需要统一,以保证制作的板式家具版面整齐美观。
此外,在生产前还需要准备好叉车、分条机、打磨机、钻机等生产设备,并对设备进行维修保养,确保设备的正常运行。
1.2 板材切割工序板材切割是板式家具生产的第一道工序,质量和精度是非常重要的,因此需要在细节上处理好各个环节。
首先需要在计算机中进行设计和确定板材的尺寸、互相搭配的位置,然后根据设计方案使用数控切割机器人对板材进行切割。
在切割过程中,需要注意安全,确保作业人员不会意外受伤。
同时,还需要在切割后进行审查,检查板材有无毛刺、切割平整度等问题,防止影响后续的生产。
1.3 端部粘合工序端部粘合工序是将多块板材粘在一起制作成大尺寸的板式家具的过程。
首先,需要将板材表面清洁干净,保证其平整无油脂或其他物质。
然后,使用多头压接机进行粘接,注意要加强压力,确保板材之间的粘接牢固,避免板材间有空隙。
在端部粘合工序中还需要注重细节,在橱柜和书柜等家具中尤其重要,如门框的内角处和侧板相接口处需用抗裂胶进行黏接,增加接头的牢固性。
同时在粘接后最好进行烘干,约为30分钟,此操作可减少水分含量杜绝板材湿气过多,导致板材变形。
1.4 表面处理工序表面处理工序是板式家具制作中最能展现产品质量和工艺的一个工序。
简单的表面处理会导致板式家具整体外观低档次,而精细的表面处理会让产品看起来高大上,有品质感。
板式家具加工工艺及检验标准一、基材板式家具的基本材料是刨花板和中密度纤维板,这两种板是可以用工业化生产方式进行大规模生产的工程材料。
从材料来源、幅面尺寸和加工性能方面来说,它们不象实木和其它材料,对家具的设计和制造约束很少,因此家具设计师和制造商可以不受材料的限制,而完全根据用户不同品味的需要,设计和制作功能实用、风格各异的家具.刨花板:将木材加工剩余物或小径材、枝桠材加工成一定形状尺寸刨花,施加一定量胶粘剂,经铺装成型热压而成。
按结构分为普通板和定向板两类,而普通型刨花板又可分为单层、三层、渐变三种结构。
家具用板以渐变和三层结构为主。
通常用平压法制造。
刨花板主要优点是可按需加工成不同厚度大幅面的板材;可直接使用;不需干燥;易加工。
利于机械化生产;运输保存方便;价格便宜。
其缺点是边部毛糙,易吸湿变形,吸水厚度膨胀率较大;握螺钉力较低,紧固件不宜多次拆卸;容积重通常高于木材,刨花板家具较重,横向构件易产生下垂变形等。
我国刨花板产品质量差异较大,一般来讲引进国外先进设备,生产管理较好的企业产品质量较好,各项指标均能达到国家标准,但中、小企业刨花板产品质量均较差,表现在刨花形态差、施胶量高、刨花板吸水厚度膨胀率超过10%、厚度尺寸偏差大于土1.2mm、扭曲度大于10mm、刨花板饰面性能(砂不光、不能贴面)、封边性能均较差。
刨花板产品质量低劣,在我国刨花板生产中普遍存在的问题。
而它恰恰正是发展板式家具的一个最大障碍。
用于家具的刨花板应适合于家具的生产特点。
西方发达国家虽然对刨花板按其用途不同而规定若干种具有不同性质的刨花板,而实际上还根据用户定货或用途的不同要求,提供特制的满足某些性能指标要求的刨花板。
我国各地发展刨花板的主要目标之一是为了做家具,而且力求经过表面装饰加工后使用.作为刨花板用户的家具业当然无法直接干预刨花板制造厂家的生产,但是我们应对这种材料在制作家具中应具备的质量要求有一透彻的了解,从而从用户角度对刨花板的性能提出要求。
板式家具加工工艺流程资料及作业标准.板式家具加工工艺流程资料及作业标准机制部分:1.开料设备:精密度裁板机、推台锯、排锯;加工标准:1.1长度、对角线公差为小于,宽度公差为小于+1mm+0.5mm板料无空心、气泡、松散、发霉、虫蛀以及破烂等现象;1.2板面平整度应≤0.2mm,三聚氢胺板开料后,表面应无刮花、碰伤等现象;1.3内)、锯痕等现象;开料后部件切面应垂直,不允许有明显的崩缺(0.5mm1.4附表(电子锯)8、钻孔设备:六排钻、三排钻、单排钻、台钻工具:卷尺、游标卡尺检验方法:工具测量、目视+0.5mm,孔深公差0.5mm;,孔位公差为小于加工标准:◎孔径、孔位、孔深符合图纸的质量要求:孔径公差为+0.5mm内)、刮(碰)伤;10mm◎部件表面无划花(程度在.◎孔位无钻穿、钻爆、孔边无崩缺;◎必须分清部件的前后与正反,以及木纹纹理方向,不得搞错方向。
◎经加工的零部件表面无木屑、压痕、刮花、划伤和碰崩现象。
◎坐标定位尺寸和孔深与要求的最大偏差≤0.5mm。
◎钻孔的孔边无崩缺、发黑及毛刺等。
注意事项:◎加工过程中,必须对面板、侧板、抽面板及散装件进行选面和分清正反面,同时注意部件的左右数量是否配套,并分类摆放整齐;木皮件板件间要用垫条间隔。
个部件应检查一次,避免因挡位松动或钻头跳出而影响孔位精度。
20-30◎每加工◎每加工一种部件,必须进行首检(由班长进行确认)。
、封边9 分为:机封、手工封设备:直封机、曲封机0.5mm加工标准:◎封边带的型号、颜色符合要求,相邻封边带无色差、实木封边带比板材高出◎部件表面无明显划花,刮(碰)伤、压痕和胶痕等缺陷,且要保持干净,不许有多余的封边条屑和余胶。
◎封边后边部要严密、平整、胶合牢固、无脱胶、溢胶、漏封、叠封和跑边现象。
◎接口部位要求平整、密合,不能在显眼位置;◎修边要求整齐、平顺、不得有撕裂等现象。
注意事项:,由两人送料,两人接料;1000mm,由一人送料,一人接料;部件大于1000mm◎部件长度小于以下;68mm,直封机为50mm以下,曲封机为◎封边带厚度尺寸范围为6-68◎每加工一种部件,必须进行首检(由班长进行确认);砂纸磨去毛刺,封边时要注意用力均匀;◎异型部件封边前,先用180#◎接料员在堆放部件前,应先用鸡毛掸子将灰尘扫去。
板式家具加工工艺及检验标准一、基材板式家具的基本材料是刨花板和中密度纤维板,这两种板是可以用工业化生产方式进行大规模生产的工程材料。
从材料来源、幅面尺寸和加工性能方面来说,它们不象实木和其它材料,对家具的设计和制造约束很少,因此家具设计师和制造商可以不受材料的限制,而完全根据用户不同品味的需要,设计和制作功能实用、风格各异的家具.刨花板:将木材加工剩余物或小径材、枝桠材加工成一定形状尺寸刨花,施加一定量胶粘剂,经铺装成型热压而成。
按结构分为普通板和定向板两类,而普通型刨花板又可分为单层、三层、渐变三种结构。
家具用板以渐变和三层结构为主。
通常用平压法制造。
刨花板主要优点是可按需加工成不同厚度大幅面的板材;可直接使用;不需干燥;易加工。
利于机械化生产;运输保存方便;价格便宜。
其缺点是边部毛糙,易吸湿变形,吸水厚度膨胀率较大;握螺钉力较低,紧固件不宜多次拆卸;容积重通常高于木材,刨花板家具较重,横向构件易产生下垂变形等。
我国刨花板产品质量差异较大,一般来讲引进国外先进设备,生产管理较好的企业产品质量较好,各项指标均能达到国家标准,但中、小企业刨花板产品质量均较差,表现在刨花形态差、施胶量高、刨花板吸水厚度膨胀率超过10%、厚度尺寸偏差大于土1.2mm、扭曲度大于10mm、刨花板饰面性能(砂不光、不能贴面)、封边性能均较差。
刨花板产品质量低劣,在我国刨花板生产中普遍存在的问题。
而它恰恰正是发展板式家具的一个最大障碍。
用于家具的刨花板应适合于家具的生产特点。
西方发达国家虽然对刨花板按其用途不同而规定若干种具有不同性质的刨花板,而实际上还根据用户定货或用途的不同要求,提供特制的满足某些性能指标要求的刨花板。
我国各地发展刨花板的主要目标之一是为了做家具,而且力求经过表面装饰加工后使用.作为刨花板用户的家具业当然无法直接干预刨花板制造厂家的生产,但是我们应对这种材料在制作家具中应具备的质量要求有一透彻的了解,从而从用户角度对刨花板的性能提出要求。
任何家具都是由若干个零部件按一定要求装配组成.虽然家具品种、款式尺寸多种多样,零部件的形状尺寸、质量要求和数量也各不相同。
但同类家具的构成均有其自身的规律、有章可循。
例如板式结构框类家具不论是大衣橱、书橱,还是客厅低柜、床头柜,均是由旁板(含中旁板)和顶(或面)板、底板组成柜胴体.然后在柜胴体上安装背板,起围蔽作用并增加柜体的刚性.再装抽屉、门板和活动的搁板等。
有的柜子还有脚架、以它支承整个柜体,有的橱柜要加上装饰用的帽线、装饰木线等。
目前柜体的接合基本采用拆装结构,用连接件与圆榫进行接合。
橱柜上的各零部件所起作用不同,因此所采用的材料.构造也应有所区别,应分别加以考虑和选用。
例如家具上的横向构件——搁板上放置物品起承重作用、要求有足够的抗弯强度,同时,其每米长的下垂变形(蠕变)不能大于3mm.否则人的眼睛能明显感觉到变形,而影响美观。
所谓蠕变是指板材在长期载荷作用下产生的永久变形,刨花板中纤板的蠕变比等厚的实木板要大一倍,而且与环境湿度密切相关,湿度大,蠕变亦大。
因此要提高板材的弯曲弹性模量达2 500N/mm左右,并在此基础上正确使用、合理设计,如贴单板、封边、取适当厚度和跨距等。
又如柜门常处在视觉中心,门面装饰要求高,尺寸形状要正确.门与柜体间隙(或留边)要均一.不翘曲不下垂,而门是活动的、经常启闭,因此门板的握螺钉力要大、才能装暗铰链。
门板两面要取对称结构。
不能太重。
所以可用细木工板或空心覆面板。
当然只要条件掌握适当用中纤板等也符合要求,中纤板还可进行镂铣装饰。
旁板与项底板间通常用圆棒定位,连接件接合,为保证接合强度,首先要求板材的内结合强度要足够,最好在0.55MPa左右,并按板厚作适当调整。
板材的含水率宜低于8%。
板材的密度,目前中纤板宜大于0.759/cm,而且板材的密度差应控制在上10%,如密度差过大会引起板件的变形,影响接合强度。
同时注意配合公差,选用优质连接件。
用于家具的刨花板质量要求主要有以下几个重要方面:厚度偏差、表面质量、力学强度(平面抗拉强度、抗弯强度、弹性模量、内结合强度)、尺寸稳定性、长期载荷下的变形、边缘强度、机加工性能,对健康无害性等。
2、家具制造对人造板的要求2?1厚度偏差和密度偏差通常,人造板用于家具制造需经过表面加工,常用的表面加工方式有涂饰、贴面及机械加工等,主要是前两种。
为保证表面加工的质量,对作为基材的人造板就提出了各种要求,其中最基本的要求是基材厚度偏差要小、密度要均匀。
基材厚度偏差越小,就越能保证贴面加工的质量。
各种表面加工对人造板基材厚度偏差的要求见表。
G d0N v N g;l第1页/共9页除板间厚度偏差外,还要求板内厚度偏差不大于土02mm。
d Y7?"_+~ V+u G测定厚度偏差的常用方法是在刨花板上选择若干具有代表性的部位,测定其板的厚度(精确至0.lmm),计算板的厚度平均值及其标准差,以评定厚度偏差,其计算公式如下:由于基材贴面要加压受力,为保证贴面的质量和效果,要求基材密度均匀,一般要求密度偏差小于土10%。
2.2甲醛释放量我国人造板生产所用的胶粘剂主要是脲醛树脂胶,由于残留在板材中的游离甲醛释放会直接危及人体健康,因此在人造板产品标准中对甲醛释放量都作了明确的规定,尤其是发达国家对此要求更严。
2.3其他方面的要求评定人造板品质的项目有很多种,除上述厚度偏差、密度偏差、甲醛释放量外,还有表面质量、胶合性能(如胶合强度、平面抗拉强度)、静曲强度、弹性模量、吸水厚度膨胀率、握螺钉力等项目,这些品质项目的质量指标在人造板标准中都作了规定,对家具设计和制造是必不可少的参数。
但从家具现代化生产发展眼光看,这些品质项目还不齐全、需要加以补充完善,主要有以下一些项目:2.3.1表面质量l n3t m Bt X刨花板的表面质量对板式家具而言,乃是一项非常关键的重要特性。
刨花板的表面质量系指表面粗糙度、表面剥离强度、表面孔隙度及吸收能力、表面PH值、硬度、色泽等。
作为细表面结构刨花板,应尽量避免粗刨花落在其中。
在我国的一些刨花板厂中,粗刨花落在表面或露在表面的现象比较多见。
在国外,在刨花板细表面上只允许很稀疏的大刨花落在表面,严格的甚至不允许出现有一根象火柴杆那样粗的刨花。
因为这种粗刨花与细刨花在板子受湿时膨胀量大不相同,使表面的刨花产生不规则的膨胀,特别在用水溶性涂料直接印刷,饰贴薄型材料或使用水溶性胶粘剂作为饰面胶粘剂等情况下,其影响尤甚,其结果是表面凹凸不平。
刨花板的表面粗糙度可用触针检测仪来测定,检测仪在刨花板表面上移动,记录下表面轮廓上各点的高度,据此可计算波峰与波谷的距离。
刨花板的表面剥离强度、表面孔隙度和吸收能力都受板的表面密度大小的影响,从实践经验中,人们提出,其表面密度在800~900kg/m3范围之内最佳,虽然还有其它影响因素(如表层刨花尺寸、表层刨花含水率、施胶量、热压周期等),但如供给板式家具用刨花板能做到这一点,将为家具的饰面提供优良的基材条件。
板面的PH值对某些表面装饰的二次加工方法有着影响,例如在贴浸渍纸的素板表面PH值不应低于6,否则三聚氰胺树脂将会在使用中发脆而龟裂;在水溶性涂料印刷的素板表面的PH值不应低于5,否则素板表面的脲醛树脂在变湿并干燥的过程中发生水解,结果导致表面层易于剥落的缺陷。
2.3.2力学强度一般认为,在板式家具上使用的刨花板,其平面抗拉强度和抗弯强度的要求不需要很高。
对平面抗拉强度的要求为:当刨花板用于有木材镶边以及有单板或塑料贴面板贴面的情况下,有0.3N/mm2就够了;如直接印刷或PVC薄膜贴面应有0.4N /mm2的强度,对作结构用途(如旁板)的刨花板,一般应有较高的抗拉强度,在0.4~0.9gN//mm2 对静曲(抗弯)强度的要求为16N/mm2,但需注意的是,对于家具用的刨花板的抗弯力学性能并非在于破裂时的静曲载荷,也即用静曲强度所表示的力学性能指标,而是需要弹性极限的指标。
刨花板的内结合强度如较低,当销钉或螺钉拧入其边部时,将引起边部开裂;表面覆贴塑料贴面板时,当它们置于干燥的环境中,会因于缩而产生应力,导致刨花板芯层分层。
2.3.3握钉力刨花板的握钉力,是指钉子垂直于板面及平行板面的拔钉力,握钉力与刨花板性能之间的关系,最主要的是刨花的密度及平面抗拉强度。
其握钉力随着板子密度的增加呈线性增加或略呈曲线增加,当板的密度从550 kg/m3增至750 kg/ m3时约增加220%。
至于平行于板面的握钉力无疑与板的平面抗拉强度具有密切的关系.坛在板式家具中,金属连接件直接与刨花板连接,为保证平行于板面的握钉力,应确保应力分布在尽可能最大的表面面积范围内。
^ F&K t"[._ a%@:F6h2.3.4尺寸稳定性木材于缩湿胀的特征同样会反映在人造板中,容易引起板材尺寸变化及制品变形,这对家具制造是非常不利的,应对人造板的线膨胀率加以规定,以利于家具设计和加工。
2.3.5表面吸收性能C这项性能涉及到涂饰效果和吸漆量,与家具制造密切相关,需规定相关的性能参数。
2.3.6含砂量在刨花板与中密度纤维板制造过程中因大量使用废弃的剩余物、难免会带进砂土留在板内,这给家具加工中使用的刀具锯片带来不利,影响其使用寿命。
因此,规定含砂量的 M _!N u2J N f.s2L二、浸渍纸贴面三聚氨胶树脂浸渍纸贴面人造板(简称三聚氨胺贴面板)以其具有生产用料少、耗能低、工序少、成本低等优点,以及外观美丽、表面有一定的耐磨、耐热、耐污染、易于清洁等性能,正在快速向公用及民用家具、车辆制造、建筑、造船、室内装修等用材行业拓展,并已占有相当的市场份额。
据统计,欧洲1980年三聚氨胺浸渍纸贴面板市场占有率(指占所有贴面人造板的比率)为8%,1995年上升为18%,预计下一个10年内的增长潜力依然很对大,因而三聚氰胺浸渍纸贴面板受到越来越多的重视。
1、生产过程质量控制中国1.1纸张质量及浸渍工艺保证浸渍胶膜纸质量,必须采用高质量的装饰原纸。
无论何种纸都应在进厂时经检验合格后使用,不合格的坚决不能流入生产线。
在浸渍过程中,严格按照工艺要求进行操作,每半小时取样检验一次,保证上胶量在130%~150%、挥发分含量6%~7%、预固化度<65%的技术要求;浸渍和干燥后的胶膜纸需立刻用塑料薄膜包装,并用胶条粘封;贮存在温厦20~ 25 C、湿度55%~65%、安装有空调的库房内,贮存的时间不超过3个月;使用时采取随用随开的原则,一双使用不完的纸应立刻封好并送入库房贮存,以防吸潮而造成胶膜纸粘接在一起而无法使用。
1?2基材质量A o t贴面人造板的基材常用中密度纤维板和刨花板。
对于刨花板,则根据客户的不同要求外购,但刨花板产品必须满足GB/T 4897-92一等品的要求。