综采队岗位危险源辨识表(精简1)
- 格式:doc
- 大小:136.00 KB
- 文档页数:11
采煤专业本质安全管理体系3.1 综采队风险管理综采队风险管理小组:组长:杜芳周成员:翟保龙赵彦惠综采队风险概述综采队负责采煤、运输、支护、泵站等工作。
综采队共有39项工作任务,217道工序。
通过对各类风险进行排序,39项工作任务有重大风险任务4项、中等风险任务17项、一般风险任务18项,其中有危险源324个,人员方面249个、机器设备方面33个,环境方面28个,详见综采队工作任务清单、工作任务风险等级统计表、危险源分类统计表。
综采队工作任务清单重大风险任务Ⅳ级(18~25)中等风险任务Ⅲ级(9~16)一般风险任务Ⅱ级(3~8)序号任务名称风险值序号任务名称风险值序号任务名称风险值1 电气焊作业24 1 生产前的准备工作15 1 拉移变82 割煤21 2 放顶与初次来压15 2 取油样83 采煤机检修21 3 起吊作业14 3 拉回柱绞车84 控制台操作20 4 看护拖移电缆13 4 气动扳手的使用85 两巷超前支护12 5 更换采煤机滚筒及摇臂86 三机检修12 6 处置架前大块煤87 支架检修12 7 更换转载机驱动部88 探底煤10 8 更换运输机驱动部及电机89 挂钩的拆、安10 9 更换采煤机牵引部710 开机前的准备工作10 10 更换转载机板链711 处理支架压死10 11 拉空转载机,换转载机机尾链轮712 皮带件的拆除10 12 更换运输机机头链轮713 设备列车管理9 13 临时轨道的拆、安714 处理溜槽内的大块煤9 14 改变设备布置,两顺槽采用超前支护715 搬家倒面前挂网9 15 更换运输机刮板链 616 更换破碎机9 16 清煤 617 处理电缆漏电9 17 监护刮板机运行 618 更换电缆夹子 6综采队工作任务风险等级统计表特别重大风险任务V级风险任务(30~36)重大风险任务IV级风险任务(18~25)中级风险任务III级风险任务(9~16)一般风险任务II级风险任务(3~8)0 4 17 18 0.00% 10.30% 43.60% 46.10%综采队危险源分类统计表风险等级危险源类别Ⅴ级风险(30~36)Ⅳ级风险(18~25)Ⅲ级风险(9~16)Ⅱ级风险(3~8)Ⅰ级风险(1~2)人数量0 18 123 98 10 占总数(%)0 5.56% 37.96% 30.25% 3.09% 机数量0 0 31 16 0 占总数(%)0 0 9.57% 4.94% 0 环数量0 0 15 13 0 占总数(%)0 0 4.63% 4.01% 0 管数量0 0 0 0 0 占总数(%)0 0 0 0 0合计数量0 18 169 127 10 占总数(%)0 5.56% 52.16% 39.20% 3.09%陕西集华柴家沟煤矿综采队风险管理表任务工序具体描述危险源/危害因素风险类型风险及其后果描述事故类型风险评估管理对象●管理标准主要责任人直接管理人员主要监管部门主要监管人员管理措施可能性损失风险值风险等级1.生产前的准备工作1.有害气体检查与记录填写1.瓦检员未检查有害气体浓度或检查不到位,出现错检、漏检、假检等现象。
9过风门时,同时打开两道风门其他事故过风门时,同时打开两道风门,造成风流短路过风门时,不得同时打开两道风门序号岗位存在的危险源可能造成的事故类型事故预想防范措施1采煤机司机采煤机司机未能检查顶板及煤壁的支护情况顶板事故支架间顶板漏渣、煤壁片帮,造成人身安全事故确认架间无浮煤悬矸,煤壁防护到位2割煤过程中滚筒甩出大块煤顶板事故滚筒甩出的大块煤下滑容易伤人割煤时,提前采煤机滚筒1-2架收回护帮板。
并减小采煤机的割煤速度3割煤后没有及时打出护帮板顶板事故空顶时间过长,容易造成冒顶事故或煤壁片帮伤人事故采煤机割煤后及时推出伸缩梁并打出护帮板4未询问交班司机上班的设备运行情况、工作面出现的异常情况机电事故设备带病运行,造成设备损坏。
或工作面异常,煤壁片帮伤人等接班司机必须仔细询问上一班采煤司机关于设备的运行情况,以及工作面异常情况,及时处理或告知班长5未检查采煤机齿轨连接、电缆及水管路的完好情况,或检查不到位机电事故有可能造成采煤机掉道,拉坏电缆,影响生产开机前,首先检查查采煤机齿轨连接、电缆及水管路的完好情况,确认无误后开机6未检查支架护帮板、前探梁状况,刮板输送机平直程度及跑道情况机电事故发生片帮,造成人身安全事故及采煤机掉道,损坏采煤机齿轨轮或导向滑靴开机前,检查支架护帮板、前探梁状况,刮板输送机平直程度及跑道情况,确认无误后开机7开机前检查煤机时,进入煤帮不进行敲帮问顶,输送机和支架不闭锁,工作面顶板破碎或支护不完好顶板事故可能由于片帮砸伤操作人员进入煤帮作业必须先将输送机停电闭锁和液压支架设置闭锁,再检查顶板支护情况,确认无安全隐患的情况下,方可进入煤帮作业8开机前不发出开机信号其他事故可能由于采煤机突然启动伤害采煤机附近的作业人员开机前,煤机司机必须发出开机信号,上下滚筒5米范围内严禁有人。
综采队各岗位危险源辨识XXX岗位危险源预知汇编一、采煤机司机一、工序流程开机前检查设备的完好→准备开机→发出开机信号→开机割煤→停机→拉出离合手柄→停电闭锁二、危险源及辨识1、开机前未对采煤机各部位检查,进入煤帮不设置挡矸网,输送机和支架不闭锁;工作面顶板破碎或支护不完好;2、开机前不发出开机信号;3、采煤机运行时下部支架前方有闲杂人员逗留;4、采煤机运行时,采煤机司机将脚踩在电缆槽上;5、滚筒缠绕异物不及时停机处理;6、过断层时,遇到硬岩石时采煤机煤机强行割岩石;7、对采煤机出现的故障不及时汇报或汇报不正确;8、采煤机割下大块石头,不进行处理及采取措施;9、采煤机停机时,不停电闭锁,未拉出离合器手把;10、交代班时设备运转情况没有相互交流。
三、预防措施1、进入煤帮作业必须先将采煤机、输送机停电闭锁和液压支架设置闭锁,再检查顶板支护情况,在作业上方设置挡矸网,确认无安全隐患的情况下,方可进入煤帮作业;2、开机前,采煤机司机必须发出开机信号,滚筒左右5米范围内严禁有人;3、采煤机割煤时,架前严禁有人;4、采煤机运行时,采煤机司机必须在架间进行操作;5、采煤机滚筒缠绕异物时,必须将采煤机和输送机停电闭锁,滚筒离合器打开,将异物取出;6、工作面过断层时,必须在破岩处采取打眼放炮松动处理或降低采煤机切割速率;7、采煤机运转过程中,采煤机司机随时注意采煤机运转情况,发现题目及时停机搜检并汇报分明;8、采煤机割煤时,采煤机司机发现大块矸石向下滚落时,必须使用扩音电话告知工作面下部作业人员;9、采煤机停机时,必须停电闭锁,并拉出离合器手把;10、交接班时,各个设备的操作人员必须将本班设备运行情况向接班人员交代清楚。
四、作业标准1、工作面顶板完好,支护完好,严格执行敲帮问顶制度;2、搜检时将采煤机和输送机停电闭锁,采煤机各部件、管路、按钮完好;3、采煤机启动时周围无人作业;4、开机必须先给水后割煤,停机时必须先停牵引后停电动机,发出信号;5、采煤机运行至大坡度段割煤时采煤机司机或其他人员不得站在采煤机下部,采煤机司机站在上滚筒离合器处操作;6、采煤机运转时,采煤机司机不得将脚踩在电缆槽上方;7、采煤机运行时必须周围严禁有人;8、采煤机割煤时顶底板必须割平,并严格控制采高;9、采煤机司机作业时佩戴防尘口罩和防护面罩;10、采煤机举行检验、更换截齿时应将采煤机和刮板输送机停电闭锁,并将离合器拉出;11、过断层时运转速率不得超过3m/min,严禁强行割岩石;12、采煤机停机时,将上下滚筒放至底板,进行停电闭锁,拉出离合器;13、交接班时,设备运行情况交接清楚。
综采队岗位危险源识别和岗位危险源管控措施一、工种:采煤机机组司机岗位危险源识别:1.精神不佳,情绪低落,巡检不到位。
2.机组大线移动下滑,容易挤人;3.割煤过程中滚筒甩出的大块,容易滑落伤人;4.割煤中机组与支架间距小,容易挤伤人;5.两个支架之间间隙过大,掉落煤块伤人;6.架前片帮、掉顶大块滑落伤人;7.机组检修更换部件,容易误送电伤人;8.机组割支架;9.机组变频器烧毁;10.上下端头滚筒伤人;11.机组停机后误动作伤人;12.过断层有害气体、水害伤人;岗位危险源管控措施:1.采煤机机组司机保证良好的精神状态上岗,当班干部班前会确认,否则不得上岗;2.安排看线人员,安装点铃, 发现隐患及时通知大线附近人员. 发现挤人立即组织人员拖动大线,后移支架。
3。
机组上安装护板,割煤中闲杂人不逗留机组附近,线槽安装防滑链,司机注意力集中. 出现大块砸人,立即组织人员搬离大块。
4.拉架工,机组司机不站在机组与支架间,机组司机割煤时避开。
出现挤人后退支架,救出受伤人员。
5.拉架工及时调整支架间隙,及时打出侧护板,机组司机和其他人员不在间隙大地段停留。
6.及时拉架护顶,掉顶严重及时背顶,人员不得进入机道作业. 7。
停电闭锁机组开关、闭锁刮板输送机,专人看管,防误送电。
出现触电事故,立即按触电救护方法救治。
8.及时伸出伸缩梁,护帮板,保证采高,起底必须先挑顶。
9.机组割煤速度控制在3-5m/min,不得超速。
10.专人把口,防人突然闯入。
出现受伤人员,立即停机,抢救受伤人员。
11. 停机必须停电闭锁,打开离合器。
出现机组伤人,立即停机处理。
12.及时检查瓦斯,及时探放水。
出现受伤情况立即组织人员抬受伤人员返井上二、工种支架工岗位危险源识别:1、管路爆管或弹跳伤人;2、拉架时阀组管路伤人;3、顶板掉落煤块伤人;4、拉架操作伤人;5、单体调架弹跳伤人;6、支架倒架;7、拉过渡支架伤人;8、机组滑靴损坏;岗位危险源管控措施:1.U型销不得单销使用,不得带压换管. 出现单体弹人,立即停压或组织人员抢救受伤人员,返井上救治。
综采工作危险源辨识1、下井人员必须戴安全帽,随身携带自救器和矿灯,严禁携带烟草等煤矿安全规程紧止的物品入井,严禁穿化纤衣服,下井前严禁喝酒。
3、严格执行乘车制度及大巷行人规定,严禁蹬爬运行的矿车。
4、所有人行道,安全间隙确保在0.8m以上,安全出口高度不低于1.8m,两巷物料及配件码放整齐,配件上架,物料堆放不得超过顺槽断面积的1/3。
配齐标志牌,做到整洁、无杂物、无积水。
5、严禁人员进入运转的运输机、转载机里侧和上方作业;必须进入作业时,要停机闭锁,维护好顶板与煤帮,并挂号“有人作业严禁开机”的标志牌和观察顶帮安全无隐患后方可进行。
6、进入工作面内的所有人员应在支架人行道内行走,工作需要在架前或无支护的巷道通过必须进行敲帮问顶,确保安全。
7、设备维修实行包机制,明确责任,包机到人,留名挂牌,检修情况,检修时间要有记录。
8、加强工作面通风管理,确保工作面的风量、风速满足安全规程要求。
因巷道冒顶或其他原因达不到上述要求的,应立即进行整改,整改完毕后再恢复生产。
各工种岗位危险源辨识跟班队长岗位危险源辨识1、对当班生产现场的安全生产全面负责,是当班安全生产的第一责任者。
2、负责组织参加班前会,强调有关安全注意事项。
3、开工前,负责与班长、安监员、质量员一起对工作面安全情况进行安全检查,发现隐患,组织安排人员处理,确认无误后方可开工。
4、负责对生产过程中各作业点的安全、设施情况、规程措施执行情况、作业人员操作情况进行监督检查,发现安全隐患,立即组织进行处理,制止生产中的不安全行为。
5、发现重大安全隐患,立即停止生产,并向有关部门汇报,亲自盯在现场进行处理,发现重大险情或瓦斯超限等情况时,服从安监员、瓦检员的命令,立即将人撤到安全地点。
6、负责抓好当班“一通三防”工作和质量标准化工作,督促作业人员严格按标准施工作业,狠反“三违”,确保安全生产。
7、发生人身事故,负责组织人员进行现场事故抢救,并及时向调度室汇报。
综掘一队掘进工作面危险源辨识一、掘进打眼工岗位危险源:1、活矸、危岩、煤体松动砸伤2、永久支护失效砸伤3、操作钻杆、钻机不当砸伤或夹伤4、留有瞎爆、残爆崩伤5、风水管路连接不牢砸伤6、瓦斯突出及透水伤人预防措施: 1、严格执行敲帮问顶2、接班验收、处理3、扎紧袖口、严禁戴手套打眼和扶钻4、按规定处理严禁镐刨、管吹、拉脚线5、定时、定期检查,确保管路完好6、撤人、制定专项措施处理二、锚杆支护工岗位危险源:1、活矸、危岩、煤体松动砸伤2、临时支护未背实、打牢砸伤3、永久支护失效砸伤4、操作钻杆、钻机不当砸伤或夹伤5、风水管路连接不牢砸伤6、顶板淋头水、裂隙砸伤预防措施:1、严格执行敲帮问顶2、设专人检查、验收处理3、接班验收、处理4、扎紧袖口、严禁戴手套扶钻5、定时、定期检查,确保管路完好6、制定专项措施处理三、架棚工岗位危险源:1、活矸、危岩、煤体松动砸伤2、临时支护未背实、打牢砸伤3、棚子间拉杆、撑木不牢,防倒器不到位砸伤或夹伤4、倾巷架棚无迎山角挤伤5、棚子出现脱口、歪斜、前翻后迎砸伤预防措施: 1、严格执行敲帮问顶2、设专人检查、验收处理3、设专人定期检查、验收处理4、回棚重新支设5、采取措施处理四、综掘机司机(综掘机检修工)岗位危险源:1、油管破裂、U型卡松动崩伤2、带电设备触电伤人3、割煤时煤、岩飞溅崩伤4、补装或更换截齿挤伤5、顶板活矸、危岩砸伤预防措施: 1、加强检查保持完好2、严格按规程操作,不擅自接触设备3、佩带防护用品4、停电、闭锁综掘机5、接班检查处理五、井下电钳工岗位危险源:1、电气火花击伤2、带电的设备、电缆触电伤人3、电气火灾烧伤4、搬运、吊装设备碰伤5、外露的转动和传动部位绞伤预防措施: 1、切断电源,检查瓦斯,严格按章作业,保持设备清洁2、保持绝缘用具和使用工具齐全、完好,严格按规程操作3、保持消防器具齐全、完好,发生火灾要停在进风侧4、捆绑牢靠,轻装轻放,严禁在可能发生设备倾倒的地方走动5、加装护罩或遮拦等防护设施,停机检修必须闭锁开关六、无极绳绞车司机岗位危险源:1、操作按钮及其电气设备触电2、绞车钢丝绳锈蚀、断丝、磨损超限绞伤3、绞车护栏未安装或损坏碰伤4、绞车、张紧器地锚松动、移位碰伤预防措施: 1、加强检查,完善保护2、经常检查,及时更换不合格的钢丝绳3、安装绞车护栏并及时维修4、通知检修工处理七、无极绳绞车跟车工岗位危险源:1、运行的矿车、牵引车脱轨、翻车、跑车碰伤2、钢丝绳锈蚀、断丝、磨损超限绞伤3、限位保护装置不起作用碰伤4、发错或提早发送开车信号碰伤5、绞车、张紧器、压绳轮、尾轮等地锚螺丝松动碰伤预防措施: 1、开车前检查轨道、矿车、牵引车,完好的情况下开车2、加强检查,及时更换不合格的钢丝绳3、开车前检查,发现问题,通知检修工处理4、熟练掌握并正确发送开车信号5、开车前检查,发现问题,通知检修工处理八、爆破工岗位危险源:1、留有残爆、瞎爆、拒爆崩伤2、装药作业范围内存在杂散电流炸伤3、发爆器大线故障、大线、雷管、脚线和导电体相接触炸伤4、封泥长度不足、装配引药不当崩伤5、火工品运送途中矿车皮带溜子锚索碰、划伤6、末撤到警戒距离外有掩护的地点崩伤预防措施: 1、及时按规定处理2、检查作业范围内的环境3、检查大线脚线的完好性4、严格执行放炮装药规定5、运送途中应注意行走路线的安全性6、严格按规定设置放炮警戒九、皮带司机岗位危险源:1、外露的转动和传动部位绞伤2、皮带损伤或接头开裂严重断带伤人3、皮带上的“四超”物料碰伤或挤伤4、带电的设备触电伤人5、电气火灾烧伤预防措施: 1、加装护罩或遮拦等防护设施,停止运行必须闭锁开关2、立即停机,排除故障。
采煤机司机危险源辨识牌板1、各部位螺栓的无松动现象。
2、各部位无漏油、渗油现象。
3、各种信号、压力表和油位指示状态良好。
4、各操作手把和按钮灵活可靠。
5、截齿无磨损或丢失现象,齿座无严重磨损。
6、冷却、喷雾供水系统的压力、流量符合规定,喷雾效果良好。
7、采煤机机体清洁。
8、各部运转声音正常,无异常现象。
9、开机前检查工作地点瓦斯是否超限。
10、开机前检查工作地点支架是否支护到位,煤壁是否有片帮现象。
11、开机前检查电缆是否有破损现象、发生漏电。
12、开机前检查机组前后是否有人干其他工作。
乳化液泵站司机危险源辨识牌板1、各部油位和注油点正常。
2、冷却系统以及静压水的供水压力和流量正常,无漏水等故障。
3、各部螺栓紧固情况良好。
4、泵头、柱塞以及曲轴箱无故障。
5、各液管接头部分卡销是否合格,是否有漏液、崩管现象。
6、压力表显示正常,压力是否稳定。
7、电机以及与泵头连接装置正常,无异常现象。
8、开机前检查服装是否整齐。
9、开机前检查泵箱内乳化液容量和浓度是否符合规定。
10、开机前是否和工作面人员取得联系。
液压支架工危险源辨识牌板1、系统无漏液、窜液现象,立柱和前梁无自降现象。
2、所有千斤顶和立柱用的连接销无松脱或缺失。
3、立柱和千斤顶,无弯曲变形和伤痕现象。
4、所有胶管,无堵塞、卡扭、压埋和损坏。
5、推移千斤连接部分完好。
6、支架操作动作正常。
7、移架前检查支架、溜子是否保持直线。
8、移架前检查工作面支架是否存在倒架、咬架。
9、移架前检查各个安全阀是否完好,初撑力是否符合要求。
10、移架期间检查支架中心距、端面距、仰俯角、歪斜度、高低错差等是否符合规程规定。
11、拉架时检查支架是否滞后采煤机超过规程规定。
12、拉架时是否检查支架内和溜子上的管线不被拉断和挤坏。
13、拉架时是否密切注意顶板和煤壁的变化情况。
电钳工危险源辨识牌板1、工作人员无证上岗。
2、主要操作按钮失灵。
3、电气设备无各种保护,是否存在失爆现象。
综采一队岗位危险源辨识(管理对象:采煤机司机)危险源管理标准采煤机司机未检查底板起伏和梁端距大小或检查不到位采煤机司机接班前必须检查工作面底板起伏和梁端距大小情况,当底板不平整、局部支架的梁端距超过340mm时,割煤过程中必须及时调整。
保证顶底板平整。
未检查电缆拖拽装置、水管或检查不到位采煤机司机必须认真检查拖曳电缆、采煤机冷却水管,发现电缆有破裂、水管有损坏现象,及时整改。
未检查各手把、按钮、旋转开关、遥控器及急停开关或检查不到位开机前采煤机司机必须认真检查采煤机各手把、按钮、旋转开关、遥控器、急停开关,发现问题立即进行处理,确认灵活、可靠后方可使用。
采煤机的冷却系统故障各喷水嘴工作正常,喷雾泵的工作压力不低于4MPa,采煤机内喷雾压力不小于2MPa,外喷雾压力不小于1.5MPa。
未检查采煤机各部油位或检查不到位采煤机司机开机前必须检查液压油位,摇臂、牵引减速箱的齿轮油位;发现液压油位、齿轮油位低于油位观察窗时,必须立即加油。
未检查采煤机各滚筒截齿采煤机司机开机前必须检查采煤机滚筒截齿,当截齿丢失或损坏超过10%时,必须停机更换后,方可开机。
采煤机机身有块煤采煤机检修或运行前机身无块煤。
开机前,未检查附近瓦斯情况采煤机司机开机前,必须使用便携式瓦斯检查仪对附近瓦斯进行检查,只有瓦斯浓度不超过1%时,方可开机。
开机前未警告采煤机附近人员采煤机司机启动采煤机一定要通知周围人员,并发出开车信号,在距离采煤机前后滚筒5米以内范围工作时、必须切断采煤机电源。
带负荷启动采煤机启动截割电机滚筒前,确认左右滚筒无阻力后,方可启动。
开机时,未按照要求进行采煤机司机开机前,必须先开水,后开机。
采煤机司机未发现安全出口附近有人员采煤机司机将采煤机牵引到两端头前,必须通知两超前维护工作人员撤离,待人员撤离到安全地点后,方可割透。
遥控器失灵遥控器电量充足、按钮正常灵敏可靠,电源指示灯显示可靠。
采煤机割煤过程中,未按规程要求进行,工作面顶底板未割平出现台阶1.采煤机司机割煤时,严格按照作业规程规定,不得随意留顶煤,割平顶、底板,不允许出现波浪起伏;2.采煤机司机割煤时随时注意观察工作面伞檐,当伞檐长度超过1米,突出部分大于200mm时或伞檐长度小于1米,最突出部分大于300mm时,必须及时整改。
采煤机司机岗位风险表
●岗位任务概述
采煤机司机主要任务为操作采煤机割煤;
●岗位风险概述
采煤机司机共有1项工作任务,共辨识出8个危险源,其中,对自己造成伤害的危险源有5个,对他人及设备造成伤害的危险源有3个。
●互保对子
采煤机司机⇌液压支架工
●操作流程
开机前安全确认→开机试运转→运转→停机→交接班检查
●岗位风险表
液压支架工岗位风险表
●岗位任务概述
液压支架工主要任务为操作液压支架;
●岗位风险概述
采煤机司机按工作任务分析法共有1项工作任务,共辨识出8各危险源,其中:对自己造成伤害的危险源有2个,对他人(及设备、作业环境)造成伤害的危险源有6个。
●互保对子
液压支架工⇌采煤机司机
●操作流程
安全确认→收护帮板(煤机割煤前)→伸前梁及护帮(煤机割煤后)→推前部输送机→移架
三机工岗位风险表
●岗位任务概述
三机工主要任务为操作工作面破碎机、刮板输送机、转载机;
●岗位风险概述
三机工按工作任务分析法共有1项工作任务,共辨识出7各危险源,其中:对自己造成伤害的危险源有3个,对他人(及设备、作业环境)造成伤害的危险源有4个。
●互保对子
三机工⇌乳化液泵站司机
●操作流程
入井→接班检查→开机试运转→正常运转→停机→交班
●岗位风险表
超前支护工岗位风险表
综采队超前超前支护工主要任务为对综采工作面两巷超前进行支护、维护;
●岗位风险概述
综采队超前支护工按工作任务分析法共有2项工作任务,共辨识出10各危险源,其中:对自己造成伤害的危险源有6个,对他人(及设备、作业环境)造成伤害的危险源有4个。
●互保对子
综采队超前支护工⇌端头支护工
●操作流程
安全检查→打超前支护→清理整顿现场
综采队端头支护工岗位风险表
综采队端头支护工主要任务为对综采工作面端头和超前进行支护、维护;
●岗位风险概述
综采队端头支护工按工作任务分析法共有2项工作任务,共辨识出10各危险源,其中:对自己造成伤害的危险源有6个,对他人(及设备、作业环境)造成伤害的危险源有4个。
●互保对子
综采队端头支护工⇌超前支护工
●操作流程
安全检查→打端头支护→清理整顿现场
乳化液泵站司机岗位风险表
●岗位任务概述
乳化液泵站司机主要任务为操作、监护乳化液泵运行,为工作面液压系统供压。
●岗位风险概述
乳化液泵站司机按工作任务分析法共有2项工作任务,共辨识出6各危险源,其中:对自己造成伤害的危险源有2个,对他人(及设备、作业环境)造成伤害的危险源有4个。
●互保对子
乳化液泵站司机⇌三机工
●操作流程
安全确认→开机试运行→正常运转→停机→交班
●岗位风险表
清煤工岗位风险表
●岗位任务概述
清煤工主要任务清理工作面及运输顺槽浮煤。
●岗位风险概述
伤害的危险源有2个,对他人(及设备、作业环境)造成伤害的危险源有2个。
●互保对子
清煤工⇌综采带班队长
●操作流程
作业现场安全确认→清理浮煤→交班
●岗位风险表
综采队队长岗位风险表
●岗位任务概述
综采队队长主要任务为区队管理及区队安全生产管理;
●岗位风险概述
伤害的危险源有3个,对他人(及设备、作业环境)造成伤害的危险源有4个。
●岗位风险表
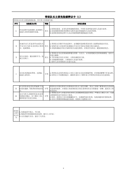
综采队带班队长岗位风险表
●岗位任务概述
综采队带班队长主要任务为搞好安全生产,做好现场跟值班工作;
●岗位风险概述
综采队带班队长按工作任务分析法共有1项工作任务,共辨识出8各危险源,其中:对自己
造成伤害的危险源有3个,对他人(及设备、作业环境)造成伤害的危险源有5个。
●互保对子
综采队带班队长⇌清煤工
●岗位风险表
班组长岗位风险表
●岗位任务概述
班组长主要任务为协助带班队长搞好安全生产,做好现场跟值班工作;
●岗位风险概述
班组长按工作任务分析法共有1项工作任务,共辨识出8各危险源,其中:对自己造成伤害的危险源有3个,对他人(及设备、作业环境)造成伤害的危险源有5个。
●互保对子
班组长⇌综采电钳工
●岗位风险表
综采电钳工岗位风险表
●岗位任务概述
综采电钳工主要任务为安装与维修综采工作面电气设备
●岗位风险概述
综采电钳工按工作任务分析法共有1项工作任务,对自己造成伤害的危险源有3个,对他人(及设备、作业环境)造成伤害的危险源有5个。
●互保对子
综采电钳工⇌带班队长
●操作流程
交接班→安全确认→各类保护巡查→排除故障→交班●岗位风险表。