石拱桥工程施工方案、方法
- 格式:doc
- 大小:79.50 KB
- 文档页数:18
石拱桥加固施工方案石拱桥加固施工方案一、施工技术方案1. 针对石拱桥的结构特点和病害情况,确定采用加固方式为外部喷涂混凝土加固。
2. 施工组织安排:成立项目组,包括工程部、材料部、施工队伍等。
负责工程的设计、采购、施工和相关人员的培训。
3. 施工准备:购买所需的材料和设备,做好施工计划和进度安排,并制定相应的安全管理措施。
4. 施工过程:根据设计要求,先进行石拱桥表面清洗和修复工作,然后进行喷涂混凝土加固。
5. 施工方法:采用湿喷法进行混凝土喷涂。
先将拌和好的混凝土液浆装入喷涂机中,然后用高压空气将其喷撒到石拱桥表面,形成一层均匀的保护层。
6. 施工要点:喷涂时要注意保持均匀的厚度和质量,避免出现空鼓、裂缝等问题。
喷涂过程中要采取适当的保护措施,确保人员安全。
7. 施工质量检查:对施工过程进行现场检查和抽检,及时发现和处理质量问题,确保施工质量。
二、施工材料和设备1. 混凝土喷涂材料:采用高性能水泥、添加剂等材料拌和而成,具有良好的粘结性和抗渗性。
2. 喷涂机:选择具有稳定运行、喷涂均匀的高压空压机,并配备相应的操作和保护装置。
3. 搅拌设备:使用搅拌机对混凝土材料进行充分搅拌,确保材料的均匀性和稳定性。
4. 清洗设备:采用高压水枪对石拱桥表面进行清洗,去除附着物和松动的材料。
5. 安全设备:如安全帽、安全绳等,保证施工人员的安全。
三、施工进度安排1. 前期准备:确定施工方案、购买材料和设备,进行人员培训等。
2. 施工周期:根据石拱桥的面积和病害情况,合理安排施工周期,一般不超过30天。
3. 施工步骤:(1) 第一天:进行石拱桥表面清洗和修复工作。
(2) 第二天至第十天:进行混凝土喷涂加固工作。
(3) 第十一天至第十四天:进行工程验收和整理工作。
四、安全管理措施1. 制定安全管理制度和工作流程,明确各岗位责任和安全操作规程。
2. 施工现场设立防护网和警示标志,确保施工区域的安全。
3. 安排专人负责施工现场的安全监督和巡视,及时发现和处理安全隐患。
石拱桥工程施工方案概述石拱桥作为一种古老而典雅的建筑形式,将传统工艺与现代技术相结合,为城市增添了独特的风貌。
本文将介绍一种石拱桥工程施工方案,旨在保证施工效率和质量的同时最大程度地减少成本。
施工准备1.场地清理:在施工前,需对施工场地进行清理,确保没有杂物和障碍物。
2.材料准备:准备好所需的石材、水泥和钢筋等施工材料,确保质量符合标准。
3.人员调配:合理安排工地人员,确保各项工作有序进行。
施工步骤1.基础施工:首先进行桥墩基础的浇筑和固化,确保结构稳定。
2.石拱施工:采用逐层搭建的方式,将石块按照设计要求进行砌筑,注意保持结构平衡。
3.拱顶封顶:完成石拱施工后,进行拱顶封顶,确保整体稳定。
4.加固工程:在石拱桥主体完成后,进行加固工程,提高桥梁的承重能力。
5.防水处理:对石拱桥进行防水处理,延长使用寿命。
6.装饰修缮:最后进行石拱桥的装饰和修缮工作,使其更加美观。
安全管理1.施工过程安全:严格遵守施工规范,确保各项作业符合安全标准。
2.现场设施设置:设置必要的安全警示标识和警戒线,确保施工区域安全有序。
3.定期检查:定期对施工进展和安全状况进行检查,及时处理存在的安全隐患。
质量控制1.材料检验:对所有施工材料实施严格的质量检验控制。
2.工程验收:在施工完成后,进行全面的工程质量验收,确保符合设计要求。
竣工验收1.专业验收:由相关部门进行专业验收,确保石拱桥工程符合交付标准。
2.工程档案:建立完整工程档案,记录工程过程和技术资料,为后续维护管理提供依据。
结语石拱桥工程是一项复杂而精细的工程,需要严格遵守专业施工方案,保证施工质量和安全。
只有在科学规划和认真执行的基础上,才能打造出精美的石拱桥,为城市增添独特的景观。
一、项目概述本文档旨在说明石拱桥的施工方案,包括施工准备、施工步骤、安全措施等内容,以保证施工工作的顺利进行和施工质量的达到。
二、施工准备1.确定桥梁设计和施工方案。
2.聘请经验丰富的工程师和技术团队。
3.资源准备:桥梁材料、施工工具和设备等。
4.组建施工团队,明确各成员的职责和工作安排。
三、施工步骤3.1 桥墩基础施工1.确定桥墩的位置,进行地质勘察。
2.根据勘察结果,进行桩基施工。
3.确定桥墩基础的混凝土浇筑方案。
4.桥墩基础的浇筑:按照设计要求进行混凝土浇筑,并进行振捣和抹平。
3.2 拱顶施工1.设置模板:根据设计要求搭建拱顶的木模板。
2.钢筋加工和安装:根据设计图纸进行钢筋的加工和安装。
3.混凝土浇筑:采用就地浇筑方法,将混凝土连续浇筑至拱顶模板上,并使用振捣器进行振捣,确保混凝土的密实性。
4.拱顶表面处理:浇筑完成后,用刷子清除表面的浮泡,使拱顶表面光滑。
3.3 拱脚施工1.设置模板:根据设计要求搭建拱脚的木模板。
2.钢筋加工和安装:按照设计图纸进行钢筋的加工和安装。
3.混凝土浇筑:采用就地浇筑方法,将混凝土连续浇筑至拱脚模板上,并使用振捣器进行振捣,确保混凝土的密实性。
4.拱脚表面处理:浇筑完成后,用刷子清除表面的浮泡,使拱脚表面光滑。
3.4 桥面铺设1.确定桥面的材料和尺寸。
2.在桥梁两侧设置临时支撑,确保施工安全。
3.将预制的桥面板倒置放置在桥墩和拱脚之间,确保平整和对齐。
4.通过螺栓将桥面板连接固定,确保稳固性和安全性。
四、安全措施1.施工现场周边设立警示标志,防止非工作人员进入。
2.工人应佩戴安全帽、安全鞋等个人防护装备。
3.搭建施工架设、模板等设施时,应保证其稳定性,防止坍塌事故。
4.施工过程中严禁吸烟,禁止酒后上岗。
5.施工人员要定期进行体检,确保身体健康状态。
五、质量控制1.按照设计要求,进行质量检验和验收。
2.对混凝土材料进行试验,确保其强度和质量满足标准。
3.对桥墩、拱顶、拱脚等关键部位的尺寸和形状进行严格检查。
石拱桥工程施工方案方法石拱桥是一种具有古老历史和优美造型的桥梁形式,其施工过程需要一定的技术和方法。
下面是一种常见的石拱桥工程施工方案方法。
1.施工前准备阶段:-建立施工组织体系,明确工程的责任分工和施工进度。
-根据设计图纸和规范要求,制定施工方案和施工工艺。
-确定施工场地,并进行场地整理和清理。
-购买、配备和检查施工所需的机械设备、材料和工具。
2.模板制作和安装:-根据设计要求,制作合适尺寸的桥墩和拱脚的模板。
-在建设现场将模板进行组装和调整,确保模板的形状、尺寸和位置符合设计要求。
-使用扶手机或起重机将模板安装在桥墩和拱脚上,并进行固定。
3.石材准备和加工:-根据设计要求选择适合的石材,并进行采购和运输。
-将石材进行修整和加工,使其能够适应桥拱的形状和尺寸。
-根据设计要求,将石材进行编号,以便于正确拼接和安装。
4.拱脚施工:-根据模板的位置和尺寸,将石材按照编号组装起来。
-使用起重机将拱脚石块吊起,并依次安装在模板上。
-使用水平仪和测量工具来确保拱脚的水平和垂直度。
-将拱脚的石块由小到大依次安装,并使用胶结材料进行固定和连接。
5.拱洞施工:-按照设计要求,将石材逐一安装在拱脚之间,形成拱洞的形状。
-使用测量工具和激光仪来确保拱洞的形状和尺寸的准确性。
-在拱洞的上部和两侧设置支架,以防止拱洞坍塌。
-使用胶结材料填充和固定拱洞的石块。
6.路面铺设和修整:-根据设计要求,在拱洞和拱脚之间铺设适当的路面材料,如石板或沥青。
-使用振动器和铺面机将路面材料进行压实和平整。
-移除支架和模板,并进行最后的修整和清理工作。
-检查桥梁的结构和路面的平整度,确保施工质量符合要求。
以上是一种常见的石拱桥工程施工方案方法,根据具体情况和设计要求,可能还会有一些额外的工作和步骤。
在整个施工过程中,需要严格按照设计和规范的要求进行操作,确保施工质量和安全,保护好环境和历史文化遗产。
汉白玉石拱桥施工方案设计1. 引言汉白玉石是一种珍贵的大理石,具有高度的美观和耐久性,因此在建筑和雕塑中广泛使用。
本文将介绍汉白玉石拱桥的施工方案设计,包括设计要求、施工步骤、材料使用和安全措施等内容。
2. 设计要求汉白玉石拱桥的设计要求如下:1.桥面宽度:10米2.桥长:30米3.拱高:5米4.拱宽:8米5.石块尺寸:每块石头长度在1米至2米之间,宽度在0.5米至1米之间6.桥面坡度:3%以保证排水顺畅7.施工期限:完成时间不超过60天3. 施工步骤汉白玉石拱桥的施工步骤如下:3.1 桥墩基础施工1.按设计要求进行场地平整,并进行桥墩基础的测量与定位。
2.挖掘桥墩基础的基坑,确保基坑的深度和宽度符合设计要求。
3.在桥墩基础基坑中浇筑混凝土,待混凝土凝固。
3.2 桥拱石施工1.根据设计要求,将汉白玉石块切割成适当的尺寸,以满足桥拱的形状。
2.将汉白玉石块按照拱的形状逐层进行安装,并使用专用的黏合剂将石块固定在一起。
3.在拱的两侧安装支撑框架,以确保汉白玉石块在施工过程中稳定。
3.3 桥面铺装施工1.在拱桥两侧进行桥面的测量与定位。
2.准备好汉白玉石的板材,并在桥面上将其按设计要求进行铺装。
3.使用专用的粘合剂将汉白玉石板固定在桥面上,并进行整齐排列。
4.在汉白玉石板的缝隙中填充填缝材料,以确保桥面的平整和防水性能。
3.4 安全措施1.在施工现场设置明显的警示标志,提醒人们避开施工区域。
2.施工过程中穿戴好安全防护装备,避免发生人身伤害事故。
3.严格按照施工规范进行操作,确保施工过程中的安全性。
4. 材料使用汉白玉石拱桥的施工所使用的材料如下:1.汉白玉石块:用于构建桥拱部分,具有美观和耐久性。
2.混凝土:用于桥墩基础的施工,提供稳定的支撑。
3.黏合剂:用于固定汉白玉石块之间的连接,确保拱形稳定。
4.汉白玉石板:用于铺装桥面,提供平坦的行车面。
5. 安全措施在汉白玉石拱桥的施工过程中,应注意以下安全措施:1.工人应穿戴符合标准的安全防护装备,包括安全帽、手套、安全鞋等。
石拱桥工程施工方案方法摘要石拱桥是古代中国建筑的一种重要形式,具有悠久的历史和独特的工艺。
本文将介绍石拱桥工程的施工方案和方法,包括施工前的调研和准备工作、施工过程的基本步骤以及施工后的验收与维护等内容。
一、施工前的调研和准备工作在进行石拱桥工程施工前,需要进行详细的调研和准备工作,以确保施工顺利进行并达到预期效果。
具体包括以下几个方面:1.调查地质情况:了解施工区域的地质情况,包括土质、地层、地下水位等,以评估施工的难度和风险。
2.测量设计:根据设计图纸进行现场勘测和测量,确定桥梁的具体位置、尺寸和高程。
3.确定施工方案:根据调研结果和设计要求,制定详细的施工方案,包括人员配置、施工工艺、材料选择等。
二、施工过程的基本步骤石拱桥工程的施工过程通常分为以下几个基本步骤:1.地基处理:清理施工场地,进行地基处理工作,包括挖土、打桩等。
2.拱肋浇筑:根据设计图纸和施工方案,进行拱肋的浇筑工作,确保拱桥结构的稳固性和承载力。
3.拱圈搭设:搭设拱圈模板,进行钢筋绑扎、混凝土浇筑等工序,形成拱桥的基本结构。
4.跨径浇筑:根据设计要求,进行桥面板和栏杆的浇筑工作,完成桥梁的建设。
5.收尾工作:进行清理、保养、验收等收尾工作,确保石拱桥工程的质量和安全。
三、施工后的验收与维护石拱桥工程施工完成后,需要进行验收和维护工作,以确保桥梁的安全可靠和长期使用。
主要内容包括:1.验收:由相关部门进行验收,评估石拱桥工程的质量和合格性。
2.维护:定期检查和保养石拱桥,包括清理桥面、检查栏杆和拱肋的稳固性等,以延长桥梁的使用寿命。
3.加固改造:根据实际情况,对石拱桥进行必要的加固改造工作,提升桥梁的承载能力和安全性。
结语石拱桥作为中国传统建筑的重要形式之一,在现代化建设中仍具有重要意义。
通过科学规划和精细施工,可以保护和传承这一宝贵文化遗产,为人们创造更美好的生活环境。
以上是关于石拱桥工程施工方案方法的简要介绍,希望对相关工作者和读者有所帮助。
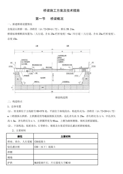
桥梁施工方案及技术措施第一节桥梁概况一、新建桥梁设置情况全线设石拱桥一座,净跨径〔14.72+20+14.72〕,桥长59.24m。
桥梁标准横断面布置为:〔人行道,含0.25m栏杆宽度〕+8m〔车行道〕〔人行道,含0.25m栏杆宽度〕,总宽15m。
桥面构造图二、构造特点1、总体布置(1)、青龙桥位于主线桩号K0+378处,平面位于曲线段内,构造形式为:净跨径〔14.72+20+14.72〕m三跨圆弧石拱桥。
主拱圈采用等截面圆弧无铰拱,边孔净矢高3.25m,净矢跨比为1/4;中孔净矢高4.5m,净矢跨比为1/4。
主拱圈厚度为90cm,上侧为砌体侧墙、填料及桥面铺装。
(2)、下部构造:低桩承台,U型桥台;墩基及台基采用钻孔灌注桩群桩根底。
2、主要材料部位主要材料拱座、承台、人行道板C30混凝土钻孔灌注桩C30〔水下〕混凝土拱圈侧墙护拱M10浆砌片石,片石强度大于MU40防水层2m厚EVA防水卷材桥面车行道构造同主线2cm厚粗面花岗岩+3cm厚1:3干拌水泥砂浆+12cm厚C30钢筋桥面人行道混凝土人行道板第二节施工流程步骤一1、桥梁、桥台根底及承台施工。
2、拱座施工步骤二1、搭设支架,并预压。
2、砌筑拱圈。
3、桥台台身施工。
4、护拱及该局部侧墙施工。
5、台后填土施工至护拱顶面后合龙主拱圈。
步骤三1、拱上建筑施工。
2、撤除支架步骤四1、桥面系及其他附属工程施工。
第三节石拱图及拱上构造的砌筑一、概述石拱桥是一种古老的桥型,又是一种充满生机的桥型。
石拱桥因其具有外形美观,拱架测量放样应以桥台中心线和桥中心线二个方向的基准进展引测。
拱图放样:均须先在放样台上放出拱圈大样,以确定拱块形状尺寸,拱圈分段位置,以及各杆件的位置和尺寸,大样比例采用1﹕1。
放样平台可选择桥台附近的空地上,三个桥孔的½的场地,场地按基石和平整。
将各排拱石和辐射形缝位置用墨线划在模板上,拱孤实际长度应包括设置预拱度后拱孤的加长和墩台以及拱架施工中的允许误差。
一、工程概况本工程为某地一座历史悠久、具有重要文化价值的石拱桥加固修复工程。
该桥位于市区,全长约50米,桥面宽度约6米,主跨约20米。
桥梁结构为单孔石拱,拱圈采用干砌块石,桥墩采用浆砌块石,桥台为重力式桥台。
桥梁始建于上世纪50年代,至今已运营60余年,由于自然老化、使用年限较长以及自然灾害等因素,桥梁存在不同程度的病害,为确保桥梁安全运行,特进行加固修复。
二、工程目标1. 提高桥梁结构整体承载能力和安全性;2. 改善桥梁外观,恢复原有风貌;3. 确保桥梁在加固修复期间不影响交通通行。
三、施工方案1. 施工准备(1)组织成立项目施工管理团队,明确各岗位职责;(2)编制施工组织设计,明确施工工艺、质量要求、安全措施等;(3)做好施工现场的排水、临时道路、材料堆场等布置;(4)对施工人员进行安全技术交底,确保施工安全。
2. 施工工艺(1)拱圈加固:采用环氧树脂砂浆对拱圈进行加固,先凿除拱圈表面松散石材,清理干净后涂抹环氧树脂砂浆,分层浇筑,确保拱圈整体性;(2)桥墩加固:采用环氧树脂砂浆对桥墩进行加固,先凿除松散石材,清理干净后涂抹环氧树脂砂浆,分层浇筑;(3)桥台加固:采用环氧树脂砂浆对桥台进行加固,先凿除松散石材,清理干净后涂抹环氧树脂砂浆,分层浇筑;(4)桥面修复:对桥面进行凿毛处理,清理干净后铺设沥青混凝土,确保桥面平整;(5)外观恢复:对桥梁栏杆、桥面排水沟等设施进行修复,恢复原有风貌。
3. 施工进度(1)施工准备阶段:5天;(2)拱圈加固施工:10天;(3)桥墩加固施工:10天;(4)桥台加固施工:10天;(5)桥面修复施工:5天;(6)外观恢复施工:5天;(7)总工期:45天。
4. 质量控制(1)施工过程中,严格按照设计要求和施工规范进行操作;(2)加强对原材料、施工工艺、施工质量等方面的检查,确保工程质量;(3)做好施工过程中的记录,为工程验收提供依据。
四、安全措施1. 施工现场设置安全警示标志,加强安全宣传教育;2. 施工人员必须佩戴安全帽、安全带等防护用品;3. 施工机械操作人员必须持证上岗;4. 施工现场加强消防、用电、高空作业等方面的安全管理。
石桥工程施工方案一、项目概况本工程为一座单孔石拱桥,位于湖南省岳阳市,桥梁总长为80米,宽12米,设计荷载为30吨。
石桥采用传统的石砌结构,桥梁上部采用圆拱,桥梁下部为砼梁墩。
现拟定施工方案如下。
二、施工组织1.施工单位应提供合格的技术人员和设备,并制定相应的质量、安全、环保等管理制度,确保施工按照相关法规和标准进行。
2.施工单位应制定具体的施工计划,包括施工队伍安排、施工工艺流程、施工进度计划、材料供应计划和安全防护措施等。
3.施工单位应与相关部门沟通,明确施工期间的交通管制、环境保护和周边居民的安全保障等问题。
三、施工工艺1. 桥梁基础施工: 桥梁基础采用打桩法进行施工,首先进行现场测量,确定桩基位置和孔位置,然后进行钻孔和安装钢筋模板,最后进行混凝土浇筑,完成桩基施工。
2. 桥梁上部施工: 桥面铺装采用水泥砂浆铺设,桥梁拱券采用传统石材砌筑,石拱桥需进行大块石材的切割、加工和拼接工作,确保桥梁的结构和美观性。
3. 桥梁防护: 桥梁的防护工程包括桥墩保温、桥面防滑和防撞护栏的安装等,以确保桥梁的使用寿命和安全性。
四、施工设备本工程所需施工设备包括:挖掘机、钻桩机、起重机、搅拌车、石材切割机等。
五、施工安全1. 施工单位应加强对施工人员的安全教育和培训,确保施工人员了解施工现场的安全风险,并正确使用安全防护设备。
2. 施工现场应设置警示标志,确保施工区域的安全通行。
施工单位应指定专人负责施工现场的安全管理和安全巡查工作。
3. 施工现场应配备应急救援人员和设备,确保施工现场一旦发生意外事故,能够迅速进行救援和处理。
六、施工质量1. 施工单位应加强对施工材料和施工质量的监督和检查,确保施工过程中各项工程质量符合设计要求和施工标准。
2. 施工进行中,应及时处理施工过程中出现的质量问题,确保施工的连续性和稳定性。
七、环境保护1. 施工单位应遵守国家环保法规,减少施工对周边环境的影响。
施工单位应对施工现场的粉尘、废水、废渣等污染物进行有效的治理和处理。
石拱桥加固施工方法石拱桥加固施工方法是一种保护历史遗产、延长石拱桥使用寿命的重要工作。
随着时间的推移,石拱桥会因为自然环境的侵蚀、车辆流量的增加以及地震等外力的作用而出现破损和变形。
因此,加固石拱桥的施工方法非常重要。
首先,在进行石拱桥加固施工之前,必须对石拱桥进行全面的检测和评估。
这包括地基的稳定性评估、结构的破损评估和变形分析。
通过对这些数据的收集和分析,可以确定哪些部分需要加固和修复,并制定相应的加固方案。
接下来,根据评估结果和加固方案,可以选用以下几种常见的石拱桥加固施工方法之一:1.衬砌加固:这种方法主要用于石拱桥的拱脚和拱内部分,以增加整体的承载能力。
首先,应清理和修复已损坏的石材,并将新石材或混凝土衬砌在原有的石材上。
这样可以提高石拱桥的稳定性和抗震性能。
2.增加梁的加固:通过添加新的钢筋混凝土梁等结构构件,可以增加石拱桥的整体承载能力。
首先,需要清理和修复已损坏的梁,并使用高强度的钢筋混凝土进行补强。
这将有助于分担桥梁的荷载并保持其整体稳定性。
3.地基加固:对于地基不稳定或受到水侵蚀的石拱桥,需要采取相应的地基加固措施。
这可以包括使用锚杆、混凝土桩或地基改良技术来加固土壤,并提高地基的稳定性。
4.拱脚加固:石拱桥的拱脚是整个桥梁结构的关键部分,也是最容易受到破坏的部分。
因此,必须对拱脚进行特殊的加固措施。
这可以包括使用钢筋混凝土衬砌、加固拱脚的基础或使用钢筋混凝土封闭拱脚等。
5.裂缝修复:如果石拱桥存在裂缝,应及时进行修复以确保桥梁的稳定性和安全性。
修复方法可以包括填充裂缝、使用钢筋或纤维增强材料来加固。
总之,石拱桥加固施工方法的选择应根据具体情况进行决定,并在专业人员的指导下进行实施。
通过适当的加固措施,可以有效延长石拱桥的使用寿命,使之成为受保护的历史遗产。
石拱桥施工专项方案一、项目概述本项目是一座石拱桥的建设工程,位于市市区的一条主干道上。
石拱桥是由多个石拱拱桥拼接而成,在其设计和施工中需要重点考虑桥梁的稳定性和美观性。
本方案旨在对项目进行全面的施工规划和安排,确保施工过程安全、高效,并达到设计要求。
二、施工准备工作1.组建项目团队:包括项目经理、设计师、结构工程师、施工队等。
2.获得必要的资料:包括土地测量、地质勘探、设计方案等。
3.准备施工所需机械设备:包括起重机、挖掘机、混凝土搅拌车等。
4.筹备原材料和施工材料:包括石材、钢筋、水泥等。
5.进行前期工程量清算和造价估算。
三、施工流程安排1.施工地基处理:首先对施工地基进行彻底的清理和平整,确保施工区域的无杂物和坡度适宜。
2.基础施工:根据设计方案,进行沉箱施工,确保桥梁的稳定性。
同时,对桥墩进行定位和测量。
3.桥面铺装:根据设计要求,进行桥面的水泥浇筑和养护,确保桥面平整且耐久。
4.拱形石墩搭建:根据设计方案和施工图纸,搭建拱形石墩,确保石墩的准确、牢固。
5.拱桥拼接:按照设计方案和施工图纸,对多个石拱进行拼接,同时加固拱体结构,确保拱桥的整体稳定。
6.拱桥美化:对拱桥进行美化处理,包括刷油漆、种植花草、搭建景观等,增强桥梁的美观性与可观性。
四、施工安全措施1.施工现场设立周界围栏,确保施工区域的安全。
2.工人进行上岗前必须参加安全培训,并佩戴相应的安全防护用品。
3.定期检查并维护施工机械设备的安全性能,确保施工过程中不发生机械事故。
4.强化施工人员的安全意识,做好事故预防措施,避免因疏忽而导致安全事故的发生。
5.出现突发事件时,要及时进行紧急疏散,并与相关部门进行沟通,确保施工过程中的安全。
五、质量控制1.对施工过程的各个环节进行质量监控,确保施工质量符合设计要求。
2.进行必要的检测和试验,如土壤密度检测、混凝土强度检测等。
3.配合监理单位的工作,及时解决质量问题,并进行整改。
4.对施工材料进行验收,并确保施工材料的质量和安全性。
石拱桥施工工艺引言:石拱桥是一种经典的桥梁结构,以石材为主要材料,具有美观、耐久的特点。
在石拱桥的施工过程中,需要采取一系列的工艺措施,保证桥梁的稳定性和安全性。
本文将详细介绍石拱桥的施工工艺。
一、桥梁设计与方案选择在石拱桥施工前,首先需要进行桥梁的设计和方案选择。
根据不同的地理环境和拓扑条件,确定石拱桥的类型和尺寸。
同时,还需要选择合适的施工方案,包括施工方法、材料选用等。
二、地基处理与基础施工地基处理是石拱桥施工的关键步骤之一。
在进行地基处理前,需要进行地质勘察和土壤测试,确保地基的稳定性和承载能力。
根据土壤的情况,采取相应的地基处理措施,如加固、加盖板桩等。
基础施工是石拱桥施工的基础,包括桥台和墩台的建设。
首先,根据设计要求,在地基的基础上进行基坑开挖。
然后,进行混凝土浇筑,形成桥台和墩台的基础。
三、拱石制作与拱顶施工石拱桥的核心部分是拱石,拱石的制作是施工中的重要一环。
首先,选择合适的石材,并根据设计要求进行加工。
然后,将加工好的石块逐一安装在拱顶的位置上,通过精细加工,使拱石之间紧密衔接。
拱顶施工是为了保证石拱的稳定性和结构完整性。
在拱顶的施工过程中,需要进行拱石的固定和加固,以及拱顶的混凝土浇筑。
同时,还需要进行拱顶的养护和防水处理,防止雨水渗漏导致石拱桥的损坏。
四、桥面铺设与栏杆施工桥面铺设是石拱桥施工的关键一环,包括铺设路面和铺设防护层。
在桥面铺设过程中,需要确保路面平整、牢固,并根据设计要求进行雨水排水系统的设置。
栏杆施工是石拱桥的补充构件,主要用于保护行人和车辆的安全。
栏杆的材料选择和施工方法需要根据设计要求进行确定。
五、桥梁验收与维护在石拱桥施工完成后,需要进行桥梁的验收工作。
验收的内容包括结构稳定性、荷载承载能力、防水效果等。
同时,还需要对石拱桥进行定期维护和保养,及时修复和更换受损部件,确保桥梁的安全可靠。
结论:石拱桥的施工工艺包括桥梁设计与方案选择、地基处理与基础施工、拱石制作与拱顶施工、桥面铺设与栏杆施工以及桥梁验收与维护等环节。
石拱桥工程施工方案方法一、工程概况石拱桥工程是指采用石材搭建起来的桥梁,具有较高的美观性和耐久性。
本工程位于市市区,全桥全长100米,桥宽10米,主要材料为石材,顶部设置行车道和人行道,两侧设有护栏。
工程需统筹考虑施工工期、人员配备、材料采购、施工方法等方面的内容。
二、施工方案1.工期计划按照市政工程施工管理的规定,制定详细的工期计划,明确每个施工阶段的时间节点。
根据实际情况确定工期为6个月,分为以下阶段:勘察、设计、施工准备、基础施工、桥面施工、安装栏杆及验收。
2.人员配备根据工程规模和工期安排,确定施工人员配备。
由一名项目经理负责整个工程的组织协调,同时配备一名专职安全员负责施工现场的安全管理。
施工工人按照工程进度进行调配,确保施工进度。
3.材料采购根据设计图纸和需要,进行石材的采购。
考虑到石材的特性和工程要求,优先选择质量良好、规格合适的石材。
在采购过程中,与供应商进行充分沟通,确定材料的具体要求,确保材料的及时供应。
4.施工方法(1)勘察阶段:对桥梁选址进行详细勘察,确定地基的状况,为后续施工提供依据。
(2)设计阶段:根据勘察结果和工程要求,进行桥梁的设计,包括桥基、桥面和栏杆等部分的设计。
(3)施工准备:组织施工人员,安排施工所需设备和材料的准备工作,确保施工进度。
(4)基础施工:根据设计图纸进行桥基的施工,包括基础桩的打入和基础混凝土的浇筑等工作,确保桥体稳固。
(5)桥面施工:将预制的石材进行拼接并固定在桥基上,并进行修整和打磨,使其符合设计要求。
(6)安装栏杆:根据设计要求,在桥面两侧进行栏杆的安装工作,确保安全性。
(7)验收:对施工过程进行整体验收,检查各项施工工作是否符合规范要求。
三、施工方法的具体操作步骤1.勘察阶段:组织勘察人员对选址进行详细勘察,获取地基的相关数据和现场状况。
2.设计阶段:根据勘察结果和工程要求,进行桥梁的设计。
设计图纸应包括桥基、桥面和栏杆等部分的尺寸、材料要求等内容。
石拱桥修补施工方案
一、前言
石拱桥作为古代建筑的重要遗产,具有独特的历史文化价值和建筑艺术价值。
但随着时间的推移和自然环境的侵蚀,石拱桥的结构和外观可能会出现一些损伤和破坏。
因此,及时进行修补工作,是保护和延续石拱桥的重要举措。
二、修补施工方案
1. 踏勘与评估
在进行修补工作之前,首先需要对石拱桥进行踏勘与评估。
通过对石拱桥结构、材质、破损情况等进行全面评估,确定修补工作的范围和重点。
同时,还需要综合考虑环境因素、施工条件等因素,制定合理的修补方案。
2. 破损修复
针对石拱桥的破损情况,采取相应的修复措施。
对于局部破损严重的部位,可
以采用石材替换或者石灰浆修补的方式进行修复。
同时,还需要注意修复后的外观与原有石拱桥保持一致,保持修复的整体性和美观性。
3. 结构加固
对于存在结构问题的石拱桥,需要进行结构加固工作。
可以通过加固原有石拱
桥的支撑结构,增强其承载能力和稳定性。
同时,还可以采用新型材料或者技术,使修补后的石拱桥更加坚固和耐久。
4. 防护措施
修补工作完成后,需要进行有效的防护措施,预防石拱桥再次受到损害。
可以
采取防水、防腐、防风等措施,保护修复后的石拱桥不受自然因素的侵蚀,延长其使用寿命。
三、总结
石拱桥修补施工是一项复杂的工程,需要专业的团队和技术支持。
通过科学合
理的修补方案,可以有效保护和延续石拱桥的历史文化价值和建筑艺术价值。
同时,修补工作也是对传统建筑文化的传承和发展的重要措施,应引起社会的重视和支持。
石拱桥施工建造方案1 测量放样(1) 拱架测量拱式拱架,应按照拱架放样图上支座的坐标,将支座位置测放到墩台牛腿上。
测量宜以桥位中心线和墩台中心线两条基线为基准。
应先测出上下游最外侧拱架片的中心线,再测出最外侧两拱架片的支座中心位置,然后测出蓁拱架片支座中心位置。
各支座位置处的牛腿必须水平、标高应符合设计标高要求,如有偏差须进行调整。
(2) 拱圈放样平台的铺设先在放样台上放出拱图大样,以确定拱块形状和尺寸、拱圈分段位置、各项杆件的位置和尺寸,并进行块件等编号。
拱圈大样一般采用1:1 的比例。
放样平台选择在桥位附近较平坦和宽敞的地方。
在拱圈和拱架两半孔对称时,放样平台面积只须满足半孔尺寸要求;两半孔不对称时则需按全孔尺寸要求铺设。
平台的表面应平整、不积水(有3%~5%的单向坡)且坚实。
为此,一般在整平地面后,在其上再夯填一层三合土或砂砾,再铺抹一层水泥砂浆或夯筑一层石灰土。
(3) 拱圈和拱肋的放样采用坐标法放样。
1) 以拱顶为原点,用经纬仪放出X-X 及Y-Y 两坐标基线及A-A、B-B、C-C、D-D等铺助线,并以对角线校核之。
2)按拱轴线方程算出拱轴线、拱腹及拱背内外弧线各预定点的纵横坐标,也可由计算用表查出这些点坐标。
3) 以坐标基线及辅助线为基准,有经纬仪及钢尺(标准的或统一的)放出或者用细钢丝施出各预定点并量出加预拱度值后的各点。
4) 用预先制作的曲线板将各点连接起来,即可绘出拱圈的设计弧线和加预拱度的弧线。
曲线板按拱圈的弧线半径制作;当为悬链线弧的圆心角及半径可按公式计算。
5) 弧线绘出后,检查弧线长度和控制点坐标的对角线长度。
拱圈或拱肋的水平长度误差及拱轴线偏差均不宜大于计算跨径的1/2000,否则须进行调整。
6) 为在大样使用期间能保持线条清晰,弧线以不同颜色的油漆标记牢固。
7) 根据放出的拱圈弧线即可设计拱架、确定拱块尺寸、计划混凝土拱圈的分段、确定空缝位置以及安排预埋构件位置等。
石拱桥施工方案石拱桥是一种古老而经典的桥梁类型,它具有坚固、美观、耐久的特点,因此在许多地方都可以看到石拱桥的身影。
本文将介绍一个石拱桥的施工方案,包括施工流程、材料选用、施工要点等。
首先,我们需要确定石拱桥的具体位置和设计方案。
根据桥的用途和所处环境,确定桥的长度、宽度、高度等参数,并进行相关的设计计算,以确保桥的稳定性和安全性。
同时,还需要进行地质勘测,了解桥址的地质条件和地下水位等信息,以便进行合理的桥基设计。
接下来,我们需要准备施工所需的材料和设备。
石拱桥的主要材料是石材,一般选择质地坚硬、质量稳定的花岗岩或砂岩。
在选材过程中,要注意材料的质量和外观,选择符合标准的石材。
此外,还需要准备混凝土、钢筋、砂石等辅助材料,以及各种施工机械和工具。
开始施工之前,首先要对施工现场进行清理和准备工作,包括清除草木、石块等杂物,铺设施工路径,并搭建起施工所需的临时设施,如施工房屋、材料堆放场所等。
然后,进行基坑开挖工作。
根据设计要求,在桥的两侧开挖基坑,将基坑的土方排除,并进行土层处理,保证基坑的坚实和稳定。
接下来,进行桥墩的施工。
根据设计要求,将预制好的桥墩组装起来,并按照设计标高进行设置。
在设置过程中,要保证桥墩的垂直度和水平度,以确保桥墩的稳定性。
桥墩完成后,进行桥拱的施工。
首先,根据设计要求,在桥墩之间搭设脚手架,以便施工人员进行作业。
然后,将预制好的拱石一块块地按照设计要求进行安装,每次安装一块拱石,要进行严密的拼缝,以确保拱石的稳定性和整体粘结性。
拱石安装完成后,需要进行水平调整和固定。
最后,进行桥面的铺设工作。
按照设计要求,在桥墩之间进行桥面的铺设,并进行抹灰、打磨等工序,以保证桥面的平整和美观。
以上就是石拱桥施工的基本流程和要点。
在施工过程中,需要严格按照设计要求进行操作,确保施工质量和安全。
同时,也需要合理组织施工人员和设备,以确保施工进度和效率。
通过科学的施工方案和精湛的施工技术,可以打造出一座坚固、美观、耐久的石拱桥。
石拱桥施工方案介绍石拱桥是一种古老而经典的建筑形式,用于横跨河流、峡谷或其他地形的桥梁。
它由多个石块拱形排列而成,具有美观和稳固的特点。
本文将介绍石拱桥的施工方案,包括选址、基础施工、拱形搭建等关键步骤。
选址选址是石拱桥施工的首要任务。
在选择桥梁位置时,需要考虑到以下几个因素:1.地质条件:选择地质稳定的地方,避免地震、地面沉降等问题。
2.水流条件:选择水流稳定、水深适中的河段,减轻施工难度。
3.交通条件:选择道路交通便利的地方,方便施工材料的运输和工人的进出。
选址完成后,需要进行测量和勘探,确定地理地貌、水文状况等,为后续施工准备工作提供依据。
基础施工石拱桥的稳定性依赖于坚固的基础。
基础施工是确保桥梁安全的重要环节,包括以下步骤:1.地基处理:清除基础区域的草木、杂物等,确保施工区域清洁。
如存在软弱土壤,需进行加固处理,例如灌注桩。
2.基础打桩:选择适当的打桩方法,例如振动锤、静压桩机等,将桩打入地下,以增加基础的承载能力。
3.基础浇筑:采用混凝土浇筑基础,确保基础的坚固性和稳定性。
拱形搭建拱形搭建是石拱桥施工的核心过程,主要包括以下几个步骤:1.拱坡测量:确定拱形的高程和宽度,根据桥梁设计和计算结果进行测量定位。
2.制作模板:根据拱形测量结果,制作合适的木模板,为石块的摆放提供准确的参考。
3.石块摆放:根据拱形要求和模板位置,将石块逐一摆放在基础上。
在摆放过程中,需要注意石块的形状、大小和重量的均衡性,确保拱形的稳定性。
4.石块固定:使用适当的胶结材料或金属夹具,将石块牢固地固定在一起,以增强拱形的稳定性。
5.拱顶收口:在拱形搭建完成后,对拱顶进行收口处理,加强整个桥梁的稳定性。
结论石拱桥是一种古老而美丽的建筑形式,它不仅具有实用性,还给人们带来了一份艺术享受。
石拱桥的施工需要经过认真的规划和实施,选址、基础施工和拱形搭建都是至关重要的步骤。
只有确保每个步骤的准确性和稳定性,才能建造出坚固、美观的石拱桥。
一、石拱桥工程施工方案、方法1工作内容进行各个工程的放线、基础开挖、拌浆、试验、砌筑(桥台基础-台身-拱圈-侧墙等)、勾缝、养护、质量检查等各施工作业所需的各项工作。
石拱桥施工主要为砌石工程,砌石工程用人工操作,耗时耗力,对工程进度的影响很大。
在施工过程中,尽早提供砌筑工作面,并尽可能地多个工作面同时施工,以确保工程施工进度。
.2土方开挖土方开挖采用人工进行开挖,脚轮车运输。
.3土方回填土方回填采取人工装脚轮车运输,人工平整,蛙式打夯机进行夯实,压实度达到设计要求。
.4材料选择.4.1块石质量①块石从怀远购取,砌筑工程的石料在经监理人批准的料场进行购买。
砌体所选石料材质坚实新鲜、无风化剥落或裂纹,表面无污垢、水锈等杂质,用于砌体表面的石材,色泽均匀。
石料的物理力学指标必须符合施工图纸及规范要求。
②毛石砌体:毛石应呈块状,中部厚度不小于20cm,最小重量不小于25kg。
规格小于要求的毛石,可用于塞缝,但用量不得超过该处砌体重量的10﹪。
③料石砌体:用于挡墙外层的粗料石应棱角分明、各面平整,其各面加工要求满足GBJ50203-98的规定,长度大于50cm,宽、厚大于20cm,外露面修琢加工,砌面高差小于5mm。
并根据监理人的指示进行试验,容重大于25 KN/m3,抗压强度大于100Mpa。
④砌体所用块石以使用大、中块石为主。
大块石:石块的上下两面平行,且大致平整,无尖角,薄边,块厚不小于20cm。
中块石:单块重应大于25kg,中部厚度不小15cm。
小块石:其用量不得超过该处砌体重量的10%。
.4.2砌筑用砂的选择浆砌石所用的砂料质量符合SD120-84规定,要求粒径为0.10—3mm,细度模数为2.5—3.0。
.4.3水泥和水选择:砌筑工程采用的水泥品种为蒙城县万佛塔P032.5级普通硅酸盐水泥,到现场水泥按品种、标号、出厂日期分别堆放,受潮结块的水泥禁止使用。
拌制砂浆采用的水质达到饮用水的标准,未经处理的工业污水和沼泽水,不得使用。
对水质怀疑时,可做砂浆抗压强度试验,28天龄期强度低于90%时,禁止使用。
.4.4水泥砂浆①砂浆的配合比满足施工图纸规定的强度、和易性要求,配合比通过试验确定。
施工中改变砂浆的配合比时,重新试验,报送监理人批准。
②拌制砂浆时,严格按试验确定的配料单进行计量配料,严禁擅自更改。
拌制过程中保持砂料含水率的稳定,当砂的含水率有变化时,即时调整用水量,以保证水灰比的准确性。
称量允许误差:水泥为±2%,砂为±3%,水、外加剂为±1%。
③砂浆随拌随用,砂浆的允许间歇时间通过试验确定。
砂浆拌和采用机械拌和,拌和时间不少于2-3分钟。
对运输或贮存中发生离析,析水的砂浆,砌筑前重新拌制,已初凝的砂浆不得使用。
.5浆砌块石施工方法.5.1浆砌石采用铺浆法砌筑,、稳定、密实和错缝。
铺砂浆前,清洗石料表面上的泥土并洒水润湿,使其表面充分收水,不残留积水,灰缝厚度一般为20-30mm。
.5.2砌筑砂浆配合比经试配确定,并报监理人审核后使用。
由于施工部位多,砌筑砂浆在各砌筑工作面用350L滚筒式拌和机拌制,人工手推车运输。
砂浆试块按规范要求留制。
砂浆稠度为30mm-50mm,现配现用,根据气温情况,在初凝前用完。
.5.3浆砌石挡土墙、拱圈在砌筑前放样立标、拉线砌筑,将石料表面的泥垢、水锈等杂质清洗干净。
采用铺浆法砌筑,其基本要求是平整、稳定、密实和错缝。
分层坐浆砌筑,石块卧砌、上下错缝、内外搭接、砌立稳定,每层依次砌角石、面石,然后砌腹石,砌体均衡上升。
每日砌筑高度控制在1m左右,并找平一次;外露面水平灰缝宽度不大于25mm,竖缝宽度不大于40mm,相邻两层间的竖逢错开距离不小于100mm;伸缩缝和排水孔按图纸设置,砌筑后按规定及时养护。
.5.4浆砌体施工应符合下列要求①砌筑分层,各砌层均坐浆,随铺浆随砌筑。
②每层依次砌角石、面石,然后砌腹石。
③块石砌筑,看样选料,修整边角,选择较平整的大块石,经修整后用作面石,上下两层石块骑缝,内外石块交错搭接。
砌缝宽度:竖缝为2—4cm,平缝为2—2.5cm,竖缝宽度在5cm以上时,填塞片石,先填砂浆,后塞片石。
④砌体均衡上升,相领段的砌筑高差和每砌筑高度,不超过1.2m。
.5.5浆砌石勾缝主要是挡土墙、拱圈勾缝,勾缝前,砌体表面溅染的砂浆清理干净。
块石砌筑后及时清缝,清缝在块石砌筑24小时后进行,缝宽不小于砌缝宽度,缝深不小于缝宽的两倍。
同时将缝槽清洗干净,不残留灰渣和积水,并保持缝面湿润。
勾缝用砂浆单独拌制,采用1:2水泥砂浆或设计文件规定标号的砂浆勾缝,勾缝砂浆严禁与砌体砂浆混用。
勾缝完成及砂浆初凝后,将砌体表面刷洗干净,加强养护。
砌体外露面在砌筑后12-18小时之间及时养护,经常保护外露面湿润。
水泥砂浆砌筑的养护时间不少于14天,养护期间严禁用重锤敲打、滚动石块在其上搬运重物等有损砌体强度的行为。
.6保证块石护砌表面美观的措施.6.1选择施工经验丰富、砌石手艺精良的施工队伍,是保证砌石表面美观的重要措施。
我们拟选择与我单位进行长期劳务合作、砌筑技术精良的队伍。
.6.2块石选择方面必须基本方正,到现场后对表面进行凿修,保证每块外表面平整。
.6.3砌筑带线,每层用相同宽度的块石砌筑,确保砌石成线。
.6.4控制好灰缝宽度,为20mm~30mm,宽度均匀一致。
.6.5每天砌筑后,将砌石表面清理干净。
.6.6做好浆砌石勾缝,勾缝比砌石面凹3~5mm,勾缝必须达到宽度、深度一致,表面光滑。
勾缝用砂浆严格按配合比拌制,水泥、砂用同一品种,使缝的色泽一致。
.7质量标准和检验.7.1砌体的重量检验如下(1)材料和砌体的质量规格应符合要求;(2)砌缝砂浆应充填密实,砌缝宽度、错缝距离应符合要求;(3)砂浆配合比应正确,试件强度不低于设计强度。
.8质量检查和验收.8.1质量检查①砌石所用块石、水泥、砂、水和外加剂等原材料按照监理人的指示和有关规定进行质量检查。
②严格控制砂浆配合比,定期检查砂浆的均匀性;同一标号砂浆试件的数量,28天龄期的每100m3砌体取成型试件一组3个。
③砌体外观质量检查:砌筑面的平整度和勾缝质量、石块嵌挤的紧密度、缝隙砂浆的饱满度、沉降缝贯通情况等。
①砌体工程砌筑前进行砌筑体测量放样成果的检查和基础建基面开挖清理质量的检查和验收。
②各项原材料和砌筑质量检查与验收。
③每次砌体工程完工后,向监理人提交完工申请及验收资料。
机井施工方法机井工程施工包括钻孔施工准备、钻进工艺、井管外观质量检查及过滤器制作,井管安装、填砾及管外封闭,洗井和抽水试验等。
.1施工标准和规程规范(1)《机井技术规范》SL256-2000;(2)《村镇供水工程技术规范》SL310-2004;(3)《供水管井技术规范》GB50296-99;(4)《混凝土结构工程施工质量验收规范》GB50204-2002;(5)《预制混凝土构件质量检验评定标准》GB321-90;.2施工准备(1)确保机井施工安全与成井质量,严格执行技术操作规程,预防事故发生。
(2)做到路通、水通、电通(备好机械动力设备),施工场地平整。
(4)试钻前按质量要求,检查钻井设备各零部件,不合格的不使用。
(5)泥浆循环系统的泥浆池和沉淀池的容积,满足施工储浆和沉砂的要求。
泥浆槽的长度在15m以上。
(6)管井施工所需管材、滤料、粘土、粘土球及其他物料,按设计要求在开钻前准备好,并及时运到现场。
3钻机安装(1)本工程区地层为松散层构造,钻机类型采用回转式正循环钻机。
(2)根据设计井孔位置,安装钻机时,井孔中心距电话线至少10m;距旱地电力线路及松散层旧井孔边线的距离至少5m;距地下通信电缆、构筑物、管道及其他地下设施边线的水平距离至少2m;距高压电线的距离,为塔高的两倍;与地面高层楼房及重要建筑物保持足够的安全距离,并遵守有关行业施工现场的规定。
(3)钻机及附属配套设备的安装,保证基础坚实,安装平稳,布局合理,便于操作;回转钻机转盘水平,天车、转盘及井孔中心在一条铅直线上;冲击钻机保证连接牢固,钻具总重不超过钻机说明书规定的重量,活芯灵活,钢丝绳与活套的上线保持一致;在钻进过程中不得位移。
(4)钻塔的安装①安装钻塔前,对升降系统、钻塔各部件及有关辅助工具进行认真检查,符合要求后进行安装。
②安装钻塔前,任何人不得在钻塔起落范围内通过或停留。
安装多层钻塔时,上下两层不同时作业,自下而上逐层进行。
③起钻塔时,卷扬或绞车低速运转,保持平稳。
当起塔接近垂直时,操作缓慢、准确,防止钻塔倾倒、碰坏。
④塔腿接触地面处,用垫木垫牢,保持稳定。
⑤绷绳位置安设匀称,绷绳地锚埋设牢固,并用紧绳器绷紧,绷绳与地面所成夹角,不大于450。
⑥钻机转盘中心与井孔中心保持在一条铅直线上。
4钻进工艺钻井工艺包括钻进方法、冲洗介质、泥浆质量、井孔防斜及事故预防。
4.1钻进方法与护壁规定:①松散层,采用正循环回转式钻进;②冲洗介质,根据水文地质条件和施工情况等因素合理选用。
在粘土或稳定地层,采用清水;在松散、破碎地层,采用泥浆。
③松散层钻进时,根据钻进机具和地层岩性采取泥浆护壁。
用泥浆护壁,孔内泥浆面距地面小于0.5m。
④顶部的松散层,采用套管护壁。
⑤成井过程中设置的护口管,保证在管井施工过程中不松动,井口不坍塌。
4.2钻孔泥浆质量要求①根据地质报告地层泥浆密度为1.1~1.2,遇高压含水层或易塌地层,泥浆密度酌情加大。
②砾石、粗砂、中砂含水层泥浆粘度为18~22s;细砂、粉砂含水层为16~18s。
③回转钻进时,孔内泥浆含沙量不大于12%。
④回转钻进时,胶体率不低于80%。
井孔较深时,胶体率适当提高。
4.3停钻期间,将钻具提至安全孔段位置并定时循环或搅动孔内泥浆;泥浆漏失随时补充;如孔内发生故障,视具体情况调整泥浆指标或提出钻具。
4.4井孔倾斜度符合《机井技术规范》3.3.2规定。
钻进时合理选用钻进参数,必要时安装钻铤和导正器。
发现孔斜征兆,及时纠正。
钻具的弯曲、磨损定时检查,不合格不使用。
5采样及地层编录5.1松散层钻进时,采取土样符合下列规定:①采鉴别样,鉴别样准确反映原有地层的深、岩性、结构及颗粒组成。
②鉴别样的数量,每层一个。
含水层2~3m采一个,非含水层与不宜利用的含水层3~5m采一个,变层处加采一个。
当有较多钻孔资料或进行电测时,鉴别样的数量适当减少。
5.2土样按地层顺序存放,及时描述和编录。
土样可保存至工程验收,必要时可延长存放时间。
(4)土样的描述,可按下表的规定进行。
(5)土样的编录,内容包括采样时间、地点、名称、编号、深度、采样方法和岩性描述以及分析结果。
(6)松散层中的深井、地下水质和地层复杂的井、全面钻进的基岩井,进行井孔电测,校正含水层位置、厚度和分析地下水矿化度。